2020年高三二轮复习强基础专题十五:物理学史及研究方法(解析版)
- 格式:doc
- 大小:89.98 KB
- 文档页数:16
2020届高考物理第二轮专题复习选择题模拟演练物理学史、物理学思想与方法一、单项选择题1、下列说法正确的是( )A.伽利略设计了理想斜面实验,研究力与运动的关系,与他同时代的法国科学家笛卡尔补充和完善了伽利略的观点,并明确指出,除非物体受到力的作用,物体将永远保持其静止或运动状态,永远不会使自己沿曲线运动,而只保持在直线上运动B.库仑不但提出了场的概念,而且采用电场线描述电场,还发明了人类历史上的第一台发电机C.牛顿在物理学的发展历程中,首先建立了平均速度、瞬时速度和加速度等概念用来描述物体的运动,并首先采用了实验检验猜想和假设的科学方法,把实验和逻辑推理和谐地结合起来,从而有力地推进了人类科学的发展D.摩擦起电现象中,用丝绸摩擦过的玻璃棒所带电荷是一种,用毛皮摩擦过的橡胶棒所带的电荷是另一种,美国科学家密立根把前者命名为正电荷,把后者命名为负电荷,并且用油滴实验最早测出了元电荷的数值2、在物理学发展历史中,许多物理学家做出了卓越的贡献.下列关于物理学家所做科学贡献的叙述中,正确的是( )A.伽利略用理想斜面实验推翻了亚里士多德关于“力是维持物体运动原因”的观点B.牛顿依据大量的观察数据归纳成简洁的三定律,揭示了行星运动的规律C.库仑引入“电场”的概念来解释电荷间的相互作用D.奥斯特发现了磁场对电流的作用力3、在人类对微观世界进行探索的过程中,科学实验起到了非常重要的作用,下列说法符合历史事实的是( )A.为了得出同实验相符的黑体辐射公式,爱因斯坦提出了能量子假说B.密立根通过油滴实验,说明了原子核外电子的轨道是不连续的C.汤姆孙通过阴极射线在电场和磁场中的偏转,发现阴极射线由带负电的粒子组成D.卢瑟福通过α粒子散射实验,发现原子核是由质子和中子组成4、以下表述正确的是( )A.奥斯特首先发现了电磁感应定律,开辟了能源利用的新时代B.牛顿利用扭秤实验,首先测出引力常量,为人类实现飞天梦想奠定了基础C.安培首先提出了“场”的概念,使人们认识了物质存在的另一种形式D.伽利略用实验和推理相结合的方法,得出了力不是维持物体运动的原因5、下列叙述中符合物理学史实的是( )A.伽利略发现了单摆的周期公式B.奥斯特发现了电流的磁效应C.库仑通过扭秤实验得出了万有引力定律D.牛顿通过斜面理想实验得出了维持运动不需要力的结论6.下列说法错误的是( )A.英国科学家胡克发现了胡克定律,提出了关于“太阳对行星的吸引力与行星到太阳的距离的平方成反比”的猜想B.英国剑桥大学学生亚当斯和法国天文学家勒维耶应用万有引力定律,计算发现了海王星C.牛顿发现了万有引力定律,并利用扭秤装置测得万有引力常量,“称量了地球的重量”D.美国物理学家密立根通过油滴实验比较准确地测定了电子的电荷量,获得诺贝尔奖7.下列关于物理学史、物理学研究方法的叙述中正确的是( )A.卡文迪许通过扭秤实验,测出了万有引力常量B.伽利略在研究自由落体运动时采用了微量放大的方法C.牛顿根据理想斜面实验,提出力不是维持物体运动的原因D.在验证力的平行四边形定则的实验中使用了控制变量的方法8.下列说法正确的是( )A.开普勒提出行星运动规律,并发现了万有引力定律B.牛顿发现了万有引力定律并通过精确的计算得出万有引力常量C.万有引力常量是库仑通过扭秤实验测量得出的D.法拉第最早引入了场的概念,并提出用电场线描述电场9.在物理学建立和发展的过程中,许多物理学家的科学发现推动了人类历史的进步,关于科学家和他们的贡献,下列说法正确的是( )A.伽利略通过逻辑推理和实验认为:重物比轻物下落的快B.牛顿根据理想斜面实验,首先提出力不是维持物体运动的原因C.卡文迪许提出了万有引力定律D.法拉第以他深刻的洞察力提出电场的客观存在,并且引入了电场线10、牛顿建立的经典力学体系,是人类认识自然及历史的第一次大飞跃和理论的大综合,它开辟了一个新的时代,并对科学发展的进程以及人类生产生活和思维方式产生极其深刻的影响,标志着近代理论自然科学的诞生,并成为其他各门自然科学的典范.以下说法正确的是( )A.牛顿发现了万有引力定律,并实验测出了引力常量GB.牛顿通过论证开普勒行星运动定律与他的引力理论间的一致性,证明了天上力学和地上力学的统一性,所以牛顿定律在非惯性系中也成立C.在著名的“月-地检验”中,人们计算出了月球绕地球运动轨道的加速度是地球表面重力加速度的13 600D.牛顿第一定律又被称为惯性定律,任何物体都有惯性,速度越大,物体的惯性越大11、下列说法中正确的是( )A.伽利略设计的斜面实验巧妙地借用了“冲淡”重力的方法,通过实验现象推翻了亚里士多德的“物体运动需要力来维持”的错误结论B.牛顿第一、第二、第三定律都可以用实验直接验证C.第谷通过多年的观测,积累了大量可靠的数据,在精确的计算分析后得出了行星运动三定律D.动量定理不仅适用于宏观物体的低速运动,而且对于微观粒子和高速(接近光速)运动的物体也适用12、2014年,我国在实验中发现量子反常霍尔效应,取得世界级成果.实验在物理学的研究中有着非常重要的作用,下列关于实验的说法中正确的是( )A.在探究求合力的方法的实验中运用了控制变量法B.密立根利用油滴实验发现电荷量都是某个最小值的整数倍C.牛顿运用理想斜面实验归纳得出了牛顿第一定律D.库仑做库仑扭秤实验时采用了归纳的方法13、2018年3月14日,英国剑桥大学著名物理学家斯蒂芬·威廉·霍金逝世,享年76岁,引发全球各界悼念.在物理学发展的历程中,许多物理学家的科学研究推动了人类文明的进程,为物理学的建立,做出了巨大的贡献.在对以下几位物理学家所做的科学贡献的叙述中,正确的是( )A.卡文迪许将行星与太阳、地球与月球、地球与地面物体之间的引力规律推广到宇宙中的一切物体,得出万有引力定律,并测出了引力常量G的数值B.根据玻尔理论,原子从激发态向基态跃迁时将释放出核能C.布拉凯特利用云室照片发现,粒子击中氮原子形成复核,复核不稳定,会放出一个质子D.爱因斯坦的光子说认为,只要增加光照时间,使电子多吸收几个光子,所有电子最终都能跃出金属表面成为光电子14、下列叙述中,符合物理学史实的是( )A.玻尔原子理论第一次将量子观念引入原子领域,提出了定态和跃迁的概念,成功地解释了各种原子光谱的实验规律B.普朗克通过研究黑体辐射提出能量子的概念,成为量子力学的奠基人之一C.库仑最早测出了元电荷e 的数值D.牛顿推翻了力是维持物体运动的原因的观点15、下列说法符合历史事实的是( )A.牛顿首先建立了平均速度、瞬时速度和加速度概念用来描述物体的运动B.法拉第发现了电磁感应现象,他概括出四类情况能够产生感应电流C.伽利略直接通过研究自由落体实验得出自由落体运动是匀变速运动D.奥斯特发现电流的磁效应时将直导线沿南北方向、平行于小磁针放置在其上方,给导线通电,发现小磁针偏转16、下列说法正确的是( )A.伽利略的理想斜面实验说明了“力是维持物体运动的原因”B.采用比值定义法定义的物理量有:电场强度E =F q ,电容C =Q U,加速度a =F mC.库仑通过实验得出了库仑定律,并用扭秤实验最早测量出了元电荷e 的数值D.放射性元素发生一次β衰变,新核原子序数比原来核序数增加117.关于科学家和他们的贡献,下列说法正确的是( )A.牛顿通过理想斜面实验证明了力不是维持物体运动的原因B.万有引力定律和万有引力常量是牛顿发现并测量出的C.元电荷的数值最先是由库仑通过油滴实验测出的D.电场这个“场”的概念最先是由法拉第提出的18、下列说法正确的是( )A.伽利略通过“理想实验”得出“力是维持物体运动的原因”B.历史上首先正确认识力和运动的关系,推翻“力是维持物体运动的原因”的物理学家是牛顿C.牛顿发现万有引力定律的同时测出了引力常量D.伽利略首先建立了平均速度、瞬时速度、加速度以及能量的概念19、伽利略在对自由落体运动的研究过程中,开创了如下框图所示的一套科学研究方法,其中方框2和4中的方法分别是( ) 观察现象→2→逻辑推理→4→修正推广→…A.实验检验,数学推理B.数学推理,实验检验C.提出假设,实验检验D.实验检验,合理外推20、(多选)伽利略根据小球在斜面上运动的实验和理想实验,提出了惯性的概念,从而奠定了牛顿力学的基础.早期物理学家关于惯性有下列说法,其中正确的是( )A.物体抵抗运动状态变化的性质是惯性B.没有力的作用,物体只能处于静止状态C.行星在圆周轨道上保持匀速率运动的性质是惯性D.运动物体如果没有受到力的作用,将继续以同一速度沿同一直线运动答案与解析1.A解析:伽利略设计了理想斜面实验,研究力与运动的关系,与他同时代的法国科学家笛卡尔补充和完善了伽利略的观点,并明确指出,除非物体受到力的作用,物体将永远保持其静止或运动状态,永远不会使自己沿曲线运动,而只保持在直线上运动,故A正确;法拉第不但提出了场的概念,而且采用电场线描述电场,还发明了人类历史上的第一台发电机,故B错误;伽利略在物理学的发展历程中,首先建立了平均速度、瞬时速度和加速度等概念用来描述物体的运动,并首先采用了实验检验猜想和假设的科学方法,把实验和逻辑推理和谐地结合起来,从而有力地推进了人类科学的发展,故C错误;富兰克林把自然界的两种电荷命名为正电荷和负电荷,故D错误.2.A解析:伽利略用理想斜面实验推翻了亚里士多德关于“力是维持物体运动原因”的观点,选项A正确;开普勒依据第谷的大量的观察数据归纳成简洁的三定律,揭示了行星运动的规律,选项B错误;法拉第引入“电场”的概念来解释电荷间的相互作用,选项C错误;奥斯特发现了电流的磁效应,选项D错误.3.C解析:为了得出同实验相符的黑体辐射公式,普朗克提出了能量子假说,选项A错误;密立根通过油滴实验,测量的电子的电量;玻尔根据氢光谱的特点,提出了核外电子的轨道是不连续的,故B错误;汤姆孙通过阴极射线在电场和磁场中的偏转,发现阴极射线由带负电的粒子组成,选项C正确;卢瑟福通过α粒子散射实验,得出了原子的核式结构理论,选项D错误.解析:法拉第首先发现了电磁感应定律,开辟了能源利用的新时代,故A错误;卡文迪许利用扭秤实验,首先测出引力常量,为人类实现飞天梦想奠定了基础,故B错误;法拉第首先提出了“场”的概念,使人们认识了物质存在的另一种形式,故C错误;伽利略利用实验和推理相结合的方法,得出了力不是维持物体运动的原因,故D正确.] 5.B [伽利略发现了单摆的等时性,惠更斯得出了单摆的周期公式,A错误;奥斯特发现电流的磁效应,B正确;库仑首先通过扭秤实验得出了电荷间相互作用的规律;牛顿得出了万有引力定律,C错误;伽利略通过斜面理想实验得出了维持运动不需要力的结论,D错误.6.C解析:英国科学家胡克发现了胡克定律,提出了关于“太阳对行星的吸引力与行星到太阳的距离的平方成反比”的猜想,选项A正确;英国剑桥大学学生亚当斯和法国天文学家勒维耶应用万有引力定律,计算发现了海王星,选项B正确;牛顿发现了万有引力定律,卡文迪许利用扭秤装置测得万有引力常量,“称量了地球的重量”,选项C错误;美国物理学家密立根通过油滴实验比较准确地测定了电子的电荷量,获得诺贝尔奖,选项D正确.解析:卡文迪许通过扭秤实验,测出了万有引力常量,故A正确;伽利略在研究自由落体运动时采用了抽象思维、数学推导和科学实验相结合的方法,故B错误;伽利略根据理想斜面实验,提出力不是维持物体运动的原因,故C错误;在验证力的平行四边形定则的实验中使用了等效替代的方法,故D错误.8.D解析:开普勒提出行星运动规律,牛顿发现了万有引力定律,选项A 错误;牛顿发现了万有引力定律,卡文迪许通过扭秤实验测得万有引力常量,选项B、C错误;法拉第最早引入了场的概念,并提出用电场线描述电场,选项D正确.9.D解析:伽利略通过逻辑推理和实验认为:重物与轻物下落一样快,故A错误;伽利略根据理想斜面实验,首先提出力不是维持物体运动的原因,故B错误;牛顿发现了万有引力定律,卡文迪许利用“卡文迪许扭秤”首先较准确的测定了万有引力常量,故C错误;法拉第提出电场是一种客观存在,并且引入了电场线,故D正确.解析:牛顿发现了万有引力定律,卡文迪许用实验测出了引力常量G,选项A错误;牛顿通过论证开普勒行星运动定律与他的引力理论间的一致性,证明了天上力学和地上力学的统一性,但是牛顿定律在非惯性系中不成立,选项B错误;在著名的“月-地检验”中,人们计算出了月球绕地球运动轨道的加速度是地球表面重力加速度的13 600,选项C正确;牛顿第一定律又被称为惯性定律,任何物体都有惯性,质量越大,物体的惯性越大,选项D错误.11.D解析:在对自由落体运动的研究中,伽利略巧妙地利用斜面实验来冲淡重力影响使得时间更容易测量,最后逻辑推理证明了自由落体的运动规律,故A错误;牛顿第二、第三定律都可以用实验直接验证,牛顿第一定律不能通过实验来验证,选项B错误;第谷通过多年的观测,积累了大量可靠的数据,开普勒在精确的计算分析第谷的观测数据后得出了行星运动三定律,选项C错误;动量定理不仅适用于宏观物体的低速运动,而且对于微观粒子和高速(接近光速)运动的物体也适用,选项D正确.解析:在探究求合力方法的实验中使用了等效替代的方法,故A错误;电子所带电荷量的精确数值最早是由美国物理学家密立根通过油滴实验测得的,他测定了数千个带电油滴的电荷量,发现这些电荷量都等于某个最小电荷量的整数倍,故B正确;伽利略首创了理想实验的研究方法,主要是理想斜面实验,故C错误;库仑做库仑扭秤实验时利用了微小量放大的方法,故D错误.13.C解析:牛顿将行星与太阳、地球与月球、地球与地面物体之间的引力规律推广到宇宙中的一切物体,得出万有引力定律,卡文迪许测出了引力常量G的数值,选项A错误;根据玻尔理论,原子从激发态向基态跃迁时将释放出光能,不是核能,选项B错误;布拉凯特利用云室照片发现,粒子击中氮原子形成复核,复核不稳定,会放出一个质子,选项C正确;根据爱因斯坦的光子说认为,只要入射光的频率小于截止频率,即使增加光照时间,也不可能发生光电效应,故D错误.14.B解析:玻尔原子理论第一次将量子观念引入原子领域,提出了定态和跃迁的概念,成功地解释了氢原子光谱的实验规律,故A 错误;普朗克通过研究黑体辐射提出能量子的概念,成为量子力学的奠基人之一,故B 正确;密立根最早测出了元电荷e 的数值,故C 错误;伽利略通过理想斜面实验,假设没有摩擦,物体将一直运动下去不会停止,从而推翻“力是维持物体运动的原因”,故D 错误.15.D解析:在物理学的发展历程中,伽利略首先建立了平均速度、瞬时速度和加速度概念用来描述物体的运动,A 错误;法拉第发现了电磁感应现象,但没有总结四类情况能够产生感应电流,B 错误;伽利略通过对不同斜面上物体的运动的研究,推测自由落体运动是匀变速运动,C 错误;奥斯特发现电流的磁效应时将直导线沿南北方向、平行于小磁针放置在其上方,给导线通电,发现小磁针偏转,D 正确.16.D解析:伽利略通过理想斜面实验,说明了“力不是维持物体运动的原因”,故A 错误;用比值定义法定义的物理量在物理学中占有相当大的比例,如电场强度E =F q ,电容C =Q U ,而加速度a =F m,公式中a 与F 成正比,与质量成反比,不属于比值定义法,故B 错误;库仑用扭秤实验最早得出库仑定律,密立根测出了元电荷e的数值,故C错误;放射性元素发生一次β衰变,放射出一个电子,原子序数增加1,故D正确.17.D解析:伽利略通过理想斜面实验证明了力不是维持运动状态的原因,A错误;牛顿发现了万有引力定律,而引力常量由卡文迪许测出,B 错误;密立根利用油滴实验,测出的油滴带电量均为一个最小单元的整数倍,把这个最小带电单元叫做元电荷,它是自然界中最小的电荷量,C错误;19世纪30年代,法拉第提出另一种观点,认为一个电荷的周围存在着由它产生的电场,另外一个电荷受到的作用力就是这个电场给予的,他还引入了电力线(又称电场线)来描述电场的性质,这个方法一直被沿用至今,故D正确.]18.D解析:伽利略通过“理想实验”得出“力不是维持物体运动的原因”,故A错误;历史上首先正确认识力和运动的关系,推翻“力是维持物体运动的原因”的物理学家是伽利略,故B错误;牛顿发现万有引力定律,卡文迪许测出了引力常量,故C错误;伽利略首先建立了平均速度、瞬时速度、加速度以及能量的概念,故D正确.19.C解析:这是依据思维程序排序的问题,这一套科学研究方法,要符合逻辑顺序,即通过观察现象,提出假设,根据假设进行逻辑推理,然后对自己的逻辑推理进行实验验证,紧接着要对实验结论进行修正推广,故C正确,A、B、D错误.20.AD解析:物体保持原来匀速直线运动状态或静止状态的性质叫惯性,即物体抵抗运动状态变化的性质,则A项正确;没有力的作用,物体可能保持匀速直线运动状态或静止状态,则B项错误;行星在圆周轨道上保持匀速率运动是由于受到改变运动状态的向心力作用,其运动状态是不断变化的,则C项错误,D项正确.。
强基础专题十五:物理学史及研究方法1.许多科学家在物理学发展过程中做出了重要贡献,下列叙述中符合物理学史实的是A. 奥斯特发现了电流的磁效应,并总结出了右手定则B. 牛顿提出了万有引力定律,并通过实验测出了万有引力恒量C. 伽利略通过理想斜面实验,提出了力是维持物体运动状态的原因D. 库仑在前人的基础上,通过实验得到真空中点电荷相互作用规律2.在物理学发展的过程中,许多物理学家的科学研究推动了人类文明的进程。
在对以下几位物理学家的叙述中,符合历史的说法是A. 牛顿发现了万有引力定律B. 在对自由落体运动的研究中,伽利略猜想运动速度与下落时间成正比,并直接用实验进行验证C. 牛顿应用“理想斜面实验”推翻了亚里士多德的“力是维持物体运动的原因”的观点D. 亚里士多德最早指出了“力不是维持物体运动的原因”3.关于物理学研究方法和物理学史,下列说法正确的是A. 在推导匀变速直线运动位移公式时,把整个运动过程划分成很多小段,每一小段近似看作匀速直线运动,然后把各小段的位移相加,这里采用了微元法B. 根据速度定义式,当△t非常非常小时,就可以表示物体在t时刻的瞬时速度,该定义应用了微元法C. 亚里士多德认为自由落体运动就是物体在倾角为90°的斜面上的运动,再根据铜球在斜面上的运动规律得出自由落体的运动规律,这是采用了实验和逻辑推理相结合的方法D. 牛顿在伽利略等前辈研究的基础上,通过实验验证得出了牛顿第一定律4.在物理学发展上许许多多科学家做出了巨大贡献。
下列符合物理史实的是A. 牛顿提出了万有引力定律并利用扭秤实验装置测量出万有引力常量B. 法拉第通过精心设计的实验,发现了电磁感应现象C. 卡尔最先把科学实验和逻辑推理方法相结合,否认了力是维持物体运动状态的原因D. 第谷用了20年时间观测记录行星的运动,发现了行星运动的三大定律5.下列说法中正确的是A. 伽利略设计的斜面实验巧妙地借用了“冲淡”重力的方法,通过实验现象推翻了亚里士多德的“物体运动需要力来维持”的错误结论。
高三物理物理学史和研究方法试题答案及解析1.用比值法定义物理量是物理学中一种很重要的思想方法,下列物理量的表达式不是由比值法定义的是A.加速度B.电阻C.电容D.电场强度【答案】A【解析】所谓比值定义法,就是用两个量的比值定义一个新的物理量,而新的物理量与原来两个量又无关.加速度是牛顿第二定律表达式,说明加速度a与外力F成正比,与质量m成反比,不符合比值定义法的共性,故A错误;电阻是导体两端电压与通过电流的比值,故B正确;电容是所带电荷量与板间电势差的比值,故C正确;电场强度等于电场力与探试电荷的电荷量的比值,采用的是比值定义法,故D正确;故选:A。
【考点】物理概念的定义方法。
2.静电场、磁场和重力场在某些特点上具有一定的相似性,结合有关“场”的知识,并进行合理的类比和猜想,判断以下说法中可能正确的是()A.电场和磁场的概念分别是奥斯特和楞次建立的B.重力场与静电场相类比,重力场的“场强”相等于重力加速度,其“场强”大小的决定式为C.静电场与磁场相类比,如果在静电场中定义“电通量”这个物理量,则该物理量表示穿过静电场中某一(平或曲)面的电场线的多少D.如果把地球抽象为一个孤质点,用于形象描述它所产生的重力场的所谓“重力场线”的分布类似于真空中一个孤立的正电荷所产生的静电场的电场线分布【答案】C【解析】场的概念是由法拉第首先提出的,所以A错误;重力加速度与物体的质量无关由星球决定,其决定式是,所以B错误;在磁场中磁通量表示穿过某面的磁感线的多少,与其类比电筒量表示穿过静电场中某一(平或曲)面的电场线的多少,所以C正确;重力场线的分布类似于孤立的负点电荷产生的电场线,所以D错误。
【考点】考查学生对物理概念、物理规律的正确理解3.用比值法定义物理量是物理学中一种常用的方法。
下面四个物理量表达式中,属于比值法定义式的是A.导体的电阻R=B.加速度a=C.电流I=D.电容器的电容C=【答案】D【解析】导体的电阻R=中电阻与导线长度、横截面积及电阻率有关,不属于比值定义法,故A错误;加速度中a取决于力的大小,不属于比值定义法,故B错误;电流的大小取决于导体两端的电压与导体的电阻;不属于比值定义法,故C错误;电容的定义式中,C与两板间的电量及两板间的电势差无关,属于比值定义法,故D正确.【考点】物理概念的定义方法。
2020 年高考物理试题分类汇编:研究方法物理学史(带详尽分析)〔新课标卷〕14. 在电磁学进展过程中,很多科学家做出了奉献,以下讲法正确的选项是A.奥斯特觉察了电流磁效应;法拉第觉察了电磁感觉现象B.麦克斯韦语言了电磁波;楞次用实考证明了电磁波的存在C.库仑觉察了点电荷的互相作用规律;密立根经过油滴实验测定了元电荷的数值D.安培觉察了磁场对运动电荷的作用规律;洛仑兹觉察了磁场对电流的作用规律答案:AC分析:选项 B 错误,赫兹用实考证明了电磁波的存在。
选项D错误,洛仑兹觉察了磁场对运动电荷的作用规律,安培觉察了磁场对电流的作用规律。
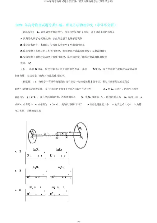
〔福建卷〕 18、物理学中有些咨询题的结论不必定一定经过运算才能考证,有时只要要经过必定的分析就可以判断结论能否正确。
以下列图为两个相互平行且共轴的半径分不为R 1和 R 2的圆环,两圆环上的电荷量均为q〔 q>0〕,并且电荷均匀散布。
两圆环的圆心O1和 O2相距为2a,联线的中点为O,轴线上的 A 点在 O 点右边与O 点相距为r〔 r<a〕。
是剖析判断以下对于 A 点处电场强度大小 E 的表达式〔式中k 为静电力常量〕正确的选项是A.EkqR1 kqR22R22 R21 a r 2 a rkqR1 kqR2B.E2 323R21 a r 2 R22 a r 2kq a r kq a r C.E2 2R21 a R2 ar2rkq a r kq a rD.E2 32a r 2R2a rR 123 2 2答案:D分析:当 r=0 时, A 点位于圆心O 处,可以把O1、 O2两个带电圆环均等效成两个位于圆心处的点电荷,依据场强的叠加简单理解,此刻总场强E=0,将 r=0 代入各选项,清除AB 选项;当r=a 时, A 点位于圆心O2处,带电圆环O2因为对称性在A点的电场为0 ,依据微元法可以求得此刻的总场强为E E1,将r=a代入CD选项可以清除C。
【命题特色】本题考察物理学方法的使用。
由于自由落体下落的时间太短,直接验证有困难,伽利略用铜球在阻力很小的斜面角,重复上述实验,得出该比值随斜面倾角的增大而增大,说明小球做匀变速运动的加速度随斜面开普勒行星运动定律为万有引力规律的发现做出了什么贡献和铺垫? 根据开普勒行星运动第三定律和匀速圆周运动公式,可以推导出: 太阳对行星的引力2r mF ∝(m 为行星质量、r 为行星运动半径) 行星对太阳的引力有什么规律?根据牛顿第三定律可以分析出:2rMF ∝'(M 为太阳质量)太阳与行星间的相互引力有什么规律?由于以上F 和F ′的大小是相等的,所以:2rMmF ∝星体间相互引力规律适用于地球上的物体吗?牛顿进行了月-地检验:如果重力和星体之间引力是同一性质的力,都与距离的二次方成反比关系,那么月球绕地球作近似圆周运动的向心加速度就是地面重力加速度的1/3600,因为月心到地心的距离约为地球半径的60倍。
说明天上和地上的物体都遵从以下相同的规律:2r MmGF =,这就是万有引力定律。
公式中的G 为引力常量。
引力常量G 的值等于多少?(验证) 卡文迪许在实验室测出了G 的值,这使得万有引力的定量计算成为可能,我们能据此计算出星体质量三、习题篇高考题汇编1.(2010)在电磁学发展过程中,许多科学家做出了贡献,下列说法正确的是 AC A .奥斯特发现了电流磁效应;法拉第发现了电磁感应现象 B .麦克斯韦预言了电磁波;楞次用实验证实了电磁波的存在C .库仑发现了点电荷的相互作用规律;密立根通过油滴实验测定了元电荷的数值D .安培发现了磁场对运动电荷的作用规律;洛仑兹发现了磁场对电流的作用规律2.(2010)伽利略曾设计如图所示的一个实验,将摆球拉至M 点放开,摆球会达到同一水平高度上的N 点。
如果在E 或F 处钉子,摆球将沿不同的圆弧达到同一高度的对应点;反过来,如果让摆球从这些点下落,它同样会达到原水平高度上的M 点。
这个实验可以说明,物体由静止开始沿不同倾角的光滑斜面(或弧线)下滑时,其末速度的大小C A .只与斜面的倾角有关 B .只与斜面的长度有关 C .只与下滑的高度有关 D .只与物体的质量有关3.(2010)在电磁学发展过程中,许多科学家做出了贡献。
广东省深圳市2020年高三第二次调研考试物理试题一、单项选择题:本题共6小题,每小题4分,共24分。
在每小题给出的四个选项中,只有一项是符合题目要求的。
1、图甲中的变压器为理想变压器,原线圈的匝数n1与副线圈的匝数n2之比为5∶1。
变压器的原线圈接如图乙所示的正弦式电流,两个20Ω的定值电阻串联接在副线圈两端。
电流表、均为理想电表。
则()A.电流表示数为0.2A B.电流表示数为5AC.电压表示数为4V D.通过电阻R的交流电的周期为2×10-2s2、下列说法正确的是()A.爱因斯坦在1900年首次把能量子的概念引入物理学B.单色光照射金属表面发生光电效应时,入射光越强,单位时间内发射的光电子数越多C.一个氢原子从量子数n=3的激发态跃迁到基态时最多可辐射3种不同频率的光子D.玻尔的原子理论能够解释氦原子的光谱3、如图所示,由绝缘轻杆构成的正方形ABCD位于竖直平面内,其中AB边位于水平方向,顶点处分别固定一个带电小球。
其中A、B处小球质量均为m,电荷量均为2q(q>0);C、D处小球质量均为2m,电荷量均为q。
空间存在着沿DB方向的匀强电场,在图示平面内,让正方形绕其中心O顺时针方向旋转90°,则四个小球所构成的系统()A.电势能增加,重力势能增加B.电势能不变,重力势能不变C.电势能减小,重力势能减小D.电势能不变,重力势能增加4、一束单色光从真空斜射向某种介质的表面,光路如图所示。
下列说法中正确的是()A.此介质的折射率等于1.5B .此介质的折射率等于2C .入射角小于45°时可能发生全反射现象D .入射角大于45°时可能发生全反射现象5、下列关于衰变与核反应的说法正确的是( )A .23490Th 衰变为22286Rn ,经过3次α衰变,2次β衰变 B .β衰变所释放的电子是原子核外的电子电离形成的C .核聚变反应方程234112H H He X +→+中,X 表示质子D .高速α粒子轰击氮核可从氮核中打出中子,核反应方程为4141612780He N O n +→+6、在一边长为L 的正方形的四个顶点处各放置一个电荷量为q 的点电荷,其中ABC 处为正点电荷,D 处为负点电荷,P 、Q 、M 、N 分别是AB 、BC 、CD 、DA 的中点,则( )A .M 、N 两点电场强度相同B .P 、Q 两点电势相同C .将一个带负电的粒子由Q 沿直线移动到M ,电势能先增大后减小D .在O 点静止释放一个带正电的粒子(不计重力),粒子可沿着OD 做匀变速直线运动二、多项选择题:本题共4小题,每小题5分,共20分。
高三物理物理学史和研究方法试题答案及解析1.2013年度诺贝尔物理学奖授予了希格斯和恩格勒,以表彰他们对用来解释物质质量之谜的“上帝粒子”所做出的预测。
在物理学的发展过程中,许多物理学家的科学发现推动了人类历史的进步。
下列表述符合物理学史实的是()A.开普勒认为只有在一定的条件下,弹簧的弹力才与弹簧的形变量成正比B.牛顿认为在足够高的高山上以足够大的水平速度抛出一物体,物体就不会再落在地球上C.奥斯特发现了电磁感应现象,这和他坚信电和磁之间一定存在着联系的哲学思想是分不开的D.安培首先引入电场线和磁感线,极大地促进了他对电磁现象的研究【答案】B【解析】胡克认为只有在一定的条件下,弹簧的弹力才与弹簧的形变量成正比,选项A错误;牛顿认为在足够高的高山上以足够大的水平速度抛出一物体,物体就不会再落在地球上,选项B正确;法拉第发现了电磁感应现象,这和他坚信电和磁之间一定存在着联系的哲学思想是分不开的,选项C错误;法拉第首先引入电场线和磁感线,极大地促进了他对电磁现象的研究,选项D错误。
【考点】物理学史及物理学家的贡献。
2.用比值法定义物理量是物理学中一种很重要的思想方法,下列物理量的表达式不是由比值法定义的是A.加速度B.电阻C.电容D.电场强度【答案】A【解析】所谓比值定义法,就是用两个量的比值定义一个新的物理量,而新的物理量与原来两个量又无关.加速度是牛顿第二定律表达式,说明加速度a与外力F成正比,与质量m成反比,不符合比值定义法的共性,故A错误;电阻是导体两端电压与通过电流的比值,故B正确;电容是所带电荷量与板间电势差的比值,故C正确;电场强度等于电场力与探试电荷的电荷量的比值,采用的是比值定义法,故D正确;故选:A。
【考点】物理概念的定义方法。
3.物理学经常建立一些典型的理想化模型用于解决实际问题。
下列关于这些模型的说法中正确的是()A.体育比赛中用的乒乓球总可以看作是一个位于其球心的质点B.带有确定电量的导体球总可以看作是一个位于其球心的点电荷C.分子电流假说认为在原子或者分子等物质微粒内部存在着一种环形电流,它使每个物质微粒都成为微小的磁体,它的两侧相当于两个磁极D.在研究安培力时,与电场中的检验电荷作用相当的是一个有方向的电流元,实验过程中应当使电流元的方向跟磁场方向平行【答案】C【解析】在体育乒乓球比赛中,常使乒乓球旋转等,故需考虑乒乓球的大小,所以不能把乒乓球看成质点,所以A错误;带有确定电量的导体球,在研究的问题中,当球自身的大小不能忽略时,就不能不导电球看成点电荷,所以B错误;分子电流假说认为在原子或者分子等物质微粒内部存在着一种环形电流,它使每个物质微粒都成为微小的磁体,它的两侧相当于两个磁极,故C正确;在研究安培力时,与电场中的检验电荷作用相当的是一个有方向的电流元,实验过程中应当使电流元的方向跟磁场方向垂直,故D错误。
题型二重要物理思想方法 [必备知识]3.(2018·常德模拟)在物理学的发展过程中,科学家们创造出了许多物理学研究方法,以下关于所用物理学研究方法的叙述不正确的是( ) A .电流I =U R ,采用了比值定义法B .合力、分力等概念的建立体现了等效替代的思想C .在不需要考虑物体本身的大小和形状时,将物体抽象为一个有质量的点,这样的方法叫理想模型法D .根据功率的定义式P =W t ,当时间间隔t 非常小时,W t 就可以表示瞬时功率,这里运用了极限思维法 A [电流的定义式I =U R 中,电流由电压决定,不是比值定义法,故A 错误;合力、分力等概念的建立体现了等效替代的思想,故B 正确;为了便于物理研究,突出主要因素,忽略次要因素,将实际研究对象简化为物理模型,这样的方法叫理想模型法,故C 正确;根据功率的定义式P =W t ,当时间间隔t 非常小时,W t 就可以表示瞬时功率,这里运用了极限思维法,故D 正确。
] 4.(多选)下列关于物理学研究方法的叙述正确的是( )A .电学中引入了点电荷的概念,突出了带电体的带电荷量,忽略了带电体的质量,这里运用了理想模型法B .“总电阻”“交流电的有效值”等用的是等效替代的方法C .用比值法定义的物理概念在物理学中占有相当大的比例,例如电容C =Q U ,加速度a =F m 都是采用比值法定义的D .根据速度定义式v =Δx Δt ,当Δt 趋近于零时,Δx Δt就可以表示物体在t 时刻的瞬时速度,该定义运用了极限思维法BD [点电荷的概念,突出了带电体的带电量,忽略了带电体的体积大小和形状,而不是忽略了带电体的质量,运用了理想模型法,A 项错误;“总电阻”“交流电的有效值”等用的是等效替代的方法,B 项正确;电容的定义式C =Q U 是比值定义,加速度a =F m是牛顿第二定律的表达式,a =Δv Δt 才是加速度的定义式也是比值定义,C 项错误;根据速度定义式v =Δx Δt ,当Δt趋近于零时,表示瞬时速度,该定义运用了极限思维法,D项正确。
十五 物理学史和物理思想方法1.伽利略用两个对接的斜面,一个斜面固定,让小球从固定斜面上滚下,又滚上另一个倾角可以改变的斜面,斜面倾角逐渐减小至零,如图所示。
伽利略设计这个实验的目的是为了说明( )A .物体不受到力时会停止运动B .物体受到力时不会停止运动C .物体的运动并不需要力来维持D .物体不受到摩擦力时具有惯性答案 C解析 伽利略的理想斜面实验证明了:物体的运动不需力来维持,即力不是维持物体运动的原因,故A 、B 、D 错误,C 正确。
2.物理学家通过艰苦的实验来探究自然的物理规律,为人类的科学事业做出了巨大贡献,值得我们敬仰。
下列描述中符合物理学史实的是( )A .开普勒发现了行星运动三定律,从而提出了日心说B .牛顿发现了万有引力定律但并未测定出引力常量GC .奥斯特发现了电流的磁效应并提出了分子电流假说D .法拉第发现了电磁感应现象并总结出了判断感应电流方向的规律答案 B解析 哥白尼提出了日心说,开普勒在研究前人观测的天文数据的基础上,发现了行星运动三定律,支持了日心说,故A 项不符合史实;牛顿发现了万有引力定律,但并没有测定出引力常量G ,卡文迪许测出了引力常量G ,故B 项符合史实;奥斯特发现了电流的磁效应,安培提出了分子电流假说,故C 项不符合史实;法拉第发现了电磁感应现象,楞次总结出了判断感应电流方向的规律——楞次定律,故D 项不符合史实。
故选B 。
3.在物理学的发展过程中,许多物理学家都做出了重要的贡献,他们也探索出了物理学的许多研究方法,下列关于物理学研究方法的叙述中不正确的是( )A .重心、合力和交变电流的有效值等概念的建立都体现了等效替代的思想B .理想化模型是把实际问题理想化,略去次要因素,突出主要因素,例如质点、点电荷、向心加速度等都是理想化模型C .根据速度定义式v =Δx Δt ,当Δt 足够小时,Δx Δt就可以表示物体在某时刻的瞬时速度,该定义应用了极限思想方法D .用比值法定义的物理量在物理学中占有相当大的比例,例如场强E =F q ,电容C =Q U ,磁感应强度B =F IL都是采用比值定义法定义的答案 B解析 重心、合力和交变电流的有效值等都体现了等效替代的思想,故A 正确;理想化模型是把实际问题理想化,略去次要因素,突出主要因素,质点、点电荷是理想化模型,但向心加速度不是,故B 错误;根据速度定义式v =Δx Δt ,当Δt 足够小时,Δx Δt就可以表示物体在某时刻的瞬时速度,该定义应用了极限思想方法,故C 正确;用比值法定义的物理量在物理学中占有相当大的比例,例如场强E =F q ,电容C =Q U ,磁感应强度B =F IL都是采用比值定义法定义的,故D 正确。
2020版新高考物理大三轮复习热点:物理学史及物理方法(建议用时:20分钟)1.(2019·济南高三模拟)以下有关物理学概念或物理学史的说法正确的是( )A .牛顿发现了万有引力定律,卡文迪许用实验方法测出引力常量的数值,从而使万有引力定律有了真正的实用价值B .匀速圆周运动是速度大小不变的匀变速曲线运动,速度方向始终为切线方向C .行星绕恒星运动轨道为圆形,则它运动的周期的平方与轨道半径的三次方之比为常数,此常数的大小与恒星的质量和行星的速度均有关D .奥斯特发现了电与磁之间的关系,即电流的周围存在着磁场;同时他通过实验发现了磁也能产生电,即电磁感应现象2.下列说法正确的是( )A .春节有放鞭炮的习俗,鞭炮炸响的瞬间,能量不守恒B .现代火箭的工作原理可溯源至我国古代,火箭发射时,火箭对喷出气体的作用力大于气体对火箭的作用力C .炮弹爆炸时,火药的化学能全部转化为弹片的动能D .指南针静止时N 极指向地球的地理北极附近3.(2019·高考压轴卷)在推导“匀变速直线运动位移的公式”时,把整个运动过程划分为很多小段,每一小段近似为匀速直线运动,然后把各小段位移相加代表整个过程的位移,物理学中把这种方法称为“微元法”.下面几个实例中应用到这一思想方法的是( )A .在计算物体间的万有引力时,若物体的尺寸相对较小,可将物体看做质点B .在探究弹性势能的表达式过程中,把拉伸弹簧的过程分成很多小段,在每小段内认为弹簧的弹力是恒力,然后把每小段做功的代数和相加C .探究牛顿第二定律的过程中,控制物体的质量不变,研究物体的加速度与力的关系D .求两个力的合力时,如果一个力的作用效果与两个力的作用效果相同,这个力就是那两个力的合力4.电场强度有三个公式,分别为E =F q 、E =k Q r 2、E =U d,关于这三个公式的理解和运用,下列说法正确的是( )A .公式E =F q表示,电场强度与电场力F 成正比,与电荷量q 成反比B .公式E =k Q r 2是点电荷电场强度的定义式,它表示空间中某点的电场强度与点电荷的电荷量Q 成正比,与该点到点电荷的距离r 的二次方成反比C .公式E =U d是匀强电场中电场强度与电势差的关系式,由此公式可知,在匀强电场中,两点之间的电势差与这两点之间的距离在沿电场线方向上的投影成正比D .这三个公式都是电场强度的决定式,分别适用于不同的电场5.(多选)物理与科技和生活密切相关,物理的思想方法已经渗透到其他领域.下列关于物理方法的说法正确的是( )A .在探究物体的加速度与合外力的关系的实验中,采用了等效替代法B .在研究带电体之间的相互作用时,若带电体的尺寸远小于它们之间的距离,就可以把带电体看做点电荷,这采用了微元法C .为了研究问题方便,利用平行四边形定则把质点所受的两个力合成为一个力,采用了等效替代法D .把电子绕原子核的运动和行星绕太阳的运动相比较,利用电子和原子核之间的库仑力等于电子的向心力得出电子运动速度与轨道半径的关系,采用了类比法6.(2019·河南商丘高三模拟)相隔一定距离的电荷或磁体间的相互作用是怎样发生的?这是一个曾经使人感到困惑、引起猜想且有过长期争论的科学问题.19世纪以前,不少物理学家支持超距作用的观点.英国的迈克尔·法拉第于1837年提出了电场和磁场的概念,解释了电荷之间以及磁体之间相互作用的传递方式,打破了超距作用的传统观念.1838年,他用电力线(即电场线)和磁力线(即磁感线)形象地描述电场和磁场,并解释电和磁的各种现象.下列对电场和磁场的认识,正确的是( )A .法拉第提出的磁场和电场以及电力线和磁力线都是客观存在的B .在电场中由静止释放的带正电粒子,一定会沿着电场线运动C .磁感线上某点的切线方向跟放在该点的通电导线的受力方向一致D .通电导体与通电导体之间的相互作用是通过磁场发生的7.(2019·青岛高三模拟)古希腊权威思想家亚里士多德曾经断言:物体从高空落下的快慢同物体的重量成正比,重者下落快,轻者下落慢.比如说,十磅重的物体落下时要比一磅重的物体落下时快十倍.1 800多年来,人们都把这个错误论断当作真理而信守不移.直到16世纪,伽利略才发现了这一理论在逻辑上的矛盾,通过“比萨斜塔实验”,向世人阐述他的观点,并对此进行了进一步的研究,如图所示,伽利略用铜球从斜槽的不同位置由静止下落,伽利略手稿中据此记录的一组实验数据如下表所示:伽利略对上述的实验数据进行了分析,并得出了结论,下列可能是伽利略得出的结论是( )A .v 1=v 0+atB.Δx T 2=k C .v 21-v 20=2ax D.x 1t 21=x 2t 22=x 3t 23=…=k 8.法拉第发明了世界上第一台发电机.如图所示,圆形金属盘安置在电磁铁的两个磁极之间,两电刷M 、N 分别与盘的边缘和中心点接触良好,且与灵敏电流计相连.金属盘绕中心轴沿图示方向转动,则( )A .电刷M 的电势高于电刷N 的电势B .若只将电刷M 移近N ,灵敏电流计的示数变大C .若只提高金属盘转速,灵敏电流计的示数变大D .若只将变阻器滑片向左滑动,灵敏电流计的示数变大答案及解析1.解析:选A.牛顿发现了万有引力定律,卡文迪许用实验方法测出了引力常量G 的数值,从而使万有引力定律有了真正的实用价值,选项A 正确;匀速圆周运动是速度大小不变、方向时刻改变的非匀变速曲线运动,速度方向始终为切线方向,选项B 错误;行星绕恒星运动轨道为圆形,它运动的周期的平方与轨道半径的三次方之比为常数,此常数的大小与恒星的质量有关,与行星的速度无关,选项C 错误;奥斯特发现了电与磁之间的关系,即电流的周围存在着磁场,法拉第通过实验发现了磁也能产生电,即电磁感应现象,选项D 错误.2.解析:选D.鞭炮炸响的瞬间,火药的化学能转化为机械能和内能,在任何情况下能量都是守恒的,选项A 错误;根据牛顿第三定律,火箭发射时,火箭对喷出气体的作用力等于气体对火箭的作用力,选项B 错误;炮弹爆炸时,火药的化学能转化为弹片的动能和内能,选项C 错误;指南针静止时N 极指向地球的地理北极附近,选项D 正确.3.解析:选B.在计算物体间的万有引力时,若物体的尺寸相对较小,可将物体看做质点,运用的是理想模型的方法,A 错误;在探究弹性势能的表达式过程中,把拉伸弹簧的过程分成很多小段,在每小段内认为弹簧的弹力是恒力,然后把每小段做功的代数和相加,运用的是微元法,B 正确;在探究牛顿第二定律的过程中,控制物体的质量不变,研究物体的加速度与力的关系,运用的是控制变量法,C 错误;在求两个力的合力时,如果一个力的作用效果与两个力的作用效果相同,这个力就是那两个力的合力,运用的是等效法,D 错误.4.解析:选C.E =F q是电场强度的定义式,电场强度只与电场本身有关,与检验电荷q 和它所受的电场力F 无关,选项A 错误.E =k Q r 2是利用库仑定律和电场强度定义式推导出来的,是点电荷电场强度的决定式,只适用于点电荷电场强度的计算,选项B 错误.E =U d是利用匀强电场中电场力做功的两个不同公式推导得出的,由此公式可知,在匀强电场中,两点之间的电势差与这两点之间的距离在沿电场线方向上的投影成正比,选项C 正确.这三个公式中,E =F q 是电场强度的定义式,适用于任何电场;E =k Q r 2是点电荷电场强度的决定式;E =U d是匀强电场中电场强度与电势差的关系式,选项D 错误. 5.解析:选CD.由于物体的加速度与所受的合外力、物体的质量有关,所以在探究物体的加速度与合外力的关系的实验中,需要保持物体的质量不变,采用了控制变量法,选项A 错误.在研究带电体之间的相互作用时,若带电体的尺寸远小于它们之间的距离,就可以把带电体看做点电荷,这采用了理想模型法,选项B 错误.为了研究问题方便,利用平行四边形定则把质点所受的两个力合成为一个力,采用的方法是等效替代法,选项C 正确.把电子绕原子核的运动类比为行星绕太阳的运动,利用电子和原子核之间的库仑力等于向心力可以得出电子运动速度与轨道半径的关系,选项D 正确.6.解析:选D.电场和磁场均是客观存在的特殊物质,电场线和磁感线是人类为了形象地描述电场和磁场而引入的虚拟的线,实际并不存在,故A 错误;电荷的运动取决于初速度和力的方向,故电场线不是电荷在电场中的轨迹,只有在点电荷的电场和匀强电场中由静止释放的带正电粒子(只受电场力),才会沿着电场线运动,故B 错误;根据左手定则可知,磁感线上某点的切线方向跟放在该点的通电导线的受力方向垂直,故C 错误;根据磁场的性质可知,通电导体与通电导体之间的相互作用是通过磁场发生的,故D 正确.7.解析:选D.伽利略最初猜想,沿斜面向下运动的物体的运动速度与时间成正比,即:v =kt ;由此伽利略推论位移与时间的平方成正比,则:x =k ′t 2,即k ′=x t 2,结合以上的分析,则比较x t 2即可:x 1t 21=321、x 2t 22=13022=32.51、x 3t 23=29832≈331、x 4t 24=52642=32.8751、x 5t 25=82452=32.961、x 6t 26=1 19262≈331、x 7t 27=1 60072≈32.651、x 8t 28=2 10482=32.8751.由以上的数据比较可知,各组数据中x t 2都约等于32.5,考虑到测量的误差等原因,可以认为x t 2是一个常数,即位移与时间的平方成正比.所以A 、B 、C 错误,D 正确.8.解析:选C.根据电源的正负极判断电磁铁上导线中的电流方向,根据安培定则可知电磁铁左侧为N 极,右侧为S 极,M 、N 间的金属垂直纸面向外运动,根据右手定则可知M 、N 间的电流由M 指向N ,则电刷N 的电势高于电刷M 的电势,A 项错误;设两磁极间的磁感应强度为B ,M 、N 间的距离为L ,金属盘转动角速度为ω,根据E =BL v -推导出M 、N 间的金属以电刷N 为轴转动切割磁感线时产生的感应电动势为E =BL 2ω2,若只将电刷M 移近N ,L 减小,感应电动势减小,故灵敏电流计的示数变小,B 项错误;若只提高金属盘转速,ω增大,感应电动势增大,则灵敏电流计的示数变大,C 项正确;若只将变阻器滑片向左滑动,变阻器接入电路的阻值增大,回路电流减小,电磁铁的磁性减弱,B 减小,灵敏电流计的示数变小,D 项错误.。
物理总复习(第二轮)第十五讲高中物理学史深圳市教苑中学黄水南一、力学1.1638年,意大利物理学家伽利略在《两种新科学的对话》中用科学推理论证重物体不会比轻物体下落得快;他研究自由落体运动程序如下:提出假说:自由落体运动是一种对时间均匀变化的最简单的变速运动;数学推理:由初速度为零、末速度为v的匀变速运动平均速度和得出;再应用从上式中消去v,导出即。
实验验证:由于自由落体下落的时间太短,直接验证有困难,伽利略用铜球在阻力很小的斜面上滚下,上百次实验表明:;换用不同质量的小球沿同一斜面运动,位移与时间平方的比值不变,说明不同质量的小球沿同一斜面做匀变速直线运动的情况相同;不断增大斜面倾角,重复上述实验,得出该比值随斜面倾角的增大而增大,说明小球做匀变速运动的加速度随斜面倾角的增大而变大。
合理外推:把结论外推到斜面倾角为90°的情况,小球的运动成为自由落体,伽利略认为这时小球仍保持匀变速运动的性质。
(用外推法得出的结论不一定都正确,还需经过实验验证)伽利略对自由落体的研究,开创了研究自然规律的一种科学方法。
2.1683年,英国科学家牛顿在《自然哲学的数学原理》著作中提出了三条运动定律。
3.17世纪,伽利略通过理想实验法指出:在水平面上运动的物体若没有摩擦,将保持这个速度一直运动下去;同时代的法国物理学家笛卡儿进一步指出:如果没有其它原因,运动物体将继续以同速度沿着一条直线运动,既不会停下来,也不会偏离原来的方向。
4.20世纪初建立的量子力学和爱因斯坦提出的狭义相对论表明经典力学不适用于微观粒子和高速运动物体。
5.17世纪,德国天文学家开普勒提出开普勒三定律;牛顿于1687年正式发表万有引力定律;1798年英国物理学家卡文迪许利用扭秤装置比较准确地测出了引力常量(体现放大和转换的思想);1846年,科学家应用万有引力定律,计算并观测到海王星。
6.我国宋朝发明的火箭与现代火箭原理相同,但现代火箭结构复杂,其所能达到的最大速度主要取决于喷气速度和质量比(火箭开始飞行的质量与燃料燃尽时的质量比);多级火箭一般都是三级火箭,我国已成为掌握载人航天技术的第三个国家。
2020年高三年级物理学科高考模拟示范卷(十五)二、选择题:本题共8小题,每小题6分。
在每小题给出的四个选项中,第14~17题只有一项符合题目要求,第18~21题有多项符合题目要求。
全部选对的得6分,选对但不全的得3分,有选错的得0分。
14.下列对物理知识的理解正确的有A. α射线的穿透能力较强,用厚纸板才能挡住B. 动能相等的质子和电子,它们的德布罗意波长也相等C. 放射性元素钋的半衰期为138天,100 g的钋经276天,已发生衰变的质量为75 gD. 质子、中子、α粒子的质量分别为m1、m2、m3,两个质子和两个中子结合成一个α粒子,释放的能量是(m1+m2-m3)c2【答案】C【解析】A、α射线在空气中的射程只有几厘米,只要一张纸就能挡住。
A错误B、根据德布罗意波长计算表达式,又,质子的质量大于电子,当它们动能相等时,质子的动量大于电子,所以质子的德布罗意波长比电子小。
B错误C、元素钋的半衰期为138天,经276天发生两次衰变,质量变成原来的1/4,所以已发生衰变的质量为75 g,C正确D、根据质能方程可得,两个质子和两个中子结合成一个α粒子,释放的能量是(2m1+2m2-m3)c2,D错误15.物理学家金斯说过:“虽然h的数值很小,但是我们应当承认,它是关系到保证宇宙存在的。
如果说h严格等于0,那么宇宙的物质、宇宙的物质能量,将在十亿万分之一秒的时间内全部变为辐射。
”其中h是普朗克常量。
关于h的单位,用国际单位制的基本单位表示,正确的是A. J·sB. J/sC. kg·m2/sD. kg·m2·s3【答案】C【解析】根据每一份能量子等于普朗克常数乘以辐射电磁波的频率,功的公式,牛顿第二定律,进行推导;J不是基本单位,根据功的公式,牛顿第二定律可知,根据每一份能量子等于普朗克常数乘以辐射电磁波的频率可得:,h用国际单位制的基本单位表示,故C正确,A、B、D错误;故选C。
高二物理物理学史和研究方法试题答案及解析1.用比值法定义物理量是物理学中一种很重要的思想方法,下列物理量的表达式不是由比值法定义的是A.加速度B.电阻C.电容D.电场强度【答案】A【解析】加速度的定义为:速度变化与所用时间的比值,故A选项错误;电阻是导体两端的电压与通过导体的电流的比值,故B选项正确;电容是电容器所带电荷量与两极板的电势差的比值,故C选项正确;电场中某点的电场强度是试探电荷在该点所受到的电场力与试探电荷的电荷量的比值,故D选项正确;故本题该选A选项。
【考点】本题考查比值定义法。
2.下列说法正确的是()A.奥斯特提出分子电流假说B.法拉第采用了电场线的方法来描述电场C.密立根用实验测定了电子的电量D.纽曼和韦伯先后提出了电磁感应定律【答案】BCD【解析】安培提出分子电流假设,A选项错误;法拉第首先采用了电场线的方法来描述电场,B选项正确;密立根用实验方法测定了电子的电量,称为电子之父,故C选项正确;纽曼和韦伯先后在对理论和实验资料进行严格的分析后提出了电磁感应定律,后人称之为法拉第电磁感应定律,D选项正确。
【考点】物理学史3.在物理学的重大发现中科学家们创造出了许多物理学研究方法,如理想实验法、控制变量法、极限思维法、类比法、科学假说法、建立理想模型法、微元法等等.下列物理研究方法说法中不正确的是 ( )A.根据速度定义式,当非常非常小时,就可以表示物体在t时刻的瞬时速度,该定义应用了极限思想方法。
B.在探究加速度、力和质量三者之间关系时,先保持质量不变研究加速度与力关系,再保持力不变研究加速度与质量的关系,该实验应用了控制变量法。
C.在推导匀变速运动位移公式时,把整个运动过程划分成很多小段,每一小段近似看作匀速直线运动,然后把各小段的位移相加,这里采用了微元法。
D.在不需要考虑物体本身的大小和形状时,用质点来代替物体的方法叫假设法。
【答案】 D【解析】在不需要考虑物体本身的大小和形状时,用质点来代替物体,这种方法最大特点是抓住主要因素忽略次要因素,因此是理想模型法。
强基础专题十五:物理学史及研究方法1.许多科学家在物理学发展过程中做出了重要贡献,下列叙述中符合物理学史实的是A. 奥斯特发现了电流的磁效应,并总结出了右手定则B. 牛顿提出了万有引力定律,并通过实验测出了万有引力恒量C. 伽利略通过理想斜面实验,提出了力是维持物体运动状态的原因D. 库仑在前人的基础上,通过实验得到真空中点电荷相互作用规律2.在物理学发展的过程中,许多物理学家的科学研究推动了人类文明的进程。
在对以下几位物理学家的叙述中,符合历史的说法是A. 牛顿发现了万有引力定律B. 在对自由落体运动的研究中,伽利略猜想运动速度与下落时间成正比,并直接用实验进行验证C. 牛顿应用“理想斜面实验”推翻了亚里士多德的“力是维持物体运动的原因”的观点D. 亚里士多德最早指出了“力不是维持物体运动的原因”3.关于物理学研究方法和物理学史,下列说法正确的是A. 在推导匀变速直线运动位移公式时,把整个运动过程划分成很多小段,每一小段近似看作匀速直线运动,然后把各小段的位移相加,这里采用了微元法B. 根据速度定义式,当△t非常非常小时,就可以表示物体在t时刻的瞬时速度,该定义应用了微元法C. 亚里士多德认为自由落体运动就是物体在倾角为90°的斜面上的运动,再根据铜球在斜面上的运动规律得出自由落体的运动规律,这是采用了实验和逻辑推理相结合的方法D. 牛顿在伽利略等前辈研究的基础上,通过实验验证得出了牛顿第一定律4.在物理学发展上许许多多科学家做出了巨大贡献。
下列符合物理史实的是A. 牛顿提出了万有引力定律并利用扭秤实验装置测量出万有引力常量B. 法拉第通过精心设计的实验,发现了电磁感应现象C. 卡尔最先把科学实验和逻辑推理方法相结合,否认了力是维持物体运动状态的原因D. 第谷用了20年时间观测记录行星的运动,发现了行星运动的三大定律5.下列说法中正确的是A. 伽利略设计的斜面实验巧妙地借用了“冲淡”重力的方法,通过实验现象推翻了亚里士多德的“物体运动需要力来维持”的错误结论。
B. 牛顿第一、第二、第三定律都可以用实验直接验证。
C. 第谷通过多年的观测,积累了大量可靠的数据,在精确的计算分析后得出了行星运动三定律。
D. 动量定理不仅适用于宏观物体的低速运动,而且对于微观粒子和高速(接近光速)运动的物体也适用。
6.在物理学发展过程中,观测、实验、假说和逻辑推理等方法都起到了重要作用,下列说法中,不正确的是A. 奥斯特实验说明电流具有磁效应,首次揭示了电和磁之间存在联系B. 直流电流、环形电流、通电螺线管的磁场均可用安培定则判断C. 通电螺线管外部的磁场与条形磁铁的磁场十分相似,受此启发,安培提出了著名的分子电流假说D. 洛伦兹力方向可用左手定则判断,此时四指指向与电荷运动方向一致7.物理学的发展丰富了人类对物质世界的认识,推动了科学技术的创新和革命,促进了物质生产的繁荣与人类文明的进步,下列说法中正确的是A. 亚里士多德发现了力是改变物体运动状态的原因B. 哥白尼提出了日心说,并发现了行星沿椭圆轨道运行的规律C. 卡文迪许总结出了万有引力定律并测出了万有引力常量D. 库仑在前人研究的基础上,通过扭秤实验研究得出了库仑定律8.物理学家通过艰苦的实验来探究自然的物理规律,为人类的科学事业做出了巨大贡献,值得我们敬仰。
下列描述中符合物理学史实的是A. 开普勒发现了行星运动三定律,从而提出了日心说B. 牛顿发现了万有引力定律但并未测定出引力常量GC. 奥斯特发现了电流的磁效应并提出了判断通电导线周围磁场方向的方法D. 法拉第发现了电磁感应现象并总结出了判断感应电流方向的规律9.在物理学发展史中,许多物理学家做出了卓越的贡献。
下列叙述中不正确的是A.牛顿建立了惯性定律B.安培提出了分子电流假说C.伽利略开创了实验加数学的科学研究方法D.德国的伽勒在勒维耶预言的位置附近发现了冥王星10.在物理学的发展过程中,科学家们创造出了许多物理学研究方法,以下关于所用物理学研究方法的叙述正确的是A. 牛顿运动定律是研究动力学问题的基石,牛顿运动定律都能通过现代的实验手段直接验证B. 在伽利略的斜面实验中将可靠的事实和科学抽象思维有机结合起来反映自然规律,开创了物理学的研究方法C. 将一个铁球放在墙角处直接判断两个接触面处的形变比较困难,若在两个接触面处加放海绵垫,通过观察海绵的凹陷来判断就比较容易,这里采用的是转化和控制变量的方法D. 力、长度和时间是力学中三个基本物理量,它们的单位牛顿、米和秒就是基本单位11.下科学家与相关事实对应正确的有A. 贝克勒尔证明光电效应方程的正确性;B. 爱因斯坦研究氢原子光谱实验提出原子能级跃迁假说;C. 卢瑟福在α粒子散射实验之后提出原子核式结构学说;D. J.J汤姆孙在研究阴极射线实验中发现了电子。
12.从大到飞机、轮船,小到各种零件都和物理学有密切的关系,物理学对人类的发展有巨大的贡献。
下列说法正确的是A. 第一个对亚里士多德的“力是物体运动的原因”观点提出质疑的是牛顿B. 法拉第最先发现电流能够使周围的小磁针发生偏转,即电流的磁效应C. 普朗克为解释物体热辐射规律提出:电磁波的发射和吸收不是连续的,而是一份一份的D. 库仑最早引入了电场的概念,并直观地用电场线描绘电场13.1766年英国的普里斯特利通过实验证实了带电金属空腔不仅对位于空腔内部的电荷没有静电力的作用,而且空腔内部也不带电。
他受到万有引力定律的启发,猜想两个点电荷(电荷量保持不变)之间的静电力与它们的距离的平方成反比。
1785年法国的库仑通过实验证实了两个点电荷之间的静电力与它们的电荷量的乘积成正比,与它们的距离的平方成反比。
下列说法不正确的是A. 营里斯特利的实验表明,处于静电平衡状态的带电金属空腔内部的电场强度处处为0B. 普里斯特利的猜想运用了“类比”的思维方法C. 库仑定律的公式适用于直接求解任何两个带电体之间的静电力D. 库仑利用扭秤装置验证了两个点电荷之间的静电力与它们的距离的平方成反比14.关于物理学史,下列说法中正确的是A. 电荷量e的数值最早是由美国物理学家密立根测得的B. 法拉第不仅提出了场的的概念,而且直观地描绘了场的清晰图像C. 卡文迪许通过实验研究确认了真空中两点电荷之间相互作用力的规律D. 法拉第在前人工作基础上,通过实验研究确认了真空中两个静止点电荷之间的相互作用力的规律15.以下图片来源于教材,与它们相关的知识说法正确的是A. 甲图,牛顿通过实验和逻辑推理将斜面倾角推近900的方法,论证了自由落体是匀加速直线运动。
开启了实验检验猜想和假设的科学方法,改变了人类对物体运动的认识。
B. 乙图,英国物理学家卡文迪许利用库仑扭秤测定了万有引力常量G,获得了“测量地球质量的人”的美誉。
C. 丙图,“光电效应”实验揭示了光的粒子性,爱因斯坦为此提出了光子说理论,建立了光电效应方程,认识到微观粒子具有“波粒二象性”特征。
爱因斯坦被称为“量子之父”。
D. 丁图,重核裂变产生的中子能使核裂变反应连续的进行,核能持续的释放,这称为链式反应。
16.物理学家通过对实验的深入观察和研究,获得正确的科学知识,推动物理学的发展。
下列说法符合事实的是A. 英国物理学家卢瑟福第一次将量子观念引入原子领域,提出了定态和跃迁的概念B. 法拉第最早在实验中观察到电流的磁效应现象,从而揭开了电磁学的序幕C. 爱因斯坦给出了光电效应方程,成功的解释了光电效应现象D. 法国学者库仑最先提出了电场概念,并通过实验得出了库仑定律17.下列叙述中正确的是A. 库仑发现了点电荷的相互作用规律,卡文迪许测出了静电力常量B. 密立根利用带电油滴在竖直电场中的平衡,最早得到了元电荷e的数值C. 奥斯特发现了电流的磁效应并提出了分子电流假说D. 开普勒总结出了行星运动定律,并用月一地检验证实了该定律的正确性18.下列说法正确的是A. 伽利略的理想斜面实验说明了“力是维持物体运动的原因”B. 采用比值定义法定义的物理量有:电场强度,电容,加速度C. 库仑通过实验得出了库仑定律,并用扭秤实验最早测量出了元电荷e的数值D. 放射性元素发生一次β衰变,新核原子序数比原来原子核序数增加119.牛顿在伽利略、笛卡儿、开普勒、惠更斯等人研究的基础上,总结出牛顿运动定律和万有引力定律,建立了完整的经典力学体系,物理学从此成为一门成熟的自然科学,下列有关说法正确的是A. 牛顿认为力的真正效应是维持物体的速度B. 牛顿提出的万有引力定律奠定了天体力学的基础C. 牛顿巧妙地利用扭秤装置,第一次在实验室里测出了引力常量的数值D. 经典力学的建立标志着近代自然科学进入了微观世界20.在研究各类物理问题时,有许多物理思想方法,下列有关物理学思想方法的叙述正确的有A. 探究求合力的方法时运用了控制变量法B. 力学中将物体看成质点运用了极限的思想方法C. 电学中电场强度和电势的定义都运用了比值法D. 当物体的运动时间Δt趋近于0时,Δt 时间内的平均速度可看成瞬时速度运用了等效替代法21.在物理学的发展过程中,许多物理学家的科学发现推动了人类历史的进步。
下列表述符合物理学史实的是A. 法拉第首先引入电场线和磁感线,极大地促进了人类对电磁现象的研究B. 伽利略猜想自由落体的运动速度与下落时间成正比,并直接用实验进行了验证C. 牛顿利用“理想斜面实验”推翻了“力是维持物体运动的原因”的观点D. 胡克认为弹簧的弹力与弹簧的长度成正比22.引力波是根据爱因斯坦的广义相对论作出的奇特预言之一,三位美国科学家因在引力波的研究中有决定性贡献而荣获诺贝尔奖。
对于引力波概念的提出,可以通过这样的方法来理解:麦克斯韦认为,电荷周围有电场,当电荷加速运动时,会产生电磁波;爱因斯坦认为,物体周围存在引力场,当物体加速运动时,会辐射出引力波。
爱因斯坦的观点的提出,采取了哪种研究方法A. 控制变量法B. 对比法C. 类比法D. 观察法23.下列关于物理学研究方法和物理量单位的说法正确的是:A. 如果电场线与等势面不垂直,那么电场强度就有一个沿着等势面的分量,在一个等势面内移动电荷时静电力就要做功,这里用的方法是总结归纳法。
B. 探究作用力与反作用力关系时可以用传感器连在计算机上直接显示力的大小随时间变化的图线,通过图像我们便可知道相互作用力的关系,这是物理学中常用的图像分析法。
C. 国际单位制中的七个基本单位是:Kg、m、s、A、K、mol、cdD. 物理量的单位分为基本单位和导出单位,力的国际单位是N,利用公式可知力的单位也可用kg·m2/s表示。
24.人类在探索自然规律的进程中总结了许多科学方法。
如分析归纳法、演绎法、等效替代法、控制变量法、理想实验法等。