温压补偿计算及流量和差压对照表
- 格式:xlsx
- 大小:11.04 KB
- 文档页数:1
威力巴流量探头的二次仪表设定与温压补偿威力巴流量探头的二次仪表设定与温压补偿威力巴是一种差压式的流量探头,其计算模型 ∆P ⨯=ρK Q 和其它差压式流量计是相同的(如孔板)。
计算模型中:Q :质量流量 K :流量常数 ρ:介质密度 ∆P :传感器测得差压∆P 差压的准确测量不应只限选用一台高精度的差压变送器,实际上差压变送器能否接受到真实的差压还取决于一系列因数,其中探头及引压管的正确制造、安装及使用,是保证获得真实差压值的关键。
这些影响因素很多是难以定量或定性确定的,只有加强制造及安装的规范化工作才能达到目的。
从计算模型中可见,ρ在方程中同∆P 处于同等地位,就是说当追求差压变送器高精度等级时,绝不要忘记ρ的测量精度与之相匹配,否则∆P 精度的提高将会被ρ的降低所抵消。
介质ρ一般难以直接测得,通常是通过温度、压力、组分计算求得。
因此在现场ρ变化较大的场合,要进行在线温压补偿。
ρ是差压式流量测量系统中的重要组成部分。
下面我们结合威力巴流量计算软件来说明二次仪表的设定及ρ的正确补偿。
一、 液体测量威力巴流量计算软件在液体测量中常用的公式有用差压计算质量流量,用差压计算工况体积流量。
以差压计算质量流量来举例说明:某测点;介质:水 管径:219×6mm 压力:300KpaG 温度:20℃ 刻度流量:200000 kg/H 密度:1000kg/M 3威力巴选用10#探头,计算单见下图计算软件流量计算公式为:[]1/2hw C'qm ⋅=,[]1/22f D K N C'δ⋅⋅⋅=qm :质量流量(后面我们用Q m 来表示),单位kg/HC': 流量常数,有多个常数组成,无量纲数。
该测点中C'=127338.7hw :差压(后面我们用∆P 来表示),单位Kpa 。
N :单位换算常数,由软件自动给出,无量纲数。
该测点中N=0.12643 K :威力巴的K 系数,由软件自动给出,无量纲数。
DCS 流量计算公式计温压补偿的说明
变送器输出的是4~20mA 的电流信号,分为开过根和未开根两种。
1.变送器输出信号未开根
我们知道变送器中,4mA 时代表输出为0,20mA 时代表输出为设定的差压最大值。
定义这个输出的量为DP ,设定的变送器最大差压为0.5kpa 。
那么当变送器输出为15mA 时,给到上位机的差压信号就是
1540.50.34375204
Dp -==- 其中,15是实际电流,20是最大电流,4是最小电流,0.5是最大电流是的差压。
流量计算公式可以简单的用
'Q C =其中C’就是流量系数
2.变送器输出信号已开根
如果变松器输出的电流信号开过根了,那
即,''
Q C Dp =⋅如果开根后的输出电流为15mA ,那154'0.50.34375204Dp -=
=- ,直接代入上面的等式。
另,由于在测量气体是,温度和压力的变化,造成气体体积和密度的变化,故需要对测量过程进行温度和压力的补偿。
1.未开根信号
对于未开根信号,补偿公式如下
N Q =实其中,N Q 实是实际流量,Nm Q 为设计最大量,m Dp 为设计最大量下的差压值(见计算书),Ts ,Ps 为设计条件下的绝对温度、绝对压力。
Dp 是测得的差压值,P 、T 是实际测量得到的绝对温度和绝对压力。
2.已开根信号。
蒸汽密度补偿公式:
方法一:
其中:M 测量 ---- 流量变送器(或差压变送器开方后)的输出信号
ρ实际 ---- 当前工况条件下被测流体的实际密度,按《水蒸气密度表》查表而得。
ρ设计 ---- 节流装置设计时的流体密度
说明:如果是DCS 系统,则系统自带有蒸汽密度补偿软件。
如果是工控机系统,可以按《水蒸气密度
表》建立密度补偿模块,由计算机自动处理。
如果是智能数显积算仪,则仪表自带有蒸汽密度补偿功能。
方法二:流体流量与差压的关系符合GB/T 2624规定的不确定度限值,用下列公式确定:
质量流量:
体积流量:
式中: q m ---- 质量流量,kg/s
q v ---- (工作条件下)体积流量,m 3/s
C ---- 流出系数 ε---- 可膨胀性(膨胀)系数 β---- 直径比:β=d/
D d ---- 工作条件下一次装置节流孔或喉部的直径,m
D ---- 工作条件下上游管道内径(或经典文丘里管上游直径),m
ρ---- 测定体积流量时的温度和压力下的流体密度,kg/m3
ΔP ---- 差压,Pa
另:蒸汽温压补偿公式:
其中:Q 补偿 为最终求得量;单位同设计书。
Q 测量----流量变送器(或差压变送器开方后)的输出信号
P 测量----压力变送器的输出信号 单位是Kpa
T 测量----温度变送器的输出信号 单位是摄氏度
对每一流量计而言,这一部分
是常数k ,即
Q m = k ·√ρ·ΔP。
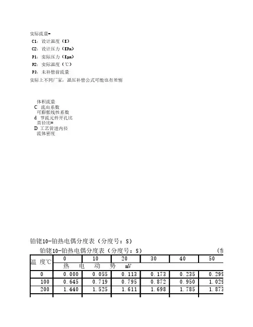
温压补偿计算公式匸I (未知)S12007-10-28 1:01:00 公式:流量F=P3*SQRT(C1/(273+P2)*(P1+101)/C2)参数:C1 :设计温度(K)C2 :设计压力(KPa)P1 :实际压力(Kpa )P2 :实际温度「C)P3 :未补偿前流量三、燃烧控制原理及实现策略(1 )温压补偿在气体流量控制中,由于气体所处的温度、压力不同,需要进行温压补偿。
计算公式如下:SQR[INT (A/B )*INT (C/D )空气流量温压补偿设K1,参数如下:A ——AI1.11 (空气压力)+1.02*10人4;B ——1.02*10A4+8.5*10A2;C ——(2.72+4.00)*10人2;D——AI5.1(燃烧空气冷却水温度)+2.73*10人2;按公式计算出的数值K1传入AOC149中,各空气流量变送器的实测数值乘以此稳压补偿后,再参与计算和控制。
煤气流量稳压补偿K2,参数如下:A ——AI1.16(煤气压力)+1.02*10人4;B ——1.02*10人4+6.5*10人2;C ——(2.73+3.00)*10人2;D——AI5.9 (废气温度)+2.73*10人2;计算出的数值K2传入AOC150中,各煤气流量变送器的实际测量值乘以该稳压补偿系数后,再参与计算和控制。
四在气体流量控制中,由于气体所处的温度、压力不同,需进行温压补偿。
在本加热炉燃烧控制中,空气流量温压补偿设为K1计算公式如下:K l=SQR[niT 次TUT (C/D)] ⑴式中iSQR—方INT-取整A—AIL 1 HL 02 X 】『B—1.02K 1V+B 10(C—(2. 72+4. 00)x L0ED —AM. 1+2.73 x 10E^11*11 —空医变送器AI5,1—空气燃烧热电偶冷却水温度按式⑴计算出的数值K1放在AOC149中,各空气流量变送器测的实际数值乘以此稳压补偿, 在参与计算与控制。
公式:实际流量=P3*SQRT(C1/(273+P2)*(P1+101)/C2) 参数: C1:设计温度(K) C2:设计压力(KPa) P1:实际压力(Kpa) P2:实际温度(℃) P3:未补偿前流量实际上不同厂家,温压补偿公式可能也有差别由差压信号换算流量时,是跟流体密度有关的 Q=K*SQRT(ΔP/ρ),(K是一个综合的系数)四楼的意思是说根据设计时的温度、压力下的差压-流量换算公式,采用理想气体状态方程来计算流体密度,就是那个PV=nRT,这样的方法只能应用于那种可以当作理想气体的流体,比如氮气、氧气等,而水蒸气因为不能当作理想气体,同时水蒸气性质有很多试验数据,所以水蒸气的温压补偿有另外的算式。
另外上面说的补偿只针对气体,对液体显然要另外想办法,但是原则都是计算工况下的流体密度。
根据热力学方程P0V0/T0=P1V1/T1进行温压补偿,V0=P1V1T0/T1P0,单位统一后:V0=(P1*1000+101)*V1(T0+273)/(T1+273)(P0+101)可是有的资料上介绍F0=F1*SQRT{((P1*1000+101)*(T0+273)/[(T1+273)(P0*1000+101)]} 请教这里的开方是如何推倒出来的?对于蒸汽流量,其质量流量M=k*SQRT(ΔP*ρ) (1)k-常数;ΔP-孔板两侧差压值;ρ为蒸汽密度。
如果在孔板上只装有差压变送器,则密度ρ取管道中温度和压力变化范围内某一固定点上的密度ρ0,这样一来流量公式就变为M=k*SQRT(ΔP*ρ0)=K*SQRT(ΔP) (2)式中K=k*SQRT(ρ0)。
显然,由于密度取为固定值,因而当蒸汽的温度和压力波动引起密度变化时,必然会引起测量误差。
假如在管道上再装一个压力变送器和一个温度变送器,在测取差压信号的同时,测取管道内的压力和温度信号。
这样,假设原设计工作温度和压力分别为T0和P0,相应密度ρ0,现在实际工作温度和压力分别为T1和P1,密度为ρ1。
温压补偿计算公式(未知) 2007-10-28 1:01:00 公式:流量F=P3*SQRT(C1/(273+P2)*(P1+101)/C2)参数:C1:设计温度(K)C2:设计压力(KPa)P1:实际压力(Kpa)P2:实际温度(℃)P3:未补偿前流量三、燃烧控制原理及实现策略(1)温压补偿在气体流量控制中,由于气体所处的温度、压力不同,需要进行温压补偿。
计算公式如下:SQR[INT(A/B)*INT(C/D)空气流量温压补偿设K1,参数如下:A——AI1.11(空气压力)+1.02*10^4;B——1.02*10^4+8.5*10^2;C——(2.72+4.00)*10^2;D——AI5.1(燃烧空气冷却水温度)+2.73*10^2;按公式计算出的数值K1传入AOC149中,各空气流量变送器的实测数值乘以此稳压补偿后,再参与计算和控制。
煤气流量稳压补偿K2,参数如下:A——AI1.16(煤气压力)+1.02*10^4;B——1.02*10^4+6.5*10^2;C——(2.73+3.00)*10^2;D——AI5.9(废气温度)+2.73*10^2;计算出的数值K2传入AOC150中,各煤气流量变送器的实际测量值乘以该稳压补偿系数后,再参与计算和控制。
四在气体流量控制中,由于气体所处的温度、压力不同,需进行温压补偿。
在本加热炉燃烧控制中,空气流量温压补偿设为K1计算公式如下:按式(1)计算出的数值K1放在AOC149中,各空气流量变送器测的实际数值乘以此稳压补偿,在参与计算与控制。
煤气流量温压补偿设为K2,按式(2)计算出的数值K2放在AOC150中,各煤气流量变送器测的实际数值乘以此稳压补偿,在参与计算与控制。
温压补偿计算公式-CAL-FENGHAI.-(YICAI)-Company One1
温压补偿计算公式
(未知) 2007-10-28 1:01:00公式:流量F=P3*SQRT(C1/(273+P2)*(P1+101)/C2)
参数:
C1:设计温度(K)
C2:设计压力(KPa)
P1:实际压力(Kpa)
P2:实际温度(℃)
?P3:未补偿前流量
三、燃烧控制原理及实现策略(1)温压补偿在气体流量控制中,由于气体所处的温度、压力不同,需要进行温压补偿。
计算公式如下:SQR[INT(A/B)*INT(C/D)空气流量温压补偿设K1,参数如下:A——(空气压力)
+*10^4;B——*10^4+*10^2;C——+*10^2;D——(燃烧空气冷却水温度)+*10^2;
按公式计算出的数值K1传入AOC149中,各空气流量变送器的实测数值乘以此稳压补偿后,再参与计算和控制。
煤气流量稳压补偿K2,参数如下:A——(煤气压力)+*10^4;B——*10^4+*10^2;C——+*10^2;D——(废气温度)+*10^2;
计算出的数值K2传入AOC150中,各煤气流量变送器的实际测量值乘以该稳压补偿系数后,再参与计算和控制。
四
在气体流量控制中,由于气体所处的温度、压力不同,需进行温压补偿。
在本加热炉燃烧控制中,空气流量温压补偿设为K1计算公式如下:
按式(1)计算出的数值K1放在AOC149中,各空气流量变送器测的实际数值乘以此稳压补偿,在参与计算与控制。
煤气流量温压补偿设为K2,
按式(2)计算出的数值K2放在AOC150中,各煤气流量变送器测的实际数值乘以此稳压补偿,在参与计算与控制。
温压补偿计算公式(未知) 2007-10-28 1:01:00 公式:流量F=P3*SQRT(C1/(273+P2)*(P1+101)/C2)参数:C1:设计温度(K)C2:设计压力(KPa)P1:实际压力(Kpa)P2:实际温度(℃)P3:未补偿前流量三、燃烧控制原理及实现策略(1)温压补偿在气体流量控制中,由于气体所处的温度、压力不同,需要进行温压补偿。
计算公式如下:SQR[INT(A/B)*INT(C/D)空气流量温压补偿设K1,参数如下:A——AI1.11(空气压力)+1.02*10^4;B——1.02*10^4+8.5*10^2;C——(2.72+4.00)*10^2;D——AI5.1(燃烧空气冷却水温度)+2.73*10^2;按公式计算出的数值K1传入AOC149中,各空气流量变送器的实测数值乘以此稳压补偿后,再参与计算和控制。
煤气流量稳压补偿K2,参数如下:A——AI1.16(煤气压力)+1.02*10^4;B——1.02*10^4+6.5*10^2;C——(2.73+3.00)*10^2;D——AI5.9(废气温度)+2.73*10^2;计算出的数值K2传入AOC150中,各煤气流量变送器的实际测量值乘以该稳压补偿系数后,再参与计算和控制。
四在气体流量控制中,由于气体所处的温度、压力不同,需进行温压补偿。
在本加热炉燃烧控制中,空气流量温压补偿设为K1计算公式如下:按式(1)计算出的数值K1放在AOC149中,各空气流量变送器测的实际数值乘以此稳压补偿,在参与计算与控制。
煤气流量温压补偿设为K2,按式(2)计算出的数值K2放在AOC150中,各煤气流量变送器测的实际数值乘以此稳压补偿,在参与计算与控制。
气体体积流量测量的温度压力补偿公式及相对误差计算Document number:WTWYT-WYWY-BTGTT-YTTYU-2018GT流量计示值修正(补偿)公式我公司能源计量的流量计示值单位规定为20℃,标准状态的流量,如设计选型使用了不同流量计示值单位,则根据设计的流量单位(质量流量kg/h 、0℃,及20℃,标准状态或工作状态)选用对应的温度、压力修正(补偿)公式;不同测量原理的流量计,应根据其流量计流量方程(公式)选用对应的温度、压力修正(补偿)公式。
1. 气体流量测量的温度、压力修正(补偿)公式:1.1 差压式流量计的温度、压力修正(补偿)实用公式:一般气体体积流量(标准状态20℃,),根据差压式流量计流量方程,可得干气体在标准状态(20℃,)的积流流量:)()()()(15.273T 325.101p 15.273T 325.101p q q vNvN +'⋅++⋅+'=' (1)式中: q'vN ——标准状态下气体实际体积流量;q vN ——标准状态下气体设计体积流量;p'——气体实际压力,kPa ;p ——气体设计压力,kPa ;T'——气体实际温度,℃;T ——气体设计温度,20℃。
1.2 一般气体质量流量的温度、压力修正(补偿)公式:T p T p q q mm ''=' (2)式中: q'vN ——标准状态下气体实际体积流量;q vN ——标准状态下气体设计体积流量;p'——气体实际压力,绝对压力;p ——气体设计压力,绝对压力;T'——气体实际温度,绝对温度;T ——气体设计温度,绝对温度。
1.3 蒸汽的温度、压力修正(补偿)公式:根据差压式流量计流量方程,可得蒸汽的质量流量:ρρ'='mm q q (3)式中: q'm ——蒸汽实际质量流量;q m ——蒸汽设计质量流量;ρ'——蒸汽实测时密度;ρ——蒸汽设计时密度;依据水和水蒸汽热力性质IAPWS-IF97公式其密度计算模型,工业常用范围内水蒸汽的密度为:式中:,ρ为水蒸汽密度;P 为压力,MPa ;v 为比体积,m 3/kg ;T 为温度,K ;R 为水物质气体常数,kg -1K -1;n i 、I i 、J i 为公式系数见“表1”。
温压补偿计算公式(未知) 2007-10-28 1:01:00 公式:流量F=P3*SQRT(C1/(273+P2)*(P1+101)/C2)参数:C1:设计温度(K)C2:设计压力(KPa)P1:实际压力(Kpa)P2:实际温度(℃)P3:未补偿前流量三、燃烧控制原理及实现策略(1)温压补偿在气体流量控制中,由于气体所处的温度、压力不同,需要进行温压补偿。
计算公式如下:SQR[INT(A/B)*INT(C/D)空气流量温压补偿设K1,参数如下:A——AI1.11(空气压力)+1.02*10^4;B——1.02*10^4+8.5*10^2;C——(2.72+4.00)*10^2;D——AI5.1(燃烧空气冷却水温度)+2.73*10^2;按公式计算出的数值K1传入AOC149中,各空气流量变送器的实测数值乘以此稳压补偿后,再参与计算和控制。
煤气流量稳压补偿K2,参数如下:A——AI1.16(煤气压力)+1.02*10^4;B——1.02*10^4+6.5*10^2;C——(2.73+3.00)*10^2;D——AI5.9(废气温度)+2.73*10^2;计算出的数值K2传入AOC150中,各煤气流量变送器的实际测量值乘以该稳压补偿系数后,再参与计算和控制。
四在气体流量控制中,由于气体所处的温度、压力不同,需进行温压补偿。
在本加热炉燃烧控制中,空气流量温压补偿设为K1计算公式如下:按式(1)计算出的数值K1放在AOC149中,各空气流量变送器测的实际数值乘以此稳压补偿,在参与计算与控制。
煤气流量温压补偿设为K2,按式(2)计算出的数值K2放在AOC150中,各煤气流量变送器测的实际数值乘以此稳压补偿,在参与计算与控制。
温压补偿计算公式匸I (未知)S12007-10-28 1:01:00 公式:流量F=P3*SQRT(C1/(273+P2)*(P1+101)/C2)参数:C1 :设计温度(K)C2 :设计压力(KPa)P1 :实际压力(Kpa )P2 :实际温度「C)P3 :未补偿前流量三、燃烧控制原理及实现策略(1 )温压补偿在气体流量控制中,由于气体所处的温度、压力不同,需要进行温压补偿。
计算公式如下:SQR[INT (A/B )*INT (C/D )空气流量温压补偿设K1,参数如下:A ——AI1.11 (空气压力)+1.02*10人4;B ——1.02*10A4+8.5*10A2;C ——(2.72+4.00)*10人2;D——AI5.1(燃烧空气冷却水温度)+2.73*10人2;按公式计算出的数值K1传入AOC149中,各空气流量变送器的实测数值乘以此稳压补偿后,再参与计算和控制。
煤气流量稳压补偿K2,参数如下:A ——AI1.16(煤气压力)+1.02*10人4;B ——1.02*10人4+6.5*10人2;C ——(2.73+3.00)*10人2;D——AI5.9 (废气温度)+2.73*10人2;计算出的数值K2传入AOC150中,各煤气流量变送器的实际测量值乘以该稳压补偿系数后,再参与计算和控制。
四在气体流量控制中,由于气体所处的温度、压力不同,需进行温压补偿。
在本加热炉燃烧控制中,空气流量温压补偿设为K1计算公式如下:K l=SQR[niT 次TUT (C/D)] ⑴式中iSQR—方INT-取整A—AIL 1 HL 02 X 】『B—1.02K 1V+B 10(C—(2. 72+4. 00)x L0ED —AM. 1+2.73 x 10E^11*11 —空医变送器AI5,1—空气燃烧热电偶冷却水温度按式⑴计算出的数值K1放在AOC149中,各空气流量变送器测的实际数值乘以此稳压补偿, 在参与计算与控制。
温压补偿计算公式匸I (未知)S12007-10-281:01:00 公式:流量 F=P3*SQRT(C1/(273+P2)*(P1+101)/C2)参数:C1 :设计温度(K)C2 :设计压力(KPa)P1 :实际压力(Kpa )P2 :实际温度「C)P3 :未补偿前流量三、燃烧控制原理及实现策略(1 )温压补偿在气体流量控制中,由于气体所处的温度、压力不同,需要进行温压补偿。
计算公式如下:SQR[INT (A/B ) *INT ( C/D )空气流量温压补偿设K1,参数如下:A ——AI1.11 (空气压力)+1.02*10人4;B ——1.02*10A4+8.5*10A2;C ——(2.72+4.00)*10人2;D——AI5.1(燃烧空气冷却水温度)+2.73*10人2;按公式计算出的数值 K1传入AOC149中,各空气流量变送器的实测数值乘以此稳压补偿后,再参与计算和控制。
煤气流量稳压补偿 K2,参数如下:A ——AI1.16(煤气压力)+1.02*10人4;B ——1.02*10人4+6.5*10人2;C ——(2.73+3.00)*10人2;D——AI5.9 (废气温度)+2.73*10人2;计算出的数值 K2传入AOC150中,各煤气流量变送器的实际测量值乘以该稳压补偿系数后,再参与计算和控制。
四在气体流量控制中,由于气体所处的温度、压力不同,需进行温压补偿。
在本加热炉燃烧控制中,空气流量温压补偿设为K1计算公式如下:K l=SQR[niT 次TUT (C/D)] ⑴式中iSQR—方INT-取整A—AIL 1 HL 02 X 】『B—1.02K 1V+B 10(C—(2. 72+4. 00)x L0ED —AM. 1+2.73 x 10E^11*11 —空医变送器AI5,1—空气燃烧热电偶冷却水温度按式⑴计算出的数值K1放在AOC149中,各空气流量变送器测的实际数值乘以此稳压补偿, 在参与计算与控制。
温压补偿计算公式
(未知) 2007-10-28 1:01:00公式:流量F=P3*SQRT(C1/(273+P2)*(P1+101)/C2)
参数:
C1:设计温度(K)
C2:设计压力(KPa)
P1:实际压力(Kpa)
P2:实际温度(℃)
P3:未补偿前流量
三、燃烧控制原理及实现策略
(1)温压补偿
在气体流量控制中,由于气体所处的温度、压力不同,需要进行温压补偿。
计算公式如下:
SQR[INT(A/B)*INT(C/D)
空气流量温压补偿设K1,参数如下:
A——(空气压力)+*10^4;
B——*10^4+*10^2;
C——+*10^2;
D——(燃烧空气冷却水温度)+*10^2;
按公式计算出的数值K1传入AOC149中,各空气流量变送器的实测数值乘以此稳压补偿后,再参与计算和控制。
煤气流量稳压补偿K2,参数如下:
A——(煤气压力)+*10^4;
B——*10^4+*10^2;
C——+*10^2;
D——(废气温度)+*10^2;
计算出的数值K2传入AOC150中,各煤气流量变送器的实际测量值乘以该稳压补偿系数后,再参与计算和控制。
四
在气体流量控制中,由于气体所处的温度、压力不同,需进行温压补偿。
在本加热炉燃烧控制中,空气流量温压补偿设为K1计算公式如下:
按式(1)计算出的数值K1放在AOC149中,各空气流量变送器测的实际数值乘以此稳压补偿,在参与计算与控制。
煤气流量温压补偿设为K2,
按式(2)计算出的数值K2放在AOC150中,各煤气流量变送器测的实际数值乘以此稳压补偿,在参与计算与控制。