圆弧形门套施工方案讲诉教材
- 格式:doc
- 大小:27.50 KB
- 文档页数:9
圆弧造型施工方法
圆弧造型的施工方法根据不同的应用场景和需求有多种,以下是其中的一些:
1. 矢高法:适用于半径较大的建筑,计算简单,易于掌握。
根据矢高逐渐加密弧上各点,然后画出弧形。
2. 坐标计算法:适用于半径较大的圆弧平面曲线的施工放线,能获得较高的施工精度,且施工操作简便。
一般将计算结果列成表格,供放线人员使用。
3. 直接拉线法:适用于简单的圆弧形状,通过拉线的方式确定弧线的位置。
4. 模板浇筑法:对于弧形墙、弧形梁等结构,可以在制作好的模板内浇筑混凝土,形成所需的弧形结构。
5. 3D打印法:利用3D打印技术,根据设计图纸打印出弧形结构。
这种方
法精度高,可以打印出复杂的弧形结构。
6. 砖石堆砌法:对于传统的建筑,可以通过砖石堆砌的方式建造弧形墙面或穹顶。
7. 钢框架结构法:通过焊接或组装的方式,将钢框架结构拼装成弧形结构,再填充材料如玻璃、石材等。
8. 预制构件拼装法:通过预制好的弧形构件,进行现场拼装而成。
这种方法适合大规模、快速建造的工程。
9. 软体材料充气法:利用软体材料如帆布、塑料薄膜等,在现场充气形成所需的弧形结构。
这种方法适合临时性、可变形的建筑。
以上方法各有优缺点,应根据具体情况选择合适的施工方法。
同时,施工时应注意安全,严格按照施工规范进行操作。
绿城蓝湾小镇威斯汀度假酒店SPA区精装修工程圆弧形石材门套专项施工方案编制单位:上海滨晟建筑装饰设计工程有限公司编制:审核:审批:编制日期:年月日目录1、材料准备及要求 (3)2、施工机具准备 (3)3、施工作业条件 (3)4、施工工艺 (4)5、质量标准 (6)6、成品保护 (7)7、施工应注意的质量问题 (7)1.材料准备及要求1.1.石材定货加工:按照设计确定的门洞石材及石材样品对石材进行翻样、定货加工。
必须注意加工的质量,它关系到现场的施工质量。
1.2.石材进场检查:石材进场时必须按照设计要求的饰面石材规格、品种、颜色、花纹进行检查,石材质量必须满足设计要求。
石材具有合格证和检验报告。
检查合格后按照石材排版图对石材进行编号保存备用。
1.3.钢骨架:干挂石材使用的钢骨架主要材料有50热镀锌角钢,按照设计要求规格准备齐全,使用的角钢必须有合格证、检验报告,材质符合设计要求。
1.4.其他配件:根据设计要求选择好挂件、挂件与骨架的固定螺栓Φ12,要求挂件和螺栓具有合格证,挂件具有受力的试验报告。
并运至现场后及时检验、保存。
5.1.5.按照现场情况及设计要求准备好膨胀螺栓Φ12、填缝胶等辅助性材料。
2.施工机具准备主要有冲击钻、手枪钻、云石机、磨光机、活动扳手、水平尺、铝合金靠尺、白线、钢卷尺、铁锤、笤帚、凿子、胶枪、壁纸刀、棉纱、小桶、铁锹、灰盆、钳子等。
3.施工作业相关条件3.1.结构经验收合格,水电、通风、设备安装等应提前完成,并准备好加工石材的场地、水电源等前提条件。
3.2.室内施工脚手架等作业条件,以及运输设备的设立。
3.3.对石材要保存好,避免日晒雨淋,在石材下垫木方,并核对数量、规格,并预铺、配花、编号等备用。
3.4.对现场的石材必须进行挑选,对色差较大的不能施工,现场要对每一块石材的质量进行检查。
4.施工工序4.1.工艺流程控制放线——石材排版放线——挑选石材——预排石材——打膨胀螺栓——安装钢骨架——安装调节片——石材开槽——石材固定——打胶——调整——成品保护4.2.施工技术措施4.2.1.基层处理:门洞基层表面用笤帚清理干净,局部有影响骨架安装的凸出部分要剔凿干净。
弧形模板施工方案1. 引言弧形模板施工是建筑工程中常见的模板施工方式之一,主要用于构筑弧形结构或曲线形墙体。
本文档将介绍弧形模板施工的步骤、材料和注意事项。
2. 施工步骤2.1 设计和准备工作在施工前,需要根据建筑设计图纸确定弧形的几何参数和结构要求。
根据设计要求选择合适的材料和施工工具,并进行准备工作包括:•初步测量弧形结构的轮廓和尺寸•准备所需的模板材料,如胶合板、钢模板等•准备所需的模板支撑材料和支撑系统,如调节支撑、木方等•准备必要的施工工具,如锤子、锯子、电钻等•安装安全警示标志并建立施工围栏2.2 模板制作根据设计要求,制作弧形模板。
具体步骤如下:1.根据弧形结构的几何参数和尺寸,将胶合板或钢模板切割成所需的形状和尺寸。
2.在模板板面上标记出水平线和竖直线,以便后续对齐和安装。
3.根据模板的大小和承重要求,在模板板面上安装适当数量和位置的支撑,以提供足够的强度和稳定性。
4.检查模板的平整度和强度,确保满足施工要求。
2.3 模板安装在模板制作完成后,按照以下步骤进行模板安装:1.根据建筑设计图纸的要求和尺寸,确定模板的位置和布置方式。
2.首先安装模板的底部支撑,使用调节支撑和木方调整模板的水平度和垂直度。
3.按照设计要求和施工顺序,逐层安装模板板面,注意对齐和连接处的稳固性。
4.使用合适的工具和固定件,如螺栓、钢筋等,将模板牢固地连接在一起。
5.定期检查模板的稳定性和牢固度,进行必要的调整和加固。
2.4 结束工作和清理完成模板施工后,进行以下工作和清理:1.拆除多余的支撑和脚手架,保留必要的支撑和安全设施。
2.检查模板的完整性和安全性,修复损坏的部分并记录相关信息。
3.进行现场清理,清除施工过程中产生的废料和杂物。
4.确保施工现场的安全性和整洁度。
3. 施工注意事项在进行弧形模板施工时,需要注意以下事项:1.模板制作和安装的过程中,要严格按照设计要求进行,确保结构的稳定性和安全性。
2.在模板安装前,要对模板的支撑系统进行充分检查和测试,确保其承重能力和稳定性。
弧形结构模板设计及施工一.工程概况本工程为全现浇框架剪力墙结构,三层地下室结构平面为扇形。
地下一层结构层高4.2m(局部3.7米), 地下二层结构层高3.6m,地下三层结构层高4.7m。
各层环向墙体大多为弧形墙体,结构平面有同心圆弧轴线7条,曲率半径分别为:60.8m、53m、45.5m、38.9m、34.4m、26.6m、18.8m。
墙体厚度分别为500 mm、350mm、300mm、250mm 及200mm五种,其中以300mm、250mm为主。
顶板以带柱托板的无梁钢筋混凝土楼板为主,局部有径向环向独立梁;柱托板厚400毫米,顶板厚250毫米;梁截面绝大多数宽400毫米-200毫米、高650毫米-350毫米。
地下结构c-d轴设有四个电梯井筒,环向墙为弧形,井筒平面为扇形。
本工程地下结构共有弧形墙体4000平方米,弧形梁200延米,扇形顶板9000平方米。
施工作业面按六段划分施工流水段(附图1),全部采用商品混凝土,采取机械振捣方式。
采用泵车浇筑墙板梁混凝土,塔吊吊斗浇筑柱混凝土。
二.工程特点1. 结构内含有曲率半径60.8m~18.8m不等的弧形墙体,其中外墙在地下三层厚度为300mm,从地下二层起变为250mm;内墙绝大多数墙厚为300mm、250mm,200mm。
2. 电梯井及电缆管道井筒为扇形。
3. 结构平面F-E轴、12-13轴之间有一条L形后浇带,将结构在环向及径向上分割成两块。
三.墙体模板(一) 模板选型1. 经过多种方案的优化比较我们选用了SP-70系列钢框竹编模板及组合钢模板支立混合组拼进行弧形墙体施工。
弧形墙体配模从质量角度讲应首选弧形钢大模板,但由于三层层高不同,并有9种不同弧度的墙体,加工数量大、成本高、周转次数少,并且还需要塔吊配合,所以很不经济,故不宜采用。
若采用竹编原板支立,由于原板的拼接、立、接缝处理等工艺复杂;而原板被弯成弧形后存在一定的反弹力,墙体弧度不易保证。
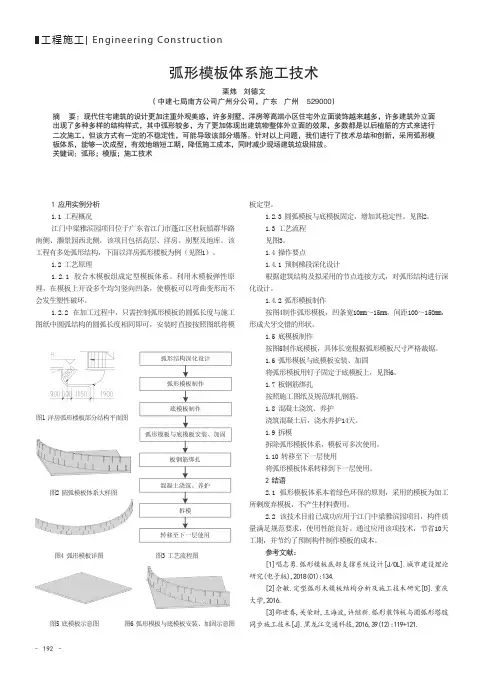
工程施工Engineering Construction– 192 –1 应用实例分析1.1 工程概况江门中梁雅滨园项目位于广东省江门市蓬江区杜阮镇群华路南侧、灏景园西北侧,该项目包括高层、洋房、别墅及地库。
该工程有多处弧形结构,下面以洋房弧形楼板为例(见图1)。
1.2 工艺原理1.2.1 胶合木模板组成定型模板体系。
利用木模板弹性原理,在模板上开设多个均匀竖向凹条,使模板可以弯曲变形而不会发生塑性破环。
1.2.2 在加工过程中,只需控制弧形模板的圆弧长度与施工图纸中圆弧结构的圆弧长度相同即可,安装时直接按照图纸将模板定型。
1.2.3 圆弧模板与底模板固定,增加其稳定性。
见图2。
1.3 工艺流程见图3。
1.4 操作要点1.4.1 预制梯段深化设计根据建筑结构及拟采用的节点连接方式,对弧形结构进行深化设计。
1.4.2 弧形模板制作按图4制作弧形模板,凹条宽10mm~15mm,间距100~150mm,形成犬牙交错的形状。
1.5 底模板制作按图5制作底模板,具体长宽根据弧形模板尺寸严格裁锯。
1.6 弧形模板与底模板安装、加固将弧形模板用钉子固定于底模板上,见图6。
1.7 板钢筋绑扎按照施工图纸及规范绑扎钢筋。
1.8 混凝土浇筑、养护浇筑混凝土后,浇水养护14天。
1.9 拆模拆除弧形模板体系,模板可多次使用。
1.10 转移至下一层使用将弧形模板体系转移到下一层使用。
2 结语2.1 弧形模板体系本着绿色环保的原则,采用的模板为加工所剩废弃模板,不产生材料费用。
2.2 该技术目前已成功应用于江门中梁雅滨园项目,构件质量满足规范要求,使用性能良好。
通过应用该项技术,节省10天工期,并节约了预制构件制作模板的成本。
参考文献:[1]唱志勇.弧形模板底部支撑系统设计[J/OL].城市建设理论研究(电子版),2018(01):134.[2]佘敏.定型弧形木模板结构分析及施工技术研究[D].重庆大学,2016.[3]邵世春,关荣财,王海波,许继新.弧形装饰板与圆弧形塔肢同步施工技术[J].黑龙江交通科技,2016,39(12):119+121.弧形模板体系施工技术栗炜 刘德文(中建七局南方公司广州分公司,广东 广州 529000)摘 要:现代住宅建筑的设计更加注重外观美感,许多别墅、洋房等高端小区住宅外立面装饰越来越多,许多建筑外立面出现了多种多样的结构样式,其中弧形较多,为了更加体现出建筑物整体外立面的效果,多数都是以后植筋的方式来进行二次施工,但该方式有一定的不稳定性,可能导致该部分塌落。
圆弧工程施工计划一、工程概述本项目为一项圆弧工程,主要施工内容包括圆弧道路、绿化带、排水系统等。
工程位于某城市新区,占地面积约20万平方米,工期为6个月。
为确保工程顺利进行,制定本施工计划。
二、施工目标1. 确保工程质量:严格按照设计图纸和规范要求施工,确保工程质量达到优良等级。
2. 保证工程进度:合理安排施工进度,确保工程按时完成。
3. 保障施工安全:加强施工现场安全管理,确保施工人员生命财产安全。
4. 降低环境影响:采取有效措施,减少施工过程中对周边环境的影响。
三、施工组织架构1. 项目经理:负责整个项目的组织、协调和管理工作。
2. 技术负责人:负责施工过程中的技术指导和质量控制。
3. 施工队伍:负责具体施工任务,包括道路、绿化、排水等。
4. 后勤保障队伍:负责施工过程中的后勤保障工作。
四、施工进度计划1. 前期准备:1个月(1)办理施工手续,取得施工许可。
(2)进行现场勘查,了解地形地貌、地质条件等。
(3)组织设计、施工、监理等各方进行图纸会审。
(4)采购施工材料,办理材料合格证。
2. 施工阶段:4个月(1)道路施工:2个月采用自卸车、挖掘机、压路机等设备进行土方开挖、回填、压实等工作。
严格按照设计图纸和规范要求施工,确保道路平整、排水畅通。
(2)绿化施工:1个月采用挖掘机、铲车等设备进行绿化带开挖、回填、种植等工作。
选择适宜的植物品种,注重景观效果,确保绿化质量。
(3)排水系统施工:1个月采用挖掘机、管道铺设设备等进行排水管道铺设、检查井砌筑等工作。
确保排水系统畅通,满足设计要求。
3. 后期收尾:1个月(1)道路、绿化、排水等工程验收。
(2)办理竣工手续,提交竣工资料。
(3)进行工程结算,支付施工队伍工资及材料款。
五、质量保证措施1. 严格把控原材料质量,确保原材料合格。
2. 加强施工过程控制,确保施工质量。
3. 定期对施工人员进行技术培训,提高施工技能。
4. 加强质量检测,对不合格工程及时整改。
圆弧门制作安装方法摘要圆弧门是一种美观且实用的门型,越来越受人们喜爱。
本文将介绍圆弧门的制作和安装方法,帮助读者了解如何在家中制作并安装圆弧门。
1. 制作圆弧门的材料和工具- 木材板材:根据门洞尺寸选择适当大小的厚度为15mm至20mm 的板材。
- 圆弧门芯板:可选择纤维板、合板或其他较坚韧的材料。
- 国弧门边框材料:标准木条、扁桃木、PVC板或其他适合的材料。
- 相关五金配件:门轴、门轮、门锁等。
- 木工工具:锉刀、手锯、锤子、起子、胶水等。
2. 制作圆弧门的步骤2.1 量取门洞尺寸首先,需要准确测量门洞的尺寸。
从门洞顶部到地面的高度、门洞的宽度以及门洞两侧墙壁和地板的水平度都需要量取。
这些尺寸将决定门的大小和形状。
2.2 制作圆弧门芯板根据门洞的宽度和高度,在合适的板材上用锯子将门芯板剪裁出来。
门芯板的长度应比门洞的宽度略小,以便于后续安装。
2.3 制作圆弧门边框使用锉刀和锤子在木条或其他材料上制作出圆弧门边框。
根据门洞在边框上标出门芯板的位置,以确保圆弧门边框和门芯板的拼接精确。
2.4 拼接圆弧门边框和门芯板用胶水将圆弧门边框和门芯板固定在一起。
确保门芯板与边框的位置准确无误,并使用夹具将其固定,以便胶水充分干燥和固定。
2.5 修整和打磨使用锉刀和砂纸修整门边框和门芯板的边缘,使其更加光滑。
确保门的外观整洁。
2.6 涂装根据个人喜好,选择合适的涂料对门进行涂装。
涂装后,需要等待涂料充分干燥。
2.7 安装五金配件根据门洞和个人需要,安装门轴、门轮和门锁等五金配件。
确保它们牢固且顺畅运转。
3. 圆弧门的安装方法3.1 准备工作在安装前,首先需要清理门洞和周围的杂物,确保门洞干净整洁。
还需要根据实际情况选择合适的安装时间。
3.2 安装门轴和门轮将门轴安装在门洞上部,门轮安装在门洞下部。
根据门洞和门轴的尺寸,使用螺丝固定门轴和门轮。
3.3 安装圆弧门将制作好的圆弧门放置在门轴和门轮上,并确保门的位置和垂直度。
别墅弧形门施工方案1. 引言别墅弧形门是一种美观大气并且独特的门风格,适用于别墅、高档住宅和豪华酒店等场所。
本文将介绍别墅弧形门的施工方案,包括设计、准备工作、施工步骤和注意事项等内容。
2. 设计在进行别墅弧形门的施工前,需要进行详细的设计工作。
设计应考虑以下几个方面:•弧形门的尺寸:根据实际情况确定门的尺寸,包括高度和宽度。
确保门的尺寸与建筑物的整体风格和比例相符。
•材料选择:选取适合弧形门的材料,如木材、铁艺等。
确保材料质量良好、耐久,并且与周围环境相协调。
•开启方式:确定弧形门的开启方式,如单开、双开或滑动等。
根据实际需要选择合适的开启方式。
3. 准备工作在施工前,需要进行一些准备工作,以确保工程的顺利进行。
•施工团队:组建专业的施工团队,包括设计师、工程师和施工人员。
确保团队成员拥有丰富的经验和专业知识。
•材料准备:按照设计要求,准备好所需材料和工具。
确保材料的质量、数量和规格符合要求。
•施工现场准备:清理施工区域,确保施工区域平整、清洁,并做好防护措施,以确保施工安全。
4. 施工步骤4.1 框架制作•量取尺寸:根据设计要求,精确测量门洞的尺寸,包括高度、宽度和弧度等。
在纸上绘制出准确的门洞形状。
•制作门洞支撑结构:根据绘制的门洞形状,制作相应的门洞支撑结构。
可以使用木材或金属材料制作框架,确保结构牢固。
•安装门洞支撑结构:将制作好的门洞支撑结构安装到门洞上,使用螺丝或焊接固定,确保结构牢固稳定。
4.2 材料安装•安装门扇:根据门洞尺寸和设计要求,安装弧形门扇。
根据开启方式,安装门扇的铰链或滑动轨道。
•安装装饰件:根据设计要求,安装门扇上的装饰件,如玻璃、金属网或花纹等。
确保装饰件与门洞的整体风格相协调。
4.3 完善细节•涂装处理:根据设计要求,给门洞和门扇进行涂装处理。
确保涂装均匀、美观,并且具有防水、防腐等功能。
•加装硬件:根据需要,安装门扇上的硬件配件,如门锁、门把手和门铃等。
确保硬件配件质量好、易于使用。
建筑“弧形中的弧形”放样施工详解一、技术分析在介绍放样及施工方法前,我们先来做一个试验,我们拿一张A4纸张出来,首先沿长边作两条等高垂线,在垂线的端点作任意一段弧线,这样就类似形成一个门洞,我们沿图中紫色线将内部的部分剪去,如图一所示;然后,我们把A4纸卷成一个桶状,使得两条短边重合,如图二所示。
通过这个试验,我们就可以抽象的理解了,原来,弧形中的弧形,其原理还是平面中的弧形,我们有了这样的认识,那么,在实际的建筑工程中,我们得到的图纸信息是类似图二所示的图形效果,我们把它反过来思考问题,不就是可以解决问题了。
二、施工实例下面,我们就具体的建筑工程实例来具体施工吧!1、熟悉工程图纸(1)了解、熟悉工程图纸,根据本实例所需,我们只需要看部分图纸,就可以来做实际的施工任务了。
我提供了平面图和立面图来参考。
(2)平面图该圆弧部分有三跨,圆弧突出纵向轴线中间轴线,如平面图所示,在该圆弧立面上有三个圆弧门,如立面图所示。
(3)看完了平面图和立面图,我们就可以想象到它的立面造型吧,有了这些,我们就可以开展工作了。
2、计算圆弧数据(1)计算圆弧长度,我们根据圆弧长L=nπD/360依次计算出弧的总长度和每段角度所对应的小弧长度,以弧形梁的内弧半径计算,因为我们在施工过程中一般安装的是梁内侧模板;(2)计算出弧的长度后,就可以定出图纸上圆弧各个门、墙、柱的控制点;(3)在图纸上标志计算好的圆弧数据,在施工定位过程中要用到。
3、计算圆弧门数据(1)这时我们就联想到了上面的试验,将圆弧倒过来就是我们所需要用到的结果了。
(2)我们已经计算了各段圆弧所对应的弧的长度,先计算中间大圆弧门所对应的弧,它所对应的弧的角度是44.430,我们按照它的弧长结合门拱的立面标高用CAD 绘图软件1:1绘制出来,就如同我们把一段弧拉平后平铺在一个平面上面,如下施工辅助图:绘制完之后,我们就紫色圆弧门拱上面每隔400mm等分点,并量取出弧到等分点的垂直距离,方便我们放线施工。
弧形模板工程施工方案项目背景本工程承建方案是为了在某地区建设一座弧形模板工程,该工程主要包括道路、桥梁、隧道、排水系统、绿化等。
整个工程主要分为设计、施工、监理、项目管理等多个阶段,要求在合理的时间内按照施工计划完成,并确保施工质量。
施工内容1. 地基基础施工地基基础施工是整个工程的第一步,施工内容包括地基处理、地基填筑、基坑开挖等。
在地基处理方面,我们将采用土石方开挖和填方的施工方法,确保地基的稳固性和承载力。
同时,为了保证施工安全和质量,我们将在基坑开挖过程中设置支撑结构,避免坍塌和事故的发生。
2. 结构施工结构施工包括桥梁、隧道等部分的建设,这是整个工程的重点和难点。
在桥梁部分,我们将采用预制桥梁构件的施工方法,以加快施工进度和提高施工质量。
同时,在隧道部分,我们将采用隧道开挖、支护和衬砌的施工工艺,确保隧道的稳定和安全。
3. 道路施工道路施工是整个工程的关键环节,施工内容包括道路路基、路面、路缘、排水系统等。
在施工过程中,我们将严格按照设计要求和施工规范进行施工,确保道路的平整和耐久。
同时,为了提高施工效率和质量,我们将采用机械化施工和现代化技术,使道路施工更加快捷和精准。
4. 绿化施工绿化施工是整个工程的最后一个环节,该部分施工主要包括植树、种草、铺设草坪和建设花坛等。
在施工过程中,我们将选择具有地方特色的植物和花草进行种植,增加工程的美观性和生态性。
同时,我们也将采用科学的管理方法,确保绿化工程的成活率和长期维护。
施工流程1. 施工准备阶段在施工前,我们将根据设计图纸和相关规范对施工现场进行勘察和测量,确定施工范围和施工方案。
同时,我们还将购买或租赁施工所需的机械设备和施工材料,准备施工所需的人员和资源。
在施工准备阶段,我们还将组织培训工作人员,确保施工安全和施工质量。
2. 施工阶段在施工过程中,我们将根据施工计划和施工方案,合理安排施工顺序和施工任务,确保施工进度和施工质量。
同时,我们还将建立施工现场管理制度,严格执行安全生产和质量管理规定,确保施工安全和施工质量。
铝塑板圆弧门头施工方案1. 引言本文档介绍了铝塑板圆弧门头的施工方案。
铝塑板圆弧门头是一种常见的门头装饰材料,具有轻便、美观、耐用的特点,被广泛应用于商业楼宇、酒店、写字楼等建筑物的门头装饰中。
2. 施工准备施工前需准备的材料和工具有: - 铝塑板:选择适当尺寸和颜色的铝塑板,确保材质符合相关标准; - 切割工具:如电锯、电动切割机等; - 打孔工具:如电钻、手持钻等; - 安装工具:如螺丝刀、螺丝扳手等; - 强力胶水:用于固定铝塑板和其他构件的粘结剂; - 测量工具:如卷尺、水平仪等。
3. 施工步骤3.1. 测量与设计在施工前,需要先准确测量门头的尺寸,并根据设计图纸进行设计。
确定好每块铝塑板的尺寸和位置,以及圆弧的半径。
3.2. 切割铝塑板根据设计要求,使用切割工具将铝塑板切割成所需尺寸。
注意在切割过程中保持板材的平整,并使用防护措施避免产生尘埃。
3.3. 打孔和固定根据设计要求,在铝塑板上标记出打孔位置,并使用打孔工具进行打孔。
注意打孔的深度和角度,以确保后续的固定工作可以顺利进行。
然后,使用螺丝和螺丝扳手将铝塑板固定在门头骨架上。
3.4. 拼接与粘结根据设计要求,将各个铝塑板拼接在一起,并使用强力胶水粘结。
注意在粘结过程中,确保板材平整、无空隙,并使用夹具对板材进行固定,使其能够牢固粘结。
3.5. 完善细节施工完成后,对细节进行检查,并对可能出现的问题进行修正。
确保门头的整体效果和质量符合要求。
4. 安全注意事项在进行铝塑板圆弧门头施工时,需要注意以下安全事项: - 使用切割工具时,戴上护目镜和手套,避免意外伤害; - 操作打孔工具时,应将工具保持稳定,并保持工作区域清洁,以防意外事故发生; - 在使用强力胶水时,应避免直接接触皮肤和眼睛,如不慎接触,应立即用清水冲洗并就医。
5. 维护与保养铝塑板圆弧门头施工完成后,定期进行维护与保养,以延长其使用寿命。
主要措施包括: - 定期清洁门头,避免积尘和污渍; - 检查门头固定是否牢固,如有松动及时进行修复; - 检查铝塑板表面是否有损坏,如有需及时更换。
弧形闸门安装施工方案一、施工准备施工团队组建:组织专业的施工团队,包括闸门安装工人、机械操作手、质量检查员和安全监督员等。
设备材料准备:准备弧形闸门、吊装设备、安装工具、紧固件、密封材料等。
现场勘查:对施工现场进行详细勘查,了解地形地貌、水文条件、闸门安装位置等信息。
技术交底:对参与施工的人员进行技术交底,明确施工要求和注意事项。
二、闸门基础检查基础尺寸检查:确保闸门基础尺寸与设计要求一致,无变形、裂缝等缺陷。
基础平整度检查:检查基础表面是否平整,无杂物、积水等。
预留孔位检查:检查预留的螺栓孔、吊装孔等位置是否正确,尺寸是否合格。
三、闸门组装部件检查:检查闸门各部件是否完整,无损伤、变形等。
组装顺序:按照设计要求的顺序进行闸门组装,确保各部件连接紧密、牢固。
密封处理:对闸门密封面进行清洁处理,涂抹密封材料,确保密封性能。
四、闸门吊装吊装设备选择:根据闸门尺寸和重量选择合适的吊装设备。
吊装过程:在闸门上方设置吊装点,使用吊装设备将闸门平稳吊起,避免碰撞和振动。
定位安装:将闸门准确安装到预定位置,确保闸门与基础紧密结合。
五、闸门调试启闭调试:手动或自动启闭闸门,检查启闭是否顺畅,无卡阻现象。
密封性测试:在闸门关闭状态下进行密封性测试,确保闸门密封性能良好。
调整优化:根据调试结果对闸门进行调整优化,提高运行效率和使用寿命。
六、安全保障措施安全培训:对施工人员进行安全培训,提高安全意识。
现场安全标识:在施工现场设置明显的安全标识和警示标志。
安全监控:对施工现场进行安全监控,及时发现和处理安全隐患。
七、质量验收标准闸门尺寸精度:闸门尺寸应符合设计要求,误差在允许范围内。
密封性能:闸门关闭时应具有良好的密封性能,无渗漏现象。
启闭性能:闸门启闭应顺畅,无卡阻、迟滞等现象。
八、环境保护措施施工噪声控制:采取低噪声施工设备和工艺,减少对周围环境的噪声污染。
废弃物处理:对施工产生的废弃物进行分类处理,可回收的废弃物进行回收利用,不可回收的废弃物按照相关规定进行无害化处理。
门叶分节制作弧形工作闸门精确安装施工工法一、前言门叶分节制作弧形工作闸门是一种精确安装施工工法,通过将工作闸门分为若干门叶,并对每个门叶进行分节制作,以满足弧形门洞的要求,使其与现有结构相匹配。
这种工法具有一定的特点和适应范围,需要采取相应的技术措施和质量控制措施,同时还需注意施工过程中的安全问题。
本文将对该工法的工艺原理、施工工艺、劳动组织、机具设备、质量控制、安全措施和经济技术分析进行详细介绍,并给出一个工程实例。
二、工法特点门叶分节制作弧形工作闸门的特点主要体现在以下几个方面:1. 精确度高:采用分节制作的方式,可以根据实际情况对每个门叶进行精确的加工和安装,保证闸门与弧形门洞的贴合度,提高使用效果。
2. 灵活性强:由于每个门叶是单独制作的,所以对于各种形状和尺寸的弧形门洞都可以比较灵活地进行适应。
3. 施工周期短:相比于传统制作方式,门叶分节制作可以减少制作时间,提高施工效率,缩短施工周期。
4. 施工质量可控性强:通过对每个门叶的制作和安装进行精确的质量控制,可以确保施工质量达到设计要求。
5. 适用性广:适用于各种弧形门洞,广泛应用于水利、交通、建筑等领域。
三、适应范围门叶分节制作弧形工作闸门适用于各种弧形门洞,尤其适用于弧形门洞直径较大或要求精确度较高的工程。
适用范围包括但不限于水利工程、港口工程、堤坝工程、市政工程等。
四、工艺原理工艺原理主要包括施工工法与实际工程之间的联系和采取的技术措施。
该工法的实施基于如下原理:1.分节制作:根据实际工程需求,将整个工作闸门分为若干门叶,每个门叶独立制作,保证制作工艺度和精度。
2. 弧形门洞要求:根据实际测量的弧形门洞要求,确定每个门叶的形状和尺寸,以满足弧形门洞的要求。
3. 材料选择:根据不同的工程要求,选择适合的材料,保证门叶的强度和耐久性。
4. 精确安装:根据门叶的制作要求和实际情况进行精确安装,保证闸门与弧形门洞的贴合度和运行平稳性。
五、施工工艺施工工艺包括施工过程中的每一个细节,主要包括以下步骤:1. 前期准备:包括材料准备、测量弧形门洞、制作门叶模板等工作。
一、工程概况本项目为某地区圆弧建筑,占地面积10000平方米,总建筑面积15000平方米。
建筑主体采用圆弧造型,结构形式为钢筋混凝土框架结构。
工程包含基础工程、主体结构工程、屋面工程、装饰装修工程、设备安装工程等。
二、施工组织设计1. 施工准备(1)人员准备:组织专业施工队伍,明确各工种人员职责,进行技术培训和安全教育。
(2)材料准备:根据设计要求,采购符合质量标准的钢筋、水泥、混凝土、钢材、木材等建筑材料。
(3)设备准备:配备施工机械、设备,如搅拌机、混凝土泵、钢筋加工设备、模板等。
2. 施工工艺(1)基础工程1)土方开挖:按照设计要求,进行土方开挖,确保土方质量。
2)基础垫层:铺设C15混凝土垫层,厚度为100mm。
3)基础主体:采用C25混凝土浇筑,确保混凝土强度和密实度。
(2)主体结构工程1)钢筋工程:根据设计图纸,加工制作钢筋,确保钢筋规格、间距、锚固长度等符合要求。
2)模板工程:采用圆弧模板,确保模板的安装、拆除、加固、支撑等符合规范。
3)混凝土工程:采用混凝土泵车浇筑混凝土,确保混凝土的均匀性和密实度。
(3)屋面工程1)防水层:采用SBS改性沥青防水卷材,进行屋面防水处理。
2)保温层:采用挤塑板作为保温材料,厚度为100mm。
3)屋面面层:采用陶瓷瓦或彩钢瓦,进行屋面面层施工。
(4)装饰装修工程1)外墙:采用干挂石材,进行外墙装饰。
2)内墙:采用乳胶漆、壁纸等材料进行内墙装饰。
3)地面:采用瓷砖、地砖等材料进行地面铺设。
(5)设备安装工程1)给排水工程:按照设计要求,安装给排水管道,进行管道试压、冲洗。
2)电气工程:安装照明、插座、开关等电气设备,进行电气系统调试。
3)通风空调工程:安装通风管道、空调机组等设备,进行通风空调系统调试。
三、施工进度计划1. 施工前期:完成施工准备、人员培训、材料设备采购等工作。
2. 施工阶段:按照施工工艺,分阶段完成基础工程、主体结构工程、屋面工程、装饰装修工程、设备安装工程等。
圆弧状模板施工工艺说起圆弧状模板施工工艺,那可真是一门独特的技艺!就像画家精心勾勒出完美的弧线,咱们这施工也得讲究个精准和美妙。
你想啊,圆弧状的模板,它可不是随随便便就能搞定的。
这就好比做一个精致的蛋糕,每一步都得小心翼翼,稍有差池,这“蛋糕”可就不漂亮了。
在开始施工前,得把准备工作做足。
材料的选择那可是关键中的关键!要是材料不过关,就好像战士上战场拿了把钝刀,能打赢才怪呢!得选那种质量好、强度高的模板材料,这样才能保证在施工过程中不变形、不开裂。
然后就是测量放线啦。
这就像是给模特量体裁衣,尺寸必须得精确到毫米。
稍有偏差,那圆弧就不圆润了,看起来就别扭得很。
支模的时候,那可得有耐心和细心。
就跟搭积木似的,一块一块地拼,还得保证每一块都在正确的位置上。
这要是粗心大意,拼出来的东西能好看吗?模板的固定也不能马虎。
好比是给风筝系线,线系得不牢,风筝能飞得稳吗?固定不好模板,施工的时候出问题,那可就麻烦大了。
混凝土浇筑的时候,那更是要小心谨慎。
这就像给花浇水,得均匀、得适度。
浇多了,模板承受不住;浇少了,质量又不行。
振捣混凝土也是个技术活。
这就像给面团揉面,得把里面的气泡都赶跑,让混凝土变得密实、坚固。
等到混凝土凝固了,拆模的时候也得小心。
这就像是拆礼物,动作得轻柔,不然把礼物弄坏了,多可惜呀!总之,圆弧状模板施工工艺,每一个环节都不能掉以轻心。
只有把每一步都做到位,才能做出漂亮、坚固的圆弧状结构。
这可不是闹着玩的,得用心、得专注,才能交出一份满意的答卷!。
弧门制作施工组织设计1. 引言本文档旨在详细描述弧门制作施工组织设计的步骤和流程。
弧门作为一种常见的建筑构件,在建筑和工程领域具有广泛的应用。
合理的施工组织设计对于保证施工质量、提高效率和减少风险具有重要意义。
2. 施工组织设计步骤2.1. 调查和研究在开始施工组织设计之前,需要进行充分的调查和研究工作。
这包括对弧门的设计要求、施工条件、材料特性以及施工工艺等方面的调查和研究。
2.2. 制定施工计划根据调查和研究的结果,制定弧门制作的施工计划。
施工计划应包括施工的时间安排、施工人员和设备的配备、施工区域的划分等内容。
2.3. 确定施工流程根据施工计划,确定弧门制作的施工流程。
施工流程应包括准备工作、施工材料的准备、施工工艺的操作步骤等内容。
2.4. 确定施工人员和设备根据施工计划和施工流程,确定所需的施工人员和设备。
施工人员应具备相关的技术和经验,设备应符合施工的要求。
2.5. 安全措施在施工组织设计中,安全是一个非常重要的考虑因素。
需要制定合适的安全措施,包括施工人员的安全培训、施工现场的安全警示标志和安全防护设施等内容。
3. 弧门制作施工组织设计示例3.1. 调查和研究在这个示例中,我们假设需要制作一扇室内弧形玻璃门。
首先,我们需要调查和研究相关的设计要求,包括门的尺寸、材料要求和安装位置等。
同时,还需要了解玻璃门的施工工艺和特点。
3.2. 制定施工计划根据调查和研究的结果,制定弧形玻璃门的施工计划。
该计划应包括玻璃门的制作时间、施工人员的人数和设备的配备等内容。
3.3. 确定施工流程根据施工计划,确定弧形玻璃门的施工流程。
施工流程应包括准备玻璃门材料、测量尺寸、制作门框、安装玻璃等操作步骤。
3.4. 确定施工人员和设备根据施工计划和施工流程,确定所需的施工人员和设备。
施工人员应包括玻璃门制作和安装的技术工人,设备应包括玻璃切割机和安装工具等。
3.5. 安全措施在制作和安装玻璃门的过程中,需要注意安全措施。
圆弧门洞装修方法
圆弧门洞是现代家居中常见的一种装修方式,其优雅的曲线和流畅的线条给人以舒适和温馨的感觉。
然而,由于其特殊的形状,圆弧门洞的装修比较繁琐,需要一定的技巧和经验。
第一步:测量
测量是圆弧门洞装修的第一步,必须要准确。
首先,在门洞上方固定一条横杆,然后在横杆上放置一个矩形的木板,与门框接触。
用一根铁丝绕着门框,将门洞的弧形轮廓描绘出来。
然后将矩形木板取下,放在地面上,用圆规沿着铁丝描绘出门洞的弧形轮廓。
最后,将圆弧门洞的尺寸和形状记录下来,以备后续装修使用。
第二步:制作门框
在制作门框时,我们需要使用弯曲的木材,以符合门洞的弧形轮廓。
首先,将木材的两端修剪成圆形,使其可以更好地贴合门洞的曲线形状,然后将木材用热水浸泡一段时间,使其变得柔软。
接着,将木材弯曲成圆弧形状,并用夹子固定在门洞上,直至其干燥固定。
这样制作出的门框可以完美地贴合门洞的弧形轮廓。
第三步:装修门框
门框制作完成后,需要进行装修。
首先,在门框上覆盖一层底漆,让木材更加光滑,然后进行打磨,以去除木材表面的凹凸不平。
接着,使用木饰条或其他材料装饰门框的边缘,使其更加美观。
最后,进行涂漆,使门框与房间的整体装修风格相协调。
圆弧门洞的装修需要一定的技巧和经验,但只要按照以上步骤进
行操作,就可以轻松完成一个美观的圆弧门洞装修。
绿城蓝湾小镇威斯汀度假酒店SPA区精装修工程
圆
弧
形
石
材
门
套
专
项
施
工
方
案
编制单位:上海滨晟建筑装饰设计工程有限公司
编制:审核:审批:
编制日期:年月日
目录
1、材料准备及要求 (3)
2、施工机具准备 (3)
3、施工作业条件 (3)
4、施工工艺 (4)
5、质量标准 (6)
6、成品保护 (7)
7、施工应注意的质量问题 (7)
1.材料准备及要求
1.1.石材定货加工:按照设计确定的门洞石材及石材样品对石材进行翻样、定货加工。
必须注意加工的质量,它关系到现场的施工质量。
1.2.石材进场检查:石材进场时必须按照设计要求的饰面石材规格、品种、颜色、花纹进行检查,石材质量必须满足设计要求。
石材具有合格证和检验报告。
检查合格后按照石材排版图对石材进行编号保存备用。
1.3.钢骨架:干挂石材使用的钢骨架主要材料有50热镀锌角钢,按照设计要求规格准备齐全,使用的角钢必须有合格证、检验报告,材质符合设计要求。
1.4.其他配件:根据设计要求选择好挂件、挂件与骨架的固定螺栓Φ12,要求挂件和螺栓具有合格证,挂件具有受力的试验报告。
并运至现场后及时检验、保存。
5.1.5.按照现场情况及设计要求准备好膨胀螺栓Φ12、填缝胶等辅助性材料。
2.施工机具准备
主要有冲击钻、手枪钻、云石机、磨光机、活动扳手、水平尺、铝合金靠尺、白线、钢卷尺、铁锤、笤帚、凿子、胶枪、壁纸刀、棉纱、小桶、铁锹、灰盆、钳子等。
3.施工作业相关条件
3.1.结构经验收合格,水电、通风、设备安装等应提前完成,并准备好加工石材的场地、水电源等前提条件。
3.2.室内施工脚手架等作业条件,以及运输设备的设立。
3.3.对石材要保存好,避免日晒雨淋,在石材下垫木方,并核对数量、规格,并预铺、配花、编号等备用。
3.4.对现场的石材必须进行挑选,对色差较大的不能施工,现场要对每一块石材的质量进行检查。
4.施工工序
4.1.工艺流程
控制放线——石材排版放线——挑选石材——预排石材——打膨胀螺栓——安装钢骨架——安装调节片——石材开槽——石材固定——打胶——调整——成品保护
4.2.施工技术措施
4.2.1.基层处理:门洞基层表面用笤帚清理干净,局部有影响骨架安装的凸出部分要剔凿干净。
饰面基层、构造层的强度、密实度符合设计规范要求。
根据装饰墙面的位置检查墙体,是否有局部剔凿,保证装饰厚度。
4.2.2.放控制线:门洞石材干挂施工前必须按照设计标高要求在门洞上弹出1000mm水平控制线,并在门洞石做上控制桩,根据弧形石材分隔图弹线,确定金属胀管安装位置。
4.2.3.挑选石材:石材进货到现场必须对其材质、加工质量、花纹、尺寸等要求进行检查,并将色差较大、缺楞吊角、崩边等有缺陷的石材挑出、更换。
4.2.4.预排石材:将挑选出来的弧形石材按照使用的部位和安装顺序
进行编号,并进行预排,检查拼接出来的板块是否有色差和满足现场尺寸的要求,完成此项工作后将板材按编号存放好备用。
4.2.
5.打膨胀螺栓孔:按照设计的石材排版和骨架设计要求确定膨胀螺栓的间距划好打孔点,用手枪钻在结构上打出孔洞以便于安装膨胀螺栓,孔洞的大小按照膨胀螺栓的规格做,间距一般控制在500mm 左右。
4.2.6.安装骨架:干挂石材按设计规定做型钢骨架,按设计要求焊制骨架网;局部可以直接采用挂件与墙体连接。
骨架安装之前按照设计和排版要求的尺寸下料,用台钻打好骨架的安装孔并刷防锈漆处理,完成上述处理后按照墙面上的控制线用Φ12的膨胀螺栓固定在墙面上,使骨架与墙体连接,要求焊接质量符合规范规定,一般要求满焊,除去焊渣补刷防锈漆。
角钢为L50*50*5。
安装骨架注意其垂直度和平整度,并拉线控制其弧度。
4.2.7.安装调节片:调节片安装是依据石材的板块规格确定的,调节挂件采用不锈钢制成,分为40mm*3和50mm*5,按照设计要求进行加工。
利用螺丝与骨架连接,注意调节挂件一定要安装牢固。
4.2.8.石材开槽:安装石材前用云石机在石材的侧面开槽,开槽深度依照挂件的尺寸进行,一般要求不小于1cm并且在板材后侧边中心,为了保证开槽不崩边,开槽距边缘距离为1/4边长且不小于50mm,并将槽内的石灰清理干净以保证灌胶粘结牢固。
4.2.9.石材安装:石材安装是从底层开始,吊好垂直线,然后依次向上安装。
必须对石材的材质、颜色、纹路、加工尺寸进行检查,按照
的石材编号将石材轻放在T型挂件上,按线就位后调整准确位置,并立即清孔,槽内注入耐候胶,要求锚固胶保证有4-8小时的凝固时间,以避免过早凝固而脆裂,过慢凝固而松动,板材垂直度、平整度、拉线校正后扳紧螺栓。
安装时注意各种石材的交接和接口,保证石材安装交圈。
4.2.10.打胶:对于要求密缝的石材拼接不用打胶;设计要求留缝的墙面,需要在缝内填入泡沫条后用有颜色的大理石胶打入缝隙内。
为了保证打胶的质量,用事先准备好的泡沫条塞入石材缝隙,预留好打胶尺寸,既不需要太深,也不需要太浅,要求密实,并在石材的边缘贴上胶带纸然后打胶,一般要求打胶深度在6-10mm保证雨水不能进入骨架内即可。
待完成后轻轻将胶带纸撕掉使打胶边成一条直线。
4.2.11.清理:勾缝或打胶完毕后,用棉纱等物对石材表面清理,干挂也须待胶凝固后,再用壁纸刀、棉纱等物对石材表面清理。
需要打蜡的一般应按照使用蜡的操作方法进行,原则上应烫硬蜡,擦软蜡,要求均匀不露底色,色泽一致,表面整洁。
5.质量标准
5.1.保证项目
5.1.1.大理石等的品种、规格、颜色、图案必须符合设计要求和施工规范之规定。
5.1.2.饰面板安装必须牢固、严禁歪斜、缺楞掉角和裂缝等缺陷。
5.1.3.安装骨架必须按照设计要求和施工规范规定固定和焊接,保证钢骨架的牢固耐久性,防锈处理到位。
5.2.基本项目:
5.2.1.表面:弧度圆润平整、洁净、颜色协调一致。
5.2.2.接缝:填嵌密实、平直,宽窄一致,颜色一致,阴阳角处板的压向正确,非整板的使用部位适宜。
5.2.3坡向、滴水线:流水坡向正确;滴水线顺直。
6.成品保护
6.1.运输石材时应特别小心,避免磕碰边角,必要时用地毯与软物等包住边角。
6.2.堆放石材要整齐牢固,堆放位置要在房间选好,避免来回搬运及雨淋,石材堆放要75度立着堆放,下面用木方固定,且石材要光面对光面放置。
6.3.施工完后,应做好警示牌或设置防护栏杆,特别是柱、墙阳角等处避免来回运输磕碰石材。
6.4.打胶时应避免在房间灰尘时进行,必要时先清扫房间,打胶控制在打蜡前进行。
6.5.在施工过程中垃圾应随时清理,作到工完场清,责任到人,将罚分明。
6.6.应设专职成品保护人员,制定成品保护制度并严格执行。
7.施工时注意的质量问题
7.1.接缝不平、板面纹理不顺、色泽不匀、弧度弯曲。
原因分析:对石材的检验不严格、预埋件弧度不均、镶贴前试拼不认
真;施工不当。
防治措施:
7.1.1.镶贴前先检查墙门洞的骨架的弧度,超过规定的必须整改,操作时严格按照工序施工。
7.1.2.挂石材前对门洞找好规矩,弹出中心线和水平通线,地面上弹出门洞饰面控制线。
7.1.3.事先将缺边掉角、裂纹和局部污染变色的石材挑出,进行套方检查,规格尺寸超过偏差,应磨边修正。
7.1.4.按照门洞进行试拼,对好颜色,调整花纹,试板与板之间的文理通顺,按照编号挂贴。
7.1.5.调整好骨架的牢固和稳定,挂件调整准确。
7.2.开裂
原因分析:石材本身的材质较差,纹理多,存放不正确受外力作用在色纹和暗缝或其他暗伤等薄弱处,易产生不规则裂缝。
防治措施:
7.2.1.施工前对石材本身的材质质量进行全面的检查,对容易造成裂缝的石材挑选出来。
7.2.2.安装应严格按照施工程序,待第一层的固定胶达到强度后进行第二层安装,同时缝与缝之间结合紧密。
7.2.3.注意钢骨架的牢固和稳定性防止骨架不稳造成拉裂。
7.3.打胶出现接头,胶缝不直,厚度不够
原因分析:操作时没有认真作业,方法不对,泡沫棒填得太浅。
防治措施:施工时打胶要一气呵成不要停顿,打胶时控制边缘的界限保证胶边成一条直线。
打胶厚度不能少于6mm,主要控制泡沫棒的嵌入度。
7.4.门洞碰损、污染
原因分析:主要是石材搬运、堆放中不妥当;操作中没有及时清洗污染;安装成品未进行保护。
防治措施:
7.4.1.石材质地较软搬运时要注意防止正面受损。
7.4.2.大理石颗粒有一定的空隙和染色能力,因此不能草绳、草帘捆扎,注意不要受其他污染。
7.4.3.安装完成后采用木板或塑料布进行保护。
细小掉角处用环氧树脂胶清洗干净。