MQE80+80t-38m-14m龙门吊计算书
- 格式:doc
- 大小:713.50 KB
- 文档页数:14
80T龙门吊检算一、概况二、龙门吊的设置根据施工要求,我标段设置80T龙门吊2台,10T龙门吊1台,以保证施工进度。
以下对80T 龙门吊设计进行检算。
我段箱梁自重140T (以最大箱梁考虑),滑轮和钢丝绳重约2t,合计72 吨,考虑动载系数,计算起重量为:吨(系数怎么来) 这样龙门吊起重重量75吨设置。
三、龙门吊的主要参数起重重量Q=75吨,跨度LK=34米,起升高度H=9米,天车重W=6吨。
四、强度检算1 、横梁主梁全长36.8 米,双列,每列分三节。
梁节通过销轴、销板连接,两列梁间通过梁连接架连为一体。
下面由梁座 (由槽钢和钢板焊成) 和主副支腿架连接。
横梁自重:G=36.8*1.2=44.2 吨( 1 ) 静荷载横梁的静荷载为横梁的自重,可视为均布荷载q=G<10KN/34m=13KN/m ;故Mmax 静=ql2/8=13 %4X 34吒=1878.5KN?mQmax 静=ql/2=13 34/2=221KN( 2) 动荷载动荷载系数K 动,工作荷载P=1.011 X( 750+60) 。
故Mmax 动=PL/4=818.9 >34/4=6960.7KN?mQmax 动( 3) 总荷载Mmax =Mmax 静+Mmax 动=8839.2KN?mQmax =Qmax 静+Qmax 动( 4) 容许强度[M]= 9618.8KN?m;。
( 5) 结论[M] > Mmax ;[Q] > Qmax 满足要求。
( 6) 挠度计算横梁采用钢结构强性模量:E=2.1%06(Kg?cm2 )惯性矩:J=3464606.4 (cm) 均布恒载最大挠f1 max=5ql4/384EJ=5*1 3*3400*3400*3400*3400/384/E/J=3.1 09cm 集中荷载最大挠度:f2max=PL3/(48EJ)由销孔间隙引起的挠度f3max:销孔间隙厶L=0.15cm 节数n=6 桁高h=100cm 跨长L=34md © =%L/h=0.018rad © = .032R=h(L- n △ L)/ 2n △f3max=(R+h)(1-cos( © /2))7=.86cm,横梁总挠度:( 7) 大车运行机构计算龙门吊在运行时电机必须克服摩擦阻力、道路坡度阻力和风阻力。
计算书目录第1章计算书 (1)1.1 龙门吊轨道基础、车挡设计验算 (1)1.1.1 龙门吊走行轨钢轨型号选择计算 (1)1.1.2 龙门吊轨道基础承载力验算 (2)1.1.3 龙门吊轨道基础地基承载力验算 (2)1.2 吊装设备及吊具验算 (3)1.2.1 汽车吊选型思路 (3)1.2.2 汽车吊负荷计算 (4)1.2.3 汽车吊选型 (4)1.2.4 钢丝绳选择校核 (5)1.2.5 卸扣的选择校核 (5)1.2.6 绳卡的选择校核 (6)1.3 汽车吊抗倾覆验算 (7)1.4 地基承载力验算 (7)第1章计算书1.1 龙门吊轨道基础、车挡设计验算MG85-39-11龙门吊,龙门吊跨径改装修整为37m,每台最大起吊能力为85T。
上纵梁为三角桁架,整机运行速度6m/min,小车运行速度5m/min,整机重量60T。
1#梁场最大梁重137T,设置两台MG85龙门吊,最大起吊能力170T,可以满足使用要求。
本方案地基基础梁总计受力:M=137+60×2=257TF=M*g=257T×9.8N/kg=2519kN2台龙门吊共计有8个支点,则每个支点受力:P=F/8=315kN85T满负荷运转(吊装170T)时,Pmax=(85+60)T×9.8N/kg/4=355kN。
1.1.1 龙门吊走行轨钢轨型号选择计算确定龙门吊走行轨上的钢轨,计算方式有两种,二者取较大值:方式一:根据《路桥施工计算手册》计算:g1=2P+v/8=2×315+(6×60/1000/8)=630kN/m方式二:根据《吊车轨道联结及车挡(适用于混凝土结构)》中“总说明4.3公式(1)”计算:P d=1.05×1.4×1.15×315=533kN/m;满负荷运转时:g1max=2×355+(20×60/1000/8)=710kN/m;P d max=1.05×1.4×1.15×355=600kN。
龙门吊计算书-CAL-FENGHAI.-(YICAI)-Company One1计算书目录第1章计算书................................................................ 错误!未定义书签。
龙门吊轨道基础、车挡设计验算......................... 错误!未定义书签。
龙门吊走行轨钢轨型号选择计算..................... 错误!未定义书签。
龙门吊轨道基础承载力验算......................... 错误!未定义书签。
龙门吊轨道基础地基承载力验算..................... 错误!未定义书签。
吊装设备及吊具验算................................... 错误!未定义书签。
汽车吊选型思路................................... 错误!未定义书签。
汽车吊负荷计算................................... 错误!未定义书签。
汽车吊选型....................................... 错误!未定义书签。
钢丝绳选择校核................................... 错误!未定义书签。
卸扣的选择校核................................... 错误!未定义书签。
绳卡的选择校核................................... 错误!未定义书签。
汽车吊抗倾覆验算..................................... 错误!未定义书签。
地基承载力验算....................................... 错误!未定义书签。
第1章计算书1.1 龙门吊轨道基础、车挡设计验算MG85-39-11龙门吊,龙门吊跨径改装修整为37m,每台最大起吊能力为85T。
龙门架设计计算书一.受力验算龙门架设计吊重为100T,龙门架为固定吊点形式。
龙门架设计宽度为34米,龙门架的高度设计为9米,横梁采用贝雷架架形式,立柱采用480*14的钢管,立柱斜撑采用219*12的钢管。
龙门架只对最不利部位进行验算。
(一)、荷载情况荷载图弯矩图3-3弯矩图2-2剪力图2-2剪力图3-3轴力图(1)横梁应力验算在P=1000KN 荷载作用下,由SAP2000计算出横梁应力,最不利位置在左边3.8米处。
最大弯矩:M max =5.94KN.m 最大剪力:Q max =70.1KN 最大轴力: N MAX =131KN 轴心受拉MPa mN N 4.511074.12210131A 243=⨯⨯⨯=- 抗弯强度验算MPa m N M 4.75104.3921094.5W 363=⨯⨯⨯=- б=[])16(2008.1264.514.75WMn MPa MPa M A N =<=+=+σ 抗弯强度满足要求 抗剪强度验算MPa MPa mm m N b I S Q 120][26.400106.0103.1982105.23101.70··48363=<=⨯⨯⨯⨯⨯⨯==--ττ抗剪强度满足要求 换算应力MPa 7.14426.4038.12632222=⨯+=+τσ<1.1[б]=220 MPa强度满足要求 刚度验算f max =69mm<L/400=3400/400=85mm 刚度满足要求。
(2)对端部处验算:贝雷架原有杆件不能满足要求,加工异型杆件,采用20的槽钢(16Mn )最大弯矩:M max =60.9KN.m 最大剪力:Q max =176.9KN 最大轴力: N MAX =52.2KN 轴心受拉MPa mN N 1.91083.282102.52A 243=⨯⨯⨯=- 抗弯强度验算MPa mN M 1.171101782109.60W 363=⨯⨯⨯=- б=[])16(2001.1801.91.171WMn MPa MPa M A N =<=+=+σ 抗弯强度满足要求 抗剪强度验算MPa MPa mm m N b I S Q 120][9.10014.0104.17802107.104102.52··48363=<=⨯⨯⨯⨯⨯⨯==--ττ抗剪强度满足要求 换算应力MPa 1819.1031.18032222=⨯+=+τσ<1.1[б]=220 MPa强度满足要求(3)对分配梁进行验算:2根25B 型工字钢 最大弯矩:M max =116.3KN.m 最大剪力:Q max =609KN 抗弯强度验算MPa mN M 8.137102.4222103.116W 363=⨯⨯⨯=- [б]=140 MPa 抗弯强度满足要求 抗剪强度验算MPa MPa mm m N b I S Q 110][04.7102.010********.24610609··48363=<=⨯⨯⨯⨯⨯⨯==--ττ 抗剪强度满足要求 (4) 立柱验算最大轴力: N MAX =649KN 最大挠度:f max =2mm 回转半径: cm r 48.16= 长 细 比:6.5448.169000===r l λ 查表得构件纵向弯曲系数:φ=0.854MPa MPa A N 18.145170854.0][7.311096.2041064943=⨯=<=⨯⨯=-σφ 整体稳定性能够保证刚度验算f max =2mm<L/600=9000/600=15mm刚度满足要求。
广东省龙川至怀集公路TJ31标钢筋加工厂龙门吊基础计算书1、龙门吊基础设计方案我项目钢筋加工厂龙门吊为24m宽,有效起重重量为10T,龙门吊为MH-10-24型,该龙门吊起吊能力为10T的门吊,门吊自重按12T计算。
基础采用条形基础,每隔10m设置一道2cm宽的沉降缝,宽100cm,高50cm,基础采用C20砼,纵向受力钢筋采用两层共六根Φ12mm带肋钢筋,箍筋采用Φ10mm光圆钢筋,箍筋间距为200mm,具体尺寸如图1-1,1-2所示。
图1-2 龙门吊轨道基础断面图2、基底地质情况基底为较软弱的红粘土,经实测地基承载力为160~180Kpa ,采用换填的方法提高地基承载力,基底换填0.3m 厚的碎石渣,未压实,按松散考虑,地基基本承载力为σ0为180kPa ,在承载力计算时取最小值160Kp 。
查《路桥施工计算手册》中碎石渣的变形模量E 0=29~65MPa ,红粘土的变形模量E 016~39MPa,为安全起见,取碎石渣的变形模量E 0=29 MPa ,红粘粘土16MPa 。
3、建模计算3.1、力学模型简化基础内力计算按弹性地基梁计算,用有限元软件Midas Civil2010进行模拟计算。
即把钢筋砼梁看成梁单元,将地基看成弹性支承。
龙门吊自重按12T 计算,总重22T ,两个受力点,单点受集中力11T ,基础梁按10m 长计算。
具体见图3-3。
图3-1 力学简化模型3.2、弹性支撑刚度推导根据《路桥施工计算手册》可知,荷载板下应力P 与沉降量S 存在如下关系:230(1)10cr P b E s ωυ-=-⨯其中:E0-----------地基土的变形模量,MPa ;ω-----------沉降量系数,刚性正方形板荷载板ω=0.88;刚性圆形荷载板ω=0.79;ν-----------地基土的泊松比,为有侧涨竖向压缩土的侧向应变与竖向压缩应变的比值;Pcr-----------p-s 曲线直线终点所对应的应力,MPa ;s-------------与直线段终点所对应的沉降量,mm ;b-------------承压板宽度或直径,mm ;不妨假定地基的变形一直处在直线段,这样考虑是比较保守也是可行的。
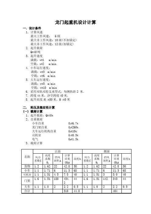
龙门起重机设计计算一.设计条件1. 计算风速最大工作风速: 6级最大非工作风速:10级(不加锚定)最大非工作风速:12级(加锚定)2. 起升载荷Q=40吨3. 起升速度满载:v=1 m/min空载:v=2 m/min4.小车运行速度:满载:v=3 m/min空载:v=6 m/min5.大车运行速度:满载:v=5 m/min空载:v=10 m/min6.采用双轨双轮支承型式,每侧轨距2 米。
7.跨度44米,净空跨度40米。
8.起升高度:H上=50米,H下=5米二.轮压及稳定性计算(一) 载荷计算1.起升载荷:Q=40t2.自重载荷小车自重 G1=6.7t龙门架自重 G2=260t大车运行机构自重 G3=10t司机室 G4=0.5t电气 G5=1.5t 3.载荷计算工作风压:qⅠ=114 N/m2qⅡ=190 N/m2qⅢ=800 N/m2(10级)qⅢ=1000 N/m2(12级)正面: FwⅠ=518x114N=5.91410⨯NFwⅡ=518x190N=9.86410⨯NFwⅢ=518x800N=41.44410⨯N (10级)FwⅢ=518x1000N=51.8410⨯N (12级)侧面:FwⅠ=4.61410⨯NFwⅡ=7.68410⨯NFwⅢ=32.34410⨯N (10级)FwⅢ=40.43410⨯N (12级)(二)轮压计算1.小车位于最外端,Ⅱ类风垂直于龙门吊正面吹大车, 运行机构起制动,并考虑惯性力的方向与风载方向相同。
龙门吊自重:G=G1+ G2+G3+G4+G5=6.7+260+10+2=278.7t起升载荷: Q=40t水平风载荷:FwⅡ=9.86t水平风载荷对轨道面的力矩:MwⅡ=9.86 X 44.8=441.7 tm水平惯性力:Fa=(G+Q) X a=(278.7+40) X 0.2 X 1000= 6.37 X 10000 N=6.37 t水平惯性力对轨道面的力矩:Ma= 6.37 X 44=280.3tm总的水平力力矩: M1 = Ma+ MwⅡ=722 tm小车对中心线的力矩:M2=(6.7+40)X 16=747.2tm最大腿压: Pmax =0.25 (G+Q) + M1/2L + Mq/2K=0.25 ⨯318.7 + 722.0/48 + 747.2/84 =79.675+15.04+8.9=103.6t最大工作轮压:R max = P max /4 =25.9t =26t(三) 稳定性计算工况1:无风、静载,由于起升载荷在倾覆边内侧, 故满足∑M ≧0 工况2:有风、动载,∑M=0.95 ⨯ (278.7+40) ⨯ 12-628.3 =3004.9 >0工况3:突然卸载或吊具脱落,按规范不需验算 工况4:10级风袭击下的非工作状态:∑M=0.95 ⨯ 278.7 ⨯12 – 1.15 ⨯ 41.44 ⨯44=3177.2-2668.7 =1080.3>0 飓风袭击下:∑M=0.95 ⨯ 278.8 ⨯12 –1.15 ⨯ 51.8 ⨯ 44.8 =508.5>0为防止龙门吊倾覆或移动,龙门吊设置风缆。
MQE80+80t-38m-14m龙门吊计算书MQE80+80/10-38通用门式起重机设计计算书南京南京登峰起重设备制造有限公司2021年10月南京登峰起重设备制造有限公司MQE80t+80/10t-38m-14m型龙门起重机设计计算书1、设计依据1.1《钢结构设计规范》(GBJ17-88)1.2《起重机设计规范》(GB3811-83)1.3《公路桥涵设计通用规范》(JTJ021-90)2、总体设计方案:主梁采用单主梁桁架结构;支腿采用无缝钢管焊接;采用两刚性支腿设计;支腿均衡梁设置在离大车轨道高5.2m处,满足运梁炮车从支腿端面运梁;两侧支腿均满足运梁跑车的通过;起重系统采用2台80t吊重小车,每台吊重小车上设置2台卷扬机,卷扬机在主梁两侧下绳;配铁路2201“T”梁专用吊具;每台龙门吊设一台10t电动葫芦副钩,电动葫芦满足单边有效悬臂3.5m的要求,电动葫芦轨道采用法兰与下平联槽钢连接;起重机设置Z字型爬梯上下司机室;设置电动葫芦检修平台。
详细方案见图 MQE16038-00-00-0003、主要性能参数3.1额定起重量:80t+80t3.1.1当两小车在距跨中各15处,两小车抬吊160t,小车定点起吊,不运行; 3.1.2当两小车在距跨中各11处,两小车抬吊120t,小车定点起吊,不运行; 3.1.3当两小车在距跨中各9处,两小车抬吊90t,小车定点起吊,不运行; 3.1.4当一台小车在跨中处,最大起重量50t,小车可运行; 3.2大车走行轨距:38m 3.3吊梁起落速度:0.9m/min 3.4起升高度:14m 3.5吊梁小车运行速度: 6.7m/min3.6 整机运行速度: 0-10m/min(重载);0-20m/min (空载); 3.7 适应坡度:±1% 3.8 电葫芦额定起重量: 10t 3.9 电葫芦起升高度:18m 3.10电葫芦运行速度: 20m/min 3.11电葫芦起升速度:7m/min 3.12整机运行轨道:单轨P504、起重机结构组成4.1 吊梁行车总成:2台(四门定滑轮,五门动滑轮)4.2 主动台车:4套 4.3 左侧支腿:1套 4.4 右侧支腿:1套 4.5 副支腿托架:1套 4.6 主支腿托架:2套 4.7 隅支撑托架:1套 4.8 主横梁总成:1组 4.9 电葫芦走行轨:1套 4.10 10t电动葫芦:1台 4.11 司机室:1套1南京登峰起重设备制造有限公司MQE80t+80/10t-38m-14m型龙门起重机设计计算书 4.12 电葫芦检修平台:1套 4.13 操作平台:1套 4.14 扶梯总成:1套 4.15 电缆卷筒:1套 4.16 电器系统:1套5、龙门吊结构设计计算5.1吊梁行车5.1.1主要性能参数额定起重量 80t 运行轨距2.0m 轴距 1.2m 卷扬起落速度0.9m/min 运行速度 6.7m/min 驱动方式2驱动吊梁行车总重(含吊具)G小车=10t 吊具重量:W吊具=3t5.1.2起升机构计算已知:起重能力Q静= Q+W吊具=80+3=83t粗选:双卷扬,倍率m=10 滚动轴承滑轮组,效率η=0.92。
计算书目录第1章计算书 (1)1.1 龙门吊轨道基础、车挡设计验算 (1)1。
1。
1 龙门吊走行轨钢轨型号选择计算 (1)1.1。
2 龙门吊轨道基础承载力验算 (2)1。
1.3 龙门吊轨道基础地基承载力验算 (2)1。
2 吊装设备及吊具验算 (3)1。
2。
1 汽车吊选型思路 (3)1。
2.2 汽车吊负荷计算 (4)1.2.3 汽车吊选型 (4)1.2。
4 钢丝绳选择校核 (5)1.2。
5 卸扣的选择校核 (5)1。
2.6 绳卡的选择校核 (6)1.3 汽车吊抗倾覆验算 (7)1。
4 地基承载力验算 (7)第1章计算书1.1 龙门吊轨道基础、车挡设计验算MG85—39-11龙门吊,龙门吊跨径改装修整为37m,每台最大起吊能力为85T。
上纵梁为三角桁架,整机运行速度6m/min,小车运行速度5m/min,整机重量60T。
1#梁场最大梁重137T,设置两台MG85龙门吊,最大起吊能力170T,可以满足使用要求.本方案地基基础梁总计受力:M=137+60×2=257TF=M*g=257T×9.8N/kg=2519kN2台龙门吊共计有8个支点,则每个支点受力:P=F/8=315kN85T满负荷运转(吊装170T)时,Pmax=(85+60)T×9。
8N/kg/4=355kN.1.1.1 龙门吊走行轨钢轨型号选择计算确定龙门吊走行轨上的钢轨,计算方式有两种,二者取较大值:方式一:根据《路桥施工计算手册》计算:g1=2P+v/8=2×315+(6×60/1000/8)=630kN/m方式二:根据《吊车轨道联结及车挡(适用于混凝土结构)》中“总说明4。
3公式(1)”计算:P d=1.05×1.4×1。
15×315=533kN/m;满负荷运转时:g1max=2×355+(20×60/1000/8)=710kN/m;P d max=1.05×1.4×1。
80吨龙门吊钢结构计算我最近完成了10台80吨龙门吊钢结构的总体设计工作。
该龙门吊是出口的。
在报标时我国与欧洲一个国家进行竞争。
使用国家要求技术标的计算书不能超过5页纸(A4)。
精确说明这台龙门吊的重要技术参数。
我做到了。
将欧洲与我国竞争的国家打了下去。
一举中标!80吨、32米跨龙门吊主要部件计算钢结构计算说明一、主梁:1、设计计算基本参数与结构布置介绍:①、为满足装入集装箱内需求。
设单主梁截面初步尺寸为:高1950mm、宽800mm、上下翼缘板厚18mm、腹板厚12mm。
单重:242 KN。
②、为满足主梁的强度与许用吊载下挠的需求。
采用双主梁结构。
总重:484 KN。
③、为平衡大车运行制动水平力的作用。
双主梁两端布置有端横梁。
总重21.62 KN。
④、为维修人员行走方便与安全,双主梁上面布置有走台栏杆。
重2.1 KN。
⑤、小车自重:q1=50 KN。
⑦、小车起升速度:V=1.9 m/min。
⑧、起升动载系数:K=1.1。
⑨、跨中满载静负荷许用下挠:[f]=32000/800=40 mm。
⑩、额定起重量:Q=800 KN、跨度:L=32000 mm。
2、单主梁截面特性计算值序号截面特性名称计算数据1 X-X轴截面惯性矩 I=40899150200 mm^42 X-X轴截面抵抗矩 W=41947840 mm^33 单主梁截面积 A=74736 mm^24 单位长度重量 q2=7.04 KN /m3、跨中最大静负荷下的静挠度:单主梁计算集中力:P1=(q1+Q)/2=(50+800)/2=425 (KN)=425000 (N)静挠度:f = P1*L^3/(48*E*I)=425000*32000^3/(48*2.1*10^5*40899150200)=34 mm <[f]=40 mm式中:E-钢的弹性模数满足使用要求!4、跨中主梁最大弯曲应力的计算:计算集中力:P=(50+800)*1.2/2=510 KN计算单主梁组合载荷集度:由于有电气、走台等物件则q3= q2*1.1=7.040*1.1=7.744K N /m计算简图弯矩图弯曲应力:Mmax=5065.3 KN-m=5065300000 (N-mm)σ=Mmax/W=5065300000/41947840=120 (Mpa) <[σ]=180 (Mpa)满足使用要求!二、柔性支腿:由计算简图知:单柔性支腿支反力为:RA=510+7.744*32/2= 633.9 (KN ) = 633904 (N)单柔性支腿水平夹角设:α=80?则单柔性支腿轴向力:P2=633904/sin80 = 643683 ( N)选用无缝管。
大柴旦制梁场80t龙门吊基础设计1、设计依据1.1、《基础工程》(清华大学出版社);1.2、地质勘探资料;1.3、龙门吊生产厂家提所供有关资料;1.4、《建筑地基基础设计规范》(GB50007-2002);1.5、《砼结构设计规范》(GB50010-2002)。
1.6、《弹性地基梁的计算》龙驭球著。
2、设计说明勘探资料显示:场地内主要为碎石土,其承载力为200KPa。
龙门吊行走轨道基础采用钢筋砼条形基础,为减少砼方量,基础采用倒T形截面,混凝土强度等级为C25。
龙门吊行走轨道根据龙门吊厂家设计要求采用P50型起重钢轨,基础设计中不考虑轨道与基础的共同受力作用,忽略钢轨承载能力不计;基础按弹性地基梁进行分析设计。
图2-1 基础横截面配筋图(单位:mm)通过计算及构造的要求,基础底面配置20φ18;箍筋选取φ10@250mm;基础顶面配置6φ18与箍筋共同构成顶面钢筋网片,以提高基础的承载能力及抗裂性;其他按构造要求配置架立筋,具体见上图横截面配筋图。
基础顶面预埋M24轨道螺栓用于固定钢轨。
为保证基础可自由伸缩,根据台座布置情况,按43.5+13*41.5+43.5设置14道10mm宽的伸缩缝,两侧支腿基础间距43m ,基础位置根据制梁台座位置确定。
3、设计参数选定 3.1、设计荷载根据龙门吊厂家提供资料显示,80t 龙门吊行走台车最大轮压:P=320KN 。
砼自重按25.0KN/m3 计。
根据探勘资料取地基承载力特征值: fa=200KPa 截面惯性矩:Ι=0.073m 4 ,其计算过程如下:基础上部:S 上=0.6*0.6=0.36,Y 上=0.4+0.6/2=0.7; 基础下部:S 下=1.4*0.4=0.56,Y 下=0.4/2=0.2组合截面形心坐标Y=(0.36*0.7+0.56*0.2)/(0.36+0.56)=0.396 基础上部对组合截面形心轴惯性矩=0.6*0.6^3/12+0.304^2*0.36=0.044 基础下部对组合截面形心轴惯性矩=1.4*0.4^3/12+0.196^2*0.56=0.029 则组合截面对其形心轴惯性矩为0.044+0.029=0.073 3.2、材料性能(1)、C25砼轴心抗压强度:fc=11.9 轴心抗拉强度:ft=1.27 弹性模量:Ec=2.8*10^4 Mpa (2)、钢筋Ⅰ级钢筋:MPaf y 210=,MPa f y 210'=Ⅱ级钢筋:MPa f y 300=,MPa f y 300'= (3)、地基根据探勘资料取地基承载力特征值: fa=200KPa 4、地基验算4.1、基础形式的选择考虑到地基对基础的弹性作用及方便施工,故基础采用图4-1形式。
附件一1 预制梁场龙门吊计算书1.1工程概况1.1.1工程简介本项目预制梁板形式多样,分别为预制箱梁、空心板及T梁,其中最重的是30m 组合箱梁中的边梁,一片重达105t。
预制梁场拟采用两台起吊能力为100t的龙门吊用于预制梁的出槽,其龙门吊轨道之间跨距为36.7m。
1.1.2地质情况预制梁场基底为粉质粘土。
查《路桥施工计算手册》中碎石土的变形模量E0=29~65MPa,粉质粘土16~39MPa,考虑最不利工况,统一取粉质粘土的变形莫量E0=16 MPa。
临建用地经现场动力触探测得实际地基承载力大于160kpa。
1.2基础设计及受力分析1.2.1龙门吊轨道基础设计龙门吊轨道基础采用倒T型C30混凝土条形基础,基础底部宽80cm,上部宽40cm。
每隔10m设置一道2cm宽的沉降缝。
基础底部采用8根Φ16钢筋作为纵向受拉主筋,顶部放置4根Φ12钢筋作为抗负弯矩主筋,每隔40cm设置一道环形箍筋。
,箍筋采用HPB235Φ10mm光圆钢筋,箍筋间距为40cm,具体尺寸如图1.2.1-1、1.2.1-2所示。
图1.2.1-1 龙门吊轨道基础设计图图1.2.2-2 龙门吊轨道基础配筋图1.2.2受力分析梁场龙门吊属于室外作业,当风力较大或降雨时候应停止施工。
当起吊最重梁板(105t)且梁板位于最靠近轨道位置台座的时候为最不利工况。
图1.2-1 最不利工况所处位置单个龙门吊自重按G1=70T估算,梁板最重G2=105t。
起吊最重梁板时单个天车所受集中荷载为P,龙门吊自重均布荷载为q。
P=G1/2=105×9.8/2=514.5KN (1-1)q=G2/L=70×9.8/42=16.3KN/m (1-2)当处于最不利工况时单个龙门吊受力简图如下:`图1.2-3 龙门吊受力示意图龙门吊竖向受力平衡可得到:N1+N2=q×L+P (1-3)取龙门吊左侧支腿为支点,力矩平衡得到:N2×L=q×L×0.5L+P×3.5 (1-4)由公式(1-3)(1-4)可求得N1=869.4KN,N2=331.1KN龙门吊单边支腿按两个车轮考虑,两个车轮之间距离为6m,对受力较大支腿进行分析,受力简图如下所示:图1.2-4 支腿单车轮受力示意图受力较大的单边支腿竖向受力平衡可得N1=N+N (1-5)由公式(1-5)得出在最不利工况下,龙门吊单个车轮所受最大竖向应力为N=434.7KN1.3建模计算1.3.1力学模型简化对龙门吊轨道基础进行力学简化,基础内力计算按弹性地基梁计算,用有限元软件Midas Civil2015进行模拟计算。
龙门吊及台座基础地基荷载计算一、80T龙门吊地基荷载计算龙门吊地基荷载计算:1、龙门吊自重:m=45tG1=45×103kg×10N/kg=450 KN2、移梁过程xx体体重:m=53m3×2.6t/m3=138tG2=138×103kg×10N/kg=1380 KN3、龙门吊轴距砼条型基础:V=7m×0.9m×0.6m=3.8m3G3=3.8×2.5×103kg×10N/kg=95KN4、荷载组合:G=()×1.3=13KN龙门吊轮间距按7m考虑,基础宽度设计为0.9m:则:承载面积:A=7×0.9=6.3m2地基承受应力为σ= G/A= 13KN /6.3 m2=208.5KN/m2≈209KPa由于该梁场位于鱼塘挖填路段,为了确保轨道基础承载力满足要求,对地基进行夯实,确保处理后的地基承载力达到250Kpa以上,方可进行下道工序。
二、40mTxx台座地基荷载计算2.1、未xx时地基荷载计算:1、Txx自重:m=53m3×2.6t/m3=138tG1=138×103kg×10N/kg=1380 KN2、台座基础:V=38m×0.6m×0.35m+38m*1.5m*0.15=16.53m3G2=16.53×2.5×103kg= 413.25 KN3、荷载组合:G=(1380+ 413.25)×1.3=2331.3KN基础宽度设计为0.6m:则:承载面积:A=0.6×38=22.8m2地基承受应力为σ= G/A=2331.3KN /22.8m2=102.3KN/m2≈103KPa由于该梁场位于鱼塘挖填路段,为了预制梁台座基础受压满足要求,对地基进行夯实,确保处理后的地基承载力达到150Kpa以上,方可进行下道工序施工。
MQ-80t/16t门式起重机计算说明书编制:复核:审核:批准:中铁大桥局集团第七工程有限公司2007年1月目录目录 (2)1.起重天车 (5)1.1起升机构的设计计算 (5)1.1.1 卷扬机的选型计算 (5)1.1.2 钢丝绳选型计算 (6)1.1.3 滑轮组选择计算 (7)1.1.4 扁担梁的强度验算 (8)1.2 运行机构的设计计算 (9)1.2.1运行阻力的计算: (10)1.2.2电动机的选择 (10)1.2.3减速器的选择 (12)1.2.4联轴器的选型 (12)1.2.5车轮与钢轨的选型 (14)1.2.6钢丝绳与滑轮和卷筒夹角验算 (15)1.2.7限制器的选择 (16)2.电动葫芦及其轨道的选型 (16)2.1电动葫芦的选型 (16)2.2轨道的选型及验算 (17)2.2.1轨道的选型 (17)2.2.2 轨道的验算 (17)3.起重机走行机构的设计计算 (20)3.1运行阻力的计算 (20)3.1.1 起重机满载运行时的最大摩擦阻力Fm (20)3.1.2 坡道阻力Fp (21)3.1.3 风阻力Fw (21)3.2电动机的选择 (22)3.2.1电动机的静动功率 (22)3.2.2电动机初选 (22)3.2.3电动机验算 (23)3.3减速器的选择 (23)3.4制动器的选择 (24)3.5联轴器的选型 (25)3.6运行打滑验算 (25)3.7车轮与钢轨的选型 (27)3.7.1车轮的疲劳验算 (27)3.7.2车轮踏面接触强度计算 (28)3.8销轴验算(连接活动支座与走行车箱) (29)4起重机金属结构的设计计算 (30)4.1主梁的设计计算 (30)4.2起重机的主梁腹杆的校核 (33)4.3角焊缝强度校核 (35)4.4起重机的抗倾覆稳定性 (35)4.5起重机防风抗滑装置的选择 (38)5.其他计算 (39)5.1起重机的支腿校核 (39)5.2起重机的支腿弯曲应力校核 (40)5.3螺栓强度的校核 (41)1.起重天车1.1起升机构的设计计算起升机构由驱动装置、钢丝绳卷绕系统、取物装置和安全保护装置等组成。
龙门吊及台座基础地基荷载计算一、80T龙门吊地基荷载计算龙门吊地基荷载计算:1、龙门吊自重:m=18tG1=18×103kg×10N/kg=180 KN2、移盖板过程中盖板板重:m=3.22m3×2.6t/m3=8.4tG2=8.4×103kg×10N/kg=84 KN3、龙门吊轴距道碴基础:G3=12.17KN+18.8KN+66KN=96.97KN4、荷载组合:G=(180 KN+84KN+96.97KN)/2=209KN龙门吊轮间距按14.15m考虑,基础宽度设计为1.25m:则:承载面积:A=14.15×1.25=17.7m2地基承受应力为σ= G/A= 209KN /17.7 m2=11.8KN/m2≈12KPa为了确保轨道基础承载力满足要求,对地基进行夯实,确保处理后的地基承载力达到180Kpa以上,方可进行下道工序。
施工安全注意事项施工安全教育培训的重要性随着项目工程的施工生产局面逐步打开,施工机械增多,劳动力增加,危险源也随之而来。
更显示出强化安全教育和培训的紧迫感、必要性、重要性。
不仅是特殊作业人员要进行安全教育和培训、持证上岗,包括一般工人、管理人员以及指挥者和各级领导都必须要经过安全教育和培训。
如何控制或减少伤亡事故的发生,是我们当务之急需要解决的一项重要课题。
确保安全施工的关键之一是“强化对人的安全教育和培训”。
众所周知,人员伤亡的发生是事故的结果,而事故发生的具体原因很多,绝大多数事故发生的原因都与人的不安全行为有关。
因此,只要有不安全的思想和行为,就会造成隐患,就可能演变成事故。
解决问题的关键——强化安全教育和培训。
通过各种形式的教育和培训,使施工人员树立“安全第一,预防为主”的思想,同时掌握安全施工所必须的知识和技能。
然后,从人的不安全行为方面,对每起事故进行解剖分析,发现其事故中不同程度地存在对安全知识的欠缺和薄弱、如:由不经过基本安全教育(三级安全教育)、无专业培训、无证上岗、违章操作等等,导致的事故发生。
附二:80T龙门吊验算书一、概况惠东至东莞高速公路第一合同段42米T梁吊运施工使用二台80吨龙门吊车,每台龙门长为12.5m(净跨11.0m),宽为3m,由贝雷架拼装而成,贝雷架系由湖南郴州筑路机械厂生产。
42米T梁最大吊重为120吨,每台龙门吊设计的吊梁导梁由六排、每排五片、共30片贝雷架组成,两支腿处的一端由12片贝雷架拼装组成,在支腿处与行走部位用型钢方桁架固定;导梁、支腿和行走部位连接形成一个整体,以提高整机稳定性;龙门吊行走动力由八台同步波箱式电机驱动,每台电机的功率为1.1kW。
二、龙门吊横梁总受力计算1、龙门吊横梁构件重量如下表*注:贝雷架的重量参数由《公路施工手册—桥涵》(下册)查得。
龙门吊横梁构件总重量为:8100+180+21.5+1118+250+504+1920=12093.5kg综合各构件后每延米贝架重量为:G1=12093.5÷〔15×6〕= 134.37kg/m=1.32kN/m。
2、横梁重量:G2=12.5×6×1.32=99.0kN3、支腿重量:G3=3×4×1.32=15.84kN4、龙门吊行走车重量:G4=850(kg/台)×2(台)=1700kg=16.66kN5、吊梁天车重量:G5=460kg/台×2(台)=920kg=9.02kN6、卷扬机重量(含钢丝绳):G6=2780kg=27.25kN7、每台龙门吊对支腿行走部位荷载:G7=G2+G3+G4+G5+G6= 99.0+15.84+16.66+9.02+27.25=167.77kN8、42米T 梁的重量G T =41.47m 3×2600㎏/ m 3=107822㎏=1056.66kN 。
42米T 梁动载时的重量可计为G T1=1056.66 kN ×1.10=1162.3kN 。
(其中1.1为安全系数)三、龙门吊受力分析当42米T 梁起吊时,当天车行走到居中位置时的弯距和挠度达到最大值,受力图示如下:G 吊=G2+(G5+G6+ G T1)/2=99.0+(9.02+27.25+1162.3)÷2=698.3kNa=6.25mb=6.25mL=a+b=12.5m1、横梁挠度校核因贝雷架的结构特征是用16锰铁特殊钢材贝雷桁架连接成整体,一般情况下贝雷架使用在材料的弹性范围内,故其变形为线弹性变形f1,另一部分变形主要是由于销钉与桁架销孔间的间隙而产生的特殊的非线性累加变形,其变形为非线性挠曲变形,系由销子与贝雷架阴阳节头间隙而引起的,实际属于刚体间的位移,当贝雷架安装完成后,在其自重作用下,销结挠曲变形认为已全部完成。
贝雷梁计算书绪论本计算书为福州市尤溪洲闽江大桥水上平台50t龙门吊机计算书,此门吊净跨15m,净高12m.计算中有许多不足之处,还望读者不吝赐教!㈠计算的基本数据------------------------------------------------------㈡轮压的验算------------------------------------------------------------㈢龙门吊机纵向稳定验算---------------------------------------------㈣贝雷桁架计算----------------------------------------------------------㈤底座支架计算----------------------------------------------------------㈠.计算的基本数据:本龙门吊机为50t龙门吊机,由贝雷桁架拼装而成,净跨15m,净高12m.将龙门吊机分成:①起重小车②小车走道梁及分配梁③贝雷桁④底座支架及分配梁⑤走行部分①起重小车重15t,为50t起重小车,轮距2.3m,轨距为2.0m.见《龙门吊机拼装图集》P75②小车走道梁及分配梁:走道梁由43kg/m重钢轨组成,L=16.6m.分配梁由2[20b 组成。
③贝雷桁:其为国家规定尺寸制造,每片桁架为1.5×3.0m,侧弦杆与下弦杆由2[10组成,内侧的斜杆由Ι8组成;组拼后,将净跨部分的上下弦杆加强成4[10,(详见图《YX-02-026》),另外三角支撑均由2[10组成。
截面性质如下:特性面积A 惯性矩截面系数截面(mm2)(mm4)(mm3)2[10 2549 3.966×106 0.07932×1035098 20.677×106 0.20677×1034[10958 9.9×105 2.48×104Ι8最大内力压拉弯内力剪力16Mn钢最大拉压弯应力为273MPa截面(KN)(KN)最大剪应力为156MPa。
龙门吊轨道基本计算书附件一1 预制梁场龙门吊计算书1.1工程概况1.1.1工程简介本项目预制梁板形式多样,分别为预制箱梁、空心板及T梁,其中最重的是30m 组合箱梁中的边梁,一片重达105t。
预制梁场拟采用两台起吊能力为100t的龙门吊用于预制梁的出槽,其龙门吊轨道之间跨距为36.7m。
1.1.2地质情况预制梁场基底为粉质粘土。
查《路桥施工计算手册》中碎石土的变形模量E0=29~65MPa,粉质粘土16~39MPa,考虑最不利工况,统一取粉质粘土的变形莫量E0=16 MPa。
临建用地经现场动力触探测得实际地基承载力大于160kpa。
1.2基础设计及受力分析1.2.1龙门吊轨道基础设计龙门吊轨道基础采用倒T型C30混凝土条形基础,基础底部宽80cm,上部宽40cm。
每隔10m设置一道2cm宽的沉降缝。
基础底部采用8根Φ16钢筋作为纵向受拉主筋,顶部放置4根Φ12钢筋作为抗负弯矩主筋,每隔40cm设置一道环形箍筋。
,箍筋采用HPB235Φ10mm光圆钢筋,箍筋间距为40cm,具体尺寸如图1.2.1-1、1.2.1-2所示。
图1.2.1-1 龙门吊轨道基础设计图图1.2.2-2 龙门吊轨道基础配筋图1.2.2受力分析梁场龙门吊属于室外作业,当风力较大或降雨时候应停止施工。
当起吊最重梁板(105t)且梁板位于最靠近轨道位置台座的时候为最不利工况。
图1.2-1 最不利工况所处位置单个龙门吊自重按G1=70T估算,梁板最重G2=105t。
起吊最重梁板时单个天车所受集中荷载为P,龙门吊自重均布荷载为q。
P=G1/2=105×9.8/2=514.5KN (1-1)q=G2/L=70×9.8/42=16.3KN/m (1-2)当处于最不利工况时单个龙门吊受力简图如下:`图1.2-3 龙门吊受力示意图龙门吊竖向受力平衡可得到:N1+N2=q×L+P (1-3)取龙门吊左侧支腿为支点,力矩平衡得到:N2×L=q×L×0.5L+P×3.5 (1-4)由公式(1-3)(1-4)可求得N1=869.4KN,N2=331.1KN龙门吊单边支腿按两个车轮考虑,两个车轮之间距离为6m,对受力较大支腿进行分析,受力简图如下所示:图1.2-4 支腿单车轮受力示意图受力较大的单边支腿竖向受力平衡可得N1=N+N (1-5)由公式(1-5)得出在最不利工况下,龙门吊单个车轮所受最大竖向应力为N=434.7KN1.3建模计算1.3.1力学模型简化对龙门吊轨道基础进行力学简化,基础内力计算按弹性地基梁计算,用有限元软件Midas Civil2015进行模拟计算。
MQE80+80/10-38通用门式起重机设计计算书南京南京登峰起重设备制造有限公司2008年10月1、设计依据1.1《钢结构设计规范》(GBJ17-88)1.2《起重机设计规范》(GB3811-83)1.3《公路桥涵设计通用规范》(JTJ021-90)2、总体设计方案:主梁采用单主梁桁架结构;支腿采用无缝钢管焊接;采用两刚性支腿设计;支腿均衡梁设置在离大车轨道高5.2m处,满足运梁炮车从支腿端面运梁;两侧支腿均满足运梁跑车的通过;起重系统采用2台80t吊重小车,每台吊重小车上设置2台卷扬机,卷扬机在主梁两侧下绳;配铁路2201“T”梁专用吊具;每台龙门吊设一台10t电动葫芦副钩,电动葫芦满足单边有效悬臂3.5m的要求,电动葫芦轨道采用法兰与下平联槽钢连接;起重机设置Z字型爬梯上下司机室;设置电动葫芦检修平台。
详细方案见图MQE16038-00-00-0003、主要性能参数3.1额定起重量:80t+80t3.1.1当两小车在距跨中各15处,两小车抬吊160t,小车定点起吊,不运行;3.1.2当两小车在距跨中各11处,两小车抬吊120t,小车定点起吊,不运行;3.1.3当两小车在距跨中各9处,两小车抬吊90t,小车定点起吊,不运行;3.1.4当一台小车在跨中处,最大起重量50t,小车可运行;3.2大车走行轨距:38m3.3吊梁起落速度:0.9m/min3.4起升高度:14m3.5吊梁小车运行速度: 6.7m/min3.6 整机运行速度:0-10m/min(重载);0-20m/min(空载);3.7 适应坡度:±1%3.8 电葫芦额定起重量:10t3.9 电葫芦起升高度:18m3.10电葫芦运行速度:20m/min3.11电葫芦起升速度:7m/min3.12整机运行轨道:单轨P504、起重机结构组成4.1 吊梁行车总成:2台(四门定滑轮,五门动滑轮)4.2 主动台车:4套4.3 左侧支腿:1套4.4 右侧支腿:1套4.5 副支腿托架:1套4.6 主支腿托架:2套4.7 隅支撑托架:1套4.8 主横梁总成:1组4.9 电葫芦走行轨:1套4.10 10t电动葫芦:1台4.11 司机室:1套4.12 电葫芦检修平台:1套4.13 操作平台:1套4.14 扶梯总成:1套4.15 电缆卷筒:1套4.16 电器系统:1套5、龙门吊结构设计计算5.1吊梁行车5.1.1主要性能参数额定起重量80t运行轨距 2.0m轴距 1.2m卷扬起落速度0.9m/min运行速度 6.7m/min驱动方式2驱动吊梁行车总重(含吊具)G小车=10t吊具重量:W吊具=3t5.1.2起升机构计算已知:起重能力Q静= Q+W吊具=80+3=83t粗选:双卷扬,倍率m=10 滚动轴承滑轮组,效率η=0.92。
见《起重机设计手册》表3-2-11,P223,则钢丝绳自由端静拉力S:S=Q J静/(η*m)=83/2(0.92*10)=4.5t选择JM5t卷扬机。
钢丝绳破断拉力总和∑t:∑t=S*n/k=4.5*4.5/0.82=24.7t,选择钢丝绳:6*19-20-170-特-光-右交,GB1102-74。
《起重机设计手册》P1985.1.3运行结构5.1.3.1车轮直径《起重机设计手册》P355已知Q=80t、G小车=10t、2驱动则Pmax=(Q+G小车)/4=22.5t,P min= G小车/4=2.5t,P c=(2Pmax+ P min)/3=15.8t车轮和轨道线接触,L=70mm,车轮材料ZG40Mn2,则D≥Pc/(K1*L*1C*C2)=15.8*104/(7.2*70*1.17*1.00)=268mm式中:K1——常数7.2N/mm2L——踏面宽C1——转速系数1.17C2——工作级别系数1.00选择φ360mm轮组5.1.3.2运行静阻力(重载运行)摩擦阻力F m=(Q+G小车)*w=(80+10)*0.015=1.35t坡道阻力Fp=(Q+G小车)*I=(80+10)*0.0015=0.135t (f=1/700)风阻力Fw=C*K h*q*A =1.6*1.0*(0.6*150)*(32*2.8)/20000=0.65t式中C—风力系数 1.6 表1-3-11K h—高度系数1.00 表1-3-10Q —计算风压0.6*150N/mm 2 表1-3-9 A —迎风面积32*2.8m 232m T 梁运行静阻力F j =F m +Fp+Fw=1.35+0.135+0.65=2.135t=21350N5.1.3.3电机选择静功率P J =F J *V O /(1000*m*η)=21350*6.7/(60*1000*0.9*2)=1.32Kw 式中V O —运行速度6.7m/min m —电机个数2个粗选P=K*d*P J =(1.1~1.3)*1.32=1.5~1.7Kw分散驱动m=2 YEZ112S-4-3.0kw/1400rpm 《机械零件设计手册》下册冶金P830 5.1.3.4 摆针减速机选择:(1) 牵引电机转速:n=1400rpm(2) 大车车轮转速:n 0= n 轮=V O /(π*D )=6.7/(3.14*0.36)=5.927rpm (3) 总传动比:i=1400/5.927=236.2 (4) 减速机:BLN27-87-3kw5.1.3.5主从动轮传动比:i 2=i/87=2.71 (Z 1=46,Z 2=16) 5.1.4吊具计算吊具受力示意图如下:吊具截面图如下: 吊具性能参数:截面惯性矩: I =72901cm 4 型心高度:y=20cm 截面抗弯模量:W =yI=3645cm 3 吊具最大计算弯矩: M max =PL=1.25*40*0.2=10t.m 主横梁整体强度验算:σ上=WM max =364510104=27Mpa <[σ]=265Mpa 上弦材料Q345B28002400200P=40tP=40t600121414400结论:吊具强度通过计算5.2大车走行计算:5.2.1主要性能参数额定起重量80t整机总重量76t适应坡度:±1%整机运行速度:0-10m/min(重载);0-20m/min(空载)大车走行轮数量:8轮驱动方式:4驱动整机运行轨道:单轨P505.2.2大车车轮轮压计算:P max=(Q+G小车)/4+G/8=90/4+66/8=30.75tP min=74/8=9.3tP c=3minmax2PP=23.6t5.2.3 车轮选择计算:D≥P c/(K1*L*1C*C2)=23.6*104/7.4*70*1.17*1.12=347.7mm选φ460轮组5.2.4整机牵引力计算:5.2.4.1 整机运行静阻力(重载)(1)摩阻:F m=(Q+G)ω=(80+76)×0.015=2.34t(2)坡阻:F p=(Q+G)i=(80+76)×1%=1.56t(3)风阻:Fω=CK h QA=1.6×1.23×150×1.0×(1.8×1.6)×2+1.6×1.23×150×0.6×(43.5×3.6)+1.6×1×150×0.4×(3×15÷2)+1.6×1×150×0.4 ×(32×2.8)=4.0t(4) 运行静阻力:F j= F m + F p + Fω=7.9t(5) 驱动功率计算P j =F j V重载/1000ηm=79000*101000*0.9*60*4=3.66wP=KαP j =(1.1~1.3)×3.66=4.0~4.76kw5.2.4.2 整机运行静阻力(空载)(1)摩阻:F m=Gω=76×0.015=1.14t(2)坡阻:F p=Gi=76×1%=0.76t(3)风阻:Fω=CK h QA=1.6×1.23×150×1.0×(1.8×1.6)×2+1.6×1.23×150×0.6×(43.5×3.6)+1.6×1×150×0.4×(3×15÷2)=3.2t(4)运行静阻力:F j= F m + F p + Fω=5.1t(5)驱动功率计算P j =F j V空载/1000ηm=51000*201000*0.9*60*4=4.7wP=KαP j =(1.1~1.3)×4.7=5.2~6.1kw (6)选驱动电机:YEJ132M-4-5.5kw 1400rpm5.2.4.3 摆针减速机选择: (1) 牵引电机转速:n=1400rpm(2) 大车车轮转速:n 0= n 轮=V 空载/(π*D )=20/(3.14*0.46)=13.85rpm (3) 总传动比: i 总=1400/13.85=101.1(4) 大小齿轮传动比:i 齿轮=59/17=3.47 (Z 1=59,Z 2=17) (5) 减速机传动比:i 减=i 总/ i 齿轮=101.1/3.47=29(6)选驱动减速机:BL Y27-35-5.5kw (电源重载时为30HZ ;空载时为60HZ )5.3主横梁计算:5.3.1对各种工况下吊重对主梁的分析(1)吊32mT 梁时工况受力分析如下图:(当两小车在距跨中各15处,两小车抬吊160t )R 2P 1=80tP 2=80t30m 4m4m R 138mP 1=P 2=Q+G 小车=80t+10t=90t R 1=R 2=P+G 自重/2=90t+76/2=128tM P =(80×1.1+10)×4=392 t·m M q =ql 2/8=1.1×0.7×382/8=139t·m 主梁承受的最大弯距M= M P + M q =392+139=531t·m主梁支座承受的最大反力Q 反=P+G 小车+G 主梁/2=80+10+30/2=105t(2)吊24mT 梁时工况受力分析如下图:(当两小车在距跨中各11处,两小车抬吊120t )P 1=60tP 2=60t22m8m8m38mR 1R 2P 1=P 2=Q+G 小车=60t+10t=70t R 1=R 2=P+G 自重/2=70t+76/2=108tM P =(60×1.1+10)×8=608 t·m M q =ql 2/8=1.1×0.7×382/8=139t·m 主梁承受的最大弯距M= M P + M q =608+139=747t·m主梁支座承受的最大反力Q 反=P+G 小车+G 主梁/2=60+10+30/2=85t(3)吊20mT 梁时工况受力分析如下图:(当两小车在距跨中各9m 处,两小车抬吊90t )10m18m10mP 1=45t P2=45tR1R238mP1=P2=Q+G小车=45t+10t=55tR1=R2=P+G自重/2=55t+76/2=93tM P =(45×1.1+10)×10=595 t·mM q =ql2/8=1.1×0.7×382/8=139t·m主梁承受的最大弯距M= M P + M q=595+139=734t·m主梁支座承受的最大反力Q反=P+G小车+G主梁/2=45+10+30/2=70t(4)当一台小车在跨中时,最大起重量为50t;R1R238mP=50tP=Q+G小车=50t+10t=60tR1=R2=P+G自重/2=60t+76/2=98tM P =(50×1.1+10)×38÷4=618 t·mM q =ql2/8=1.1×0.7×382/8=139t·m主梁承受的最大弯距M= M P + M q=618+139=757t·m主梁支座承受的最大反力Q反=P+G小车+G主梁/2=50+10+30/2=75t综合比较上述4种工况:1、龙门吊吊梁在第4种工况主梁承受最大弯距Mmax=757t·m;2、龙门吊支座及小车受力处腹杆按第1种工况时所承受的剪力计算;3、龙门吊支腿及支座在第1种工况时所承载的反力最大Q反=105t;5.3.2结构计算5.3.2.1 垂直荷载引起的主梁内力主梁跨中最大弯距Mmax=757t·m支座处剪力Q max=105t5.3.2.2 水平载荷引起的主梁内力(1)大车制动主梁惯性力P H =φ5ma=1.5×210×1000×0.064=20160N=2.02t 式中φ5——系数,平均取1.5m ——运行部分质量,m=160t+2×10t+30t=210ta ——起动(制动)加速度 《起重机设计手册》P14(2)风载荷引起的主梁内力P w =CK h QA=1.6×1.23×150×1.0×(1.8×1.6)×2+1.6×1.23×150×0.6×(43.5×3.6)+1.6×1×150×0.4×(3×15÷2)=3.2t主梁所受水平力 P 水平= P H + P w =2.02+3.2=5.22t 5.3.2.3 选择主横梁截面及桁高根据经验,试选桁高h=2.7m 弦杆轴力N=M max /h=757/2.7=280.4t5.3.2.3.1上弦杆计算和选取:(压杆)面积A=N/φ[σ]=280.4×103/(0.9×1700)=183cm 2初选截面:4[25b+ 2×70×35方钢+2×8×245 材料采用Q235B 槽钢与Q235B 钢板焊接 A=A j =4x39.91+2×7×3.5+2×0.8x24.5 =247.84cm 2计算长度:L x =L y =1.76m=176cm(1)计算X 向性能参数:截面惯性矩: I x =12236 cm 4 截面抗压抗弯模量: W x =xxy I =18.1312236=928.4cm 3 压杆截面的惯性半径:122369.94123.92x x I r cm A === 压杆的柔度(长细比):λx =x x r L =94.9176=17.7 压杆的折减系数: φx =0.985查《机械设计手册》第一卷P1-174表1-1-122 (2)计算Y 向性能参数:截面惯性矩: I y =3769cm 4 截面抗弯模量: W y =yy y I =4.83769=448.7cm 3 压杆截面的惯性半径: 37695.51123.92y y I r cm A===压杆的柔度(长细比):λy =yy r L =51.5176=31.9 压杆的折减系数: φy =0.953131.8153.282503570168上弦杆查《机械设计手册》第一卷P1-174表1-1-122(3)节间力学计算:(该起重机是工程专用吊梁起重机,起重机共有4种工作工况,前3种都是定点起吊,小车不运行,并且小车在吊梁时车轮均不在节间中间,故节间力学计算按第4种工况计算) 已知:Q=50t ,G 1=10t ,m=4,偏载系数ψ=1.1 轮压:P 轮=m G Q 小+ψ=410501.1+⨯=16.25 t 节间弯距:M j =6j L P 轮=676.125.16⨯=4.8t.m , L j =1.76m 《起重机设计手册》P650节点弯距:M d=12j L P 轮=127.125.16⨯=2.4tm(4)上弦杆性能校核计算:N 上=27.2x M =27.2757x =140.2t 强度校核:σ=xj W M A N +上=4.928108.412392102.14044⨯+⨯=113.1+51.7=164.8Mpa σ<[σ]=170 Mpa 强度校核通过检算 刚度校核:λ=m inγL=51.5176=31.9<[λ]=100 刚度校核通过检算 稳定性校核:σx =x j x W M A N +φ上=4.928108.412392985.0102.14044⨯+⨯⨯=114.8+51.7=166.5MPa σx <[σ]=170 Mpa 稳定性校核通过检算5.3.2.3.2下弦杆计算和选取:(拉杆)计算轴向力:(单根下弦计算) N 上=N 下=h M max =27.2757x =140.2t 计算下弦杆所需最小截面积: 面积A ≥N/φ[σ]=140.2×103/(0.9×1700)=91.6cm 2初选截面:4[25b+ 2×8×245 材料采用Q235B 槽钢与Q235B 钢板焊接 A=A j =2x39.91+0.8x24.5 =99.42cm 2 计算长度:L x =L y =1.76m=176cm (1)计算X 向性能参数:截面惯性矩: I x =8219 cm 4 截面抗拉压弯模量: W x =xx y I =5.128219=657.5 cm 3 8250168下弦杆压杆截面的惯性半径: r x =AI x =42.998219=9.1 cm压杆的柔度(长细比):λx =x x r L =1.9176=19.34 压杆的折减系数: φx =0.982查《机械设计手册》第一卷P1-174表1-1-122 (2)计算Y 向性能参数:截面惯性矩: I y =3668 cm 4 截面抗弯模量: W y =yy y I =4.83668=436.7 cm 3 压杆截面的惯性半径: r y =AIy =42.993668=6.1 cm压杆的柔度(长细比):λy =yy r L =1.6176=28.9 压杆的折减系数: φy =0.961查《机械设计手册》第一卷P1-174表1-1-122 (3)下弦杆性能校核计算:强度校核:σ=jA N 下=9942102.1404⨯=141 Mpaσ<[σ]=170Mpa 强度校核通过检算 刚度校核:λ=m inγL=1.6176=28.9<[λ]=100 刚度校核通过检算 稳定性校核:σx =j A N φ下=9942961.0102.1404⨯⨯=146.7MPaσx <[σ]=170Mpa 稳定性校核通过检算 5.3.2.3.3腹杆计算和选取(以支座处最大剪力计算)主梁在支座处第1种工况时所承载的反力最大,支反力Q 反=105t 计算腹杆集中载荷:已知:已知:Q 反=105t L=38m单侧腹杆所受最大剪力为N= Q 反/2=105/2=52.5t 计算斜腹杆轴向力:N 1=26.60sin N =26.60sin 5.52=60t计算腹杆所需最小截面积A ≥][1σϕN =1708.010604⨯⨯=4412mm 2初选腹杆截面:2[14a 对扣加6mm 补板 腹杆面积为:A=2*18.51+2*12*0.6=51.4cm 2 计算腹杆截面性能参数: 节间有效长度:L=282.2 cm ⑴ 计算X 向性能参数:截面惯性矩: I x =1262cm 4 压杆截面的惯性半径: r x =AI x =4.511262=4.955cm压杆的柔度(长细比):λx =x x r L =955.42.282=56.95 压杆的折减系数: φx =0.823查《机械设计手册》第一卷P1-174表1-1-122 ⑵ 计算Y 向性能参数:截面惯性矩: I y =1300cm 4 压杆截面的惯性半径: r y =AIy =4.511300=5.03cm压杆的柔度(长细比):λy =yy r L =03.52.282=56.1 6120140支座处腹杆截面2700200060.26°27002821.81760腹杆连接形式压杆的折减系数: φy =0.828查《机械设计手册》第一卷P1-174表1-1-122 腹杆性能校核计算:⑴强度校核:σ=AN 1=514010604⨯=116.7Mpaσ<[σ]=170 Mpa 强度通过检算 ⑵刚度校核:λ=m inγL=955.42.282=57<[λ]=100 刚度通过检算 ⑶稳定性校核:σx =A NX φ=5140823.010604⨯⨯=141.8MPaσx <[σ]=170 Mpa 稳定性通过检算σy =A N y φ=5140828.010604⨯⨯=141MPaσy <[σ]=170 Mpa 稳定性通过检算5.3.2.3.4上下平联杆计算和选取该起重机主梁为四桁架单主梁结构,主要受力构件是上下弦杆和腹杆,上下平联杆作为连接构件,起中体稳定性作用,不作主要受力构件计算。