双电源开关接线图说明
- 格式:pdf
- 大小:71.97 KB
- 文档页数:3
NZ7系列双电源说明书1、适用范围NZ7系列自动转换开关电器适用于交流工频50Hz,额定工作电压AC400V,额定工作电流至630A的三相四线双路供电电网中,自动将一个或几个负载电路从一个电源接至另一个电源,以保证负载电路的正常供电。
本产品适用于工业、商业、高层和民用住宅等较为重要的场所。
执行标准:GB/T 14048.11。
2、型号及含义3、正常工作条件3.1 周围空气温度内平均温度24h℃,下限为-5℃,且周围空气温度上限为+40 +35不超过℃;3.2 海拔大气条件3.3 ;2000m安装地点的海拔不超过大气的相对湿度在周围最高温度+40℃时不超过50%,在较低的温度下可以有较高的相对湿度,例如+20℃时达到90%,对于温度变化偶尔产生的凝露,应采取特殊的措施。
3.4 污染等级污染等级为3级。
4、技术参数及性能5、特性及功能是结合先进以下简称自动转换开关()系列自动转换开关电器NZ7级产品。
产品具有体积小、节能、CB的数字电子控制技术的新一代安装方便、功能先进齐全、可靠双重联锁保护等特点。
.5.1 体积小利用电机正反旋转,实现转换功能,同时使产单电机传动结构,品高度降低,减小了安装空间。
节能5.2驱动机构采用电动机传动方式,功耗小,噪音小。
功能先进齐全5.3双重联锁保护5.4其防止两路电源同时接通;采用机械联锁和电气联锁双重保护,实现中电气联锁采用直接指示自动转换开关的断路器触头位置方式,真正意义的电气联锁——防止触头熔焊、断路器手柄损坏、电路故障断路器脱扣等情况下发生自动转换。
6、控制器型控制器集成一体分体模式,安装于柜内或柜体面板,A6.1决定是否从一个电源转换到另根据工作电源状态,可进行柜外操作。
一个电源。
.发动机组的控制按键式手动强制转换动作6.2控制电压AC230V 50Hz6.3操作:自动操作、手动操作6.4 设定延时转换延时:0180s连续可调~返回延时:0180s连续可调~6.5 显示和操作界面LED数码管显示a. 自动工作模式指示;b. 手动工作模式指示;c. 故障指示当开关出现故障或负载短路引起断路器跳闸后时此指示亮;d. 常用电源电压参数显示区在工作状态时显示常用电源电压参数及转换延时时间,在设置状态下显示设置项目符号;e. 常用电源侧电源断路器闭合、断开指示;f. 设置状态指示;g. 备用电源侧电源断路器闭合、断开指示;h. 消防联动功能启动指示;i. 常用电源侧电压、时间、频率单位;j. A、B、C相位;k. 备用电源侧电压、时间、频率单位;l. 备用电源电压参数显示区在工作状态时显示备用电源电压参数及转换延时时间,在设置状态下显示设置项目参数m. 发动机启动信号指示n. 自动、手动转换方式选择按钮在正常使用时用作自动、手动转换方式选择,在设置状态下为保存并退出功能。
R D H5D双电源自动转换开关符合标准:GB/T 14048.11一、开关简介R DH5D双电源自动转换开关(ATSE),是集开关与逻辑控制于一体、真正实现机电一体化的新型自动转换开关;它适用于交流50Hz、额定电压AC400V、约定发热电流3200A以下的供电系统,具有电源检测、保护、电气机械互锁等功能;可实现全自动、远程控制,强置"0"、紧急手动等操作,广泛应用于供电系统,将负载电路从一个电源自动换接至另一个(备用)电源的开关电器,以确保重要负荷连续、可靠运行及安全隔离等。
开关由控制线路板发出各种逻辑命令管理电机,由电机带动开关主体部分的操作机构,快速地接通与分断电路或进行电路转换,通过明显可见状态实现安全隔离。
正常工作条件与安装条件。
1、安装地点海拔不超过2000m,安装类别为Ⅲ类,污染等级为3级,倾斜度不大于±5°。
周围环境温度-5℃+40℃;24小时平均温度不超过+35℃。
最高温度40℃时相对湿度不超过50%,较低温度时允许有较高的相对湿度,例如+20℃时为90%,但应考虑到由于温度变化有可能产生凝露现象,如果以上条件不能满足时,订货时应与制造商协商,本开关用于海上,石油和核电站时另行定制。
2、不可以直接安装在易燃、易爆、潮湿、阳光直射、振动、冲击等地方,否则将缩短开关使用寿命或导致产品燃烧或爆炸。
3、不可以安装在有导电尘埃、金属丝侵入的地方,否则将导致产品损坏或机械故障。
型号及含义:RD H5D-/控制器类型:Ⅰ型全自动;Ⅱ型全自动+强置0+远控;Ⅲ型全自动+强置0+远控+三相检测保护;开关极数:3极、4极壳架电流等级:100A~3200A派生代号企业代号三、主要技术参数1、开关符合标准:GB /T14048.11 I EC60947-6-12、电器级别:PC 级:3、使用类别:AC -33iB4、额定工作电压(Ue ):AC400V :5、额定工作电流(Ie ):10A ~3200AⅡⅠ0进线端型号出线端电器钥匙锁机械挂锁指示件IⅡ操作手柄控制部份壳体II (备用)壳体I (常用)100kA1.81.01.21.252.0AC230V 、AC400V (消防DC24V )70kA100012501600200025003200100kA120kA80kA690V转换时间s额定短时耐受电流额定限制短路电流AC -33iB AC -35A AC -31A 额定发热电流(A )额定冲击耐受电压额定绝缘电压额定工作电流(A )控制电源电压1008kV 8kA 5kA13kA 32kA 55kA 6kV12kV160250400630100012501600200025003200100160250400630100012501600200025003200100160250400630100012501600200025003200100160250400630二、开关结构说明1、电器钥匙锁:控制开关内部控制线路电源,电器锁开启时,开关可实现全自动、强置"0"、远控操作;电气锁关闭时,开关只能手动操作。
NZ7系列双电源说明书1、适用范围NZ7系列自动转换开关电器适用于交流工频50Hz,额定工作电压AC400V,额定工作电流至630A的三相四线双路供电电网中,自动将一个或几个负载电路从一个电源接至另一个电源,以保证负载电路的正常供电。
本产品适用于工业、商业、高层和民用住宅等较为重要的场所。
执行标准:GB/T 。
2、型号及含义3、正常工作条件周围空气温度周围空气温度上限为+40℃,下限为-5℃,且24h内平均温度不超过+35℃;海拔安装地点的海拔不超过2000m;大气条件大气的相对湿度在周围最高温度+40℃时不超过50%,在较低的温度下可以有较高的相对湿度,例如+20℃时达到90%,对于温度变化偶尔产生的凝露,应采取特殊的措施。
污染等级污染等级为3级。
4、技术参数及性能5、特性及功能NZ7系列自动转换开关电器(以下简称自动转换开关)是结合先进的数字电子控制技术的新一代CB级产品。
产品具有体积小、节能、安装方便、功能先进齐全、可靠双重联锁保护等特点。
体积小单电机传动结构,利用电机正反旋转,实现转换功能,同时使产品高度降低,减小了安装空间。
节能驱动机构采用电动机传动方式,功耗小,噪音小。
功能先进齐全双重联锁保护采用机械联锁和电气联锁双重保护,防止两路电源同时接通;其中电气联锁采用直接指示自动转换开关的断路器触头位置方式,实现真正意义的电气联锁——防止触头熔焊、断路器手柄损坏、电路故障断路器脱扣等情况下发生自动转换。
6、控制器A型控制器集成一体分体模式,安装于柜内或柜体面板,可进行柜外操作。
根据工作电源状态,决定是否从一个电源转换到另一个电源。
发动机组的控制按键式手动强制转换动作控制电压AC230V 50Hz操作:自动操作、手动操作设定延时转换延时:0180s连续可调~返回延时:0180s连续可调~显示和操作界面LED数码管显示a. 自动工作模式指示;b. 手动工作模式指示;c. 故障指示当开关出现故障或负载短路引起断路器跳闸后时此指示亮;d. 常用电源电压参数显示区在工作状态时显示常用电源电压参数及转换延时时间,在设置状态下显示设置项目符号;e. 常用电源侧电源断路器闭合、断开指示;f. 设置状态指示;g. 备用电源侧电源断路器闭合、断开指示;h. 消防联动功能启动指示;i. 常用电源侧电压、时间、频率单位;j. A、B、C相位;k. 备用电源侧电压、时间、频率单位;l. 备用电源电压参数显示区在工作状态时显示备用电源电压参数及转换延时时间,在设置状态下显示设置项目参数m. 发动机启动信号指示n. 自动、手动转换方式选择按钮在正常使用时用作自动、手动转换方式选择,在设置状态下为保存并退出功能。
NZ7系列双电源说明书1、适用范围NZ7系列自动转换开关电器适用于交流工频50Hz,额定工作电压AC400V,额定工作电流至630A的三相四线双路供电电网中,自动将一个或几个负载电路从一个电源接至另一个电源,以保证负载电路的正常供电。
本产品适用于工业、商业、高层和民用住宅等较为重要的场所。
执行标准:GB/T 14048.11。
2、型号及含义3、正常工作条件3.1 周围空气温度周围空气温度上限为+40℃,下限为-5℃,且24h内平均温度不超过+35℃;3.2 海拔安装地点的海拔不超过2000m;3.3 大气条件大气的相对湿度在周围最高温度+40℃时不超过50%,在较低的温度下可以有较高的相对湿度,例如+20℃时达到90%,对于温度变化偶尔产生的凝露,应采取特殊的措施。
3.4 污染等级污染等级为3级。
4、技术参数及性能5、特性及功能NZ7系列自动转换开关电器(以下简称自动转换开关)是结合先进的数字电子控制技术的新一代CB级产品。
产品具有体积小、节能、安装方便、功能先进齐全、可靠双重联锁保护等特点。
5.1 体积小单电机传动结构,利用电机正反旋转,实现转换功能,同时使产品高度降低,减小了安装空间。
5.2 节能驱动机构采用电动机传动方式,功耗小,噪音小。
5.3 功能先进齐全5.4 双重联锁保护采用机械联锁和电气联锁双重保护,防止两路电源同时接通;其中电气联锁采用直接指示自动转换开关的断路器触头位置方式,实现真正意义的电气联锁——防止触头熔焊、断路器手柄损坏、电路故障断路器脱扣等情况下发生自动转换。
6、控制器6.1A型控制器集成一体分体模式,安装于柜内或柜体面板,可进行柜外操作。
根据工作电源状态,决定是否从一个电源转换到另一个电源。
发动机组的控制按键式手动强制转换动作6.2控制电压AC230V 50Hz6.3操作:自动操作、手动操作6.4 设定延时转换延时:0180s连续可调~返回延时:0180s连续可调~6.5 显示和操作界面LED数码管显示a. 自动工作模式指示;b. 手动工作模式指示;c. 故障指示当开关出现故障或负载短路引起断路器跳闸后时此指示亮;d. 常用电源电压参数显示区在工作状态时显示常用电源电压参数及转换延时时间,在设置状态下显示设置项目符号;e. 常用电源侧电源断路器闭合、断开指示;f. 设置状态指示;g. 备用电源侧电源断路器闭合、断开指示;h. 消防联动功能启动指示;i. 常用电源侧电压、时间、频率单位;j. A、B、C相位;k. 备用电源侧电压、时间、频率单位;l. 备用电源电压参数显示区在工作状态时显示备用电源电压参数及转换延时时间,在设置状态下显示设置项目参数m. 发动机启动信号指示n. 自动、手动转换方式选择按钮在正常使用时用作自动、手动转换方式选择,在设置状态下为保存并退出功能。
NZ7系列双电源说明书1、适用范围NZ7系列自动转换开关电器适用于交流工频50Hz,额定工作电压AC400V,额定工作电流至630A的三相四线双路供电电网中,自动将一个或几个负载电路从一个电源接至另一个电源,以保证负载电路的正常供电。
本产品适用于工业、商业、高层和民用住宅等较为重要的场所。
执行标准:GB/T 14048.11。
2、型号及含义3、正常工作条件3.1 周围空气温度周围空气温度上限为+40℃,下限为-5℃,且24h内平均温度不超过+35℃;3.2 海拔安装地点的海拔不超过2000m;3.3 大气条件大气的相对湿度在周围最高温度+40℃时不超过50%,在较低的温度下可以有较高的相对湿度,例如+20℃时达到90%,对于温度变化偶尔产生的凝露,应采取特殊的措施。
3.4 污染等级污染等级为3级。
4、技术参数及性能5、特性及功能NZ7系列自动转换开关电器(以下简称自动转换开关)是结合先进的数字电子控制技术的新一代CB级产品。
产品具有体积小、节能、安装方便、功能先进齐全、可靠双重联锁保护等特点。
5.1 体积小单电机传动结构,利用电机正反旋转,实现转换功能,同时使产品高度降低,减小了安装空间。
5.2 节能驱动机构采用电动机传动方式,功耗小,噪音小。
5.3 功能先进齐全5.4 双重联锁保护采用机械联锁和电气联锁双重保护,防止两路电源同时接通;其中电气联锁采用直接指示自动转换开关的断路器触头位置方式,实现真正意义的电气联锁——防止触头熔焊、断路器手柄损坏、电路故障断路器脱扣等情况下发生自动转换。
6、控制器6.1A型控制器集成一体分体模式,安装于柜内或柜体面板,可进行柜外操作。
根据工作电源状态,决定是否从一个电源转换到另一个电源。
发动机组的控制按键式手动强制转换动作6.2控制电压AC230V 50Hz6.3操作:自动操作、手动操作6.4 设定延时转换延时:0180s连续可调~返回延时:0180s连续可调~6.5 显示和操作界面LED数码管显示a. 自动工作模式指示;b. 手动工作模式指示;c. 故障指示当开关出现故障或负载短路引起断路器跳闸后时此指示亮;d. 常用电源电压参数显示区在工作状态时显示常用电源电压参数及转换延时时间,在设置状态下显示设置项目符号;e. 常用电源侧电源断路器闭合、断开指示;f. 设置状态指示;g. 备用电源侧电源断路器闭合、断开指示;h. 消防联动功能启动指示;i. 常用电源侧电压、时间、频率单位;j. A、B、C相位;k. 备用电源侧电压、时间、频率单位;l. 备用电源电压参数显示区在工作状态时显示备用电源电压参数及转换延时时间,在设置状态下显示设置项目参数m. 发动机启动信号指示n. 自动、手动转换方式选择按钮在正常使用时用作自动、手动转换方式选择,在设置状态下为保存并退出功能。
NZ7系列双电源说明书1、适用范围NZ7系列自动转换开关电器适用于交流工频50Hz,额定工作电压AC400V,额定工作电流至630A的三相四线双路供电电网中,自动将一个或几个负载电路从一个电源接至另一个电源,以保证负载电路的正常供电。
本产品适用于工业、商业、高层和民用住宅等较为重要的场所。
执行标准:GB/T 。
2、型号及含义3、正常工作条件周围空气温度周围空气温度上限为+40℃,下限为-5℃,且24h内平均温度不超过+35℃;海拔安装地点的海拔不超过2000m;大气条件大气的相对湿度在周围最高温度+40℃时不超过50%,在较低的温度下可以有较高的相对湿度,例如+20℃时达到90%,对于温度变化偶尔产生的凝露,应采取特殊的措施。
污染等级污染等级为3级。
4、技术参数及性能5、特性及功能NZ7系列自动转换开关电器(以下简称自动转换开关)是结合先进的数字电子控制技术的新一代CB级产品。
产品具有体积小、节能、安装方便、功能先进齐全、可靠双重联锁保护等特点。
体积小单电机传动结构,利用电机正反旋转,实现转换功能,同时使产品高度降低,减小了安装空间。
节能驱动机构采用电动机传动方式,功耗小,噪音小。
功能先进齐全双重联锁保护采用机械联锁和电气联锁双重保护,防止两路电源同时接通;其中电气联锁采用直接指示自动转换开关的断路器触头位置方式,实现真正意义的电气联锁——防止触头熔焊、断路器手柄损坏、电路故障断路器脱扣等情况下发生自动转换。
6、控制器A型控制器集成一体分体模式,安装于柜内或柜体面板,可进行柜外操作。
根据工作电源状态,决定是否从一个电源转换到另一个电源。
发动机组的控制按键式手动强制转换动作控制电压AC230V 50Hz操作:自动操作、手动操作设定延时转换延时:0180s连续可调~返回延时:0180s连续可调~显示和操作界面LED数码管显示a. 自动工作模式指示;b. 手动工作模式指示;c. 故障指示当开关出现故障或负载短路引起断路器跳闸后时此指示亮;d. 常用电源电压参数显示区在工作状态时显示常用电源电压参数及转换延时时间,在设置状态下显示设置项目符号;e. 常用电源侧电源断路器闭合、断开指示;f. 设置状态指示;g. 备用电源侧电源断路器闭合、断开指示;h. 消防联动功能启动指示;i. 常用电源侧电压、时间、频率单位;j. A、B、C相位;k. 备用电源侧电压、时间、频率单位;l. 备用电源电压参数显示区在工作状态时显示备用电源电压参数及转换延时时间,在设置状态下显示设置项目参数m. 发动机启动信号指示n. 自动、手动转换方式选择按钮在正常使用时用作自动、手动转换方式选择,在设置状态下为保存并退出功能。
ABB双电源自动切换装置工作原理DPT/SE装置主要用于控制和自动切换两路带有机械和电气联锁的低压断路器:一个4 位置转换开关用于设定四种工作模式:- 自动模式:转换开关置于“自动 (AUTO)”位置-正常供电模式:转换开关置于“正常 (NET)”位置- 应急供电模式:转换开关置于“应急 (EMER)”位置- 关断模式:转换开关置于“关断 (OFF)”位置。
当系统投入运行时,需将运行开关置于“运行 (RUN)”位置,而“复位 (RESET)”按钮可使运行程序恢复到初始状态。
自动模式(自投自复):当转换开关置于“自动 (AUTO)”位置时,系统会处于自动切换方式下:•当正常供电电源正常时,正常供电断路器闭合,而应急供电断路器断开•当正常供电失压和缺相时,柴油发电机起动,正常供电断路器断开,在缺相时系统报警。
•当柴油发电机或应急电源电压达到稳定状态时,则应急供电断路器会闭合•当正常供电恢复正常时,则应急供电断路器断开。
正常供电断路器将闭合投入供电,系统发出停止柴油发电机的信号,并返回正常运行状态。
正常供电模式当转换开关置于“正常 (NET)”位置时,系统会处于单一正常供电模式。
在此模式下,系统并不考虑正常供电电压是否存在,只执行下列操作:•如果柴油发电机还在运行,则将其停止•如果应急供电断路器处于闭合状态时,则将其断开•闭合正常供电断路器•当正常供电缺相时,正常供电断路器会断开,而系统会自动报警•当正常供电失压时,正常供电断路器会保持闭合。
应急供电模式当转换开关置于“应急 (EMER)”位置时。
系统会处于单一应急供电模式,并不考虑实际的正常供电电压是否存在,它将执行下列操作:•如果正常供电断路器处于闭合状态时,则将其断开。
•起动柴油发电机。
•当柴油发电机或应急电源电压达到稳定状态时,应急供电断路器会闭合•当应急供电缺相或失压时,应急供电断路器将断开。
而缺相时,系统会自动报警。
关断模式当转换开关置于“关断 (OFF)”位置时。
NZ7系列双电源说明书1、适用范围NZ7系列自动转换开关电器适用于交流工频50Hz,额定工作电压AC400V,额定工作电流至630A的三相四线双路供电电网中,自动将一个或几个负载电路从一个电源接至另一个电源,以保证负载电路的正常供电。
本产品适用于工业、商业、高层和民用住宅等较为重要的场所。
执行标准:GB/T 14048.11。
2、型号及含义3、正常工作条件3.1 周围空气温度周围空气温度上限为+40℃,下限为-5℃,且24h内平均温度不超过+35℃;3.2 海拔安装地点的海拔不超过2000m;3.3 大气条件大气的相对湿度在周围最高温度+40℃时不超过50%,在较低的温度下可以有较高的相对湿度,例如+20℃时达到90%,对于温度变化偶尔产生的凝露,应采取特殊的措施。
3.4 污染等级污染等级为3级。
4、技术参数及性能5、特性及功能NZ7系列自动转换开关电器(以下简称自动转换开关)是结合先进的数字电子控制技术的新一代CB级产品。
产品具有体积小、节能、安装方便、功能先进齐全、可靠双重联锁保护等特点。
5.1 体积小单电机传动结构,利用电机正反旋转,实现转换功能,同时使产品高度降低,减小了安装空间。
5.2 节能驱动机构采用电动机传动方式,功耗小,噪音小。
5.3 功能先进齐全5.4 双重联锁保护采用机械联锁和电气联锁双重保护,防止两路电源同时接通;其中电气联锁采用直接指示自动转换开关的断路器触头位置方式,实现真正意义的电气联锁——防止触头熔焊、断路器手柄损坏、电路故障断路器脱扣等情况下发生自动转换。
6、控制器6.1A型控制器集成一体分体模式,安装于柜内或柜体面板,可进行柜外操作。
根据工作电源状态,决定是否从一个电源转换到另一个电源。
发动机组的控制按键式手动强制转换动作6.2控制电压AC230V 50Hz6.3操作:自动操作、手动操作6.4 设定延时转换延时:0180s连续可调~返回延时:0180s连续可调~6.5 显示和操作界面LED数码管显示a. 自动工作模式指示;b. 手动工作模式指示;c. 故障指示当开关出现故障或负载短路引起断路器跳闸后时此指示亮;d. 常用电源电压参数显示区在工作状态时显示常用电源电压参数及转换延时时间,在设置状态下显示设置项目符号;e. 常用电源侧电源断路器闭合、断开指示;f. 设置状态指示;g. 备用电源侧电源断路器闭合、断开指示;h. 消防联动功能启动指示;i. 常用电源侧电压、时间、频率单位;j. A、B、C相位;k. 备用电源侧电压、时间、频率单位;l. 备用电源电压参数显示区在工作状态时显示备用电源电压参数及转换延时时间,在设置状态下显示设置项目参数m. 发动机启动信号指示n. 自动、手动转换方式选择按钮在正常使用时用作自动、手动转换方式选择,在设置状态下为保存并退出功能。
ABB双电源自动切换装置工作原理DPT/SE装置主要用于控制和自动切换两路带有机械和电气联锁的低压断路器:一个4 位置转换开关用于设定四种工作模式:- 自动模式:转换开关置于“自动 (AUTO)”位置-正常供电模式:转换开关置于“正常 (NET)”位置- 应急供电模式:转换开关置于“应急 (EMER)”位置- 关断模式:转换开关置于“关断 (OFF)”位置。
当系统投入运行时,需将运行开关置于“运行 (RUN)”位置,而“复位 (RESET)”按钮可使运行程序恢复到初始状态。
自动模式(自投自复):当转换开关置于“自动 (AUTO)”位置时,系统会处于自动切换方式下:•当正常供电电源正常时,正常供电断路器闭合,而应急供电断路器断开•当正常供电失压和缺相时,柴油发电机起动,正常供电断路器断开,在缺相时系统报警。
•当柴油发电机或应急电源电压达到稳定状态时,则应急供电断路器会闭合•当正常供电恢复正常时,则应急供电断路器断开。
正常供电断路器将闭合投入供电,系统发出停止柴油发电机的信号,并返回正常运行状态。
正常供电模式当转换开关置于“正常 (NET)”位置时,系统会处于单一正常供电模式。
在此模式下,系统并不考虑正常供电电压是否存在,只执行下列操作:•如果柴油发电机还在运行,则将其停止•如果应急供电断路器处于闭合状态时,则将其断开•闭合正常供电断路器•当正常供电缺相时,正常供电断路器会断开,而系统会自动报警•当正常供电失压时,正常供电断路器会保持闭合。
应急供电模式当转换开关置于“应急 (EMER)”位置时。
系统会处于单一应急供电模式,并不考虑实际的正常供电电压是否存在,它将执行下列操作:•如果正常供电断路器处于闭合状态时,则将其断开。
•起动柴油发电机。
•当柴油发电机或应急电源电压达到稳定状态时,应急供电断路器会闭合•当应急供电缺相或失压时,应急供电断路器将断开。
而缺相时,系统会自动报警。
关断模式当转换开关置于“关断 (OFF)”位置时。
NZ7系列双电源说明书1、适用范围NZ7系列自动转换开关电器适用于交流工频50Hz,额定工作电压AC400V,额定工作电流至630A的三相四线双路供电电网中,自动将一个或几个负载电路从一个电源接至另一个电源,以保证负载电路的正常供电。
本产品适用于工业、商业、高层和民用住宅等较为重要的场所。
执行标准:GB/T 。
2、型号及含义3、正常工作条件周围空气温度周围空气温度上限为+40℃,下限为-5℃,且24h内平均温度不超过+35℃;海拔安装地点的海拔不超过2000m;大气条件大气的相对湿度在周围最高温度+40℃时不超过50%,在较低的温度下可以有较高的相对湿度,例如+20℃时达到90%,对于温度变化偶尔产生的凝露,应采取特殊的措施。
污染等级污染等级为3级。
4、技术参数及性能5、特性及功能NZ7系列自动转换开关电器(以下简称自动转换开关)是结合先进的数字电子控制技术的新一代CB级产品。
产品具有体积小、节能、安装方便、功能先进齐全、可靠双重联锁保护等特点。
体积小单电机传动结构,利用电机正反旋转,实现转换功能,同时使产品高度降低,减小了安装空间。
节能驱动机构采用电动机传动方式,功耗小,噪音小。
功能先进齐全双重联锁保护采用机械联锁和电气联锁双重保护,防止两路电源同时接通;其中电气联锁采用直接指示自动转换开关的断路器触头位置方式,实现真正意义的电气联锁——防止触头熔焊、断路器手柄损坏、电路故障断路器脱扣等情况下发生自动转换。
6、控制器A型控制器集成一体分体模式,安装于柜内或柜体面板,可进行柜外操作。
根据工作电源状态,决定是否从一个电源转换到另一个电源。
发动机组的控制按键式手动强制转换动作控制电压AC230V 50Hz操作:自动操作、手动操作设定延时转换延时:0180s连续可调~返回延时:0180s连续可调~显示和操作界面LED数码管显示a. 自动工作模式指示;b. 手动工作模式指示;c. 故障指示当开关出现故障或负载短路引起断路器跳闸后时此指示亮;d. 常用电源电压参数显示区在工作状态时显示常用电源电压参数及转换延时时间,在设置状态下显示设置项目符号;e. 常用电源侧电源断路器闭合、断开指示;f. 设置状态指示;g. 备用电源侧电源断路器闭合、断开指示;h. 消防联动功能启动指示;i. 常用电源侧电压、时间、频率单位;j. A、B、C相位;k. 备用电源侧电压、时间、频率单位;l. 备用电源电压参数显示区在工作状态时显示备用电源电压参数及转换延时时间,在设置状态下显示设置项目参数m. 发动机启动信号指示n. 自动、手动转换方式选择按钮在正常使用时用作自动、手动转换方式选择,在设置状态下为保存并退出功能。
NZ7系列双电源说明书1、适用范围NZ7系列自动转换开关电器适用于交流工频50Hz,额定工作电压AC400V,额定工作电流至630A的三相四线双路供电电网中,自动将一个或几个负载电路从一个电源接至另一个电源,以保证负载电路的正常供电。
本产品适用于工业、商业、高层和民用住宅等较为重要的场所。
执行标准:GB/T 14048.11。
2、型号及含义3、正常工作条件3.1 周围空气温度周围空气温度上限为+40℃,下限为-5℃,且24h内平均温度不超过+35℃;3.2 海拔安装地点的海拔不超过2000m;3.3 大气条件大气的相对湿度在周围最高温度+40℃时不超过50%,在较低的温度下可以有较高的相对湿度,例如+20℃时达到90%,对于温度变化偶尔产生的凝露,应采取特殊的措施。
3.4 污染等级污染等级为3级。
4、技术参数及性能5、特性及功能NZ7系列自动转换开关电器(以下简称自动转换开关)是结合先进的数字电子控制技术的新一代CB级产品。
产品具有体积小、节能、安装方便、功能先进齐全、可靠双重联锁保护等特点。
5.1 体积小单电机传动结构,利用电机正反旋转,实现转换功能,同时使产品高度降低,减小了安装空间。
5.2 节能驱动机构采用电动机传动方式,功耗小,噪音小。
5.3 功能先进齐全5.4 双重联锁保护采用机械联锁和电气联锁双重保护,防止两路电源同时接通;其中电气联锁采用直接指示自动转换开关的断路器触头位置方式,实现真正意义的电气联锁——防止触头熔焊、断路器手柄损坏、电路故障断路器脱扣等情况下发生自动转换。
6、控制器6.1A型控制器集成一体分体模式,安装于柜内或柜体面板,可进行柜外操作。
根据工作电源状态,决定是否从一个电源转换到另一个电源。
发动机组的控制按键式手动强制转换动作6.2控制电压AC230V 50Hz6.3操作:自动操作、手动操作6.4 设定延时转换延时:0180s连续可调~返回延时:0180s连续可调~6.5 显示和操作界面LED数码管显示a. 自动工作模式指示;b. 手动工作模式指示;c. 故障指示当开关出现故障或负载短路引起断路器跳闸后时此指示亮;d. 常用电源电压参数显示区在工作状态时显示常用电源电压参数及转换延时时间,在设置状态下显示设置项目符号;e. 常用电源侧电源断路器闭合、断开指示;f. 设置状态指示;g. 备用电源侧电源断路器闭合、断开指示;h. 消防联动功能启动指示;i. 常用电源侧电压、时间、频率单位;j. A、B、C相位;k. 备用电源侧电压、时间、频率单位;l. 备用电源电压参数显示区在工作状态时显示备用电源电压参数及转换延时时间,在设置状态下显示设置项目参数m. 发动机启动信号指示n. 自动、手动转换方式选择按钮在正常使用时用作自动、手动转换方式选择,在设置状态下为保存并退出功能。
双电源自动转换系统自动转换系统可同时对两路电源电压进行检测,当电路出现过电压或为欠电压等故障时,系统会自动控制电路的切换,实现电路自动转换的功能。
自投自复(R )、自投不自复(S )和市电—发电机(F )三种控制功能一体化。
附加通讯功能(采用ModBus-RTU 通讯协议),实时监控系统运行状态和各类参数、功能的修改与设置。
手动控制方式和自动控制方式。
简要说明技术参数控制电压:额定控制电压(Ue 为额定相电压)a. 常用电源和备用电源欠压设定值:65%〜85%Ue 连续可调b. 常用电源和备用电源返回设定值:85%〜105%Ue 连续可调c. 常用电源和备用电源过压设定值:110%〜130%Ue 连续可调+OFF 退出位置控制时间a. 常用电源和备用电源欠压断开延时时间:0.1S 〜240S 连续可调b. 常用电源和备用电源过压断开延时时间:0.1S 〜480S 连续可调c. 常用电源返回断开延时时间:0.1S 〜240S 连续可调d. 开关切换接通延时时间:0.1S 〜480S 连续可调e. 常用电源确认正常延时时间:0.1S 〜900S 连续可调使用条件工作电源:交流AC230V/50Hz ;直流DC24V 电压检测:三相五线(AC400V )直接输入工作环境:-10˚C~60˚C ,且24小时的平均值不超过35˚C ;海拔高度不超过2000米; 污染等级为3级。
双电源控制器的型号RMW 功能代号S ——自投不自复R ——自投自复F ——市电-发电机特点简要说明显示说明双电源控制器的型号面板示意图RMW-F自动转换开关智能控制器功能最全,这里以RMW-F自动转换开关智能控制器为例进行说明。
控制器的面板显示由三位数码管显示窗和状态指示灯两部分组成。
三位数码管可显示两路电源的各相电压值,延时时间值及一些设定值。
指示灯用于指示控制器的当前状态。
参数设定方法:见另附“自动转换开关使用说明书”注意:1、在设置过程中不允许影响开关正常工作。
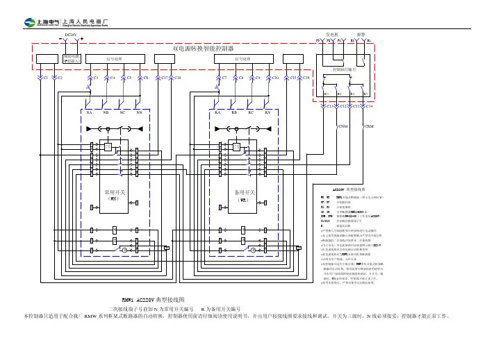
双电源自动切换电路和开关回路接线讲解图,非常值得收藏!双电源切换应用也非常广,我们简单看一下怎么用继电器,接触器实现自动切换。
两个接触器实现切换备用电源的线圈走主接触器的常闭点,主电源接触器吸合主电路导通。
主电源断电,备用电源通过主接触器的常闭点导通。
如果主电源恢复正常,备用电源断开。
当然你也可以用接触器互锁来实现,就是麻烦一点,而且主电源和备用电源同时有电时怎么办?所以还要接成顺序工作的那种,没必要那么麻烦,方法不唯一。
一个继电器两个接触器主电源的接触器线圈走继电器的常开触点,备用电源的接触器线圈走继电器的常闭触点。
主线路有电的时候,继电器吸合,常开触点闭合,主线路导通。
常闭触点断开,备用电源不工作。
当主线路断电的时候,继电器也断电。
常开触点恢复初始断开状态,主线路断开。
备用电路的接触器通过继电器的常闭触点开始工作。
双转换触点继电器这个和上面的类似,只不过这个继电器是双转换触点,通电时,两组触点闭合。
断电时两组触点闭合。
一个电器元件就可以完成。
如果A路是单相220伏电源,继电器的线圈电压也选用交流220伏的。
接触器和继电器在通断电的时候有时间差,对用电要求很高的设备或者电器会有短暂的反应。
比如灯泡明显闪烁了一下,电机停顿了一下。
如果是自锁线路,你会发现用电设备不工作了。
刚刚发生了什么?双电源转换开关这个成本有点高,需要手动。
如果动手能力强的朋友,完全可以自己动手组装一个控制电路。
电源转换肯定有短暂的时间差,不可能中间不断电达到无缝连接。
一开单控开关接线图二三开连体单控开关接线图四开连体单控开关接线图一开五孔单控插座接线图四开单控开关接线图一开五孔单控插座接线图二三开双控开关接线图一开多控开关接线图两开多控开关接线图三开多控开关接线图最牛的一个:看完之后觉得对大家有帮助的话麻烦多多转发,多多收藏,让更多的人能学到这些专业知识,非常感谢大家,如果有更好的建议意见麻烦评论区留言,我会挨个回复,谢谢大家。
双电源开关接线图说明
一、双电源开关简介
1.双电源开关也叫作双电源切换开关,是一种执行元件。
它是以单片机为结构核心,是一种安全可靠、性能晚上,自动便捷、应用范围广的开关设备。
2.双电源开关适合用在额定电流自6A至1250A及以下,
50/60Hz、690V及以下交流电环境中。
当一路电源发生欠压、断相、过压、停电、频率偏移等故障时就会切换到另一电源开关,保障了供电的安全和可靠。
3.双电源开关被广泛用在高层建筑、居民小区、机场、码头、医院、消防、化工、冶金、纺织等场所,这些都是要求不允许停电的,实现了连续供电,不需人员值守。
二、双电源开关功能简介
作为执行元件,配以单片机为核心的自动控制器和带机电联锁的控制机构,是一种性能完善、安全可靠、自动化程度高、使用范围广的双电源开。