特种设备作业人员证项目代号对照表
- 格式:doc
- 大小:119.13 KB
- 文档页数:3
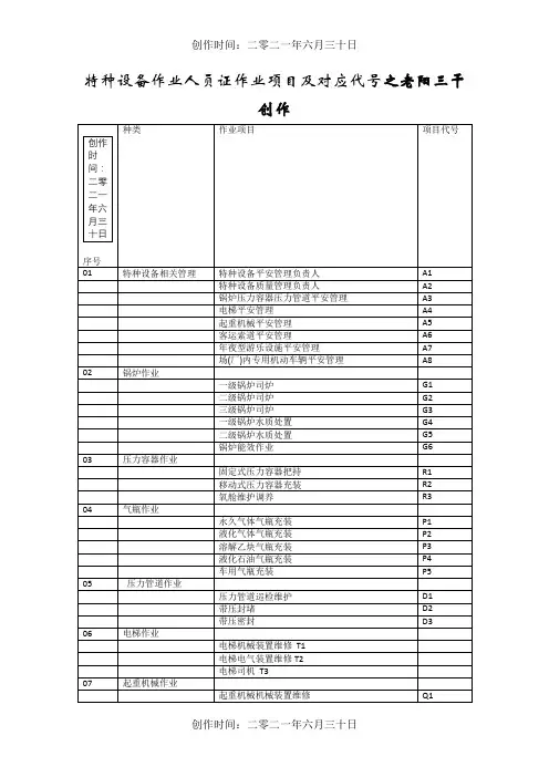
1 特种设备作业人员证作业项目及对应代号序号种类作业项目
项目代号01
特种设备相关
管理特种设备安全管理负责人
A1特种设备质量管理负责人
A2锅炉压力容器压力管道安全管理
A3电梯安全管理A4
起重机械安全管理
A5客运索道安全管理
A6大型游乐设施安全管理
A7场(厂)内专用机动车辆安全管理
A802锅炉作业
一级锅炉司炉
G1二级锅炉司炉
G2三级锅炉司炉
G3一级锅炉水质处理
G4二级锅炉水质处理
G5锅炉能效作业
G603压力容器作业固定式压力容器操作
R1移动式压力容器充装
R2氧舱维护保养
R304气瓶作业永久气体气瓶充装P1。
特种设备作业人员证书项目代号新旧对照表特种设备作业人员证书项目代号新旧对照表种类原作业人员项目与代号新作业人员项目与代号说明作业项目项目代号作业项目项目代号特种设备相关管理特种设备安全管理负责人 A1 特种设备安全管理 A特种设备质量管理负责人 A2 锅炉压力容器压力管道安全管理 A3 电梯安全管理 A4 起重机械安全管理 A5 客运索道安全管理 A6 大型游乐设施安全管理 A7 场(厂)内专用机动车辆安全管理 A8 锅炉作业一级锅炉司炉 G1 工业锅炉司炉G1 原一级锅炉司炉变更为工业锅炉司炉;原二、三级锅炉司炉依据持证人申请或实际操作锅炉情况,变更为工业锅炉司炉或电站锅炉司炉二级锅炉司炉 G2 工业锅炉司炉或电站锅炉司炉 G1 或 G2 三级锅炉司炉 G3 一级锅炉水质处理 G4 锅炉水处理 G3二级锅炉水质处理 G5 锅炉能效作业 G6 取消种类原作业人员项目与代号新作业人员项目与代号说明作业项目项目代号作业项目项目代号压力容器作业固定式压力容器操作 R1 快开门式压力容器操作 R1 依承诺具有实际快开门容器操作经验的持证人移动式压力容器充装 R2 移动式压力容器充装 R2氧舱维护保养 R3 氧舱维护保养 R3气瓶作业永久气体气瓶充装 P1 气瓶充装 P液化气体气瓶充装 P2 溶解乙炔气瓶充装 P3 液化石油气瓶充装 P4 车用气瓶充装 P5 压力管道作业压力管道巡检维护 D1 取消带压封堵 D2 带压密封 D3 电梯作业电梯机械安装维修 T1 电梯修理 T电梯电气安装维修 T2 电梯司机 T3 取消起重机械作业起重机械机械安装维修 Q1 取消起重机械电气安装维修 Q2 起重机械指挥 Q3 起重机指挥 Q1 桥门式起重机司机 Q4 起重机司机 Q2 依据原持证项目根据新版《特种设备作业人员资格认定分类与项目》的规定标注限制范围。
塔式起重机司机 Q5 门座式起重机司机 Q6 缆索式起重机司机 Q7 流动式起重机司机 Q8 升降机司机 Q9 机械式停车设备司机 Q10 取消种类原作业人员项目与代号新作业人员项目与代号说明作业项目项目代号作业项目项目代号客运索道作业客运索道安装 S1 客运索道修理 S1 客运索道维修 S2 客运索道修理 S1 原客运索道维修(限电气维修)项目依据持证人申请可以同时换发客运索道修理、客运索道司机两个项目。
特种设备作业人员证作业项目及对应代号序号种类作业项目特种设备安全管理负责人特种设备质量管理负责人锅炉压力容器压力管道安全管理特种设备相关电梯安全管理01管理起重机械安全管理客运xx安全管理大型游乐设施安全管理场(厂)内专用机动车辆安全管理一级锅炉司炉二级锅炉司炉三级锅炉司炉02锅炉作业一级锅炉水质处理二级锅炉水质处理锅炉能效作业固定式压力容器操作03压力容器作业移动式压力容器充装氧舱维护保养G4G5G6R1R2R3A5A6A7A8G1G2G3项目代号A1A2A3A4永久气体气瓶充装液化气体气瓶充装04气瓶作业溶解乙炔气瓶充装液化石油气瓶充装车用气瓶充装压力管道巡检维护05压力管道作业带压封堵带压xx电梯机械安装维修06电梯作业电梯电气安装维修电梯司机起重机械安装维修起重机械电气安装维修起重机械指挥桥门式起重机司机xx机司机07起重机械作业门座式起重机司机缆索式起重机司机流动式起重机司机升降机司机机械式停车设备司机P1P2P3P4P5D1D2D3T1T2T3Q1Q2Q3Q4Q5Q6Q7Q8Q9Q10 客运xx安装客运xx维修08客运xx作业客运xx司机客运xx编索大型游乐设施安装09大型游乐设施维修作业大型游乐设施操作水上游乐设施操作与维修车辆维修叉车司机10场(厂)内专用搬运车牵引车推顶车司机机动车辆作业内燃观光车司机蓄电池观光车司机11安全阀校验安全附件维修作业安全阀维修特种设备焊接金属焊接操作作业非金属焊接操作S1S2S3S4Y1Y2Y3Y4N1N2N3N4N5F1F2(注)12注:1.特种设备焊接作业(金属焊接操作和非金属焊接操作)人员代号按照《特种设备焊接操作人员考核细则》的规定执行。
2.表中A1、A2、A6、A7、G6、R3、D2、D3、S1、S2、S3、S4、Y1、F1、F2项目和金属焊接操作项目中的长输管道、非金属焊接操作项目的考试机构由总局指定,其它项目的考试机构由省局指定。
特种设备作业人员证作业项目及对应代号特种设备作业人员证作业项目及对应代号序号种类作业项目项目代号特种设备安全管理负责人 A1特种设备质量管理负责人 A2锅炉压力容器压力管道安全管理 A3电梯安全管理 A4 特种设备相关01管理起重机械安全管理 A5客运索道安全管理 A6大型游乐设施安全管理 A7场(厂)内专用机动车辆安全管理 A8一级锅炉司炉 G1二级锅炉司炉 G2三级锅炉司炉 G3 02 锅炉作业一级锅炉水质处理 G4二级锅炉水质处理 G5锅炉能效作业 G6固定式压力容器操作 R1 03 压力容器作业移动式压力容器充装 R2 氧舱维护保养R3 desk, loan reviewloans; loan funds; arrive (MS) charge warehousing, bookkeeping; deduct the principal and interest of loans. lending survey post responsibility have a fixed place of business; operating normally, as well, have sufficient assurance capabilities; good credit records, reputable suppliers; is c永久气体气瓶充装 P1液化气体气瓶充装 P2 04 气瓶作业溶解乙炔气瓶充装 P3液化石油气瓶充装 P4车用气瓶充装 P5压力管道巡检维护 D1 05 压力管道作业带压封堵 D2带压密封 D3电梯机械安装维修 T1 06 电梯作业电梯电气安装维修 T2电梯司机 T3起重机械机械安装维修 Q1起重机械电气安装维修 Q2起重机械指挥 Q3桥门式起重机司机 Q4塔式起重机司机 Q5 07 起重机械作业门座式起重机司机 Q6缆索式起重机司机 Q7流动式起重机司机 Q8升降机司机 Q9机械式停车设备司机 Q10cords, reputable suppliers; is cibility have a fixed place of business; operating normally, as well, have sufficient assurance capabilities; good credit relending survey post respons desk, loan reviewloans; loan funds; arrive (MS) charge warehousing, bookkeeping; deduct the principal and interest of loans. 2 客运索道安装 S1客运索道维修 S2 08 客运索道作业客运索道司机 S3客运索道编索 S4大型游乐设施安装 Y1大型游乐设施维修 Y2 大型游乐设施09 作业大型游乐设施操作 Y3 水上游乐设施操作与维修 Y4N1 车辆维修N2叉车司机场(厂)内专用10 N3搬运车牵引车推顶车司机机动车辆作业N4 内燃观光车司机N5蓄电池观光车司机安全阀校验 F1 安全附件维修11 作业安全阀维修 F2金属焊接操作特种设备焊接12 (注) 作业非金属焊接操作注:1. 特种设备焊接作业(金属焊接操作和非金属焊接操作)人员代号按照《特种设备焊接操作人员考核细则》的规定执行。