水泵并联变台数
- 格式:ppt
- 大小:493.00 KB
- 文档页数:28
「知识」水泵的串联与并联运行一、水泵串联水泵串联主要解决扬程不够的问题,经串联后的水泵,其流量不变,扬程是两泵之和。
在实际运用中为避免下游泵对上游泵的进水不足,通常将下游泵的流量调节到最佳状态,以保证上游水泵的进水充足。
其原理图如下:图中:泵“D“的出口与泵“E”的进口通过管道连接形成串联,经水泵串联后,介质先进入泵“D”的进口,经泵“D”的运行,将介质推送到泵“E”的进口,通过泵”E“的运行,将介质输送到需要的地方。
水泵串联实质是阶梯输送的延伸,何为阶梯输送?是指下游的水位太低,而要引入的位置又太高,用一台水泵运行根本无法“完成使命”。
对于串联运行,第n-1台泵的出口压力(对于长距离串联,需要减去泵之间的损失)就是第n台泵的入口压力,因此对于串联泵的承压、轴承、轴封有一定要求,否则会造成壳体断裂、轴封损坏、轴承发热等。
与并联情况一样,关闭其中一台或多台泵,剩余泵的运行工况同样会发生变化。
二、水泵并联泵的并联是指,多台泵共用一根出口管。
每台泵都有单独的止回阀。
泵并联运行后,相同扬程下的流量相加。
即:Q并=Q泵1+Q泵2+Q泵3+……+Q泵n水泵并联工作的特点:①可以增加供水量,输水干管中的流量等于各台并联泵出水量之总和;②可以通过开停泵的台数开调节泵站的流量和扬程,以达到节能和安全供水的目的。
例如:取水泵站在设计时,流量是按城市中最大日平均小时的流量来考虑的,扬程是按河道中枯水位来考虑的。
因此,在实际运行中,由于河道水位的变化,城市管网中用水量的变化等,必定会涉及取水泵站机组开停的调节问题。
另外,送水泵站机组开停的调节就更显得必要了;③水泵当并联工作的泵中有一台损坏时,其他几台泵仍可继续供水,因此,泵并联输水提高了泵站运行调度的灵活性和供水的可靠性,是泵站中最常见的一种运行方式。
在采暖系统,水泵串联、并联的作用及其适用范围当第一台水泵的出水管连接在第二台泵的吸人管时称为两台水泵串联见下图(b);当第一台水泵与第二台水泵的吸入管连接在一起,出水管也连接在一起时称为水泵的并联见下图(a)。
多台并联水泵运行台数切换方式与效率的关系多台并联水泵运行台数切换方式与效率的关系目录一、研究背景 (2)1.1水泵变频控制方式及存在的问题 (2)二、传统台数切换方式下水泵并联同步调速特性分析 (3)2.1四台水泵并联同步变速运行特性分析 (3)2.2五台水泵并联同步变速运行特性分析 (6)三、基于水泵效率的台数切换方式的提出与分析 (9)3.1传统水泵台数切换方式的不合理性分析 (9)3.2 基于水泵效率的水泵台数切换方式的提出 (11)3.3 两种台数切换方式下水泵性能的比较 (12)四、总结 (13)一、研究背景作为我国工农业领域主要的耗电设备之一,水泵被广泛应用于建筑、城市给排水、石油化工、动力工业、火力发电、船舶工业以及冶金采矿等领域,其耗电量占全国总发电量的20%左右。
目前,在建筑系统中,水泵与风机等输送设备的电力消耗约占我国城镇建筑运行电耗的10%以上。
江亿指出:在大型公共建筑供热空调电力消耗的实测中,水泵与风机的电力消耗约占60%~70%左右。
目前水泵的最高效率一般能达到75%~85%,但是在运行过程中,大多数水泵的效率在30%~50%之间,比发达国家水泵运行效率要低很多,能耗浪费比较严重,运行效率有较大的提升空间。
综上可见,水泵等设备的输送能耗占各供热空调系统总能耗比例较大,而且节能潜力巨大。
1.1水泵变频控制方式及存在的问题在较大的供热空调系统中,往往单台泵不能满足系统要求,需要多台水泵并联或串联运行,以达到流量要求。
由于多级泵的发展,水泵串联在工程实际中很少应用,多台水泵并联运行应用的则较多。
在很多系统中,水泵往往和冷热源主机进行串联连锁控制。
冷热源根据一定的方式进行启停控制,当冷热源停止运行,则相应管路上串联的水泵也会停止运行。
当水泵不与冷热源进行连锁控制时,多台水泵并联运行,大部分的台数切换控制方式是这样的,以两台水泵并联运行为例:当负荷降低时,系统所需流量减少,则逐渐降低两台水泵的转速,调节系统流量,当流量减少到正好为单台水泵在额定工况下的流量时,在此转速下运行一段时间,然后关闭其中一台水泵,另一台水泵重新回到额定转速下运行。
长沙自平衡多级泵厂整理/在选购水泵的时候如何确定泵的台数和备用率
在选购水泵的时候如何确定泵的台数和备用率:
对正常运转的泵,一般只用一台,因为一台大泵与并联工作的两台小泵相当,(指扬程、流量相同),大泵效率高于小泵,故从节能角度讲宁可选一台大泵,而不用两台小泵,但遇有下列情况时,可考虑两台泵并联合作:
1.流量很大,一台泵达不到此流量。
2.对于需要有50%的备用率大型泵,可改两台较小的泵工作,两台备用(共三台)
3.对某些大型泵,可选用70%流量要求的泵并联操作,不用备用泵,在一台泵检修时,另一台泵仍然承担生产上70%的输送。
4.对需24小时连续不停运转的泵,应备用三台泵,一台运转,一台备用,一台维修。
一般情况下,客户可提交其“选泵的基本条件”,由我司给予选型或者推荐更好的泵产品。
如果设计院在设计装置设备时,对泵的型号已经确定,按设计院要求配置。
泵(或风机)并联运行特性及常见问题分析1.概述两台或两台以上的泵(风机)向同一管路输送流体的运行方式称为并联运行,火电机组系统中的给水泵、循环水泵、凝结水泵、送风机、引风机、一次风机等主要辅机广泛采用这种运行方式。
采用并联运行方式主要是为了通过增减并联运行台数实现流量的调节,降低耗电率;其次若并联的泵(或风机)中一台发生故障,仍可维持主机低负荷运行,可以提高机组的可靠性。
掌握泵(或风机)并联运行后的特性曲线、运行工况点变化规律及可能出现的问题,对指导日常运行有很大的帮助;下面就这方面的情况进行简要阐述。
2.如何确定泵与风机并联特性曲线泵(或风机)并联运行后,有如下特征:管路中的总流量等于并联各泵(风机)流量之和;并联后管路中产生的扬程、各泵(或风机)的扬程均相等。
因此泵(或风机)并联后的性能曲线()v Q H --或()v Q P --可采用把并联各泵(或风机)的()v Q H --曲线上同一扬程(或全压)点上流量相加的方法获得。
图1及图2分别为相同性能两泵并联与不同性能两泵并联的性能曲线。
图1 相同性能两泵并联后性能曲线图2 不同性能两泵并联后性能曲线3.如何确定泵与风机并联运行工况点泵(或风机)并联运行工况点由泵并联性能曲线()v Q H --与管路阻力曲线()v c Q H --共同确定,两曲线的交点即为并联运行工况点。
求泵(或风机)并联运行工况点的关键是确定泵并联性能曲线()v Q H --与管路阻力曲线()v c Q H --,泵并联性能曲线()v Q H --的求法在第2项已经介绍,下面简要介绍一下管路阻力曲线的求法。
一般情况下,泵(或风机)并联运行的管路系统由并联管段和串联管段两部分组成,流体在管路中流动时,管路中的总阻力可表示为∑∑++=并联管段串联管段静HHH H c ;计算串联管段阻力∑串联管段H 时,流量取管路总流量v Q ;计算并联管段阻力∑并联管段H 时,流量取2vQ 。
.;. 水泵并联运行的流量变化,同型号水泵并联运行的流量变化相同型号的水泵并联运行,水泵并联运行的流量因为两台泵从同一水池吸水送往同一高地水池,即静扬程Hst相同,并且从吸水口A、B 两点至并联节点O点的管路完全相同,因此,AO、BO管段的水头损失相同,因此,两台水泵的扬程相同。
AO、BO两管段通过的流量均为Q1+2/2,OG管段通过的总流量为两台泵的流量之和。
所以,两台泵在并联运行时总流量等于两台离心泵流量之和,总扬程等于各水泵扬程。
按照横加法原则,将单台水泵同一扬程下的流量扩大两倍即可得到两台泵并联工作的(Q-H)1+2曲线。
根据上面的分析可知,两台水泵的静扬程相同,管路中的水头损失也相同,即并联之后两台水泵的扬程相等,且等于总扬程。
单泵工作时的轴功率大于并联工作时各单泵的轴功率。
因此,在选配电动机时,要根据单泵单独工作的轴功率来配套。
另外,两台泵并联工作时的总流量并不等于单台泵单独工作时流量的两倍,这种现象在多台泵并联时,就很明显。
多台同型号水泵并联工作的特性曲线同样可以用横加法求得,每增加一台水泵所增加的水量并不相同,水泵并联越多,增加的水量就越少。
以一台泵工作流量为100,当两台水泵并联的流量为190,比单泵工作时增加了90,三台泵并联的总流量为251,比两台泵并联时增加了61,四台泵并联的总流量为284,比三台泵并联增加了33,无台泵并联的总流量为300,仅比四台泵并联增加了16.由此可见,当水泵并联台数4-5台以上时,增加的流量很小,已经没有意义了。
每台水泵的工况点,随着并联水泵台数的增多,而向扬程高的一侧移动。
台数过多就可能使工况点移出高效段范围。
所以,是否通过增加并联工作的水泵台数来增加水量,要通过工况分析和计算决定,不能简单地理解增加水泵台数就能成倍增加水量。
尤其是改扩建工程,更要认真分析计算水泵并联工况,才能确定。
水泵的并联运行水泵并联运行的流量受多方面因素的影响,水泵的Q-H 曲线图与G—H曲线图能比较直观的反映出水泵的工作点及并联流量增量等。
本文主要介绍了水泵的并联运行的概念与特点,以及在实际生产中的运行情况和效率问题。
标签:水泵;并联运行;效率1 水泵并联运行的概念水泵按运行方式可分为串联运行与并联运行,与电路中的并联串联相似。
并联运行的目的,是在压力相同时,增加流体的输送量,扬程不变。
并联运行的特点是:每台水泵所产生的扬程相等,总的流量为每台泵流量之和。
本文主要探讨了关于多台水泵并联运行的相关问题。
当需要增加系统中的流量时,需采用两台或多台泵并联运行,这时可以认为水泵入口与出口是处在相同的压头下运行的。
而且在总管中的输出流量则为各个水泵流量之和。
按此原理可以绘制出各个水泵并联运行的性能曲线(G—H曲线),如图1所示。
并联运行时泵的总性能曲线是每台泵的性能曲线在同一扬程下各流量相加所得的点相连而成的光滑曲线。
泵的工作点是泵的总性能曲线与管道特性曲线的交点。
2 离心泵的工作点离心泵Q-H曲线上任一点都是一个工作点,并对应一组参数,离心泵在运行时,都希望它在对应最高效率点的工作点下工作,但是不一定能做到。
这是因为离心泵运转时在性能曲线上哪一点工作,是由离心泵性能曲线与管路特性曲线共同决定的。
所谓管路特性曲线,是指管路情况一定时(即管路进、出口液流的压力、输液高度等已定),液体流过该管路时需要外加能量H与流量Q之间的关系曲线。
3 采用开启台数进行调节可能出现的超载问题与△G对于两台及以上水泵并联运行,无论是设计人员,还是用户,都有这样的意识:根据负荷的大小,改变开启的台数,即负荷大时多开,负荷小时少开。
应当说,这也是采用并联的一个重要原因。
但是,如果水泵的并联流量增量ΔG过小,改变开启台数时有可能造成水泵电机的超载。
如图1所示,并联运行工况为A,并联运行时的单机工况为B,单台运行时的工况为C。
显然单台运行时的流量GC大于并联运行时的单机流量GB,ΔG=(GA-GC)越小,GC就越大。
水泵的并联运行名词解释水泵是一种常见的机械设备,用于将液体从一个地方输送到另一个地方。
在许多情况下,单个水泵可能无法满足系统的需求。
为了增加流量和改善系统的稳定性,可以使用多台水泵并联运行。
本文将解释水泵的并联运行,并对其中的一些关键术语进行解释。
首先,让我们来了解一下什么是水泵的并联运行。
水泵的并联运行指的是将两台或更多台水泵以平行的方式连接在一起,以增加系统的流量和扩展系统的运行范围。
在并联运行中,每台水泵都独立地从源头吸取液体,然后将其推送到共同的管道或系统中。
这样做可以使得系统能够适应更高的需求,并提高整个系统的可靠性。
在水泵的并联运行中,有几个重要的术语需要解释。
首先是流量(Flow)和扬程(Head)的概念。
流量是指单位时间内通过系统的液体体积,通常以单位时间内流经水泵的液体体积来衡量。
扬程则是指水泵克服液体的阻力所需的能量,也可以理解为水泵向液体输送能量的能力。
另一个重要的术语是总扬程(Total Head),它是系统中的整体能量损失。
总扬程等于每个水泵的扬程之和。
当水泵并联运行时,总扬程的增加取决于每个水泵的工作点。
工作点是指水泵在特定流量下的流量和扬程值。
当多台水泵并联时,每个水泵会有不同的工作点,这取决于水泵的性能曲线和系统的需求。
水泵的并联运行还涉及到另一个重要的术语:负荷均衡。
负荷均衡指的是使所有并联的水泵在工作过程中承担大致相同的工作量。
这是通过调整每个水泵的进口阀门或出口阀门来实现的。
通过调整阀门的开口程度,可以实现不同水泵之间的负荷均衡,从而使其能够更加高效地工作。
水泵的并联运行还需要考虑到一些问题,例如流量变化和系统的运行方式。
当系统需求发生变化时,需要相应地调整水泵的数量和工作方式。
如果流量变化较大,人们可能需要增加或减少水泵的数量,或者根据需求的变化重新配置系统的并联组合。
此外,水泵的并联运行还需要考虑到水泵的选择和控制。
在选择水泵时,需要考虑其性能曲线和工作范围,以确保水泵能够适应系统的需求。
水泵的并联与串联计算公式水泵是工业生产中常用的设备,用于输送液体或压缩气体。
在一些情况下,需要将多个水泵进行并联或串联以满足特定的流量和压力要求。
本文将介绍水泵的并联与串联计算公式,帮助读者了解如何进行水泵的并联与串联设计。
首先,我们来介绍一下水泵的并联与串联的概念。
水泵的并联是指将多个水泵同时工作,以增加流量;水泵的串联是指将多个水泵依次连接,以增加压力。
在实际应用中,通常需要根据具体的工艺要求和管道系统来选择并联或串联的方式。
一、水泵的并联计算公式。
水泵的并联计算公式可以通过以下公式来计算总流量:Q = Q1 + Q2 + Q3 + ... + Qn。
其中,Q表示总流量,Q1、Q2、Q3...Qn表示每个水泵的流量。
在水泵的并联中,每个水泵的流量相加即为总流量。
在实际应用中,需要根据具体的工艺要求和管道系统来确定所需的总流量,然后选择合适数量的水泵进行并联。
水泵的并联还需要考虑系统的阻力特性,通常需要通过管道系统的阻力曲线来确定每个水泵的工作点,以保证系统的稳定运行。
在进行水泵的并联设计时,需要综合考虑流量、阻力特性、水泵的性能曲线等因素,以确保水泵系统的正常运行。
二、水泵的串联计算公式。
水泵的串联计算公式可以通过以下公式来计算总扬程:H = H1 + H2 + H3 + ... + Hn。
其中,H表示总扬程,H1、H2、H3...Hn表示每个水泵的扬程。
在水泵的串联中,每个水泵的扬程相加即为总扬程。
在实际应用中,需要根据具体的工艺要求和管道系统来确定所需的总扬程,然后选择合适数量的水泵进行串联。
在进行水泵的串联设计时,还需要考虑水泵的性能曲线和系统的工作点。
通常需要通过系统的工作点来确定每个水泵的工作条件,以保证系统的稳定运行。
在进行水泵的串联设计时,需要综合考虑扬程、工作点、水泵的性能曲线等因素,以确保水泵系统的正常运行。
三、水泵的并联与串联的应用。
水泵的并联与串联在工业生产中有着广泛的应用。
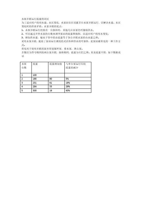
水泵并联运行流量的误区
为了适应用户的用水量、水压变化,水泵站往往设置多台水泵并联运行,以解决水量、水压变化时的供需矛盾。
水泵并联的优点:
1、水泵并联运行的泵有一台损坏时,其他几台水泵仍可继续供水;
2、可以通过开停水泵的台数来调节泵站的流量和扬程,以适应用户的用水变化;
3、增加供水量,输水干管中的总流量等于各台并联水泵的出水量之和。
采用水泵并联,提高了泵站运行调度的灵活性和供水的可靠性,是泵站最常见的一种工作方式。
常见用于使用并联的泵有管道循环泵,排水泵,离心泵。
多数以为型号相同的两台泵并联,扬程相同,流量为它们之和。
其实流量不然,如下数据说话
水泵台数流量流量增加值与单台泵运行比较
流量的减少
1100
2190905% 32516116% 42843329% 53001640%
有上表数据可见:水泵并联运行时,流量有所衰减;当并联台数超过3台时,衰减尤为厉害。
故强烈建议:1.选用多台水泵时,要考虑流量的衰减,留有余量。
2.空调系统中水泵并联不宜超过3台,即进行制冷主机选择时也不宜超过三台。
图文分析水泵的并联曲线图本文前面是简单说明, 后面是用公式计算, 大部分朋友看前面部分即可, 后面公式计算部分在义维科技开发的软件系统中已有此功能.简单图文分析泵的运行状态泵的状态参数泵的基本参数泵的状态参数1. 由流量扬程曲线图看出,两台水泵并联工作时的总流量并不等于单台泵工作时流量的两倍。
管路特性曲线越陡,增加的流量越少。
根据工作中总结:两台泵并联时流量减少5%—10%,三台泵并联时流量减少20%左右。
2. 水泵并联工作不仅能增加流量,扬程也有少量增加。
3. 一台水泵单独工作时的功率要远远大于并联工作时单台泵的功率,所以选配电动机时应根据一台水泵单独工作时的功率来进行选择。
软件辅助分析并联特性曲线的绘制(动画)装置曲线的绘制(动画)公式计算分析并联特性曲线的绘制在绘制水泵并联性能曲线时,先把并联的各台水泵的Q-H曲线绘在同一坐标图上,然后把对应于同一H值的各个流量加起来。
如图1所示,吧I号泵Q-H曲线上的1、1′、2″各点的流量相加,则得到I、II号水泵并联后的流量3、3′、3″,然后连接3、3′、3″各点即得水泵并联后的总和(Q-H)1 2曲线。
这种等扬程下流量叠加的方法,实际上时将管道水头损失视为零的情况下来求并联后的工况点。
因此,同型号的两台(或多台)泵并联后的总和流量将等于某扬程下各台泵流量之和。
事实上,管道水头损失是必须考虑的,所以,寻求并联工况点的图解就没有那样简单。
水泵并联Q-H曲线同型号、同水位的两台水泵的并联工作(1)绘制两台水泵并联后的总和(Q-H)1 2曲线。
由于两台水泵同在一个吸水井中抽水,从吸水口A、B两点至压水管交汇点O的管径相同,长度也相等,故∑hAO=∑hBO,AO与BO管中,通过的流量均为Q/2,由OG管中流进水塔的总流量为两台泵水量之和。
因此,两台泵联合工作的结果,是在同一扬程下流量相叠加。
为了绘制并联后的总和特性曲线,我们可以先不考虑管道水头的损失,在(Q-H)1,2曲线上任取几点,然后,在相同坐标值上把相应的流量加倍,即可得1′,2′,3′,…,m′点,用光滑曲线连接起1′,2′,3′,…,m′点,绘出一条并联后的总和特性曲线(Q-H)1 2如图2所示。
水泵并联运行情况由上表可见:水泵并联运行时,流量有所衰减;当并联台数超过3台时,衰减尤为厉害。
故强烈建议:1.选用多台水泵时,要考虑流量的衰减,留有余量。
2.空调系统中水泵并联不宜超过3台,即进行制冷主机选择时也不宜超过三台。
一般,冷冻水泵和冷却水水泵的台数应和制冷主机一一对应,并考虑一台备用。
补水泵一般按照一用一备的原则选取。
深井泵选型要点深井泵是一种立式多级离心泵,它能从深井把水提上来。
随着地下水位的下降,深井泵的使用比一般离心泵使用更广泛。
但是,有的用户由于选择不当,出现了装不进去、出水不足,抽不上水来,甚至将机井损坏等问题。
那么,用户怎样选择深井泵呢?一、根据井的出水量,选定井泵的流量。
每一眼井都有一个经济上最优的出水量,水泵的流量应等于或小于机井水位下降到井水深度一半时的出水量。
当抽水量大于机井出水量时,会引起机井壁坍塌淤积,影响井的使用寿命;若抽水量过小,井的效益就得不到充分发挥。
所以,最好的办法是对机井进行抽水试验,以水井可能提供最大的出水量为选定井泵流量的依据。
水泵流量,以厂牌型号或说明书上标注的数字为准。
二、井水含沙量超过万分之一的机井,不宜安装使用深井泵。
因为井水含沙量过大,如超过0.1%时,将加速橡胶轴承的磨损,引起水泵振动,缩短水泵寿命。
三、根据井径、水质初定泵型。
不同类型的泵对井孔直径的大小都有一定的要求,水泵的最大外形尺寸要小于井径25~50mm。
若井孔歪斜,则泵的最大外形尺寸还应小些。
总之,泵体部分不能紧靠井内壁,以防水泵振动将井损坏。
四、根据井水位下降深度和输水管路水头损失,确定井泵实际需要的扬程,即井泵的扬程,它等于水位到出水池水面的垂直距离(净扬程)加上损失扬程。
损失扬程通常为净扬程的6~9%,一般为1~2m。
水泵最下面的一级叶轮入水深度以1~1.5m为宜。
水泵管井下部分的总长度不应超过水泵说明书上规定的入井最大长度。
2.1水泵并联运行的一般情况水泵并联运行的主要目的是增大所输送的流量。
但流量增加的幅度大小与管路性能曲线的特性及并联台数有关。
图4所示为两台及三台性能相同的 20sh-13型离心泵并联时,在不同陡度管路性能曲线下流量增加幅度的情况,从图 可见,当管路性能曲线方程为hc=20+10q2时(q 的单位为m3∕s ),从图中查得:200 400 600 800 1000 1200 1400 1600图2-4不同陡度管路性能曲线对泵并联效果的影响比较两组数据可以看出:管路性能曲线越陡,并联的台数越多,流量增加的幅度就越小。
因此,并联运行方式适用于 管路性能曲线不十分陡的场合,且并联的台数不宜过多。
若实际并联管路性能曲线很陡时,则应采取措施,如增大管 径、减少局部阻力等,使管路性能曲线变得平坦些,以获得好的并联效果。
一般的供水系统都采用多台泵并联运行的方式,并且采用大小泵搭配使用,目的是为了灵活的根据流量决定开泵的台 数,降低供水的能耗。
一台泵单独运行时:q1=730l∕s (100%)两台泵关联运行时:q2=1160l∕s (159%) 三台泵并联运行时:q3=1360l∕s (186%)但当管路性能曲线方程为hc=20+100q2 时(q 一台泵单独运行时:q1=450l∕s (100%) 二台泵并联运行时:q2=520l∕s (116%) 三台泵并联运行时:q3=540l∕s (120%)的单位为 m3∕s ),从图2-4可查出:2-70个 H(m) 60 50 40 30 20 10Hc=20+100Q aHc=20+10Q供水高峰时,几台大泵同时运行,以保证供水流量;当供水负荷减小时,采用大小泵搭配使用,合理控制流量,晚上或用水低谷时,开一台小泵维持供水压力。
多台并联运行的水泵,一般采用关死点扬程(或最大扬程)相同,而流量不同的水泵。
这些泵并联运行时,每台泵的出口压力即为母管压力,且一定大于每一台泵单泵运时的出口压力(或扬程):(管道系统不变)hn=ha2=hb2=hc2 .......... > ha1、hb1、hc1并联运行泵的总出口流量为每台泵出口流量之和,且每台泵的流量一定小于该泵单泵运行时的流量:(管道系统不变) qn=qa2 + qb2 + qc2........ V qa1 + qb1 + qc1 + .........若并联运行的泵的扬程不同,而且流量也不同时,则在并联运行时扬程低的泵的供水流量会比单泵运行时减小很多。
科技信息SCIENCE&TECHNOLOGYINFORMATION2013年第7期0前言循环冷却水系统是电站各系统中运用非常广泛,但是此系统能耗相对较高。
因此,如何能使该系统在满足机组安全、稳定运行的基础之上更能经济运行便成为人们关注的焦点问题。
基于天然河流作为电站循环冷却水的水源要随季节变化而变化的是实际情况,那么怎样才能根据河流水位的变化来调整泵的转速以及运行台数,以保证其输出流量的变化下能耗为最小则是本文将要研究的重点问题。
现在以图1所示[1]的供热机组循环冷却水系统为例,进行研究分析:图1电站循环冷却水系统图图2多泵并联开式系统示意图1运行参数的确定1.1工频转速时水泵特性方程的确定图2为图1的简化示意图,与此相对应的变工况下水泵及管路特性曲线如图3所示,其中Ⅰ0、Ⅱ0、Ⅲ0、Ⅳ0和Ⅰi 、Ⅱi 、Ⅲi 、Ⅳi 分别表示在工频转速和变转速时的不同台数水泵并联状态下的特性曲线;而g 0、g i 则分别表示在水源水位不同时所对应的管路特性曲线。
为了便于问题的定量分析,现将这两种特性曲线的拟定方程设定为:H=α0+α1q v +α2q 2v(1)η=β1q v +β2q 2v +β3q 3v(2)式中,H —水泵扬程,mH 2O ;η—水泵效率,%;q v —水泵的流量,m 3/h ;α0、α1、α2—水泵H b -q v 曲线拟合系数,其单位分别为m 、h/m 2、h 2/m 5;β1、β2、β3—水泵ηb -q v 曲线拟合系数,其单位分别为h/m 3、h 2/m 6、h 3/m 9。
图3多泵并联及管路特性曲线1.2管路特性方程的确定其特性方程可表示为:H g =(H c +H r )+Sq v2(3)式中:H g -管路系统的阻力,mH 2O ;H c 、H r —泵中心距系统出、入口的静水压头,mH 2O ;S —管路系统的阻力数,s 2/m 5。
对于已经投入运行的系统,其中:S =H g -(H c +H r )q v2(4)1.3工频转速时单泵特性曲线的拟合图4入口水位变化对泵系统工作点的影响循环冷却水系统多泵运行台数的合理选择依据王德静王连庆韩国彬(东营市供热管理处,山东东营257091)【摘要】基于以2台50MW 抽凝式供热机组配有4台“32Sh-19”型离心式水泵组成的母管制循环冷却水系统的电站为例,确定了水泵在工频和变频调转速时单泵或多泵并联运行合成的特性曲线拟合方法;导出适应水源水位变化所确定的各运行参数的计算公式;通过例题合理选择运行台数,纠正了运行台数越少越好的习惯认识,同时对于多泵供水系统的优化运行提供了一定的参考依据。
三台相同性能水泵并联实验的研究作者:袁天正来源:《科学与财富》2017年第28期摘要:本文主要介绍了对三台相同性能水泵并联的研究。
其中包括管路设计、管路水力计算、水泵及各种附件的选择等。
并通过对相同性能水泵单台运行与相同性能水泵多台并联运行的比较,得出了水泵并联时总流量增加,为并联时每一台水泵流量之和。
但随着并联水泵台数的增加总流量增加的趋势变缓。
并联后总扬程与并联中每一台水泵的扬程相等,比每台水泵单独运行时提高,且趋势也是随着并联水泵台数的增加提高的趋势变缓。
关键词:水泵并联,水泵实验,水力计算1引言1.1水泵并联运行水泵并联就是通过联络管共同向一个高地水池或一个城市给水管网送水的水泵工作情况。
水泵并联运行可以通过开停水泵的台数来调节泵站的流量和扬程以适应用户的用水变化,泵有一台损坏时其他几台水泵仍可继续供水。
提高了泵站运行调度的灵活性和供水的可靠性,是泵站最常见的一种工作方式。
2三台性能相同水泵并联实验的基本数据2.1 水泵IS50—32—125型水泵,其参数为流量12.5L/h扬程20m必须汽蚀余量2m2.2管路的设计吸入垂直段:1.5m 吸入水平段:0.8m压出垂直上升段:2.5m 压出合流垂直下降段:3m压出水平段:1m 压出合流水平段:2m3单台水泵工作水力计算3.1管路直径的选择根据水泵的额定流量为12.5L/h可估计三台水泵并联工作时总流量为30L/h左右。
选择吸入管允许流速为cyx=2 m/s 压出管允许流速为cyx=4m/sd=1128(qv/cyx)0.5可求出吸入管直径:d1=1128×(12.5/3600×2)0.5 =33.234m/s故选择标准管径:d1=32㎜压出管直径:合流前d2=1128×(12.5/3600×4)0.5=33.234m/s合流后d3=1128×(30/3600×4) 0.5=51.486m/s故选择标准管径: d2=32㎜ d3=50㎜3.2 计算沿程阻力损失3.2.1沿程阻力系数λ的求取吸入管:Δ′/d =0.25/50=0.005压出管:Δ′/d=0.25/32=0.008查莫迪图:直径32㎜管路λ=0.0300 直径50㎜管路=0.03253.2.2沿程阻力损失的求取hfw=λ(l/d)c2/2g吸入管:直径50㎜管路hfw=0.030×(2.300/0.050)×1.7692/2×9.8=0.220m 压出管:直径32㎜管路hfw=0.0325×(1.500/0.032)×4.3202/2×9.8=1.451m 直径 50 ㎜管路hfw=0.030×(7.000/0.050)×1.7692/2 9.8=0.671m总的沿程阻力损失hfw=0.220+1.451+0.671=2.342m3.3计算局部阻力损失hjw=ζ水泵进口装置:ζ=10 hjw=10×1.7692/2×9.8=1.600m吸入弯头: hjw=0.230×1.7692/2×9.8=0.037m压出弯头: hjw=3×0.230×1.7692/2×9.8=0.110m变径:选取θ=6°故取η=0.130 c2=4×12.5/3600×3.14×0.12=0.442m/s渐扩32㎜变100㎜ζ=η =0.130× =9.989hjw=9.989×0.4422/2×9.8=0.100m渐扩50㎜变100㎜ζ=η =0.130× =1.170hjw=1.170×0.4422/2×9.8=0.012m由选取ε=0.620渐缩100㎜变50㎜ζ=η(1/ε-1) =0.130×hjw=2×0.049×1.7692/2×9.8=0.016m截止阀:选取开度=100% 故ζ=3.9hjw=3.9×4.3202/2×9.8=3.713m总的局部阻力损失:=1.600+0.037+0.110+0.100+0.012+0.013+3.713=5.588m 3.4管路水力较核3.4.1水泵扬程较核总的管路损失 hw=hfw+hjw= 2.342+5.588=7.930HB=hw+Hg+HuHB=7.930+1.5+2.5=11.93m水泵的额定扬程为H=20m所以H>HB所以水泵较核合格。