城市污水再生利用城市杂用水水质标准
- 格式:doc
- 大小:60.50 KB
- 文档页数:3
城市污水再生利用城市杂用水水质标准一、城市污水再生利用城市杂用水水质标准1、总有机碳(TOC):总有机碳是指污水中有机物的总量,一般按照比重计算,单位为mg/L,城市污水再生利用城市杂用水的总有机碳标准为5mg/L。
2、氨氮:氨氮是指氨和氮的总量,单位为mg/L,城市污水再生利用城市杂用水的氨氮标准为1.5mg/L。
3、总磷:总磷是指污水中磷的总量,单位为mg/L,城市污水再生利用城市杂用水的总磷标准为0.5mg/L。
4、总氮:总氮是指污水中氮的总量,单位为mg/L,城市污水再生利用城市杂用水的总氮标准为3mg/L。
5、化学需氧量(COD):化学需氧量是指污水中有机物的氧化能力,单位为mg/L,城市污水再生利用城市杂用水的COD标准为10mg/L。
6、悬浮物:悬浮物是指污水中可以悬浮在水面上的物质,单位为mg/L,城市污水再生利用城市杂用水的悬浮物标准为5mg/L。
7、色度:色度是指污水中的色彩,单位为度,城市污水再生利用城市杂用水的色度标准为15度。
8、水温:水温是指污水中的温度,单位为摄氏度,城市污水再生利用城市杂用水的水温标准为25摄氏度。
二、城市污水再生利用城市杂用水水质控制1、污水处理:城市污水再生利用城市杂用水的水质控制,首先要进行污水处理,采用生物处理、化学处理、物理处理等方法,以达到污水净化的目的。
2、污水排放:城市污水再生利用城市杂用水的水质控制,其次要进行污水排放,采用排放标准、排放管理、排放控制等方法,以达到污水排放的目的。
3、水质监测:城市污水再生利用城市杂用水的水质控制,最后要进行水质监测,采用定期监测、定点监测、定性监测等方法,以达到水质监测的目的。
综上所述,城市污水再生利用城市杂用水水质标准为:总有机碳5mg/L,氨氮1.5mg/L,总磷0.5mg/L,总氮3mg/L,COD10mg/L,悬浮物5mg/L,色度15度,水温25摄氏度。
城市污水再生利用城市杂用水水质控制,需要进行污水处理、污水排放和水质监测。
城市污水再生利用景观环境用水水质所属分类:性质:强制性有效性:现行状态:制定发文单位:国家质量监督检检疫总局文号:GB/T 18921-2002发布日期:2002-12-20实施日期:2003-05-01城市污水再生利用景观环境用水水质前言为贯彻我国水污染防治和水资源开发方针,提高用水效率,做好城镇节约用水工作,合理利用水资源,实现城镇污水资源化,减轻污水对环境的污染,促进城镇建设和经济建设可持续发展,制定《城市污水再生利用》系列标准。
《城市污水再生利用》系列标准目前拟分为五项:——《城市污水再生利用分类》——《城市污水再生利用城市杂用水水质》——《城市污水再生利用景观环境用水水质》——《城市污水再生利用补充水源水质》——《城市污水再生利用工业用水水质》本标准为第三项。
本标准是在CJ/T95-2000《再生水回用于景观水体的水质标准》的基础上制定的。
本标准与CJ/T 95—2000相比主要变化如下:——提出了再生水的使用准则。
——根据《城市污水再生利用分类》将再生水的应用范围及使用方式进行了重新界定,以景观环境用水取代了原来的景观水体.明确了水景类作为景观环境用水的一部分的概念。
——细分了景观环境用水的类别,将原来的CJ/T95-20O0中的人体非直接接触和人体非全身性接触替换为观赏性景观环境用水和娱乐性景观环境用水两大类别,同时每个类别又根据水质要求的不同而被分为河道类、湖泊类与水景类用水。
——放宽了消毒途径,对于不需要通过管道输送再生水的现场回用情况,不限制采用加氯以外的其他消毒方式。
——考虑了与人群健康密切相关的毒理学指标。
——水质指标共计14项,对原来的CJ/T95-2000中的水质指标进行了部分调整(增加了3项;浊度、溶解氧、氨氮;删减了5项:化学需氧量、溶解性铁、总锰、全盐量、氯化物。
替换了2项:以粪大肠菌群替换了大肠菌群,以总氮替换了凯氏氮)。
——增加了“参考文献”。
本标准自实施之日起,CJ/T 95-2000同时废止。
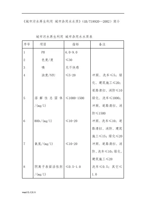
《城市污水再生利用城市杂用水水质》(GB/T18920—2002)简介城市污水再生利用城市杂用水水质表5.2.3 《城市污水再生利用景观环境用水水质》(GB/T18921—2002)简介(1)基本指标*作为景观环境用水的再生水应没有明显可见漂浮物,没有令人不愉快的嗅和味;*PH值过高过低,将使水中许多化合物的毒性增大,从而对人体和植物造成不良影响。
故PH=6-9(2)常规指标(包括BOD、SS、浊度、DO)*BOD、SS与色度、嗅和味直接相关,可用于控制景观环境水的有机污染,防止黑臭的发生。
·观赏性景观环境用水要求:BOD≤10mg/l、SS≤20mg/l (河道类);BOD≤6mg/l mg 、SS≤10mg/l(湖泊类、水景类)·娱乐性景观环境用水要求:BOD≤6mg/l mg*浊度与SS相近,更直接地标志着景观水的澄清程度。
·观赏性景观环境用水要求:DO≥1.5mg/l·娱乐性景观环境用水要求: DO≥2.0mg/l(3)营养盐指标(包括TN、TP、NH3-N三项)营养盐的存在是造成水体富营养化的直接原因,必须加以有效控制。
“八五”国家科技攻关课题研究的污水回用试验表明,一般条件下,TP为水体富营养化的主要控制因素,限制TP≤0.5 mg/l以下,可有效地控制富营养化的程度。
“七五”、“八五”试验研究还表明,在采用化学除磷时,TP可控制在0.5 mg/l以下,采用脱氮工艺的条件下,TN可控制在10mg/l以下;不采用脱氮工艺时,TN可控制在30mg/l以下。
景观环境用水水质标准规定:·湖泊类、水景类景观环境用水:TP≤0.5 mg/l,TN≤15mg/l,NH3-N≤5 mg/l·河道类景观环境用水:TP≤1.0 mg/l,TN≤15mg/l,NH3-N≤5 mg/l(4)卫生学指标(包括粪大肠菌群、余氯二项)·观赏性景观环境用水要求:河道类、湖泊类粪大肠菌群≤10000个/L;水景类粪大肠菌群≤2000个/L·娱乐性景观环境用水要求:河道类、湖泊类粪大肠菌群≤500个/L;水景类粪大肠菌群不得检出。
城市污水再生利用城市杂用水水质标准2002城市污水再生利用城市杂用水水质标准2002
2002年发布的《城市污水再生利用水水质标准》是我国在城市污水再生利用方面的第一项综合性标准,主要针对城市污水经过处理后再生利用的水质要求进行规定。
以下是该标准的主要内容:
1.适用范围:该标准适用于城市污水处理厂处理后的再生利用水,包括景观用水、农业用水、生活用水、工业用水等。
2.水质指标:标准规定了再生利用水的各项水质指标,包括化学需氧量、总氮、总磷、悬浮物、苯乙烯、重金属等。
3.细菌指标:标准要求再生利用水中的大肠菌群、大肠杆菌和菌落总数应符合规定的标准。
4.健康标准:标准规定了再生利用水中可溶性有机物、有机污染物、农药、重金属等对人体健康的安全标准。
5.使用要求:标准规定了不同再生利用水的使用要求,包括景观用水的喷洒方式、农业用水的灌溉量和频次、生活用水的接触方式等。
6.监测要求:标准要求对再生利用水进行定期监测,确保其水质稳定和符合标准要求。
2002年的《城市污水再生利用水水质标准》是我国在城市污水再生利用方面的一个重要里程碑,为城市污水处理厂提供了水质标准参考,并推动了城市污水再生利用的发展和应用。
然而,由于社会经济发展和环境变化,标准本身需要不断更新和完善。
随着科技的进步和环境意识的提高,城市污水再生利用水质标准也已经进行了多次修订和更新,以适应不断变化的环境需求和技术进步。
近年来,随着新型污水处理技术的出现,越来越多的城市开始尝试更高水质要求的污水再生利用,例如超滤、反渗透等技术。
因此,未来城市污水再生利用的水质标准将更加严格和完善,以确保再生利用水的安全性和可持续性。
城市污水再生利用城市杂用水水质标准2002
2002年《城市污水再生利用城市杂用水水质标准》明确规定,城市污水再生利用城市杂用水水质必须符合市政给水水质和国家健康标准的要求。
污水再生利用城市杂用水的水质,在物理性能指标、化学性能指标、微生物性能指标和毒理学性能指标四方面均应达到给水标准要求。
物理性能指标主要包括:PH值6.5-8.5;化学性能指标主要包括:氯化物<200mg/L,硫化物<25mg/L;微生物性能指标主要包括总大肠杆菌数限制在2000CFU/100mL以下;毒理学性能指标主要包括:有机挥发物无害类型,不含TFHC。
城市污水再生利用景观环境用水水质所属分类:性质:强制性有效性:现行状态:制定发文单位:国家质量监督检检疫总局文号:GB/T 18921-2002发布日期:2002-12-20实施日期:2003-05-01城市污水再生利用景观环境用水水质前言为贯彻我国水污染防治和水资源开发方针,提高用水效率,做好城镇节约用水工作,合理利用水资源,实现城镇污水资源化,减轻污水对环境的污染,促进城镇建设和经济建设可持续发展,制定《城市污水再生利用》系列标准。
《城市污水再生利用》系列标准目前拟分为五项:——《城市污水再生利用分类》——《城市污水再生利用城市杂用水水质》——《城市污水再生利用景观环境用水水质》——《城市污水再生利用补充水源水质》——《城市污水再生利用工业用水水质》本标准为第三项。
本标准是在CJ/T95-2000《再生水回用于景观水体的水质标准》的基础上制定的。
本标准与CJ/T 95—2000相比主要变化如下:——提出了再生水的使用准则。
——根据《城市污水再生利用分类》将再生水的应用范围及使用方式进行了重新界定,以景观环境用水取代了原来的景观水体.明确了水景类作为景观环境用水的一部分的概念。
——细分了景观环境用水的类别,将原来的CJ/T95-20O0中的人体非直接接触和人体非全身性接触替换为观赏性景观环境用水和娱乐性景观环境用水两大类别,同时每个类别又根据水质要求的不同而被分为河道类、湖泊类与水景类用水。
——放宽了消毒途径,对于不需要通过管道输送再生水的现场回用情况,不限制采用加氯以外的其他消毒方式。
——考虑了与人群健康密切相关的毒理学指标。
——水质指标共计14项,对原来的CJ/T95-2000中的水质指标进行了部分调整(增加了3项;浊度、溶解氧、氨氮;删减了5项:化学需氧量、溶解性铁、总锰、全盐量、氯化物。
替换了2项:以粪大肠菌群替换了大肠菌群,以总氮替换了凯氏氮)。
——增加了“参考文献”。
本标准自实施之日起,CJ/T 95-2000同时废止。
标准化管理处编码[BBX968T-XBB8968-NNJ668-MM9N]城市污水再生利用城市杂用水水质GB/T18920-2002前言为贯彻我国水污染防治和水资源开发方针,提高水利真是用率、做好城市节约用水工作,合理利用水资源,实现城市污水资源化,减轻污水对环境的污染,促进城市建设和经济建设可持续发展,制定《城市污水再生利用》系列标准。
《城市污水再生利用》系列标准目前拟分为五项:——《城市污水再生利用分类》——《城市污水再生利用城巾杂用水水质》——《城市污水再生利用景观环境用水水质》——《城市污水再生利用补充水源水质》——《城市污水再生利用工业用水水质》本标准为第二项。
本标准是在CJ/T48-1999《生活杂用水水质标准》基础上制定的。
本标准主要变化如下:(1)用水类别增加消防及建筑施工杂用水;(2)水质项LI增加溶解氧,删除了氯化物、总硬度、化学需氧量、悬浮物;(3)水质类别由2个增加到5个;(4)水质指标值进行了相应调整。
本标准自实施之日起,CJ/T48——1999同时废止。
本标准由中华人民共和国建设部提出。
本标准山建设部给水排水产品标准化技术委员会归口。
本标准山中国市政工程中南设讣研究院负责起草本标准主要起草人:张怀宇、李树苑、杨文进、张小平、魏桂珍、张赐承1范围本标准规定了城市杂用城市杂用水规定了城市杂用水水质标准、釆样及分析方法。
本标准适用于厕所便器冲洗、道路清扫、消防、城市绿化、车辆冲洗、建筑施工杂用水。
2规范性引用文件下列文件中的条款通过本标准的引用而成为本标准的条款。
凡是注日期的引用文件,其随后所有的修改单(不包括勘误的内容)或修订版均不适用于本标准,然而,鼓励根据本标准达成协议的各方研究是否可使用这些文件的最新版本。
凡是不对日期的引用文件,其最新版本适用于本标准。
3术语和定义本标准采用下列本语和定义。
城市设市城市和建制镇。
城市杂用水用于冲厕、道路清扫、消防、城市绿化、车辆冲洗、建筑施工的非饮用水冲厕杂用水公共及住宅卫生间便器冲洗的用水。
城市污水再生利用城市杂用水水质GB18920- 2002前言为贯彻我国水污染防治和水资源开发方针,提高水利真是用率、做好城市节约用水工作,合理利用水资源,实现城市污水资源化,减轻污水对环境的污染,促进城市建设和经济建设可持续发展,制定城市污水再生利用系列标准;城市污水再生利用系列标准目前拟分为五项:——城市污水再生利用分类——城市污水再生利用城巾杂用水水质——城市污水再生利用景观环境用水水质——城市污水再牛利用补充水源水质——城市污水冉生利用工业用水水质本标准为第二项;本标准是在CJ/T48-1999生活杂用水水质标准基础上制定的;本标准主要变化如下:1用水类别增加消防及建筑施工杂用水;2水质项目增加溶解氧,删除了氯化物、总硬度、化学需氧量、悬浮物;3水质类别由2个增加到5个;4水质指标值进行了相应调整;本标准自实施之日起,CJ/T48——1999同时废止;本标准由中华人民共和国建设部提出;本标准由建设部给水排水产品标准化技术委员会归口;本标准由中国市政工程中南设计研究院负责起草本标准主要起草人:张怀宇、李树苑、杨文进、张小平、魏桂珍、张赐承1、范围本标准规定了城市杂用城市杂用水规定了城市杂用水水质标准、采样及分析方法;本标准适用于厕所便器冲洗、道路清扫、消防、城市绿化、车辆冲洗、建筑施工杂用水;2、规范性引用文件下列文件中的条款通过本标准的引用而成为本标准的条款;凡是注日期的引用文件,其随后所有的修改单不包括勘误的内容或修订版均不适用于本标准,然而,鼓励根据本标准达成协议的各方研究是否可使用这些文件的最新版本;凡是不对日期的引用文件,其最新版本适用于本标准;GB/T3181漆膜颜色标准GB/T5750生活饮用水标准检验法GB/T7488水质五日生化需氧量BOD5的测定稀释与接种法neqISO5815GB/T7489水质溶解氧的测定碘量法eqvISO5813GB/T7494水质阴离了表面活性剂的测定亚甲蓝分光光度法neqISO7875-1GB/T11898水质游离氯和总氯的测定N,N-二乙基-1,4-苯二胺分光光度法eqvISO7393-2GB/T11913水质溶解氧的测定电化学探头法idtISO5814GB/T12997水质采样方案设计技术规定idtISO5667-1GB/T12998水质采样技术指导neqISO5667-2GB/T12999水质采样样品的保存和管理技术规定neqISO5667-3JGJ63混凝土拌合用水标准3、术语和定义本标准采用下列本语和定义;3.1城市设市城市和建制镇;3.2城市杂用水用于冲厕、道路清扫、消防、城市绿化、车辆冲洗、建筑施工的非饮用水公共及住宅卫生间便器冲洗的用水;道路灰尘抑制、道路打除的用水;市政及小区消火栓系统的用水;除特种树木及特种花卉以外的公园、道边树及道路隔离绿化带、运动场、草坪,以及相似地区的用水;建筑施工现场的土壤压实、灰尘抑制、混凝土冲洗、混凝土拌合的用水;4、水质指标城市杂用水的水质应符合表1的规定;混凝土拌合用水还应符合JGJ63的有关规定;表1 城市杂用水水质标准5、标准的实施与监督5.1本标准由县级以上人民政府城巾杂用水行政主管部门及相关部门负责统一监督检查执行情况;5.2城市杂用水的水质项目与水质标准,应符合本标准的规定;地方或行业标准不得宽于本标准或与本标准相抵触;5.3城市杂用水管道、水箱等设备外部应涂PB09天酞蓝色见GB/T3181,并于显着位置标注“杂用水”字样,以免误饮、误用;。
城市污水再生利用景观环境用水水质所属分类:性质:强制性有效性:现行状态:制定发文单位:国家质量监督检检疫总局文号:GB/T 18921-2002发布日期:2002-12-20实施日期:2003-05-01城市污水再生利用景观环境用水水质前言为贯彻我国水污染防治和水资源开发方针,提高用水效率,做好城镇节约用水工作,合理利用水资源,实现城镇污水资源化,减轻污水对环境的污染,促进城镇建设和经济建设可持续发展,制定《城市污水再生利用》系列标准。
《城市污水再生利用》系列标准目前拟分为五项:——《城市污水再生利用分类》——《城市污水再生利用城市杂用水水质》——《城市污水再生利用景观环境用水水质》——《城市污水再生利用补充水源水质》——《城市污水再生利用工业用水水质》本标准为第三项。
本标准是在CJ/T95-2000《再生水回用于景观水体的水质标准》的基础上制定的。
本标准与CJ/T 95—2000相比主要变化如下:——提出了再生水的使用准则。
——根据《城市污水再生利用分类》将再生水的应用范围及使用方式进行了重新界定,以景观环境用水取代了原来的景观水体.明确了水景类作为景观环境用水的一部分的概念。
——细分了景观环境用水的类别,将原来的CJ/T95-20O0中的人体非直接接触和人体非全身性接触替换为观赏性景观环境用水和娱乐性景观环境用水两大类别,同时每个类别又根据水质要求的不同而被分为河道类、湖泊类与水景类用水。
——放宽了消毒途径,对于不需要通过管道输送再生水的现场回用情况,不限制采用加氯以外的其他消毒方式。
——考虑了与人群健康密切相关的毒理学指标。
——水质指标共计14项,对原来的CJ/T95-2000中的水质指标进行了部分调整(增加了3项;浊度、溶解氧、氨氮;删减了5项:化学需氧量、溶解性铁、总锰、全盐量、氯化物。
替换了2项:以粪大肠菌群替换了大肠菌群,以总氮替换了凯氏氮)。
——增加了“参考文献”。
本标准自实施之日起,CJ/T 95-2000同时废止。
城市污水再生利用城市杂用水水质GB18920- 2002前言为贯彻我国水污染防治和水资源开发方针,提高水利真是用率、做好城市节约用水工作,合理利用水资源,实现城市污水资源化,减轻污水对环境的污染,促进城市建设和经济建设可持续发展,制定《城市污水再生利用》系列标准。
《城市污水再生利用》系列标准目前拟分为五项:——《城市污水再生利用?分类》——《城市污水再生利用?城巾杂用水水质》——《城市污水再生利用?景观环境用水水质》——《城市污水再牛利用?补充水源水质》——《城市污水冉生利用?工业用水水质》?本标准为第二项。
本标准是在CJ/T48-1999《生活杂用水水质标准》基础上制定的。
本标准主要变化如下:(1)用水类别增加消防及建筑施工杂用水;(2)水质项目增加溶解氧,删除了氯化物、总硬度、化学需氧量、悬浮物;(3)水质类别由2个增加到5个;(4)水质指标值进行了相应调整。
本标准自实施之日起,CJ/T48——1999同时废止。
本标准由中华人民共和国建设部提出。
本标准由建设部给水排水产品标准化技术委员会归口。
本标准由中国市政工程中南设计研究院负责起草本标准主要起草人:张怀宇、李树苑、杨文进、张小平、魏桂珍、张赐承1、范围本标准规定了城市杂用城市杂用水规定了城市杂用水水质标准、采样及分析方法。
本标准适用于厕所便器冲洗、道路清扫、消防、城市绿化、车辆冲洗、建筑施工杂用水。
2、?规范性引用文件下列文件中的条款通过本标准的引用而成为本标准的条款。
凡是注日期的引用文件,其随后所有的修改单(不包括勘误的内容)或修订版均不适用于本标准,然而,鼓励根据本标准达成协议的各方研究是否可使用这些文件的最新版本。
凡是不对日期的引用文件,其最新版本适用于本标准。
GB/T?3181?漆膜颜色标准GB/T?5750?生活饮用水标准检验法GB/T7488?水质?五日生化需氧量(BOD5)的测定?稀释与接种法(neq?ISO?5815)GB/T7489?水质?溶解氧的测定?碘量法(eqv?ISO?5813)GB/T?7494?水质?阴离了表面活性剂的测定?亚甲蓝分光光度法(neq?ISO?7875-1)GB/T?11898?水质?游离氯和总氯的测定?N,N-二乙基-1,4-苯二胺分光光度法(eqv?ISO7393-2)GB/T?11913?水质?溶解氧的测定电化学探头法(idt?ISO?5814)GB/T?12997?水质?采样方案设计技术规定(idt?ISO?5667-1)GB/T?12998?水质?采样技术指导(neq?ISO?5667-2)GB/T12999?水质采样?样品的保存和管理技术规定(neq?ISO?5667-3)JGJ?63?混凝土拌合用水标准3、术语和定义本标准采用下列本语和定义。
城市污水再生利用城市杂用水水质GB18920-2002前言为贯彻我国水污染防治和水资源开发方针,提高水利真是用率、做好城市节约用水工作,合理利用水资源,实现城市污水资源化,减轻污水对环境的污染,促进城市建设和经济建设可持续发展,制定《城市污水再生利用》系列标准。
《城市污水再生利用》系列标准目前拟分为五项:——《城市污水再生利用?分类》——《城市污水再生利用?城巾杂用水水质》——《城市污水再生利用?景观环境用水水质》——《城市污水再牛利用?补充水源水质》——《城市污水冉生利用?工业用水水质》?本标准为第二项。
本标准是在CJ/T48-1999《生活杂用水水质标准》基础上制定的。
本标准主要变化如下:(1)用水类别增加消防及建筑施工杂用水;(2)水质项目增加溶解氧,删除了氯化物、总硬度、化学需氧量、悬浮物;(3)水质类别由2个增加到5个;(4)水质指标值进行了相应调整。
本标准自实施之日起,CJ/T48——1999同时废止。
本标准由中华人民共和国建设部提出。
本标准由建设部给水排水产品标准化技术委员会归口。
本标准由中国市政工程中南设计研究院负责起草本标准主要起草人:张怀宇、李树苑、杨文进、张小平、魏桂珍、张赐承1、范围本标准规定了城市杂用城市杂用水规定了城市杂用水水质标准、采样及分析方法。
本标准适用于厕所便器冲洗、道路清扫、消防、城市绿化、车辆冲洗、建筑施工杂用水。
2、?规范性引用文件下列文件中的条款通过本标准的引用而成为本标准的条款。
凡是注日期的引用文件,其随后所有的修改单(不包括勘误的内容)或修订版均不适用于本标准,然而,鼓励根据本标准达成协议的各方研究是否可使用这些文件的最新版本。
凡是不对日期的引用文件,其最新版本适用于本标准。
GB/T?3181?漆膜颜色标准GB/T?5750?生活饮用水标准检验法GB/T7488?水质?五日生化需氧量(BOD5)的测定?稀释与接种法(neq?ISO?5815)GB/T7489?水质?溶解氧的测定?碘量法(eqv?ISO?5813)GB/T?7494?水质?阴离了表面活性剂的测定?亚甲蓝分光光度法(neq?ISO?7875-1)GB/T?11898?水质?游离氯和总氯的测定?N,N-二乙基-1,4-苯二胺分光光度法(eqv?ISO7393-2)GB/T?11913?水质?溶解氧的测定电化学探头法(idt?ISO?5814)GB/T?12997?水质?采样方案设计技术规定(idt?ISO?5667-1)GB/T?12998?水质?采样技术指导(neq?ISO?5667-2)GB/T12999?水质采样?样品的保存和管理技术规定(neq?ISO?5667-3)JGJ?63?混凝土拌合用水标准3、术语和定义本标准采用下列本语和定义。
城市污水再生利用城市杂用水水质GB/T 18920-2002前言为贯彻我国水污染防治和水资源开发方针,提高水利真是用率、做好城市节约用水工作,合理利用水资源,实现城市污水资源化,减轻污水对环境的污染,促进城市建设和经济建设可持续发展,制定《城市污水再生利用》系列标准。
《城市污水再生利用》系列标准目前拟分为五项:——《城市污水再生利用分类》——《城市污水再生利用城巾杂用水水质》——《城市污水再生利用景观环境用水水质》——《城市污水再牛利用补充水源水质》——《城市污水冉生利用工业用水水质》本标准为第二项。
本标准是在CJ/T48-1999《生活杂用水水质标准》基础上制定的。
本标准主要变化如下:(1)用水类别增加消防及建筑施工杂用水;(2)水质项目增加溶解氧,删除了氯化物、总硬度、化学需氧量、悬浮物;(3)水质类别由2个增加到5个;(4)水质指标值进行了相应调整。
本标准自实施之日起,CJ/T48——1999同时废止。
本标准由中华人民共和国建设部提出。
本标准由建设部给水排水产品标准化技术委员会归口。
本标准由中国市政工程中南设计研究院负责起草本标准主要起草人:张怀宇、李树苑、杨文进、张小平、魏桂珍、张赐承1 范围本标准规定了城市杂用城市杂用水规定了城市杂用水水质标准、采样及分析方法。
本标准适用于厕所便器冲洗、道路清扫、消防、城市绿化、车辆冲洗、建筑施工杂用水。
2 规范性引用文件下列文件中的条款通过本标准的引用而成为本标准的条款。
凡是注日期的引用文件,其随后所有的修改单(不包括勘误的内容)或修订版均不适用于本标准,然而,鼓励根据本标准达成协议的各方研究是否可使用这些文件的最新版本。
凡是不对日期的引用文件,其最新版本适用于本标准。
GB/T 3181 漆膜颜色标准GB/T 5750 生活饮用水标准检验法GB/T7488 水质五日生化需氧量(BOD5)的测定稀释与接种法(neq ISO 5815)GB/T7489 水质溶解氧的测定碘量法(eqv ISO 5813)GB/T 7494 水质阴离了表面活性剂的测定亚甲蓝分光光度法(neq ISO 7875-1)GB/T 11898 水质游离氯和总氯的测定 N,N-二乙基-1,4-苯二胺分光光度法(eqv ISO7393-2) GB/T 11913 水质溶解氧的测定电化学探头法(idt ISO 5814)GB/T 12997 水质采样方案设计技术规定(idt ISO 5667-1)GB/T 12998 水质采样技术指导(neq ISO 5667-2)GB/T12999 水质采样样品的保存和管理技术规定(neq ISO 5667-3)JGJ 63 混凝土拌合用水标准3 术语和定义本标准采用下列本语和定义。
城市污水再生利用城市杂用水水质
GB18920- 2002
前言
为贯彻我国水污染防治和水资源开发方针,提高水利真是用率、做好城市节约用水工作,合理利用水资源,实现城市污水资源化,减轻污水对环境的污染,促进城市建设和经济建设可持续发展,制定《城市污水再生利用》系列标准。
《城市污水再生利用》系列标准目前拟分为五项:
——《城市污水再生利用分类》
——《城市污水再生利用城巾杂用水水质》
——《城市污水再生利用景观环境用水水质》
——《城市污水再牛利用补充水源水质》
——《城市污水冉生利用工业用水水质》
本标准为第二项。
本标准是在CJ/T48-1999《生活杂用水水质标准》基础上制定的。
本标准主要变化如下:
(1)用水类别增加消防及建筑施工杂用水;
(2)水质项目增加溶解氧,删除了氯化物、总硬度、化学需氧量、悬浮物;
(3)水质类别由2个增加到5个;
(4)水质指标值进行了相应调整。
本标准自实施之日起,CJ/T48——1999同时废止。
本标准由中华人民共和国建设部提出。
本标准由建设部给水排水产品标准化技术委员会归口。
本标准由中国市政工程中南设计研究院负责起草
本标准主要起草人:张怀宇、李树苑、杨文进、张小平、魏桂珍、张赐承
1、范围
本标准规定了城市杂用城市杂用水规定了城市杂用水水质标准、采样及分析方法。
本标准适用于厕所便器冲洗、道路清扫、消防、城市绿化、车辆冲洗、建筑施工杂用水。
2、规范性引用文件
下列文件中的条款通过本标准的引用而成为本标准的条款。
凡是注日期的引用文件,其随后所有的修改单(不包括勘误的内容)或修订版均不适用于本标准,然而,鼓励根据本标准达成协议的各方研究是否可使用这些文件的最新版本。
凡是不对日期的引用文件,其最新版本适用于本标准。
GB/T 3181 漆膜颜色标准
GB/T 5750 生活饮用水标准检验法
GB/T7488 水质五日生化需氧量(BOD5)的测定稀释与接种法
(neq ISO 5815)
GB/T7489 水质溶解氧的测定碘量法(eqv ISO 5813)
GB/T 7494 水质阴离了表面活性剂的测定亚甲蓝分光光度法
(neq ISO 7875-1)
GB/T 11898 水质游离氯和总氯的测定 N,N-二乙基-1,4-苯二胺分光光度法(eqv ISO7393-2)
GB/T 11913 水质溶解氧的测定电化学探头法(idt ISO 5814)
GB/T 12997 水质采样方案设计技术规定(idt ISO 5667-1)
GB/T 12998 水质采样技术指导(neq ISO 5667-2)
GB/T12999 水质采样样品的保存和管理技术规定(neq ISO 5667-3)
JGJ 63 混凝土拌合用水标准
3、术语和定义
本标准采用下列本语和定义。
3.1 城市
设市城市和建制镇。
3.2 城市杂用水
用于冲厕、道路清扫、消防、城市绿化、车辆冲洗、建筑施工的非饮用水
3.2.1 冲厕杂用水
公共及住宅卫生间便器冲洗的用水。
3.2.2 道路清扫杂用水
道路灰尘抑制、道路打除的用水。
3.2.3 消防杂用水
市政及小区消火栓系统的用水。
5、标准的实施与监督
5.1 本标准由县级以上人民政府城巾杂用水行政主管部门及相关部门负责统
一监督检查执行情况。
5.2 城市杂用水的水质项目与水质标准,应符合本标准的规定。
地方或行业标准不得宽于本标准或与本标准相抵触。
5.3 城市杂用水管道、水箱等设备外部应涂PB09天酞蓝色(见GB/T3181),并于显著位置标注“杂用水”字样,以免误饮、误用。