别克凯越线束布线图(仪表线束布线)
- 格式:doc
- 大小:91.00 KB
- 文档页数:2
车身线路系统8-593 8.19线路系统8.19.1诊断信息和程序8.19.1.1电气符号导线颜色表导线颜色图示上的缩写深绿色D-GN(深绿色)浅绿色L-GN(浅绿色)深蓝色D-BU(深蓝色)棕色BN(棕色)橙色OG(橙色)黄色YE(黄色)灰色GY(灰色)浅蓝色L-BU(浅蓝色)红色RD(红色)黑色BK(黑色)粉红色PK(粉红色)白色WH(白色)紫色PU(紫色)带色标的导线导线颜色图示上的缩写带白色色标的红色导线RD/WH(红色/白色)带黑色色标的红色导线RD/BK(红色/黑色)带白色色标的棕色导线BN/WH(棕色/白色)带白色色标的黑色导线BK/WH(黑色/白色)带黄色色标的黑色导线BK/YE(黑色/黄色)带黑色色标的绿色导线D-GN/BK(深绿色/黑色)带白色色标的绿色导线D-GN/WH(深绿色/白色)带黑色色标的浅绿色导线L-GN/BK(浅绿色/黑色)带黄色色标的红色导线RD/YE(红色/黄色)带蓝色色标的红色导线RD/D-BU(红色/深蓝)带棕色色标的黑色导线BK/BN(黑色/棕色)8-594线路系统车身电气符号旧符号新符号说明附加充气式保护装置(SIR)或附加保护系统(SRS)图标本图标用于提醒技术人员,该系统含有附加充气式保护装置(SIR)/附加保护系统(SRS)部件,在维修前需要特别注意。
106630106630电压指示器框示意图上的这些框格用于指示何时保险丝上有电压。
106635800768局部部件当部件采用虚线框表示时,部件或导线均未完全表示。
106637106637完整部件当部件采用实线框表示时,部件或导线均完全表示。
106641106641车身线路系统8-595电气符号(续)旧符号新符号说明保险丝106643800769部件上连接的连接器106645800771带引线的连接器106646800772带螺栓或螺钉连接孔的端子1066471066478-596线路系统车身电气符号(续)旧符号新符号说明直列式线束连接器106648800773接头106649106649底盘搭铁106651800775壳体搭铁106652800776车身线路系统8-597电气符号(续)旧符号新符号说明单丝灯泡106653800777发光二极管106655800779蓄电池106657106657电阻器1066588007818-598线路系统车身电气符号(续)旧符号新符号说明可变电阻器106659800782位置传感器106661800783二级管106664106664加热芯106666800786车身线路系统8-599电气符号(续)旧符号新符号说明马达106667800787电磁阀106668800788线圈106669800789天线1066708008158-600线路系统车身电气符号(续)旧符号新符号说明屏蔽106671106671开关106672800790单极单掷继电器-常断106673800791单极单掷继电器-常闭106674800792车身线路系统8-6198.19.2.2配电示意图(发动机罩下保险丝盒-电池正极)1360796主蓄电池E F 1保险丝30A8-620线路系统车身8.19.2.3配电示意图(发动机罩下保险丝盒-电池正极)-1.6升(L91)(BOSCH)1360796E主蓄电池E F 1保险丝30A8.19.2.4配电示意图(发动机罩下保险丝盒-空调压缩机继电器,除雾继电器,燃油泵继电器,点火继电器和冷却风扇继电器)7976318.19.2.5配电示意图(发动机罩下保险丝盒-主继电器,点火继电器)897631 4DSURIS8.19.2.6配电示意图(发动机罩下保险丝盒-主继电器,点火继电器)-1.6升(L91)(BOSCH)E8976318.19.2.7配电示意图(发动机罩下保险丝盒-仪表板保险丝盒,鼓风机继电器,点火开关,电子制动控制模块,喇叭继电器)9976318.19.2.8配电示意图(发动机罩下保险丝盒-防盗指示灯,仪表组,阅读灯,车内照明灯,中央门锁,制动开关)C86318.19.2.9配电示意图(发动机罩下保险丝盒-前雾灯继电器,电动车窗继电器)186318.19.2.10配电示意图(发动机罩下保险丝盒-前照灯继电器,照明继电器)B286318.19.2.11配电示意图(发动机罩下保险丝盒-牌照灯,蜂鸣器铃,前照灯,尾灯,前照灯开关,仪表组)B4863158.19.2.12配电示意图(发动机罩下保险丝盒-雾灯开关,音响,烟灰盒灯,保持模式开关,时钟、PRNDL照明,危险警告灯开关,通用暖风、换气和空调系统控制,日间行车灯模块)B3863198.19.2.13配电示意图(发动机罩下保险丝盒-空调压缩机继电器,除雾继电器)8.19.2.14配电示意图(发动机罩下保险丝盒-点火继电器(MR-140))D786318.19.2.15配电示意图(发动机罩下保险丝盒-点火继电器(MR-140))-1.6升(L91)(BOSCH)1360807D EC 1035C 10851846P K /B K 0.751846P K /B K 0.75C 1017868686868.19.2.16配电示意图(发动机罩下保险丝盒-冷却风扇继电器)186318.19.2.17配电示意图(发动机罩下保险丝盒-燃油泵继电器)1360811E26(1.6L B O S C H )8.19.2.18配电示意图(发动机罩下保险丝盒-燃油泵继电器)(欧IV排放标准)8.19.2.19配电示意图(发动机罩下保险丝盒-发动机控制模块线路)C ,၍ୟဣཥዐڦದۉ๖ᅪF D N F G 22ԍ၃ີ21Bԍ၃ີ࢈.݀ۯऐቸူৈT j s j v t !E 5ৈN S .251ৈN S .251ৈI W .35112!!!!ৈ1.6L B O S C H݀ۯऐ੦ఇ(E C M )1360812E8.19.2.20配电示意图(发动机罩下保险丝盒-发动机控制模块线路)(欧IV排放标准)8.19.2.21配电示意图(仪表板保险丝盒-点火开关,音响,阻断器,数据链接插头,时钟,全自动温度控制,空调控制开关,危险警告灯开关,防盗控制装置,变速器控制模块,后雾灯继电器)3186318.19.2.22配电示意图(仪表板保险丝盒-仪表组,日间行车灯,蜂鸣器,制动开关,速度传感动力转向,空调控制开关,传感和诊断模块,驻车/空档位置,倒车灯开关)4186318.19.2.23配电示意图(仪表板保险丝盒-仪表组,日间行车灯,蜂鸣器,制动开关,速度传感动力转向,空调控制开关,传感和诊断模块,驻车/空档位置,倒车灯开关)-1.6升(L91)(BOSCH)1360814E8.19.2.24配电示意图(仪表板保险丝盒-燃油供给接头,电子制动控制模块,阻断器,防盗开关,刮水器马达/开关,危险警告灯,变速器控制模块,驻车/空档位置开关)C51863168.19.2.25配电示意图(仪表板保险丝盒-空调控制开关,鼓风机,模式马达,全自动温度控制,发动机罩下保险丝盒,进气马达,天窗开关模块,折叠后视镜,电动后视镜开关)7186318.19.2.26配电示意图(仪表板保险丝盒-时钟,音响,附加电源插座,点烟器)B81863128.19.2.27线束布线图(前线束布线)图标(1)C109(2)左前照灯(3)主冷却风扇(4)辅助冷却风扇(5)右前照灯、右转向信号灯(6)右雾灯(7)侧转向信号灯(8)喇叭(9)冷却风扇电阻(10)G101(11)C1041291805B5678910118.19.2.28线束布线图(后线束布线)图标(1)行李箱锁开关(2)防盗器锁固开关(3)牌照灯12918178.19.2.29线束布线图(后掀门线束布线)图标(1)除雾(正极)(2)右后组合灯(3)后掀门执行器(4)后厢灯开关(5)牌照灯(6)后雨刷马达(7)C406(8)左后组合灯(9)除雾(负极)(10)C405(11)C404(12)C403(13)C402(14)高位刹车灯8.19.2.30线束布线图(地板线束布线)图标(1)行李箱照明灯(2)中间高位停车灯(3)车门接触开关(4)G302(5)C351(6)前车门接触开关(7)侧气囊(8)侧气囊传感器(9)C301(10)驻车制动开关(11)燃油泵(12)C302(13)C351(14)侧气囊传感器(15)前车门接触开关(16)C371(17)后车门接触开关(18)C207(19)侧气囊(20)G30112918338.19.2.31线束布线图(仪表线束布线)图标(1)前照灯高度调节开关(2)仪表组(3)S202(4)C207(5)危险警告灯开关(6)时钟(7)车外后视镜(8)C208(9)S204(10)G204(11)附加电源插座(12)C210(13)PRNDL照明(14)BTSI电磁阀(15)保持开关(16)点烟器和烟灰盒(17)空调控制开关(18)收音机(19)S203(20)C202(21)变光器控制单元12918418.19.2.32线束布线图(车门线束布线)图标(1)数据显示(2)C351(3)高频扬声器(4)车门扬声器(5)行李箱开启开关(6)门锁开关(7)电动车窗开关(8)门锁执行器(9)中心锁紧和防盗(10)后门锁执行器(11)高频扬声器(12)C371/C381(13)后门扬声器(14)后门电动车窗马达(15)后门电动车窗开关12918428.19.3部件定位图8.19.3.1主要电器部件列表名称位置定位视图连接器端视图空调压力传感器在空调吸管中 1.6升发动机控制中发动机控制部件视图1.8升发动机控制中发动机控制部件视图1.6升发动机控制中发动机控制连接器端视图1.8升发动机控制中发动机控制连接器端视图混气风门马达在仪表板储物箱的后面,在HVAC模块上-“自动暖风、通风与空调系统”中“暖风、通风与空调系统连接器端视图”环境传感器在保险杠蒙皮后,在冷凝器前-“自动暖风、通风与空调系统”中“暖风、通风与空调系统连接器端视图”防盗器锁固开关车门锁芯的一部分-ABS中ABS连接器端视图烟灰盒照明灯在仪表板中心下面,烟灰盒上-仪表板、计量仪表和控制台中的仪表板、计量仪表和控制台连接器端视图鼓风机马达在仪表板厢的后面,在HVAC模块上-“手动暖风、通风与空调系统”中“暖风、通风与空调系统连接器端视图”鼓风机马达电阻器在仪表板厢的后面,在HVAC模块上-“手动暖风、通风与空调系统”中“暖风、通风与空调系统连接器端视图”制动液开关在制动器总泵中-“ABS”中“ABS连接器端视图”制动开关在制动踏板上-“ABS”中“ABS连接器端视图”制动器变速器换档互锁(BTSI)电磁阀在地板控制台的换档杆部分-“换档锁死控制”中“自动变速器换档锁死控制连接器端视图”凸轮轴位置(CMP)传感器在正时皮带罩后,在凸轮轴齿轮中间1.6升发动机机械中分解视图或1.8升发动机机械中分解视图“1.6升发动机控制”中“发动机控制连接器端视图”“1.8升发动机控制”中“发动机控制连接器端视图”中央高位停车灯(CHMSL)左后行李架中心-“照明系统”中“照明系统连接器端视图”中央门锁单元位于地板控制台后部-“车门”中“电动车门系统连接器端视图”中心锁紧和防盗开关门锁的一部分-“车门”中“电动车门系统连接器端视图”蜂鸣器模块在驾驶员膝垫下面,靠近仪表板中心-“仪表板、计量仪表和控制台”中的“仪表板、计量仪表和控制台连接器端视图”点烟器在仪表板中心下面,烟灰盒旁边-“电源插座”中“电源插座连接器端视图”时钟在仪表板中心,收音机上面-“仪表板、计量仪表和控制台”中的“仪表板、计量仪表和控制台连接器端视图”冷却风扇在发动机室内部,在散热器后面“发动机冷却系统”中的“冷却系统部件视图”“发动机冷却系统”中“冷却系统连接器端视图”曲轴箱位置(CKP)传感器(1.6升)发动机罩右下侧,靠近变速器“1.6升发动机机械系统”中的“分解视图”“1.6升发动机控制系统”中“发动机控制系统连接器端视图”曲轴箱位置(CKP)传感器(1.8升)发动机罩右下侧,靠近发动机前部“1.8升发动机控制系统”中“发动机控制部件视图”“1.8升发动机控制系统”中“发动机控制连接器端视图”巡航控制模块在驾驶员膝垫下,靠近转向柱-“在巡航控制”中“巡航控制连接器端视图”数据链接插头(DLC)在驾驶员膝垫下-“数据链接通信”中“数据链接通信连接器端视图”日间行车灯(DRL)模块在驾驶员膝垫下,靠近仪表板中心-“照明系统”中“照明系统连接器端视图”变光器控制开关驾驶员仪表板侧,出风口下-“照明系统”中“照明系统连接器端视图”车门执行器门锁的一部分-“车门”中“电动车门系统连接器端视图”门锁开关位于前门板中心-“车门”中“电动车门系统连接器端视图”驾驶员气囊在方向盘中心“附加充气保护装置”中“附加充气保护装置部件视图”“附加充气保护装置”中“附加充气保护装置连接器端视图”电子制动控制模块(EBCM)在发动机室左侧,靠近发动机保险丝盒-“ABS”中“ABS连接器端视图”电子点火(EI)系统线圈(1.6升)安装在后气缸盖上“1.6升发动机控制系统”中“发动机控制系统连接器端视图”“1.6升发动机控制系统”中“发动机控制系统连接器端视图”电子点火(EI)系统线圈(1.8升)在后气缸盖上“1.8升发动机控制系统”中“发动机控制部件视图”“1.8升发动机控制系统”中“发动机控制连接器端视图”发动机控制模块(ECM)(1.6升)发动机室左边,靠近保险丝盒“1.6升发动机控制系统”中“发动机控制系统连接器端视图”“1.6升发动机控制系统”中“发动机控制系统连接器端视图”发动机控制模块(ECM)(1.8升)发动机室后部中间,在前罩板上“1.8升发动机控制系统”中“发动机控制部件视图”“1.8升发动机控制系统”中“发动机控制连接器端视图”发动机冷却液温度(ECT)传感器(1.6升)位于气缸体右侧,靠近进气端口1“1.6升发动机机械系统”中的“分解视图”“1.6升发动机控制系统”中“发动机控制系统连接器端视图”发动机冷却液温度(ECT)传感器(1.8升)在右后气缸盖上“1.8升发动机控制系统”中“发动机控制部件视图”“1.8升发动机控制系统”中“发动机控制连接器端视图”8.19.3.1主要电器部件列表(续)名称位置定位视图连接器端视图蒸发排放碳罐吹洗电磁阀(1.8升)在左后气缸盖上“1.6升发动机控制”中“发动机控制部件视图”“1.8升发动机控制”中“发动机控制部件视图”“1.6升发动机控制”中“发动机控制连接器端视图”“1.8升发动机控制”中“发动机控制连接器端视图”排气再循环(EGR)阀(1.6升)安装在后气缸盖上,靠近点火线圈“1.6升发动机控制系统”中“发动机控制系统连接器端视图”“1.6升发动机控制系统”中“发动机控制系统连接器端视图”排气再循环(EGR)阀(1.8升)安装在后气缸盖上,靠近点火线圈“1.8升发动机控制系统”中“发动机控制部件视图”“1.8升发动机控制系统”中“发动机控制连接器端视图”附加电源插座在地板控制台前面,在前烟灰盒下面-“电源插座”中“电源插座连接器端视图”折叠后视镜装置在仪表板舱下,靠近铰链柱螺栓-“车门”中“电动车门系统连接器端视图”前雾灯安装在前保险杠蒙皮上-“照明系统”中“照明系统连接器端视图”喷油器发动机左侧顶部“1.6升发动机控制”中“发动机控制部件视图”“1.8升发动机控制”中“发动机控制部件视图”“1.6升发动机控制”中“发动机控制连接器端视图”“1.8升发动机控制”中“发动机控制连接器端视图”燃油泵在燃油箱中“1.6升发动机控制”中“发动机控制部件视图”“1.8升发动机控制”中“发动机控制部件视图”“1.6升发动机控制”中“发动机控制连接器端视图”“1.8升发动机控制”中“发动机控制连接器端视图”发电机安装在发动机前侧右边-发动机电气控制中发动机电气连接器端视图玻璃天线位于后车窗-“静止车窗”中“静止车窗连接器端视图”危险警告灯开关位于仪表板中心,在各出风口中心之间“电路系统”中“线束布线视图”“照明系统”中“照明系统连接器端视图”前照灯车辆前部-“照明系统”中“照明系统连接器端视图”前照灯开关多功能操纵杆部分-“照明系统”中“照明系统连接器端视图”前照灯高度调节开关驾驶员仪表板侧,出风口下-“照明系统”中“照明系统连接器端视图”加热氧传感器1(HO2S1)位于排气歧管内“1.6升发动机控制”中“发动机控制部件视图”“1.8升发动机控制”中“发动机控制部件视图”“1.6升发动机控制”中“发动机控制连接器端视图”“1.8升发动机控制”中“发动机控制连接器端视图”加热氧传感器2(HO2S2)位于排气管内“1.6升发动机控制”中“发动机控制部件视图”“1.8升发动机控制”中“发动机控制部件视图”“1.6升发动机控制”中“发动机控制连接器端视图”“1.8升发动机控制”中“发动机控制连接器端视图”保持模式开关在地板控制台中-127476在“Aisin自动变速器”中连接器端视图8.19.3.1主要电器部件列表(续)名称位置定位视图连接器端视图发动机罩接触开关在散热器上支架的左侧-“ABS”中“ABS连接器端视图”喇叭位于发动机室左侧内,冷却风扇左侧-“喇叭”中“喇叭连接器端视图”HVAC控制位于仪表板中心-“手动暖风、通风与空调系统”中“暖风、通风与空调系统连接器端视图”或“自动暖风、通风与空调系统”中“暖风、通风与空调系统连接器端视图”怠速空气控制(IAC)阀安装在节气门体上“1.8升发动机控制系统”中“发动机控制部件视图”“1.8升发动机控制系统”中“发动机控制部件连接器端视图”点火开关位于转向柱右侧-“发动机电气控制”中“发动机电气连接器端视图”内部温度传感器位于仪表板中心的后面-“自动暖风、通风与空调系统”中“暖风、通风与空调系统连接器端视图”仪表组在仪表板内,驾驶员前面-“仪表板、计量仪表和控制台”中的“仪表板、计量仪表和控制台连接器端视图”进气温度(IAT)传感器(1.6升)安装在进气歧管上“1.6升发动机控制系统”中“发动机控制系统连接器端视图”“1.6升发动机控制系统”中“发动机控制系统连接器端视图”进气温度(IAT)传感器(1.8升)安装在空气进气管上“1.8升发动机控制系统”中“发动机控制部件视图”“1.8升发动机控制系统”中“发动机控制连接器端视图”进气马达位于仪表板舱后面,在暖风、通风与空调系统模块上-“自动暖风、通风与空调系统”中“暖风、通风与空调系统连接器端视图”钥匙未拔提醒开关位于转向柱内,点火开关部分-“自动暖风、通风与空调系统”中“暖风、通风与空调系统连接器端视图”爆震传感器位于发动机罩左侧下部,靠近起动机“1.6升发动机控制”中“发动机控制部件视图”“1.8升发动机控制”中“发动机控制部件视图”“1.6升发动机控制”中“发动机控制连接器端视图”“1.8升发动机控制”中“发动机控制连接器端视图”牌照灯位于后箱门中心“电路系统”中“线束布线视图”“照明系统”中“照明系统连接器端视图”灯开关多功能操纵杆部分-“照明系统”中“照明系统连接器端视图”主节气门进气执行器节气门体部分“1.6升发动机控制系统”中“发动机控制系统连接器端视图”“1.6升发动机控制系统”中“发动机控制系统连接器端视图”进气歧管绝对压力(MAP)传感器(1.6升)位于发动机室后部,在前罩板上“1.6升发动机控制系统”中“发动机控制系统连接器端视图”“1.6升发动机控制系统”中“发动机控制系统连接器端视图”8.19.3.1主要电器部件列表(续)名称位置定位视图连接器端视图进气歧管绝对压力(MAP)传感器(1.8升)安装在进气歧管上“1.8升发动机控制系统”中“发动机控制部件视图”“1.8升发动机控制系统”中“发动机控制连接器端视图”阅读灯安装在车顶篷衬层上-“车顶”中“电动车顶系统连接器端视图”后视镜控制开关位于驾驶员座车门板上前角-“车门”中“电动车门系统连接器端视图”模式马达位于仪表板舱后面,在暖风、通风与空调系统模块上-“自动暖风、通风与空调系统”中“暖风、通风与空调系统连接器端视图”氧气传感器(1.6升)安装在排气歧管管上“1.6升发动机控制系统”中“发动机控制系统连接器端视图”“1.6升发动机控制系统”中“发动机控制系统连接器端视图”供油连接器位于发动机室内部左侧,靠近保险丝盒“电路系统”中“线束布线视图”“ABS”中“ABS连接器端视图”氧气(O2)传感器(1.8升)安装在排气歧管上“1.8升发动机控制系统”中“发动机控制系统部件视图”“1.8升发动机控制系统”中“发动机控制系统连接器端视图”驻车空档位置(PNP)开关位于变速器上125657在“Aisin自动变速器”中分解视图127476在“Aisin自动变速器”中连接器端视图驻车位置按钮在地板控制台的换档杆部分-“换档锁死控制”中“自动变速器换档锁死控制连接器端视图”乘客气囊在仪表板内,乘客座椅的前面“附加充气保护装置”中“附加充气保护装置部件视图”“附加充气保护装置”中“附加充气保护装置连接器端视图”电动车窗单元外后视镜部分-“车门”中“电动车门系统连接器端视图”高功率晶体模组位于仪表板舱后面,在暖风、通风与空调系统模块上-“自动暖风、通风与空调系统”中“暖风、通风与空调系统连接器端视图”电动后视镜马达在车门板内-“车门”中“电动车门系统连接器端视图”电动车窗开关位于前门板中心-“车门”中“电动车门系统连接器端视图”PRNDL照明位于地板控制台内,靠近地板换档器-“照明系统”中“照明系统连接器端视图”收音机位于仪表板中心内-“音响娱乐系统中”的“音响娱乐系统连接器端视图”雨水传感器前风窗玻璃中心顶部,在车内后视镜后面-“刮水器/洗涤器系统”中“刮水器/洗涤器系统连接器端视图”遥控门锁接收器(RCDLR)位于地板控制台后部-“防盗系统”中“防盗系统连接器端视图”倒车灯开关在手动变速器上“手动变速器D-16”中“手动变速器部件视图”“照明系统”中“照明系统连接器端视图”乘客室灯安装在车顶篷衬层上-“照明系统”中“照明系统连接器端视图”8.19.3.1主要电器部件列表(续)名称位置定位视图连接器端视图车内照明灯天窗开关安装在车顶篷衬层上-“照明系统”中“照明系统连接器端视图”安全带开关在驾驶员座椅安全带扣环-“安全带”中“安全带连接器端视图”传感和诊断模块(SDM)位于地板控制台后部“附加充气保护装置”中“附加充气保护装置部件视图”“附加充气保护装置”中“附加充气保护装置连接器端视图”侧气囊在前侧座椅外部的膝垫上“附加充气保护装置”中“附加充气保护装置部件视图”“附加充气保护装置”中“附加充气保护装置连接器端视图”侧气囊传感器在中间支柱上“附加充气保护装置”中“附加充气保护装置部件视图”“附加充气保护装置”中“附加充气保护装置连接器端视图”侧转向信号灯安装在前翼子板上-“照明系统”中“照明系统连接器端视图”报警器在洗涤液储液罐上面,在左前轮的前面,在挡泥板后面-“ABS”中“ABS连接器端视图”前端扬声器安装在前车门板-“音响娱乐系统中”的“音响娱乐系统连接器端视图”后扬声器安装在后车门板-“音响娱乐系统中”的“音响娱乐系统连接器端视图”车速传感动力转向(SSPS)线圈在动力转向泵压力出口-可变作用力转向系统中转向控制系统连接器端视图车速传感动力转向(SSPS)模块在仪表板舱后面-“可变作用力转向系统”中“转向控制系统连接器端视图”数据显示在驾驶员座车门的门锁旋钮底部处-“ABS”中“ABS连接器端视图”方向盘传感器在转向柱的底部-“可变作用力转向系统”中“转向控制系统连接器端视图”天窗模块在天窗上-“车顶”中“电动车顶系统连接器端视图”阳光传感器位于仪表盘顶部中心,在前风窗玻璃底部-“自动暖风、通风与空调系统”中“暖风、通风与空调系统连接器端视图”尾灯车辆的后部-“照明系统”中“照明系统连接器端视图”防盗控制模块位于转向柱内,点火开关处-“防盗系统”中“防盗系统连接器端视图”节气门位置(TP)传感器安装在节气门体上“1.8升发动机控制系统”中“发动机控制部件视图”“1.8升发动机控制系统”中“发动机控制连接器端视图”变速器控制模块在仪表板下面,靠近转向柱-127476在“Aisin自动变速器”中连接器端视图行李箱灯在后箱内部,行李架下面-“照明系统”中“照明系统连接器端视图”8.19.3.1主要电器部件列表(续)名称位置定位视图连接器端视图行李箱锁开关行李箱锁部分-“ABS”中“ABS连接器端视图”行李箱开启开关在驾驶员座的车门板上,扬声器上面-“ABS”中“ABS连接器端视图”前高频扬声器安装在前门板上-“音响娱乐系统中”的“音响娱乐系统连接器端视图”后高频扬声器安装在后车门板-“音响娱乐系统中”的“音响娱乐系统连接器端视图”可变几何形状进气电磁阀(VGIS)安装在进气歧管上“1.6升发动机控制系统”中“发动机控制系统连接器端视图”“1.6升发动机控制系统”中“发动机控制系统连接器端视图”车速传感器(VSS)-手动变速器在变速器的顶部“手动变速器D-16”中“手动变速器部件视图”“1.6升发动机控制”中“发动机控制连接器端视图”“1.8升发动机控制”中“发动机控制连接器端视图”洗涤器泵在洗涤液储液罐上面,在左前轮的前面,在挡泥板后面-“刮水器/洗涤器系统”中“刮水器/洗涤器系统连接器端视图”水传感器位于仪表板舱后面,在暖风、通风与空调系统模块上-“自动暖风、通风与空调系统”中“暖风、通风与空调系统连接器端视图”车轮速度传感器车轮轮毂部分“ABS”中“ABS部件视图”“ABS”中“ABS连接器端视图”刮水器马达在前罩板上,在左侧进风口格栅下面-“刮水器/洗涤器系统”中“刮水器/洗涤器系统连接器端视图”刮水器开关位于转向柱的右侧-“刮水器/洗涤器系统”中“刮水器/洗涤器系统连接器端视图”8.19.3.1主要电器部件列表(续)名称位置定位视图连接器端视图。
8.19.3.3直列式线束连接器端视图C101(NB)连接器部件信息21路(白色) 引脚 导线颜色 电路号功能1 OG (橙色) - 后视镜除雾器电压2 -- 未用 3 GY (灰色) - 燃油泵信号4 WH (白色) - 除雾继电器信号5 PU/WH (紫色白色) - 左后驻车灯信号6 PU (紫色) - 蜂鸣器模块照明电压7 BN (棕色) - 点火器电压 9 OG (橙色) - 蓄电池主电压 10 BN/WH (棕色/白色) - 照明电压 11 BN/WH (棕色/白色) - 右后驻车灯信号 12 - - 未用13 PK/BK (粉红/黑色) - 点火继电器电压 14 GY/BK (灰色/黑色) - 前照灯信号 15 PU/BK (紫色/黑色) - 牌照灯信号 16 -- 未用 17 BK (黑色) - 喇叭信号 18 WH (白色) - 照明继电器信号 19 YE-GN (黄色-绿色) - 前雾灯开关信号 20 L-BU (浅蓝色)- 前照灯电压 21--未用C102C103 - MR-140连接器部件信息11路(白色)引脚导线颜色电路号功能1PU(紫色)-近光2L-GN(浅绿色)-远光信号3 OR/BK(橙色/黑色)- 蓄电池主电压4PU(紫色)- 除雾继电器信号5RD(红色)-左前车窗信号6 OG/BK(橙色/黑色)- 蓄电池主电压7PK(粉红色)-点火电压8OG(橙色)-蓄电池主电压9OG(橙色)- 蓄电池主电压10OG(橙色)-蓄电池主电压11OG(橙色)-右前电动车窗信号连接器部件信息10路(白色)C104引脚 导线颜色 电路号功能1 PK/BK (粉红/黑色) - 冷却风扇点火电压2 PK/BK (粉红/黑色) - 后氧传感器点火电压 3-4 PK/BK (粉红/黑色) - 未用5PK/BK (粉红/黑色) - 2.0升蒸发排放碳罐通风电磁阀点火电压 PK/BK (粉红色/黑色) - 点火继电器电压6 PK/BK(自动) (粉红色/黑色) BK(手动) (黑色) - 凸轮轴位置传感器点火电压7 PK/BK (粉红/黑色)- 蒸发排放碳罐吹洗电磁阀点火电压 8 - - 未用9 PK (粉红色) - 喷油器3和4点火电压 10 PK (粉红色)-喷油器1和2点火电压连接器部件信息24路(白色)引脚 导线颜色 电路号功能 1 BN/WH (棕色/白色) - 右后驻车灯信号 2 -- 未用 3 PU (紫色) - 右前灯信号 4 -- 未用5 GN (绿色) - 空调压缩机信号 6-7 -- 未用 8 PU (紫色) - 左前雾灯信号 9 OG (橙色) - 发动机罩接触开关信号 10 -- 未用 11 YE (黄色) - 左侧近光信号 12BK (黑色)-搭铁C105C106-1.6升13-14 - - 未用15 L-BU (浅蓝色) - 冷却风扇信号 16 PU/WH (紫色/白色) - 右侧近光信号 17 L-GN/BK (浅绿色/黑色) - 右侧高速远光信号 18 GN/WH (绿色/白色) - 左侧高速远光信号 19 -- 未用20 PU (紫色) - 左前驻车灯信号21 PU (紫色) - 冷却风扇信号 22 PU (紫色) - 冷却风扇信号 23 GN (绿色)- 喇叭信号 24--未用连接器部件信息4路(白色)引脚 导线颜色 电路号功能1 RD (红色) - 鼓风机蓄电池主电压2 RD (红色)- 仪表板保险丝盒蓄电池主电压 3 RD/D-GN (红色/深绿色) - 点火开关蓄电池主电压 4RD/WH (红色/白色)-点火开关蓄电池主电压C107连接器部件信息20路(白色)引脚 导线颜色 电路号功能1 OG (橙色) - 点火电压2 PK (粉红色) - 带保险丝的燃油泵继电器开关电压3 GY (灰色)- 带保险丝的燃油泵继电器开关电压 4 D-GN/D-BU (深绿色/深蓝色)- 冷却风扇低速继电器控制 5 D-BU (深蓝色) - 冷却风扇高速继电器控制 6 - - 未用7 PU/D-BU (紫色/深蓝色) - 空调压缩机继电器控制 8 OG (橙色) - 蓄电池电压 9 OG (橙色) - 蓄电池电压 10 L-GN (浅绿色) - 燃油泵继电器控制 11-12 - - 未用 13 PU/D-BU (紫色/深蓝色) - 点火1电压 14 PK/D-BU (粉红色/深蓝色) - 点火1电压 15 D-BU (深蓝色) - 不平整道路信号 16 PU (紫色)- 串行数据 17 D-GN/WH (深蓝色/白色)- 主继电器控制 18 BN (棕色) - 电动转向开关 19 PK(粉红色)- 搭铁(MR-140) 20 --未用C108连接器部件信息2路(白色)引脚导线颜色电路号功能1RD(红色)- 蓄电池主电压2RD(红色)-蓄电池主电压连接器部件信息24路引脚导线颜色电路号功能1 BN/WH(棕色/白色)- 故障指示灯信号2GN(绿色)-温度表信号3 D-GN/RD(深绿色/红色)- 5伏参考(2升)4PU(紫色)- 2.0升高压型加热氧传感器5 LT GRN(浅绿色)- 2.0升低压加热型氧传感器PK/BK(粉红色/黑色)- 点火继电器电压6YE(黄色)-启动机信号7WH(白色)-燃油表信号8 GN/WH(绿色/白色)- 空调控制开关信号9 GN/WH(绿色/白色)- 车速传感器信号PU/BK(自动)(紫色/黑色)C109-MR-14010 PU/WH(手动) (紫色/白色) - 燃油泵搭铁-Sirius 11 BN/BK (棕色/黑色)- 机油压力开关信号 12 L-GN (浅绿色) - 储备灯信号 13 PK (粉红色) - 点火电压14 GY(WH)(灰色或白色)- 转速表信号-Sirius 15 BN (棕色) - 充电警告灯信号 16 PU (紫色)- 串行数据 17 -- 未用 18 -- 未用19 GY(BU)(灰色或蓝色) - 燃油泵信号-Sirius 20 BN/BK (棕色/黑色)- 2.0升加热型氧传感器搭铁 21 - - 未用22 YE (黄色) - 变速器控制模块CAN 低压信号 23 PU (紫色) - 变速器控制模块CAN 高压信号 24BU (蓝色)-冷却风扇控制继电器连接器部件信息4路(白色)引脚 导线颜色 电路号功能1 L-GN (浅绿色) - 后氧传感器低压信号2 PU (紫色) - 后氧传感器高压信号3 BN/BK (棕色/黑色) - 后氧传感器搭铁 4PK/BK (粉红/黑色)-点火电压C110C111连接器部件信息12路(白色)引脚导线颜色电路号功能1L-BU(浅蓝色)-停车灯信号2D-BU(深蓝色)-数据链接插头信号3 BN(棕色)- 右后轮速度传感器信号4 BK(黑色)- 左后轮速度传感器搭铁5D-BU(深蓝色)- 左后轮速度传感器信号6 BN(棕色)- 点火电压7 - - 未用8L-GN/BK(浅绿色/黑色)- ABS警告灯信号9L-GN(浅绿色)-电子制动控制模块信号10D-WH(深白色)-右后轮速度传感器搭铁11 GN(绿色)- 牵引力控制系统启动指示灯信号12 - - 未用连接器部件信息2路(黑色)引脚导线颜色电路号功能C112C2011 PU (紫色)右前轮速度传感器信号 2YE (黄色)右前轮速度传感器搭铁连接器部件信息2路(黑色)引脚 导线颜色 电路号功能1 BK (黑色) - 喇叭搭铁 2D-GN (深绿色)-喇叭信号连接器部件信息 76路(黑色)引脚 导线颜色 电路号功能1 BN (棕色) - 刮水器开关点火电压2 BK (黑色) - 搭铁3 PK (粉红色) - 保险丝盒-发动机罩下4 BK (黑色) - 搭铁5PK (粉红色)-危险警告灯开关点火电压6PK(粉红色)- 进气马达点火电压7PK(粉红色)-空调控制开关点火电压8PK(粉红色)-速度传感动力转向点火电压9BK(黑色)-搭铁10-11 - - 未用12OG(橙色)-点火电压13BN(棕色)- 全自动温度控制器,模式马达点火电压14 - - -15YE(黄色)- 前雾灯指示器信号16 - - 未用17PK(粉红色)-传感和诊断模块点火电压18OG(橙色)-制动开关点火电压19 - - 未用20PK(粉红色)-点火电压21PK(粉红色)-日间行车灯模块点火电压22-23 - - 未用24BN(棕色)-保险丝盒-发动机罩下25BN(棕色)-天窗,后视镜点火电压26YE(黄色)- 前雾灯继电器参考电压27BN(棕色)-刮水器开关点火电压28-29 - - 未用30BN(棕色)-点火电压31PK(粉红色)-仪表组点火电压32PK(粉红色)-仪表组点火电压33OG(橙色)- 变速器控制模块蓄电池主电压34OG(橙色)- 危险警告灯开关蓄电池主电压35BN(棕色)-空调控制开关/鼓风机继电器36OG(橙色)- 防盗控制蓄电池主电压37OG(橙色)- 数据链接插头蓄电池主电压38YE(黄色)-前雾灯指示器39YE(黄色)-附加电源插座点火电压40BN(棕色)- 刮水器马达点火电压41OG(橙色)-蓄电池主电压42OG(橙色)-蓄电池主电压43 - - -44PK(粉红色)-雨水传感器装置点火电压45BK(黑色)-搭铁46BK(黑色)- 搭铁47OG(橙色)-仪表板保险丝盒蓄电池主电压48-49 - - 未用50L-BU(浅蓝色)-制动开关电压51YE(黄色)- 时钟点火电压52 - - 未用53YE(黄色)-点烟器点火电压54PK(粉红色)-阻断器点火电压55 - - 未用56BK(黑色)- 搭铁57BK(黑色)-搭铁58BK(黑色)-搭铁C201(新凯越)(黑色)搭铁-Sirius D4 60 - - 未用61 L-BU (浅蓝色) - 停车灯开关信号 62 - - -63 YE (黄色) - 音响点火电压 64 BN (棕色) - 附件电压 65 OG (橙色) - 蓄电池主电压 66 PK (粉红色) - 驻车空档位置点火电压 67 PK (粉红色)- 倒车灯点火电压 68-69 - - 未用 70 BK (黑色) - 搭铁 71 - - 未用72 OG (橙色) - 后雾灯继电器蓄电池主电压73 OG (橙色) - 空调控制开关/全自动温度控制蓄电池主电压 74 OG (橙色) - 音响蓄电池主电压 75 OG (橙色) - 阻断器蓄电池主电压 76 L-BU (浅蓝色)-停车灯信号连接器部件信息76路(黑色)引脚导线颜色电路号功能A1PK(粉红色)-保险丝盒-发动机罩下A2BN(棕色)-全自动温度控制器,模式马达点火电压A3 - - -A4YE(黄色)-前雾灯指示器信号A5YE(黄色)-前雾灯继电器参考电压A6YE(黄色)- 前雾灯指示器A9BN/WH(棕色/白色)-空调控制面板点火电压A11PK(粉红色)-驻车空档位置点火电压B1RD(红色)-点火电压B2BN(棕色)-空调控制开关/鼓风机继电器B3BN(棕色)- 保险丝盒-发动机罩下B4BN(棕色)-天窗,后视镜点火电压B5OG(橙色)-点火电压PKC4PK(粉红色)- 雨水传感器装置点火电压C6OG(橙色)-制动开关点火电压C8PK(粉红色)-点火电压C10PK(粉红色)-仪表组点火电压D1PK(粉红色)-危险警告灯开关点火电压D2PK(粉红色)-阻断器点火电压D4BN(棕色)-电子制动控制模块点火电压D5PK(粉红色)- 传感和诊断模块点火电压D6PK(粉红色)- 仪表组点火电压E3BN(棕色)- 点火电压F1RD(红色)-仪表板保险丝盒蓄电池主电压F2BN(棕色)-刮水器开关点火电压F3BN(棕色)-刮水器开关点火电压G1OG(橙色)- 后雾灯继电器蓄电池主电压G2OG(橙色)-危险警告灯开关蓄电池主电压G3OG(橙色)-空调控制开关/全自动温度控制蓄电池主电压G4OG(橙色)- 数据链接插头蓄电池主电压G5OG(橙色)-音响蓄电池主电压G6BN(棕色)-刮水器马达点火电压H3BK(黑色)- 搭铁H5BK(黑色)-搭铁H6BK(黑色)-搭铁C202(黑色)H8 BK (黑色) - 搭铁 H9 BK (黑色) - 搭铁 H10 BK (黑色) - 搭铁 J1 BN (棕色) - 附件电压J2 YE (黄色) - 附加电源插座点火电压 J3 YE (黄色) - 点烟器点火电压J4 OG (橙色) - 变速器控制模块蓄电池主电压 J5 OG (橙色) - 防盗控制蓄电池主电压 J6 OG (橙色) - 阻断器蓄电池主电压 J7 BK (黑色) - 搭铁 K1 YE (黄色) - 音响点火电压 K7 L-BU (浅蓝色) - 制动开关电压 K9 L-BU (浅蓝色) - 停车灯开关信号 K10 L-BU (浅蓝色) - 停车灯信号 K11BK (黑色)-搭铁连接器部件信息89路(白色)引脚导线颜色电路号功能1WH(白色)- -2WH(白色)-后除雾继电器信号3 WH/BK(白色/黑色)- 副驾驶员安全带开关信号4GY(灰色)-天线信号5D-GN(深绿色)- 空调压缩机继电器点火电压6BN(棕色)-折叠后视镜装置点火电压7WH(白色)-安全带开关信号8YE(黄色)- 刮水器间歇信号9D-GN(深绿色)-温度表信号10RD(红色)-后雾灯信号11L-BU(浅蓝色)- 停车灯信号12L-GN(浅绿色)-防盗控制装置信号13BN(棕色)-充电警告灯信号14YE(黄色)- 前雾灯信号15PU(紫色)-左前侧车门接触开关16WH(白色)-牵引力控制系统警告灯信号17L-BU(浅蓝色)- 左转向信号18 - - 未用19 - - 电子制动控制模块/数据链接插头信号20L-BU(浅蓝色)-右转向信号21PU(紫色)-阻断器信号22L-GN(浅绿色)- ABS警告灯23L-BU(浅蓝色)-刮水器间歇信号24-28 - - 未用29 (深蓝色)- SBR传感器信号(+)30WH(白色)- 车门未关警告灯信号31WH(白色)-照明电压32 BN/BK(棕色/黑色)- 机油压力警告灯信号33 D-GN/WH(深绿色/白色)- 全自动温度控制/空调控制开关信号34L-GN(浅绿色)-远光信号35BK(黑色)- 喇叭信号36-37 - - 未用38YE(黄色)-数据显示信号39 BN/WH(棕色/白色)- 照明电压40 OG/BK(橙色/黑色)- 制动开关蓄电池主电压41PU(紫色)-驻车制动警告灯信号42PK(粉红色)-乘客室照明灯点火电压43RD(红色)- 洗涤器开关信号44PU(紫色)-近光灯电源45OG(橙色)-仪表组蓄电池主电压46 BN/BK(棕色/黑色)- 后视镜控制开关点火电压47 RD/BU(红色/蓝色)- 刮水器马达点火电压48PK(粉红色)-雨水传感器装置点火电压49L-GN(浅绿色)-防盗控制装置50 - - 未用51 BN/WH(棕色/白色)- 故障指示灯信号52RD(红色)- 点火开关蓄电池主电压53YE(黄色)-起动机马达电压54OG(橙色)- 超车闪光信号灯信号55RD(红色)- 鼓风机继电器蓄电池主电压56 RD/BU(红色/蓝色)- 蓄电池主电压57 (浅蓝色)- 前照灯蓄电池主电压58PK(粉红色)-发电机点火电压59RD(红色)-点火开关蓄电池主电压60 L-GN/BK(浅绿色/黑色)- 5 伏参考电压61YE(黄色)-搭铁62BN(棕色)- 电子制动控制模块点火电压63 D-GN/WH(深绿色/白色)- 车速传感器信号64D-GN(深绿色)-后洗涤器开关信号65D-GN(深绿色)-刮水器低压信号66GY(灰色)-发动机控制模块信号67PU(紫色)-刮水器高压信号68PU(紫色)-左前扬声器信号69YE(黄色)- 变速器控制模块CAN低压信号70 - - 未用71L-BU(浅蓝色)-扬声器搭铁72PU(紫色)-变速器控制模块CAN高压信号73PU(紫色)- SBR传感器信号(-)74L-GN(浅绿色)-右前扬声器信号75 - - 未用76RD(红色)- 照明电压77GY(灰色)-左前扬声器搭铁78 GY/BK(灰色/黑色)- 前照灯继电器参考电压79 - - 未用80YE(黄色)-左后扬声器搭铁81PU(紫色)- 燃油警告灯信号82 - - 未用C204-带有雨水传感器83 BN (棕色) -左后扬声器信号 84 PK/BK (粉红色/黑色)- 行李箱开关信号 85 WH (白色) - 燃油液面信号 86 BU (蓝色) - 右后扬声器信号87 L-BU (浅蓝色) - 速度传感动力转向低压信号 88 PU (紫色) - 速度传感动力转向高压信号 89GN (绿色)-右前扬声器搭铁连接器部件信息14路引脚 导线颜色 电路号功能1 L-GN (浅绿色) - 刮水器马达信号2 D-GN (深绿色) - 刮水器马达信号3 D-BU (深蓝色) - 刮水器马达信号 4-5 -- 未用6 PU (紫色) - 车门接触开关信号7 PK (粉红色) - 乘客室中央照明灯点火电压8 YE (黄色) - 刮水器传感开关信号9 RD (红色) - 洗涤器开关信号 10 PK (粉红色) - 雨水传感器装置点火电压 11 -- 未用12 OG (橙色) - 阅读灯蓄电池主电压 13 BN (棕色)- 天窗点火电压C204-未带雨水传感器C206连接器部件信息11路(白色)引脚导线颜色电路号功能1GY(灰色)-天线信号2PU(紫色)- 车门接触开关信号3PK(粉红色)-乘客室中央照明灯点火电压4 - - 未用5OG(橙色)-阅读灯蓄电池主电压6BN(棕色)-天窗点火电压7 - - 未用8PK/BK(粉红色/黑色)- 尾门接触开关信号9-10 - - 未用11RD(红色)-蓄电池主电压连接器部件信息22路(白色)引脚导线颜色电路号功能C2072 L-GN/BK(浅绿色/黑色)- 驻车空档位置开关L4信号3 D-GN/WH(深绿色/白色)- 变速器控制模块信号4YE(黄色)- 变速器控制模块CAN低压信号5YE(黄色)-保持模式信号6 L-GN/RD(浅绿色/红色)- 驻车空档位置开关L3信号7 BK/WH(黑色/白色)- 搭铁8 OG/BK(橙色/黑色)- 驻车空档位置开关信号9L-BU(浅蓝色)-制动开关信号10 - - 未用11 L-GN/RD(浅绿色/红色)- 驻车空档位置开关L2信号12PK(粉红色)-变速器控制模块点火信号13-15 - - 未用16 RD/BU(红色/蓝色)- 驻车空档位置开关L1信号17L-GN(浅绿色)- 倒车灯信号18OG(橙色)-蓄电池主电压19PU(紫色)-数据链接插头信号20PK(粉红色)-驻车空档位置点火电压21 - - 未用22PU(紫色)- 变速器控制模块CAN高压信号连接器部件信息6路(白色)引脚导线颜色电路号功能1YE(黄色)-传感和诊断模块点火电压C208C2092 BK/WH (黑色/白色)- 安全带警告信号 3 BN (棕色) - 气囊警告灯4 L-BU (浅蓝色)- 传感和诊断模块串行数据 5-6--未用连接器部件信息15路(白色)引脚 导线颜色 电路号功能1 YE (黄色)- 搭铁2 D-GN/WH (深绿色/白色)- 全自动温度控制信号 3 D-GN (深绿色) - 搭铁 4 BN/WH (棕色/白色) - 照明电压 5 D-GN/WH (深绿色/白色)- 车速传感器信号 6 BN (棕色) - 进气马达点火电压 7 -- 未用8 OG (橙色) - 全自动温度控制蓄电池主电压 9 L-GN/BK (浅绿色/黑色) - 5伏参考电压 10 -- 未用11 WH (白色) - 除雾继电器信号 12 YE (黄色) - 鼓风机马达信号 13 - - 未用14 D-GN (深绿色)- 刮水器开关信号 15 --未用C210连接器部件信息20路(黑色)引脚 导线颜色 电路号功能 1 OG (橙色) - 蓄电池主电压 2 PU/WH (紫色/白色) - 进气马达信号 3 - - 未用 4 D-GN/BK (深绿色/黑色) - 进气马达信号 5 L-GN/BK (浅绿色/黑色) - 5伏电压参考 6 BU/BK (蓝色/黑色) - 最高转速继电器信号 7 D-GN (深绿色)- 刮水器开关信号 8 D-GN/WH (深绿色/白色)- 车速传感器信号 9 D-BU (深蓝色) - 电动区段参考电压 10 WH (白色) - 除雾继电器信号 11 BN (棕色) - 全自动温度控制点火开关 12 BN/WH (棕色/白色) - 照明电压 13 D-GN (深绿色)- 搭铁14 D-GN/WH (深绿色/白色)- 全自动温度控制信号 15-18 -- 未用 19 BK (黑色) - 搭铁 20GY/BK (灰色/黑色)-电动区段开关C220(仅新凯越)连接器部件信息6路(白色)引脚导线颜色电路号功能1YE(黄色)- 附件电压2BK(黑色)-搭铁3 D-GN/WH(深绿色/白色)- 保持模式开关信号4BK(黑色)-搭铁5 BN/WH(棕色/白色)- 照明电压6D-GN(深绿色)-搭铁连接器部件信息引脚导线颜色电路号功能1D-GN(深绿色)906 点火开关继电器电压2D-BU(深蓝色)925保护电路继电器电压3 OG/WH(橙色/白色)908 驻车/空档开关继电器电压4BK(黑色)937启动器继电器电压5BN(棕色)1508 点火继电器电压6OG(橙色)960点火继电器电压C301C3027 - - 未使用 8 RD (红色) 1000 中央扬声器(+) 9 - - 未使用10 BK (黑色) 930 音响功放电源电压 11 GY/WH (灰色/白色) 931 车速信号 12 - - 未使用13 D-GN (深绿色) 933 音响功放启动信号 14OG (橙色)1001中央扬声器(-)连接器部件信息8路(白色)引脚 导线颜色 电路号功能1 RD/YE (红色/黄色) - 驾驶员侧气囊传感器(高)2 PK/WH (粉红色/白色) - 乘客侧气囊传感器(高)3 -- 未用4 BK/WH (黑色/白色) - 驾驶员侧气囊传感器(低)5 BN/WH (棕色/白色)- 乘客侧气囊传感器(低) 6-8--未用C303连接器部件信息 4路(黑色)引脚导线颜色 电路号功能1 GY (灰色) - 右后轮速度传感器信号2 WH (白色) - 右后轮速度传感器搭铁3 GY (灰色) - 左后轮速度传感器信号 4WH (白色)-左后轮速度传感器搭铁连接器部件信息16路(黑色)引脚 导线颜色 电路号功能1 - - 未用2 YE (黄色) - 报警器信号3 PK/BK (粉红/黑色) - 发动机罩接触开关信号4 YE/BU (黄色/蓝色)- 搭铁 5 - - 未用 6 L-BU (浅蓝色) - 右转向信号灯 7 L-BU (浅蓝色) - 左前侧转向信号灯 8 L-GN/BK (浅绿色/黑色)- 5伏电压参考9 L-GN (浅绿色) - 速度传感动力转向高压信号 10 BU (蓝色) - 冷却风扇控制继电器信号 11 D-GN (深绿色) - 高位停车灯信号 12 RD (红色) - 前洗涤器泵信号13BN/BK (棕色/黑色)-速度传感动力转向低压信号C35114-15 - - 未用16 GY (灰色)-发动机控制模块信号连接器部件信息33路(灰色)引脚 导线颜色 电路号功能1 PU (紫色) - 左前扬声器信号2 GY (灰色) - 左前扬声器搭铁3 WH (白色) - 门锁开关开锁信号4 WH (白色) - 左前中心锁紧开关开锁信号5 PU (紫色) - 右前电动车窗开关下降信号6 L-BU (浅蓝色) - 右前电动车窗开关上升信号7 GY/BK (灰色/黑色) - 电动后视镜搭铁8 PU/WH (紫色/白色) - 右电动后视镜上升/下降信号 9 RD/WH (红色/白色) - 右电动后视镜向左/向右信号 10 RD/WH (红色/白色) - 电动车窗开关蓄电池主电压 11 L-GN/WH (浅绿色/白色) - 门锁开关上锁信号 12 D-BU (深蓝色) - 右前电动车窗锁止信号 13 L-BU (浅蓝色) - 左前中心锁紧开关上锁信号 14 PU/RD (紫色/红色) - 左后电动车窗下降信号 15 D-GN (深绿色) - 左后电动车窗上升信号 16BN (棕色)-行李箱开启开关信号(NB/HB) 未用(SW)C36117 OG (橙色) -蓄电池主电压(NB/HB) 未用(SW)18 BN/BK (棕色/黑色) - 后视镜控制开关点火电压 19 BK (黑色) - 搭铁 20 BK (黑色) - 搭铁21 OG (橙色) - 电动车窗开关蓄电池主电压 22 - - 未用23 PU/WH (紫色/白色) - 右后电动车窗下降信号 24 L-GN (浅绿色) - 右后电动车窗上升信号 25 L-GN/BK (浅绿色/黑色) - 左折叠后视镜马达搭铁 26 BN/WH (棕色/白色) - 左折叠后视镜马达信号 27 OG (橙色) - 左车外后视镜信号 28 GY/BK (灰色/黑色) - 左前车门执行器锁紧信号 29 BU (蓝色) - 左防盗门锁紧开关 30 PU/WH (紫色/白色)- 左前车门执行器解锁信号 31 -- 未用32 YE/GN (黄色/绿色) - 防盗数据显示信号 33 RD/WH (红色/白色)-折叠后视镜开关信号连接器部件信息33路(灰色)引脚 导线颜色 电路号功能1 PU (紫色) - 右前扬声器信号 2GY (灰色)-右前扬声器搭铁C3713-4 --未用5 PU (紫色) - 右前电动车窗开关下降信号6 L-BU (浅蓝色) - 右前电动车窗开关上升信号7 GY/BK (灰色/黑色) - 电动后视镜搭铁8 PU/WH (紫色/白色) - 右电动后视镜上升/下降信号 9 RD/WH (红色/白色) - 右电动后视镜向左/向右信号 10 -- 未用 11 BK (黑色) - 搭铁12 BK (黑色) - 右前电动车窗锁止信号 13-24 - - 未用25 L-GN/BK (浅绿色/黑色) - 右折叠后视镜马达搭铁 26 BN/WH (棕色/白色) - 右折叠后视镜马达信号 27 OG (橙色) - 右车外后视镜除雾器信号 28 GY (灰色) - 右前门执行器锁紧信号 29 PU (紫色) - 右防盗门锁开关 30 PU/WH (紫色/白色)- 右前门执行器解锁信号 31-33--未用连接器部件信息 11路(白色)引脚 导线颜色 电路号功能1 YE (黄色) - 左后扬声器搭铁 2-3 - - 未用4BN (棕色) -左后扬声器信号D-GNC381C401(NB)5 (深绿色) - 左后电动车窗马达上升信号 6 D-BU (深蓝色) - 左后电动车窗马达锁止信号 7 PU (紫色) - 左后电动车窗马达下降信号 8 GY (灰色) - 左后车门锁执行器锁紧信号 9-10 - - 未用11PU (紫色)-左后车门锁执行器解锁信号连接器部件信息11路(白色)引脚 导线颜色 电路号功能1 L-BU (浅蓝色) - 左后扬声器搭铁 2-3 -- 未用4 BU/WH (蓝色/白色)- 右后扬声器信号 5 D-GN (深绿色) - 电动车窗马达上升信号 6 D-BU (深蓝色) - 电动车窗马达锁止信号 7 PU (紫色) - 电动车窗马达下降信号 8 GY (灰色) - 右后车门锁执行器锁紧信号 9-10 - - 未用11PU (紫色)-右后车门锁执行器解锁信号C402(NB)连接器部件信息8路(白色)引脚导线颜色电路号功能1D-BU(深蓝色)- 右后转向信号灯2 BN/WH(棕色/白色)- 右后驻车灯信号3YE(黄色)- 停车灯信号4PU(紫色)-左后驻车灯信号5L-BU(浅蓝色)-左后转向信号灯6 L-BU/PU(浅蓝色/紫色)- 升蒸发排放碳罐通风控制7L-GN(浅绿色)- 倒车灯信号8 PK/BK(粉红/黑色)- 升点火电压连接器部件信息6路(白色)引脚导线颜色电路号功能1-2 - - 未用3BK(黑色)-搭铁4PU(紫色)- 牌照灯照明电压5BN(棕色)-行李箱开启开关信号6 PK/BK(粉红/黑色)- 行李箱照明灯信号C405牌照灯线束与车身线束C501连接器部件信息 4路黑色12047786连接器部件信息 4路黑色12047785引脚 导线颜色 电路号 功能引脚 导线颜色 电路号 功能ARD (红色) -后视摄像头电源ARD (红色) -后视摄像头电源B BK (黑色) - 后视摄像头接地 B BK (黑色) - 后视摄像头接地 CWH (白色) -后视摄像头影像信号(-) C BK/WH (黑色/白色)-后视摄像头影像信号(-)DYE (黄色)-后视摄像头影像信号(+)D D-GN(深绿色)-后视摄像头影像信号(+)连接器部件信息 6路针 导线颜色 电路编号功能1 BK (黑色)- 搭铁 2 - - 未用3YE (黄色)-左倒车雷达信号4PU(紫色)- 右倒车雷达信号5L-GN(浅绿色)-右中倒车雷达信号6OG(橙色)- 左中倒车雷达信号。
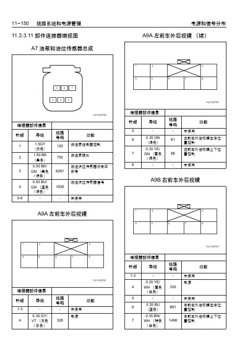
11.3.3.11 部件连接器端视图A7油泵和油位传感器总成A9A 左前车外后视镜A9B 右前车外后视镜A9A 左前车外后视镜(续)A10 内部后视镜A9B 右前车外后视镜(续)A11收音机模块1A11收音机模块2连接器部件信息针脚导线线路号码功能1BARE(裸线)6015天线信号-20.5 WH(白色)6001天线信号+A11收音机模块1(续)A23D左前门锁闩A23LR左后门锁闩A23RF 右前门锁闩A23RR 右后门锁闩B1空调制冷剂压力传感器B5LF 左前轮速传感器B5LR 左后轮速传感器B5RF 右前轮速传感器B5RR 右后轮速传感器B16倒车灯开关B19C 电子真空助力泵开关B20制动液位传感器B22制动踏板位置传感器B23E 凸轮轴排气位置传感器B23F 凸轮轴进气位置传感器B23E 凸轮轴排气位置传感器(续)B24 Onstar 麦克风B25离合器踏板位置开关B26曲轴位置传感器B28D 驾驶员侧门柱开关X1B28D 驾驶员侧门柱开关X2B28LR 左后门柱开关B28P 乘客侧门柱开关B28RR 右后门柱开关B34发动机冷却液温度传感器B37发动机机油压力开关B39空调蒸发器温度传感器B52A 加热型氧传感器1B52B 加热型氧传感器2B56点火钥匙输入开关B66进气温度传感器B68爆震传感器B74进气歧管绝对压力传感器B78E 左后中间倒车雷达传感器B78G 左后角倒车雷达传感器B78F 右后中间倒车雷达传感器B78H 右后角倒车雷达传感器B80驻车制动开关B85后备箱钥匙输入开关B88D驾驶员侧安全带开关B107加速踏板位置传感器B115车速传感器B182换挡位置传感器E4Y 左侧转向灯信号复示灯E4Z 右侧转向信号复示灯E5AA左侧尾灯E5AB右侧尾灯E5B 右尾灯倒车灯E6中央高位制动灯E7牌照灯E7牌照灯E8S 后备箱灯E13L 左侧前照灯E13L 左侧前照灯(续)E13R 右侧前照灯E18后窗除雾栅格E29LF 左前雾灯E29RF 右前雾灯E29RR 右后雾灯E32点烟器E37A 阅读灯F105乘客侧安全气囊F107方向盘安全气囊G10主冷却风扇G10副冷却风扇G13 发电机 X1G13 发电机 X2连接器部件信息针脚导线线路号码功能A25 RD/YE(红色/黄色)2蓄电池正极G24洗涤泵K9 车身控制模块X1K9 车身控制模块X1(续)K9 车身控制模块X2K9 车身控制模块X3K9车身控制模块X4K9车身控制模块X5K9车身控制模块X4(续)K9车身控制模块X5(续)K9车身控制模块X6K15中央门锁控制模块K17电子制动控制模块K15中央门锁控制模块(续)K17电子制动控制模块(续)K20发动机控制模块K17电子制动控制模块(续)K20发动机控制模块(续)K20发动机控制模块(续)K20发动机控制模块(续)K20发动机控制模块(续)K20发动机控制模块(续)K33暖风、通风与空调系统控制模块X2K33暖风、通风与空调系统控制模块X1K36传感诊断模块K36传感诊断模块(续)K41驻车辅助控制模块K36传感诊断模块(续)K41驻车辅助控制模块(续)K46 天线模块1K46 天线模块2连接器部件信息针脚导线线路号码功能1BARE(裸线)6015天线信号-20.5 WH(白色)6001天线信号+K73 OnStar模块K71变速器控制模块K73 OnStar模块(续)K84无钥匙进入模块K71变速器控制模块(续)K89防盗控制模块K84无钥匙进入模块(续)K180动力转向开关KR14电子真空泵电机继电器KR47后雾灯继电器KR56转向信号危险警告闪烁继电器M8鼓风机M37空调模式执行电机M8鼓风机(续)M40后备箱锁闩M64起动电机X1连接器部件信息针脚导线线路号码功能12.0 YE(黄色)6起动继电器控制M64起动电机X2连接器部件信息针脚导线线路号码功能125 RD/ YE(红色/黄色)2蓄电池电源M69天窗电机M74D 驾驶员侧车窗电机M74P 乘客侧车窗电机M74LR 左后车窗电机M74RR 右后车窗电机M75 雨刮电机P12 喇叭P16 组合仪表AP16 组合仪表A(续)P16 组合仪表BP19AG 左前门扬声器P19AH 右前门扬声器P19AL 左后门扬声器P19AM 右后门扬声器P19H 左前门高音扬声器P19V 右前门高音扬声器Q2 空调压缩机离合器Q6A 排气凸轮轴位置执行器电磁阀Q6B 进气凸轮轴位置执行器电磁阀Q12 蒸发排放吹洗电磁阀Q17 A 喷油器1Q17 B 喷油器2Q17 C 喷油器3Q17D 喷油器4Q22可变进气歧管电磁阀Q32自动换档执行器Q38节气门体R3 暖风空调鼓风机电阻器R14 后窗除雾格栅X1连接器部件信息针脚导线线路号码功能12.5 BN/VT(棕色/紫色)938后窗除雾栅格电源R14后窗除雾滤波器X2连接器部件信息针脚导线线路号码功能12.5 BN/VT(棕色/紫色)938后窗除雾栅格电源22.0 BN/WH(棕色/白色)683除雾滤波器电源S12顶灯开关S13驾驶员侧门锁开关(高配)S13驾驶员侧门锁开关(低配)S13驾驶员侧门锁开关(高配)(续)S15 驾驶员侧门上后备箱开启开关S26危险警告灯开关S26危险警告灯开关(续)S33喇叭开关S39点火开关S42前照灯水平调节开关S39点火开关(续)S52车外后视境调节开关S42前照灯水平调节开关(续)S72 天窗开关S52车外后视境调节开关(续)S78 多功能控制开关X1S72 天窗开关(续)S78 多功能控制开关X2S78 多功能控制开关X1(续)。
车身线路系统8-593 8.19线路系统8.19.1诊断信息和程序8.19.1.1电气符号导线颜色表导线颜色图示上的缩写深绿色D-GN(深绿色)浅绿色L-GN(浅绿色)深蓝色D-BU(深蓝色)棕色BN(棕色)橙色OG(橙色)黄色YE(黄色)灰色GY(灰色)浅蓝色L-BU(浅蓝色)红色RD(红色)黑色BK(黑色)粉红色PK(粉红色)白色WH(白色)紫色PU(紫色)带色标的导线导线颜色图示上的缩写带白色色标的红色导线RD/WH(红色/白色)带黑色色标的红色导线RD/BK(红色/黑色)带白色色标的棕色导线BN/WH(棕色/白色)带白色色标的黑色导线BK/WH(黑色/白色)带黄色色标的黑色导线BK/YE(黑色/黄色)带黑色色标的绿色导线D-GN/BK(深绿色/黑色)带白色色标的绿色导线D-GN/WH(深绿色/白色)带黑色色标的浅绿色导线L-GN/BK(浅绿色/黑色)带黄色色标的红色导线RD/YE(红色/黄色)带蓝色色标的红色导线RD/D-BU(红色/深蓝)带棕色色标的黑色导线BK/BN(黑色/棕色)8-594线路系统车身电气符号旧符号新符号说明附加充气式保护装置(SIR)或附加保护系统(SRS)图标本图标用于提醒技术人员,该系统含有附加充气式保护装置(SIR)/附加保护系统(SRS)部件,在维修前需要特别注意。
106630106630电压指示器框示意图上的这些框格用于指示何时保险丝上有电压。
106635800768局部部件当部件采用虚线框表示时,部件或导线均未完全表示。
106637106637完整部件当部件采用实线框表示时,部件或导线均完全表示。
106641106641车身线路系统8-595电气符号(续)旧符号新符号说明保险丝106643800769部件上连接的连接器106645800771带引线的连接器106646800772带螺栓或螺钉连接孔的端子1066471066478-596线路系统车身电气符号(续)旧符号新符号说明直列式线束连接器106648800773接头106649106649底盘搭铁106651800775壳体搭铁106652800776车身线路系统8-597电气符号(续)旧符号新符号说明单丝灯泡106653800777发光二极管106655800779蓄电池106657106657电阻器1066588007818-598线路系统车身电气符号(续)旧符号新符号说明可变电阻器106659800782位置传感器106661800783二级管106664106664加热芯106666800786车身线路系统8-599电气符号(续)旧符号新符号说明马达106667800787电磁阀106668800788线圈106669800789天线1066708008158-600线路系统车身电气符号(续)旧符号新符号说明屏蔽106671106671开关106672800790单极单掷继电器-常断106673800791单极单掷继电器-常闭106674800792车身线路系统8-6198.19.2.2配电示意图(发动机罩下保险丝盒-电池正极)1360796主蓄电池E F 1保险丝30A8-620线路系统车身8.19.2.3配电示意图(发动机罩下保险丝盒-电池正极)-1.6升(L91)(BOSCH)1360796E主蓄电池E F 1保险丝30A8.19.2.4配电示意图(发动机罩下保险丝盒-空调压缩机继电器,除雾继电器,燃油泵继电器,点火继电器和冷却风扇继电器)7976318.19.2.5配电示意图(发动机罩下保险丝盒-主继电器,点火继电器)897631 4DSURIS8.19.2.6配电示意图(发动机罩下保险丝盒-主继电器,点火继电器)-1.6升(L91)(BOSCH)E8976318.19.2.7配电示意图(发动机罩下保险丝盒-仪表板保险丝盒,鼓风机继电器,点火开关,电子制动控制模块,喇叭继电器)9976318.19.2.8配电示意图(发动机罩下保险丝盒-防盗指示灯,仪表组,阅读灯,车内照明灯,中央门锁,制动开关)C86318.19.2.9配电示意图(发动机罩下保险丝盒-前雾灯继电器,电动车窗继电器)186318.19.2.10配电示意图(发动机罩下保险丝盒-前照灯继电器,照明继电器)B286318.19.2.11配电示意图(发动机罩下保险丝盒-牌照灯,蜂鸣器铃,前照灯,尾灯,前照灯开关,仪表组)B4863158.19.2.12配电示意图(发动机罩下保险丝盒-雾灯开关,音响,烟灰盒灯,保持模式开关,时钟、PRNDL照明,危险警告灯开关,通用暖风、换气和空调系统控制,日间行车灯模块)B3863198.19.2.13配电示意图(发动机罩下保险丝盒-空调压缩机继电器,除雾继电器)8.19.2.14配电示意图(发动机罩下保险丝盒-点火继电器(MR-140))D786318.19.2.15配电示意图(发动机罩下保险丝盒-点火继电器(MR-140))-1.6升(L91)(BOSCH)1360807D EC 1035C 10851846P K /B K 0.751846P K /B K 0.75C 1017868686868.19.2.16配电示意图(发动机罩下保险丝盒-冷却风扇继电器)186318.19.2.17配电示意图(发动机罩下保险丝盒-燃油泵继电器)1360811E26(1.6L B O S C H )8.19.2.18配电示意图(发动机罩下保险丝盒-燃油泵继电器)(欧IV排放标准)8.19.2.19配电示意图(发动机罩下保险丝盒-发动机控制模块线路)C ,၍ୟဣཥዐڦದۉ๖ᅪF D N F G 22ԍ၃ີ21Bԍ၃ີ࢈.݀ۯऐቸူৈT j s j v t !E 5ৈN S .251ৈN S .251ৈI W .35112!!!!ৈ1.6L B O S C H݀ۯऐ੦ఇ(E C M )1360812E8.19.2.20配电示意图(发动机罩下保险丝盒-发动机控制模块线路)(欧IV排放标准)8.19.2.21配电示意图(仪表板保险丝盒-点火开关,音响,阻断器,数据链接插头,时钟,全自动温度控制,空调控制开关,危险警告灯开关,防盗控制装置,变速器控制模块,后雾灯继电器)3186318.19.2.22配电示意图(仪表板保险丝盒-仪表组,日间行车灯,蜂鸣器,制动开关,速度传感动力转向,空调控制开关,传感和诊断模块,驻车/空档位置,倒车灯开关)4186318.19.2.23配电示意图(仪表板保险丝盒-仪表组,日间行车灯,蜂鸣器,制动开关,速度传感动力转向,空调控制开关,传感和诊断模块,驻车/空档位置,倒车灯开关)-1.6升(L91)(BOSCH)1360814E8.19.2.24配电示意图(仪表板保险丝盒-燃油供给接头,电子制动控制模块,阻断器,防盗开关,刮水器马达/开关,危险警告灯,变速器控制模块,驻车/空档位置开关)C51863168.19.2.25配电示意图(仪表板保险丝盒-空调控制开关,鼓风机,模式马达,全自动温度控制,发动机罩下保险丝盒,进气马达,天窗开关模块,折叠后视镜,电动后视镜开关)7186318.19.2.26配电示意图(仪表板保险丝盒-时钟,音响,附加电源插座,点烟器)B81863128.19.2.27线束布线图(前线束布线)图标(1)C109(2)左前照灯(3)主冷却风扇(4)辅助冷却风扇(5)右前照灯、右转向信号灯(6)右雾灯(7)侧转向信号灯(8)喇叭(9)冷却风扇电阻(10)G101(11)C1041291805B5678910118.19.2.28线束布线图(后线束布线)图标(1)行李箱锁开关(2)防盗器锁固开关(3)牌照灯12918178.19.2.29线束布线图(后掀门线束布线)图标(1)除雾(正极)(2)右后组合灯(3)后掀门执行器(4)后厢灯开关(5)牌照灯(6)后雨刷马达(7)C406(8)左后组合灯(9)除雾(负极)(10)C405(11)C404(12)C403(13)C402(14)高位刹车灯8.19.2.30线束布线图(地板线束布线)图标(1)行李箱照明灯(2)中间高位停车灯(3)车门接触开关(4)G302(5)C351(6)前车门接触开关(7)侧气囊(8)侧气囊传感器(9)C301(10)驻车制动开关(11)燃油泵(12)C302(13)C351(14)侧气囊传感器(15)前车门接触开关(16)C371(17)后车门接触开关(18)C207(19)侧气囊(20)G30112918338.19.2.31线束布线图(仪表线束布线)图标(1)前照灯高度调节开关(2)仪表组(3)S202(4)C207(5)危险警告灯开关(6)时钟(7)车外后视镜(8)C208(9)S204(10)G204(11)附加电源插座(12)C210(13)PRNDL照明(14)BTSI电磁阀(15)保持开关(16)点烟器和烟灰盒(17)空调控制开关(18)收音机(19)S203(20)C202(21)变光器控制单元12918418.19.2.32线束布线图(车门线束布线)图标(1)数据显示(2)C351(3)高频扬声器(4)车门扬声器(5)行李箱开启开关(6)门锁开关(7)电动车窗开关(8)门锁执行器(9)中心锁紧和防盗(10)后门锁执行器(11)高频扬声器(12)C371/C381(13)后门扬声器(14)后门电动车窗马达(15)后门电动车窗开关12918428.19.3部件定位图8.19.3.1主要电器部件列表名称位置定位视图连接器端视图空调压力传感器在空调吸管中 1.6升发动机控制中发动机控制部件视图1.8升发动机控制中发动机控制部件视图1.6升发动机控制中发动机控制连接器端视图1.8升发动机控制中发动机控制连接器端视图混气风门马达在仪表板储物箱的后面,在HVAC模块上-“自动暖风、通风与空调系统”中“暖风、通风与空调系统连接器端视图”环境传感器在保险杠蒙皮后,在冷凝器前-“自动暖风、通风与空调系统”中“暖风、通风与空调系统连接器端视图”防盗器锁固开关车门锁芯的一部分-ABS中ABS连接器端视图烟灰盒照明灯在仪表板中心下面,烟灰盒上-仪表板、计量仪表和控制台中的仪表板、计量仪表和控制台连接器端视图鼓风机马达在仪表板厢的后面,在HVAC模块上-“手动暖风、通风与空调系统”中“暖风、通风与空调系统连接器端视图”鼓风机马达电阻器在仪表板厢的后面,在HVAC模块上-“手动暖风、通风与空调系统”中“暖风、通风与空调系统连接器端视图”制动液开关在制动器总泵中-“ABS”中“ABS连接器端视图”制动开关在制动踏板上-“ABS”中“ABS连接器端视图”制动器变速器换档互锁(BTSI)电磁阀在地板控制台的换档杆部分-“换档锁死控制”中“自动变速器换档锁死控制连接器端视图”凸轮轴位置(CMP)传感器在正时皮带罩后,在凸轮轴齿轮中间1.6升发动机机械中分解视图或1.8升发动机机械中分解视图“1.6升发动机控制”中“发动机控制连接器端视图”“1.8升发动机控制”中“发动机控制连接器端视图”中央高位停车灯(CHMSL)左后行李架中心-“照明系统”中“照明系统连接器端视图”中央门锁单元位于地板控制台后部-“车门”中“电动车门系统连接器端视图”中心锁紧和防盗开关门锁的一部分-“车门”中“电动车门系统连接器端视图”蜂鸣器模块在驾驶员膝垫下面,靠近仪表板中心-“仪表板、计量仪表和控制台”中的“仪表板、计量仪表和控制台连接器端视图”点烟器在仪表板中心下面,烟灰盒旁边-“电源插座”中“电源插座连接器端视图”时钟在仪表板中心,收音机上面-“仪表板、计量仪表和控制台”中的“仪表板、计量仪表和控制台连接器端视图”冷却风扇在发动机室内部,在散热器后面“发动机冷却系统”中的“冷却系统部件视图”“发动机冷却系统”中“冷却系统连接器端视图”曲轴箱位置(CKP)传感器(1.6升)发动机罩右下侧,靠近变速器“1.6升发动机机械系统”中的“分解视图”“1.6升发动机控制系统”中“发动机控制系统连接器端视图”曲轴箱位置(CKP)传感器(1.8升)发动机罩右下侧,靠近发动机前部“1.8升发动机控制系统”中“发动机控制部件视图”“1.8升发动机控制系统”中“发动机控制连接器端视图”巡航控制模块在驾驶员膝垫下,靠近转向柱-“在巡航控制”中“巡航控制连接器端视图”数据链接插头(DLC)在驾驶员膝垫下-“数据链接通信”中“数据链接通信连接器端视图”日间行车灯(DRL)模块在驾驶员膝垫下,靠近仪表板中心-“照明系统”中“照明系统连接器端视图”变光器控制开关驾驶员仪表板侧,出风口下-“照明系统”中“照明系统连接器端视图”车门执行器门锁的一部分-“车门”中“电动车门系统连接器端视图”门锁开关位于前门板中心-“车门”中“电动车门系统连接器端视图”驾驶员气囊在方向盘中心“附加充气保护装置”中“附加充气保护装置部件视图”“附加充气保护装置”中“附加充气保护装置连接器端视图”电子制动控制模块(EBCM)在发动机室左侧,靠近发动机保险丝盒-“ABS”中“ABS连接器端视图”电子点火(EI)系统线圈(1.6升)安装在后气缸盖上“1.6升发动机控制系统”中“发动机控制系统连接器端视图”“1.6升发动机控制系统”中“发动机控制系统连接器端视图”电子点火(EI)系统线圈(1.8升)在后气缸盖上“1.8升发动机控制系统”中“发动机控制部件视图”“1.8升发动机控制系统”中“发动机控制连接器端视图”发动机控制模块(ECM)(1.6升)发动机室左边,靠近保险丝盒“1.6升发动机控制系统”中“发动机控制系统连接器端视图”“1.6升发动机控制系统”中“发动机控制系统连接器端视图”发动机控制模块(ECM)(1.8升)发动机室后部中间,在前罩板上“1.8升发动机控制系统”中“发动机控制部件视图”“1.8升发动机控制系统”中“发动机控制连接器端视图”发动机冷却液温度(ECT)传感器(1.6升)位于气缸体右侧,靠近进气端口1“1.6升发动机机械系统”中的“分解视图”“1.6升发动机控制系统”中“发动机控制系统连接器端视图”发动机冷却液温度(ECT)传感器(1.8升)在右后气缸盖上“1.8升发动机控制系统”中“发动机控制部件视图”“1.8升发动机控制系统”中“发动机控制连接器端视图”8.19.3.1主要电器部件列表(续)名称位置定位视图连接器端视图蒸发排放碳罐吹洗电磁阀(1.8升)在左后气缸盖上“1.6升发动机控制”中“发动机控制部件视图”“1.8升发动机控制”中“发动机控制部件视图”“1.6升发动机控制”中“发动机控制连接器端视图”“1.8升发动机控制”中“发动机控制连接器端视图”排气再循环(EGR)阀(1.6升)安装在后气缸盖上,靠近点火线圈“1.6升发动机控制系统”中“发动机控制系统连接器端视图”“1.6升发动机控制系统”中“发动机控制系统连接器端视图”排气再循环(EGR)阀(1.8升)安装在后气缸盖上,靠近点火线圈“1.8升发动机控制系统”中“发动机控制部件视图”“1.8升发动机控制系统”中“发动机控制连接器端视图”附加电源插座在地板控制台前面,在前烟灰盒下面-“电源插座”中“电源插座连接器端视图”折叠后视镜装置在仪表板舱下,靠近铰链柱螺栓-“车门”中“电动车门系统连接器端视图”前雾灯安装在前保险杠蒙皮上-“照明系统”中“照明系统连接器端视图”喷油器发动机左侧顶部“1.6升发动机控制”中“发动机控制部件视图”“1.8升发动机控制”中“发动机控制部件视图”“1.6升发动机控制”中“发动机控制连接器端视图”“1.8升发动机控制”中“发动机控制连接器端视图”燃油泵在燃油箱中“1.6升发动机控制”中“发动机控制部件视图”“1.8升发动机控制”中“发动机控制部件视图”“1.6升发动机控制”中“发动机控制连接器端视图”“1.8升发动机控制”中“发动机控制连接器端视图”发电机安装在发动机前侧右边-发动机电气控制中发动机电气连接器端视图玻璃天线位于后车窗-“静止车窗”中“静止车窗连接器端视图”危险警告灯开关位于仪表板中心,在各出风口中心之间“电路系统”中“线束布线视图”“照明系统”中“照明系统连接器端视图”前照灯车辆前部-“照明系统”中“照明系统连接器端视图”前照灯开关多功能操纵杆部分-“照明系统”中“照明系统连接器端视图”前照灯高度调节开关驾驶员仪表板侧,出风口下-“照明系统”中“照明系统连接器端视图”加热氧传感器1(HO2S1)位于排气歧管内“1.6升发动机控制”中“发动机控制部件视图”“1.8升发动机控制”中“发动机控制部件视图”“1.6升发动机控制”中“发动机控制连接器端视图”“1.8升发动机控制”中“发动机控制连接器端视图”加热氧传感器2(HO2S2)位于排气管内“1.6升发动机控制”中“发动机控制部件视图”“1.8升发动机控制”中“发动机控制部件视图”“1.6升发动机控制”中“发动机控制连接器端视图”“1.8升发动机控制”中“发动机控制连接器端视图”保持模式开关在地板控制台中-127476在“Aisin自动变速器”中连接器端视图8.19.3.1主要电器部件列表(续)名称位置定位视图连接器端视图发动机罩接触开关在散热器上支架的左侧-“ABS”中“ABS连接器端视图”喇叭位于发动机室左侧内,冷却风扇左侧-“喇叭”中“喇叭连接器端视图”HVAC控制位于仪表板中心-“手动暖风、通风与空调系统”中“暖风、通风与空调系统连接器端视图”或“自动暖风、通风与空调系统”中“暖风、通风与空调系统连接器端视图”怠速空气控制(IAC)阀安装在节气门体上“1.8升发动机控制系统”中“发动机控制部件视图”“1.8升发动机控制系统”中“发动机控制部件连接器端视图”点火开关位于转向柱右侧-“发动机电气控制”中“发动机电气连接器端视图”内部温度传感器位于仪表板中心的后面-“自动暖风、通风与空调系统”中“暖风、通风与空调系统连接器端视图”仪表组在仪表板内,驾驶员前面-“仪表板、计量仪表和控制台”中的“仪表板、计量仪表和控制台连接器端视图”进气温度(IAT)传感器(1.6升)安装在进气歧管上“1.6升发动机控制系统”中“发动机控制系统连接器端视图”“1.6升发动机控制系统”中“发动机控制系统连接器端视图”进气温度(IAT)传感器(1.8升)安装在空气进气管上“1.8升发动机控制系统”中“发动机控制部件视图”“1.8升发动机控制系统”中“发动机控制连接器端视图”进气马达位于仪表板舱后面,在暖风、通风与空调系统模块上-“自动暖风、通风与空调系统”中“暖风、通风与空调系统连接器端视图”钥匙未拔提醒开关位于转向柱内,点火开关部分-“自动暖风、通风与空调系统”中“暖风、通风与空调系统连接器端视图”爆震传感器位于发动机罩左侧下部,靠近起动机“1.6升发动机控制”中“发动机控制部件视图”“1.8升发动机控制”中“发动机控制部件视图”“1.6升发动机控制”中“发动机控制连接器端视图”“1.8升发动机控制”中“发动机控制连接器端视图”牌照灯位于后箱门中心“电路系统”中“线束布线视图”“照明系统”中“照明系统连接器端视图”灯开关多功能操纵杆部分-“照明系统”中“照明系统连接器端视图”主节气门进气执行器节气门体部分“1.6升发动机控制系统”中“发动机控制系统连接器端视图”“1.6升发动机控制系统”中“发动机控制系统连接器端视图”进气歧管绝对压力(MAP)传感器(1.6升)位于发动机室后部,在前罩板上“1.6升发动机控制系统”中“发动机控制系统连接器端视图”“1.6升发动机控制系统”中“发动机控制系统连接器端视图”8.19.3.1主要电器部件列表(续)名称位置定位视图连接器端视图进气歧管绝对压力(MAP)传感器(1.8升)安装在进气歧管上“1.8升发动机控制系统”中“发动机控制部件视图”“1.8升发动机控制系统”中“发动机控制连接器端视图”阅读灯安装在车顶篷衬层上-“车顶”中“电动车顶系统连接器端视图”后视镜控制开关位于驾驶员座车门板上前角-“车门”中“电动车门系统连接器端视图”模式马达位于仪表板舱后面,在暖风、通风与空调系统模块上-“自动暖风、通风与空调系统”中“暖风、通风与空调系统连接器端视图”氧气传感器(1.6升)安装在排气歧管管上“1.6升发动机控制系统”中“发动机控制系统连接器端视图”“1.6升发动机控制系统”中“发动机控制系统连接器端视图”供油连接器位于发动机室内部左侧,靠近保险丝盒“电路系统”中“线束布线视图”“ABS”中“ABS连接器端视图”氧气(O2)传感器(1.8升)安装在排气歧管上“1.8升发动机控制系统”中“发动机控制系统部件视图”“1.8升发动机控制系统”中“发动机控制系统连接器端视图”驻车空档位置(PNP)开关位于变速器上125657在“Aisin自动变速器”中分解视图127476在“Aisin自动变速器”中连接器端视图驻车位置按钮在地板控制台的换档杆部分-“换档锁死控制”中“自动变速器换档锁死控制连接器端视图”乘客气囊在仪表板内,乘客座椅的前面“附加充气保护装置”中“附加充气保护装置部件视图”“附加充气保护装置”中“附加充气保护装置连接器端视图”电动车窗单元外后视镜部分-“车门”中“电动车门系统连接器端视图”高功率晶体模组位于仪表板舱后面,在暖风、通风与空调系统模块上-“自动暖风、通风与空调系统”中“暖风、通风与空调系统连接器端视图”电动后视镜马达在车门板内-“车门”中“电动车门系统连接器端视图”电动车窗开关位于前门板中心-“车门”中“电动车门系统连接器端视图”PRNDL照明位于地板控制台内,靠近地板换档器-“照明系统”中“照明系统连接器端视图”收音机位于仪表板中心内-“音响娱乐系统中”的“音响娱乐系统连接器端视图”雨水传感器前风窗玻璃中心顶部,在车内后视镜后面-“刮水器/洗涤器系统”中“刮水器/洗涤器系统连接器端视图”遥控门锁接收器(RCDLR)位于地板控制台后部-“防盗系统”中“防盗系统连接器端视图”倒车灯开关在手动变速器上“手动变速器D-16”中“手动变速器部件视图”“照明系统”中“照明系统连接器端视图”乘客室灯安装在车顶篷衬层上-“照明系统”中“照明系统连接器端视图”8.19.3.1主要电器部件列表(续)名称位置定位视图连接器端视图车内照明灯天窗开关安装在车顶篷衬层上-“照明系统”中“照明系统连接器端视图”安全带开关在驾驶员座椅安全带扣环-“安全带”中“安全带连接器端视图”传感和诊断模块(SDM)位于地板控制台后部“附加充气保护装置”中“附加充气保护装置部件视图”“附加充气保护装置”中“附加充气保护装置连接器端视图”侧气囊在前侧座椅外部的膝垫上“附加充气保护装置”中“附加充气保护装置部件视图”“附加充气保护装置”中“附加充气保护装置连接器端视图”侧气囊传感器在中间支柱上“附加充气保护装置”中“附加充气保护装置部件视图”“附加充气保护装置”中“附加充气保护装置连接器端视图”侧转向信号灯安装在前翼子板上-“照明系统”中“照明系统连接器端视图”报警器在洗涤液储液罐上面,在左前轮的前面,在挡泥板后面-“ABS”中“ABS连接器端视图”前端扬声器安装在前车门板-“音响娱乐系统中”的“音响娱乐系统连接器端视图”后扬声器安装在后车门板-“音响娱乐系统中”的“音响娱乐系统连接器端视图”车速传感动力转向(SSPS)线圈在动力转向泵压力出口-可变作用力转向系统中转向控制系统连接器端视图车速传感动力转向(SSPS)模块在仪表板舱后面-“可变作用力转向系统”中“转向控制系统连接器端视图”数据显示在驾驶员座车门的门锁旋钮底部处-“ABS”中“ABS连接器端视图”方向盘传感器在转向柱的底部-“可变作用力转向系统”中“转向控制系统连接器端视图”天窗模块在天窗上-“车顶”中“电动车顶系统连接器端视图”阳光传感器位于仪表盘顶部中心,在前风窗玻璃底部-“自动暖风、通风与空调系统”中“暖风、通风与空调系统连接器端视图”尾灯车辆的后部-“照明系统”中“照明系统连接器端视图”防盗控制模块位于转向柱内,点火开关处-“防盗系统”中“防盗系统连接器端视图”节气门位置(TP)传感器安装在节气门体上“1.8升发动机控制系统”中“发动机控制部件视图”“1.8升发动机控制系统”中“发动机控制连接器端视图”变速器控制模块在仪表板下面,靠近转向柱-127476在“Aisin自动变速器”中连接器端视图行李箱灯在后箱内部,行李架下面-“照明系统”中“照明系统连接器端视图”8.19.3.1主要电器部件列表(续)名称位置定位视图连接器端视图行李箱锁开关行李箱锁部分-“ABS”中“ABS连接器端视图”行李箱开启开关在驾驶员座的车门板上,扬声器上面-“ABS”中“ABS连接器端视图”前高频扬声器安装在前门板上-“音响娱乐系统中”的“音响娱乐系统连接器端视图”后高频扬声器安装在后车门板-“音响娱乐系统中”的“音响娱乐系统连接器端视图”可变几何形状进气电磁阀(VGIS)安装在进气歧管上“1.6升发动机控制系统”中“发动机控制系统连接器端视图”“1.6升发动机控制系统”中“发动机控制系统连接器端视图”车速传感器(VSS)-手动变速器在变速器的顶部“手动变速器D-16”中“手动变速器部件视图”“1.6升发动机控制”中“发动机控制连接器端视图”“1.8升发动机控制”中“发动机控制连接器端视图”洗涤器泵在洗涤液储液罐上面,在左前轮的前面,在挡泥板后面-“刮水器/洗涤器系统”中“刮水器/洗涤器系统连接器端视图”水传感器位于仪表板舱后面,在暖风、通风与空调系统模块上-“自动暖风、通风与空调系统”中“暖风、通风与空调系统连接器端视图”车轮速度传感器车轮轮毂部分“ABS”中“ABS部件视图”“ABS”中“ABS连接器端视图”刮水器马达在前罩板上,在左侧进风口格栅下面-“刮水器/洗涤器系统”中“刮水器/洗涤器系统连接器端视图”刮水器开关位于转向柱的右侧-“刮水器/洗涤器系统”中“刮水器/洗涤器系统连接器端视图”8.19.3.1主要电器部件列表(续)名称位置定位视图连接器端视图。
8.6.3.2电动车门系统连接器端视图中央门锁和防盗开关尾门执行器中央门锁装置(CDL )连接器零件信息 4路引脚 导线颜色 电路编号功能1 L-BU (浅蓝色) - 中央门锁(CDL )上锁信号2 BK (黑色) - 搭铁3 WH (白色)- 中央门锁(CDL )开锁信号 4---连接器零件信息 4路引脚 导线颜色 电路编号功能1 PU (紫色)- 中央门锁开锁信号 2 - - 未用3 GY (灰色)- 中央门锁上锁信号 4--未用门锁开关连接器零件信息8路引脚导线颜色电路编号功能1 L-GN/WH(浅绿色/白色)- 遥控门锁锁止信号2GY(灰色)- 门锁执行器锁止信号3PU(紫色)-门锁执行器开锁信号4WH(白色)-左前中央门锁和防盗开关未锁5 OG/BK(橙色/黑色)- 蓄电池主电压6L-BU(浅蓝色)-左前中央门锁和防盗开关未锁7YE(黄色)-遥控门锁开锁信号8BK(黑色)-搭铁连接器零件信息3路引脚导线颜色电路编号功能1 L-GN/WH(浅绿色/白色)- 控制装置锁止信号2BK(黑色)-搭铁3WH(白色)-锁止信号折叠后视镜装置左前车门执行器左后车门执行器连接器零件信息8路引脚 导线颜色 电路编号功能1 GY/BK (灰色/黑色)- 折叠后视镜开关信号2 - - -3 PU (紫色) - 蓄电池主电压4 WH (白色) - 点火电压5 OG/BK (橙色/黑色)- 搭铁 6 - - -7 YE (黄色) - 电动后视镜装置搭铁 8BK (黑色)-电动后视镜装置信号连接器零件信息 2路引脚 导线颜色 电路编号功能1 GY (灰色) - 中央门锁(CDL )上锁信号 2PU (紫色)-中央门锁(CDL )开锁信号后视镜控制开关电动后视镜装置,右连接器零件信息 2路引脚 导线颜色 电路编号功能1 GY (灰色) - 中央门锁(CDL )上锁信号 2PU (紫色)-中央门锁(CDL )开锁信号连接器零件信息8路引脚 导线颜色 电路编号功能1 L-GN (浅绿色) - 左后视镜上移/下移信号2 GY/BK (灰色/黑色) - 折叠后视镜开关3 PU/WH (紫色/白色)- 右后视镜上移/下移信号 4 GY (灰色)- 后视镜搭铁信号 5 - - 左后视镜左移/右移信号 6 BK (黑色) - 搭铁7 RD/WH (红色/白色)- 右后视镜左移/右移信号 8BN (棕色)-点火电压电动后视镜装置,左连接器零件信息8路引脚 导线颜色 电路编号功能1 L-GN (浅绿色) - 折叠后视镜装置信号2 BN/WH (棕色/白色)- 折叠后视镜装置搭铁 3 OG (橙色) - 除雾器继电器信号 4 GY/BK (灰色/黑色) - 后视镜搭铁5 -- -6 RD/WH (红色/白色) - 后视镜左移/右移信号7 PU/WH (紫色/白色)- 后视镜上移/下移信号 8BK (黑色)-搭铁连接器零件信息8路引脚 导线颜色 电路编号功能1 BN/WH (棕色/白色) - 折叠后视镜装置信号2 L-GN/BK (浅绿色/黑色) - 折叠后视镜装置搭铁3 OG/BK (橙色/黑色)- 除雾器继电器信号 4 GY (灰色)- 后视镜搭铁5 - - -6 - - 后视镜左移/右移信号 7L-GN (浅绿色)-后视镜上移/下移信号电动车窗开关(右前门/后门)电动车窗开关(左前门)连接器零件信息 8路引脚 导线颜色 电路编号功能1 BN (棕色)- 车窗马达 2 - - 未用 3 BU (蓝色) - 车窗马达 4 PU (紫色) - 车窗下移信号 5 - - 未用 6 BU (蓝色) - 车窗控制信号 7 BK (黑色) - 搭铁8BU/GN (蓝色/ 绿色)-车窗上移信号(右前蓝/后门绿)连接器零件信息 14路引脚 导线颜色电路编号功能1BN-左前车窗下移信号电动车窗马达(前窗)(棕色)2 D-BU (深蓝色) - 左前车窗上移信号3 RD (红色) - 电动车窗继电器信号4 PU (紫色) - 右前车窗下移信号5 - - -6 L-BU (浅蓝色) - 右前车窗上移信号7 BU (蓝色) - 车窗锁定信号8 PU (紫色/ 红色) - 左后车窗下移信号9 - - -10 OG (橙色) - 电动车窗继电器信号 11 BK (黑色) - 搭铁12 D-GN (深绿色) - 左后车窗上移信号 13 PU (紫色/ 白色) - 右后车窗下移信号 14L-GN (浅绿色)-右后车窗上移信号连接器零件信息2路引脚 导线颜色 电路编号功能1 D-BU (深蓝色) - 车窗上移信号 2BN (棕色)-车窗下移信号电动车窗马达(后窗)右前车门执行器右后车门执行器连接器零件信息2路引脚 导线颜色 电路编号功能1 D-BU (深蓝色) - 车窗上移信号 2BN (棕色)-车窗下移信号连接器零件信息2路引脚 导线颜色 电路编号功能1 GY (灰色) - 中央门锁(CDL )上锁信号 2PU/WH (紫色/白色)-中央门锁(CDL )开锁信号连接器零件信息2路引脚导线颜色电路编号功能1GY(灰色)- 中央门锁(CDL)上锁信号2OG(橙色)- 中央门锁(CDL)开锁信号。
For personal use only in study and research; not for commercial use日系、德系、欧系等车的车速信号线位置马自达323现代伊兰特桑塔纳2000别克塞欧广州本田2.4丰田花冠风神蓝鸟东南菱帅别克凯越北京吉普爱丽舍帕萨特、宝来奇瑞别克君威2.5的车速信号线在右前半轴侧的有一个二线插头,电线的颜色分别为:白色?? 棕色棕色的是地线,白色的是车速信号线97道奇大捷龙:右大灯后方有一块变速器控制电脑14#(绿/白)为车速脉冲信号;华泰特拉卡:仪表右边插头,上排右数第3根(黄/红);三凌帕杰罗V73:方向盘下,左脚门边大插头中(白/蓝);本田CR-V:车内右边ECU处31P白色插头蓝/白本田CRV车的车速线.把仪表版拆开,在它上面有两个插座,就接绿色插座的第4针蓝/白色线就是了.南韩现代七人车(新胜达)在变速箱处找其中有两个三线插头!一个分别是:黑色;咖啡色;橙色另一个分别是:黑色;黄色;橙色;咖啡色就是车速信号线!新圣达菲在电脑检测口可以找到!也是咖啡色。
你可以用万能表查在发动怠速情况下0。
3-1。
0v以内的线,或用示波器来查:新款皇冠2.5或3.0的数据脉冲线在仪表台后面的紫色线需要注意的是后面有三根紫色线,最中间的这根就是了丰田锐志在仪表后而仪表插头的第五条线,淡蓝色;锐志车的车速脉冲线拆仪表盘,后面有一个插头是浅蓝色的宝马745接到ABS电脑的轮速线上就可以。
有4根奔驰S500也是接到轮速线上的佳美2.4在副驾驶杂务盒后面的ECU盒上面的紫白色线帕萨领驭的车速线在左前雨刮器下方的电脑盒上的左边黑色插头上的棕红线就是车速线了奥迪A4车速脉冲线.前左门左侧有一茶色插座,17芯,第6根,白/蓝就是了现代雅尊脉冲线在方向盘下面检测插座可以找到是黄色的东风日产骐达在仪表盘后方为:绿色宝马X5仪表台后备干26针综红色雷克萨斯仪表台后16针插头下排右3浅绿陆地巡洋舰4700副驾驶室电脑处28针紫色奔驰C200右前大灯后电脑47针插头黑绿色宝马7系列E65引擎盖下右侧41针黄红色.....宝马5系列同上棕红色本田飞度在前右ECU里蓝白色森林人在仪表后边中间扦头第12根绿黄条线就是!只有一根绿黄线! 起亚赛拉图车速线在车速传感器插头上绿色带橙色便是车型线色位置爱丽舍橘黄色仪表后蓝组插头北京吉普蓝/灰色仪表后插座外排左起第3口广州本田2.4 蓝/白色排挡旁电脑最右侧白色插头第3排左起第5个针别克凯越绿色机舱变速器上3芯插头中间一个丰田花冠紫/白色仪表底下电脑第2个插头左起第3根风神蓝鸟蓝/黑色仪表后白色插头左起第5根东南菱帅黄色仪表后兰色插座第2口马自达323 灰/黑色右边22针插头上排左边第4根帕萨特、宝来白/蓝色 CD电源插头第1根奇瑞棕色变速箱插头中间一个赛欧蓝/红色仪表后插头右边第一根桑塔纳2000 黑/黄色变速箱插头中间一个现代伊兰特灰/橙色仪表下电脑线束华泰特拉卡黄/红仪表右边插头,上排右数第3根本田CR-V 蓝/白车内右边ECU处31P白色插头丰田锐志淡蓝色在仪表后而仪表插头的第五条线皇冠2.5或3.0 紫色线在驾驶室的右下装饰板里,白色18P下段右侧第2个佳美2.4 紫白色线在副驾驶杂务盒后面的ECU盒上面的A4 白/蓝色在仪表台左侧C茶色插头中第17根GL8 深绿色空气滤清器中60针插头上排右边第6针丰田霸道粉红/蓝色右侧电脑C插18P第5根丰田陆地巡洋舰紫色` 副驾驶28针中排左起第5口福美来紫红色右侧地板上方电脑中B白色插头24P第19帕萨特领驭棕红线在左前雨刮器下方的电脑盒上的左边黑色插头上。
三、转向系统电气元件位置图翻转式转向盘/转向柱电气元件位置图见图9-1-18所示。
图9-1-18 翻转式转向盘/转向柱电气元件位置图1-转向盘2-自动变速器变速锁控制执行器(BTSI)3-C201在线连接器(转向盘线束侧)4-制动灯开关C2连接器(转向盘线束侧)5-制动灯开关C1连接器(转向盘线束侧)四、HV AC系统元件位置图HV AC系统元件位置如图9-1-19~图9-1-30所示。
图9-1-19 前仪表板的后部元件位置1-前灯线束2-外界环境空气温度表传感器图9-1-20 仪表安装板的后部右侧电气元件位置1-真空电磁阀2-辅助设备(RAP)继电器,后窗除雾继电器、后舱盖释放继电器和驾驶员开锁继电器图9-1-21 发动机的右侧下部电气元件位置1-爆震传感器2-发动机油压力指示开关3-C172(至RF轮速传感器)4-A/C压缩机离合器线圈5-发动机罩内辅助设备接线盒,C3(前灯线束)图9-1-22 发动机舱的左侧电气元件位置1-二级节流孔管2-A/C储能器3-A/C制冷剂压力传感器4-A/C压缩机图9-1-23 发动机舱的右侧电气元件位置1-储能器2-A/C制冷剂压力传感器图9-1-24 仪表底板的中央部位电气元件位置1-HV AC控制总成(CJ4)连接器2-HV AC控制总成(CJ4)图9-1-25 IP舱后边、HV AC总成(C60)的右侧电气元件位置1-仪表底板(IP)线束2-鼓风机电动机3-鼓风机电动机电阻器连接器4-LH温度执行器5-模式执行器真空管图9-1-26 IP舱后边、HV AC总成(CJ4)的右侧电气元件位置1-仪表线束2-真空电磁阀3-鼓风机电动机4-鼓风机电动机电阻器5-后温度执行器6-模式执行器图9-1-27 仪表底板(IP)的中心部位电气元件位置1-HV AC控制总成(C60)2-HV AC控制总成(C60)连接器3-HV AC真空连接器(C60)4-HV AC真空控制端(C60)图9-1-28 仪表底板(IP)的左后侧电气元件位置1-仪表底板(IP)线束2-LH温度执行器连接器3-LH温度执行器图9-1-29 地板操纵台的后面元件位置1-中央操纵台2-后HV AC控制总成图9-1-30 仪表底板(IP)的右后侧电气元件位置1-二级节流孔管2-P101 3-保险丝盒五、SIR系统主要元件的位置图SIR系统主要元件的位置图如图9-1-31所示。
发动机控制系统——喷油器、排油器、加热型氧传感器示意图(HO2S):
发动机控制系统——凸轮轴位置传感器、蒸发排放碳罐清污电磁阀、燃油泵、车速示意图:
暖风、通风与空调系统控制、冷却风扇继电器、发动机数据传感器示意图:
发动机控制系统——燃油泵继电器、进气歧管绝对压力传感器、排气再循环阀、点火线圈、曲轴位置传感器示意图:
发动机控制系统——数据链接插头、怠速空气控制阀示意图:
发动机控制系统——喷油器、排油器、加热型氧传感器(HO2S)示意图:
暖风、通风与空调系统控制、冷却风扇继电器、发动机数据传感器(欧IV排放标准)示意图:
燃油泵继电器、进气歧管绝对压力传感器、排气再循环阀、点火线圈、曲轴位置传感器示意图:
数据链接插头、怠速空气控制阀(欧IV标准)示意图:
喷油器、排油器、加热型氧传感器(新凯越)示意图:
凸轮轴位置传感器、蒸发排放碳罐清污电磁阀、燃油泵、车速(新凯越):
暖风、通风与空调系统控制、冷却风扇继电器、发动机数据传感器(新凯越):
燃油泵继电器、进气歧管绝对压力传感器、排气再循环阀、点火线圈、曲轴位置传感器示意图:
数据链接插头、怠速空气控制阀(欧IV标准)新凯越:。
七、别克轿车主要线束布置图主要线束的布置如图9-1-87~图9-1-122所示。
图9-1-87 发动机舱左侧、支柱塔处线束布置1-两孔连接器(Two Stage Orifice Connector)2-C101连接器图9-1-88 发动机的上部右侧线束布置1-点火控制模块连接器C1 2-点火控制模块连接器C2 3-C102(至喷油器线束的在线连接器)图9-1-89 车辆的右前侧线束布置1-C142(至大灯总成的在线连接器)2-右侧中继灯连接器图9-1-90 车辆的左前侧线束布置1-左侧中继灯连接器2-前部灯线束图9-1-91 发动机舱的前面线束布置1-C105(冷却风扇跨接片)2-C105(发动机线束)3-RH发动机冷却风扇电动机4-LH发动机冷却风扇电动机图9-1-92 发动机舱的左侧线束布置1-C111 2-驻车空挡位置(PNP)开关3-驻车空挡位置(PNP)开关连接器C1 4- 驻车空挡位置(PNP)开关连接器C2 5-EBCM/EBTCM连接器6-C101 7-G119 8-A/C压力传感器连接器9-C171 10-G113 11-G113(自蓄电池)12-G117图9-1-93 发动机舱的右前侧线束布置1-C120图9-1-94 前大灯线束布置1-C141(LH)、C142(RH,图中未画出)2-位置灯3-转向灯4-角灯5-大灯(远光)6-大灯(近光)图9-1-95 右前轮处的线束布置1-右前轮速传感器2-C172(至发动机线束的在线连接器)图9-1-96 发动机舱的前右侧线束布置1-蓄电池2-发动机罩内辅助接线盒(UAMJB)3-G100(蓄电池搭铁)4-蓄电池负极接线柱图9-1-97 转向柱下方的线束布置1-制动灯开关连接器C1(IP线束)2-制动灯开关连接器C2(IP线束)3-C216(至SIR 系统IP组件的在线连接器)4-C201(至转向柱,IP线束的在线连接器)5-C215(至SIR 系统转向盘组件,IP线束的在线连接器)6-C215(至SIR系统转向盘组件,转向盘线束的在线连接器)7-C201(至转向盘线束的在线连接器)8-G203;9-制动灯开关连接器C2(转向柱线束)图9-1-98 仪表板的中央线束布置1-C242图9-1-99 仪表板的右侧后部线束布置1-收音机2-天线引线3-C290图9-1-100 前中央控制台线束布置1-收音机控制开关(后)2-收音机控制开关(后)连接器3-后加热器-A/C控制模块4-后加热器-A/C控制模块连接器图9-1-101 左前门(右前门与此相似)的线束布置1-电动车窗开关连接器2-电动外侧后视镜连接器3-P301 4-C301 5-LF收音机扬声器6-电动车窗开关连接器7-电动门锁电动机连接器8-外侧后视镜开关连接器9-电动车窗调节电动机连接器10-电动门锁开关连接器11-电动外侧后视镜开关连接器图9-1-102 乘员舱的右侧线束布置1-C352 2-P372 3-C302图9-1-103 前乘客舱左侧线束布置1-C311 2-车身主线束3-C312图9-1-104 后车门的线束布置1-电动车窗开关连接器2-点烟器连接器3-P701 4-C351 5-电动车窗调节器电动机连接器6-电动门锁电动机连接器7-电动车门微开开关连接器图9-1-105 左后轮(右后轮与此相似)处的线束布置1-P371(LH)及P372(RH)2-后轮速传感器3-C371(LH)及C372(RH)图9-1-106 车顶(乘员舱内部)的线束布置1-后视镜连接器2-阅读灯/门控灯连接器3-C390 4-顶灯连接器图9-1-107 后舱盖的内侧线束布置1-C915(至倒车灯的在线连接器)2-后舱盖释放执行元件电磁线圈连接器3-P430 4-P932 5-C410(至车身主线束的在线连接器)6-后舱盖微开开关连接器图9-1-108 左后舱(轮罩)处的线束布置1-G401(LH后架搭铁)2-P425(EV AP罐进口电磁阀连接器)3-C401图9-1-109 座舱内的线束布置1-C405(主体)2-燃油送进装置总成3-C405(燃油箱)4-燃油箱5-P375图9-1-110 车顶(乘员舱的内侧)线束布置1-C420图9-1-111 车辆的前部线束布置1-G101 2-角灯连接器(LH)3-C141 4-雾灯连接器(LH)5-外界空气温度表传感器连接器6-RH雾灯连接器7-喇叭连接器8-C142 9-角灯连接器(RH)10-UAMJB 连接器C3图9-1-112 发动机舱的前左侧线束布置1-G111图9-1-113 左发动机舱隔板上部的线束布置1-P101 2-G201图9-1-114 仪表板下、转向柱的右侧线束布置1-仪表板线束2-G203(收音机和IP电气搭铁)图9-1-115 乘员舱的左侧线束布置1-C301 2-C311 3-P371 4-C351 5-G301图9-1-116 左后车窗包裹架处的线束布置1-后窗除雾器连接器C1 2-G401 3-主线束图9-1-117 左后包裹架的下方线束布置1-C395(至电动天线的在线连接器)2-C410(至后舱盖锁释放电磁线圈的在线连接器)3-C402(至尾灯线束的在线连接器)4-G402 5-C390(至收音机天线的在线连接器)图9-1-118 右后窗包裹架处的线束布置1-C395(至电动天线组件的在线连接器)2-C399(至收音机天线的在线连接器)3-右后收音机扬声器连接器具4-C420(至中央高位安装制动灯的在线连接器)5-G402 6-C390(至车顶灯后侧部门控灯线束的在线连接器)图9-1-119 右侧隔板、IP下方的线束布置1-P100图9-1-120 后舱盖的线束布置1-C915(至后舱盖的在线连接器)2-P915 3-后舱盖图9-1-121 风窗的底部/发动机舱的顶部线束布置1-风窗刮水器电动机2-P103 3-P101图9-1-122 车辆的后部线束布置1-C401(LH)及C402(RH)2-尾灯/制动灯3-P401(LH)及C402(RH)。
各车型跑表器接线图现代伊拉特桑塔纳2000别克塞欧马自达323广州本田2.4丰田花冠风神蓝鸟东南菱帅别克凯越北京吉普爱丽舍帕萨特、宝来奇瑞别克君威2.5的车速信号线在右前半轴侧的有一个二线插头,电线的颜色分别为:白色棕色棕色的是地线,白色的是车速信号线97道奇大捷龙:右大灯后方有一块变速器控制电脑14#(绿/白)为车速脉冲信号;华泰特拉卡:仪表右边插头,上排右数第3根(黄/红);三凌帕杰罗V73:方向盘下,左脚门边大插头中(白/蓝);本田CR-V:车内右边ECU处31P白色插头蓝/白本田CRV车的车速线.把仪表版拆开,在它上面有两个插座,就接绿色插座的第4针蓝/白色线就是了.南韩现代七人车(新胜达)在变速箱处找其中有两个三线插头!一个分别是:黑色;咖啡色;橙色另一个分别是:黑色;黄色;橙色;咖啡色就是车速信号线!新圣达菲在电脑检测口可以找到!也是咖啡色。
你可以用万能表查在发动怠速情况下0。
3-1。
0v以内的线,或用示波器来查新款皇冠2.5或3.0的数据脉冲线在仪表台后面的紫色线!!!需要注意的是后面有三根紫色线,最中间的这根就是了丰田锐志在仪表后而仪表插头的第五条线,淡蓝色;锐志车的车速脉冲线拆仪表盘,后面有一个插头是浅蓝色的宝马745接到ABS电脑的轮速线上就可以。
有4根奔驰S500也是接到轮速线上的佳美2.4在副驾驶杂务盒后面的ECU盒上面的紫白色线帕萨领驭的车速线在左前雨刮器下方的电脑盒上的左边黑色插头上的棕红线就是车速线了奥迪A4车速脉冲线.前左门左侧有一茶色插座,17芯,第6根,白/蓝就是了现代雅尊脉冲线在方向盘下面检测插座可以找到是黄色的东风日产骐达在仪表盘后方为:绿色宝马X5仪表台后备干26针综红色雷克萨斯仪表台后16针插头下排右3浅绿陆地巡洋舰4700副驾驶室电脑处28针紫色奔驰C200右前大灯后电脑47针插头黑绿色宝马7系列E65引擎盖下右侧41针黄红色.....宝马5系列同上棕红色本田飞度在前右ECU里蓝白色森林人在仪表后边中间扦头第12根绿黄条线就是!只有一根绿黄线!起亚赛拉图车速线在车速传感器插头上绿色带橙色便是车型线色位置爱丽舍橘黄色仪表后蓝组插头北京吉普蓝/灰色仪表后插座外排左起第3口广州本田2.4 蓝/白色排挡旁电脑最右侧白色插头第3排左起第5个针别克凯越绿色机舱变速器上3芯插头中间一个丰田花冠紫/白色仪表底下电脑第2个插头左起第3根风神蓝鸟蓝/黑色仪表后白色插头左起第5根东南菱帅黄色仪表后兰色插座第2口马自达323 灰/黑色右边22针插头上排左边第4根帕萨特、宝来白/蓝色 CD电源插头第1根奇瑞棕色变速箱插头中间一个赛欧蓝/红色仪表后插头右边第一根桑塔纳2000 黑/黄色变速箱插头中间一个现代伊兰特灰/橙色仪表下电脑线束华泰特拉卡黄/红仪表右边插头,上排右数第3根本田CR-V 蓝/白车内右边ECU处31P白色插头丰田锐志淡蓝色在仪表后而仪表插头的第五条线皇冠2.5或3.0 紫色线在驾驶室的右下装饰板里,白色18P下段右侧第2个佳美2.4 紫白色线在副驾驶杂务盒后面的ECU盒上面的A4 白/蓝色在仪表台左侧C茶色插头中第17根GL8 深绿色空气滤清器中60针插头上排右边第6针丰田霸道粉红/蓝色右侧电脑C插18P第5根丰田陆地巡洋舰紫色` 副驾驶28针中排左起第5口福美来紫红色右侧地板上方电脑中B白色插头24P第19帕萨特领驭棕红线在左前雨刮器下方的电脑盒上的左边黑色插头上骐达绿色在仪表盘后方为三菱EVO9代黑/红银点仪表后面现代雅尊黄色在方向盘下面检测插座可以找到A6 蓝色线引擎室左侧白色插头10P第3P白宝马X5综红色仪表台后面26针雷克萨斯浅绿仪表台后16针插头下排右3奔驰C200黑绿色右前大灯后电脑47针插头宝马7系列黄红色E65引擎盖下右侧41针本田飞度蓝白色在前右ECU里翼虎蓝黄线电脑内新款A4(2.0FSI) 白/蓝色左前门与左脚踏板饰物旁有几个插头,其中有一个绿色17P插头,第9脚白带蓝这条就是车速线思域兰色蓝色插座的蓝色线凌志 RX-330 棕色仪表后插头第18脚丰田敞蓬跑车紫色仪表后右边插头;宝马525:引擎右前方刹车泵处棕红。
7.3.3.3连接器端视图保持开关输入速度传感器(ISS)驻车/空档位置开关接头零件信息4路引脚 导线颜色电路号功能1 D-GN/WH (深绿色/白色) - 保持开关信号2 BN/WH (棕色/白色)- 照明 3 BK (黑色) -搭铁 4BK (黑色)-保持开关搭铁接头零件信息2路引脚 导线颜色 电路号功能1 YE/BK (黄色/黑色) - 输入速度传感器低位信号 2D-BU/WH (深蓝色/白色)-输入速度传感器高位信号自动变速器控制模块(TCM)连接器A接头零件信息9路引脚 导线颜色 电路号功能1 D-GN (深绿色)- 驻车信号 2 D-GN/WH (深绿色/白色)- 倒档信号 3 PK (粉红色) - 点火电压 4 PK (粉红色) - 2档 换档信号 5 YE (黄色) - 空档 6 - - 未用 7 WH (白色) - 传动信号 8 GY (灰色)- 低位信号 9--未用接头零件信息24路(BLK )引脚 导线颜色 电路号功能1 BK/WH (黑色/白色) - 变速器控制模块(TCM)搭铁2 YE/BK (黄色/黑色)- 压力控制电磁阀(PCS)信号 3 - - 未用4RD (红色) -压力控制电磁阀(PCS)参考D-BU变速器控制模块(TCM)连接器B5 (深蓝色) - 左上电磁阀信号6 PK (粉红色) - 变速器控制模块(TCM)点火电压7 YE (黄色) - 变速器控制模块(TCM)Can 低压信号 8-10 - - 未用11 PU (紫色) - 机油温度传感器参考 12 OG/BK (橙色/黑色)- 机油温度传感器信号 13 - - 未用14 PK (粉红色) - 正时电磁阀信号 15 YE/BK (黄色/黑色)- 换档电磁阀#2信号 16 L-GN (浅绿色) - 换档电磁阀#1信号17 PU (紫色) - 变速器控制模块(TCM)CAN 高压信号 18-22 -- 未用23 BK/WH (黑色/白色)- 变速器控制模块(TCM)搭铁24OG (橙色)-变速器控制模块(TCM)蓄电池正极电压接头零件信息26路(黑色)引脚 导线颜色电路号功能1 D-GN/WH (深绿色/白色)- 驻车空档位置开关倒档信号2 - - 未用3 YE (黄色)- 保持灯信号 4 D-GN/WH (深绿色/白色) - 保持开关信号 5 -- 未用6 D-BU/WH (深蓝色/白色)- 输入轴速度传感器信号 7WH (白色)-驻车空档位置开关传动信号变速驱动桥连接器8 YE (黄色)- 驻车空档位置开关空档信号 9-15 -- 未用16 YE/BK (黄色/黑色)- 输入轴速度传感器参考 17 - - 未用18 GY (灰色) - 驻车空档位置开关低压信号 19 PK (粉红色) - 驻车空档位置开关2档信号 20 D-GN (深绿色) - 驻车空档位置开关驻车信号 21 - - 未用 22 L-BU (浅蓝色) - 制动开关信号 23 D-BU (深蓝色)- 数据链接插头信号 24 -- 未用25 D-GN/WH (深绿色/白色)- 车速传感器信号 26--未用接头零件信息10路引脚 导线颜色 电路号功能1 PU (紫色) - 机油温度传感器信号2 PK (粉红色) - 正时电磁阀信号3 RD (红色) - 压力控制信号4 D-BU (深蓝色) - 左上电磁阀信号5 L-GN (浅绿色) - 换档电磁阀#1信号 6OG/BK (橙色/黑色)-机油温度传感器电压车速传感器(VSS )7 -- 未用8 YE/BK (黄色/黑色) - 压力控制电磁阀(PCS)电压 9 -- 未用10YE/BK (黄色/黑色)-换档电磁阀#2信号接头零件信息3路引脚 导线颜色 电路号功能1 PK (粉红色) - 点火电压2 BK/WH (黑色/白色) - 搭铁3D-GN/WH (深绿色/白色)-车速传感器输入信号。
别克凯越4线发电机端子说明别克凯越是一款非常受欢迎的轿车型号,它配备了4线发电机。
在本文中,我将详细介绍别克凯越4线发电机端子的说明。
这些端子包括正极端子、负极端子、外部电源接线端子和发电机控制线束。
1. 正极端子:正极端子是发电机的输出端,它连接到汽车的电池正极。
这个端子通常是红色的,并且标有“+”符号。
在安装或拆卸电池时,务必先断开正极端子以避免触碰到金属导体而引起短路。
2. 负极端子:负极端子是发电机的接地端,它连接到汽车的车身或地线。
这个端子通常是黑色的,并且标有“-”符号。
与正极端子类似,在安装或拆卸电池时,务必先断开负极端子。
3. 外部电源接线端子:外部电源接线端子用于连接额外的设备或附件,例如音响系统、灯具等。
这些设备需要稳定的电源供应,因此可以通过外部电源接线来直接从发电机获得能量。
这些接线端子通常位于发电机的侧面或底部,并且标有相应的正负极符号。
4. 发电机控制线束:发电机控制线束是一组连接发电机和车辆电气系统的线束。
它包括多个线缆和连接器,用于传输信号和控制命令。
这些线束通常包括充电指示灯、发动机控制单元(ECU)和其他相关传感器的连接。
在使用别克凯越时,了解这些4线发电机端子的说明非常重要。
以下是一些相关注意事项:1. 定期检查端子连接:由于汽车震动、温度变化等因素,端子连接可能会松动。
定期检查并确保正极和负极端子紧固可靠非常重要。
如果发现松动或腐蚀现象,应及时清洁并重新紧固。
2. 外部设备接线:如果需要连接外部设备到发电机上,务必按照正确的极性进行接线。
将正极接到正极端子上,负极接到负极端子上,并确保连接牢固可靠。
如果不确定如何正确接线,请参考汽车用户手册或咨询专业技术人员。
3. 维护和保养:发电机是汽车电气系统的重要组成部分,因此需要定期进行维护和保养。
这包括清洁端子、检查线束的完整性和连接状态,并确保电源传输正常。
如果发现任何异常情况,如腐蚀、断裂或磨损,应及时修复或更换。