2011上海通用别克凯越全车电路图
- 格式:pdf
- 大小:5.98 MB
- 文档页数:84
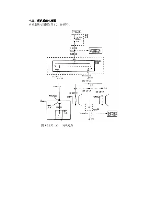
十三、喇叭系统电路图喇叭系统电路图如图9-2-150所示。
图9-2-150(a)喇叭电路图9-2-150(b)喇叭电路图十四、防盗系统电路图防盗系统电路图如图9-2-151所示。
图9-2-151 防盗系统电路十五、辅助设备供电系统电路图维持辅助设备供电(Retained Accessory Power,RAP)系统的电路如图9-2-152和图9-2-153所示。
图9-2-152 维持辅助设备供电(RAP)电路图图9-2-153 维持辅助设备供电(RAP)电路图-电路单元15、门锁、搭铁十六、固定窗系统电路图除雾器电路如图9-2-154所示,自动日-夜镜电路如图9-2-155所示。
图9-2-154 除雾器电路图HV AC控制总成、外后视镜、后窗除雾继电器和后窗除雾器图9-2-155 自动日-夜镜系统电路图十七、车门系统(电动车窗、电动门锁和外部镜)电路图电动车窗电路图如图9-2-156和图9-2-157所示,门锁电路如图9-2-158~图9-2-160所示,外部镜电路如图9-2-161所示。
图9-2-156 电动车窗电路图-供电、搭铁、车窗开关和调速电动机图9-2-157 电动车窗电路图-车窗开关和调速电动机图9-2-158 门锁电路图-自动门锁输入图9-2-159 门锁电路图-自动门锁输入图9-2-160 门锁电路-自动门锁输出图9-2-161 外部镜电路图十八、电动座椅系统电路图上海别克轿车电动座椅系统电路图如图9-2-162和图9-2-164所示。
图9-2-162 电动座椅电路图-电路单元140:驾驶员座椅图9-2-163 电动座椅电路图-电路单元140:乘员座椅图9-2-164 后舱盖释放系统电路。
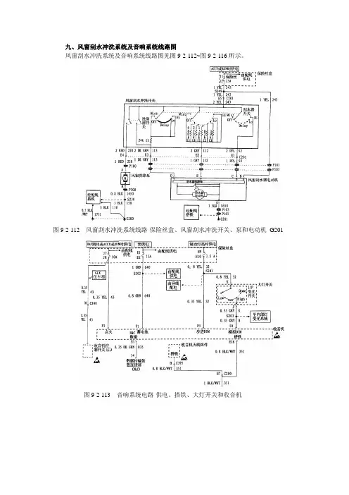
九、风窗刮水冲洗系统及音响系统线路图风窗刮水冲洗系统及音响系统线路图见图9-2-112~图9-2-116所示。
图9-2-112 风窗刮水冲洗系统线路-保险丝盒、风窗刮水冲洗开关、泵和电动机G201图9-2-113 音响系统电路-供电、搭铁、大灯开关和收音机图9-2-114 音响系统电路-扬声器RPO UQ3图9-2-115 音响系统电路图-后窗天线和收音机天线组件图9-2-116 音响系统电路-供电、搭铁和收音机控制开关(后)十、车身控制系统电路图车身控制系统电路图如图9-2-117~图9-2-141所示。
图9-2-117 车身控制模块线路图-供电/搭铁、RPA和TCS图9-2-118 车身控制模块电路图-外部灯和喇叭图9-2-119 车身控制模块电路图-PASS KEY、TCS和串行数据图9-2-120 车身控制模块电路图-音响警告信号输入图9-2-121 车身控制模块电路图-内部灯输入图9-2-122 车身控制模块电路图-内部灯输出和行李箱微开输入图9-2-123 车身控制模块电路图-内部灯输出图9-2-124 车身控制模块电路图-自动门锁输入图9-2-125 车身控制模块电路图-自动门锁输出图9-2-126 车身控制系统电路图图9-2-127 RCDLR与BCM之间的连接电路图图9-2-128 门锁蓄电池供电电路图9-2-129 门控灯蓄电池供电线路图9-2-130 门锁执行器搭铁线路图9-2-131 门控灯线路与搭铁短路诊断电路图图9-2-132 倒车灯控制电路图9-2-133 倒车灯控制电路图9-2-134 自动变光控制模块线路图9-2-135 电控牵引力控制开关与BCM连接线路图9-2-136 喇叭继电器与BCM连接电路图9-2-137 PASS-KEY电路图9-2-138 点火钥匙电路图9-2-139 RFA连接线路图9-2-140 驾驶员侧门开锁继电器线路图图9-2-141 后舱盖系统电路图十一、仪表板系统电路图仪表板系统电路图如图9-2-142~图9-2-145所示。
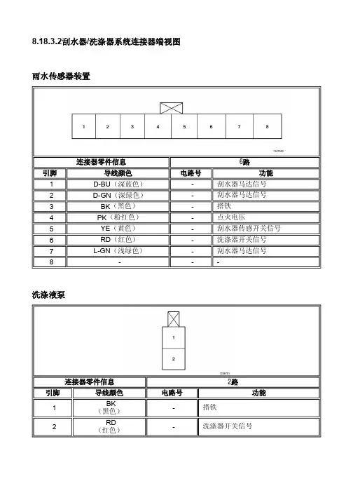
8.19.3.3直列式线束连接器端视图C101(NB)连接器部件信息21路(白色) 引脚 导线颜色 电路号功能1 OG (橙色) - 后视镜除雾器电压2 -- 未用 3 GY (灰色) - 燃油泵信号4 WH (白色) - 除雾继电器信号5 PU/WH (紫色白色) - 左后驻车灯信号6 PU (紫色) - 蜂鸣器模块照明电压7 BN (棕色) - 点火器电压 9 OG (橙色) - 蓄电池主电压 10 BN/WH (棕色/白色) - 照明电压 11 BN/WH (棕色/白色) - 右后驻车灯信号 12 - - 未用13 PK/BK (粉红/黑色) - 点火继电器电压 14 GY/BK (灰色/黑色) - 前照灯信号 15 PU/BK (紫色/黑色) - 牌照灯信号 16 -- 未用 17 BK (黑色) - 喇叭信号 18 WH (白色) - 照明继电器信号 19 YE-GN (黄色-绿色) - 前雾灯开关信号 20 L-BU (浅蓝色)- 前照灯电压 21--未用C102C103 - MR-140连接器部件信息11路(白色)引脚导线颜色电路号功能1PU(紫色)-近光2L-GN(浅绿色)-远光信号3 OR/BK(橙色/黑色)- 蓄电池主电压4PU(紫色)- 除雾继电器信号5RD(红色)-左前车窗信号6 OG/BK(橙色/黑色)- 蓄电池主电压7PK(粉红色)-点火电压8OG(橙色)-蓄电池主电压9OG(橙色)- 蓄电池主电压10OG(橙色)-蓄电池主电压11OG(橙色)-右前电动车窗信号连接器部件信息10路(白色)C104引脚 导线颜色 电路号功能1 PK/BK (粉红/黑色) - 冷却风扇点火电压2 PK/BK (粉红/黑色) - 后氧传感器点火电压 3-4 PK/BK (粉红/黑色) - 未用5PK/BK (粉红/黑色) - 2.0升蒸发排放碳罐通风电磁阀点火电压 PK/BK (粉红色/黑色) - 点火继电器电压6 PK/BK(自动) (粉红色/黑色) BK(手动) (黑色) - 凸轮轴位置传感器点火电压7 PK/BK (粉红/黑色)- 蒸发排放碳罐吹洗电磁阀点火电压 8 - - 未用9 PK (粉红色) - 喷油器3和4点火电压 10 PK (粉红色)-喷油器1和2点火电压连接器部件信息24路(白色)引脚 导线颜色 电路号功能 1 BN/WH (棕色/白色) - 右后驻车灯信号 2 -- 未用 3 PU (紫色) - 右前灯信号 4 -- 未用5 GN (绿色) - 空调压缩机信号 6-7 -- 未用 8 PU (紫色) - 左前雾灯信号 9 OG (橙色) - 发动机罩接触开关信号 10 -- 未用 11 YE (黄色) - 左侧近光信号 12BK (黑色)-搭铁C105C106-1.6升13-14 - - 未用15 L-BU (浅蓝色) - 冷却风扇信号 16 PU/WH (紫色/白色) - 右侧近光信号 17 L-GN/BK (浅绿色/黑色) - 右侧高速远光信号 18 GN/WH (绿色/白色) - 左侧高速远光信号 19 -- 未用20 PU (紫色) - 左前驻车灯信号21 PU (紫色) - 冷却风扇信号 22 PU (紫色) - 冷却风扇信号 23 GN (绿色)- 喇叭信号 24--未用连接器部件信息4路(白色)引脚 导线颜色 电路号功能1 RD (红色) - 鼓风机蓄电池主电压2 RD (红色)- 仪表板保险丝盒蓄电池主电压 3 RD/D-GN (红色/深绿色) - 点火开关蓄电池主电压 4RD/WH (红色/白色)-点火开关蓄电池主电压C107连接器部件信息20路(白色)引脚 导线颜色 电路号功能1 OG (橙色) - 点火电压2 PK (粉红色) - 带保险丝的燃油泵继电器开关电压3 GY (灰色)- 带保险丝的燃油泵继电器开关电压 4 D-GN/D-BU (深绿色/深蓝色)- 冷却风扇低速继电器控制 5 D-BU (深蓝色) - 冷却风扇高速继电器控制 6 - - 未用7 PU/D-BU (紫色/深蓝色) - 空调压缩机继电器控制 8 OG (橙色) - 蓄电池电压 9 OG (橙色) - 蓄电池电压 10 L-GN (浅绿色) - 燃油泵继电器控制 11-12 - - 未用 13 PU/D-BU (紫色/深蓝色) - 点火1电压 14 PK/D-BU (粉红色/深蓝色) - 点火1电压 15 D-BU (深蓝色) - 不平整道路信号 16 PU (紫色)- 串行数据 17 D-GN/WH (深蓝色/白色)- 主继电器控制 18 BN (棕色) - 电动转向开关 19 PK(粉红色)- 搭铁(MR-140) 20 --未用C108连接器部件信息2路(白色)引脚导线颜色电路号功能1RD(红色)- 蓄电池主电压2RD(红色)-蓄电池主电压连接器部件信息24路引脚导线颜色电路号功能1 BN/WH(棕色/白色)- 故障指示灯信号2GN(绿色)-温度表信号3 D-GN/RD(深绿色/红色)- 5伏参考(2升)4PU(紫色)- 2.0升高压型加热氧传感器5 LT GRN(浅绿色)- 2.0升低压加热型氧传感器PK/BK(粉红色/黑色)- 点火继电器电压6YE(黄色)-启动机信号7WH(白色)-燃油表信号8 GN/WH(绿色/白色)- 空调控制开关信号9 GN/WH(绿色/白色)- 车速传感器信号PU/BK(自动)(紫色/黑色)C109-MR-14010 PU/WH(手动) (紫色/白色) - 燃油泵搭铁-Sirius 11 BN/BK (棕色/黑色)- 机油压力开关信号 12 L-GN (浅绿色) - 储备灯信号 13 PK (粉红色) - 点火电压14 GY(WH)(灰色或白色)- 转速表信号-Sirius 15 BN (棕色) - 充电警告灯信号 16 PU (紫色)- 串行数据 17 -- 未用 18 -- 未用19 GY(BU)(灰色或蓝色) - 燃油泵信号-Sirius 20 BN/BK (棕色/黑色)- 2.0升加热型氧传感器搭铁 21 - - 未用22 YE (黄色) - 变速器控制模块CAN 低压信号 23 PU (紫色) - 变速器控制模块CAN 高压信号 24BU (蓝色)-冷却风扇控制继电器连接器部件信息4路(白色)引脚 导线颜色 电路号功能1 L-GN (浅绿色) - 后氧传感器低压信号2 PU (紫色) - 后氧传感器高压信号3 BN/BK (棕色/黑色) - 后氧传感器搭铁 4PK/BK (粉红/黑色)-点火电压C110C111连接器部件信息12路(白色)引脚导线颜色电路号功能1L-BU(浅蓝色)-停车灯信号2D-BU(深蓝色)-数据链接插头信号3 BN(棕色)- 右后轮速度传感器信号4 BK(黑色)- 左后轮速度传感器搭铁5D-BU(深蓝色)- 左后轮速度传感器信号6 BN(棕色)- 点火电压7 - - 未用8L-GN/BK(浅绿色/黑色)- ABS警告灯信号9L-GN(浅绿色)-电子制动控制模块信号10D-WH(深白色)-右后轮速度传感器搭铁11 GN(绿色)- 牵引力控制系统启动指示灯信号12 - - 未用连接器部件信息2路(黑色)引脚导线颜色电路号功能C112C2011 PU (紫色)右前轮速度传感器信号 2YE (黄色)右前轮速度传感器搭铁连接器部件信息2路(黑色)引脚 导线颜色 电路号功能1 BK (黑色) - 喇叭搭铁 2D-GN (深绿色)-喇叭信号连接器部件信息 76路(黑色)引脚 导线颜色 电路号功能1 BN (棕色) - 刮水器开关点火电压2 BK (黑色) - 搭铁3 PK (粉红色) - 保险丝盒-发动机罩下4 BK (黑色) - 搭铁5PK (粉红色)-危险警告灯开关点火电压6PK(粉红色)- 进气马达点火电压7PK(粉红色)-空调控制开关点火电压8PK(粉红色)-速度传感动力转向点火电压9BK(黑色)-搭铁10-11 - - 未用12OG(橙色)-点火电压13BN(棕色)- 全自动温度控制器,模式马达点火电压14 - - -15YE(黄色)- 前雾灯指示器信号16 - - 未用17PK(粉红色)-传感和诊断模块点火电压18OG(橙色)-制动开关点火电压19 - - 未用20PK(粉红色)-点火电压21PK(粉红色)-日间行车灯模块点火电压22-23 - - 未用24BN(棕色)-保险丝盒-发动机罩下25BN(棕色)-天窗,后视镜点火电压26YE(黄色)- 前雾灯继电器参考电压27BN(棕色)-刮水器开关点火电压28-29 - - 未用30BN(棕色)-点火电压31PK(粉红色)-仪表组点火电压32PK(粉红色)-仪表组点火电压33OG(橙色)- 变速器控制模块蓄电池主电压34OG(橙色)- 危险警告灯开关蓄电池主电压35BN(棕色)-空调控制开关/鼓风机继电器36OG(橙色)- 防盗控制蓄电池主电压37OG(橙色)- 数据链接插头蓄电池主电压38YE(黄色)-前雾灯指示器39YE(黄色)-附加电源插座点火电压40BN(棕色)- 刮水器马达点火电压41OG(橙色)-蓄电池主电压42OG(橙色)-蓄电池主电压43 - - -44PK(粉红色)-雨水传感器装置点火电压45BK(黑色)-搭铁46BK(黑色)- 搭铁47OG(橙色)-仪表板保险丝盒蓄电池主电压48-49 - - 未用50L-BU(浅蓝色)-制动开关电压51YE(黄色)- 时钟点火电压52 - - 未用53YE(黄色)-点烟器点火电压54PK(粉红色)-阻断器点火电压55 - - 未用56BK(黑色)- 搭铁57BK(黑色)-搭铁58BK(黑色)-搭铁C201(新凯越)(黑色)搭铁-Sirius D4 60 - - 未用61 L-BU (浅蓝色) - 停车灯开关信号 62 - - -63 YE (黄色) - 音响点火电压 64 BN (棕色) - 附件电压 65 OG (橙色) - 蓄电池主电压 66 PK (粉红色) - 驻车空档位置点火电压 67 PK (粉红色)- 倒车灯点火电压 68-69 - - 未用 70 BK (黑色) - 搭铁 71 - - 未用72 OG (橙色) - 后雾灯继电器蓄电池主电压73 OG (橙色) - 空调控制开关/全自动温度控制蓄电池主电压 74 OG (橙色) - 音响蓄电池主电压 75 OG (橙色) - 阻断器蓄电池主电压 76 L-BU (浅蓝色)-停车灯信号连接器部件信息76路(黑色)引脚导线颜色电路号功能A1PK(粉红色)-保险丝盒-发动机罩下A2BN(棕色)-全自动温度控制器,模式马达点火电压A3 - - -A4YE(黄色)-前雾灯指示器信号A5YE(黄色)-前雾灯继电器参考电压A6YE(黄色)- 前雾灯指示器A9BN/WH(棕色/白色)-空调控制面板点火电压A11PK(粉红色)-驻车空档位置点火电压B1RD(红色)-点火电压B2BN(棕色)-空调控制开关/鼓风机继电器B3BN(棕色)- 保险丝盒-发动机罩下B4BN(棕色)-天窗,后视镜点火电压B5OG(橙色)-点火电压PKC4PK(粉红色)- 雨水传感器装置点火电压C6OG(橙色)-制动开关点火电压C8PK(粉红色)-点火电压C10PK(粉红色)-仪表组点火电压D1PK(粉红色)-危险警告灯开关点火电压D2PK(粉红色)-阻断器点火电压D4BN(棕色)-电子制动控制模块点火电压D5PK(粉红色)- 传感和诊断模块点火电压D6PK(粉红色)- 仪表组点火电压E3BN(棕色)- 点火电压F1RD(红色)-仪表板保险丝盒蓄电池主电压F2BN(棕色)-刮水器开关点火电压F3BN(棕色)-刮水器开关点火电压G1OG(橙色)- 后雾灯继电器蓄电池主电压G2OG(橙色)-危险警告灯开关蓄电池主电压G3OG(橙色)-空调控制开关/全自动温度控制蓄电池主电压G4OG(橙色)- 数据链接插头蓄电池主电压G5OG(橙色)-音响蓄电池主电压G6BN(棕色)-刮水器马达点火电压H3BK(黑色)- 搭铁H5BK(黑色)-搭铁H6BK(黑色)-搭铁C202(黑色)H8 BK (黑色) - 搭铁 H9 BK (黑色) - 搭铁 H10 BK (黑色) - 搭铁 J1 BN (棕色) - 附件电压J2 YE (黄色) - 附加电源插座点火电压 J3 YE (黄色) - 点烟器点火电压J4 OG (橙色) - 变速器控制模块蓄电池主电压 J5 OG (橙色) - 防盗控制蓄电池主电压 J6 OG (橙色) - 阻断器蓄电池主电压 J7 BK (黑色) - 搭铁 K1 YE (黄色) - 音响点火电压 K7 L-BU (浅蓝色) - 制动开关电压 K9 L-BU (浅蓝色) - 停车灯开关信号 K10 L-BU (浅蓝色) - 停车灯信号 K11BK (黑色)-搭铁连接器部件信息89路(白色)引脚导线颜色电路号功能1WH(白色)- -2WH(白色)-后除雾继电器信号3 WH/BK(白色/黑色)- 副驾驶员安全带开关信号4GY(灰色)-天线信号5D-GN(深绿色)- 空调压缩机继电器点火电压6BN(棕色)-折叠后视镜装置点火电压7WH(白色)-安全带开关信号8YE(黄色)- 刮水器间歇信号9D-GN(深绿色)-温度表信号10RD(红色)-后雾灯信号11L-BU(浅蓝色)- 停车灯信号12L-GN(浅绿色)-防盗控制装置信号13BN(棕色)-充电警告灯信号14YE(黄色)- 前雾灯信号15PU(紫色)-左前侧车门接触开关16WH(白色)-牵引力控制系统警告灯信号17L-BU(浅蓝色)- 左转向信号18 - - 未用19 - - 电子制动控制模块/数据链接插头信号20L-BU(浅蓝色)-右转向信号21PU(紫色)-阻断器信号22L-GN(浅绿色)- ABS警告灯23L-BU(浅蓝色)-刮水器间歇信号24-28 - - 未用29 (深蓝色)- SBR传感器信号(+)30WH(白色)- 车门未关警告灯信号31WH(白色)-照明电压32 BN/BK(棕色/黑色)- 机油压力警告灯信号33 D-GN/WH(深绿色/白色)- 全自动温度控制/空调控制开关信号34L-GN(浅绿色)-远光信号35BK(黑色)- 喇叭信号36-37 - - 未用38YE(黄色)-数据显示信号39 BN/WH(棕色/白色)- 照明电压40 OG/BK(橙色/黑色)- 制动开关蓄电池主电压41PU(紫色)-驻车制动警告灯信号42PK(粉红色)-乘客室照明灯点火电压43RD(红色)- 洗涤器开关信号44PU(紫色)-近光灯电源45OG(橙色)-仪表组蓄电池主电压46 BN/BK(棕色/黑色)- 后视镜控制开关点火电压47 RD/BU(红色/蓝色)- 刮水器马达点火电压48PK(粉红色)-雨水传感器装置点火电压49L-GN(浅绿色)-防盗控制装置50 - - 未用51 BN/WH(棕色/白色)- 故障指示灯信号52RD(红色)- 点火开关蓄电池主电压53YE(黄色)-起动机马达电压54OG(橙色)- 超车闪光信号灯信号55RD(红色)- 鼓风机继电器蓄电池主电压56 RD/BU(红色/蓝色)- 蓄电池主电压57 (浅蓝色)- 前照灯蓄电池主电压58PK(粉红色)-发电机点火电压59RD(红色)-点火开关蓄电池主电压60 L-GN/BK(浅绿色/黑色)- 5 伏参考电压61YE(黄色)-搭铁62BN(棕色)- 电子制动控制模块点火电压63 D-GN/WH(深绿色/白色)- 车速传感器信号64D-GN(深绿色)-后洗涤器开关信号65D-GN(深绿色)-刮水器低压信号66GY(灰色)-发动机控制模块信号67PU(紫色)-刮水器高压信号68PU(紫色)-左前扬声器信号69YE(黄色)- 变速器控制模块CAN低压信号70 - - 未用71L-BU(浅蓝色)-扬声器搭铁72PU(紫色)-变速器控制模块CAN高压信号73PU(紫色)- SBR传感器信号(-)74L-GN(浅绿色)-右前扬声器信号75 - - 未用76RD(红色)- 照明电压77GY(灰色)-左前扬声器搭铁78 GY/BK(灰色/黑色)- 前照灯继电器参考电压79 - - 未用80YE(黄色)-左后扬声器搭铁81PU(紫色)- 燃油警告灯信号82 - - 未用C204-带有雨水传感器83 BN (棕色) -左后扬声器信号 84 PK/BK (粉红色/黑色)- 行李箱开关信号 85 WH (白色) - 燃油液面信号 86 BU (蓝色) - 右后扬声器信号87 L-BU (浅蓝色) - 速度传感动力转向低压信号 88 PU (紫色) - 速度传感动力转向高压信号 89GN (绿色)-右前扬声器搭铁连接器部件信息14路引脚 导线颜色 电路号功能1 L-GN (浅绿色) - 刮水器马达信号2 D-GN (深绿色) - 刮水器马达信号3 D-BU (深蓝色) - 刮水器马达信号 4-5 -- 未用6 PU (紫色) - 车门接触开关信号7 PK (粉红色) - 乘客室中央照明灯点火电压8 YE (黄色) - 刮水器传感开关信号9 RD (红色) - 洗涤器开关信号 10 PK (粉红色) - 雨水传感器装置点火电压 11 -- 未用12 OG (橙色) - 阅读灯蓄电池主电压 13 BN (棕色)- 天窗点火电压C204-未带雨水传感器C206连接器部件信息11路(白色)引脚导线颜色电路号功能1GY(灰色)-天线信号2PU(紫色)- 车门接触开关信号3PK(粉红色)-乘客室中央照明灯点火电压4 - - 未用5OG(橙色)-阅读灯蓄电池主电压6BN(棕色)-天窗点火电压7 - - 未用8PK/BK(粉红色/黑色)- 尾门接触开关信号9-10 - - 未用11RD(红色)-蓄电池主电压连接器部件信息22路(白色)引脚导线颜色电路号功能C2072 L-GN/BK(浅绿色/黑色)- 驻车空档位置开关L4信号3 D-GN/WH(深绿色/白色)- 变速器控制模块信号4YE(黄色)- 变速器控制模块CAN低压信号5YE(黄色)-保持模式信号6 L-GN/RD(浅绿色/红色)- 驻车空档位置开关L3信号7 BK/WH(黑色/白色)- 搭铁8 OG/BK(橙色/黑色)- 驻车空档位置开关信号9L-BU(浅蓝色)-制动开关信号10 - - 未用11 L-GN/RD(浅绿色/红色)- 驻车空档位置开关L2信号12PK(粉红色)-变速器控制模块点火信号13-15 - - 未用16 RD/BU(红色/蓝色)- 驻车空档位置开关L1信号17L-GN(浅绿色)- 倒车灯信号18OG(橙色)-蓄电池主电压19PU(紫色)-数据链接插头信号20PK(粉红色)-驻车空档位置点火电压21 - - 未用22PU(紫色)- 变速器控制模块CAN高压信号连接器部件信息6路(白色)引脚导线颜色电路号功能1YE(黄色)-传感和诊断模块点火电压C208C2092 BK/WH (黑色/白色)- 安全带警告信号 3 BN (棕色) - 气囊警告灯4 L-BU (浅蓝色)- 传感和诊断模块串行数据 5-6--未用连接器部件信息15路(白色)引脚 导线颜色 电路号功能1 YE (黄色)- 搭铁2 D-GN/WH (深绿色/白色)- 全自动温度控制信号 3 D-GN (深绿色) - 搭铁 4 BN/WH (棕色/白色) - 照明电压 5 D-GN/WH (深绿色/白色)- 车速传感器信号 6 BN (棕色) - 进气马达点火电压 7 -- 未用8 OG (橙色) - 全自动温度控制蓄电池主电压 9 L-GN/BK (浅绿色/黑色) - 5伏参考电压 10 -- 未用11 WH (白色) - 除雾继电器信号 12 YE (黄色) - 鼓风机马达信号 13 - - 未用14 D-GN (深绿色)- 刮水器开关信号 15 --未用C210连接器部件信息20路(黑色)引脚 导线颜色 电路号功能 1 OG (橙色) - 蓄电池主电压 2 PU/WH (紫色/白色) - 进气马达信号 3 - - 未用 4 D-GN/BK (深绿色/黑色) - 进气马达信号 5 L-GN/BK (浅绿色/黑色) - 5伏电压参考 6 BU/BK (蓝色/黑色) - 最高转速继电器信号 7 D-GN (深绿色)- 刮水器开关信号 8 D-GN/WH (深绿色/白色)- 车速传感器信号 9 D-BU (深蓝色) - 电动区段参考电压 10 WH (白色) - 除雾继电器信号 11 BN (棕色) - 全自动温度控制点火开关 12 BN/WH (棕色/白色) - 照明电压 13 D-GN (深绿色)- 搭铁14 D-GN/WH (深绿色/白色)- 全自动温度控制信号 15-18 -- 未用 19 BK (黑色) - 搭铁 20GY/BK (灰色/黑色)-电动区段开关C220(仅新凯越)连接器部件信息6路(白色)引脚导线颜色电路号功能1YE(黄色)- 附件电压2BK(黑色)-搭铁3 D-GN/WH(深绿色/白色)- 保持模式开关信号4BK(黑色)-搭铁5 BN/WH(棕色/白色)- 照明电压6D-GN(深绿色)-搭铁连接器部件信息引脚导线颜色电路号功能1D-GN(深绿色)906 点火开关继电器电压2D-BU(深蓝色)925保护电路继电器电压3 OG/WH(橙色/白色)908 驻车/空档开关继电器电压4BK(黑色)937启动器继电器电压5BN(棕色)1508 点火继电器电压6OG(橙色)960点火继电器电压C301C3027 - - 未使用 8 RD (红色) 1000 中央扬声器(+) 9 - - 未使用10 BK (黑色) 930 音响功放电源电压 11 GY/WH (灰色/白色) 931 车速信号 12 - - 未使用13 D-GN (深绿色) 933 音响功放启动信号 14OG (橙色)1001中央扬声器(-)连接器部件信息8路(白色)引脚 导线颜色 电路号功能1 RD/YE (红色/黄色) - 驾驶员侧气囊传感器(高)2 PK/WH (粉红色/白色) - 乘客侧气囊传感器(高)3 -- 未用4 BK/WH (黑色/白色) - 驾驶员侧气囊传感器(低)5 BN/WH (棕色/白色)- 乘客侧气囊传感器(低) 6-8--未用C303连接器部件信息 4路(黑色)引脚导线颜色 电路号功能1 GY (灰色) - 右后轮速度传感器信号2 WH (白色) - 右后轮速度传感器搭铁3 GY (灰色) - 左后轮速度传感器信号 4WH (白色)-左后轮速度传感器搭铁连接器部件信息16路(黑色)引脚 导线颜色 电路号功能1 - - 未用2 YE (黄色) - 报警器信号3 PK/BK (粉红/黑色) - 发动机罩接触开关信号4 YE/BU (黄色/蓝色)- 搭铁 5 - - 未用 6 L-BU (浅蓝色) - 右转向信号灯 7 L-BU (浅蓝色) - 左前侧转向信号灯 8 L-GN/BK (浅绿色/黑色)- 5伏电压参考9 L-GN (浅绿色) - 速度传感动力转向高压信号 10 BU (蓝色) - 冷却风扇控制继电器信号 11 D-GN (深绿色) - 高位停车灯信号 12 RD (红色) - 前洗涤器泵信号13BN/BK (棕色/黑色)-速度传感动力转向低压信号C35114-15 - - 未用16 GY (灰色)-发动机控制模块信号连接器部件信息33路(灰色)引脚 导线颜色 电路号功能1 PU (紫色) - 左前扬声器信号2 GY (灰色) - 左前扬声器搭铁3 WH (白色) - 门锁开关开锁信号4 WH (白色) - 左前中心锁紧开关开锁信号5 PU (紫色) - 右前电动车窗开关下降信号6 L-BU (浅蓝色) - 右前电动车窗开关上升信号7 GY/BK (灰色/黑色) - 电动后视镜搭铁8 PU/WH (紫色/白色) - 右电动后视镜上升/下降信号 9 RD/WH (红色/白色) - 右电动后视镜向左/向右信号 10 RD/WH (红色/白色) - 电动车窗开关蓄电池主电压 11 L-GN/WH (浅绿色/白色) - 门锁开关上锁信号 12 D-BU (深蓝色) - 右前电动车窗锁止信号 13 L-BU (浅蓝色) - 左前中心锁紧开关上锁信号 14 PU/RD (紫色/红色) - 左后电动车窗下降信号 15 D-GN (深绿色) - 左后电动车窗上升信号 16BN (棕色)-行李箱开启开关信号(NB/HB) 未用(SW)C36117 OG (橙色) -蓄电池主电压(NB/HB) 未用(SW)18 BN/BK (棕色/黑色) - 后视镜控制开关点火电压 19 BK (黑色) - 搭铁 20 BK (黑色) - 搭铁21 OG (橙色) - 电动车窗开关蓄电池主电压 22 - - 未用23 PU/WH (紫色/白色) - 右后电动车窗下降信号 24 L-GN (浅绿色) - 右后电动车窗上升信号 25 L-GN/BK (浅绿色/黑色) - 左折叠后视镜马达搭铁 26 BN/WH (棕色/白色) - 左折叠后视镜马达信号 27 OG (橙色) - 左车外后视镜信号 28 GY/BK (灰色/黑色) - 左前车门执行器锁紧信号 29 BU (蓝色) - 左防盗门锁紧开关 30 PU/WH (紫色/白色)- 左前车门执行器解锁信号 31 -- 未用32 YE/GN (黄色/绿色) - 防盗数据显示信号 33 RD/WH (红色/白色)-折叠后视镜开关信号连接器部件信息33路(灰色)引脚 导线颜色 电路号功能1 PU (紫色) - 右前扬声器信号 2GY (灰色)-右前扬声器搭铁C3713-4 --未用5 PU (紫色) - 右前电动车窗开关下降信号6 L-BU (浅蓝色) - 右前电动车窗开关上升信号7 GY/BK (灰色/黑色) - 电动后视镜搭铁8 PU/WH (紫色/白色) - 右电动后视镜上升/下降信号 9 RD/WH (红色/白色) - 右电动后视镜向左/向右信号 10 -- 未用 11 BK (黑色) - 搭铁12 BK (黑色) - 右前电动车窗锁止信号 13-24 - - 未用25 L-GN/BK (浅绿色/黑色) - 右折叠后视镜马达搭铁 26 BN/WH (棕色/白色) - 右折叠后视镜马达信号 27 OG (橙色) - 右车外后视镜除雾器信号 28 GY (灰色) - 右前门执行器锁紧信号 29 PU (紫色) - 右防盗门锁开关 30 PU/WH (紫色/白色)- 右前门执行器解锁信号 31-33--未用连接器部件信息 11路(白色)引脚 导线颜色 电路号功能1 YE (黄色) - 左后扬声器搭铁 2-3 - - 未用4BN (棕色) -左后扬声器信号D-GNC381C401(NB)5 (深绿色) - 左后电动车窗马达上升信号 6 D-BU (深蓝色) - 左后电动车窗马达锁止信号 7 PU (紫色) - 左后电动车窗马达下降信号 8 GY (灰色) - 左后车门锁执行器锁紧信号 9-10 - - 未用11PU (紫色)-左后车门锁执行器解锁信号连接器部件信息11路(白色)引脚 导线颜色 电路号功能1 L-BU (浅蓝色) - 左后扬声器搭铁 2-3 -- 未用4 BU/WH (蓝色/白色)- 右后扬声器信号 5 D-GN (深绿色) - 电动车窗马达上升信号 6 D-BU (深蓝色) - 电动车窗马达锁止信号 7 PU (紫色) - 电动车窗马达下降信号 8 GY (灰色) - 右后车门锁执行器锁紧信号 9-10 - - 未用11PU (紫色)-右后车门锁执行器解锁信号C402(NB)连接器部件信息8路(白色)引脚导线颜色电路号功能1D-BU(深蓝色)- 右后转向信号灯2 BN/WH(棕色/白色)- 右后驻车灯信号3YE(黄色)- 停车灯信号4PU(紫色)-左后驻车灯信号5L-BU(浅蓝色)-左后转向信号灯6 L-BU/PU(浅蓝色/紫色)- 升蒸发排放碳罐通风控制7L-GN(浅绿色)- 倒车灯信号8 PK/BK(粉红/黑色)- 升点火电压连接器部件信息6路(白色)引脚导线颜色电路号功能1-2 - - 未用3BK(黑色)-搭铁4PU(紫色)- 牌照灯照明电压5BN(棕色)-行李箱开启开关信号6 PK/BK(粉红/黑色)- 行李箱照明灯信号C405牌照灯线束与车身线束C501连接器部件信息 4路黑色12047786连接器部件信息 4路黑色12047785引脚 导线颜色 电路号 功能引脚 导线颜色 电路号 功能ARD (红色) -后视摄像头电源ARD (红色) -后视摄像头电源B BK (黑色) - 后视摄像头接地 B BK (黑色) - 后视摄像头接地 CWH (白色) -后视摄像头影像信号(-) C BK/WH (黑色/白色)-后视摄像头影像信号(-)DYE (黄色)-后视摄像头影像信号(+)D D-GN(深绿色)-后视摄像头影像信号(+)连接器部件信息 6路针 导线颜色 电路编号功能1 BK (黑色)- 搭铁 2 - - 未用3YE (黄色)-左倒车雷达信号4PU(紫色)- 右倒车雷达信号5L-GN(浅绿色)-右中倒车雷达信号6OG(橙色)- 左中倒车雷达信号。
8.6.3.2电动车门系统连接器端视图中央门锁和防盗开关尾门执行器中央门锁装置(CDL )连接器零件信息 4路引脚 导线颜色 电路编号功能1 L-BU (浅蓝色) - 中央门锁(CDL )上锁信号2 BK (黑色) - 搭铁3 WH (白色)- 中央门锁(CDL )开锁信号 4---连接器零件信息 4路引脚 导线颜色 电路编号功能1 PU (紫色)- 中央门锁开锁信号 2 - - 未用3 GY (灰色)- 中央门锁上锁信号 4--未用门锁开关连接器零件信息8路引脚导线颜色电路编号功能1 L-GN/WH(浅绿色/白色)- 遥控门锁锁止信号2GY(灰色)- 门锁执行器锁止信号3PU(紫色)-门锁执行器开锁信号4WH(白色)-左前中央门锁和防盗开关未锁5 OG/BK(橙色/黑色)- 蓄电池主电压6L-BU(浅蓝色)-左前中央门锁和防盗开关未锁7YE(黄色)-遥控门锁开锁信号8BK(黑色)-搭铁连接器零件信息3路引脚导线颜色电路编号功能1 L-GN/WH(浅绿色/白色)- 控制装置锁止信号2BK(黑色)-搭铁3WH(白色)-锁止信号折叠后视镜装置左前车门执行器左后车门执行器连接器零件信息8路引脚 导线颜色 电路编号功能1 GY/BK (灰色/黑色)- 折叠后视镜开关信号2 - - -3 PU (紫色) - 蓄电池主电压4 WH (白色) - 点火电压5 OG/BK (橙色/黑色)- 搭铁 6 - - -7 YE (黄色) - 电动后视镜装置搭铁 8BK (黑色)-电动后视镜装置信号连接器零件信息 2路引脚 导线颜色 电路编号功能1 GY (灰色) - 中央门锁(CDL )上锁信号 2PU (紫色)-中央门锁(CDL )开锁信号后视镜控制开关电动后视镜装置,右连接器零件信息 2路引脚 导线颜色 电路编号功能1 GY (灰色) - 中央门锁(CDL )上锁信号 2PU (紫色)-中央门锁(CDL )开锁信号连接器零件信息8路引脚 导线颜色 电路编号功能1 L-GN (浅绿色) - 左后视镜上移/下移信号2 GY/BK (灰色/黑色) - 折叠后视镜开关3 PU/WH (紫色/白色)- 右后视镜上移/下移信号 4 GY (灰色)- 后视镜搭铁信号 5 - - 左后视镜左移/右移信号 6 BK (黑色) - 搭铁7 RD/WH (红色/白色)- 右后视镜左移/右移信号 8BN (棕色)-点火电压电动后视镜装置,左连接器零件信息8路引脚 导线颜色 电路编号功能1 L-GN (浅绿色) - 折叠后视镜装置信号2 BN/WH (棕色/白色)- 折叠后视镜装置搭铁 3 OG (橙色) - 除雾器继电器信号 4 GY/BK (灰色/黑色) - 后视镜搭铁5 -- -6 RD/WH (红色/白色) - 后视镜左移/右移信号7 PU/WH (紫色/白色)- 后视镜上移/下移信号 8BK (黑色)-搭铁连接器零件信息8路引脚 导线颜色 电路编号功能1 BN/WH (棕色/白色) - 折叠后视镜装置信号2 L-GN/BK (浅绿色/黑色) - 折叠后视镜装置搭铁3 OG/BK (橙色/黑色)- 除雾器继电器信号 4 GY (灰色)- 后视镜搭铁5 - - -6 - - 后视镜左移/右移信号 7L-GN (浅绿色)-后视镜上移/下移信号电动车窗开关(右前门/后门)电动车窗开关(左前门)连接器零件信息 8路引脚 导线颜色 电路编号功能1 BN (棕色)- 车窗马达 2 - - 未用 3 BU (蓝色) - 车窗马达 4 PU (紫色) - 车窗下移信号 5 - - 未用 6 BU (蓝色) - 车窗控制信号 7 BK (黑色) - 搭铁8BU/GN (蓝色/ 绿色)-车窗上移信号(右前蓝/后门绿)连接器零件信息 14路引脚 导线颜色电路编号功能1BN-左前车窗下移信号电动车窗马达(前窗)(棕色)2 D-BU (深蓝色) - 左前车窗上移信号3 RD (红色) - 电动车窗继电器信号4 PU (紫色) - 右前车窗下移信号5 - - -6 L-BU (浅蓝色) - 右前车窗上移信号7 BU (蓝色) - 车窗锁定信号8 PU (紫色/ 红色) - 左后车窗下移信号9 - - -10 OG (橙色) - 电动车窗继电器信号 11 BK (黑色) - 搭铁12 D-GN (深绿色) - 左后车窗上移信号 13 PU (紫色/ 白色) - 右后车窗下移信号 14L-GN (浅绿色)-右后车窗上移信号连接器零件信息2路引脚 导线颜色 电路编号功能1 D-BU (深蓝色) - 车窗上移信号 2BN (棕色)-车窗下移信号电动车窗马达(后窗)右前车门执行器右后车门执行器连接器零件信息2路引脚 导线颜色 电路编号功能1 D-BU (深蓝色) - 车窗上移信号 2BN (棕色)-车窗下移信号连接器零件信息2路引脚 导线颜色 电路编号功能1 GY (灰色) - 中央门锁(CDL )上锁信号 2PU/WH (紫色/白色)-中央门锁(CDL )开锁信号连接器零件信息2路引脚导线颜色电路编号功能1GY(灰色)- 中央门锁(CDL)上锁信号2OG(橙色)- 中央门锁(CDL)开锁信号。
8.16.3.2座椅连接器端视图
驾驶员侧电动座椅总成
乘客侧加热座椅总成
连接器零件信息
针脚 导线颜色 电路号码
功能
1 D-GN/WH
- 加热座椅控制电压
2 BK - 加热座椅接地
3 RD - 电动座椅控制电压
4 - - -
5 - - -
6
BK
-
电动座椅接地
连接器零件信息
针脚 导线颜色 电路号码
功能
1 OG - 加热座椅控制电压
2 D-GN/WH
- 加热座椅接地
3 - - 变光灯电源电压高电平
4 BK - 搭铁
5 - - 变光灯电源电压低电平 6
PU
-
蓄电池正极电压
驾驶员侧座椅加热控制开关
连接器零件信息
针脚 导线颜色 电路号码
功能
1 OG - 电动座椅控制电压
2 D-GN/WH
- 加热座椅控制电压 3 - - 变光灯电源电压高电平 4 BK - 搭铁
5 - - 变光灯电源电压低电平 6
PK
-
蓄电池正极电压。
三、防抱死制动(ABS)系统电路图
上海别克轿车防抱死制动(ABS)系统的电路图如图9-2-56~图9-2-73所示。
图9-2-56 ABS电路图(供电、搭铁和EBCM/EBTCM部分)
图9-2-57 ABS电路图(串行数据、SP205、PCM、BCM、仪表板和OEBCM/EBTCM部分)
图9-2-58 ABS电路图(制动灯开关输入和扭矩控制电路部分)
图9-2-59 ABS电路图(轮速传感器和EBCM/EBTCM部分)
图9-2-60 EBCM/EBTCM电路图
图9-2-61 ABS系统相关指示灯电路图
图9-2-62 牵引力控制系统电路图
图9-2-63 电控制动控制系统电路图
图9-2-64 LF轮速传感器电路图
图9-2-65 RF轮速传感器电路图
图9-2-66 LR轮速传感器电路图
图9-2-67 RR轮速传感器电路图
图9-2-68 制动液位指示电路
图9-2-69 进、出油电磁阀电路
图9-2-70 TCS电磁阀电路
图9-2-71 制动灯开关电路
图9-2-72 Ⅱ级串行数据线路
图9-2-73 制动报警系统电路图。
四、转向柱/点火锁电路图转向柱/点火锁电路图见图9-2-74所示。
图9-2-74 转向柱/点火锁电路图(转向柱电控驻车锁,BTSI)五、轮胎压力监视系统电路轮胎压力监视系统电路如图9-2-75和图9-2-76所示。
图9-2-75 轮胎压力监视系统(TPM)电路(电源、搭铁、仪表板、串行数据、BCM 和EBCM/EBTCM)图9-2-76 TPM系统电路(轮速传感器)六、HV AC系统电路图上海别克轿车HV AC系统电路图如图9-2-77~图9-2-87所示。
图9-2-77 HVAC鼓风机控制电路-HV AC控制总成,鼓风电动机电阻器和鼓风电动机(C60)图9-2-78 HV AC鼓风机控制电路-HV AC前和后HV AC控制总成、PCM、鼓风电动机控制模块和鼓风电动机(CJ4)图9-2-79 HV AC压缩机控制电路-HV AC控制总成、PCM、A/C压缩机离合器线圈、A/C CLU 继电器和A/C CLU二极管(C60)图9-2-80 HV AC压缩机控制电路-前HV AC控制总成、PCM、A/C压缩机离合器线圈、A/C CLU继电器和A/C CLU二极管(CJ4)图9-2-81 HV AC空气供给电路-HV AC控制总成和LH温度执行器(C60)图9-2-82 HVAC空气供给电路-前和后HV AC控制总成、PCM和外界环境温度传感器(CJ4)图9-2-83 HV AC空气供给电路-前和后HV AC控制总成、后模式执行器、前LH温度执行器、双级节流孔继电器和电磁线圈(CJ4)图9-2-84 HV AC空气供给原理图-HV AC控制总成和前LH温度执行器(C60)图9-2-85 HV AC空气供给电路-HV AC控制总成、真空电磁阀、前LH和后温度执行器(CJ4)图9-2-86 HV AC空气供给原理图-HV AC控制总成、真空电磁阀、前LH和后温度执行器(CJ4)图9-2-87 外界空气温度传感器电路。
发动机控制系统——喷油器、排油器、加热型氧传感器示意图(HO2S):
发动机控制系统——凸轮轴位置传感器、蒸发排放碳罐清污电磁阀、燃油泵、车速示意图:
暖风、通风与空调系统控制、冷却风扇继电器、发动机数据传感器示意图:
发动机控制系统——燃油泵继电器、进气歧管绝对压力传感器、排气再循环阀、点火线圈、曲轴位置传感器示意图:
发动机控制系统——数据链接插头、怠速空气控制阀示意图:
发动机控制系统——喷油器、排油器、加热型氧传感器(HO2S)示意图:
暖风、通风与空调系统控制、冷却风扇继电器、发动机数据传感器(欧IV排放标准)示意图:
燃油泵继电器、进气歧管绝对压力传感器、排气再循环阀、点火线圈、曲轴位置传感器示意图:
数据链接插头、怠速空气控制阀(欧IV标准)示意图:
喷油器、排油器、加热型氧传感器(新凯越)示意图:
凸轮轴位置传感器、蒸发排放碳罐清污电磁阀、燃油泵、车速(新凯越):
暖风、通风与空调系统控制、冷却风扇继电器、发动机数据传感器(新凯越):
燃油泵继电器、进气歧管绝对压力传感器、排气再循环阀、点火线圈、曲轴位置传感器示意图:
数据链接插头、怠速空气控制阀(欧IV标准)新凯越:。
7.3.3.3连接器端视图保持开关输入速度传感器(ISS)驻车/空档位置开关接头零件信息4路引脚 导线颜色电路号功能1 D-GN/WH (深绿色/白色) - 保持开关信号2 BN/WH (棕色/白色)- 照明 3 BK (黑色) -搭铁 4BK (黑色)-保持开关搭铁接头零件信息2路引脚 导线颜色 电路号功能1 YE/BK (黄色/黑色) - 输入速度传感器低位信号 2D-BU/WH (深蓝色/白色)-输入速度传感器高位信号自动变速器控制模块(TCM)连接器A接头零件信息9路引脚 导线颜色 电路号功能1 D-GN (深绿色)- 驻车信号 2 D-GN/WH (深绿色/白色)- 倒档信号 3 PK (粉红色) - 点火电压 4 PK (粉红色) - 2档 换档信号 5 YE (黄色) - 空档 6 - - 未用 7 WH (白色) - 传动信号 8 GY (灰色)- 低位信号 9--未用接头零件信息24路(BLK )引脚 导线颜色 电路号功能1 BK/WH (黑色/白色) - 变速器控制模块(TCM)搭铁2 YE/BK (黄色/黑色)- 压力控制电磁阀(PCS)信号 3 - - 未用4RD (红色) -压力控制电磁阀(PCS)参考D-BU变速器控制模块(TCM)连接器B5 (深蓝色) - 左上电磁阀信号6 PK (粉红色) - 变速器控制模块(TCM)点火电压7 YE (黄色) - 变速器控制模块(TCM)Can 低压信号 8-10 - - 未用11 PU (紫色) - 机油温度传感器参考 12 OG/BK (橙色/黑色)- 机油温度传感器信号 13 - - 未用14 PK (粉红色) - 正时电磁阀信号 15 YE/BK (黄色/黑色)- 换档电磁阀#2信号 16 L-GN (浅绿色) - 换档电磁阀#1信号17 PU (紫色) - 变速器控制模块(TCM)CAN 高压信号 18-22 -- 未用23 BK/WH (黑色/白色)- 变速器控制模块(TCM)搭铁24OG (橙色)-变速器控制模块(TCM)蓄电池正极电压接头零件信息26路(黑色)引脚 导线颜色电路号功能1 D-GN/WH (深绿色/白色)- 驻车空档位置开关倒档信号2 - - 未用3 YE (黄色)- 保持灯信号 4 D-GN/WH (深绿色/白色) - 保持开关信号 5 -- 未用6 D-BU/WH (深蓝色/白色)- 输入轴速度传感器信号 7WH (白色)-驻车空档位置开关传动信号变速驱动桥连接器8 YE (黄色)- 驻车空档位置开关空档信号 9-15 -- 未用16 YE/BK (黄色/黑色)- 输入轴速度传感器参考 17 - - 未用18 GY (灰色) - 驻车空档位置开关低压信号 19 PK (粉红色) - 驻车空档位置开关2档信号 20 D-GN (深绿色) - 驻车空档位置开关驻车信号 21 - - 未用 22 L-BU (浅蓝色) - 制动开关信号 23 D-BU (深蓝色)- 数据链接插头信号 24 -- 未用25 D-GN/WH (深绿色/白色)- 车速传感器信号 26--未用接头零件信息10路引脚 导线颜色 电路号功能1 PU (紫色) - 机油温度传感器信号2 PK (粉红色) - 正时电磁阀信号3 RD (红色) - 压力控制信号4 D-BU (深蓝色) - 左上电磁阀信号5 L-GN (浅绿色) - 换档电磁阀#1信号 6OG/BK (橙色/黑色)-机油温度传感器电压车速传感器(VSS )7 -- 未用8 YE/BK (黄色/黑色) - 压力控制电磁阀(PCS)电压 9 -- 未用10YE/BK (黄色/黑色)-换档电磁阀#2信号接头零件信息3路引脚 导线颜色 电路号功能1 PK (粉红色) - 点火电压2 BK/WH (黑色/白色) - 搭铁3D-GN/WH (深绿色/白色)-车速传感器输入信号。