小型构件预制场方案
- 格式:doc
- 大小:556.00 KB
- 文档页数:13
第七章小型构件预制厂第一节选址规划布置1.根据标准化建设要求,并满足业主招标文件要求,规模适当、满足施工需要,小型预制构件厂一般应采用集中加工的基本设置原则,达到“全天候、全封闭、流水化生产线”。
2.根据项目小型预制构件总量、施工强度、运输条件,结合工程分布情况及进度安排,场地尽量选择在混凝土拌合站附近,施工用水、电方便,交通便利,便于构件运输。
3.一般可以利用线下钢筋加工厂厂房进行改建,工期计划安排冲突时需新建。
生产车间采用多(单)连拱式钢结构厂房,长60-100m,宽度40-60m,边柱高度6m。
屋顶采用单层压型瓦,间隔四块瓦设置一块透明阳光瓦。
侧墙从底部往上依次设置为:1.2m 高蓝色彩钢瓦板+1.2m水平通排窗户+2.0m 高彩钢瓦板+1.2m高透明阳光瓦+40cm高的空透。
办公、生活区采用彩钢活动房,建成后的预制构件厂办公、生活、生产设施应功能完备。
图7.1-1小型构件预制厂全景图图7.1-2厂房外景图第二节场地处理小型预制构件厂道路与排水畅通,场地四周用砖砌式围墙或通透式围栏,预制厂的场地采用20cm厚的C30混凝土进行硬化,硬化按照四周低、中心高的原则进行,面层排水坡度不小于1%,场地四周设置排水沟,在场地外侧合适位置设置沉砂井和污水过滤池。
第三节场内道路场内主便道及各功能分区间道路宽度4.0m,路面硬化抹平后涂刷草绿色环保地板漆,不同加工生厂区之间采用10cm宽黄色警示线隔离,实行人车分离。
图7.3-1厂房内部结构及场内道路第四节功能分区小型预制构件厂生产车间划分为:钢筋加工区、钢筋成品存放区、混凝土浇筑区、自动喷淋养护区、脱模区(模具清洗池)、成品堆放区(可以放在车间外硬化场地)。
各功能分区做到布局合理,在加工区墙上挂设各类机械操作规程、安全控制要点、安全警示牌、文明施工要求、技术控制要点、加工大样图纸等。
预制厂内单独设设置生活、办公区。
1.生活办公区根据标准化建设要求,为便于管理,预制厂内工人采用集中住宿,具体参照试验室和混凝土拌和站的相关标准。
小型构件预制施工技术方案小型构件预制是指将建筑或桥梁工程中的部分构件提前在工地外的预制厂进行加工制作,然后再运至现场安装的一种施工技术。
这种技术具有加快工程进度、提高施工质量和减少施工工期的优势。
下面是一份小型构件预制施工技术方案,以1200字为例进行介绍。
一、项目概述本项目是小型建筑工程,需要进行小型构件的预制施工。
预制的构件包括柱子、梁和墙板等。
为了提高施工效率和施工质量,本方案将采用集中预制的方法,即在预制厂集中进行全部构件的加工制作,然后再运至现场进行安装。
二、预制厂的准备工作1.选择合适的预制厂:根据工程的规模和要求,选择一家具备相应经验和生产能力的预制厂进行加工制作。
2.预制厂的布置:预制厂需要设置相应的加工区、搬运区和质检区等,以确保工作流程的顺畅进行。
3.设备准备:根据工程需求,准备相应的预制设备,如混凝土搅拌机、模具等。
三、预制施工流程1.设计和制作模具:根据工程设计图纸,制作相应的模具,在预制厂内进行校核和调试,以保证模具的精度和质量。
2.混凝土搅拌和浇筑:将预先准备好的混凝土材料进行搅拌,并根据设计要求将其倒入模具中进行浇筑。
3.模具养护:根据混凝土的固化需求,对模具进行相应的养护,确保混凝土的凝固和强度的形成。
4.拆模和整理:混凝土凝固后,拆卸模具,并对构件的外表进行整理和修整,以保证其外观质量。
5.质量检验:对预制构件进行质量检验,检查其尺寸、强度和外观等,以保证其符合设计和建筑质量要求。
6.包装和搬运:将合格的预制构件进行包装,并标明其材质、规格和数量,然后进行运输至现场。
四、现场安装流程1.现场测量和定位:根据设计图纸和预制构件的尺寸,进行现场测量,确定其安装位置和方向,并进行标记。
2.基础预留孔施工:根据预制构件的安装所需,进行基础预留孔的施工,以便于后续的安装。
3.起重和安装:使用吊车等起重设备,将预制构件按照顺序进行起吊和安装,注意保持水平和垂直度的要求。
4.连接和固定:对安装好的预制构件进行连接和固定,使用螺栓等配件进行紧固,确保其牢固和稳定。
小型构件预制场标准化建设规范1.1 小型构件预制场建设1.1.1 路基排水工程的水沟盖板、防护工程的各型号预制块、隧道路面边沟盖板及其它设计要求的小型预制构件应集中预制。
1.1.2 小型构件预制场建设应参照3.8条执行。
各合同段的小型构件预制场的建设规模应结合小型构件预制数量和预制工期等来规划,一般不宜小于2000m2。
1.1.3 小型构件预制场设计应综合考虑施工生产情况,合理划分生产区、养护区、成品堆放区。
1.1.4 小构件成品堆放区建设参照10.1.4条规定。
1.1.5 模板应使用钢模或高强度塑料模板。
入模前应进行拼缝检查,对拼缝达不到要求的,可辅以双面胶或泡沫剂。
采用优质脱模剂,保证水泥混凝土构件外观。
1.1.6 养护区采用自动喷淋、土工布覆盖等措施对构件进行养生,确保构件处于湿润状态。
混凝土必须覆盖养生7d以上;成品按不同规格分层堆码,堆放层数宜为6~10层。
1.2 设备配置1.2.1 各合同段预制构件所用混凝土宜优先采用就近拌和站集中供应。
若受交通条件限制,可单独设置拌和站,拌和站必须达到三仓式自动计量标准。
若整个项目的小型预购件单独招标,则该小型构件预制场应单独设置拌和站。
1.2.2 小型构件预制原则上应采用振动台,振动台电机功率应经过现场试验,对振动台的性能进行分析与比选,振动台的电动机功率一般为1.2KW~1.5KW,振动台数量根据预制构件数量和工期安排确定。
1.3 标识标牌1.3.1 小型构件预制场应设置场地平面布置图、组织机构及负责人公示牌、生产工艺流程牌、安全生产牌、消防保卫牌和文明施工牌等标牌。
1.3.2 作业区、安全通道应设置禁止标识,生产区、养护区、成品堆放区以及办公区应有明显标识牌。
目录一、编制依据2二、工程概况2三、预制场位置及加工范围2四、资源配置24.1人员配置24.2资源配置2五、施工方案35.1、预制场施工流程35.2、总体规划35.3、测量放样35.4、场地处理35.5、临建材料堆放35.6、围墙、办公、住宿35.7、水、电设施35.8、排水设施45.9、场地硬化4六、小型构件预制及存放措施46.1、小型预制构件预制46.2、拆模46.3、养护56.4、冬季及夏季施工养护措施56.5、小型预制构件存放及转运5七、安全保证措施6八、质量保证措施6九、环境保护措施及文明施工7一分部小型构件预制场施工方案一、编制依据1.1、现场施工调查报告;1.2、实施性施工组织设计;1.3、湖北省高速公路建设标准化指南;1.4、国家相关的安全、质量、法律、法规。
二、工程概况本合同段起点位于薪春县横车镇,起讫里程K95+020〜K140+870,线路全长45.85km,向南经大唐湾、桂花垸至陈应垄,向南经下街头跨薪水,经于卢家湾设薪春互通与省道下薪线(S205)相连,跨下薪线,经刘塝湾、陈广水库进入武穴境内,在吴胜祖以西跨省道黄标线(S308),设梅川互通与省道相接,向南经范应佑、长岭、饶雨冲水库以西,于三里庙以西下穿京九铁路,经毛新湾,终点位于武穴市四望镇以南与沪渝高速公路十字交叉。
一分部管段里程K95+020〜K106+042.5,管段内路基边坡防护采用拱形骨架护坡及预制六棱块防护等,路堑边沟采用混凝土预制盖板,其中预制六棱块数量为85258块,拱形骨架预制块数量为60168块,路堑边沟盖板为16826块。
三、预制场位置及加工范围为确保预制块施工质量,我分部对预制块加工全部采用工厂化集中管理,设置小型构件预制场1处,位于薪春县株林镇桂花埦村,K102+140右侧130m处,施工预制块用于K95+020〜K106+042.5段路基防护施工。
预制场布置形式,详见附图:麻武高速第三合同项目部一分部小型构件预制场平面布置图。
新建北京至张家口铁路工程JZSG-7标小型预制构件场施工方案中国港湾工程有限责任公司新建京张铁路七标项目部二〇一六年七月新建北京至张家口铁路JZSG-7标小型预制构件场施工方案编写人:复核人:技术负责人:单位负责人:中国港湾工程有限责任公司新建京张铁路七标项目二〇一六年七月目录第一章编制依据、编制范围 (1)1。
1编制依据 (1)1.2编制目的 (1)1.3编制范围 (1)第二章工程概况.................................. 错误!未定义书签。
第三章施工组织机构及施工计划. (2)3.1施工人员配置及施工组织机构 (2)3.1.1主要管理人员配置 (2)3。
1.2施工组织机构 (3)3.2施工机械、设备配置 (3)3.2。
1主要机械设备配置 (3)3.2。
2模板配置计划 (3)3.2。
3劳动力配置计划 (4)3.2.4材料计划 (4)3。
2.5施工计划安排 (4)第四章预制件施工方案 (5)4。
1施工准备 (5)4。
1。
1技术准备 (5)4。
1。
2场地准备 (5)4。
1。
3材料准备 (6)4.2施工方案 (6)4.2。
1施工程序 (6)4.2.2施工流程 (6)4。
2施工工艺 (6)4.2。
1钢筋加工 (6)4.2。
2清理模具 (6)4。
2。
3 混凝土拌制 (7)4。
2。
4模板拼装 (7)4.2.5砼浇筑 (7)4.2。
6砼振捣 (8)4.2.7砼拆模 (8)4。
2。
8砼养护 (8)4.2.9 预制件的码放 (9)4.2。
10 次品处理 (9)4。
2.11质量检验 (9)4.2.12运输 (9)第五章质量控制及保证措施 (10)5。
1质量控制 (10)5。
2质量保证措施 (11)第六章安全管理及应急预案 (12)6。
1施工安全管理 (12)6.1。
1安全管理与培训 (12)6。
1。
2安全生产责任及检查制度 (13)6.2应急预案 (15)6.2。
1总则 (15)6.2。
xx工程施工xx段小型构件预制场建设规划方案编制:复核:审核:xx工程项目部xx年xx月目录一、编制依据 (1)二、工程概况 (1)三、小型构件预制规划及选址 (1)3.1选址原则及要求 (1)3.2场地选址 (2)四、人员及机械配置 (2)4.1人员配置 (2)4.2机械配置 (3)五、小型构件预制建设 (3)5.1场地布置 (3)5.2小型构件预制建设要求 (3)5.3小型构件预制内基础设施 (4)5.4小型构件预制内各区建设 (4)5.5办公生活设施建设 (5)5.6施工用电 (5)六、质量保证措施 (5)6.1建立完善的质量检查机构 (5)6.2指定强有力的质量保证措施 (6)七、安全管理措施 (7)八、施工现场安全用电措施 (7)九、文明施工及环保措施 (8)小型构件预制场建设方案一、编制依据1、《施工现场临时用电安全技术规范》JGJ46—20052、《建筑机械使用安全技术规程》JGJ 33—20123、《施工现场临时建筑物技术规范》JGJ/T188-20094、《公路混凝土工程施工技术指南》5、《公路工程建设项目现场布置和文明施工管理办法》6、《公路工程建设临时设施管理办法》7、《公路桥涵施工技术规范》JTG/TF50--20118、《公路工程质量检验评定标准》JTGF80/1--2004二、工程概况xx本项目主要预制构件规格及工程数量如下表:三、小型构件预制规划及选址3.1选址原则及要求小型构件预制选址遵守法律法规的规定和符合有关主管部门的规定要求,遵循“因地制宜,节约土地,保护环境,安全可靠,规范有序,功能完备,布设合理,方便生活,满足生产”的原则。
靠近现场,管理方便,不受施工干扰,尽量设置在标段中部或靠近关键工点施工现场;交通便利,尽量靠近公路;通信通畅,满足信息化管理要求;避开泥石流、滑坡体、洪水位等危险区域,避开取土、弃土场、塌方、落石、危岩等地段;避开高压线路及高大树木。
小型预制构件施工方案预制件采用机器浇筑,保证混凝土的均匀性和密实性。
浇筑前,要将模板清洁干净,涂上脱模剂,避免混凝土与模板粘连。
浇筑时要注意控制浇注速度和浇注高度,避免出现空鼓、裂缝等问题。
浇筑完成后,要进行养护,保证混凝土的强度和耐久性。
小型预制构件施工方案依据公路工程质量检验评定标准、信南高速公路信泌段№8标施工图和土建工程施工设计图,我们标段的小型预制构件均为C20混凝土,其中路基边坡防护预制块5047.9m3,锥体护坡预制六角砖2329.2m3,锥坡踏步预制件157.1m3,合计7534.2m3.为了满足施工任务和工期要求,我们标段将预制场设在郭岗大桥2#墩—4#墩左侧。
预制场地全部采用碎石进行硬化,小型预制件采用钢模机压工艺预制,预制件成型机底座浇筑20厘米厚的混凝土基座,水平安放。
混凝土搅拌机就近安装,尽量缩短混凝土的运输距离,保证干硬性混凝土的施工质量。
材料堆放场地砌筑1.2米高的隔离墙,底部浇筑C15混凝土地坪,堆放整齐,使用方便。
构件堆放场地用碎石整平碾压,铺砂垫层一层,晾晒场地浇筑水泥地板,构件堆放时整齐排列,间隔堆放,防止出现碰撞、损坏。
四周挖排水沟与当地排水系统相通,防止雨季积水。
预制场平面布置见图一。
施工队于2005年3月5日至4月1日进场,作好开工准备。
各种预制构件分别在4月1日开工。
路基边坡防护预制块在10月30日前完成,锥体护坡预制六角砖在11月30日前完成,锥坡踏步预制件在11月30日前完成。
施工前保证“三通”,即“通水、通电、通路”。
加强机械的整修工作,进行机械的试运转,检查成型钢模的结构尺寸,不符合要求的坚决不用于生产。
对砂石水泥等各种原材料进场加强质量控制,做好各项试验检测工作。
施工工艺流程图见图二。
模板均采用压制专用成型钢模板,拼装严密,不得漏浆。
砼浇筑前将模板清刷干净,不得有杂物,并刷脱模剂。
预制件采用机器浇筑,保证混凝土的均匀性和密实性。
浇筑完成后,要进行养护,保证混凝土的强度和耐久性。
小型构件预制场建设方案本工程用电方案按照《施工现场临时用电安全技术规范》执行。
预制场内电线电缆采用埋地敷设,电缆敷设深度不少于0.7m,电线敷设深度不少于0.5m。
预制场内设置接地装置,确保施工现场电气安全。
同时,预制场内设置灯具,保证夜间施工的照明条件,提高施工效率。
混凝土拌和时应严格按照配合比进行,确保混凝土质量稳定。
同时,要对拌和机进行定期检查和维护,保证拌和机的正常运转。
3)入模混凝土入模前,要对模具进行清洁和涂油处理,以免混凝土粘附在模具上。
同时,要控制好混凝土的流动性,确保混凝土能够填满模具并达到要求的密实度。
4)振捣混凝土入模后,要进行振捣以排除混凝土中的气泡和空隙,保证混凝土的密实度和强度。
振捣时间和强度要根据混凝土的配合比和模具的形状进行调整。
5)运输混凝土块在运输过程中要注意避免碰撞和摩擦,以免影响混凝土的质量。
同时,要控制好运输速度,避免混凝土块倾斜或掉落。
6)脱模混凝土块在脱模前要等待足够的养护时间,以保证混凝土的强度和硬度。
同时,要注意脱模时的轻拍和慢推,以免损坏混凝土块的表面。
7)养护混凝土块在脱模后要进行养护,保持适宜的温度和湿度,以促进混凝土的强度和硬度的发展。
8)码垛混凝土块养护后要进行码垛,注意码垛的平整和稳定,以免混凝土块倾斜或掉落。
1)将所有材料放入搅拌机中,包括水,搅拌时间至少2分钟,搅拌机的容量不能超过标定容量,混凝土搅拌后需要检查均匀性,确保颜色一致,没有离析和泌水现象。
2)混凝土坍落度需要在搅拌地点和浇筑地点各取样检测,每个工作班或单元结构物至少进行两次检测。
如果混凝土从搅拌机出料到浇筑入模的时间不超过15分钟,只需要在搅拌地点进行检测。
检测时需要注意混凝土的粘聚性和保水性。
3)在浇筑混凝土前,需要清理模具内的灰尘、杂质和污垢。
检查模具是否符合设计要求后才能进行浇筑。
4)采用附着式振动平台进行振捣密实混凝土。
在振动台板下放置弹簧,振动台面积不宜过大,振动台高度以人工操作方便为宜。
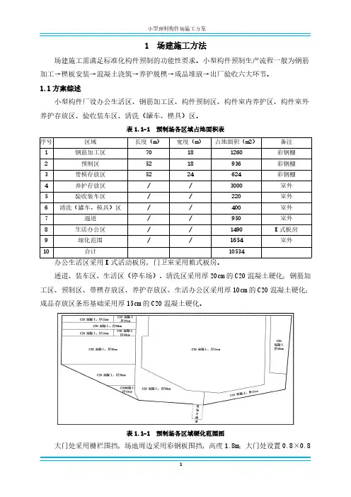
1场建施工方法场建施工需满足标准化构件预制的功能性要求。
小型构件预制生产流程一般为钢筋加工→模板安装→混凝土浇筑→养护脱模→成品堆放→出厂验收六大环节。
1.1方案综述小型构件厂设办公生活区、钢筋加工区、构件预制区、构件室内养护区、构件室外养护存放区、验收装车区、清洗(罐车、模具)区。
表1.1-1预制场各区域占地面积表序号区域长度(m)宽度(m)占地面积(m2)备注1钢筋加工区70181260彩钢棚2预制区5218936彩钢棚3带模存放区5224624彩钢棚4养护存放区//3000室外5验收装车区//220室外6清洗(罐车、模具)区//400室外7通道//950室外8生活办公区//1490K式板房9绿化范围//1654室外10合计10534办公生活区采用K式活动板房,门卫室采用箱式板房。
通道、装车区、生活区(停车场)、清洗区采用厚20cm的C20混凝土硬化;钢筋加工区、预制区、带模存放区、养护存放区、生活办公区采用厚10cm的C20混凝土硬化;成品存放区条形基础采用厚15cm的C20混凝土硬化。
表1.1-1预制场各区域硬化范围图大门处采用栅栏围挡,场地周边采用彩钢板围挡,高度1.8m;大门处设置0.8×0.8×2.2m砖砌立柱,主门设置12m长自动伸缩门,预制场门设置8m栏杆自动门。
彩钢棚全覆盖钢筋加工区、预制区、带模存放区,棚高6m,立柱间距6m;场内主通道宽度6m,场外通道宽度4m。
场外设置一处800KVA箱变变压器及一级配电箱,地埋电缆,将二级配电箱设置到预制场钢筋加工场内,场内动力线路沿场区道路布线,生活区、钢筋加工区、小型预制构件浇筑区,小型预制构件存放区各配置一个三级配电箱。
所有动力设备安装可靠的接地保护和防雷击措施,做到“一机、一箱、一闸、一漏”。
线路布置、配电盘设置均符合安全要求,并达到安全文明施工工地的标准。
1.2钢筋加工区小型预制构件场钢筋加工区设置原材存放区、模型存发区、钢筋加工区、钢筋半成品存放区。
小型预制件预制场方T h e (汇总)新建南沙港铁路站前工程NSGZQ-标小型构件预制场标准化施工方案中铁二十五局集团南沙港铁路项目经理部二。
一六年九月新建南沙港铁路站前工程NSGZQ-标小型构件预制场标准化施工方案编制:复核:批准:中铁二十五局集团南沙港铁路项目经理部二。
一六年九月目录一、编制依据...................... - 7 -二、编制原则...................... - 7 -三、适用范围...................... - 7 -四、预制场地规划及生产任务 ............... - 7 -五、工期安排...................... - 8 -六、资源配置...................... - 9 -6.1 人员配置..................... - 9 -6.2 主要施工机械设备配置.............. - 11 -6.3 生产塑料模具配置................ - 11 -七、预制场建设布局 .................. - 12 -7.1 预制场平布置图. .............................. - 12 -7.2 预制厂基础设施设置情况............. - 12 -7.2.1 生活区. ............................... - 12 -7.2.2 生产区. ............................... - 12 -7.2.3 排水系统. .............................. - 13 -7.3 安全、消防措施................. - 13 -7.4 标识标牌、文明施工措施............. - 13 -八、预制施工工艺及方法................. - 13 -8.1 工艺流程图 .................. - 13 -8.2 混凝土配合比........... 错误! 未定义书签。
小型预制件集中加工厂方案中铁隧道集团宁武高速A4合同段小型预制件集中预制施工方案拟制:日期:年月日审核:日期:年月日批准:日期:年月日宁武高速公路A4合同段小型预制件集中预制施工方案一、编制依据(1)、宁德至武夷山高速公路A4合同段施工图纸及《福建省高速公路施工标准化管理指南》要求(2)、南宁高司工[2010]82号文件《关于小型构件实行集中预制的若干意见》(3)、南宁高司工〔2010〕19号文件《关于进一步明确小型构件预制场建设标准的通知》(4)、宁德至武夷山高速公路A4合同段施工承包合同的相关内容二、工程概况宁武高速公路A4合同段起点桩号K116+000,终点桩号K122+500,全长6.5公里。
全线共有路基防护工程,路基排水工程,隧道电缆沟盖板工程,需要集中预制小型构件。
A4合同段小型预制件明细表三、预制场的总体布置本合同段地势山谷沟壑纵横,交通不便,与相邻A5标距离较远中间间隔仙岩隧道交通不便。
与相邻A3标段不属同一总监办管理,协调较为困难。
因此考虑本标段单独设置小型预制件集中预制场,预制场设置于仙岩隧道进口生活区里侧。
在进行预制前对场地采用C15砼进行硬化,硬化厚度10cm,场地四周设置40×30cm的浆砌片石矩形排水沟,沟底采用M7.5级砂浆进行抹面。
在场地外设置沉淀池,生产废水经处理后再进行排放。
预制场分生产区、养护区、成品区以及办公区等。
各区域的划分用黄油漆隔离标识,并在各个区域设置标识牌,规划合理,交通顺畅。
生产区根据标段设计图纸确定的预制构件的种类设置生产线1条,生产线设置振动台,混凝土拌和使用A4合同段2#拌和站。
养护区采用自动喷淋养护系统结合土工布覆盖对构件进行养护,确保构件处于湿润状态,养护期达到7 天以上。
成品堆放区成品按不同规格分层堆码。
对于预制块、片(如防护衬砌肋、盖板等)堆码不得超过二层,对于整体式预制件(如缝隙式水沟等)不得超过四层。
层间需用土工布进行隔开,预制件养护期不得进行堆码存放,以防损伤,运输过程中应轻拿轻放,。
1. 工程概况之杨若古兰创作西宝客专二标段第三项目部承建范围:起于通峪沟特大桥227#墩(桥面系起于230#墩),止于宝鸡南站,里程范围为DK~DK638+000,管段内8座特大桥分别是通峪沟特大桥(DK601+646.37~DK610+661.52)、天王镇特大桥(DK610+755.74~DK613+917.99)、伐鱼河特大桥(DK614+349.22~DK620+185.96)、蟠溪河特大桥(DK620+465.86~DK623+273.2)、清溪乡特大桥(DK623+594.65~DK624+521.55)、唐家塬特大桥(DK624+807.33~DK627+746.75)、淡家村特大桥(DK629+703.25~DK631+415.35)、清水河特大桥(DK632+713.1~DK634+065.6),2座大桥分别是马尾河大桥(DK628+650.25~DK629+021.56)和马营大桥(DK629+~DK629+669.06),2座中桥分别是二郎庙中桥(DK623+405.4~DK623+514.6)和小寨中桥(DK624+651.73~DK624+728.27),1座梁桩组合结构(DK629+669.06~DK629+703.25),1座箱形桥(DK634+151.19~DK634+164.81),桥面系共28548.63延米.桥面系工程包含防护墙、竖墙、电缆槽盖板、遮板、声屏障、栏杆、防水层等.其中电缆槽盖板、遮板、声屏障、栏杆采取预制安装的施工方式,电缆槽盖板材料为RPC-H混凝土,声屏障预制件声屏障采取H型钢插板,这两样小型构件施工单位没有能力自行生产,由物质部分直接购买成品,遮板和栏杆须要建设小型构件预制场由施工单位安插小型构件预制场自行预制.2. 编制根据1)《经常使用跨度梁桥面附属设施》[通桥(2008)8388A];2)《新建时速300-350公里客运专线铁路设计暂行规定(上、下)》;3)《客运专线铁路桥涵工程施工技术指南》;4)《客运专线铁路桥涵工程施工质量验收暂行尺度》;5)《铁路工程施工技术平安规程(上、下册)》;6)《关于西宝客专正线桥梁防水层、呵护层及防护墙设计的定见》(技通西宝QH-015号)7)本企业所具有的施工经验、设备资本、技术力量等.3. 桥面系小型构件设计情况及次要工程量3.1 电缆槽盖板电缆槽盖板盖板分为通讯、旌旗灯号电缆槽盖板和电力电缆槽盖板两大类,材料采取RPC-H混凝土,0.5m为一个单元,设6mm断缝,板宽494mm,梁端处根据桥跨的分歧设置配板.通讯、旌旗灯号电缆槽盖板均采取D型;桥上不设置声屏障时,电力电缆槽盖板采取C型,设置声屏障时,电力槽的普通地位采取E型.RPC-H混凝土电缆槽盖板工程数量详见表1-1.表3-1RPC-H混凝土盖板工程数量表备注:表中仅计列简支梁上盖板的数量.3.2 人行道栏杆人行道栏杆采取C40混凝土与钢管组合栏杆,扶手栏杆和栏杆套管分别为φ60×3.5、φ51×φ70×3.5的钢管,这三样样钢管和C40混凝土立柱均可从市场上推销回尺度规格的钢管运至小型构件预制场按照实际须要加工后上桥安装.C40混凝土与钢管组合栏杆工程数量详见表3-2.表3-2 C40混凝土与钢管组合栏杆工程数量表备注:表中仅计列简支梁上栏杆的数量,C40钢筋混凝土立柱共计22489根.3.3 人行道遮板人行道遮板有次要类型有:F1型、F2型和F6型栏杆遮板和F1型、F2型、F6型和F7型声屏障遮板.上述分歧型号的遮板中,F1型、F6型栏杆遮板长度1996mm,高度730mm,顶宽200mm,F2型栏杆遮板长度为1326mm高度730mm顶宽200mm.F1型、F6型和F7型声屏障遮板长度为1996mm,高度962mm,顶部宽度300mm,F2型长度为1328mm,高度962mm,顶部宽度300mm.遮板生产工艺成熟,先预制再上桥安装.遮板工程数量表详见表3-3表3-3 遮板工程数量表4. 小型构件预制工期计划遮板预制计划工期:2011-3-1~2011-9-31,总计要生产22489块遮板,须要每天生产125块遮板才干满足进度请求.栏杆立柱预制计划工期:2011-3-1~2011-9-31,总计要生产22489根立柱,须要每天生产125根立柱才干满足进度请求.遮板与立柱预制件月生产计划见表2-1.表4-1遮板与立柱预制件月生产计划5. 施工总安插5.1 小型构件预制场地规划5.1.1 预制场地小型构件预制场设置在伐鱼河特大桥11#-15#墩之间,占地2073㎡,场区规划为车辆运输区、宿舍区、原材料堆放区、钢筋(扶手钢管)加工区、栏杆立柱半成品钢筋存放区、栏杆立柱钢筋绑扎区、栏杆立柱钢筋(扶手钢管)成品存放区、遮板半成品钢筋存放区、遮板钢筋绑扎区、遮板钢筋成品存放区、振捣区、模板存放区、混凝土预制件养护及脱模区和遮板成品存储区14个功能区.预制场区整平碾压后采取C20混凝土硬化,硬化厚度车辆运输区30cm,其他区域均15cm.遮板模板用油漆标注好规格型号分开存放,遮板成品存放按型号分区域存放,并在各型号区域内设置标记牌以区分.小型构件预制场规划详见《DK614+800小型构件预制场场区规划图》.5.2 混凝土和水电供应混凝土由7#搅拌站(DK614+700)供应,距小型构件预制场约0.8公里,根据工期计划请求平均每天至多预制125块遮板,125根栏杆立柱,8m3,每根立柱0.02m3,每天仅需供应m3混凝土就能满足施工请求.小型构件预制场施工用水7#搅拌站供应.用电是利用当地的零碎电网T接,安插一台500KVA变压器,满足施工须要.在电力紧张时还备有一台240KW的柴油发电机组备用电源.6. 施工组织机构6.1 施工组织机构图6.2 技术人员组织为小型构件预制场预制施工配备足够技术力量确保施工按时、按质完成,次要技术人员见表4-1.表6-1施工次要技术人员配置表7. 施工工艺及方法7.1 遮板预制遮板钢筋绑扎在钢筋绑扎胎具上进行,每个遮板的钢筋绑扎耗时45min,按每天工作12小时计,每个胎具每天能生产16块遮板钢筋骨架,生产125块遮板须要8个遮板钢筋绑扎胎具.生产遮板混凝土浇筑在振动台座上进行,每个振捣台座每小时的产量为3块,按每天工作12小时计,生产125块遮板须要个4个遮板振动台座(3个栏杆遮板振动台座,1个声屏障遮板振动台座).7.2 栏杆预制遮板钢筋绑扎在钢筋绑扎胎具上进行,每个遮板的钢筋绑扎耗时10min,按每天工作12小时计,每个胎具每天能生产72个立柱钢筋骨架,绑扎125根立柱骨架只须要2个立柱钢筋绑扎胎具.立柱混凝土采取离心计心情进行振捣,每台离心计心情每小时的产量为12根,按每天工作12小时计,生产125块遮板须要个1离心计心情.7.3 钢筋工程7.3.1 钢筋工程(1)钢筋加工的生产工艺及技术请求:1)钢筋加工生产的工艺流程:下料--曲折—绑扎(立柱焊接)—成型;2)所推销钢筋等原材料必须符合国家尺度请求;3)钢筋焊接的地位必须精确;4)必须按照图纸和产品技术请求对钢筋进行加工;5)各部位的建造长度必须精确,特别是关键部位的钢筋曲折长度必须精确6)钢筋建造完成后,应对各部位的尺寸进行抽查,发现尺寸不克不及符合请求的必须立即改正;筹办工装钢筋定位焊接8. 钢筋焊接工艺:9. 焊接的生产请求:a.焊接的部位必须牢固,焊缝紧密,;b.焊接的部位必须精确;焊接后必须经过检测,符合请求后才干用于生产.(2)钢筋安装1)绑扎方式复杂的结构部件时,事先考虑支模和绑扎的前后次序,宜拟定安装方案,绑扎部位的地位上所有杂物应在安装前清理好.2)钢筋的规格、外形、尺寸、数量、间距、锚固长度、接头地位、呵护层厚度必须符合设计请求和施工规范的规定,钢筋与模板间要设置足够数量与强度的垫块.3)钢筋、骨架绑扎、缺扣不超出应绑扎数的10%,且不该集中.钢筋弯钩的朝向精确,绑扎接头需符合施工规范的规定,搭接长度不小于规定值.4)钢筋采取绑扎接头时,接头地位应彼此错开,错开距离为受力钢筋直径的30倍且不小于500mm,有绑扎接头的受力钢筋截面面积占受力钢筋总截面面积的百分率:在受拉区不得超出25%,在受压区不得超出50%.5)钢筋采取焊接接头时,设置在同一构件内的焊接接头彼此应错开,错开距离为受力钢筋直径的30倍且不小于500mm,一根钢筋不得有两个接头,有接头的钢筋总截面面积的百分率:在受拉区不得超出50%,在受压区不受限制.6)钢筋绑扎完成后按照规格分类摆放.9.1 模板施工(1)施工前的筹办1)认真熟悉图纸,了解每个构件的截面尺寸.并作好向操纵工人的技术交底.2)模板采取专业厂家定制刚模具,进场前经验收合格后方可投入使用,模板安装前,先检查模板的质量,不符质量尺度的不得使用.3)模板安装前必须扫脱模剂,拆下的模板及时清理粘结物,并分类堆放划一.4)模板安装和预埋件、预留孔洞答应偏差和检验方法必须符合有关规定.5)模板连接螺栓必须锁定牢固、波动,不得有跑模景象.6)模板拼缝应平整紧密,不得漏浆,模板概况应清理干净.(2)模板安装1)钢筋笼安装前将定型模具打开,确保干净的情况下将钢筋笼放入模板中;2)将栏杆四周模板合拢并装上定位卡,锁紧并检查使之满足拼装刚度请求;3)将钢筋笼放入模具中,调整钢筋笼与栏杆模板间的呵护层,直到满足设计请求.4)各部位检查合格后,经现场监理工程师验收后进入下一道工序施工.9.2 混凝土工程(1)施工前的筹办①进行混凝土施工的技术人员必须熟悉图纸,并做好施工技术交底签证,确定操纵规程,确保混凝土质量达到设计请求及验收尺度.严酷按规范、规程施工,做到一丝不苟,不偷工减料,不粗制滥造.②严酷履行混凝土施工相干原材料、半成品验收轨制,请求水泥、中砂、碎石均有质量合格证并经送检,满足强度等各种请求.分歧格的材料严禁进场,而且将各种材料试验陈述清算存档.③在混凝土浇筑前,严酷按照国家现行规定尺度,计算确定混凝土的配合比,并将计算及实验结构报送监理批准.对于混凝土水灰等到塌落底应做严酷的控制,项目部应配合混凝土搅拌站作好批量混凝土施工前的筹办工作.④搅拌站设备试运转正常,混凝土运输车辆数量满足请求.(2)混凝土的拌制及运输施工用混凝土采取HZS120拌合站拌制砼.在拌制过程中,派专人进行监督负责,对材料的含水率及含泥量应做严酷的控制.1)严酷按实验室提供的混凝土设计配合比拌制混凝土.2)对每搅拌一盘混凝土的数量、坍落度、和易性、含砂率、混凝土运输时间及混凝土温度等进行检查,若不克不及满足请求,不答应入模.3)随时对混凝土搅拌站的水泥、砂、石、外加剂及计量器具进行质量检查.4)根据规范及施工请求,制取混凝土试件作强度试验.5)对混凝土质量进行动态管理,使混凝土质量处于受控形态.6)在混凝土运输过程中,装运时要确保不漏浆,不离析,任何时候禁绝任意加水.从出料至浇筑终了,必须按照由实验所确定的答应最长时间.(3)混凝土灌注及振捣1)浇筑前的筹办①对钢筋、模板和预埋件进行检查,清除模板内的垃圾、泥土及钢筋上的油污,并检查钢筋的水泥垫块是否垫好.在经过检查具备浇筑条件后,约请现场监理工程师进行验收,验收合格后方可进行砼的拌制和浇筑施工.②提前检查电力、动力、照明、养护等设施是否残缺.③浇筑前应计算好每批栏杆和遮板的砼用量,防止浪费.2)混凝土灌注遮板和栏杆混凝土标号为C40混凝土,砼拌制采取电子称精确称量拌和楼集中拌制.砼灌注过程中,应严酷控制砼的等待时间,严禁出现砼浇筑前初凝景象.每块栏杆构件浇筑必须一次性浇筑完成.3)混凝土振捣砼振捣时不宜长时间振捣,严禁漏振景象,现场振捣功课时应安插有经验负义务的施工人员功课,附着式振捣器振捣的时间控制在3-4min为好.栏杆立柱采取离心计心情进行振捣.10. 资本配置10.1 施工劳动力组织小型构件预制场施工人员配备见表8-1表10-1 小型构件预制场劳动力配置表10.2 次要机械设备表10.2.1 模板遮板混凝土浇筑振捣完成后养护约28小时即可脱模,遮板模板的周转周期按1.5天计,模板的投入数量见表8-1.表10-1 遮板模板投入量表栏杆立柱混凝土浇筑振捣完成后养护约28小时即可脱模,遮板模板的周转周期按1.5天计,须要187套模板才干满足实际施工须要.10.2.2 次要机械设备本部位的次要施工设备见表.表8-2 次要施工机械设备11. 质量包管措施11.1 质量目标本项目质量目标:工程质量全部达到国家及铁道部现行的工程质量验收尺度.11.2 质量管理机构建立以项目经理为首的质量管理机构,明确各功课班组质量义务,定期考核、奖罚,充分调动全体职工的积极性.质量管理机构框图见图9-1.图11-1质量管理机构框图11.3 质量包管措施(1)加强对职工的质量教育,强化质量认识,对介入施工的全体人员进行技术教育培训、考核,实行持证上岗轨制,把质量工作贯穿到施工生产的全过程.(2)建立健全工程质量检查轨制,实行施工技术部分管理、质量检查部分监控的监管分立体制,履行三级检查轨制,立足自检自控,确保工程质量.(3)加强施工技术管理,现场质量监督、内业材料清算等工作做到分工明确,义务到人.(4)加强工序质量控制,严酷按ISO9001质量管理模式组织生产,根据施工技术规范、质量检验评定尺度及投标文件与施工合同条款对质量的请求拟定各工序、各环节的操纵尺度、工艺尺度和检查尺度.对工序尺度的履行情况做好记录,使各工序跟尾有序.①对钢筋加工建造工序,认真作好检查工作,未经检查不得使用,检测要及时,确保质量全优.②模板请求概况平顺,模板安装时,必须严酷控制接缝宽度,同时,包管模板具有足够的强度、刚度和波动性,以包管混凝土浇注功课时模板不变形.浇注混凝土前模板必须清除干净,并在其概况涂刷同一种脱模剂,以包管模板的外观质量请求.③混凝土施工质量控制,混凝土拌制前,对所有水泥、砂石等原材料进行试验,并拔取最好配合比,混凝土拌制时,根据调配的施工配合比严酷计量,拌制过程中按请求留置混凝土试件,并及时做好试件的养护、编号、送检及试压工作.④浇筑混凝土应严酷控制振捣台振捣时间,使混凝土内实外美.混凝土浇注终了,天然养护1天摆布,待混凝土强度达到2.5MPa即可拆模.12. 平安包管措施始终坚持将平安生产放在第一名,“平安第一,预防为主,综合管理”.做到人人心中有平安认识,时时留意平安操纵.切实认真履行有关平安生产、文明施工的规章轨制,加强对平安生产,文明施工的检查,使管理工作尺度化、规范化.(1)施工前应对所有进场人员进行平安技术交底.(2)施工时施工人员必须佩带平安防护用品,如平安帽、平安带、眼镜、手套等;施工人员必须持证上岗,杜绝无证上岗、背规操纵景象.(3)施工时应加强对大型机械的管理,对驾驶人员、操纵人员进行专门平安常识培训.(4)尽量缩短夜间施工时间,包管夜间施工人员有足够的睡眠,防止功课人员出现疲劳形态和发生不须要的质量、平安事故.加强夜间施工照明设施,包管现场有足够的照明.(5)加强现场各部位的平安用电检查,防止发生各类触电及火灾事故.(6)施工现场设平安标识牌,风险功课区吊挂夺目警示牌.。
小型预制件施工方案一、工程概况济源至洛阳高速公路一期工程第七标段,设计里程为 K49+500~K55+500,全长6.02 公里。
边坡采用拱型骨架、拱型骨架加六棱块、菱形骨架及六棱块植草防护,工程数量为:C20 混凝土 869m3,C15 混凝土 17m3二、施工准备1、临时道路运用全线总体施工便道进行多个所需材料的运输工作。
2、供水采用现场打井取水供应通道施工现场用水。
3、供电运用自发电供应预制场施工现场用电。
三、施工计划计划开工时间: 5 月10 日计划竣工时间: 4 月20 日四、平面布置:(见下图)小型预制件平面布置图五、施工方案为确保预制块施工质量,达成混凝土外观的平整、密实和光滑,提高边坡防护的美观性,采用集中预制、混凝土现场拌和站拌制、定型钢模、混凝土振动台等方法,具体施工办法以下:1、定型钢模板:全部混凝土预制块均到专业厂家订制成型钢模板,组合形式为扣接式,便于脱模。
2、场地:预制场地采用 8cm 混凝土硬化地面,面积 200m2,表面保持平整、光滑,在预制块翻模时擦抹隔剂。
3、混凝土施工:混凝土现场拌和站拌制,手推车运输,运输与浇筑要做到互相配合,不致因脱节而影响进度和质量。
混凝土运输至浇筑地点后,仍应保持良好的各易性和所需的稠度,如发现有离析泌水或塌落度损失过大时,必须进行解决。
混凝土入模后,开始振捣,直到混凝土不泛汽泡为止。
4、混凝土养生:混凝土脱模后及时覆盖并养生。
采用洒水养生,时间不少于 7 天。
5、堆放:混凝土预制块搬运采用工具小心移动后装运,轻拿轻放,避免破坏表面及棱角,竖直堆放,并将不同生产日期的预制块分开堆放,标明生产日期,便于检查和使用。
6、使用:在预制块经检查合格后方可使用。
六、进场机械设备七、劳动力人员表八、夜间施工方法1、夜间施工时,配备足够的照明设备,提供充足的光源。
2、机械设备进行夜间作业时,仪表盘清晰可见,便于随时掌握机械设备运转状况3、加强对夜间施工工序的质量、安全控制,避免麻痹大意,减少施工隐患。
小型构件预制场施工方案一、项目背景与概况随着城市建设的不断发展,建筑工程的需求量越来越大。
为了提高施工效率和质量,降低工程成本,预制构件逐渐成为了建筑工程施工的主要方式之一、本项目旨在建立一座小型构件预制场,用于生产和加工各种预制构件,满足市场需求。
二、项目建设目标1.建立小型构件预制场,占地面积5000平方米。
2.完成一期工程,在工期、质量和安全等方面达到预期目标。
3.实现规模化、标准化、集约化的生产模式,提高生产效率。
4.掌握一定的生产技术,提高预制构件的质量。
三、项目实施方案1.场地选择与准备根据规划和选择,选定占地面积为5000平方米的场地作为小型构件预制场的建设地点。
进行场地平整、清理和围墙建设等工作,确保施工的顺利进行。
2.厂房建设建设一座厂房,作为小型构件预制场的生产车间和仓库。
厂房面积为2000平方米,采用钢结构,分为两个区域,一区用于加工和生产,另一区用于储存成品和原材料。
3.设备采购与安装根据预制构件的种类和规模,购买适当的生产设备,并按照设计要求进行安装。
包括混凝土搅拌机、混凝土压力机、钢筋加工设备、模具和涂料喷涂设备等。
4.员工招聘与培训根据生产需求,进行员工的招聘与培训。
招聘生产线操作工、质检人员和管理人员等岗位,并进行专业培训,提高员工的技能水平。
5.生产管理与质量控制建立生产计划和生产管理制度,合理安排生产工艺和流程,确保生产进度和质量。
配备质检人员,对每批次的预制构件进行质量检查和测试,确保达到产品标准。
6.原材料供应与库存管理建立稳定的原材料供应商关系,保证原材料的质量和供货时间。
建立合理的库存管理制度,避免原材料和成品的过量储存,降低库存成本。
7.安全管理与环保措施建立安全管理制度,进行安全培训,提高员工的安全意识。
同时,采取环保措施,减少废弃物的产生和对环境造成的污染。
四、预计投资与收益分析预计该小型构件预制场的投资额约为1000万元,其中包括场地准备、厂房建设、设备购置、人员培训等方面的费用。
小型预制件施工方案1. 引言在建筑施工过程中,预制件的使用越来越普遍。
小型预制件是一种具有标准化生产、工厂化制造的建筑构件,它具有工期短、质量可靠、施工便捷等优点。
本文将介绍小型预制件施工方案的各个环节和注意事项。
2. 预制件的选用在选择小型预制件之前,应根据具体的项目需求进行其性能及质量要求的分析,以确保选择合适的预制件。
通常需要考虑以下几个方面:•预制件的材料和强度要求;•预制件的尺寸和形状;•预制件的装配方式及连接方式。
3. 项目准备工作在实施小型预制件施工方案之前,需要进行一系列的准备工作,包括但不限于以下几个方面:•制定施工计划和时间表;•进行场地勘察和测量;•确定预制件的生产及运输方式;•开展现场的安全防护工作。
4. 小型预制件的生产小型预制件通常在工厂进行生产,具有工厂化制造的特点。
在生产过程中,应注意以下事项:•严格按照设计要求进行预制件的制造;•对预制件的尺寸、强度等性能进行质量检验;•对生产过程中的每个环节进行记录和归档。
5. 小型预制件的运输小型预制件一般需要通过运输工具将其从工厂运到施工现场。
在运输过程中,需要注意以下几点:•选择适当的运输工具和运输方式;•确保预制件的固定和包装完好;•监测运输过程中的振动和温度等因素。
6. 预制件的安装小型预制件的安装是整个施工方案的重要环节,需要进行以下几个步骤:•根据设计图纸和安装说明进行施工准备;•进行预制件的安装位置标定和定位;•使用适当的工具和设备进行预制件的吊装和固定。
7. 完工验收和后续处理完成小型预制件的安装后,需要进行完工验收和后续处理工作:•对预制件进行外观和尺寸等方面的验收;•进行预制件与周围构件的连接验收;•清理施工现场,并进行相关记录和归档。
8. 安全注意事项在小型预制件施工过程中,应特别注意施工安全,包括但不限于以下几个方面:•使用适当的个人防护装备;•设置安全警示标志和围挡;•定期检查和维护施工设备。
9. 结论小型预制件施工方案是一种高效、便捷且质量可靠的建筑施工方式。
一、工程概况**至**高速公路**至**(**界)段项目起于**倒洞塘村附近,接**至**高速公路**枢纽,经**和**县的高、丁寨、寺等地,最后在**与**两省(市)交界处的**县寺镇石门坎附近对接**市的**至**高速公路**段。
路线全长约**km。
本合同段全长**km,起讫里程桩号为K**+**~K**+**,含**互通一座。
本合同段路缘石、土路肩加固、彩色六棱块等预制构件共计XX 块。
二、编制依据1、现场施工调查报告;2、总体施工组织设计;3、省标准化工地管理手册;4、**高速公路小型构件预制场标准化建设与施工指导意见;5、相关的安全、质量、法律、法规。
三、小型构件预制场位置、加工围为确保预制块施工质量,我合同段对预制块加工采用场站化集中管理,设置小型构件预制场1处,位于K**+****特大桥桥头位置,用于加工生产我标段所需全部预制构件。
预制场占地5000㎡左右,分为原材料储存区、生产加工区、养生区、成品储藏区以及职工住宿生活区,具体布置形式如下:四、配置情况4.1人员配置小型构件场配置生产副经理1名,技术负责人1名,安全员1名,质检员1名,试验员1名,领工员1名,材料员2名,操作手4名,工人15名。
4.2机械及设备配置混凝土拌合站配置JS500型双卧轴强制式搅拌机1台,通过当地计量部门标定后的3仓式自动计量集料斗1座,具有冷却设备和除尘设置的水泥罐1座,上料用装载机1台,叉车1台,满足拌合站运行的备用发电机1组。
五、小型构件预制场施工方案预制场施工流程:小型构件预制场规划→测量放样→场地填土、平整、碾压→临建材料堆放→围墙、办公、住宿房屋施工→开挖排水沟→场地及便道处理→加工生产预制构件。
5.1、总体规划小型构件预制场分原材料储存区、生产加工区、养生区、成品储藏区以及职工住宿生活区,区域之间合理布局,其中办公区、生活区与生产区相对独立,互不干扰,各区域的划分用黄油漆隔离标示,并设置标识牌,同时小型构件预制场四周使用围墙或隔离网实行封闭式管理。
5.2、测量放样技术人员精确放样小型构件预制场地四周边线,并放样出各区域的相对位置和标高,放样时应尽量保持横向分块线与路中心线垂直,在施工过程中要勤测量、勤复核。
5.3、场地处理1、对施工的区域地面进行处理,采用碎石土垫层,填土时分层进行填筑碾压,分层厚度不大于30cm,压实系数不小于95﹪换填标准同填筑部分标准,控制好含水量,确保场地密实。
2、场地排水设置原则:小型构件预制场区域场地高于生活和办公区20cm,四周低、中间高,便于排水,面层排水坡度按2.0%设置,四周设水沟排水,水沟宽30cm,深40cm;采用M7.5水泥砂浆砖砌,排水沟表面采用1:1水泥砂浆抹面,运输车道处排水沟设5cm厚水泥盖板。
场外设置6m×4m×1.5m(长×宽×深)沉淀池,表面采用1:1水泥砂浆抹面。
严禁将站生产废水未做处理直接排放。
3、在生产区浇筑20cm厚C20混凝土垫层,行车道等其它部位浇筑C30厚25cm的混凝土垫层。
场地混凝土浇筑后及时分块切割伸缩缝,道路设置排水沟。
5.4、临建材料堆放各种临建材料需按照不同型号和规格进行分类,堆放整齐,便于施工过程中取用,在施工过程中注意对各种材料的清点,确保施工正常。
5.5、水、电设施小型构件预制场施工及生活用水,主要由自打井供水,考虑生活用水,在场地设置一座3m×3m×1.5m蓄水池,确保生活用水。
小型构件预制场施工用电量相对较小,引入地方生产用电,不另外增加变压器,为防突发情况备有备用发电机一组。
5.6、混凝土拌合站1、砂石料按配合比要求,不同粒径、不同品种分仓存放,不混堆和交叉堆放,并设置明显标志。
分料仓采用砖墙砌筑,水泥砂浆抹面,围墙高度不小于3米,料仓前设置截水沟。
仓设置4%的地面坡度,并设置排水沟,不积水。
2、水泥混泥土拌合站储料仓设置有4个。
单个储料仓的容积不小于300m³。
3、储料仓采用轻型钢结构顶棚,钢结构顶棚起拱线高度不小于7m,满足受力、防风、防雨、防雪、放老化等功能要求。
顶棚的设置防止了太阳的直接照晒和雨淋。
5.7、模具模具采用具有足够的刚度、强度和保证外观光洁的高强度塑料模具,模具委托专业加工厂加工和定制,其主要由聚丙乙烯、ABS 工业塑料及部分其他添加剂经过加工工艺而制成的高强度复合塑料制品。
定型模具壁厚4.5mm,棱角处进行圆角处理,底面设置3-4处较小的排气孔以待拆模时使用。
5.8、预制区小型构件预制场的预制区工作平台紧靠拌合站出料口。
根据设计图纸确定预制构件种类设置生产线,每条生产线设置振动台,振动台大小以最少可放置四个模具以上稍有宽裕为限。
振动台电动机功率通过现场试验对比后选定。
5.9、养护区1、小型构件预制场采用自动喷淋养护系统结合土工布覆盖对构件进行养护,确保构件处于湿润状态,混凝土覆盖养生需达到7d以上。
2、小型构件在调入成品区前需在构件非外露面设置标识栏,容包括部位、施工日期等。
六、小型预制构件施工方案为确保施工质量,所有小型预制构件全部在小型构件预制场集中预制、集中养护、集中存放,再由运输车集中运至现场施工。
6.1、模具清理1、使用过的模具采用平板车运至清洗池旁。
2、模具的清洗分4个清洗池采用流水作业,第一个池子盛放15~20%的稀盐酸溶液先将模具浸泡5~10分钟。
3、在第二个盛放15%的稀盐酸溶液池子利用硬清洗球将模具上的水泥浆等杂物清洗干净。
4、在第三个盛放洗衣粉的池子将从第二个稀盐酸溶液池子清洗过的模具采用软毛巾清洗一遍。
5、再在第四个盛放清水的池子将模具再用软毛巾清洗第二遍,确保模具清洗干净、光洁、无杂物。
6、把清洗干净的模具放置在晾晒架上,先将水分晾干,再将脱模剂均匀的涂抹在模具壁。
6.2、混凝土浇筑1、小型预制构件集中在施工平台上预制,施工平台要严格抄平,确保模板地面平整。
2、混凝土的配合比根据各类型小型构件砼的标号、选用的砂石料、外加剂和水泥等级进行设计,多组进行比较,除满足砼强度和弹性模量要求外,还要确保砼外观质量,选用表面光洁,颜色均匀的作为施工配合比。
3、将涂抹号脱模剂的模具放置在振动台上。
4、对于路缘石和彩色铺面转采用一次性混凝土浇筑,开动振动台。
5、振动台布置原则:①振动台钢板厚不小于规要求,钢板下背带筋应牢固支撑并与振动台钢板满焊,背带筋的位置左右前后对称,振动台电机居中布置。
②根据振动台板重量和预计所振动预制计的重量来选择合适的振动台板下弹簧型号,弹簧沿台板四角布置。
③振动台电机功率介于1.1KW~1.5KW。
④振动台面积不宜过大,以防振动力在边角处衰减,振动台高度以人工操作方便为宜。
6、震动完成后,将浇筑好的预制构件用小平板车移至养生棚摆放整齐,人工用钢抹子将砼表面抹平收光,确保顶面平整、均匀、边角整齐。
7、为保证砼的工作性与强度,预制工作台应紧靠砼拌合站出料口,条件受限时宜采用砼输送罐车或料斗车运输。
8、小型构件预制场设专职试验员及技术员进行现场控制,严格按照试验配合比投料及规定的拌和时间进行搅拌,对混凝土的施工质量进行监控,随时检测坍落度及含气量。
对于制作出的小型构件要保证大面平整、棱角分明、线条美观、表面光洁和色泽均匀,确保施工成品真正做到实外美。
6.3、砼养护小型构件预制构件采用集中喷淋养护。
1、预制构件养护集中在养护区进行,在养护大棚离地面高3米处,每间隔3米纵向布设一道喷淋管道,喷淋养护利用全天候延时继电器控制柜作为中枢控制系统,由现场技术人员预先设置好喷淋时间和间隔时间,实现小型构件养护区喷淋系统自动运行养护。
2、小型构件成型后存放于养生大棚后,待砼终凝后开始喷淋养生。
过早养护会造成混凝土表层脱落,过晚养护会造成强度降低、裂纹,为避免覆盖物掉色污染混凝土表面,我工区采用无纺土工布洒水覆盖,养护时间不低于7天。
3、喷淋时间根据天气情况分白天和夜晚两种控制时间:采用延时继电装置白天间隔30分钟自动喷淋5分钟;夜间没间隔1小时喷淋5分钟。
夏季炎热天气及冬季施工时制定专项的养护方式。
4、冬季及夏季施工养护措施:(1)冬季施工:混凝土浇注完毕初凝后,及时进行保温覆盖,统一采用特制保温篷布(两层军用帆布、夹一层棉毡)覆盖,篷布之间搭接完整,四周采用堆积物堆积密实不透风,养护时间不少于7天。
(2)夏季施工:混凝土浇注完毕初凝后,及时用土工布覆盖养生,定专人进行洒水养护,确保土工布表面始终处于湿润状态,养护时间不少于7天。
6.4、拆模1、混凝土强度达到75%时,可在养生棚就地进行拆模。
2、拆模采用预留孔和加热模板两种方式进行拆模,直至小型构件脱落为止。
拆模过程中应小心,确保不出现啃边、掉角及磕碰现象。
3、拆模后,模板上不可避免会粘上部分混凝土残渣,应将残渣清洗干净,继续覆盖、喷淋至养生期满。
4、脱模后的小型构件摆放整齐,继续覆盖、喷淋至养生期满;养生时间为砼浇筑之日起不少于7d。
5、登记好小型构件的生产批次,养生期满后用小平板车移至成品存放区。
6、使用过的模具采用平板车运至清洗池旁,分4个清洗步骤流水作业,把清洗干净的模具放置在晾晒架上,将水分晾干后,涂刷脱模剂,然后将模具堆放整齐。
6.5、成品存放1、预制件养生期满后,预制件按型号、种类分开码垛。
其中拱形骨架堆放不宜超过5层,六棱块堆放不宜超过10层。
2、为方便运输和防止在运输过程中的碰损,在最下层预制构件下方衬垫木托。
3、码放时每块预制件之间的接触面用棉毡或特制塑料泡沫隔离,以防磨损或碰损掉角。
4、码垛整齐后,应用打包带打包成型,便于装车、运输。
5、混凝土强度达到验标要求强度后方可吊装运输到现场,吊装时设专人指挥,严禁防止构件吊装和运输过程中碰坏破损。
6.6、成品运输1、小型预制构件采用车厢平整、宽敞且较低的运输车集中运输到现场施工。
2、预制块在搬运的过程中应遵循“轻拿轻放”的原则。
3、小型预制构件应紧密放于车厢上,码砌高度不得超过车厢挡板高度;运输车底板、侧帮及每捆小构件之间采用5cm厚海绵或棉被垫好,防止装卸、运输过程中构件出现棱角损伤及断裂现象。
4、运输车行车速度不得大于20km/h,保持匀速行驶。
6.7、成品安装1、对于成品小型构件要保证线条直顺、轮廓清晰、平整光滑、美观实用。
2、在转场、运输和装卸过程中出现的个别破损预制构件现场不得使用,并做报废处理。
3、小型预制构件安装后,应采取有效措施进行保护,防止下一步工序施工时对其造成破坏。
七、安全保证措施小型构件预制场在施工过程中,安全防重点有以下几个方面:1、针对小型构件预制要结合具体施工工艺工法编制小型构件施工安全专项方案。
2、小型构件预制施工前对所有进场施工人员、技术管理人员分工序、工种进行进行安全培训教育与技术交底。