各种油套管、工具等基本数据
- 格式:doc
- 大小:36.00 KB
- 文档页数:2
油套管数据手册中国石化股份公司西南油气分公司工程技术研究院二〇〇七年十二月目录钢级色标及单位换算………….……………….1 --- 2 页无锡西姆莱斯公司……………….…………….3 – 39 页天津钢管公司…………………….……………40 - 52 页宝钢集团公司………………….………………53 - 66 页日本住友公司....................................................67 - 72 页日本JFE公司………………….………………73 - 85页美国特种钢公司………………….……………86 - 87页德国瓦卢瑞克-曼内斯曼公司……….………...88-156页本手册中使用的单位换算:英制---公制换算表1 inch=25.4 mm长度1 feet=0.3048 m1 lb=0.45359 kg1 kg=2.20463 lb重量1 lb/ft=1.4882 kg/m1 psi=0.006895 MPa强度、应力1 MPa=145.0326 psi1 lbf=0.45359 kgf1 kgf=2.20463 lbf力1 kgf=9.81 N1 lbf·ft=1.3558 N·M力矩1 N·M=0.7376 lbf·ft无锡西姆莱斯公司套管和油管API:油套管包括从H40到Q125的所有钢级,钻杆包括E,X,G,S的所有钢级非API:抗硫:WSP80S、WSP80SS、WSP95S、WSP95SS、WSP110S、WSP110SS、WSP125S抗挤:WSP90T、WSP95T、WSP110T、WSP125T抗硫+抗挤: WSP95TS、WSP95TSS、WSP110TS、WSP110TSS抗CO2:WSP80-3CrS、WSP95-3CrS、13Cr、超级13Cr热采井专用套管:WSP80H、WSP95H、WSP105HØWSP-1T系列扣型是气密封扣,WSP系列扣型是直联型或小接箍型气密封扣。
鉴于许多技术员对各种工具和油管、套管地基本数据了解不多,在编写施工设计和工程事故处理工具选择上出现一些问题,在此,分几次将现在常用地油套管、工具地基本数据登出,以备大家查询.、油管:外径,内径,每米内容积立方米,每米重量;接箍外径,长度,重量;整管平均重量米.、油管:外径,内径, 每米内容积立方米,每米重量;接箍外径,长度,重量;整管平均重量米.、外加厚油管:外径,内径, 每米内容积立方米,每米重量;加厚部分外径,重量增加;接箍外径,长度,重量;整管平均重量米.、油管:外径,内径, 每米内容积立方米,每米重量;接箍外径,长度,重量;整管平均重量米.、油管:外径,内径,每米内容积立方米,每米重量;接箍外径,长度,重量;整管平均重量米.、油管抗拉强度(以下数据均按油管钢级、、排列,单位):()油管:、、()外加厚油管:、、()油管:、、()油管:、、()油管:、、注:外加厚油管所标注为管身抗拉力,平式油管标注为抗滑扣拉力,平式油管管身抗拉力与外加厚油管相同.、油管抗内压力(以下数据均按油管钢级、、排列,单位):()油管:、、()油管:、、()油管:、无、注:外加厚油管与平式油管抗内压力相同.、油管抗外挤压力(以下数据均按油管钢级、、排列,单位):()油管:、、()油管:、、()油管:、、()油管:、、注:外加厚油管与平式油管抗外挤压力相同.各种油套管、工具等基本数据()套管目前,我厂常用套管均为及以上钢级,所以在此仅登出及以上钢级且应用较多地套管基本数据,供大家参考.、套管:外径,壁厚、、,每米内容积、、立方米;接箍外径,长度(短扣)、(长扣)、(梯形扣);整管重量、、米.、套管:外径,壁厚、、,每米内容积、、立方米;接箍外径,长度(短扣)、(长扣)、(梯形扣);整管重量、、米.、套管:外径,壁厚、、、,每米内容积、、、立方米;接箍外径,长度(短扣)、(长扣)、(梯形扣);整管重量、、、米.、套管:外径,壁厚、、,每米内容积、、立方米;接箍外径,长度(短扣)、(长扣)、(梯形扣);整管重量、、米.、套管:外径,壁厚、、、、、,每米内容积、、、、、立方米;接箍外径,长度(短扣)、(长扣)、(梯形扣);整管重量、、、、、米.、套管:外径,壁厚、、、,每米内容积、、、立方米;接箍外径,长度(短扣)、(长扣)、(梯形扣);整管重量、、、米.资料个人收集整理,勿做商业用途打水泥塞注意事项一、施工准备:1、打水泥塞管柱必须仔细检查,保证无漏失,必要时可先单独下管柱试压合格后再下入打水泥塞.2、施工用地水泥搅拌罐和大罐必须确保清洁,不得有水泥块等杂物,否则容易堵塞水泥车凡尔,导致扒泵.3、施工前井口、管线等必须连接好并保证不刺不漏,并且使用快速连接方式以保证转换管线时快速便捷,不耽误时间.4、打水泥塞使用地干水泥必须合格,无结块现象.二、打水泥塞施工:1、各种数据地计算如干水泥、清水及顶替用量和水泥搅拌罐、大罐地横截面积等必须在搅拌水泥前进行完毕.2、确定专人指挥,个人分工明确,保证配合密切,衔接良好.3、无特殊情况,整个施工过程中,水泥车和通井机不得熄火.4、必须确保井筒无溢流,无漏失方可进行打水泥塞施工.5、施工中如水泥车发生故障,短时间内无法修复,必须马上将油管上提至安全高度.6、施工中如通井机发生故障,短时间内无法修复,应立即进行反洗井,将井筒内水泥浆全部洗出.7、因水泥浆初凝时间分钟,整个打水泥塞过程时间应控制在分钟以内.如计算时间较长,可在搅拌水泥浆时适量加入缓凝剂.三、候凝:1、打水泥塞完成后,上提管柱-米候凝.2、候凝时必须装井口上法兰几闸门,以防井底压力高将水泥塞上顶.四、回探:1、必须保证候凝小时以上方可回探.2、回探时应慢速下放油管,不得快速下放.3、回探时如在正常深度未探到水泥塞面,可继续缓慢下探米,如仍未探到水泥塞面,应立即上提管柱至候凝位置,等候下一步措施.资料个人收集整理,勿做商业用途。
四川石油管理局井下作业处固井公司研究室制作本手册单位换算表名 称英 制 单 位换 算 关 系公 制 单 位保 留 位 数 外 径in ×25.4mm 保留一位小数 壁 厚in ×25.4mm 保留两位小数 内 径in ×25.4mm 保留两位小数 通 径in ×25.4mm 保留两位小数 接头长度in ×25.4mm 保留两位小数 单 重lb/ft ×1.488164kg /m 保留两位小数 扭 距lb.Ft ×1.355818N.m 保 留 整 数 所 有 联 接 强 度Klbs ×4.448222KN 保 留 整 数 抗 挤` 抗 内 压lb/in 2×0.006894757MPa保留一位小数长度常用单位公英制换算系数表单位公制英制公 英制换算1公里(km)=1000米1哩=1760码1海里=1.8537公里长1(m)米=10分米1哩=5280英尺1哩=1.60935公里1分米(dm)=10厘米1码=3英尺1码=0.9144米度1厘米(cm)=10毫米1英尺=12英寸1英尺=0.3048米1毫米(mm)=100公丝1英寸=8吩=1000英丝1英寸=25.4毫米面1公里2=1000000米21码2=9英尺21码2=0.836131米2 1米2=100分米21英尺2=144英寸21英尺2=0.0929米21分米2=100厘米21英寸2=64吩21英寸2=6.4516厘米2积1厘米2=100毫米21米3(m3)=1000米31美桶=42加仑(美)1美桶=159升体1分米3(dm3)=1000厘米31美加仑=231英寸31英桶=163.654升1厘米3(cm3)=1000毫米31美加仑=3.785升1方(米3)=1000升1英加仑=4.54596升1升=1000毫升1码3=0.764559米3积1厘米3=1毫升1英尺3=28.32升重1吨(T)=1000公斤1英吨=2240磅1吨=0.9842英吨1公斤(kg)=1000克1美吨=2000磅 =1.1023美吨1克(g)=10分克1磅=15.88英两 =2205磅1分克(dg)=10厘克1磅=0.4536公斤量1厘克(cg)=10毫克(mg)1英两=28.57克流1米3/时=0.278升/秒1英尺3/分=7.481加仑/分1英尺3/分=0.472升/秒1美加仑=0.0631升/秒量1美桶/分=2.646升/秒密1磅/桶=0.00286克/厘米31磅/加仑=0.1198克/厘米3度1磅/英尺3=0.01602克/厘米3速1公里/时=0.278米/秒1哩/时=88英尺/分1英尺/分=0.3048米/分度压1大气压=760毫米汞柱1大气压1磅/英寸2 =1.0332公斤/厘米2 =14.7磅/英寸2 =0.0703公斤/厘米2力 =10.332米水柱1磅/英寸2=1PSi1磅/英尺2=4.88247公斤/米2功1千瓦=1.36马力1千瓦=1.34英马力1英马力=1.014马力率1马力=75公斤.米/秒1英马力=550磅.英尺/秒套管通径数据表外径 mm壁厚 mm通径 mm外径 mm壁厚 mm通径 mm5.21100.77.62175.35.6999.88.33173.8114.3 6.3598.4193.79.52171.57.3796.410.92168.78.5694.012.70165.15.59112.77.92224.7127.0 6.43111.08.94222.67.52108.8244.510.03220.59.19105.411.05218.46.20124.111.99216.56.98122.613.84212.8139.77.72121.17.09254.99.17118.28.89251.310.54115.410.16248.85.87162.9273.1011.43246.26.91160.812.57243.98.05158.513.84241.4177.89.19156.215.11238.910.36153.98.38319.011.51151.69.65316.512.65149.3339.710.92313.913.72147.212.19311.413.06309.7套管接箍颜色标志厂家用途钢级接箍涂色厂家用途钢级接箍涂色厂家钢级接箍涂色深井用NT-95DS 白色夹褐色环住友低温井用SH-95L 茶色夹黄色环H-40无色或黑色深井用NT-125DS 白色夹黄色环一般井H55黑色J-55浅绿深井用NT-150BS 白色夹粉红色环防硫J55草绿色K-55绿色高抗挤毁NT-95HS粉红色夹褐色环一般井K55绿色N-80红色高抗挤毁NT-110HS 粉红色夹白色环防硫C75-2蓝色C-75蓝色抗硫化氢NT-80SS 黄色夹红色环高强度N-80红色L-80红夹棕抗硫化氢NT-85SS 黄色夹紫色环高强度C-95褐色C-90紫色抗硫化氢NT-90SS 黄色夹橙色环高强度P-110白色C-95棕色抗硫化氢NT-95SS 黄色夹褐色环防硫NK-AC80红色夹蓝色P-110白色低温井用NT-80LS青色夹红色环防硫NK-AC85红色夹蓝`白色环Q-125白色低温井用NT-95LS 青色夹褐色环日本防硫NK-AC90红色夹蓝色环2条V-150白色低温井用NT-110LS 青色夹白色环钢管防硫NK-AC95褐色夹蓝色环KO-70蓝色抗硫化氢SM-80S 红色夹白色环高抗拉NK-T95褐色夹白色环KO-110白色抗硫化氢SM-90S 橙色夹蓝色环高抗拉NK-T110白色夹红色环KO-80TT 红色夹白色环抗硫化氢SM-95S 茶色夹蓝色环高抗拉NK-CrT95褐色夹白色环2条KO-80T 红色夹白色环深井用SM-95G棕色夹白色环低温井用NK-LT95褐色夹绿色环KO-95T 棕色夹白色环深井用SM-125G 天蓝色夹白色环低温井用NK-LT110白色夹绿色环KO-95TCYS 棕色夹白色环深井用SM-150G 紫色夹白色环低温井用NK-LT125粉红色夹绿色环KO-110T 白色高抗挤毁SM-95T 茶色夹红色环高强度NK-125粉红色KO-80S 红色夹绿色环抗挤抗硫SM-95TS 茶色夹蓝色环高强度NK-140深蓝夹白色环KO-85S 红色夹绿色环低温井用SM-80L 红色夹黄色环高强度NK-V150紫色KO-90S紫色夹绿色环KO-95S 棕色夹绿色环KO-110S 红色夹蓝色环KO-85SS 紫色夹蓝色环KO-90SS 棕色夹蓝色环KO-95SS 白色夹蓝色环KO-110SS 红色夹绿色环KO-80L 红色夹黄色环KO-95L棕色夹黄色环KO-105L 白色夹黄色环KO-110L白色夹黄色环KO-125L 淡红色夹黄色环KO-125V 淡红色夹红色环KO-140V 粉红色夹红色环KO-150V 粉红色夹红色环KO-13Cr95棕色夹黄色环API川崎新日铁住友川崎API钢级材料物理性能(1)(2)(3)(4)(5)(6)(8)(9)抗拉强度规定壁厚允许硬度变化≥≤psi (Mpb)≥HRCHBin(mm)HRCH4040000(276)80000(552)60000(414)——J5555000(379)80000(552)75000(517)——K5555000(379)80000(552)95000(655)——N8080000(552)110000(758)100000(689)——L80180000(552)95000(655)95000(655)23241L809Cr 80000(552)95000(655)95000(655)23241L8013Cr 80000(552)95000(655)95000(655)23241C90 1.290000(621)105000(724)100000(689)25.4255≤0.500(12.70) 3.0C901.290000(621)105000(724)100000(689)25.42550.501(12.71)~0.749(19.04) 4.0C90 1.290000(621)105000(724)100000(689)25.42550.750(19.05)~0.999(25.39)5.0C90 1.290000(621)105000(724)100000(689)25.4255≥1.000(25.40)6.0C9595000(655)110000(758)105000(724)——T95 1.295000(655)110000(758)105000(724)25.4255≤0.500(12.70) 3.0T95 1.295000(655)110000(758)105000(724)25.42550.501(12.71)~0.749(19.04) 4.0T951.295000(655)110000(758)105000(724)25.42550.750(19.05)~0.999(25.39)5.03P110110000(758)140000(965)125000(862)——Q1251~4125000(862)150000(1034)135000(931)——≤0.500(12.70) 3.0Q1251~4125000(862)150000(1034)135000(931)——0.501(12.71)~0.749(19.02)4.0Q1251~4125000(862)150000(1034)135000(931)——≥0.750(19.05)5.0钢级组别12(7)硬度最大值屈 服 强 度 psi (Mpa)类型4注:C90、T95做抗硫SSCC 实验为抗硫级别。
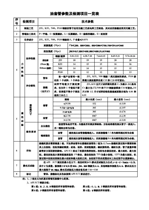
1.用途用于石油井钻探。
2.种类按SY/T6194-96“石油套管”分短螺纹套管及其接箍和长螺纹套管及其接箍两种。
4.化学成分检验(1)按SY/T6194-96规定。
套管及其接箍采用同一钢级。
含硫量<0.045%,含磷量<0.045%。
(2)按GB222-84的规定取化学分析样。
按GB223中有关部分的规定进行化学分析。
(3)美国石油学会ARISPEC5CT1988第1版规定。
化学分析按ASTME59最新版本制样,按ASTME350最新版本进行化学分析。
5.物理性能检验(1)按SY/T6194-96规定。
作压扁试验(GB246-97)拉力试验(GB228-87)及水压试验。
(2)按美国石油学会APISPEC5CT1988年第1版规定作静水压试验、压扁试验、硫化物应力腐蚀开裂试验、硬度试验(ASTME18或E10最新版本规定进行)、拉伸试验、横向冲击试验(ASTMA370、ASTME23和有关标准最新版本规定进行)、晶粒度测定(ASTME112最新版本或其他方法)。
6.主要进出口情况(1)石油套管主要进口国家有:德国、日本、罗马尼亚、捷克、意大利、英国、奥地利、瑞士、美国,阿根廷、新加坡也有进口。
进口标准多参照美国石油学会标准API5A,5AX,5AC。
钢级是H-40,J-55,N-80,P-110,C-75,C-95等。
规格主要为139.77.72R-2,177.89.19R-2,244.58.94R-2,244.510.03R-2,244.511.05R-2等。
(2)API规定长度有三种:即R-1为4.88~7.62m,R-2为7.62~10.36m,R-3为10.36m至更长。
(3)部分进口货物标有LTC字样,即长丝扣套管。
(4)从日本进口套管除采用API标准外,还有少部分执行日本厂方标准(如新日铁、住友、川崎等),钢号是NC-55E,NC-80E,NC-L80,NC-80HE等。
(5)在索赔案例中,出现过黑扣、丝扣损伤,管体折叠,断扣和螺纹紧密距超差,接箍J值超差等外观缺陷及套管脆裂、屈服强度低等内在品质问题。
1.用途用于石油井钻探。
2.种类按SY/T6194-96“石油套管”分短螺纹套管及其接箍和长螺纹套管及其接箍两种。
4.化学成分检验(1)按SY/T6194-96规定。
套管及其接箍采用同一钢级。
含硫量<0.045%,含磷量<0.045%。
(2)按GB222-84的规定取化学分析样。
按GB223中有关部分的规定进行化学分析。
(3)美国石油学会ARISPEC5CT1988第1版规定。
化学分析按ASTME59最新版本制样,按ASTME350最新版本进行化学分析。
5.物理性能检验(1)按SY/T6194-96规定。
作压扁试验(GB246-97)拉力试验(GB228-87)及水压试验。
(2)按美国石油学会APISPEC5CT1988年第1版规定作静水压试验、压扁试验、硫化物应力腐蚀开裂试验、硬度试验(ASTME18或E10最新版本规定进行)、拉伸试验、横向冲击试验(ASTMA370、ASTME23和有关标准最新版本规定进行)、晶粒度测定(ASTME112最新版本或其他方法)。
6.主要进出口情况(1)石油套管主要进口国家有:德国、日本、罗马尼亚、捷克、意大利、英国、奥地利、瑞士、美国,阿根廷、新加坡也有进口。
进口标准多参照美国石油学会标准API5A,5AX,5AC。
钢级是H-40,J-55,N-80,P-110,C-75,C-95等。
规格主要为139.77.72R-2,177.89.19R-2,244.58.94R-2,244.510.03R-2,244.511.05R-2等。
(2)API规定长度有三种:即R-1为4.88~7.62m,R-2为7.62~10.36m,R-3为10.36m至更长。
(3)部分进口货物标有LTC字样,即长丝扣套管。
(4)从日本进口套管除采用API标准外,还有少部分执行日本厂方标准(如新日铁、住友、川崎等),钢号是NC-55E,NC-80E,NC-L80,NC-80HE等。
(5)在索赔案例中,出现过黑扣、丝扣损伤,管体折叠,断扣和螺纹紧密距超差,接箍J值超差等外观缺陷及套管脆裂、屈服强度低等内在品质问题。
四川石油管理局井下作业处固井公司研究室制作本手册单位换算表名 称英 制 单 位换 算 关 系公 制 单 位保 留 位 数 外 径in ×25.4mm 保留一位小数 壁 厚in ×25.4mm 保留两位小数 内 径in ×25.4mm 保留两位小数 通 径in ×25.4mm 保留两位小数 接头长度in ×25.4mm 保留两位小数 单 重lb/ft ×1.488164kg /m 保留两位小数 扭 距lb.Ft ×1.355818N.m 保 留 整 数 所 有 联 接 强 度Klbs ×4.448222KN 保 留 整 数 抗 挤` 抗 内 压lb/in 2×0.006894757MPa保留一位小数长度常用单位公英制换算系数表单位公制英制公 英制换算1公里(km)=1000米1哩=1760码1海里=1.8537公里长1(m)米=10分米1哩=5280英尺1哩=1.60935公里1分米(dm)=10厘米1码=3英尺1码=0.9144米度1厘米(cm)=10毫米1英尺=12英寸1英尺=0.3048米1毫米(mm)=100公丝1英寸=8吩=1000英丝1英寸=25.4毫米面1公里2=1000000米21码2=9英尺21码2=0.836131米2 1米2=100分米21英尺2=144英寸21英尺2=0.0929米21分米2=100厘米21英寸2=64吩21英寸2=6.4516厘米2积1厘米2=100毫米21米3(m3)=1000米31美桶=42加仑(美)1美桶=159升体1分米3(dm3)=1000厘米31美加仑=231英寸31英桶=163.654升1厘米3(cm3)=1000毫米31美加仑=3.785升1方(米3)=1000升1英加仑=4.54596升1升=1000毫升1码3=0.764559米3积1厘米3=1毫升1英尺3=28.32升重1吨(T)=1000公斤1英吨=2240磅1吨=0.9842英吨1公斤(kg)=1000克1美吨=2000磅 =1.1023美吨1克(g)=10分克1磅=15.88英两 =2205磅1分克(dg)=10厘克1磅=0.4536公斤量1厘克(cg)=10毫克(mg)1英两=28.57克流1米3/时=0.278升/秒1英尺3/分=7.481加仑/分1英尺3/分=0.472升/秒1美加仑=0.0631升/秒量1美桶/分=2.646升/秒密1磅/桶=0.00286克/厘米31磅/加仑=0.1198克/厘米3度1磅/英尺3=0.01602克/厘米3速1公里/时=0.278米/秒1哩/时=88英尺/分1英尺/分=0.3048米/分度压1大气压=760毫米汞柱1大气压1磅/英寸2 =1.0332公斤/厘米2 =14.7磅/英寸2 =0.0703公斤/厘米2力 =10.332米水柱1磅/英寸2=1PSi1磅/英尺2=4.88247公斤/米2功1千瓦=1.36马力1千瓦=1.34英马力1英马力=1.014马力率1马力=75公斤.米/秒1英马力=550磅.英尺/秒套管通径数据表外径 mm壁厚 mm通径 mm外径 mm壁厚 mm通径 mm5.21100.77.62175.35.6999.88.33173.8114.3 6.3598.4193.79.52171.57.3796.410.92168.78.5694.012.70165.15.59112.77.92224.7127.0 6.43111.08.94222.67.52108.8244.510.03220.59.19105.411.05218.46.20124.111.99216.56.98122.613.84212.8139.77.72121.17.09254.99.17118.28.89251.310.54115.410.16248.85.87162.9273.1011.43246.26.91160.812.57243.98.05158.513.84241.4177.89.19156.215.11238.910.36153.98.38319.011.51151.69.65316.512.65149.3339.710.92313.913.72147.212.19311.413.06309.7套管接箍颜色标志厂家用途钢级接箍涂色厂家用途钢级接箍涂色厂家钢级接箍涂色深井用NT-95DS 白色夹褐色环住友低温井用SH-95L 茶色夹黄色环H-40无色或黑色深井用NT-125DS 白色夹黄色环一般井H55黑色J-55浅绿深井用NT-150BS 白色夹粉红色环防硫J55草绿色K-55绿色高抗挤毁NT-95HS粉红色夹褐色环一般井K55绿色N-80红色高抗挤毁NT-110HS 粉红色夹白色环防硫C75-2蓝色C-75蓝色抗硫化氢NT-80SS 黄色夹红色环高强度N-80红色L-80红夹棕抗硫化氢NT-85SS 黄色夹紫色环高强度C-95褐色C-90紫色抗硫化氢NT-90SS 黄色夹橙色环高强度P-110白色C-95棕色抗硫化氢NT-95SS 黄色夹褐色环防硫NK-AC80红色夹蓝色P-110白色低温井用NT-80LS青色夹红色环防硫NK-AC85红色夹蓝`白色环Q-125白色低温井用NT-95LS 青色夹褐色环日本防硫NK-AC90红色夹蓝色环2条V-150白色低温井用NT-110LS 青色夹白色环钢管防硫NK-AC95褐色夹蓝色环KO-70蓝色抗硫化氢SM-80S 红色夹白色环高抗拉NK-T95褐色夹白色环KO-110白色抗硫化氢SM-90S 橙色夹蓝色环高抗拉NK-T110白色夹红色环KO-80TT 红色夹白色环抗硫化氢SM-95S 茶色夹蓝色环高抗拉NK-CrT95褐色夹白色环2条KO-80T 红色夹白色环深井用SM-95G棕色夹白色环低温井用NK-LT95褐色夹绿色环KO-95T 棕色夹白色环深井用SM-125G 天蓝色夹白色环低温井用NK-LT110白色夹绿色环KO-95TCYS 棕色夹白色环深井用SM-150G 紫色夹白色环低温井用NK-LT125粉红色夹绿色环KO-110T 白色高抗挤毁SM-95T 茶色夹红色环高强度NK-125粉红色KO-80S 红色夹绿色环抗挤抗硫SM-95TS 茶色夹蓝色环高强度NK-140深蓝夹白色环KO-85S 红色夹绿色环低温井用SM-80L 红色夹黄色环高强度NK-V150紫色KO-90S紫色夹绿色环KO-95S 棕色夹绿色环KO-110S 红色夹蓝色环KO-85SS 紫色夹蓝色环KO-90SS 棕色夹蓝色环KO-95SS 白色夹蓝色环KO-110SS 红色夹绿色环KO-80L 红色夹黄色环KO-95L棕色夹黄色环KO-105L 白色夹黄色环KO-110L白色夹黄色环KO-125L 淡红色夹黄色环KO-125V 淡红色夹红色环KO-140V 粉红色夹红色环KO-150V 粉红色夹红色环KO-13Cr95棕色夹黄色环API川崎新日铁住友川崎API钢级材料物理性能(1)(2)(3)(4)(5)(6)(8)(9)抗拉强度规定壁厚允许硬度变化≥≤psi (Mpb)≥HRCHBin(mm)HRCH4040000(276)80000(552)60000(414)——J5555000(379)80000(552)75000(517)——K5555000(379)80000(552)95000(655)——N8080000(552)110000(758)100000(689)——L80180000(552)95000(655)95000(655)23241L809Cr 80000(552)95000(655)95000(655)23241L8013Cr 80000(552)95000(655)95000(655)23241C90 1.290000(621)105000(724)100000(689)25.4255≤0.500(12.70) 3.0C901.290000(621)105000(724)100000(689)25.42550.501(12.71)~0.749(19.04) 4.0C90 1.290000(621)105000(724)100000(689)25.42550.750(19.05)~0.999(25.39)5.0C90 1.290000(621)105000(724)100000(689)25.4255≥1.000(25.40)6.0C9595000(655)110000(758)105000(724)——T95 1.295000(655)110000(758)105000(724)25.4255≤0.500(12.70) 3.0T95 1.295000(655)110000(758)105000(724)25.42550.501(12.71)~0.749(19.04) 4.0T951.295000(655)110000(758)105000(724)25.42550.750(19.05)~0.999(25.39)5.03P110110000(758)140000(965)125000(862)——Q1251~4125000(862)150000(1034)135000(931)——≤0.500(12.70) 3.0Q1251~4125000(862)150000(1034)135000(931)——0.501(12.71)~0.749(19.02)4.0Q1251~4125000(862)150000(1034)135000(931)——≥0.750(19.05)5.0钢级组别12(7)硬度最大值屈 服 强 度 psi (Mpa)类型4注:C90、T95做抗硫SSCC 实验为抗硫级别。
欧阳歌谷创编 2021年2月1 A P I油管规格及尺寸
欧阳歌谷创编 2021年2月1
欧阳歌谷创编 2021年2月1
石油油管螺纹代号对照表
欧阳歌谷创编 2021年2月1
欧阳歌谷创编 2021年2月1
套管规格及尺寸
欧阳歌谷创编 2021年2月1
欧阳歌谷创编 2021年2月1
石油套管螺纹代号对照表
欧阳歌谷创编 2021年2月1
欧阳歌谷创编 2021年2月1
钻杆规格及尺寸(X、G、S钢级)
欧阳歌谷创编 2021年2月1
欧阳歌谷创编 2021年2月1
欧阳歌谷创编 2021年2月1
欧阳歌谷创编 2021年2月1
石油钻杆接头螺纹代号对照表
欧阳歌谷创编 2021年2月1
欧阳歌谷创编 2021年2月1
欧阳歌谷创编 2021年2月1。
套管规格:外径壁厚内径通径接箍外径千米重量备注127 9.19 108.61 105.44 141.3 26.79t5-1/2″139.7 6.20 127.3 124.1153.720.85t6.98 125.7 122.6 23.09t7.72 124.26 121.1 25.32t9.17 121.4 118.2 29.79t10.54 118.6 115.4 34.26t7″177.8 5.87 166.1 162.9194.525.52t 6.91 164.2 160.8 29.79t8.05 161.7 158.5 34.26t9.19 159.4 156.2 38.73t10.36 157.1 153.9 43.20t11.51 154.8 151.6 47.66t12.65 152.5 149.3 52.13t13.72 150.4 147.2 56.60t8-5/8″219.1 6.71 205.7 202.5244.535.75t7.72 203.7 200.5 41.71t8.94 201.2 198.0 47.66t10.16 198.8 195.6 53.62t11.43 196.2 193.0 59.58t9-5/8″244.5 7.92 328.7 244.7269.648.11t 8.94 236.6 222.6 53.62t10.03 224.4 220.4 59.58t11.05 232.4 218.4 64.79t 11.99 320.5 216.5 70.01t 13.84 216.8 212.8 71.69t10-3/4″273.07.09 258.9 254.9298.548.78t 8.89 255.3251.360.32t10.26 252.7248.867.77t11.43 250.2246.275.96t12.57 247.9 243.9 82.67t油管规格:公称尺寸平式外径壁厚平式内径平式接箍加厚外径加厚内径加厚接箍千米重量内容积L/m管体容积抗拉强度J551-1/2 48.3 4.0 40.3 55 53.2 40.3 63.52-3/8 60.3 5.0 50.3 73 65.9 50.3 78 6.84t 1.99 0.87 21.1(加厚33.5) 2-7/8 73.0 5.5 62.0 89.5 78.6 62.0 93 9.16t 3.02 1.17 29.4(加厚45.2) 3-1/2 88.9 6.5 75.9 107 95.25 75.9 114.5 13.22t 4.524 101.6 6.5 88.6 121 107.95 88.6 1274-1/2 114.3 7 100.3 132.5 120.65 100.3 141.5泵杆规格:规格5/8″3/4″7/8″1″杆体直径16 19 22 25 接箍外径38 42 46 55 千米杆重 1.64t 2.3t 3.07t 4.17t 在0.9原油中杆重 1.45t 2.04t 2.72t 3.7t国产钻杆规范和强度数据外径重量kg/m壁厚mm内径mm管体截面积cm2抗扭断面系数cm3抗拉强度,t 抗扭矩,kg mD E P-105 D E P-105屈服极限,kg/mm2 抗扭屈服极限,kg/mm238.67 52.73 73.80 19.34 26.37 36.9027/87314.21 9 55 18.09 51.73 99.45 117.59 135.68 1420 1680 194031/2 89 17.76 9 71 22.62 82.18 124.41 147.03 169.65 2252 2670 3080 21.16 11 67 26.95 96.60 148.23 175.18 202.13 2650 3133 36205 127 26.19 9 109 33.39 184.00 183.65 217.04 250.43 5050 6030 6900 31.47 11 105 40.11 214.30 220.61 260.72 300.83 5880 6950 8000钻杆允许扭转圈数:N=K H (N─允许扭转圈数K─扭转系数H─卡点深度) API钻杆扭转系数K值外径(mm)扭转系数(圈/米)D级E级P105级73 0.00703 0.00957 0.0134 89 0.00577 0.00787 0.01101 114 0.00449 0.00612 0.00856 127 0.00404 0.00551 0.00771卡点计算公式:L= E•F•ΔL/P=210•F•ΔL/P=K•ΔL/PK值表:油管60 5.0 K=1800 油管89 6.5 K=3750 油管73 5.0 K=2450 钻杆73 9.0 K=3800英制单位换算表:长度单位1 码=3 英尺 1 英尺=12 英寸 1 英寸=2.54 厘米1 英里=1760 码=1.6093 千米体积单位1 品脱=0.8327 英制品脱=0.4732 公升1 加伦=8 品脱=4.5461 公升重量单位 1 磅=16 盎司=0.4536 千克 1 盎司=437.5 谷=28.350 克常用材料密度表:序号材料名称密度(g/cm3)序号材料名称密度(g/cm3)序号材料名称密度(g/cm3) 空气(20℃)0.0012 陶瓷 2.3-2.45 金19.32木材0.4-0.75 大理石 2.6-2.7 汞13.55竹材0.9 金刚石 3.5-3.6 铅/铅板11.37生石灰(块) 1.1 沥青0.9-1.5 银10.5熟石灰 1.2 石蜡0.9 纯铜8.9粘土(块)0.7-1.5 酒精0.8 锡7.29无烟煤0.7-1.0 盐酸 1.2 镍8.9混凝土 1.8-2.45 硝酸 1.54 铸钢7.8石英玻璃 2.2 硫酸(87%)1.8 钢材7.85有机玻璃 1.18-1.19 汽油0.66-0.75 不锈钢7.9平板玻璃 2.5 煤油0.78-0.82 锌板7.3水泥(粉) 1.2 机油0.9-0.9 高速钢8.3-8.7 电石 1.2 细砂(干) 1.4-1.65 硬质合金9.5-12.4 粘土砖 1.7 粗砂(干) 1.4-1.9石膏 2.2-2.4 砾石 1.5-1.9立井标准:后一道坑到井口距离20~22m;开挡:12~16m 后二道坑到井口距离18~20m 开挡14~16m 前绷绳坑到井口距离18~20m 开挡18~20m 地锚深度不小于2m BJ-18型移动式井架按970角的标准立起封隔器型号编制的基本方法分类名称代号自封式压缩式楔入式扩张式组合式Z Y X K 用各式的分类代号组合表示支撑方式代号尾管支撑单向卡瓦无支撑双向卡瓦锚瓦l 2 3 4 5坐封方式代号提放管柱转动管柱自封液压下工具热力l 2 3 4 5 6解封方式代号提放管柱转动管柱钻铣液压下工具热力1 2 3 4 5 6。
常用油套管参数数据1〞=25.4mm2 3/8〞油管:内容积:1.987m3/千米外径:60.30mm壁厚:5.00mm 内径:50.30mm2 7/8〞外加厚(EUE)油管:内容积:3.019 m3/千米外容积:4.185 m3/千米管容积:1.166 m3/千米外径:73.03mm壁厚:5.51mm 内径:62.00mm重量:9.46吨/千米(平式)9.62吨/千米(外加厚)2 7/8〞油管与5 1/2〞(壁厚9.17mm)套管环容7.385 m3/千米2 7/8〞油管与5 1/2〞(壁厚7.72mm)套管环容7.95 m3/千米N80钢级:壁厚:5.51mm;内径:62.00mm;通径:59.61mm;挤毁压力:76.9MPa;管体屈服强度:645.134kN;最小内屈服压力:72.9MPa;P105钢级:壁厚:5.51mm;内径:62.00mm;通径:59.61mm;挤毁压力:96.6MPa;管体屈服强度:846.683kN;最小内屈服压力:95.6MPa;P105钢级:壁厚:7.01mm;内径:59.00mm;通径:56.62mm;挤毁压力:125.6MPa;管体屈服强度:1052.681kN;最小内屈服压力:121.6MPa;3 1/2〞外加厚(EUE)油管:内容积:4.536m3/千米外容积:6.207 m3/千米管容积:1.671 m3/千米外径:88.9mm壁厚:6.45mm 内径:76.0mm重量:13.60吨/千米3 1/2〞油管与5 1/2〞(壁厚9.17mm)套管环容5.363 m3/千米P105钢级:壁厚:6.45mm;内径:76.00mm;通径:72.82mm;挤毁压力:90MPa;管体屈服强度:1210.182kN;最小内屈服压力:92MPa;5 1/2〞套管:外径:139.7mm壁厚:6.20mm/7.72mm/9.17mm内径:127.30mm/124.26mm/121.36mm内容积:12.73 m3/千米/ 12.13m3/千米/11.57 m3/千米P110钢级:壁厚:7.72mm;内径:124.26mm;通径:121.08mm;挤毁压力:51.6MPa;管体屈服强度:2429kN;最小内屈服压力:73.4MPa;P110钢级:壁厚:9.17mm;内径:121.36mm;通径:118.19mm;挤毁压力:76.50MPa;管体屈服强度:2852kN;最小内屈服压力:85.2MPa;J55钢级:壁厚:7.72mm;内径:124.26mm;通径:121.08mm;挤毁压力:33.90MPa;管体屈服强度:1215kN;最小内屈服压力:36.7MPa;9 5/8〞套管:P109钢级:直径:245mm 壁厚:11.99mm内径:220.5mm 内容积:38.186 m3/千米P110钢级:直径:244.48mm 壁厚:13.84mm内径:216.79mm 内容积:?m3/千米挤毁压力:54.8MPa;管体屈服强度:7608kN;最小内屈服压力:63.2MPa;2 7/8〞钻杆:壁厚:9.19mm重量:15.49吨/千米7〞套管:外径:177.80mm壁厚:9.19mm 内径:159.4mm内容积:19.96m3钢级:P110 抗内压强度:68.7MPa。
各种油套管、工具等基本数据
(1)-油管
鉴于现场对各种工具和油管、套管的基本数据书籍匮乏,在施工中便于便携式查阅,将现在常用的油套管、工具的基本数据登出,方便大家使用。
1、d76mm油管:外径88.9mm ,内径75.9mm,每米内容积0.004523立方米,每米重量13.22kg;接箍外径107mm ,长度146mm,重量3.6kg;整管平均重量13.6kg/米。
2、d62mm油管:外径73mm,内径62mm, 每米内容积0.003018立方米,每米重量9.16kg;接箍外径89.5mm,长度132mm,重量2.4kg;整管平均重量9.4kg/米。
3、d62mm外加厚油管:外径73mm,内径62mm, 每米内容积0.003018立方米,每米重量9.16kg;加厚部分外径78.6mm,重量增加0.9kg;接箍外径93mm,长度134mm,重量2.8kg;整管平均重量9.53kg/米。
4、d50mm油管:外径60.3mm,内径50.3mm, 每米内容积0.001986立方米,每米重量6.84kg;接箍外径73mm,长度110mm,重量1.3kg;整管平均重量7kg/米。
5、d40mm油管:外径48.3mm ,内径40.3mm,每米内容积0.001275立方米,每米重量4.39kg;接箍外径55mm ,长度96mm,重量0.5kg;整管平均重量4.4kg/米。
6、油管抗拉强度(以下数据均按油管钢级DZ40、DZ50、DZ55排列,单位kN):
(1)d76mm油管:446、585、645
(2)d62mm外加厚油管:443、583、641
(3)d62mm油管:294、387、426
(4)d50mm油管:208、274、3015
(5)d40mm油管:118.7、156、171.5
注:外加厚油管所标注为管身抗拉力,平式油管标注为抗滑扣拉力,平式油管管身抗拉力与外加厚油管相同。
7、油管抗内压力(以下数据均按油管钢级DZ40、DZ50、DZ55排列,单位Mp):
(1)d76mm油管:48.5、63.8、70.3
(2)d62mm油管:57.2、75.3、82.9
(3)d50mm油管:63.1、无、91.3
注:外加厚油管与平式油管抗内压力相同。
8、油管抗外挤压力(以下数据均按油管钢级DZ40、DZ50、DZ55排列,单位Mp):
(1)d76mm油管:39.4、47.3、54.1
(2)d62mm油管:39.5、47.8、54.7
(3)d50mm油管:43.2、53.0、60.4
(4)d40mm油管:40.8、49.7、56.7
注:外加厚油管与平式油管抗外挤压力相同。
各种油套管、工具等基本数据(2)-套管
目前,我厂常用套管均为N80及以上钢级,所以在此仅登出N80及以上钢级且应用较多的套管基本数据,供大家参考。
详查参阅相关技术手册
1、d114.3mm套管:外径114.3mm,壁厚6.35、7.37、8.56mm,每米内容积0.0081、0.0078、0.0074立方米;接箍外径127mm,长度127(短扣)、178(长扣)、225(梯形扣)mm;整管重量17.26、20.09、22.47kg/米。
2、d127mm套管:外径127mm,壁厚6.4
3、7.52、9.20mm,每米内容积0.0102、0.0098、0.0093立方米;接箍外径141.3mm,长度165(短扣)、197(长扣)、232(梯形扣)mm;整管重量19.35、22.32、26.78kg/米。
3、d139.7mm套管:外径139.7mm,壁厚6.98、7.72、9.17、10.54mm,每米内容积0.012
4、0.0121、0.0116、0.0110立方米;接箍外径153.67mm,长度171(短扣)、203(长扣)、235(梯形扣)mm;整管重量23.06、25.30、29.76、34.22kg/米。
4、d168.27mm套管:外径168.27mm,壁厚8.94、10.59、12.07mm,每米内容积0.0178、0.0170、0.0163立方米;接箍外径187.71mm,长度184(短扣)、222(长扣)、244(梯形扣)mm;整管重量35.71、41.66、47.62kg/米。
5、d177.8mm套管:外径177.8mm,壁厚8.05、9.19、10.3
6、11.51、12.65、13.72mm,每米内容积0.0205、0.0199、0.0194、0.0188、0.0183、0.0177立方米;接箍外径194.46mm,长度184(短扣)、229(长扣)、254(梯形扣)mm;整管重量34.22、38.69、43.15、47.62、52.08、56.54kg/米。
6、d244.5mm套管:外径244.5mm,壁厚10.03、11.05、11.94、13.84mm,每米内容积0.0395、0.0388、0.0382、0.0369立方米;接箍外径269.88mm,长度197(短扣)、267(长扣)、270(梯形扣)mm;整管重量59.52、64.73、69.94、79.61kg/米。
打水泥塞注意事项
一、施工准备:
1、打水泥塞管柱必须仔细检查,保证无漏失,必要时可先单独下管柱试压合格后再下入打水泥塞。
2、施工用的水泥搅拌罐和大罐必须确保清洁,不得有水泥块等杂物,否则容易堵塞水泥车凡尔,导致扒泵。
3、施工前井口、管线等必须连接好并保证不刺不漏,并且使用快速连接方式以保证转换管线时快速便捷,不耽误时间。
4、打水泥塞使用的干水泥必须合格,无结块现象。
二、打水泥塞施工:
1、各种数据的计算如干水泥、清水及顶替用量和水泥搅拌罐、大罐的横截面积等必须在搅拌水泥前进行完毕。
2、确定专人指挥,个人分工明确,保证配合密切,衔接良好。
3、无特殊情况,整个施工过程中,水泥车和通井机不得熄火。
4、必须确保井筒无溢流,无漏失方可进行打水泥塞施工。
5、施工中如水泥车发生故障,短时间内无法修复,必须马上将油管上提至安全高度。
6、施工中如通井机发生故障,短时间内无法修复,应立即进行反洗井,将井筒内水泥浆全部洗出。
7、根据不同井温选择水泥级别、加入相关添加剂,控制水泥浆初凝时间90-120分钟,整个打水泥塞过程时间应控制在60分钟以内。
三、候凝:
1、打水泥塞完成后,上提管柱50-100米候凝。
2、候凝时必须装井口上法兰几闸门,以防井底压力高将水泥塞上顶。
四、回探:
1、根据井温数据,确保候凝时间大于水泥终凝时间24-72小时以上方可回探。
2、回探时应慢速下放油管,不得快速下放。
3、回探时如在正常深度未探到水泥塞面,可继续缓慢下探30-50米,如仍未探到水泥塞面,应立即上提管柱至候凝位置,等候下一步措施。