常用电子元器件型号命名法及主要技术参数
- 格式:doc
- 大小:744.00 KB
- 文档页数:21
一、可控硅可控硅又称晶闸管(Silicon Controlled Rectifier,SCR)。
它的主要成员有单向晶闸管、双向晶闸管、光控晶闸管、逆导晶闸管、可关断晶可控硅闸管、快速晶闸管等等。
可控硅整流器件是一种非常重要的功率器件,可用来做高电压和大电流的控制。
可控硅器件主要用在开关方面,使器件从关闭或是阻断的状态转换为开启或是导通的状态,反之亦然。
可控硅器件有较宽广范围的电流、电压控制能力。
结构:大家使用的是单向晶闸管,也就是人们常说的普通晶闸管,它是由四层半导体材料组成的,有三个PN结,对外有三个电极〔图2(a)〕:第一层P型半导体引出的电极叫阳极A,第三层P型半导体引出的电极叫控制极G,第四层N型半导体引出的电极叫阴极K。
从晶闸管的电路符号〔图2(b)〕可以看到,它和二极管一样是一种单方向导电的器件,关键是多了一个控制极G,这就使它具有与二极管完全不同的工作特性。
用途:普通晶闸管最基本的用途就是可控整流。
1:小功率塑封双向可控硅通常用作声光控灯光系统。
额定电流:IA小于2A。
2:大中功率塑封和铁封可控硅通常用作功率型可控调压电路。
像可调压输出直流电源等等。
主要厂家品牌:ST,NXP/PHILIPS,NEC,ON/MOTOROLA,RENESAS/MITSUBISHI,LITTELFUSE/TECCOR,TOSHIBA,JX ,SANREX,SANKEN ,EUPEC,IR等。
二、晶体管晶体管(transistor)是一种固体半导体器件,可以用于检波、整流、放大、开关、稳压、信号调制和许多其它功能。
晶体管输出信号的功率可以大于输入信号的功率,因此晶体管可以作为电子放大器,有许多市售的分立晶体管,但集成电路中的晶体管数量远大于分立晶体管的数量。
例如超大规模集成电路(VLSI)其中至少有一万个晶体管。
晶体管作为一种可变开关,基于输入的电压,控制流出的电流,因此晶体管可做为电流的开关,和一般机械开关(如Relay、switch)不同处在于晶体管是利用电讯号来控制,而且开关速度可以非常之快,在实验室中的切换速度可达100GHz以上。
常用电子元器件型号命名法与主要技术参数电子元器件是电子产品中非常重要的一部分,为了便于识别和使用,每种电子元器件都有相应的型号和技术参数。
本文将介绍常用电子元器件的命名法和主要技术参数,以帮助读者更好地了解电子元器件。
1. 电阻器电阻器通常用来限制电路中的电流,并改变电压和功率。
电阻器的命名法为“R+数字”,数字表示电阻值。
例如,R100表示100欧姆的电阻器。
电阻器的主要技术参数有:电阻值:电阻器的电阻值越大,电路中的电流越小。
功率:功率越大,电阻器发热越多。
精度:电阻器的精度越高,电路中的电流越精确。
温度系数:温度系数可以影响电阻器的电阻值。
2. 电容器电容器通常用来存储能量或阻止电流。
电容器的命名法为“C+数字”,数字表示电容值。
例如,C1μF表示1微法的电容器。
电容器的主要技术参数有:电容值:电容值越大,电容器可以存储的电力越大。
电压:电容器的电压越高,它可以承受的电力也越高。
电容器类型:电容器根据构造材料的不同,分为有机电容器和无机电容器。
3. 二极管二极管通常用来控制电流的方向。
二极管的命名法为“D+数字”,数字表示型号。
例如,D1N4148表示1N4148型号的二极管。
二极管的主要技术参数有:正向工作电压:正向工作电压是二极管正向工作时的最大电压。
反向击穿电压:反向击穿电压是二极管能承受的最大反向电压。
反向电流:反向电流是二极管反向工作时的电流。
4. 晶体管晶体管通常用来放大电流和控制电路。
晶体管的命名法为“Q+数字”,数字表示型号。
例如,Q2N3904表示2N3904型号的晶体管。
晶体管的主要技术参数有:最大工作电压:最大工作电压代表晶体管工作的最大电压。
最大功率:最大功率代表晶体管可以承受的最大功率。
放大系数:放大系数代表晶体管从输入信号到输出信号的增益。
5. 电感器电感器通常用来阻止电路中的交流电流。
电感器的命名法为“L+数字”,数字表示型号。
例如,L100表示100微亨的电感器。
电子元器件基础知识(1)--电阻电阻器(Resistor)在日常生活中一般直接称为电阻。
是一个限流元件,将电阻接在电路中后,电阻器的阻值是固定的一般是两个引脚,它可限制通过它所连支路的电流大小。
阻值不能改变的称为固定电阻器。
阻值可变的称为电位器或可变电阻器。
理想的电阻器是线性的,即通过电阻器的瞬时电流与外加瞬时电压成正比。
用于分压的可变电阻器。
在裸露的电阻体上,紧压着一至两个可移金属触点。
触点位置确定电阻体任一端与触点间的阻值。
国产电阻器的型号由四部分组成(不适用敏感电阻)。
亿配芯城隶属于深圳市新嘉盛工贸有限公司,成立于2013年并上线服务,商城平台主要特点“线上快捷交易配单+线下实体供应交货”两全其美的垂直发展理念,是国内领先而专业的电子商务平台+实体店企业。
未来发展及模式主要以(一站式配单,平台寄售/处理闲置库存达到资源共享双赢,电子工程师交流社区,硬件开发与支持等互动服务平台)在这个高效而发展迅猛的科技互联网时代为大家提供精准的大数据资源平台。
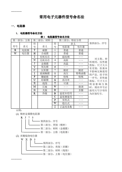
第一部分:主称 ,用字母表示,表示产品的名字。
如R表示电阻,W表示电位器。
第二部分:材料 ,用字母表示,表示电阻体用什么材料组成,T-碳膜、H-合成碳膜、S-有机实心、N-无机实心、J-金属膜、Y-氮化膜、C-沉积膜、I-玻璃釉膜、X-线绕。
第三部分:分类,一般用数字表示,个别类型用字母表示,表示产品属于什么类型。
1-普通、2-普通、3-超高频、4-高阻、5-高温、6-精密、7-精密、8-高压、9-特殊、G-高功率、T-可调。
第四部分:序号,用数字表示,表示同类产品中不同品种,以区分产品的外型尺寸和性能指标等例如:R T 1 1 型普通碳膜电阻。
亿配芯城隶属于深圳市新嘉盛工贸有限公司,成立于2013年并上线服务,商城平台主要特点“线上快捷交易配单+线下实体供应交货”两全其美的垂直发展理念,是国内领先而专业的电子商务平台+实体店企业。
未来发展及模式主要以(一站式配单,平台寄售/处理闲置库存达到资源共享双赢,电子工程师交流社区,硬件开发与支持等互动服务平台)在这个高效而发展迅猛的科技互联网时代为大家提供精准的大数据资源平台。
可编辑修改精选全文完整版常用电子元件的识别及测试1.电阻器和电位器的型号命名法表10.1 电阻器和电位器的型号命名法第一部分第二部分第三部分第四部分用字母表示主体用字母表示材料用数字或字母表示特征用数字表示序号符号意义符号意义符号意义R W 电阻器电位器TPUCHIJYSNXRGM碳膜硼碳膜硅碳膜沉积膜合成膜玻璃釉膜金属膜氧化膜有机实芯无机实芯线绕热敏光敏压敏1、2345789GTXLWD普通超高频高阻高温精密电阻器——高压电位器——特殊函数特殊高功率可调小型测量用微调多圈包括:额定功率阻值允许误差精度等级例如1:型号RJ71-0.25-3.3KΩ-I的精密金属膜电阻器,含义为:例如2:22 kΩ单联合成碳膜电位器3. 电阻器和电位器的主要性能指标3. 电阻器和电位器的主要性能指标(1). 固定电阻器的主要参数1〕额定功率指电阻器在规定的环境温度和湿度下,假设周围空气不流通,在长期连续工作而不损坏或基本不改变电阻器性能的情况下,电阻器上允许消耗的最大功率。
2〕标称阻值及允许误差电阻器的阻值和误差有三种标注方法:•直标法是将电阻器的主要参数和技术性能用数字或字母直接标注在电阻体上。
•文字符号法是将需要标出的主要参数与技术性能用文字、数字符号两者有规律地组合起来标志在电阻器上。
如0.1Ω标注为Ω1,3.3Ω标为3Ω3,4.7kΩ标为4k7,10M Ω标注为10M等。
•色标法〔又称色环表示法〕是用不同颜色的色环来表示电阻器的阻值及误差等级。
3〕最高工作电压指电阻器长期工作不发生过热或电击穿的工作电压限度。
( 2) 电位器的主要参数电位器的主要参数除了与电阻器相同的标称阻值、额定功率外,还有:1〕阻值变化规律常用的电位器阻值变化规律有直线式〔X〕、指数式〔Z〕、对数式〔D〕三种。
2〕滑动噪声电位器的接触刷在电阻体上移动时,除了有用信号外还有起伏不定的噪声信号〔可用示波器观测到〕,这就是电位器的滑动噪声。
常见电子元器件讲解与命名第一部分电阻器系列1、概述电阻器是电子电路中应用最广泛的基本元器件之一,在电子设备中约占元件总数的 30%以上,其性能的好坏对电路工作的稳定性有极大影响。
1.1 定义电阻器,简称电阻(Resistor,通常用“R”表示),是指具有一定阻值,一定几何形状,一定技术性能的在电路中起特定作用的元件。
1.2 作用在电子设备中,电阻器主要用于稳定和调节电路中的电流和电压,其次还可作为消耗电能的负载、分流器、分压器、稳压电源中的取样电阻、晶体管电路中的偏执电阻等。
1.3 单位电阻器的基本单位是欧姆,用希腊字母Ω表示。
在实际应用中,常常使用由Ω导出的单位,如千欧(kΩ),兆欧(MΩ)等。
2、分类电阻器种类繁多,形状各异,有多种分类方法。
2.1 按结构分:2.1.1 固定电阻器2.1.2 可变电阻器:有滑线变阻器和电位器。
滑线变阻器电位器2.1.3 敏感电阻器:有热敏电阻、光敏电阻、压敏电阻、湿敏电阻、气敏电阻等。
2.2 按外形分:有圆柱型、圆盘型、管型、方型、片状、纽扣状电阻。
2.3 按材料分:2.3.1 合金型:用块状电阻合金拉制成合金线或碾成合金箔片,制成电阻。
如线绕电阻,精密合金箔电阻等。
2.3.2 薄膜型:在玻璃或陶瓷基体上沉积一层电阻薄膜,膜的厚度一般在几微米以下。
薄膜材料有碳膜、金属膜、化学沉积膜、金属氧化膜等。
2.3.3 合成型:电阻体由导电颗粒(石墨、碳黑)和有机(无机)粘接剂混合而成,可以制成薄膜或实芯两种类型。
碳膜电阻 金属膜电阻水泥电阻2.4 按安装方式分,有插件电阻和贴片电阻。
插件电阻2.5 按用途分:贴片电阻2.5.1 普通型(通用型):适用于一般技术要求的电阻,功率在 0.05~2W 之间,阻值为 1Ω~22M Ω,偏差为±5~±20%。
2.5.2 精密型:功率小于 2W ,阻值为 0.01Ω~20M Ω,偏差为 2%~0. 001%。
2.5.3 功率型:功率在 2~200W 之间,阻值 0.15~1M Ω,精度±5~20%,多为线绕电阻,不宜在高频电路中使用。
常用电子元器件参考资料第一节部分电气图形符号一.电阻器、电容器、电感器和变压器二.半导体管三.其它电气图形符号第二节常用电子元器件型号命名法及主要技术参数一.电阻器和电位器1.电阻器和电位器的型号命名方法表1 电阻器型号命名方法示例:(1)精密金属膜电阻器R J 7 3第四部分:序号第三部分:类别(精密)第二部分:材料(金属膜)第一部分:主称(电阻器)(2) 多圈线绕电位器W X D 3第四部分:序号第三部分:类别(多圈)第二部分:材料(线绕)第一部分:主称(电位器)2.电阻器的主要技术指标(1) 额定功率电阻器在电路中长时间连续工作不损坏,或不显著改变其性能所允许消耗的最大功率称为电阻器的额定功率。
电阻器的额定功率并不是电阻器在电路中工作时一定要消耗的功率,而是电阻器在电路工作中所允许消耗的最大功率。
不同类型的电阻具有不同系列的额定功率,如表2所示。
表2 电阻器的功率等级(2) 标称阻值阻值是电阻的主要参数之一,不同类型的电阻,阻值围不同,不同精度的电阻其阻值系列亦不同。
根据国家标准,常用的标称电阻值系列如表3所示。
E24、E12和E6系列也适用于电位器和电容器。
表3 标称值系列表中数值再乘以10,其中n为正整数或负整数。
(3) 允许误差等级表4 电阻的精度等级3.电阻器的标志容及方法(1)文字符号直标法:用阿拉伯数字和文字符号两者有规律的组合来表示标称阻值,额定功率、允许误差等级等。
符号前面的数字表示整数阻值,后面的数字依次表示第一位小数阻值和第二位小数阻值,其文字符号所表示的单位如表5所示。
如1R5表示1.5Ω,2K7表示2.7kΩ,表5RJ71-0.125-5k1-II允许误差±10%标称阻值(5.1kΩ)额定功率1/8W型号由标号可知,它是精密金属膜电阻器,额定功率为1/8W,标称阻值为5.1kΩ,允许误差为±10%。
(2)色标法:色标法是将电阻器的类别及主要技术参数的数值用颜色(色环或色点)标注在它的外表面上。
常用电子元器件型号命名法一.电阻器1.电阻器型号命名方法示例:(1)精密金属膜电阻器R J7 3第四部分:序号第三部分:类别(精密)第二部分:材料(金属膜)第一部分:主称(电阻器)(2) 多圈线绕电位器W X D 3第四部分:序号第三部分:类别(多圈)第二部分:材料(线绕)第一部分:主称(电位器)2.电阻器的标志内容及方法(1)文字符号直标法:用阿拉伯数字和文字符号两者有规律的组合来表示标称阻值,额定功率、允许误差等级等。
符号前面的数字表示整数阻值,后面的数字依次表示第一位小数阻值和第二位小数阻值,其文字符号所表示的单位如表5所示。
如1R5表示1.5Ω,2K7表示2.7kΩ,例如:RJ71-0.125-5k1-II允许误差±10%标称阻值(5.1kΩ)额定功率1/8W型号由标号可知,它是精密金属膜电阻器,额定功率为1/8W,标称阻值为5.1kΩ,允许误差为±10%。
(2)色标法:色标法是将电阻器的类别及主要技术参数的数值用颜色(色环或色点)标注在它的外表面上。
色标电阻(色环电阻)器可分为三环、四环、五环三种标法。
其含义如图1和图2所示。
标称值第一位有效数字标称值第二位有效数字标称值有效数字后0的个数允许误差图1 两位有效数字阻值的色环表示法三色环电阻器的色环表示标称电阻值(允许误差均为±20%)。
例如,色环为棕黑红,表示10⨯102=1.0kΩ±20%的电阻器。
四色环电阻器的色环表示标称值(二位有效数字)及精度。
例如,色环为棕绿橙金表示15⨯103=15kΩ±5%的电阻器。
五色环电阻器的色环表示标称值(三位有效数字)及精度。
例如,色环为红紫绿黄棕表示275⨯104=2.75MΩ±1%的电阻器。
一般四色环和五色环电阻器表示允许误差的色环的特点是该环离其它环的距离较远。
较标准的表示应是表示允许误差的色环的宽度是其它色环的(1.5~2)倍。
有些色环电阻器由于厂家生产不规范,无法用上面的特征判断,这时只能借助万用表判断。
常用元器件主要参数电阻容差:通用场合选用1%精读,当有特殊要求比如输出电压精度要求时选用更小的选择比率:当阻值不是很重要时,比如分压器,以减少电路中不同阻值种类数目以实现大批量采购节约成本最大电压:电阻其实也可以被击穿,高压应用时要注意温度系数:大多数电阻都有很小的温度系数(50~250ppm每度),电阻发热时,线绕电阻的温度系数会有较大变化额定功率:一般电阻功耗为额定值一半脉冲功率:在较短时间内,线绕电阻可以承受远大于其额定功率的冲击,但非线绕电阻不行电容铝电解电容大容量小体积钽电容中等电容量陶瓷电容定时与信号电路多层陶瓷电容低ESR场合塑胶电容高dv/dt场合容差:典型值正负20%,电解电容还要差好多ESR:等效串联电阻,设计大容量滤波器时ES R比容量重要老化:“电源寿命1000h”实际就是对电解电容电容而言,如果把电源放到实际温度条件或者工作几年就要选择2000h到5000h肖特基二极管常用在整流器中,正向导通电压小,没有反向恢复时间整流二极管反向恢复:二极管正向导通后在很短时间内能够反向流过电流这段时间叫反向恢复时间,这对变换器的效率非常不利但并不是越快越好,会产生快速的电压电流尖锋晶体管(BJT)脉冲电流:一般BJT上不会提到脉冲电流(除非专为电源设计),取额定直流电流的两倍放大倍数:一般假定为10,不管手册数据如何晶体管(MOSFET)功率损耗:导通损耗+门极充电损耗+开关导通损导通损耗:当MOSFE T全部导通时漏源极之间存在一个电阻,导通损耗大小取决于管中电流大小,而且电阻随温升增大门极充电损耗:由于MOSF ET有一个相当大的等效门极电容引起开关导通损:在开通或关断转换的任何时候,晶体管上同时既有电压又有电流产生功率损耗最大门极电压:通常20V电阻型号命名方法分类及主要特性参数等导电体对电流的阻碍作用称着电阻,用符号R表示,单位为欧姆、千欧、兆欧,分别用Ω、KΩ、MΩ表示。
一、电阻电阻器(Resistor)在日常生活中一般直接称为电阻。
是一个限流元件,将电阻接在电路中后,电阻器的阻值是固定的一般是两个引脚,它可限制通过它所连支路的电流大小。
阻值不能改变的称为固定电阻器。
阻值可变的称为电位器或可变电阻器。
理想的电阻器是线性的,即通过电阻器的瞬时电流与外加瞬时电压成正比。
用于分压的可变电阻器。
在裸露的电阻体上,紧压着一至两个可移金属触点。
触点位置确定电阻体任一端与触点间的阻值。
端电压与电流有确定函数关系,体现电能转化为其他形式能力的二端器件,用字母R 来表示,单位为欧姆Ω。
实际器件如灯泡,电热丝,电阻器等均可表示为电阻器元件。
电阻元件的电阻值大小一般与温度,材料,长度,还有横截面积有关,衡量电阻受温度影响大小的物理量是温度系数,其定义为温度每升高1℃时电阻值发生变化的百分数。
电阻的主要物理特征是变电能为热能,也可说它是一个耗能元件,电流经过它就产生内能。
电阻在电路中通常起分压、分流的作用。
对信号来说,交流与直流信号都可以通过电阻电阻的型号命名方法:国产电阻器的型号由四部分组成(不适用敏感电阻)第一部分:主称,用字母表示,表示产品的名字。
如R表示电阻,W表示电位器。
第二部分:材料,用字母表示,表示电阻体用什么材料组成,T-碳膜、H-合成碳膜、S-有机实心、N-无机实心、J-金属膜、Y-氮化膜、C-沉积膜、I-玻璃釉膜、X-线绕。
第三部分:分类,一般用数字表示,个别类型用字母表示,表示产品属于什么类型。
1-普通、2-普通、3-超高频、4-高阻、5-高温、6-精密、7-精密、8-高压、9-特殊、G-高功率、T-可调。
第四部分:序号,用数字表示,表示同类产品中不同品种,以区分产品的外型尺寸和性能指标等例如:R T 1 1 型普通碳膜电阻a1}国际电阻都是以R开头,前面2个字母表示电阻的系列名称。
RC表示一般厚膜电阻,例如:RC0402JR-07100KL;RL表示低阻值电阻,如RL0603JR-070R12L;RT表示高精密厚膜电阻;RJ表示薄膜电阻;RV表示高压电阻。
电子元器件型号命名规则2,电容器5,半导体二、三极管一、中国半导体器件型号命名方法半导体器件型号由五部分(场效应器件、半导体特殊器件、复合管、PIN型管、激光器件的型号命名只有第三、四、五部分)组成。
五个部分的意义分别如下:第一部分:用数字表示半导体器件有效电极数目。
2-二极管、3-三极管第二部分:用汉语拼音字母表示半导体器件的材料和极性。
表示二极管时:A-N型锗材料、B-P型锗材料、C-N型硅材料、D-P型硅材料。
表示三极管时:A-PNP型锗材料、B-NPN型锗材料、C-PNP型硅材料、D-NPN型硅材料。
第三部分:用汉语拼音字母表示半导体器件的内型。
P-普通管、V-微波管、W-稳压管、C-参量管、Z-整流管、L-整流堆、S-隧道管、N-阻尼管、U-光电器件、K-开关管、X-低频小功率管(f<3MHz,Pc<1W)、G-高频小功率管(f>3MHz,Pc<1W)、D-低频大功率管(f<3MHz,Pc>1W)、A-高频大功率管(f>3MHz,Pc>1W)、T-半导体晶闸管(可控整流器)、Y-体效应器件、B-雪崩管、J-阶跃恢复管、CS-场效应管、BT-半导体特殊器件、FH-复合管、PIN-PIN型管、JG-激光器件。
第四部分:用数字表示序号第五部分:用汉语拼音字母表示规格号例如:3DG18表示NPN型硅材料高频三极管。
二、日本半导体分立器件型号命名方法日本生产的半导体分立器件,由五至七部分组成。
通常只用到前五个部分,其各部分的符号意义如下:第一部分:用数字表示器件有效电极数目或类型。
0-光电(即光敏)二极管三极管及上述器件的组合管、1-二极管、2三极或具有两个pn结的其他器件、3-具有四个有效电极或具有三个pn结的其他器件、┄┄依此类推。
第二部分:日本电子工业协会JEIA注册标志。
S-表示已在日本电子工业协会JEIA注册登记的半导体分立器件。
第三部分:用字母表示器件使用材料极性和类型。
常用电子元器件参考资料部分电气图形符号一.电阻器、电容器、电感器和变压器二.半导体管三.其它电气图形符号常用电子元器件型号命名法及主要技术参数一.电阻器和电位器1.电阻器和电位器的型号命名方法示例:(1)精密金属膜电阻器R J7 3第四部分:序号第三部分:类别(精密)第二部分:材料(金属膜)第一部分:主称(电阻器)(2) 多圈线绕电位器W X D 3第四部分:序号第三部分:类别(多圈)第二部分:材料(线绕)第一部分:主称(电位器)2.电阻器的主要技术指标(1) 额定功率电阻器在电路中长时间连续工作不损坏,或不显著改变其性能所允许消耗的最大功率称为电阻器的额定功率。
电阻器的额定功率并不是电阻器在电路中工作时一定要消耗的功率,而是电阻器在电路工作中所允许消耗的最大功率。
不同类型的电阻具有不同系列的额定功率,如表2所示。
(2) 标称阻值阻值是电阻的主要参数之一,不同类型的电阻,阻值范围不同,不同精度的电阻其阻值系列亦不同。
根据国家标准,常用的标称电阻值系列如表3所示。
E24、E12和E6系列也适用于电位器和电容器。
(3) 允许误差等级3.电阻器的标志内容及方法(1)文字符号直标法:用阿拉伯数字和文字符号两者有规律的组合来表示标称阻值,额定功率、允许误差等级等。
符号前面的数字表示整数阻值,后面的数字依次表示第一位小数阻值和第二位小数阻值,其文字符号所表示的单位如表5所示。
如1R5表示1.5Ω,2K7表示2.7kΩ,表5例如:RJ71-0.125-5k1-II允许误差±10%标称阻值(5.1kΩ)额定功率1/8W型号由标号可知,它是精密金属膜电阻器,额定功率为1/8W,标称阻值为5.1kΩ,允许误差为±10%。
(2)色标法:色标法是将电阻器的类别及主要技术参数的数值用颜色(色环或色点)标注在它的外表面上。
色标电阻(色环电阻)器可分为三环、四环、五环三种标法。
其含义如图1和图2所示。
标称值第一位有效数字标称值第二位有效数字标称值有效数字后0的个数允许误差图1 两位有效数字阻值的色环表示法三色环电阻器的色环表示标称电阻值(允许误差均为±20%)。
电子元器件知识大全,一文了解所有基本元器件!作为一名专业的电子元器件采购和销售,元器件有些基本知识是必须要懂的,这篇文章为大家整理了常见的电子元器件的知识,一文就可以了解所有哦!一、电阻器※电阻:导电体对电流的阻碍作用称为电阻,用符号R表示,单位为欧姆、千欧、兆欧,分别用Ω、KΩ、MΩ表示。
※电阻的型号命名方法:国产电阻器的型号由四部分组成(不适用敏感电阻)①主称②材料③分类④序号※电阻器的分类:①线绕电阻器②薄膜电阻器:碳膜电阻器、合成碳膜电阻器、金属膜电阻器、金属氧化膜电阻器、化学沉积膜电阻器、玻璃釉膜电阻器、金属氮化膜电阻器③实心电阻器④敏感电阻器:压敏电阻器、热敏电阻器、光敏电阻器、力敏电阻器、气敏电阻器、湿敏电阻器。
※电阻器阻值标示方法:1、直标法:用数字和单位符号在电阻器表面标出阻值,其允许误差直接用百分数表示,若电阻上未注偏差,则均为±20%。
2、文字符号法:用阿拉伯数字和文字符号两者有规律的组合来表示标称阻值,其允许偏差也用文字符号表示。
符号前面的数字表示整数阻值,后面的数字依次表示第一位小数阻值和第二位小数阻值。
表示允许误差的文字符号文字符号:DFGJKM,允许偏差分别为:±0.5%、±1%、±2%、±5%、±10%、±20%。
3、数码法:在电阻器上用三位数码表示标称值的标志方法。
数码从左到右,第一、二位为有效值,第三位为指数,即零的个数,单位为欧。
偏差通常采用文字符号表示。
4、色标法:用不同颜色的带或点在电阻器表面标出标称阻值和允许偏差。
国外电阻大部分采用色标法。
黑-0、棕-1、红-2、橙-3、黄-4、绿-5、蓝-6、紫-7、灰-8、白-9、金-±5%、银-±10%、无色-±20%当电阻为四环时,最后一环必为金色或银色,前两位为有效数字,第三位为乘方数,第四位为偏差。
当电阻为五环时,最後一环与前面四环距离较大。
电子元器件命名规则MAXIM 专有产品型号命名MAX XXX (X) X X X1 2 3 4 5 61.前缀: MAXIM公司产品代号2.产品字母后缀:三字母后缀:C=温度范围; P=封装类型; E=管脚数四字母后缀:B=指标等级或附带功能; C=温度范围;P=封装类型; I=管脚数3.指标等级或附带功能:A表示5%的输出精度,E表示防静电4 .温度范围:C= 0℃ 至70℃(商业级)I =-20℃ 至+85℃(工业级)E =-40℃ 至+85℃(扩展工业级)A = -40℃至+85℃(航空级)M =-55?至+125℃(军品级)5.封装形式:A SSOP(缩小外型封装) Q PLCCB CERQUAD R 窄体陶瓷双列直插封装C TO-220, TQFP(薄型四方扁平封装) S 小外型封装D 陶瓷铜顶封装 T TO5,TO-99,TO-100E 四分之一大的小外型封装 U TSSOP,μMAX,SOTF 陶瓷扁平封装 H 模块封装, SBGA W 宽体小外型封装(300mil) J CERDIP (陶瓷双列直插) X SC-70(3脚,5脚,6脚) K TO-3 塑料接脚栅格阵列 Y 窄体铜顶封装L LCC (无引线芯片承载封装) Z TO-92MQUADM MQFP (公制四方扁平封装) / D裸片N 窄体塑封双列直插 / PR 增强型塑封P 塑料 / W 晶圆6.管脚数量:A:8 J:32 K:5,68 S:4,80B:10,64 L:40 T:6,160C:12,192 M:7,48 U:60D:14 N:18 V:8(圆形)E:16 O:42 W:10(圆形)F:22,256 P:20 X:36G:24 Q:2,100 Y:8(圆形)H:44 R:3,84 Z:10(圆形)I:28AD 常用产品型号命名单块和混合集成电路XX XX XX X X X1 2 3 4 51.前缀:AD模拟器件 HA 混合集成A/D HD 混合集成D/A2.器件型号3.一般说明:A 第二代产品,DI 介质隔离,Z 工作于±12V4.温度范围/性能(按参数性能提高排列):I、J、K、L、M 0℃至70℃A、B、C-25℃或-40℃至85℃S、T、U -55℃至125℃5.封装形式:D 陶瓷或金属密封双列直插R 微型“SQ”封装E 陶瓷无引线芯片载体RS 缩小的微型封装F 陶瓷扁平封装S 塑料四面引线扁平封装G 陶瓷针阵列 ST 薄型四面引线扁平封装H 密封金属管帽 T TO-92型封装J J形引线陶瓷封装U 薄型微型封装M 陶瓷金属盖板双列直插 W 非密封的陶瓷/玻璃双列直插N 料有引线芯片载体Y 单列直插Q 陶瓷熔封双列直插Z 陶瓷有引线芯片载体P 塑料或环氧树脂密封双列直插高精度单块器件XXX XXXX BI E X /8831 2 3 4 5 61.器件分类: ADC A/D转换器 OP 运算放大器AMP 设备放大器PKD 峰值监测器BUF 缓冲器 PM PMI二次电源产品CMP 比较器 REF 电压比较器DAC D/A转换器 RPT PCM线重复器JAN Mil-M-38510 SMP 取样/保持放大器LIU 串行数据列接口单元SW 模拟开关MAT 配对晶体管SSM 声频产品MUX 多路调制器TMP 温度传感器2.器件型号3.老化选择4.电性等级5.封装形式:H 6腿TO-78 S 微型封装J 8腿TO-99 T 28腿陶瓷双列直插K 10腿TO-100 TC 20引出端无引线芯片载体P 环氧树脂B双列直插V 20腿陶瓷双列直插PC 塑料有引线芯片载体X 18腿陶瓷双列直插Q 16腿陶瓷双列直插 Y 14腿陶瓷双列直插R 20腿陶瓷双列直插 Z 8腿陶瓷双列直插RC 20引出端无引线芯片载体6.军品工艺ALTERA 产品型号命名XXX XXX X X XX X1 2 3 4 5 61.前缀: EP 典型器件EPC 组成的EPROM器件EPF FLEX 10K或FLFX 6000系列、FLFX 8000系列EPM MAX5000系列、MAX7000系列、MAX9000系列EPX 快闪逻辑器件2.器件型号3.封装形式:D 陶瓷双列直插 Q 塑料四面引线扁平封装P 塑料双列直插R 功率四面引线扁平封装S 塑料微型封装 T 薄型J形引线芯片载体J 陶瓷J形引线芯片载体 W 陶瓷四面引线扁平封装L 塑料J形引线芯片载体 B 球阵列4.温度范围: C ℃至70℃,I -40℃至85℃,M -55℃至125℃5.腿数6.速度ATMEL 产品型号命名AT XX X XX XX X X X1 2 3 4 5 61.前缀:ATMEL公司产品代号2.器件型号3.速度4.封装形式:A TQFP封装 P 塑料双列直插B 陶瓷钎焊双列直插Q 塑料四面引线扁平封装C 陶瓷熔封R 微型封装集成电路D 陶瓷双列直插S 微型封装集成电路F 扁平封装T 薄型微型封装集成电路G 陶瓷双列直插,一次可编程U 针阵列J 塑料J形引线芯片载体 V 自动焊接封装K 陶瓷J形引线芯片载体W 芯片L 无引线芯片载体 Y 陶瓷熔封M 陶瓷模块 Z 陶瓷多芯片模块N 无引线芯片载体,一次可编程5.温度范围:C 0℃至70℃, I -40℃至85℃, M -55℃至125℃6.工艺:空白标准/883 Mil-Std-883, 完全符合B级B Mil-Std-883,不符合B级BB 产品型号命名XXX XXX (X) X X X1 2 3 4 5 6DAC 87 X XXX X /883B7 81.前缀:ADC A/D转换器MPY 乘法器ADS 有采样/保持的A/D转换器OPA 运算放大器DAC D/A转换器 PCM 音频和数字信号处理的A/D和D/A转换器DIV 除法器 PGA 可编程控增益放大器INA 仪用放大器 SHC 采样/保持电路ISO 隔离放大器 SDM 系统数据模块MFC 多功能转换器 VFC V/F、F/V变换器MPC 多路转换器 XTR 信号调理器2.器件型号3.一般说明:A 改进参数性能 L 锁定Z + 12V电源工作 HT 宽温度范围4.温度范围:H、J、K、L 0℃至70℃A、B、C -25℃至85 ℃R、S、T、V、W -55℃至125℃5.封装形式:L 陶瓷芯片载体 H 密封陶瓷双列直插M 密封金属管帽 G 普通陶瓷双列直插N 塑料芯片载体 U 微型封装P 塑封双列直插6.筛选等级: Q 高可靠性 QM 高可靠性,军用7.输入编码:CBI 互补二进制输入COB 互补余码补偿二进制输入CSB 互补直接二进制输入CTC 互补的两余码8.输出: V 电压输出 I 电流输出CYPRESS 产品型号命名XXX 7 C XXX XX X X X1 2 3 4 5 61.前缀: CY Cypress公司产品, CYM 模块, VIC VME总线2.器件型号:7C128 CMOS SRAM 7C245 PROM7C404 FIFO 7C9101 微处理器3.速度:A 塑料薄型四面引线扁平封装 V J形引线的微型封装B 塑料针阵列 U 带窗口的陶瓷四面引线扁平封装 D 陶瓷双列直插 W 带窗口的陶瓷双列直插F 扁平封装 X 芯片G 针阵列 Y 陶瓷无引线芯片载体H 带窗口的密封无引线芯片载体 HD 密封双列直插J 塑料有引线芯片载体K 陶瓷熔封 HV 密封垂直双列直插L 无引线芯片载体 PF 塑料扁平单列直插P 塑料 PS 塑料单列直插Q 带窗口的无引线芯片载体 PZ 塑料引线交叉排列式双列直插 R 带窗口的针阵列 E 自动压焊卷S 微型封装IC T 带窗口的陶瓷熔封 N 塑料四面引线扁平封装5.温度范围:C 民用(0℃至70℃)I 工业用(-40℃至85℃)M 军谩(-55℃至125℃)6.工艺: B 高可靠性HITACHI 常用产品型号命名XX XXXXX X X1 2 3 41.前缀:HA 模拟电路 HB 存储器模块HD 数字电路 HL 光电器件(激光二极管/LED)HM 存储器(RAM) HR光电器件(光纤)HN 存储器(NVM)PF RF功率放大器HG 专用集成电路2.器件型号3.改进类型4.封装形式:P 塑料双列 PG 针阵列C 陶瓷双列直插 S 缩小的塑料双列直插CP 塑料有引线芯片载体 CG 玻璃密封的陶瓷无引线芯片载体FP 塑料扁平封装 G 陶瓷熔封双列直插SO 微型封装INTERSIL 产品型号命名XXX XXXX X X X X1 2 3 4 5 61.前缀: D 混合驱动器 G 混合多路FETICL 线性电路 ICM 钟表电路IH 混合/模拟门 IM 存储器AD 模拟器件 DG 模拟开关DGM 单片模拟开关 ICH 混合电路MM 高压开关 NE/SE SIC产品2.器件型号3.电性能选择4.温度范围:A -55℃至125℃,B -20℃至85℃,C 0℃至70℃ I -40℃至125℃,M -55℃至125℃5.封装形式:A TO-237型 L 无引线陶瓷芯片载体B 微型塑料扁平封装P 塑料双列直插C TO-220型 S TO-52型D 陶瓷双列直插T TO-5、TO-78、TO-99、TO-100型E TO-8微型封装 U TO-72、TO-18、TO-71型F 陶瓷扁平封装V TO-39型H TO- 66型 Z TO-92型I 16脚密封双列直插 /W 大圆片J 陶瓷双列直插/D 芯片K T O-3型 Q 2引线金属管帽6.管脚数:A 8,B 10,C 12,D 14,E 16,F 22,G 24,H 42, I 28, J 32, K 35, L 40, M 48, N 18,P 20, Q 2, R 3, S 4, T 6, U 7,V 8(引线间距0.2"",绝缘外壳)W 10(引线间距0.23"",绝缘外壳)Y 8(引线间距0.2"",4脚接外壳)Z 10(引线间距0.23"",5脚接外壳)NEC 常用产品型号命名μP X XXXX X1 2 3 41.前缀2.产品类型:A 混合元件 B 双极数字电路,C 双极模拟电路D 单极型数字电路3.器件型号:4.封装形式:A 金属壳类似TO-5型封装 J 塑封类似TO-92型B 陶瓷扁平封装 M 芯片载体C 塑封双列 V 立式的双列直插封装D 陶瓷双列 L 塑料芯片载体G 塑封扁平 K 陶瓷芯片载体H 塑封单列直插 E 陶瓷背的双列直插国外IC芯片命名规则(二)2010-10-9 7:46:00MICROCHIP 产品型号命名PIC XX XXX XXX (X) -XX X /XX1 2 3 4 5 61. 前缀: PIC MICROCHIP公司产品代号2. 器件型号(类型):C CMOS电路 CR CMOS ROMLC 小功率CMOS电路LCS 小功率保护AA 1.8V LCR 小功率CMOS ROMLV 低电压 F 快闪可编程存储器HC 高速CMOS FR FLEX ROM3.改进类型或选择4.速度标示:-55 55ns, -70 70ns, -90 90ns, -10 100ns, -12 120ns-15 150ns -17 170ns, -20 200ns, -25 250ns, -30 300ns晶体标示:LP 小功率晶体,RC 电阻电容,XT 标季 /振荡器HS 高速晶体频率标示:-20 2MHZ, -04 4MHZ, -10 10MHZ, -16 16MHZ-20 20MHZ,-25 25MHZ,-33 33MHZ5.温度范围:空白0℃至70℃,I -45℃至85℃, E -40℃至125℃6.封装形式:L PLCC封装JW 陶瓷熔封双列直插,有窗口P 塑料双列直插PQ 塑料四面引线扁平封装W 大圆片SL 14腿微型封装-150milJN 陶瓷熔封双列直插,无窗口 SM 8腿微型封装-207milSN 8腿微型封装-150 mil VS 超微型封装8mm×13.4mmSO 微型封装-300 mil ST 薄型缩小的微型封装-4.4mm SP 横向缩小型塑料双列直插 CL 68腿陶瓷四面引线,带窗口SS 缩小型微型封装 PT 薄型四面引线扁平封装TS 薄型微型封装8mm×20mm TQ 薄型四面引线扁平封装ST 产品型号命名普通线性、逻辑器件MXXX XXXXX XX X X1 2 3 4 51.产品系列:74AC/ACT 先进CMOSHCF4XXX M74HC 高速CMOS2.序列号3.速度4.封装: BIR,BEY 陶瓷双列直插M,MIR 塑料微型封装5.温度普通存贮器件XX X XXXX X XX X XX1 2 3 4 5 6 71.系列:ET21 静态RAM ETL21 静态RAMETC27 EPROM MK41 快静态RAMMK45 双极端口FIFO MK48 静态RAMTS27 EPROM S28 EEPROMTS29 EEPROM2.技术:空白…NMOS C…CMOS L…小功率3.序列号4.封装:C 陶瓷双列 J 陶瓷双列N 塑料双列 Q UV窗口陶瓷熔封双列直插5.速度6.温度:空白0℃~70℃ E -25℃~70℃V -40℃~85℃ M -55℃~125℃7.质量等级:空白标准B/B MIL-STD-883B B级存储器编号(U.V EPROM和一次可编程OTP)M XX X XXX X X XXX X X1 2 3 4 5 6 7 81.系列:27…EPROM 87…EPROM锁存2.类型:空白…NMOS,C…CMOS,V…小功率 3.容量:64…64K位(X8)256…256K位(X8)512…512K位(X8)1001…1M位(X8)101…1M位(X8)低电压1024…1M位(X8)2001…2M位(X8)201…2M位(X8)低电压4001…4M位(X8)401…4M位(X8)低电压4002…4M位(X16)801…4M位(X8)161…16M位(X8/16)可选择160…16M位(X8/16)4.改进等级5.电压范围:空白 5V +10%Vcc, X 5V +10%Vcc6.速度:55 55n,60 60ns,70 70ns,80 80ns90 90ns, 100/10 100 n120/12 120 ns,150/15 150 ns200/20 200 ns,250/25 250 ns7.封装:F 陶瓷双列直插(窗口)L 无引线芯片载体(窗口)B 塑料双列直插C 塑料有引线芯片载体(标准)M 塑料微型封装N 薄型微型封装K 塑料有引线芯片载体(低电压)8.温度: 1 0℃~70℃, 6 -40℃~85℃, 3 -40℃~125℃快闪EPROM的编号M XX X A B C X X XXX X X1 2 3 4 5 6 7 8 9 101.电源2.类型: F 5V +10%, V 3.3V +0.3V3.容量: 1 1M, 2 2M, 3 3M,8 8M,16 16M4.擦除:0 大容量 1 顶部启动逻辑块2 启动逻辑块 4 扇区5.结构:0 ×8/×16可选择, 1 仅×8, 2 仅×166.改型:空白 A7.Vcc:空白 5V+10%Vcc X +5%Vcc8.速度:60 60ns,70 70ns, 80 80ns,90 90ns100 100ns,120 120ns,150 150ns,200 200ns9.封装:M 塑料微型封装N 薄型微型封装,双列直插C/K 塑料有引线芯片载体 B/P 塑料双列直插10.温度:1 0℃~70℃, 6 -40℃~85℃, 3 -40℃~125℃仅为3V和仅为5V的快闪EPROM编号M XX X XXX X XXX X X1 2 3 4 5 6 71.器件系列: 29 快闪2.类型: F 5V单电源V 3.3单电源3.容量:100T (128K×8.64K×16)顶部块,100B (128K×8.64K×16)底部块 200T (256K×8.64K×16)顶部块,200B (256K×8.64K×16)底部块 400T (512K×8.64K×16)顶部块,400B (512K×8.64K×16)底部块 040 (12K×8)扇区,080 (1M×8)扇区016 (2M×8)扇区4.Vcc:空白 5V+10%Vcc, X +5%Vcc5.速度:60 60ns,70 70ns, 80 80ns90 90ns, 120 120ns6.封装:M 塑料微型封装N 薄型微型封装K 塑料有引线芯片载体P 塑料双列直插7.温度: 1 0℃~70℃, 6 -40℃~85℃, 3 -40℃~125℃串行EEPROM的编号ST XX XX XX X X X1 2 3 4 5 61.器件系列:24 12C ,25 12C(低电压),93 微导线95 SPI总线 28 EEPROM2.类型/工艺:C CMOS(EEPROM) E 扩展I C总线W 写保护士 CS 写保护(微导线)P SPI总线 V 低电压(EEPROM)3.容量:01 1K 02 2K,04 4K,08 8K16 16K,32 32K, 64 64K4.改型:空白 A、 B、 C、 D5.封装:B 8腿塑料双列直插M 8腿塑料微型封装ML 14腿塑料微型封装6.温度:1 0℃~70℃ 6 -40℃~85℃ 3 -40℃~125℃微控制器编号ST XX X XX X X1 2 3 4 5 61.前缀2.系列: 62 普通ST6系列63 专用视频ST6系列72 ST7系列90 普通ST9系列92 专用ST9系列10 ST10位系列20 ST20 32位系列3.版本:空白 ROM T OTP(PROM)R ROMless P 盖板上有引线孔E EPROMF 快闪4.序列号5.封装:B 塑料双列直插 D 陶瓷双列真插F 熔封双列直插M 塑料微型封装S 陶瓷微型封装CJ 塑料有引线芯片载体K 无引线芯片载体L 陶瓷有引线芯片载体QX 塑料四面引线扁平封装 G 陶瓷四面扁平封装成针阵列R 陶瓷什阵列T 薄型四面引线扁平封装6.温度范围:1.5 0℃~70℃(民用) 2 -40℃~125℃(汽车工业)61 -40℃~85℃(工业) E -55℃~125℃XICOR 产品型号命名X XXXXX X X X (-XX)1 2 3 4 5 6EEPOT X XXXX X X X1 2 7 3 4串行快闪 X XX X XXX X X -X1 2 3 4 81.前缀2.器件型号3.封装形式:D 陶瓷双列直插P 塑料双列直插E 无引线芯片载体R 陶瓷微型封装F 扁平封装S 微型封装J 塑料有引线芯片载体T 薄型微型封装K 针振列 V 薄型缩小型微型封装L薄型四面引线扁平封装X 模块M 公∑微型封装 Y 新型卡式4.温度范围:空白标准, B B级(MIL-STD-883),E -20℃至85℃I -40℃至85℃,M -55℃至125℃5.工艺等级:空白标准, B B级(MIL-STD-883)6.存取时间(仅限EEPROM和NOVRAM):20 200NS, 25 250NS, 空白 300ns, 35 350ns, 45 450ns55 55ns, 70 70ns, 90 90ns, 15 150nsVcc限制(仅限串行EEPROM):空白 4.5V至5.5V,-3 3V至5.5V-2.7 2.7V至5.5V,-1.8 1.8V至5.5V7.端到末端电阻:Z 1KΩ, Y 2KΩ, W 10KΩ,U 50KΩ, T 100KΩ8. Vcc限制:空白 1.8V至3.6V,-5 4.5V至5.5VZILOG 产品型号命名Z XXXXX XX X X X XXXX1 2 3 4 5 6 71.前缀2.器件型号3.速度:空白 2.5MHz, A 4.0MHz, B 6.0MHzH 8.0MHz,L 低功耗的,直接用数字标示4.封装形式:A 极小型四面引线扁平封装 C 陶瓷钎焊D 陶瓷双列直插E 陶瓷,带窗口F 塑料四面引线扁平封装G 陶瓷针阵列H 缩小型微型封装I PCB芯片载体K 陶瓷双列直插,带窗口L 陶瓷无引线芯片载体P 塑料双列直插Q 陶瓷四列S 微型封装V 塑料有引线芯片载体 5.温度范围:E -40℃至100℃, M -55℃至125℃,S 0℃至70 ℃6.环境试验过程:A 应力密封,B 军品级,C 塑料标准,D 应力塑料,E 密封标准。
第六章常用电子元器件参考资料第一节部分电气图形符号一.电阻器、电容器、电感器和变压器248二.半导体管三.其它电气图形符号249第二节常用电子元器件型号命名法及主要技术参数一.电阻器和电位器1.电阻器和电位器的型号命名方法示例:(1)精密金属膜电阻器R J7 3第四部分:序号第三部分:类别(精密)第二部分:材料(金属膜)第一部分:主称(电阻器)(2) 多圈线绕电位器W X D 3第四部分:序号第三部分:类别(多圈)第二部分:材料(线绕)第一部分:主称(电位器)2502.电阻器的主要技术指标(1) 额定功率电阻器在电路中长时间连续工作不损坏,或不显著改变其性能所允许消耗的最大功率称为电阻器的额定功率。
电阻器的额定功率并不是电阻器在电路中工作时一定要消耗的功率,而是电阻器在电路工作中所允许消耗的最大功率。
不同类型的电阻具有不同系列的额定功率,如表2所示。
(2) 标称阻值阻值是电阻的主要参数之一,不同类型的电阻,阻值范围不同,不同精度的电阻其阻值系列亦不同。
根据国家标准,常用的标称电阻值系列如表3所示。
E24、E12和E6系列也适用于电位器和电容器。
(3) 允许误差等级3.电阻器的标志内容及方法(1)文字符号直标法:用阿拉伯数字和文字符号两者有规律的组合来表示标称阻值,额定功率、允许误差等级等。
符号前面的数字表示整数阻值,后面的数字依次表示第一位小数阻值和第二位小数阻值,其文字符号所表示的单位如表5所示。
如1R5表示1.5Ω,2K7表示2.7kΩ,表5251例如:RJ71-0.125-5k1-II允许误差±10%标称阻值(5.1kΩ)额定功率1/8W型号由标号可知,它是精密金属膜电阻器,额定功率为1/8W,标称阻值为5.1kΩ,允许误差为±10%。
(2)色标法:色标法是将电阻器的类别及主要技术参数的数值用颜色(色环或色点)标注在它的外表面上。
色标电阻(色环电阻)器可分为三环、四环、五环三种标法。
常用电子元器件参考资料第一节部分电气图形符号一.电阻器、电容器、电感器和变压器二.半导体管三.其它电气图形符号第二节常用电子元器件型号命名法及主要技术参数一.电阻器和电位器1.电阻器和电位器的型号命名方法示例:(1)精密金属膜电阻器R J 7 3第四部分:序号第三部分:类别(精密)第二部分:材料(金属膜)第一部分:主称(电阻器)(2) 多圈线绕电位器W X D 3第四部分:序号第三部分:类别(多圈)第二部分:材料(线绕)第一部分:主称(电位器)2.电阻器的主要技术指标(1) 额定功率电阻器在电路中长时间连续工作不损坏,或不显著改变其性能所允许消耗的最大功率称为电阻器的额定功率。
电阻器的额定功率并不是电阻器在电路中工作时一定要消耗的功率,而是电阻器在电路工作中所允许消耗的最大功率。
不同类型的电阻具有不同系列的额定功率,如表2所示。
(2) 标称阻值阻值是电阻的主要参数之一,不同类型的电阻,阻值范围不同,不同精度的电阻其阻值系列亦不同。
根据国家标准,常用的标称电阻值系列如表3所示。
E24、E12和E6系列也适用于电位器和电容器。
(3) 允许误差等级3.电阻器的标志内容及方法(1)文字符号直标法:用阿拉伯数字和文字符号两者有规律的组合来表示标称阻值,额定功率、允许误差等级等。
符号前面的数字表示整数阻值,后面的数字依次表示第一位小数阻值和第二位小数阻值,其文字符号所表示的单位如表5所示。
如1R5表示1.5Ω,2K7表示2.7kΩ,表5例如:RJ71-0.125-5k1-II允许误差±10%标称阻值(5.1kΩ)额定功率1/8W型号由标号可知,它是精密金属膜电阻器,额定功率为1/8W,标称阻值为5.1kΩ,允许误差为±10%。
(2)色标法:色标法是将电阻器的类别及主要技术参数的数值用颜色(色环或色点)标注在它的外表面上。
色标电阻(色环电阻)器可分为三环、四环、五环三种标法。
其含义如图1和图2所示。
标称值第一位有效数字标称值第二位有效数字标称值有效数字后0的个数允许误差图1 两位有效数字阻值的色环表示法三色环电阻器的色环表示标称电阻值(允许误差均为±20%)。
例如,色环为棕黑红,表示10⨯102=1.0kΩ±20%的电阻器。
四色环电阻器的色环表示标称值(二位有效数字)及精度。
例如,色环为棕绿橙金表示15⨯103=15kΩ±5%的电阻器。
五色环电阻器的色环表示标称值(三位有效数字)及精度。
例如,色环为红紫绿黄棕表示275⨯104=2.75MΩ±1%的电阻器。
一般四色环和五色环电阻器表示允许误差的色环的特点是该环离其它环的距离较远。
较标准的表示应是表示允许误差的色环的宽度是其它色环的(1.5~2)倍。
有些色环电阻器由于厂家生产不规范,无法用上面的特征判断,这时只能借助万用表判断。
标称值第一位有效数字标称值第二位有效数字标称值第三位有效数字标称值有效数字后0的个数允许误差图2 三位有效数字阻值的色环表示法4.电位器的主要技术指标(1) 额定功率电位器的两个固定端上允许耗散的最大功率为电位器的额定功率。
使用中应注意额定功率不等于中心抽头与固定端的功率。
(2) 标称阻值标在产品上的名义阻值,其系列与电阻的系列类似。
(3) 允许误差等级实测阻值与标称阻值误差范围根据不同精度等级可允许±20%、±10%、±5%、±2%、±1%的误差。
精密电位器的精度可达±0.1%。
(4) 阻值变化规律指阻值随滑动片触点旋转角度(或滑动行程)之间的变化关系,这种变化关系可以是任何函数形式,常用的有直线式、对数式和反转对数式(指数式)。
在使用中,直线式电位器适合于作分压器;反转对数式(指数式)电位器适合于作收音机、录音机、电唱机、电视机中的音量控制器。
维修时若找不到同类品,可用直线式代替,但不宜用对数式代替。
对数式电位器只适合于作音调控制等。
5.电位器的一般标志方法WT- 2 3.3k ±10%允许误差±10% 标称阻值3.3k Ω 额定功率2W 碳膜电位器WX -1 510Ω J允许误差±5% 标称阻值510Ω 额定功率1W 线绕电位器二.电容器1.电容器型号命名法表6 电容器型号命名法示例:(1) 铝电解电容器C D 1 1第四部分:序号第三部分:特征分类(箔式)第二部分:材料(铝)第一部分:主称(电容器)(2) 圆片形瓷介电容器C C 1-1第四部分:序号第三部分:特征分类(圆片)第二部分:材料(瓷介质)第一部分:主称(电容器)(3)纸介金属膜电容器C Z J X第四部分:序号第三部分:特征分类(金属膜)第二部分:材料(纸介)第一部分:主称(电容器)2.电容器的主要技术指标(1) 电容器的耐压:常用固定式电容的直流工作电压系列为:6.3V,10V,16V,25V,40V,63V,100V,160V,250V,400V。
(2) 电容器容许误差等级:常见的有七个等级如表7所示。
(3) 标称电容量:注:标称电容量为表中数值或表中数值再乘以10,其中n为正整数或负整数,单位为pF。
3.电容器的标志方法(1)直标法容量单位:F(法拉)、μF(微法)、nF(纳法)、pF(皮法或微微法)。
1法拉=610微微法10纳法=610微微法,1微法=310微法=121纳法=310微微法例如:4n7 表示4.7nF或4700pF,0.22 表示0.22μF,51 表示51pF。
有时用大于1的两位以上的数字表示单位为pF的电容,例如101表示100 pF;用小于1的数字表示单位为μF 的电容,例如0.1表示0.1μF。
(2) 数码表示法 一般用三位数字来表示容量的大小,单位为pF 。
前两位为有效数字,后一位表示位率。
即乘以10i ,i 为第三位数字,若第三位数字9,则乘10-1。
如223J 代表22⨯103pF =22000pF =0.22μF ,允许误差为±5%;又如479K 代表47⨯10-1pF ,允许误差为±5%的电容。
这种表示方法最为常见。
(3)色码表示法 这种表示法与电阻器的色环表示法类似,颜色涂于电容器的一端或从顶端向引线排列。
色码一般只有三种颜色,前两环为有效数字,第三环为位率,单位为pF 。
有时色环较宽,如红红橙,两个红色环涂成一个宽的,表示22000pF 。
三.电感器1.电感器的分类常用的电感器有固定电感器、微调电感器、色码电感器等。
变压器、阻流圈、振荡线圈、偏转线圈、天线线圈、中周、继电器以及延迟线和磁头等,都属电感器种类。
2.电感器的主要技术指标 (1) 电感量:在没有非线性导磁物质存在的条件下,一个载流线圈的磁通量与线圈中的电流成正比 其比例常数称为自感系数,用L 表示,简称为电感。
即:I L ϕ=式中:ϕ=磁通量 I =电流强度(2) 固有电容:线圈各层、各匝之间、绕组与底板之间都存在着分布电容。
统称为电感 器的固有电容。
(3) 品质因数:电感线圈的品质因数定义为:R LQ ω=式中:ω-工作角频率,L -线圈电感量,R -线圈的总损耗电阻 (4) 额定电流:线圈中允许通过的最大电流。
(5) 线圈的损耗电阻:线圈的直流损耗电阻。
2.电感器电感量的标志方法(1) 直标法。
单位H (亨利)、mH (毫亨)、μH (微亨)、 (2) 数码表示法。
方法与电容器的表示方法相同。
(3) 色码表示法。
这种表示法也与电阻器的色标法相似,色码一般有四种颜色,前两种 颜色为有效数字,第三种颜色为倍率,单位为μH ,第四种颜色是误差位。
四.半导体分立器件1.半导体分立器件的命名方法(1)我国半导体分立器件的命名法例:1) 锗材料PNP型低频大功率三极管:2) 硅材料NPN型高频小功率三极管:3 A D 50 C 3 D G201 B规格号规格号序号序号低频大功率低频大功率PNP型、锗材料PNP型、锗材料三极管三极管3) N型硅材料稳压二极管:4) 单结晶体管:2 C W 51 B T3 3 E序号规格号稳压管耗散功率N型、硅材料三个电极二极管特种管半导体(2)国际电子联合会半导体器件命名法示例(命名):A F 239 SAF239型某一参数的S档普通用登记序号高频小功率三极管锗材料国际电子联合会晶体管型号命名法的特点:1) 这种命名法被欧洲许多国家采用。
因此,凡型号以两个字母开头,并且第一个字母是A,B,C,D或R的晶体管,大都是欧洲制造的产品,或是按欧洲某一厂家专利生产的产品。
2) 第一个字母表示材料(A表示锗管,B表示硅管),但不表示极性(NPN型或PNP 型)。
3) 第二个字母表示器件的类别和主要特点。
如C表示低频小功率管,D表示低频大功率管,F表示高频小功率管,L表示高频大功率管等等。
若记住了这些字母的意义,不查手册也可以判断出类别。
例如,BL49型,一见便知是硅大功率专用三极管。
4) 第三部分表示登记顺序号。
三位数字者为通用品;一个字母加两位数字者为专用品,顺序号相邻的两个型号的特性可能相差很大。
例如,AC184为PNP型,而AC185则为NPN 型。
5) 第四部分字母表示同一型号的某一参数(如h FE或N F)进行分档。
6) 型号中的符号均不反映器件的极性(指NPN或PNP)。
极性的确定需查阅手册或测量。
(3) 美国半导体器件型号命名法美国晶体管或其它半导体器件的型号命名法较混乱。
这里介绍的是美国晶体管标准型号命名法,即美国电子工业协会(EIA)规定的晶体管分立器件型号的命名法。
如表11所示。
例:1) JAN2N2904 2) 1N4001JAN 2 N 2904 1N4001EIA登记序号EIA登记序号EIA注册标志EIA注册标志三极管二极管军用品美国晶体管型号命名法的特点:1) 型号命名法规定较早,又未作过改进,型号内容很不完备。
例如,对于材料、极性、主要特性和类型,在型号中不能反映出来。
例如,2N开头的既可能是一般晶体管,也可能是场效应管。
因此,仍有一些厂家按自己规定的型号命名法命名。
2) 组成型号的第一部分是前缀,第五部分是后缀,中间的三部分为型号的基本部分。
3) 除去前缀以外,凡型号以1N、2N或3N 开头的晶体管分立器件,大都是美国制造的,或按美国专利在其它国家制造的产品。
4) 第四部分数字只表示登记序号,而不含其它意义。
因此,序号相邻的两器件可能特性相差很大。
例如,2N3464为硅NPN,高频大功率管,而2N3465为N沟道场效应管。
5) 不同厂家生产的性能基本一致的器件,都使用同一个登记号。
同一型号中某些参数的差异常用后缀字母表示。
因此,型号相同的器件可以通用。
6) 登记序号数大的通常是近期产品。