常用电子元器件的识别与检测93386
- 格式:pdf
- 大小:2.74 MB
- 文档页数:50
常用电子元器件的识别与检测1.0前言:概述电子产品工艺与PCB技术根本任务了解电子产品开发与生产的全过程,从设计开发到售后效劳,包括设计开发工程小组、PCB技术、smt工艺、产品测试、产品检验、例行试验、质量管理等过程所涉及的关键技术。
1.1 电阻(2 hours)根本任务1)掌握电阻的单位与符号,了解E24系列电阻;2)熟悉色环电阻〔金属膜电阻或者碳膜电阻〕的外观,掌握通过色环读取电阻标称值及误差;3)会用指针式万用表与数字万用表测量并读取实际阻值;4)计算色环电阻的实际可以流过的电流〔1/4W〕;5)不同电压下串联不同电阻与LED,使得LED保持一定电流发光,理解电阻的作用〔RC充放电电路,555电路,分压电路等〕;6)熟悉可调电阻的外观及管脚;7)熟悉典型贴片电阻的外观与标识,通过标识读取标称电阻值;8)熟悉压敏电阻的外观与参数及在电路中起的保护作用;9)理解接触电阻的产生,接触电阻大可能带来的严重后果;10)理解绝缘电阻的概念及测量;11)掌握四点法测量小电阻的方法;12)理解其他电阻如线绕电阻、水泥电阻、导线电阻外形及功率;13)理解热敏电阻、光敏电阻的主要参数及用途;14)了解排阻、发热元件如电灯、加热丝等电阻;15)了解取样电阻〔采样电阻〕及0欧姆电阻的作用16)设备或者电路输入输出阻抗的概念及作用;17)电阻在CAD中的封装,如AXIAL0.4、0603、02011.2电容器根本任务01.掌握电容的单位及电路符号,以及单位换算及电容值系列;02.了解电容器的耐压系列,如6.3V,10V,16V,25V。
1000V等;03.掌握电解电容极性判断与参数读取〔常见铝、钽电容,后者价高性能好〕,如极性标记及长脚为正等,不能接反,否那么容易损坏,〔一般电解电容容值较大,1uF以上〕;04.掌握指针式万用表电阻档测试电解电容的表现;05.了解无机介质电容器:包括大家熟悉的瓷电容以及云母电容,涤纶电容、独石电容薄膜.电容等无极性小电容,他们的标识与电容值读取方法〔一般相对电解电容而言具有较小容值〕104=0.1uF 339=3.3pF 472=4700pF 4n7=4.7nF06.掌握指针式万用表测量小容值电阻档表现,及与大电容的比拟;07.了解电容值的测试:电容表,电桥测试,Q表测试(有些数字万用表带的电容测量档位是有限的,一般无专门测量电容的仪器准确)08.掌握贴片电容外形,小电容一般是矩形无数字标记,贴片电解电容有标识;09.了解其他参数:损耗角正切〔tg δ〕/温度/漏电流/绝缘电阻/使用寿命/频率特性;10.了解电容的用途主要有如下几种:1..隔直流:作用是阻止直流通过而让交流通过。
常用电子元器件识别与检测电子元器件是现代电子产品中不可或缺的重要组成部分,而识别和检测这些元器件则是保证电子产品正常工作的关键。
本文将从理论和实践两个方面,详细介绍常用电子元器件的识别与检测方法。
一、常用电子元器件的分类及特点1.1 电阻器电阻器是一种用于限制电流流动的元器件,其主要特点是具有固定的阻值。
根据阻值的不同,电阻器可以分为很多种类,如可调电阻器、电位器等。
在识别电阻器时,我们可以通过观察其外观特征,如颜色、形状等,以及使用万用表进行测量来确定其阻值。
1.2 电容器电容器是一种能够存储电荷的元器件,其主要特点是具有两极性。
根据电容器的结构和工作原理,我们可以将电容器分为很多种类,如普通电容器、陶瓷电容器、塑料电容器等。
在识别电容器时,我们可以通过观察其外观特征,如颜色、形状等,以及使用万用表进行测量来确定其类型和参数。
1.3 二极管二极管是一种只允许单向电流流动的元器件,其主要特点是具有正向导通性和反向截止性。
根据二极管的结构和用途,我们可以将二极管分为很多种类,如整流二极管、稳压二极管、发光二极管等。
在识别二极管时,我们可以通过观察其外观特征,如颜色、形状等,以及使用万用表进行测试来确定其类型和参数。
1.4 三极管三极管是一种具有放大作用的元器件,其主要特点是具有三个电极(发射极、基极和集电极)。
根据三极管的结构和用途,我们可以将三极管分为很多种类,如晶体管、场效应管等。
在识别三极管时,我们可以通过观察其外观特征,如颜色、形状等,以及使用万用表进行测试来确定其类型和参数。
二、常用电子元器件的检测方法2.1 电阻器的检测方法对于电阻器的检测,我们可以使用万用表进行测量。
首先将万用表调整到电阻档位,然后将两个探针分别接触电阻器的两端,读取万用表上显示的阻值即可。
需要注意的是,在测量过程中要确保电路已经断开电源,以免发生触电事故。
2.2 电容器。
常用电子元器件的识别与检测电子元器件是组成电子电路的最小单位,也是维修中需要检测和更换的对象。
本章主要对常用的电子元器件的识别,作用,以及检测技术简要的介绍了一下。
2.1电阻器的识别与检测(1)电阻器的识别电阻器没有极性(正负极),电阻元件的基本特征是消耗能量或者叫吸收能量。
电阻在电路中的符号为或字母符号为R,单位为欧姆(Ω),另外还有千欧姆(KΩ),兆欧姆(MΩ)1兆欧(MΩ)=1000千欧(KΩ)=106欧姆。
电阻器的体积很小(实物图见附录一),一般在电阻器的表面标明阻值,精度,材料,功率等几项。
在车间常用的电阻是片式陶瓷电阻器(也叫贴片电阻器),其阻值标在电阻表面上,电阻参数标注的方法有文字直接标注和色环标注两种,色环标注和电阻器的分类等在这不做介绍了在相关的电子技术资料有专门介绍,自己去看咯。
下面说一下怎样读表贴片的电阻值,举几个例子:103=10X103=10KΩ,333=33X103=33KΩ,472=47X102=4.7KΩ等等.读取的方法是前两位为有效数字,第三位为十的几次方吧,或者是数字几就在最后面加上几个零。
(2)电阻器的作用电阻器第一个主要作用是限流的作用(或者叫具有阻碍电流的作用吧)。
从欧姆定律I=U/R可知,当电压U一定时,流过电阻的电流I 与电阻R成反比,选择适当阻值的电阻器,就可以将电流I限定在某一数值上,这就是电阻器的限流作用。
电阻器第二个主要作用是产生降压的作用。
当电流流过电阻器时,心然会在电阻器上产生压降,压降大小与电阻值R及电流的乘积成正比,即:U=IR.利用电阻器的降压作用,可以使较高的电源电压去适应电路工作电压的要求。
第三个作用是分压和分流的作用,不知道这也算不算一个了,呵呵。
(3)电阻器的检测○1在路测量,在测量前需要将电路板上的电源断开,接下来根据电阻器的标注读出电阻器的阻值。
举个例子,贴片电阻器表面上的标注值为330,它的阻值应为33Ω.接着清洁电阻器两端的焊点,这样使测量出的电阻值更准确,根据电阻器的标称阻值,将数字万用表调到欧姆挡200量程,接着将万用表的红笔和黑笔分别搭在电阻器两湍的焊点上,测量的阻值为33.1Ω。
《电子产品生产工艺与管理》技能训练报告
班级
学号
姓名
同组人
指导教师
成绩
年月日
武汉船舶职业技术学院电子电气工程系
项目一:
常用元器件判别实习报告
实习目的:
1.通过常用元器件的直观识别,使学生掌握直观判别常用元器件类
别,参数的基本方法;
2.掌握常用元器件的质量判别方法;
3.掌握用万用表判别常用元器件质量的基本方法。
实习内容:
1.常用元器件(电阻,电容,电感,半导体器件,集成电路,电声的器件,接插件等)的直观识别;
2.常用元器件一般质量判别;
3.常用元器件的质量检测。
实习材料:
1.标准实习板一块(上有常用各类元器件);
2.各类常用元器件若干;
3.万用表一个。
实习说明:
电子元件种类繁多,一些特殊元器件的识别,将放在整机实习中进行。
常用元器件判别实习记录表
1.电阻器判别
2.电容器判别
3.电感器的判别
4.半导体二极管判别
5.半导体三极管判别。
常用元器件识别及检测常用电子元器件识别及检测(一)各种电子设备上都普遍采用的元器件称为通用元器件,它们主要有电阻器、电容器、电感、变压器、晶体二极管、晶体三极管、集成电路、扬声器等。
除此之外还有一些专用的元器件。
----汉达制作--------汉达制作----30----汉达制作----常见元件辨别集成电路(IC )把电阻、电感、二极管等制造在一个元件封装中,就叫做集成电路,我们俗称芯片,使其管脚向外,元件体面对自己,极性标志向上,极性标志左边的第一个管脚就是第一号管脚;号管脚----汉达制作----32常见元件辨别4. IC 插座的撤换不用撤焊和重新焊接,直接换下即可。
IC 插座是有极性----汉达制作----33常见元件辨别5.晶振34常见元件辨别点阵液晶一、电阻器电阻器简称“电阻”,它是家用电器以及其它电子设备中应用十分广泛的元件。
电阻器利用它自身消耗电能的特性,常用于控制电路电流和电压的大小,在电路中起降压、分压、限流、向各种电子元件提供必要的工作条件(电压或电流)等几种功能。
表示符号为“R”,基本单位是Ω,功率用W表示。
电阻的基本概念各种材料的物体对通过它的电流呈现一定的阻力,这种阻碍电流的作用叫作电阻。
电阻R在数值上等于加在电阻器上的电压U与电流I之比,即R=U/I 电阻的常用单位为欧姆(Ω)、千欧(KΩ)和兆欧(MΩ).1 KΩ=1000Ω; 1MΩ=1000KΩ=106Ω常见的电阻器有下列几种:(1)色环电阻(金属膜、碳膜电阻)(2)线绕电阻器(3)电阻网络器(排阻)----汉达制作----16PTH(穿孔)电阻:电阻类型识别:●色环:色环电阻有3、4、5环分别代表不同的阻值;●数字与字母标志:有数字与字母标记的电阻代表精密电阻,如SIP或DIP;●阻值:用标记的元件代表电阻;●螺丝或旋钮:电阻上有螺丝或旋钮的是可变电阻;类型划分:●色环电阻、排阻、可变电阻、敏感电阻、线绕电阻、水泥电阻----汉达制作----24电阻网络(排阻)电阻网络与色环电阻相比具有整齐、少占空间的优点,它的内部实际上是由很多个电阻整齐的排在一起,所以也叫做排阻!(排阻有方向性)(SIP)单列直插排阻(DIP)双列直插排阻方向性:排阻有方向性,如图示,一号管脚由小圆点来表示,当你拿着元件时,使元件主体面对自己,槽或小圆点向上,左边的第一个管脚是第一号管脚!----汉达制作----28水泥电阻水泥电阻:普通贴片电阻精密贴片电阻大功率线绕电阻金属膜电阻碳膜电阻特殊电阻1、敏感电阻:热敏MZ/MF 、湿敏MS 、光敏MG 、压敏MY 、力敏ML 、磁敏MC 和气敏MQ 等。
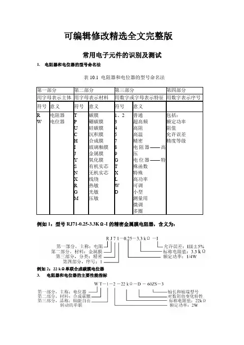
可编辑修改精选全文完整版常用电子元件的识别及测试1.电阻器和电位器的型号命名法表10.1 电阻器和电位器的型号命名法第一部分第二部分第三部分第四部分用字母表示主体用字母表示材料用数字或字母表示特征用数字表示序号符号意义符号意义符号意义R W 电阻器电位器TPUCHIJYSNXRGM碳膜硼碳膜硅碳膜沉积膜合成膜玻璃釉膜金属膜氧化膜有机实芯无机实芯线绕热敏光敏压敏1、2345789GTXLWD普通超高频高阻高温精密电阻器——高压电位器——特殊函数特殊高功率可调小型测量用微调多圈包括:额定功率阻值允许误差精度等级例如1:型号RJ71-0.25-3.3KΩ-I的精密金属膜电阻器,含义为:例如2:22 kΩ单联合成碳膜电位器3. 电阻器和电位器的主要性能指标3. 电阻器和电位器的主要性能指标(1). 固定电阻器的主要参数1〕额定功率指电阻器在规定的环境温度和湿度下,假设周围空气不流通,在长期连续工作而不损坏或基本不改变电阻器性能的情况下,电阻器上允许消耗的最大功率。
2〕标称阻值及允许误差电阻器的阻值和误差有三种标注方法:•直标法是将电阻器的主要参数和技术性能用数字或字母直接标注在电阻体上。
•文字符号法是将需要标出的主要参数与技术性能用文字、数字符号两者有规律地组合起来标志在电阻器上。
如0.1Ω标注为Ω1,3.3Ω标为3Ω3,4.7kΩ标为4k7,10M Ω标注为10M等。
•色标法〔又称色环表示法〕是用不同颜色的色环来表示电阻器的阻值及误差等级。
3〕最高工作电压指电阻器长期工作不发生过热或电击穿的工作电压限度。
( 2) 电位器的主要参数电位器的主要参数除了与电阻器相同的标称阻值、额定功率外,还有:1〕阻值变化规律常用的电位器阻值变化规律有直线式〔X〕、指数式〔Z〕、对数式〔D〕三种。
2〕滑动噪声电位器的接触刷在电阻体上移动时,除了有用信号外还有起伏不定的噪声信号〔可用示波器观测到〕,这就是电位器的滑动噪声。
目录•电子元器件概述•电子元器件的识别•电子元器件的检测•电子元器件的应用与故障排除电子元器件概述种类电子元器件种类繁多,按照性质和应用可分为被动元件(如电阻、电容、电感)、主动元件(如二极管、晶体管)、集成电路等。
定义电子元器件是实现电子电路功能的基本元素,包括电阻、电容、电感、二极管、晶体管、集成电路等。
电子元器件的定义和种类消费电子电视、音响、数码相机等消费电子产品的各种功能实现也依赖于电子元器件。
通讯设备手机、电话、路由器等通讯设备中大量使用电子元器件,实现信号处理、数据传输等功能。
计算机及周边设备电脑、打印机、扫描仪等设备中的主板、显卡、内存等都需要使用电子元器件。
工业控制电子元器件在工业控制系统中发挥着重要作用,如PLC(可编程逻辑控制器)、传感器等。
医疗设备电子元器件在医疗设备中也有广泛应用,如监护仪、超声仪等。
随着消费电子产品对轻薄短小的需求,电子元器件不断向微型化方向发展。
小型化物联网、人工智能等新兴技术的发展推动电子元器件向智能化方向发展,实现自诊断、自适应等功能。
智能化集成电路技术不断提高,将更多功能集成到单一芯片中,降低系统复杂度和成本。
集成化电子元器件的性能不断提升,满足各种复杂应用场景的需求。
高性能化环保意识的提高促使电子元器件向无铅、无卤等环保材料方向发展。
环保化0201030405电子元器件的识别01标识识别电阻器上面一般印有电阻值和误差标识,通过这些标识可以识别电阻的主要参数。
02颜色识别电阻也采用色环标识法,通过颜色来代表数字,进而表示电阻值。
03外形识别固定电阻体上一般标有电阻值代号,通过其外形可初步判断其精度和功率。
标识识别01电容器上面也印有电容值和误差标识,这些标识是识别电容参数的关键。
02极性识别电解电容是有极性的,其外壳上一般标有极性标识,通过此标识可以判断电容的正负极。
种类识别03根据电容的材质和外形,可以初步识别其种类,如陶瓷电容、铝电解电容等。
常用电子元器件的识别与检测引言在电子领域,电子元器件是不可或缺的基本组成部分。
电子元器件的质量和性能直接影响着电子设备的稳定性和可靠性。
因此,在电子设计、制造、维护等领域中,正确识别和检测电子元器件至关重要。
本文将介绍一些常用电子元器件的识别与检测方法,希望对大家有所帮助。
常用电子元器件的识别电阻器电阻器是电子电路中最常见的元器件之一。
常见的电阻器有碳膜电阻器、金属膜电阻器和热敏电阻器等。
要识别电阻器的阻值和容差,可以通过以下方法:•观察外壳标识:有些电阻器的外壳标识会注明阻值和容差,如“220Ω±5%”。
•使用万用表:用万用表的电阻档位,将测量端子连接到电阻器的两端,可以测出电阻值。
•使用LCR表:LCR表比万用表更精确,可以测出电阻器的阻值、容差和品质因数等。
电容器电容器也是常用电子元器件之一,广泛应用于电子电路中。
常见的电容器有陶瓷电容、铝电解电容和钽电解电容等。
要识别电容器的容值和电压等级,可以通过以下方法:•观察外壳标识:有些电容器的外壳标识会注明容值和电压等级,如“10μF 25V”。
•使用万用表:用万用表的电容档位,在不施加电压的情况下将测量端子连接到电容器的两端,可以测出电容值。
•使用LCR表:LCR表可以测出电容器的容值、电压等级和损耗等。
二极管二极管是一种半导体元器件,具有单向导电性,被广泛应用于电源、整流、调制、检波、发光等电路中。
常见的二极管有硅二极管和肖特基二极管。
要识别二极管的正负极,可以通过以下方法:•观察外壳标识:有些二极管的外壳会标注正负极,如“箭头标记为正极”等。
•使用万用表:用万用表的二极管档位,将测量端子连接到二极管的两端,借助万用表的指针或数码显示,可以确定正负极。
•使用测试笔:测试笔一端是红色,一端是黑色,将红色测试笔连接到二极管的P(正)极,将黑色测试笔连接到二极管的N(负)极,如果二极管是正常的,测试笔的指示灯会亮。
常用电子元器件的检测电阻器测量在使用电阻器的过程中,可能会出现阻值发生变化或损坏的情况。
一、前言电子元器件是电子产品的基础,也是制造电子产品的重要组成部分。
在一台电子产品中,元器件的占比可以达到很大。
因此,了解电子元器件的识别与检测方法,对维护电子产品和处理电子故障非常重要。
本文将介绍常用电子元器件的识别与检测的方法与技巧。
二、电阻1.识别方法电阻通常有电阻值、电阻功率、电阻许用误差等参数。
它的识别方法有以下几种:•通过颜色识别•通过标记识别•通过万用表的测量2.检测方法电阻的常见故障有开路或短路,其检测方法如下:•使用万用表测量电阻值或导通情况,判断元器件是否损坏。
三、电容1.识别方法电容也有电容值、电压值等参数。
其识别方法有以下几种:•通过标记或贴纸识别•通过颜色识别•通过测量电容值2.检测方法电容的常见故障有极板短路、介质击穿等,其检测方法如下:•使用万用表测量电容值,判断元器件是否损坏。
四、二极管1.识别方法二极管的标记通常包括:型号、厂商信息、极性等。
其识别方法如下:•通过标记或贴纸识别•通过颜色识别2.检测方法二极管的常见故障有断路、短路等,其检测方法如下:•使用二极管测试笔测量正、反向通路,判断二极管是否损坏。
五、三极管1.识别方法三极管的标记通常包括:型号、厂商信息等。
其识别方法如下:•通过标记或贴纸识别2.检测方法三极管的常见故障有接触不良、漏电流过大等,其检测方法如下:•使用万用表测量正、负极之间的电阻,判断三极管是否损坏。
六、稳压管1.识别方法稳压管的标记通常包括:型号、厂商信息、额定电压等。
其识别方法如下:•通过标记或贴纸识别2.检测方法稳压管的常见故障有短路、输出电压偏离等,其检测方法如下:•使用万用表测量输出电压或电阻值,判断稳压管是否损坏。
七、以上就是常用电子元器件的识别与检测方法。
这些方法对于电子产品的维护和维修非常重要,掌握这些技巧能有效地提高我们的工作效率和修理精度。
实验一常用电子元器件的识别和测量一、实验目的1.认识常用的电子元器件2.掌握万用表的使用方法二、实验设备及仪器1.电阻、电容、二极管、三极管:若干2.万用表:一块三、实验内容及实验步骤1.电阻阻值的判定色环标志法:是用不同颜色的色环在电阻器表面表示标称阻值和允许误差。
(1)两位有效数字的色环标志法普通电阻器用四条色环表示标称阻值和允许偏差,其中三条表示阻值,一条表示偏差,如下图1所示:如:色环A-红色;B-黄色如:色环A-蓝色;B-灰色;C-黑色C-棕色;D-金色 D-橙色;E-紫色则该电阻标称值及精度为:则该电阻标称值及精度为:24×101=240Ω精度:±5% 680×103=680KΩ精度:±0.1%图2 三位有效数字的阻值色环标志法图1 两位有效数字的阻值色环标志法(2)三位有效数字的阻值色环标志法精密电阻器用五条色环表示标称阻值和允许偏差,如图2所示:测量给定的电阻,并把结果填入列表1电容的测量,一般应借助于专门的测试仪器。
通常用电桥。
而用万用表仅能粗略地检查一下电解电容是否失效或漏电情况。
测量电路如图3所示图3 电容的测量测量前应先将电解电容的两个引出线短接一下,使其上所充的电荷释放。
然后将万用表置于1K档,并将电解电容的正、负极分别与万用表的黑表笔、红表笔接触。
在正常情况下,可以看到表头指针先是产生较大偏转(向零欧姆处),以后逐渐向起始位(高阻值处)返回。
这反映了电容器的充电过程,指针的偏转反映电容器充电电流的变化情况。
一般说来,表头指针偏转愈大,返回速度愈慢,则说明电容器的容量愈大,若指针返回越接近起始位(高阻值),说明电容器漏电阻很大,指针所指示电阻值,即为该电容器的漏电阻。
在测漏电阻的整个过程中,指针始终停在∞位置,表明电容器内部开路;若指针始终停在0位置,表明电容器内部短路将读取值与测量值填入下表2。
3一个二极管的正、反向电阻值差别越大,其性能就越好;如果双向电阻值相差较小,说明二极管质量差,不能使用;如果双向电阻值都为无穷大,则说明该二极管已经断路;如双向电阻值均为零,说明二极管已被击穿。
电子元器件的识别与检测1.2 电阻的识别电阻参数的识读主要有标称阻值、功率以及误差。
在电路原理图中,固定电阻通常用大写英文字母“R”表示,可变电阻通常用大写英文字母“W”表示,排阻通常用大写英文字母“RN”表示。
电阻值大小的基本单位是欧姆(Ω),简称欧。
常用单位还有千欧(KΩ)、兆欧(MΩ)。
它们之间的换算关系是:1 MΩ=103 KΩ=106Ω。
1.2.1 电阻和电位器的型号命名方法根据国家标准GB/T2470—1995的规定,通孔式电阻和电位器的型号由3部分或4部分组成贴片式电阻器的型号命名一般由6部分组成1.2.2 电阻的主要技术指标1.额定功率电阻在电路中长时间连续工作而不损坏,或不显著改变其性能所允许消耗的最大功率称为电阻的额定功率。
2.标称阻值标称阻值通常是指电阻体表面上标注的电阻值,简称阻值。
根据国家标准,常用的标称电阻值系列有E24、E12和E6系列,也适用于电位器和电容器。
1.2.3 电阻的阻值表示方法电阻的阻值表示方法主要有以下四种。
1.直标法直标法就是将电阻的阻值用数字和文字符号直接标在电阻体上。
2.文字符号法文字符号法就是将电阻的标称值和误差用数字和文字符号按一定的规律组合标识在电阻体上。
3.色标法色标法是将电阻的类别及主要技术参数的数值用颜色(色环或色点)标注在它的外表面上。
色标电阻(色环电阻)可分为三环、四环、五环三种标法。
快速识别色环电阻的要点是熟记色环所代表的数字含义,为方便记忆,色环代表的数值顺口溜如下:1棕2红3为橙, 4黄5绿在其中,6蓝7紫随后到, 8灰9白黑为0,尾环金银为误差,数字应为 5 10。
色环电阻无论是采用三色环,还是四色环、五色环,关键色环是第三环或第四环(即尾环),因为该色环的颜色代表电阻值有效数字的倍率。
想快速识别色环电阻,关键在于根据第三环(三环电阻、四环电阻)、第四环(五环电阻)的颜色把阻值确定在某一数量级范围内,再将前两环读出的数“代”进去,这样可很快读出数来。
三色环电阻的色环表示标称电阻值(允许误差均为20%)。
例如,色环为棕黑红,表示10102Ω=1.0k20%的电阻。
四色环电阻的色环表示标称值(二位有效数字)及精度。
例如,色环为棕绿橙金表示15103Ω=15k5%的电阻。
五色环电阻的色环表示标称值(三位有效数字)及精度。
例如,色环为红紫绿黄棕表示275104Ω=2.75M1%的电阻。
一般四色环和五色环电阻表示允许误差的色环的特点是该色环距离其它环的距离较远。
较标准的表示应是表示允许误差的色环的宽度是其它色环的(1.5~2)倍。
在五环电阻中棕色环常常既用作误差环又常作为有效数字环,且常常在第一环和最后一环中同时出现,使人很难识别哪一个是第一环,哪一个是误差环。
在实践中,可以按照色环之间的距离加以判别,通常第四环和第五环(即误差环、尾环)之间的距离要比第一环和第二环之间的距离宽一些,根据此特点可判定色环的排列顺序。
如果靠色环间距仍无法判定色环顺序,还可以利用电阻的生产序列值加以判别。
4.数码表示法数码法是在电阻体的表面用三位数字或两位数字加R来表示标称值的方法称为数码表示法。
该方法常用于贴片电阻、排阻等。
(1)三位数字标注法标注为“103”的电阻其阻值为10×103=10kΩ(2)二位数字后加R标注法标注为“51R”的电阻其电阻值为 5.1Ω(3)二位数字中间加R标注法标注为9R1的电阻其阻值为9.1Ω(4)四位数字标注法标注为5232 的电阻其阻值为523×102=52.3 KΩ1.2.4 电位器的主要技术指标1.阻值变化特性阻值变化特性是电位器的主要参数。
常见的电位器阻值变化规律有直线式(X型)、指数式(Z型)、对数式(D型)三种形式,三种电位器转角与阻值的变化规律如图 1.37所示。
2.额定功率电位器的两个固定端允许耗散的最大功率为电位器的额定功率。
使用中滑动端与固定端之间所承受的功率要小于额定功率。
3.标称阻值电位器外壳上标注的阻值叫标称阻值,是电位器两固定引脚之间的阻值,一般称为电位器的最大阻值。
4.滑动噪声由于电阻体阻值分布的不均匀性和滑动触点接触电阻的存在,当电位器在外加电压作用下,滑动触点在电阻体上移动时产生的噪声,这种噪声对电子设备的工作将产生不良影响。
1.2.5 电位器的阻值表示方法可调电阻的阻值通常采用直标法或数码法在电阻体上标出最大阻值。
1.2.6 特殊电阻的识别特殊电阻的阻值随环境的变化而变化,特殊电阻的表面一般不标注阻值大小,只标注型号。
根据标准SJ1152-82《敏感元件型号命名方法》的规定,特殊电阻的产品型号由下列四部分组成:第一部分:主称(用字母表示);第二部分:类别(用字母表示);第三部分:用途或特征(用字母或数字表示);第四部分:序号(用数字表示)。
(1)主称、类别部分的符号及意义如表1.8所示。
(2)用途或特征部分用数字表示时,应符合表1.9的规定;用字母表示时,应符合 1.10的规定。
(3)序号部分用数字表示。
1.热敏电阻热敏电阻在电路中用字母符号“RT”或“R”表示热敏电阻的产品型号由下列四部分组成:第一部分:主称(用字母表示);第二部分:类别(用字母表示);第三部分:用途或特征(用数字表示);第四部分:序号(用数字表示)。
2.压敏电阻压敏电阻在电路中用字母“RV”或“R”表示根据标准SJ1152-82《敏感元件型号命名方法》的规定,压敏电阻的型号命名也是由四部分组成:第一部分:主称(用字母表示);第二部分:类别(用字母表示);第三部分:用途或特征(用字母表示);第四部分:序号(用数字表示)。
3.光敏电阻光敏电阻在电路中用字母“RL”、“RG”或“R”表示光敏电阻的型号命名分为三个部分:第一部分用字母表示主称;第二部分用数字表示用途或特征;第三部分用数字表示序号,以区别该电阻的外形尺寸及性能指标4.气敏电阻气敏电阻在电路中常用字母“RQ”或“R”表示5.湿敏电阻湿敏电阻在电路中的文字符号用字母“RS”或“R”表示湿敏电阻的型号命名分为三部分:第一部分用字母表示主称;第二部分用字母表示用途或特征;第三部分用数字与字母混合表示序号,以区别电阻的外形和性能参数6.磁敏电阻磁敏电阻在电路中常用符号“RC”或“R”表示7.力敏电阻力敏电阻在电路中常用符号“RL”或“R”表示8.保险电阻保险电阻在电路中的文字符号用字母“RF”或“R”表示9.排阻的识别排阻是由若干个参数完全相同的电阻组成。
通孔式排阻的一个引脚连到一起,作为公共引脚,其余引脚正常引出。
一般来说,最左边的那个是公共引脚,在排阻上一般用一个色点标出来。
排阻的阻值与数字标注法电阻一样,第一和第二位表示有效数字,第三位是零的个数,比如: 标注为“A103J”的排阻其阻值为10×103=10kΩ,标注为“102”的排阻其阻值为10×102=1kΩ;标注为“R153”的排阻其阻值为15×103=15kΩ。
常用电子元器件的识别与检测元器件的识别与检测是家电维修的一项基本功,如何准确有效地检测元器件的相关参数,判断元器件的是否正常,不是一件千篇一律的事,必须根据不同的元器件采用不同的方法,从而判断元器件的正常与否。
特别对初学者来说,熟练掌握常用元器件的检测方法和经验很有必要,以下对常用电子元器件的检测经验和方法进行介绍供对考。
一.NTC热敏电阻检测方法(一)测量标称电阻值 Rt用万用表测量 NTC热敏电阻的方法与测量普通固定电阻的方法相同,即按 NTC 热敏电阻的标称阻值选择合适的电阻挡可直接测出 Rt的实际值。
但因 NTC热敏电阻对温度很敏感,故测试时应注意以下几点:(1)由标称阻值 Rt的定义可知,此值是生产厂家在环境温度为 25℃时所测得的。
所以用万用表测量 Rt时,亦应在环境温度接近 25℃时进行,以保证测试的可信度。
(2)测量功率不得超过规定值,以免电流热效应引起测量误差。
例如,MF12-1型 NTC热敏电阻,其额定功率为 1W,测量功率 P1=0.2mW。
假定标称电阻值 Rt为 1k?,则测试电流:显然使用R×lk挡比较合适,该挡满度电流 Im通常为几十至一百几十微安。
例如多用的 500型万用表R×1k挡的 Im=150uA,与 141uA很接近。
(3)注意正确操作。
测试时,不要用于捏住热敏电阻体,以防止人体温度对测试产生影响。
(二)估测温度系数αt先在室温 t1下测得电阻值 Rt1;再用电烙铁作热源,靠近热敏电阻 Rt1,测出电阻值 Rt2,同时用温度计测出此时热敏电阻 RT表面的平均温度 t2。
将所测得的结果输入下式:αt≈(Rt2-Rt1)/[Rt1(t2-t1)]NTC热敏电阻的αt<0。
注意事项:1、给热敏电阻加热时,宜用 20W左右的小功率电烙铁,且烙铁头不要直接去接触热敏电阻或靠的太近,以防损坏热敏电阻。
2、若测得的αt>0,则表明该热敏电阻不是 NTC而是 FTC。
二.常用二极管的检测一.万用表检测普通二极管的极性与好坏。
检测原理:根据二极管的单向导电性这一特点性能良好的二极管,其正向电阻小,反向电阻大;这两个数值相差越大越好。
若相差不多说明二极管的性能不好或已经损坏。
测量时,选用万用表的“欧姆”挡。
一般用 R x100或 R xlk挡,而不用 Rx1或 R x10k 挡。
因为 Rxl挡的电流太大,容易烧坏二极管,R xlok挡的内电源电压太大,易击穿二极管.测量方法:将两表棒分别接在二极管的两个电极上,读出测量的阻值;然后将表棒对换再测量一次,记下第二次阻值。
若两次阻值相差很大,说明该二极管性能良好;并根据测量电阻小的那次的表棒接法(称之为正向连接),判断出与黑表棒连接的是二极管的正极,与红表棒连接的是二极管的负极。
因为万用表的内电源的正极与万用表的“—”插孔连通,内电源的负极与万用表的“+”插孔连通。
如果两次测量的阻值都很小,说明二极管已经击穿;如果两次测量的阻值都很大,说明二极管内部已经断路:两次测量的阻值相差不大,说明二极管性能欠佳。
在这些情况下,二极管就不能使用了。
必须指出:由于二极管的伏安特性是非线性的,用万用表的不同电阻挡测量二极管的电阻时,会得出不同的电阻值;实际使用时,流过二极管的电流会较大,因而二极管呈现的电阻值会更小些。
二.特殊类型二极管的检测。
①稳压二极管。
稳压二极管是一种工作在反向击穿区、具有稳定电压作用的二极管。
其极性与性能好坏的测量与普通二极管的测量方法相似,不同之处在于:当使用万用表的 Rxlk挡测量二极管时,测得其反向电阻是很大的,此时,将万用表转换到 Rx10k档,如果出现万用表指针向右偏转较大角度,即反向电阻值减小很多的情况,则该二极管为稳压二极管;如果反向电阻基本不变,说明该二极管是普通二极管,而不是稳压二极管。