建筑密度和建筑容积率控制指标表
- 格式:doc
- 大小:44.50 KB
- 文档页数:2
工业用地通用厂房建筑密度及容积率控制指标表工业用地通用厂房建筑密度和容积率是土地利用和管理的重要指标,对于区域产业布局、土地利用效率和城市发展具有重要意义。
下面是关于工业用地通用厂房建筑密度和容积率控制指标的相关参考内容。
一、工业用地通用厂房建筑密度控制指标:1. 建筑密度定义:建筑密度是指单位土地面积上建筑物的占用面积比例。
通常以百分比或者小数表示,可以用来衡量建筑物在土地上的分布密度。
2. 建筑密度控制原则:建筑密度控制需要兼顾经济、社会和环境效益。
一方面要综合考虑土地的开发利用效率,最大限度地提高土地利用率;另一方面要合理布局建筑,保持合理的绿地面积,提高城市景观质量和居民生活质量。
3. 建筑密度控制指标参考范围:根据不同的建设用地类型、地理位置、建设规模和土地利用政策等因素,建筑密度控制指标会有所不同。
一般来说,工业用地通用厂房建筑密度可在20%~50%之间。
4. 建筑密度的计算方法:建筑密度计算可以通过将建筑物占地面积与总用地面积进行比较来进行。
建筑物占地面积包括建筑物的地面占地面积和建筑物的外部占地面积(如停车场、绿化带等)。
总用地面积为指定范围内所有建筑物所占地面积的总和。
二、工业用地通用厂房容积率控制指标:1. 容积率定义:容积率是指建筑物总建筑面积与宗地面积的比值,是衡量建筑物高度和基地利用程度的重要指标。
2. 容积率控制原则:容积率控制需要综合考虑经济、环境和社会的因素。
合理的容积率可以提高土地的利用效率,并为城市发展提供空间;但是过高的容积率可能导致建筑物过密,增加了人口流动和交通拥堵的风险。
3. 容积率控制指标参考范围:根据不同的土地利用政策、规划要求和建设用地类型,容积率的控制指标会有所不同。
一般来说,工业用地通用厂房容积率可在0.5~2.0之间。
4. 容积率的计算方法:容积率计算可以通过总建筑面积除以宗地面积来进行。
总建筑面积包括各层建筑面积之和,不包括地下室和半地下室。
工业用地通用厂房建筑密度及容积率控制指标表工业用地通用厂房建筑密度及容积率控制指标表是指通过规划和管理的方式,对工业用地内的通用厂房建设按照一定的密度和容积率进行控制和规定,以保证厂房建设的合理性和城市规划的美观性,同时也是为了促进工业用地资源的合理利用和经济发展的可持续性。
一、建筑密度控制指标建筑密度控制指标是指工业用地内允许建设的厂房总面积与工业用地总面积的比例。
通常情况下,建筑密度控制指标分为建筑物密度和相对密度两种。
建筑物密度是指工业用地内每公顷土地上允许建设的厂房总面积,一般设置在1000-2500平方米之间。
而相对密度则是指工业用地内厂房建设占用土地面积和工业用地总面积的比例,常见的值为50%左右。
建筑密度的控制能够有效地保证工业用地内通用厂房的建筑面积与城市规划的整体美观性和资源利用效益之间的良好平衡。
二、容积率控制指标容积率控制指标是指工业用地内厂房建筑的总体积与占据土地的比率,是衡量工业用地内厂房土地利用效率的重要指标,常见的容积率控制指标为1.0-2.5。
不同的厂房类型可设置不同的容积率控制指标,例如,通用厂房、装配式建筑和轻钢结构厂房的容积率一般较低,而重型厂房和化工厂房的容积率则相对较高,根据实际需求进行合理配置。
通过容积率的规定,可以有效地控制通用厂房的建设规模和工业用地内的建筑高度,进一步提高工业用地内的土地利用效率和经济效益。
三、总体设计控制指标总体设计控制指标是为了保证工业用地内通用厂房建筑的建设质量和美观性,规定厂房建设必须遵循的建筑、设计、装修和总体规划等各方面的指标。
通常指标包括建筑框架结构、建筑安全、建筑材料的安全和环保性、通风、照明、消防等方面的规定。
在设计阶段,总体设计控制指标的合理规划能够有效地维护建筑的安全和稳定,并确保工业用地内建筑物的设计和美观性。
综上所述,工业用地通用厂房建筑密度及容积率控制指标表是为了规划和管理工业用地内通用厂房建设的控制方式,包括建筑密度、容积率和总体设计等方面的规定。
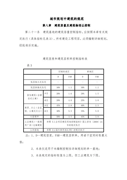
城市规划中建筑的规范第八章建筑容量及建筑物退让控制第二十一条建筑基地的建筑容量控制指标,应按照本章有关规定执行(具体指标见表3)。
所有建设工程项目,必须编制详细规划,经批准后实施。
建筑密度和建筑容积率控制指标表表3旧城改造区新城区D FAR D FAR低层独立式住宅----低层拼接式住宅30% 1.230% 1.2居住建筑(含酒店式公寓)多层20% 1.628% 1.5高层28% 4.025% 3.0商贸、办公(含旅馆、公寓式办公)多层45% 2.840% 2.5高层40% 5.535% 5.0大型超市-50% 3.545% 3.0工业建筑(一般通用厂房)仓储建筑参照《工业项目建设用地控制指标》国土资发〔2008〕24号的规定执行公共绿地参照《公园内部用地比例》的规定执行注:1、D—建筑密度,FAR—建筑容积率,两者不宜同时取最大值;2、本表仅适用于未编制控制性详细规划的单一基地;3、本表规定的指标取值为上限,但工业建筑为下限。
第二十二条建筑退用地红线和城市道路、河道、铁路两侧以及电力线路保护区范围的距离,应满足消防、地下管线、交通安全、防灾、绿化和工程施工等方面的规范以及由市城乡规划主管部门制定的相关规划要求。
第二十三条地下建筑离用地边界距离不宜小于地下建筑埋置深度(自室外地平面至地下建筑底板的距离)的0.7倍。
按上述距离要求退让相邻用地边界确有困难的,其距离可适当缩小,但应不小于3米,且维护桩和自用管线不得超过基地界限。
沿城市道路两侧,地下建筑退让道路红线应不小于5米。
沿路地下建筑退让小于主体建筑退让的,其顶面标高应设在地面正负零以下。
第二十四条铁路两侧的建筑工程距离铁路轨道外侧边缘不宜小于50米(铁路附属工程设施项目除外)。
第二十五条沿建筑用地边界的建筑物,在对等退让的原则下,其离界距离按以下规定控制,但离界距离小于消防间距的,应按消防间距的规定控制。
(一)低层建筑退让自用地边界,各边均不得少于3米;(二)多层建筑退让自用地边界,北侧不少于12.5米,南侧不小于7米,东西均不得少于3米;且同时满足日照、消防间距要求。
工业用地通用厂房建筑密度及容积率控制指标表工业用地通用厂房建筑密度及容积率控制指标是指用于规范工业用地建设的相关指标,包括建筑密度和容积率。
建筑密度是指单位面积内建筑物占地面积的比例,容积率是指建筑物总体积与占地面积之比。
这些指标的制定旨在合理规划和利用工业用地,提高土地利用效率,确保工业区的可持续发展。
一、建筑密度的控制指标1. 厂房建设总面积与用地面积的比例控制。
根据不同地区和行业的特点,制定不同的建筑密度管理办法,例如,工业发达地区的建筑密度可较高,而资源匮乏地区的建筑密度应相应地压低。
2. 建筑物占地面积的控制。
根据不同类型的工业用地,设置不同的建筑物占地面积限制。
对于高技术产业用地,建筑物占地面积可适度增大,而对于传统工业用地,建筑物占地面积应适度控制。
3. 绿化和景观措施要求。
在工业用地中,应规定一定比例的绿化和景观面积,以提高环境质量和生态效益。
建筑物周围的绿化与景观面积应占用地面积的一定比例,并应在建筑物使用年限内保持良好状况。
二、容积率的控制指标1. 控制总建筑体量。
根据工业用地规模和产业特点,确定合理的总建筑体量,并制定相应的容积率标准。
总建筑体量应综合考虑土地资源、环境容量、交通条件等因素,确保工业用地的可持续利用。
2. 控制建筑高度。
根据工业用地所在地的规划要求和环境条件,设置建筑物的最高高度限制。
建筑物的最高高度应与周边环境相协调,部分地区还可以通过设置不同等级的控制区,对不同区域的建筑高度作出不同的要求。
3. 道路和绿地配置要求。
根据工业用地的规划要求,规定一定比例的道路和绿地面积,以满足工业用地的交通需求和环境要求。
道路和绿地面积的配置与容积率、建筑物高度等因素密切相关,应综合考虑。
综上所述,工业用地通用厂房建筑密度及容积率控制指标是一项重要的制度安排,能够对工业用地进行科学规划、合理布局。
通过合理确定建筑密度和容积率,可以提高土地资源的利用效率,改善工业用地环境质量,实现工业用地的可持续发展。
第五章建筑密度及容积率5.1居住建筑密度及容积率标准5.1.1中心城区居住小区的建筑密度及容积率按不同地段分别确定。
地段的划分为Ⅰ级地段指华柏路、岐关西路、博爱路、起湾道、孙文东路围合而成的区域;Ⅱ级地段为除Ⅰ级地段和旧城区以外的中心城区其它区域;旧城区范围与第八章8.1.1条一致。
5.1.2居住小区的建筑密度及容积率限值见表5.1.2。
居住小区限值指标表表5.1.2注:(1)居住小区指标只适用于指导面积在2000㎡以上的居住用地(商住用地),具体规划条件须由所在地块控制详细规划确定。
(2)本指标不包括集体住宅用地和私人自建住宅用地。
(3)风貌保护区和风景旅游区控制地段内的居住用地指标由规划管理部门根据专项规划确定。
5.1.3 单体建筑的建筑密度和容积率可适当提高(见表 5.1.3)。
本条所指的单体建筑是指建设用地较小,但已具备居住用地(商住用地)、商业用地国土使用权证,并符合如下条件之一的建筑:(1)整体为一幢的建筑。
(2)用地面积不超过2000㎡的多幢建筑。
(3)用地面积超过2000㎡,不超过5000㎡,裙房联通,上为多幢塔楼的建筑。
单体建筑指标值表表5.1.35.2 居住建筑密度及容积率的计算5.2.1 容积率是指项目规划用地范围内总建筑面积与项目总用地面积的比值。
5.2.1.1 计算超容积率补地价及补城市公共设施配套费用时,以土地使用权证的面积为标准计算。
5.2.1.2 当住宅建筑标准层层高大于4.9米时,不论层内是否有隔层,建筑面积的计算值按该层水平投影面积的2倍计算。
5.2.1.3 地下室建筑面积均可不计入容积率;但地下室的顶面覆盖面层最高处不得超过室外地面1.5米,超过时计入容积率。
如建筑室外地坪标高不一致时,以周边最近的城市道路标高为准加上0.2米作为室外地坪,之后再按上述规定核准。
5.2.1.4 居住用地中为本小区配套的配套设施及公用市政设施中,属按规定无偿提供给市政府的部分,以及按规划提供给城市作为公共停车场的室内停车场,在计算超容积率时,不计入该项目容积率指标。
容积率、建筑密度、绿化率规定指标注:1、D——建筑密度,PRA——建筑容积率。
2、绿地率:新区不小于35%,旧城区不小于25%。
一般而言,容积率分为:独立别墅为0.2~0.5;联排别墅为0.4~0.7;6层以下多层住宅为0.8~1.2;1 1层小高层住宅为1.5~2.0;18层高层住宅为1.8~2.5;19层以上住宅为2.4~4.5;住宅小区容积率小于1. 0的,为非普通住宅。
并根据不同城市的特点有所差别。
新建居住区的居住建筑密度是:4层楼区一般为26%左右,5层楼区一般为23%左右,6层楼区不高于20%。
绿化率是开发商宣传楼盘绿化时用的概念,并没有法律和法规依据。
对公共绿地最小的要求是宽度不小于8米,面积不小于400平方米,该用地范围内的绿化地面积不少于总面积的70%,且至少13的绿地面积要能常年受到日照,而宅旁绿地在计算时距建筑外墙1.5米和道路边线1米以内的用地,不得算入绿化用地。
在房地产开发中,政府规定这个指标一般不少于30%对于发展商来说,容积率决定地价成本在房屋中占的比例,而对于住户来说,容积率直接涉及到居住的舒适度。
绿化率也是如此。
绿化率较高,容积率较低,建筑密度一般也就较低,发展商可用于回收资金的面积就越少,而住户就越舒服。
这两个比率决定了这个项目是从人的居住需求角度,还是从纯粹赚钱的角度来设计一个社区。
一个良好的居住小区,高层住宅容积率应不超过5,多层住宅应不超过3,绿化率应不低于30%。
但由于受土地成本的限制,并不是所有项目都能做得到。
容积率比净容积率要低50%左右。
这两个指标都是合法的,除特别说明外,说到容积率时一般都是指净容积率。
但国家没有明文规定开发商只能宣传净容积率,于是,一些开发商就钻的空子,将净容积率换算成毛容积率来宣传,购房人弄不明白其中的奥妙,还以为这个小区的容积率真的很低,入住后才发现上当了。
什么是容积率?按照《成都市土地使用和建筑规划管理技术规定(试行)》的解释,容积率是地面以上各建筑面积的总和与建筑用地面积的比值。
工业用地通用厂房建筑密度及容积率控制指标表工业用地通用厂房建筑密度及容积率控制指标表是在规划和设计工业用地通用厂房时所需遵循的指标表。
它以建筑密度和容积率两大指标来控制和合理规划工业用地上的建筑布局和利用率。
本文将详细介绍工业用地通用厂房建筑密度及容积率控制指标表的具体内容和重要意义。
首先,工业用地通用厂房建筑密度控制指标是指在工业用地上,按单位面积允许建筑物的最大面积。
具体建筑密度的计算公式为:建筑面积总和/建设用地面积总和。
工业用地通用厂房的建筑密度可以根据不同的地区和规划要求进行调整,但是一般情况下建筑密度不得超过规定的上限。
建筑密度的控制是为了合理利用土地资源,提高土地的利用效率。
通过控制建筑密度,可以避免工业用地上密集建筑的拥挤局面,保证通风良好、采光充足,减少建筑物之间的遮挡和影响。
此外,适当的建筑密度控制还可以提供更多的空地用于停车、绿化和景观设施的设置,提高工业用地的功能和环境质量。
其次,工业用地通用厂房容积率控制指标是指在工业用地上,按单位面积自然地面上允许建筑物的总体积。
具体容积率的计算公式为:建筑物的总体积/建设用地面积总和。
容积率的控制是为了控制建筑物的总体积,以防止建筑物过度密集、过高造成的过度占地和视觉冲击。
合理的容积率控制可以使工业用地上的建筑物具有良好的外观和空间布局,避免建筑物之间过于拥挤和相互遮挡,提供足够的采光条件和通风环境。
工业用地通用厂房建筑密度及容积率控制指标的制定和遵循对于城市规划和土地利用至关重要。
首先,它可以保证工业用地上建筑物的合理布局和空间利用,提高工业用地的功能和经济效益。
其次,通过控制建筑密度和容积率,可以保证工业用地的环境质量和居住条件,为工业从业人员提供良好的工作环境。
同时,合理的建筑密度和容积率控制也有助于城市的可持续发展。
过高的建筑密度和容积率会导致土地过度消耗和环境破坏,而适当的控制则可以减少能源消耗和环境污染,提高土地的可持续利用能力。
容积率、建筑密度、绿化率规定指标是多少?
一般而言,容积率分为:
独立别墅为0.2~0.5;
联排别墅为0.4~0.7;
6层以下多层住宅为0.8~1.2;
11层小高层住宅为1.5~2.0;
18层高层住宅为1.8~2.5;
19层以上住宅为2.4~4.5;
住宅小区容积率小于1.0的,为非普通住宅。
并根据不同城市的特点有所差别。
新建居住区的居住建筑密度是:
4层楼区一般为26%左右,
5层楼区一般为23%左右,
6层楼区不高于20%。
绿化率是开发商宣传楼盘绿化时用的概念,并没有法律和法规依据。
如果你讲的是绿地率的话,对公共绿地最小的要求是宽度不小于8米,面积不小于400平方米,该用地范围内的绿化地面积不少于总面积的70%,且至少1/3的绿地面积要能常年受到日照,而宅旁绿地在计算时距建筑外墙1.5米和道路边线1米以内的用地,不得算入绿化用地。
在房地产开发中,政府规定这个指标一般不少于30%。
小区容积率和建筑密度的参考阀值小区容积率和建筑密度是衡量一个小区建设规模的重要指标,它们对于保证城市规划,合理利用土地资源,提高居住质量和保护环境都有着重要的作用。
下面就小区容积率和建筑密度的参考阀值进行详细介绍。
1. 小区容积率的参考阀值:小区容积率是指小区总建筑面积与小区用地面积的比值,它反映了小区内建筑规模的大小。
一般来说,小区容积率的参考阀值根据城市的规划要求和土地利用政策有所不同。
但是,在城市规划中一般会有一些参考值,例如:- 低密度住宅区:容积率一般在0.3-0.5之间,如别墅区;- 中密度住宅区:容积率一般在1.0-2.0之间,如多层住宅区、商住混合区;- 高密度住宅区:容积率一般在2.0及以上,如高层住宅区、城中村。
2. 建筑密度的参考阀值:建筑密度是指小区内建筑面积与小区用地面积的比值,它反映了小区内建筑物的数量和布局紧密程度。
建筑密度与小区容积率密切相关,是小区规划设计中另一个重要的指标。
以下是建筑密度的一些参考阀值:- 低密度住宅区:建筑密度一般低于35%,即小区用地面积的35%被建筑占据;- 中密度住宅区:建筑密度一般在35%-70%之间;- 高密度住宅区:建筑密度一般高于70%。
此外,还有一些其他的参考内容可以用来判断小区容积率和建筑密度的合理性:- 市政规划要求:城市规划对于不同类型的小区会有相应的规划要求,如住宅小区、商业小区、工业小区等,规划要求中会明确容积率和建筑密度的参考范围;- 建筑法规:国家和地方对于建筑行业有一系列的法规和标准,包括建筑规范、建筑设计规范等,这些法规和标准中会有对于容积率和建筑密度的相关规定;- 空间需求:容积率和建筑密度应该根据小区内居民的实际生活需求来确定,不能过高或者过低,要兼顾小区内建筑物的总量和居住质量;- 历史经验:在建设过程中,可以参考类似类型的小区的容积率和建筑密度,借鉴其经验和教训。
综上所述,容积率和建筑密度是反映小区开发规模和建筑布局的重要指标,其参考阀值应根据城市规划要求、法规规定、空间需求和历史经验等多方面因素来确定,以促进城市规划、土地资源利用和居住质量的合理化。
1.容积率:项目用地范围内总建筑面积与项目总用地面积的比值。
计算公式:容积率=总建筑面积÷总用地面积当建筑物层高超过8米,在计算容积率时该层建筑面积加倍计算。
2.建筑密度:项目用地范围内各种建、构筑物占地面积总和占总用地面积的比例。
计算公式:建筑密度=(建筑物占地面积+构筑物占地面积+堆场用地面积)÷项目总用地面积×100%3.绿化率:绿化率=绿地面积/规划建设土地面积。
计算公式:绿化率=绿地面积/规划建设土地面积这里的绿地包括公共绿地、宅旁绿地、公共服务设施所属绿地(道路红线内的绿地),不包括屋顶、晒台的人工绿地。
公共绿地内占地面积不大于百分之一的雕塑、水池、亭榭等绿化小品建筑可视为绿地。
4.示例在900平方米的地上起了一栋楼,六层,每层350平方米容积率:(6*350)/900=2.3333建筑密度:350/900=38.8%容积率、建筑密度、绿化率规定指标是多少?一般而言,容积率分为:独立别墅为0.2~0.5;联排别墅为0.4~0.7;6层以下多层住宅为0.8~1.2;11层小高层住宅为1.5~2.0;18层高层住宅为1.8~2.5;19层以上住宅为2.4~4.5;住宅小区容积率小于1.0的,为非普通住宅。
并根据不同城市的特点有所差别。
新建居住区的居住建筑密度是:4层楼区一般为26%左右;5层楼区一般为23%左右;6层楼区不高于20%。
绿化率是开发商宣传楼盘绿化时用的概念,并没有法律和法律依据。
如果你讲的是绿地率的话,对公共绿地最小的要求是宽度不小于8米,面积不小于400平方米,该用地范围内的绿化面积不少于总面积的70%,且至少1/3的绿地面积要能常年收到日照,而宅旁绿地在计算时距建筑建筑外墙1.5米和道路边线1米以内的用地,不得算入绿化用地。
在房地产开发中,政府规定这个指标一般不少于30%。
政府土地挂牌招标,招标文件里必然注明土地用途和相关指标就是说土地规划好后挂牌招标,然后开发商投标对于每一块拟出让的建设用地,规划局都要制定相应的规划要点的,主要内容包括用地性质、地块四至、地块面积、容积率、绿地率、限高、建筑密度等。
第五章建筑密度及容积率5.1居住建筑密度及容积率标准5.1.1中心城区居住小区的建筑密度及容积率按不同地段分别确定。
地段的划分为Ⅰ级地段指华柏路、岐关西路、博爱路、起湾道、孙文东路围合而成的区域;Ⅱ级地段为除Ⅰ级地段和旧城区以外的中心城区其它区域;旧城区范围与第八章8.1.1条一致。
5.1.2居住小区的建筑密度及容积率限值见表5.1.2。
居住小区限值指标表表5.1.2注:(1)居住小区指标只适用于指导面积在2000㎡以上的居住用地(商住用地),具体规划条件须由所在地块控制详细规划确定。
(2)本指标不包括集体住宅用地和私人自建住宅用地。
(3)风貌保护区和风景旅游区控制地段内的居住用地指标由规划管理部门根据专项规划确定。
5.1.3 单体建筑的建筑密度和容积率可适当提高(见表 5.1.3)。
本条所指的单体建筑是指建设用地较小,但已具备居住用地(商住用地)、商业用地国土使用权证,并符合如下条件之一的建筑:(1)整体为一幢的建筑。
(2)用地面积不超过2000㎡的多幢建筑。
(3)用地面积超过2000㎡,不超过5000㎡,裙房联通,上为多幢塔楼的建筑。
单体建筑指标值表表5.1.35.2 居住建筑密度及容积率的计算5.2.1 容积率是指项目规划用地范围内总建筑面积与项目总用地面积的比值。
5.2.1.1 计算超容积率补地价及补城市公共设施配套费用时,以土地使用权证的面积为标准计算。
5.2.1.2 当住宅建筑标准层层高大于4.9米时,不论层内是否有隔层,建筑面积的计算值按该层水平投影面积的2倍计算。
5.2.1.3 地下室建筑面积均可不计入容积率;但地下室的顶面覆盖面层最高处不得超过室外地面1.5米,超过时计入容积率。
如建筑室外地坪标高不一致时,以周边最近的城市道路标高为准加上0.2米作为室外地坪,之后再按上述规定核准。
5.2.1.4 居住用地中为本小区配套的配套设施及公用市政设施中,属按规定无偿提供给市政府的部分,以及按规划提供给城市作为公共停车场的室内停车场,在计算超容积率时,不计入该项目容积率指标。
工业用地通用厂房建筑密度及容积率控制指标表一、背景介绍工业用地是指专供工业企业生产经营活动使用的土地,其建设和利用需要遵循一定的规划和管理要求。
其中,通用厂房作为工业企业生产经营活动场所的重要组成部分,其建筑密度和容积率控制是保障工业用地合理利用和城市规划有序发展的重要手段。
二、建筑密度控制指标1. 定义:建筑密度是指单位面积内建筑物占用面积的比例,通常以百分数表示。
2. 控制范围:通用厂房在工业用地中所占比例较大,其建筑密度应按照不同类型和功能进行分类控制。
例如:轻型车间应控制在30%以下,重型车间应控制在40%以下。
3. 控制原则:合理利用土地资源,保证通风、采光、绿化等环境条件,并满足消防安全要求。
4. 建筑密度计算公式:建筑密度=总建筑面积/占地面积*100%三、容积率控制指标1. 定义:容积率是指单位面积内可建造楼房总体积与用地面积之比,通常以倍数表示。
2. 控制范围:通用厂房的容积率应按照不同类型和功能进行分类控制。
例如:轻型车间应控制在1.0以下,重型车间应控制在1.2以下。
3. 控制原则:合理利用土地资源,保证建筑物高度适宜、外观美观,并满足消防安全要求。
4. 容积率计算公式:容积率=总建筑面积/占地面积四、其他注意事项1. 建筑密度和容积率的控制应结合工业用地规划和城市总体规划进行综合考虑,并根据实际情况进行调整。
2. 建筑密度和容积率的控制应遵循科学规划、合理布局、经济适用、环境友好的原则。
3. 建筑密度和容积率的控制应与相关部门协调配合,加强监管和管理。
五、结语工业用地通用厂房建筑密度及容积率控制指标是保障工业企业生产经营活动场所合理利用和城市规划有序发展的重要手段。
在实际应用中,应根据不同类型和功能进行分类控制,并结合实际情况进行调整。
同时,应遵循科学规划、合理布局、经济适用、环境友好的原则,加强监管和管理。
容积率、建筑密度、绿化率规定指标注:1、D——建筑密度,PRA——建筑容积率。
2、绿地率:新区不小于35%,旧城区不小于25%。
一般而言,容积率分为:独立别墅为~;联排别墅为~;6层以下多层住宅为~;11层小高层住宅为~;18层高层住宅为~;19层以上住宅为~;住宅小区容积率小于的,为非普通住宅。
并根据不同城市的特点有所差别。
新建居住区的居住建筑密度是:4层楼区一般为26%左右,5层楼区一般为23%左右,6层楼区不高于20%。
绿化率是开发商宣传楼盘绿化时用的概念,并没有法律和法规依据。
对公共绿地最小的要求是宽度不小于8米,面积不小于400平方米,该用地范围内的绿化地面积不少于总面积的70%,且至少1 3的绿地面积要能常年受到日照,而宅旁绿地在计算时距建筑外墙米和道路边线1米以内的用地,不得算入绿化用地。
在房地产开发中,政府规定这个指标一般不少于30%对于发展商来说,容积率决定地价成本在房屋中占的比例,而对于住户来说,容积率直接涉及到居住的舒适度。
绿化率也是如此。
绿化率较高,容积率较低,建筑密度一般也就较低,发展商可用于回收资金的面积就越少,而住户就越舒服。
这两个比率决定了这个项目是从人的居住需求角度,还是从纯粹赚钱的角度来设计一个社区。
一个良好的居住小区,高层住宅容积率应不超过5,多层住宅应不超过3,绿化率应不低于30%。
但由于受土地成本的限制,并不是所有项目都能做得到。
容积率比净容积率要低50%左右。
这两个指标都是合法的,除特别说明外,说到容积率时一般都是指净容积率。
但国家没有明文规定开发商只能宣传净容积率,于是,一些开发商就钻的空子,将净容积率换算成毛容积率来宣传,购房人弄不明白其中的奥妙,还以为这个小区的容积率真的很低,入住后才发现上当了。
什么是容积率?按照《成都市土地使用和建筑规划管理技术规定(试行)》的解释,容积率是地面以上各建筑面积的总和与建筑用地面积的比值。
容积率和建筑密度直接关系居住的舒适度,容积率越低,居住密度越小,人们的居住舒适度就越高,反之则舒适度越低。