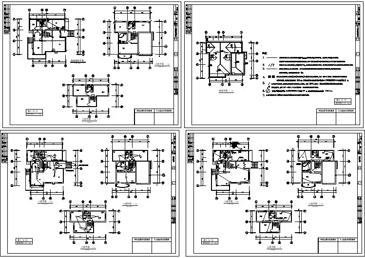
21BL1:4146@15080CM结构层20厚1:2.5水泥砂浆找平层350g/m聚乙烯丙纶双面复合防水卷材一层25厚挤塑保温板嵌入40x30@挂瓦条40x25,顺水条40x30彩色混凝土屋面瓦楼地面4.1229.54M5浆砌乱毛石3004200108020002000150018003000剖立面1:100上16B*H=250*168.75480212-1-10.500300300125018107.5001.8004.50033002000150021508950-0.850%%P0.00011350300030002700260050800180080015004008001800400300010011350300030004500850-0.850%%P0.0004.5007.50010.5009850180010018001200180012004001800800300230050-0.4503.0001165030003000480080050800700370040052020804009001800400-0.8504.8007.80010.8007003700%%P0.00012018012033003000265089504.8007.80010.800正立面1:100BL1:4146@15080CM结构层20厚1:2.5水泥砂浆找平层350g/m聚乙烯丙纶双面复合防水卷材一层25厚挤塑保温板嵌入40x30@挂瓦条40x25,顺水条40x30彩色混凝土屋面瓦1202401202400300300700楼地面FEC1:100屋面层平面57001500420024003300FCD89505300365089503300350021500.5%0.5%1%1%1%1%10.50010.500FECA1:100四层平面-0.8507.5007.5007.477.470150042001140057001500420011400570024003300卧室15.48卧室12.91FACD8950530036508950330035002150565150044590024016002100160070010007007.4704809001202150MD1下18B*H=250*1674层门窗表类型设计编号洞口尺寸数量窗C11000X18002窗C21500X18001窗C32100X18001门M1900X22003门M2800X22001门MD12700X22001108042500.5%2150FECA1:100三层平面-0.8504.5004.5004.474.4704.500150042001140090090048001500420011400570024003300卧室15.48卧室12.91下16B*H=250*168.75FABCD8950530036508950330030002650275210027530007501800750565150044590024016002100160070010007004.4803层门窗表类型设计编号洞口尺寸数量窗C11000X18001窗C21500X18001窗C32100X18001窗C72100X21802门M1900X22004门M2800X22001门M51000X22001上18B*H=250*16710803750下6B*H=250*158.3房间14.89仓库15.4857002400330011400114004200会客室30.24厨房.餐厅16.71房间2.48%%P0.0001.8000.300+0.270.3001.800-0.850二层阁层平面ACEF7752100775211021001090150021505300365089503300300026508950480100017201500100070010007003300上9B*H=250*1671:100900900480015004200R1613R1853预制板B*H=240*1204126@150275210027575018007502层门窗表类型设计编号洞口尺寸数量窗C11000X18002窗C21500X18001窗C32100X18001窗C41800X18001窗C52100X37001窗C62100X15001门M1900X22002门M2800X220011层门窗表类型设计编号洞口尺寸数量窗C11000X18001窗C1a1000X15001窗C21500X18001窗C32100X18001门M1a900X20002门M42820X23001上3B*H=280*150-0.65480100017201500100070010007003300775210077524090097021001090275210027584013208401203060120150021505300365089503300300026508950仓库15.4857002400330011400900480015004200114004200车库16.71楼梯间6.61-0.800-0.350上6B*H=250*158.3-0.850-0.850首层平面1:100ACEF-0.85-1.65DQL6@200外墙基础剖面图412%%p0.00050800DQL6@200300厚素土层夯实层120厚河卵石灌砂垫层80厚C15混凝土垫层20厚1:2水泥砂浆面层41250M5浆砌乱毛石%%p0.000内墙基础剖面图1000六.凡图中未注明的非承重内墙基础采用地面垫层加厚的作法,见具体大样.四.图中标高以米为单位,尺寸以毫米为单位.七.防雷要求见第张.附注:三.基础施工注意事项:再挖至基础底设计标高.一.钢筋:级(Ⅰ),级(Ⅱ).混凝土:基础为C20,垫层为C10素混凝土.钢筋的保护层为35mm.二.根据工程地质勘察报告,本工程采用浆砌乱毛石基础,持力层为红粘土层,承载力为180kPa.4.基础埋入老土的深度不应少于200mm.5.基底超挖部分应用C10级素混凝土回填至设计标高,其它超挖部分用粘土分层回填夯实.3.基槽开挖完毕,应进行钎探,然后会同勘察设计单位验槽.2.开挖基槽时,如遇坟坑,枯井,人防工事,软弱土层等异常情况,应通知勘察与设计单位处理.1.开挖基槽时,在基础底设计标高以上,预留适当厚度约(200mm)的土,待基础施工时,五.本工程施工时应严格执行《混凝土结构工程施工及验收规范》现行施工验收规范和规程.(GB50204-92)等1001001001501503001201801203002406010010010015015030012018012030024060设计号24050030030024050所以完美市场部:ivpmarket@ 技术部:ivptech@网易 NetEase电气在线 编辑部:ivpinfo@==中国专业人士的网络家园;因为专业,所以完美市场部:ivpmarket@ 技术部:ivptech@网易电气在线电气设计信息网 编辑部:ivpinfo@==中国专业人士的网络家园;因为专业,所以完美市场部:ivpmarket@ 技术部:ivptech@网易土木在线电气设计信息网 编辑部:ivpinfo@==中国电气行业网络家园;因为专业,所以完美市场部:ivpmarket@ 技术部:ivptech@网易 NETEASE 网易-电气 编辑部:ivpinfo@==中国电气行业网络家园;因为专业,所以完美市场部:ivpmarket@ 技术部:ivptech@网易 NETEASE 网易-电气 编辑部:ivpinfo@==编辑部:ivpinfo@本图纸由浩辰ICAD软件提供技术支持网易 电气 中国电气行业网络家园;因为专业,所以完美网易 NETEASE ==编辑部:ivpinfo@本图纸由浩辰ICAD软件提供技术支持中国建筑行业网络家园;因为专业,所以完美网易 建筑 网易 NETEASE ==}土木工程}