视频监控系统检查表(汇编)
- 格式:doc
- 大小:42.00 KB
- 文档页数:2
监控系统录像检查表监控系统录像检查表一、背景介绍监控系统录像检查表是用于记录监控系统录像的检查情况。
监控系统的运行和录像保存是确保安全和监管的重要手段,通过定期检查录像情况可确保系统正常运行并及时发现问题。
本文档旨在规范监控系统录像的检查流程和内容。
二、检查频率⒈检查频率应根据实际需要进行设置,建议每日、每周、每月进行不同层次的检查。
三、检查内容⒈录像存储设备检查a) 确认录像存储设备是否正常运行。
b) 检查设备是否有异常提示和告警信息。
c) 检查存储设备的容量使用情况,确认是否需要进行清理或扩容。
d) 确认存储设备的备份和恢复功能是否正常。
⒉录像保存检查a) 检查录像的存储路径和存储方式是否符合要求。
b) 确认录像的保存周期和时长设置是否正确。
c) 检查录像文件是否正常和保存。
d) 检查录像文件的命名规范是否符合要求。
e) 确认录像文件的完整性和可读性。
⒊录像回放检查a) 随机选择录像文件进行回放,确认回放功能是否正常。
b) 确认回放过程中是否有卡顿或画面模糊等问题。
c) 检查回放操作是否符合规范。
d) 检查回放速度调节是否灵活。
⒋异常事件录像检查a) 检查是否有异常事件触发了录像功能。
b) 确认异常事件录像是否自动保存。
c) 检查异常事件录像的和保存是否符合要求。
d) 确认异常事件录像的命名规范和保存周期是否与正常录像一致。
⒌录像记录及日志检查a) 检查录像记录和日志的和保存情况。
b) 确认录像记录和日志的内容是否完整和准确。
c) 检查索引和检索录像记录的速度和准确性。
四、附件⒈录像存储设备配置表⒉录像检查记录表五、法律名词及注释⒈监控系统:指安装在特定区域或设备上,用于对目标区域或设备进行实时监视、录像和存储的系统。
⒉录像存储设备:指用于存储监控系统录像的设备,包括硬盘录像机、网络录像机等。
⒊异常事件录像:指监控系统根据预设条件自动触发的录像,如移动侦测、报警触发等。
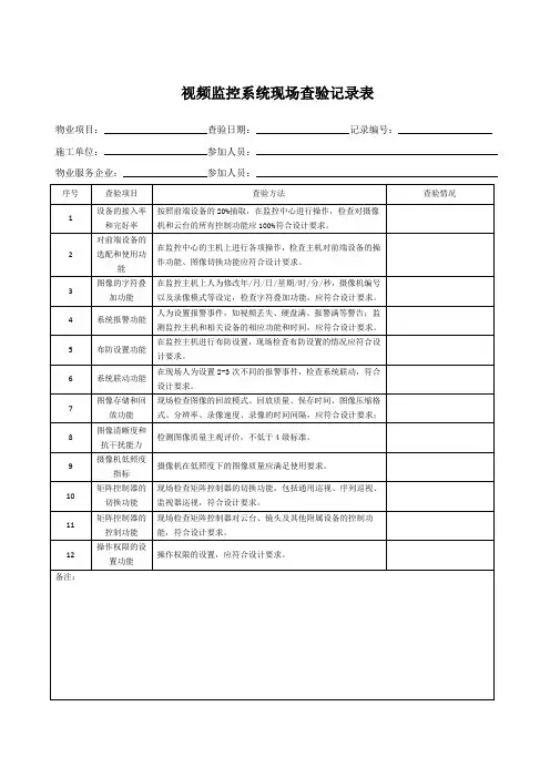
视频监控系统检查记录表
XXX视频监控系统检查记录表
检查项目:
1.前端设备功能:摄像机功能、云台转动、镜头调节、防
护罩和支架效果、图像清晰度、抗干扰能力。
2.监视器:监控范围与摄像机比例、切换控制、字符叠加。
3.主机:巡检记录、主机死机、显示速度、数字存储速度、视频字符叠加、硬盘记录、回放和检索。
4.设备完好率/接入率:运行情况、联网通信、编程、所
在位置。
5.安防子系统间联动和与其他智能化系统的联动、图像记
录保存时间。
检查结果:
所有项目均为正常。
检查人:。
监控报警系统检查记录表一、基本信息检查日期:_____年_____月_____日检查人员:_____被检查区域:_____二、监控系统检查1、摄像头检查外观检查:摄像头外壳是否有损坏、变形或锈蚀。
镜头清洁:镜头表面是否干净,有无灰尘、污渍或雾气影响图像清晰度。
图像质量:观察图像是否清晰、色彩是否正常、有无雪花、条纹或模糊现象。
转动与变焦功能:测试摄像头的转动(水平、垂直)和变焦功能是否正常,控制是否灵敏。
2、传输线路检查线路外观:检查线路是否有破损、断裂、老化或被鼠咬等情况。
接头连接:检查线路接头是否松动、接触不良。
信号强度:使用专业工具检测信号传输强度是否在正常范围内。
3、存储设备检查硬盘容量:查看硬盘剩余存储空间,是否满足预期的存储需求。
录像功能:随机抽取一段时间的录像,检查录像是否完整、连续,有无丢失帧或时间段。
4、监控主机检查主机运行状态:观察主机指示灯,听风扇声音,判断主机是否正常运行。
系统设置:检查监控系统的各项设置,如录像时间、分辨率、移动侦测等是否符合要求。
软件更新:查看监控软件是否为最新版本,如有更新提示,及时进行更新。
三、报警系统检查1、探测器检查外观完整性:探测器外壳是否完好,有无损坏或被破坏的迹象。
探测灵敏度:使用测试工具或模拟场景,检测探测器的灵敏度是否符合设定标准。
覆盖范围:确认探测器的覆盖范围是否存在盲区或死角。
2、报警主机检查主机状态:检查主机的电源指示灯、报警指示灯是否正常。
报警设置:核对报警主机的报警方式(声音、短信、邮件等)、报警阈值等设置是否正确。
通讯功能:测试报警主机与相关设备(如监控中心、手机等)的通讯是否畅通。
3、联动功能检查与监控系统联动:当报警触发时,监控系统是否能自动切换到相关画面,并进行录像。
与其他安全设备联动:如与门禁系统、消防系统等的联动是否正常。
四、电源与备用电源检查1、主电源检查电压稳定性:使用电压表测量主电源的输出电压,是否在正常范围内。
前端点位安装分项工程质量检查记录
各检查项符合要求的画“√”,不符合要求的画“×”,本工程不涉及的检查项画“○”
线缆铺设分项工程质量检查记录
各检查项符合要求的画“√”,不符合要求的画“×”,本工程不涉及的检查项画“○”
控制室内安装分项工程质量验收记录
各检查项符合要求的画“√”,不符合的画“×”,本工程不涉及的检查项画“○”,验收结论处填写“合格”或“不合格”
图像质量的主观评价验收记录
验收结论处填写“合格”或“不合格”
系统功能验收记录
各检查项符合要求的画“√”,不符合的画“×”,本工程不涉及的检查项画“○”,验收结论处填写“合格”或“不合格”
欢迎您的下载,
资料仅供参考!
致力为企业和个人提供合同协议,策划案计划书,学习资料等等
打造全网一站式需求。
视频监控系统检查表全集文档(可以直接使用,可编辑实用优质文档,欢迎下载)
东莞励国照明
国际联网信息系统网络安全检查表
信息系统安全检查项目表
(安全管理制度)
信息系统安全检查项目表
(安全管理制度)
(安全管理制度)
(安全管理制度)
(安全管理制度)
(安全管理制度)
项目部混凝土工程检查记录表工程名称:检查日期:年月日共页第页
浙江东阳建工集团
项目部混凝土工程检查记录表
工程名称:检查日期:年月日共页第页
浙江东阳建工集团
项目部混凝土工程检查记录表
工程名称:检查日期:年月日共页第页
浙江东阳建工集团。
精品文档
精品文档
视频安防监控系统检查登记表
备:每周检查一次
检测项目(主控项目)
检查评定记录
备注
1 设备功能
云台转动
□正常 □异常 □不适用
设备抽检数
量不低于
20%且不少
于3台。合格
率为100%时
为合格;系统
功能和联动
功能全部检
测,符合设计
要求时为合
格,合格率为
100%系统检
测合格。
镜头调节
□正常 □异常 □不适用
图像切换
□正常 □异常 □不适用
防护罩效果
□正常 □异常 □不适用
3 图像质量
图像清晰度
□正常 □异常 □不适用
抗干扰能力
□正常 □异常 □不适用
4 系统功能
监控范围
□正常 □异常 □不适用
设备接入率
□正常 □异常 □不适用
完好率
□正常 □异常 □不适用
矩
阵
主
机
切换控制
□正常 □异常 □不适用
编程
□正常 □异常 □不适用
巡检
□正常 □异常 □不适用
记录
□正常 □异常 □不适用
数
字
视
频
显示速度
□正常 □异常 □不适用
联网通信
□正常 □异常 □不适用
存储速度
□正常 □异常 □不适用
检索
□正常 □异常 □不适用
回放
□正常 □异常 □不适用
5 联动功能
6 图像记录保存时间
精品文档
精品文档
东莞励国照明有限公司
检测意见:
检测人签字:
日期: