安全检查表汇编word版
- 格式:doc
- 大小:828.00 KB
- 文档页数:35
史上最全最全安全检查表汇编请查收以下是一个安全检查表的样本,包括家庭、车辆和工作场所的安全检查项目。
家庭安全检查表:一、电气安全检查:1. 定期检查家庭电线和插座是否正常使用;2. 切勿将插头插入无法使用的插座;3. 安装电气设备之前,确保电路能够承受设备的负载;4. 安全使用家庭电器,避免过度使用;5. 定期检查电气线路,防止过载和电气火灾;二、火灾安全检查:1. 安装可靠的火灾报警器,并定期测试;2. 安装灭火器,确保容易拿到;3. 保持厨房的清洁,定期清理油烟机和炉灶;4. 禁止在室内吸烟;5. 确保室内无易燃物品,如易燃气体和化学品;三、盗窃防范检查:1. 确保家门的安全锁;2. 关闭门窗,保持家的安全;3. 安装监控系统,确保入侵者能够被识别;4. 收拾好家里的物品,防止入侵者窃取;5. 安装防盗门和窗户,增加家庭安全性;车辆安全检查表:一、机械安全检查:1. 检查制动系统、照明系统等机械装置是否正常;2. 定期更换刹车片、刹车鼓等易损件;3. 检查轮胎的气压和磨损情况;4. 定期更换机油和机油滤清器;5. 检查汽车的底盘和悬挂系统是否正常;二、电气安全检查:1. 定期检查是否用汽车途中是否有故障报警灯;2. 检查车灯、喇叭和雨刮器是否能够正常使用;3. 确保电子设备的使用合理,如合理使用音响设备节省电能;4. 定期检查后视镜是否正常使用;5. 定期检查电子设备是否有尖锐物划伤的情况;三、安全驾驶:1. 严格遵守交通规则,不超速、不闯红灯;2. 定期检查汽车,确保汽车的安全性;3. 避免疲劳驾驶,安排足够的休息时间;4. 保持车内空气流通,避免吸入一氧化碳;5. 确保防疫设备,如车载火灾警报器;工作场所安全检查表:一、劳动安全检查:1. 根据行业标准建立定期的安全检查制度;2. 建立企业安全风险评估制度;3. 定期组织员工进行安全知识培训;4. 推广出行防护知识,减少意外摔倒;5. 严格执行劳动安全管理制度;二、火灾安全检查:1. 建立专门的消防设施;2. 定期检查火灾报警器,确保其正常使用;3. 进行防火演练,增加员工火灾疏散能力;4. 建立物品储存和防火分类标准;5. 定期对场所进行消防安全检查;三、电气安全检查:1. 定期检查电线和插头是否正常使用;2. 严格执行电气设备管理制度;3. 避免过度使用电气设备;4. 建立电气设备竞技记录,确保正常使用;5. 安装可靠的自动断路器和漏电保护器。
工程项目常用安全检查表汇编一、施工前期安全检查表1.1 作业面验收记录作业面验收人验收日期地基开挖基础浇筑结构施工安装工程室内装修1.2 施工用电安全检查表检查项检查内容检查结果电缆敷设规范、可靠、固定、防损合格电源全断上锁、标示、认真检查合格过电流保护安装、试验、标示合格接地保护安装、接牢、牢固合格二、施工中期安全检查表2.1 施工现场通行、隔离、防护等情况检查项检查内容检查结果施工现场通行设施设备合理、标志清晰、障碍物撤除合格检查项检查内容检查结果施工现场隔离各施工单元间道路、装置的隔离与警示合格施工现场防护材料上护网、围挡、封闭,球墨铸铁管保护合格2.2 施工个体防护用品情况检查项检查内容检查结果安全帽是否佩戴或携带合格防护鞋是否生龟楼合用合格呼吸器是否清洁、暴露部分完整、脸密合性合格三、施工后期安全检查表3.1 竣工工程验收检查项检查内容检查结果结构物内部检查未留点漏水、明显痕迹合格防水隔音检查防水层无明显渗漏合格电器检验物联网设备安装、试运行合格合格3.2 竣工验收资料的编写和检查检查项检查内容检查结果相关资料完备齐全,包括部位图纸、验收报告合格归档存储规范存储、加以保护、做好备份工作合格3.3 项目竣工自检表检查项检查内容检查结果工人宣誓活动记录、标语制作情况合格安全生产崇尚意识劳动保护措施相应设施建设情况合格合格施工质量应质量标准,质量问题记录是否进行跟踪、纠正结语以上仅是工程项目中的常用安全检查表汇编,更多针对于不同工程项目的专业安全检查表请参考相关资料并具体制定。
在实施安全检查过程中,各施工单位应确保每项检查表都要进行仔细检查、认真记录、严格执行,在生产过程中不断完善、改进检查体系、措施,确保员工安全、保证工程质量和进度。
常用安全检查表样例汇编
安全检查频次表
公司级综合安全检查表
车间日常安全检查表
安全日常巡查表
电气设备(专业)安全检查表
厂房、建筑物专项安全检查表
班组现场安全管理及隐患排查表
节假日安全检查表
行车日常/定期检查记录表
综合性安全检查表
压力容器设备检查记录
电动叉车日常检查表
厂级综合性安全检查表
安全检查频次表
公司级综合安全检查表检查时间:检查人员:
车间日常安全检查表
检查人员:地点:日期:年月日
说明:此表是就打√;否就打×,并在备注里记录详细情况内容,包括(日期、时间、姓名、以及设备名称);如有异常情况请及时报告部门负责人。
安全日常巡查表
电气设备(专业)安全检查表
检查人:检查时间:
厂房、建筑物专项安全检查表检查人员:检查时间:
班组现场安全管理及隐患排查表
班组:时间:年月日
节假日安全检查表检查性质:检查时间:年月日
行车日常/定期检查记录表
记录符号:完好——“√”;异常——“△”;待修——“×”;修好——“○”。
综合性安全检查表
压力容器设备检查记录
说明:各责任部门根据设备检查情况如实记录,正常打√,异常打×,并在备注栏进行说明。
- 21 -
电动叉车日常检查表
- 22 -
厂级综合性安全检查表
- 23 -
- 24 -
- 25 -。
最全安全检查表汇编179个【400页】最全安全检查表汇编第一部分安全管理篇1. 综合安全管理检查表2. 安全生产规章制度检查表3. 安全生产责任制度检查表4. 安全教育检查表5. 事故管理检查表6. 安全档案检查表7. 特种设备安全管理检查表8. 应急救援预案安全检查表第二部分机械篇9. 车床安全检查表10. 铣床安全检查表11. 刨床安全检查表12. 冲、剪、压机械安全检查表13. 电焊机安全检查表14. 破碎机安全检查表15. 砂轮机安全检查表16. 压力机安全检查表17. 水压机安全检查表18. 皮带运输机安全检查表19. 型材挤压机安全检查表20. 锻造机械检查表21. 铸造机械安全检查表22. 木工机械安全检查表23. 光学机械安全检查表24. 热交换器安全检查表25. 吊具安全检查表第三部分电气篇27. 电气检修作业安全检查表28. 临时用电线路安全检查表29. 手持电动工具安全检查表30. 电网接地系统安全检查表31. 防雷接地装置安全检查表32. 车间动力配电箱安全检查表33. 电气试验站(台、室)安全检查表第四部分特种设备篇34. 起重机械安全检查表35. 锅炉安全检查表36. 压力容器安全检查表37. 压力管道安全检查表38. 电梯安全检查表39. 客运索道安全检查表40. 大型游乐设施安全检查表41. 高压气瓶安全检查表42. 溶解乙炔气瓶安全检查表第五部分生产场所篇43. 车间安全检查表44. 安全标志检查表45. 厂区道路设施安全检查表46. 工件材料堆放安全检查表47. 设备设施间距安全检量表48. 仓库安全检查表49. 变、配电站安全检查表50. 空压站安全检查表51. 配电室安全检查表52. 制氧站安全检查表53. 加油站安全检查表54. 液化石油气站安全检查表第六部分危险化学品篇56. 危险化学品经营单位生产条件安全检查表57. 危险化学品企业制度安全检查表58. 危险化学品包装物、容器定点生产企业生产条件安全检查表59. 危险化学品储存安全检查表60. 危险化学品运输安全检查表61. 动火作业前安全检查表62. 危险化学业品使用安全检查表63. 易燃易爆品储存安全检查表64. 腐蚀性物品储存安全检查表65. 毒害品储存安全检查表66. 重大危险源安全管理检查表67. 民爆器材工厂资质检查表68. 报废火炸药销毁场、销毁塔安全检查表69. 避雷设施安全检查表70. 火炸药总仓库安全检查表71. 防尘防毒检查表72. 危险化学品库安全检查表第七部分石油化工篇73. 生产装置安全检查表74. 设备安全检查表75. 工艺安全检查表76. 仪表安全检查表77. 变配电系统安全检查表78. 储存运输系统安全检查表79. 检维修现场安全检查表80. 石油库重点部位安全检查表81. 油库安全检查表第八篇建筑篇83. 安全技术管理检查表84. 施工安全行为检查表85. 设备与设施管理检查表86. 文明施工检查表87. 建筑施工现场安全资料检查表88. 临边防护的安全检查表89. 洞口防护的安全检查表90. 梁、柱、板等作业面的防护安全检查表91. 通道有防护安全检查表92. 交叉作业安全检查表93. 移动操作架子的安全检查表94. 卸料平台的安全检查表95. 施工机械安全防护检查表96. 通用脚手架安全检查表97. 吊篮脚手架检查表98. 悬挑式脚手架检查表99. 附着式升降脚手架(整体提升架或爬架)检查表100. 落地式外脚手架检查表101. 门型脚手架检查表102. 物料提升机(龙门架、井字架)检查表103. 翻斗车安全检查表104. 碾沙机、混沙机安全检查表105. 混凝土浇筑安全检查表106. 基坑支护安全检查表107. 模板工程安全检查表108. 施工机具检查表109. 外用电梯(人货两作电梯)检查表110. 预防高处坠落安全检查表111. 活动扶梯安全检查表112. 直梯安全检查表113. 走台、平台及护栏安全检查表第九部分电力篇114. 电力变压器安全运行检查表115. 电力变压器安全操作检查表116. 电力变压器安全检修检查表117. 断路器安全运行检查表118. 断路器安全操作检查表119. 断路器安全检修检查表120. 隔离开关安全检查表121. 互感器安全检查表122. 电抗器安全检查表123. 母线安全检查表124. 站用配电系统检修作业安全检查表125. 架空线路巡视作业安全检查表126. 架空线路被树木倒落短路处理安全检查表127. 线路停电作业安全技术措施检查表128. 停电更换绝缘子作业安全检查表129. 输电线路局部更换导线、地线作业安全检查表130. 输电线路停电进行导线、地线损伤处理作业安全检查表131. 输电线路弧垂调整作业安全检查表132. 带电检测零值绝缘子安全检查表133. 等电位作业法带电更换绝缘子安全检查表134. 地电位作业法更换绝缘子安全检查表135. 使用绝缘斗臂车带电作业安全检查表136. 带电修补导线、更换间隔棒或防振锺安全检查表137. 带电断、接引流线作业安全检查表138. 电力电缆敷设作业安全检查表139. 电力电缆隧道巡视作业安全检查表140. 电力电缆运行维护作业安全检查表141. 电力电缆试验作业安全检查表第十部分矿山篇142. 煤矿矿井安全生产条件检查表143. 煤矿企业安全管理检查表144. 入井前安全检查表145. 煤矿防治粉尘安全检查表146. 煤矿矿井防治水安全检查147. 煤矿矿井通风安全检查表148. 煤矿供电安全检查表149. 煤矿照明、通讯和信号安全检查表150. 煤矿矿井主要提升装置安全检查表151. 煤矿井下爆破作业安全检查表152. 煤矿井巷掘进工作面安全检查表153. 煤矿爆破材料储、装、运管理安全检查表154. 煤矿通风安全监测控检查表155. 煤矿机电设备硐室安全检查表156. 煤矿采掘工作面安全检查表157. 煤矿采掘工作面、硐室通风安全检查表158. 煤矿平巷机车运输安全检查表159. 煤矿斜巷乘人装置安全检查表160. 煤矿斜巷运输安全检查表161. 煤矿提升运输钢丝绳和连接装置安全检查表162. 煤矿防火安全检查表163. 煤矿防治煤与瓦斯突出安全检查表164. 煤矿防治瓦斯安全检查表165. 煤矿电气设备及其保护安全检查表166. 煤矿井下供电电缆安全检查表167. 煤矿井下供电设备维护安全检查表168. 煤矿采煤机安全检查表169. 煤矿钢丝绳驱动带式输送机安全检查表170. 煤矿刮板输送安171. 煤矿滚筒驱动带式输送机安全检查表172. 煤矿掘进机安全检查表173. 煤矿耙装机和装岩(煤)机安全检查表第十一部分消防篇174. 消防安全检查表175. 消防设备设施安全检查表176. 消防疏散通道安全检查表177. 娱乐场所安全检查表178. 餐饮服务业安全检查表179. 厂内机动车辆安全检查表第一部分安全管理篇1. 综合安全管理检查表序号检查项目检查内容检查结果1 资质检查查是否有证书,矿山、建筑施工单位和危险化学品、烟花爆竹、民用爆破器材生产单位是否依法取得安全生产许可证2 组织机构查组织机构成立的文件,企业是否具备安全组织机构查组织机构成立的文件,矿山、建筑施工单位和危险物品的生产、经营、储存单位,是否设置安全生产管理机构或者配备专职安全生产管理人员查组织机构成立的文件,其他生产经营单位,从业人员超过300人的,是否设置安全生产管理机构或者配备专职安全生产管理人员查组织机构成立文件,其他生产经营单位,从业人员在300人以下的,是否配备专职或者兼职的安全生产管理人员,或委托具有国家规定的相关专业技术资格的工程技术人员提供安全生产管理服务3 作业人员询问相关人员,生产经营单位主要负责人和安全生产管理人员是否具备与生产经营活动相适应的安全生产知识和管理能力查相关证书,危险物品的生产、经营、储存单位及矿山、建筑施工单位的主要铀人和安全生产管理人员,是否依法经过安全生产知识和管理能力考核合格,并具有相关证书查培训记录,从业人员是否经安全生产教育和培训合格并具有培查资格证书,特种作业人员是否按照国家有关规定,接受专门的安全作业培训,取得特种作业操作资格证书4 安全投入查有关账目,核实安全投入是否用于改善安全生产的条件、治理事故隐患及其他保障安全生产的事项。
最全安全检查表汇编第一部分安全管理篇1. 综合安全管理检查表2. 安全生产规章制度检查表3. 安全生产责任制度检查表4. 安全教育检查表5. 事故管理检查表6. 安全档案检查表7. 特种设备安全管理检查表8. 应急救援预案安全检查表第二部分机械篇9. 车床安全检查表10. 铣床安全检查表11. 刨床安全检查表12. 冲、剪、压机械安全检查表13. 电焊机安全检查表14. 破碎机安全检查表15. 砂轮机安全检查表16. 压力机安全检查表17. 水压机安全检查表18. 皮带运输机安全检查表19. 型材挤压机安全检查表20. 锻造机械检查表21. 铸造机械安全检查表22. 木工机械安全检查表23. 光学机械安全检查表24. 热交换器安全检查表25. 吊具安全检查表第三部分电气篇26. 电气线路安全检查表27. 电气检修作业安全检查表28. 临时用电线路安全检查表29. 手持电动工具安全检查表30. 电网接地系统安全检查表31. 防雷接地装置安全检查表32. 车间动力配电箱安全检查表33. 电气试验站(台、室)安全检查表第四部分特种设备篇34. 起重机械安全检查表35. 锅炉安全检查表36. 压力容器安全检查表37. 压力管道安全检查表38. 电梯安全检查表39. 客运索道安全检查表40. 大型游乐设施安全检查表41. 高压气瓶安全检查表42. 溶解乙炔气瓶安全检查表第五部分生产场所篇43. 车间安全检查表44. 安全标志检查表45. 厂区道路设施安全检查表46. 工件材料堆放安全检查表47. 设备设施间距安全检量表48. 仓库安全检查表49. 变、配电站安全检查表50. 空压站安全检查表51. 配电室安全检查表52. 制氧站安全检查表53. 加油站安全检查表54. 液化石油气站安全检查表55. 天然气站安全检查表第六部分危险化学品篇56. 危险化学品经营单位生产条件安全检查表57. 危险化学品企业制度安全检查表58. 危险化学品包装物、容器定点生产企业生产条件安全检查表59. 危险化学品储存安全检查表60. 危险化学品运输安全检查表61. 动火作业前安全检查表62. 危险化学业品使用安全检查表63. 易燃易爆品储存安全检查表64. 腐蚀性物品储存安全检查表65. 毒害品储存安全检查表66. 重大危险源安全管理检查表67. 民爆器材工厂资质检查表68. 报废火炸药销毁场、销毁塔安全检查表69. 避雷设施安全检查表70. 火炸药总仓库安全检查表71. 防尘防毒检查表72. 危险化学品库安全检查表第七部分石油化工篇73. 生产装置安全检查表74. 设备安全检查表75. 工艺安全检查表76. 仪表安全检查表77. 变配电系统安全检查表78. 储存运输系统安全检查表79. 检维修现场安全检查表80. 石油库重点部位安全检查表81. 油库安全检查表第八篇建筑篇82. 综合安全管理检查表83. 安全技术管理检查表84. 施工安全行为检查表85. 设备与设施管理检查表86. 文明施工检查表87. 建筑施工现场安全资料检查表88. 临边防护的安全检查表89. 洞口防护的安全检查表90. 梁、柱、板等作业面的防护安全检查表91. 通道有防护安全检查表92. 交叉作业安全检查表93. 移动操作架子的安全检查表94. 卸料平台的安全检查表95. 施工机械安全防护检查表96. 通用脚手架安全检查表97. 吊篮脚手架检查表98. 悬挑式脚手架检查表99. 附着式升降脚手架(整体提升架或爬架)检查表100. 落地式外脚手架检查表101. 门型脚手架检查表102. 物料提升机(龙门架、井字架)检查表103. 翻斗车安全检查表104. 碾沙机、混沙机安全检查表105. 混凝土浇筑安全检查表106. 基坑支护安全检查表107. 模板工程安全检查表108. 施工机具检查表109. 外用电梯(人货两作电梯)检查表110. 预防高处坠落安全检查表111. 活动扶梯安全检查表112. 直梯安全检查表113. 走台、平台及护栏安全检查表第九部分电力篇114. 电力变压器安全运行检查表115. 电力变压器安全操作检查表116. 电力变压器安全检修检查表117. 断路器安全运行检查表118. 断路器安全操作检查表119. 断路器安全检修检查表120. 隔离开关安全检查表121. 互感器安全检查表122. 电抗器安全检查表123. 母线安全检查表124. 站用配电系统检修作业安全检查表125. 架空线路巡视作业安全检查表126. 架空线路被树木倒落短路处理安全检查表127. 线路停电作业安全技术措施检查表128. 停电更换绝缘子作业安全检查表129. 输电线路局部更换导线、地线作业安全检查表130. 输电线路停电进行导线、地线损伤处理作业安全检查表131. 输电线路弧垂调整作业安全检查表132. 带电检测零值绝缘子安全检查表133. 等电位作业法带电更换绝缘子安全检查表134. 地电位作业法更换绝缘子安全检查表135. 使用绝缘斗臂车带电作业安全检查表136. 带电修补导线、更换间隔棒或防振锺安全检查表137. 带电断、接引流线作业安全检查表138. 电力电缆敷设作业安全检查表139. 电力电缆隧道巡视作业安全检查表140. 电力电缆运行维护作业安全检查表141. 电力电缆试验作业安全检查表第十部分矿山篇142. 煤矿矿井安全生产条件检查表143. 煤矿企业安全管理检查表144. 入井前安全检查表145. 煤矿防治粉尘安全检查表146. 煤矿矿井防治水安全检查147. 煤矿矿井通风安全检查表148. 煤矿供电安全检查表149. 煤矿照明、通讯和信号安全检查表150. 煤矿矿井主要提升装置安全检查表151. 煤矿井下爆破作业安全检查表152. 煤矿井巷掘进工作面安全检查表153. 煤矿爆破材料储、装、运管理安全检查表154. 煤矿通风安全监测控检查表155. 煤矿机电设备硐室安全检查表156. 煤矿采掘工作面安全检查表157. 煤矿采掘工作面、硐室通风安全检查表158. 煤矿平巷机车运输安全检查表159. 煤矿斜巷乘人装置安全检查表160. 煤矿斜巷运输安全检查表161. 煤矿提升运输钢丝绳和连接装置安全检查表162. 煤矿防火安全检查表163. 煤矿防治煤与瓦斯突出安全检查表164. 煤矿防治瓦斯安全检查表165. 煤矿电气设备及其保护安全检查表166. 煤矿井下供电电缆安全检查表167. 煤矿井下供电设备维护安全检查表168. 煤矿采煤机安全检查表169. 煤矿钢丝绳驱动带式输送机安全检查表170. 煤矿刮板输送安全检查表171. 煤矿滚筒驱动带式输送机安全检查表172. 煤矿掘进机安全检查表173. 煤矿耙装机和装岩(煤)机安全检查表第十一部分消防篇174. 消防安全检查表175. 消防设备设施安全检查表176. 消防疏散通道安全检查表177. 娱乐场所安全检查表178. 餐饮服务业安全检查表179. 厂内机动车辆安全检查表第一部分安全管理篇1. 综合安全管理检查表2. 安全生产规章制度检查表3. 安全生产责任制度检查表7. 特种设备安全管理检查表8. 应急救援预案安全检查表第二部分机械篇9. 车床安全检查表12. 冲、剪、压机械安全检查表序号检查项目检查内容检查结果1 电源开关电焊机必须装有独立的专用电源开关是否有漏电保护装置容量与电焊机是否匹配2 防护装置电焊机一、二次接线柱防护罩是否齐全3 焊钳焊钳是否夹紧力好,绝缘可靠,隔热层完好4 电缆线电源一次线长度小于或等于3m,且不得拖地或跨越通道使用焊接二次线长度小于或等于30m,接头不许超过3个外皮完整、柔软是否用钢筋、铁丝代替电缆线5 接地是否有接地线,接触是否良好连接建筑物的金属构架、管道、暖气等不应做焊接回路6 电焊机绝缘一、二次线圈绝缘电阴应大于或等于1M7 使用环境焊机使用场所应清洁、周围无易燃爆物作业现场应有消防用水和灭火器17. 水压机安全检查表18. 皮带运输机安全检查表19. 型材挤压机安全检查表20. 锻造机械检查表21. 铸造机械安全检查表22. 木工机械安全检查表25. 吊具安全检查表第三部分电气篇26. 电气线路安全检查表27. 电气检修作业安全检查表28. 临时用电线路安全检查表。
云南****有限公司安全检查表汇编编制:审核:批准:日期:安全检查隐患整改台账仅供参考学习第 2 页仅供参考学习第 3 页综合安全检查表AQBZH·AQJCB-B02---------------精品文档------------------------------精品文档------------------------------精品文档------------------------------精品文档------------------------------精品文档------------------------------精品文档------------------------------精品文档------------------------------精品文档---------------原料系统安全检查表AQBZH·GLZD-43-B03电炉系统安全检查表AQBZH·AQJCB-B04精制磷系统安全检查表AQBZH·AQJCB-B05起重机械安全检查表AQBZH·AQJCB-B06压力容器安全检查表AQBZH·AQJCB-B07仪表岗位综合安全检查表AQBZH·AQJCB-B08风机安全检查表AQBZH·AQJCB-B09管道及安全附件安全检查表AQBZH·AQJCB-B10高压开关柜安全检查表AQBZH·AQJCB-B11低压配电室安全检查表AQBZH·AQJCB-B12。
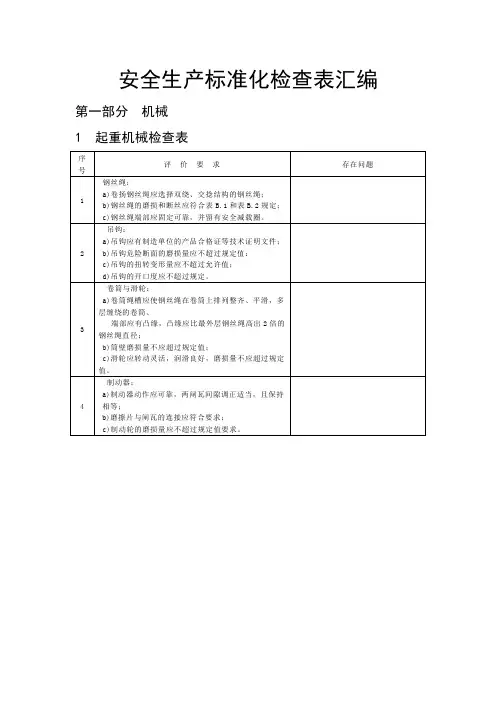
安全生产标准化检查表汇编第一部分机械1 起重机械检查表2 电梯检查表3 皮带运输机检查表4 冲、剪、压机械检查表7 金属切削机床检查表8 砂轮机检查表9 建筑机械检查表10 碾砂机、混砂机检查表11 破碎机检查表12 机械加工中心检查表13 压铸机、注塑机检查表14 光学机械检查表15 型材挤压机检查表16 电弧炼钢炉检查表17 冲天炉及其装置考评标准18 工频有芯感应式熔炼炉检查表19 铝料熔炼炉考评标准20 工业炉窑检查表21 厂内机动车辆检查表22 风动工具检查表23 登高梯台检查表固定式钢斜梯:a)扶手高度应为900mm,立柱间距应小于1000mm;b)梯宽应大于600mm,小于1100mm;c)除扶手外,立柱中间应设一根横杆;d)踏步高度、踏板宽度应符合要求;e)梯梁应符合要求,结构件应无严重脱焊、变形、腐蚀和裂纹。
活动扶梯(包括各种移动式的木质直梯和折梯、竹直梯、轻金属直梯和折梯):a)梯宽不应小于300mm, 踏板间距应为275mm~300mm;b)梯长应小于5m(竹梯长应小于8m);c)梯脚应有防滑措施;d)结构件应无松脱、裂纹、变形和腐蚀。
24 织布机检查表25 活性炭炭化、活化炉检查表26 活性炭磨粉机检查表29 炼胶机检查表30 压延设备检查表31 成型机检查表32 硫化设备检查表第二部分电气1 变、配电所检查表2 车间动力照明箱、柜、板检查表3 电焊机检查表4 临时用电线路检查表5 电网接地系统检查表6 防雷装置及接地检查表7 手持式电动工具检查表8 移动式电风扇检查表第三部分防燃防爆1 危险化学品库检查表2 油库检查表3 液化石油气站检查表4 天然气配气站检查表5 制氧站检查表6 清洗间检查表7 喷涂作业场所检查表8 木工房、木材库(场、站、房)检查表9 空压站检查表。
工厂检索安全检查表编制:审核:批准:实施日期:2017 年07 月18 日--- 19 日目录1、公司级安全检查表2、车间级安全检查表3、班组级安全检查表4、安全管理人员综合安全检查表5、安全管理人员日常安全检查表6、电气设备安全检查表7、防火防爆及消防安全检查表8、防尘、防毒安全检查表9、压力容器、压力管道安全检查表10、危险化学品安全检查表11、机械设备安全检查表12、锅炉安全检查表13、季节性安全检查表14、监测仪表安全检查表15、厂房、建筑物安全检查表16、节假日安全检查表安全检查表检查部门:检查人:检查时间:编号:##-##-## 对生产过程及安全管理中可能存在的隐患、有害危险因素、缺陷等进行查证,查找不安全因素和不安全行为,以确保隐患或有害、危险因素或缺陷存目的在状态,以及它们转化为事故的条件,以制定整改措施,消除或控制隐患和有害与危险因素,确保生产安全,使企业符合《危险化学品从业单位安全标准化规范》的要求。
按照《危险化学品从业单位安全标准化规范》的要求认真检查,查出不符合项。
对查出问题及时处理,暂时无法处理得应采取有效的预防措施,并立要求即向公司安委会和市安监局领导汇报。
内容见检查项目计划每年不少于四次检查检查方法(或依检查序号检查项目检查标准存在问题整改措施据)结果1、厂房内通风情况要求良好。
查现场1 工作环境2、噪声、粉尘要有控制措施。
查现场3、现场卫生良好,干净整齐,工器具定臵摆放有序。
查现场1、操作人员严格遵守操作规程,中控指标的执行良好,操作记录及时、真实、字迹清晰工整。
2、各联锁装臵必须投用,完好;摘除、恢复连锁装臵必须履查现场及记录2 工艺管理查现场及记录行相关手续。
3、操作人员对工艺要熟练掌握。
现场提问4、冬季防冻防凝保温、夏季防暑降温措施完好。
查现场及记录1、认真执行设备管理制度,设备维护保养、润滑等落实到位。
查现场2、备用设备状况良好,定期检查维护,达到随时启用。
综合安全检查表检查部门:检查人员检查时间:审核人序单检查项目检查标准检查方法检查结果存在的问题整改方案号元1、厂房内通风情况通风要求良好自然通风或强制通风工2、噪声控制情况噪声是否控制在标准之内测量噪声1作3、岗位粉尘控制情况粉尘是否控制在标准之内测量岗位粉尘浓度环4、岗位卫生无粉尘、无蜘蛛网、无死角现场检查、整改处理境5、岗位设备卫生无漏点、无灰尘现场检查、考核落实6、安全隐患岗位是否存在安全隐患现场检查、立即整改1、消防泵、阀门、管道完好是否完好现场检查、及时更换情况2、消防箱、灭火器完好情况是否完好现场检查、整改落实3、水炮、水枪、水带、扳手、是否完好、有无损坏现场检查、落实更换消火栓安4、防化服、空气呼吸器、面是否完好、有无损坏现场检查、落实更换具、滤毒罐、安全带全5、安全阀阀门经常保养、无锈蚀、定期校现场检查、及时处理2设验、在有效期内施6、压力表、液位计、温度计是否正常、标明上下限现场检查、保证完好7、易燃(有毒)报警仪及安报警灵敏、专人负责、定期检查不定期检查全联锁设施8、建(构)筑物、塔、釜、建(构)筑物、塔、釜、现场检查、及时处理炉、罐、平台护栏炉、罐、平台护栏符合设计规范,不锈蚀、不损坏。
3 4 5 69、安全设施台帐管理记录台帐情况齐全完整,由专人不定期检查、抽查方式负责10、其他防护装置避雷设施完好、测报仪显示正现场检查、落实整改常、其他防护装置完好工1、操作指标控制范围符合安全操作规程要求检查执行情况2、实际操作指标艺符合安全操作规程要求不定期检查指3、员工对操作指标的了解学习培训情况现场提问标4、操作指标的变更根据实际生产核对操作指标检查变更记录1、设备基础安装设备基础现场检查设2、转动设备防护装置是否完好现场检查备3、设备卫生无粉尘、无油污现场检查,整改落实运4、设备润滑保养实行双包机制现场检查、制度落实行5、跑、冒、滴、漏设备无漏点、无异声现场检查、及时处理劳1、操作人员劳保穿戴劳保穿戴齐全日常检查、综合检查2、安全帽佩戴保下颚带、帽衬完好,正确佩戴日常检查、立即整改穿3、服装整洁服装穿戴整洁、做到三紧现场检查、及时整改戴4、必需配戴的防护用品根据要求佩戴必须的防护用品日常检查、现场检查1、违章指挥坚决杜绝违章指挥各级检查、向公司举报三2、违章作业制止他人违章、杜绝自己违章现场检查、各级检查落实违3、违反劳动纪律班前 4 小时及班中不准饮酒、杜现场检查现绝睡岗、串岗、抽烟等违反劳动象纪律现象4、违反公司规章制度遵守公司安全管理制度各类检查落实防1、机动车辆防火帽情况进入生产区或库区的机动车辆现场检查、各级检查、向应戴防火帽并使用规范公司举报火2、危险化学品储罐区、装卸易燃、可燃液体储罐区静电、防现场检查、各级检查落实防车辆雷设施;运输车辆装卸时应进行爆静电接地;车辆要切断总电源73、危险化学品生产区、储罐不准在易燃、可燃液体产品装置现场检查、各级检查落实区使用手机内、罐区、装卸区使用手机4、危险化学品运输车辆装卸危险化学品运输车辆装卸时,装现场检查、各级检查落实人员到位情况卸人员、司机、押运人员应坚守作业现场5、《重大危源监控巡查表》、按《重大危险源监控巡查表》、现场检查、各级检查落实《危险化学品装卸查验核准《危险化学品装卸查验核准登登记表》的填写记表》进行检查、落实、记录培1、制定年度、月度培训计划按公司要求制定可行的培训计检查落实划训82、按培训计划实施教育培训培训材料、培训方式、培训时间检查落实、严格监督教符合要求育3、员工对培训知识掌握情况培训知识抽考检验、现场提问备注:日常安全检查表检查单位:检查人员检查时间:审核人序单检查项目检查标准检查方法检查结果存在的问题整改方案号元1、路面卫生无尘土、无纸屑现场检查、及时清理作2、办公室、操作室、值班室无粉尘、无蜘蛛网、无死角现场检查1业3、粉尘、噪声粉尘、噪声控制在要求范围之内测量岗位粉尘、噪声控制现指标场4、岗位卫生无粉尘、无蜘蛛网、无死角现场检查、整改处理5、岗位设备卫生无漏点、无灰尘、无油污现场检查、考核落实1、消防泵、阀门、管道完好是否完好现场检查、及时更换情况2、消防箱、灭火器完好情况是否完好现场检查、整改落实3、水炮、水枪、水带、扳手、是否完好、有无损坏现场检查、落实更换消火栓安4、防化服、空气呼吸器、面是否完好、有无损坏现场检查、落实更换全具、滤毒罐、安全带2设5、设施编号、责任落实专人负责、定期检查设置标签、落实责任人施6、安全阀阀门经常保养、无锈蚀、定期校验、现场检查、及时处理在有效期内7、压力表压力是否正常、标明上下限现场检查、保证完好8、易燃(有毒)报警仪及安报警灵敏、专人负责、定期检查不定期检查全联锁设施3 4 5 69、建(构)筑物、塔、釜、建(构)筑物、塔、釜、现场检查、及时处理炉、罐、平台护栏炉、罐、平台护栏符合设计规范,无锈蚀、无损坏。
安全检查表
编写人:
审核人:
批准人:
目录
日常安全检查表 (3)
春季安全检查表 (7)
夏季安全检查表 (11)
秋季安全检查表 (16)
冬季安全检查表 (20)
厂房建筑专项安全检查表 (24)
厂区内机动车辆专项安全检查表 (25)
电气和机械设备专项安全检查表 (26)
防火防爆和安全设施专项安全检查表 (28)
防尘防毒专项安全检查表 (30)
压力容器专项安全检查表 (31)
锅炉专项安全检查表 (33)
气瓶专项安全检查表 (38)
危险化学品专项安全检查表 (40)
仪表专项安全检查表 (41)
综合安全检查表 (47)
春节节前安全检查表 (52)
国庆节前安全检查表 (58)
厂房建筑专项安全检查表
填表人:填表时间:审核人:厂区内机动车辆专项安全检查表
填表人:填表时间:审核人:电气和机械设备专项安全检查表
填表人:填表时间:审核人:防火防爆和安全设施专项安全检查表
填表人:填表时间:审核人:
防尘防毒专项安全检查表
填表人:填表时间:审核人:
压力容器专项安全检查表
填表人:填表时间:审核人:
锅炉专项安全检查表
填表人:填表时间:审核人:
气瓶专项安全检查表
填表人:填表时间:审核人:
危险化学品专项安全检查表
填表人:填表时间:审核人:
仪表专项安全检查表
(注:文件素材和资料部分来自网络,供参考。
请预览后才下载,期待你的好评与关注。
)。
附件:汕头市安全生产事故隐患排查(检查)表及台账汇编(试行)汕头市安全生产委员会办公室编印二〇一三年七月二十五日目录1.编印说明 (3)2.安全生产事故隐患排查(检查)治理台账 (5)3.安全生产事故隐患检查登记表(政府及部门填写) (6)4.生产经营单位安全生产事故隐患排查治理登记表 (7)5.安全生产事故隐患排查检查表(通用) (8)6.安全生产事故隐患排查检查表(露天非煤矿山) (13)7.安全生产事故隐患排查检查表(危险化学品生产企业) (12)8.安全生产事故隐患排查检查表(危险化学品经营企业) (21)9.安全生产事故隐患排查检查表(烟花爆竹零售企业) (23)10.安全生产事故隐患排查检查表(职业病防治) (24)11.安全生产事故隐患排查检查表(液化石油气企业) (30)12.安全生产事故隐患排查检查表(冷冻制冰企业) (33)13.安全生产事故隐患排查检查表(制药企业) (35)14.安全生产事故隐患排查检查表(交通运输企业) (36)15.安全生产事故隐患排查检查表(汽车客运站场) (37)16.安全生产事故隐患排查检查表(乡镇渡口渡船) (39)17.安全生产事故隐患排查检查表(轮渡码头) (40)18.安全生产事故隐患排查检查表(中小机械制造企业) (42)19.安全生产事故隐患排查检查表(家具制造企业) (46)20.安全生产事故隐患排查检查表(学校安全) (50)21.安全生产事故隐患排查检查表(公共娱乐场所) (52)22.安全生产事故隐患排查检查表(宾馆、酒店) (54)23.安全生产事故隐患排查检查表(印刷企业) (56)24.安全生产事故隐患排查检查表(“三小”场所) (57)编印说明一、为了进一步加强与规范安全生产事故隐患排查(检查)治理工作,强化企业安全生产主体责任,防止和减少事故,市安委办依据《安全生产法》、《安全生产事故隐患排查治理暂行规定》等法律法规规章,编制了《汕头市安全生产事故隐患排查(检查)表及台账汇编》(以下简称《汇编》),主要包括:安全生产事故隐患排查(检查)治理台账、安全生产事故隐患检查登记表(政府及部门使用)、生产经营单位安全生产事故隐患排查治理登记表(生产经营单位使用)、安全生产事故隐患排查(检查)通用标准、露天非煤矿山、危险化学品和烟花爆竹等高危行业安全生产隐患排查(检查)表,鉴于事故隐患排查(检查)内容广泛,涉及的法律法规规章及标准规程多,本《汇编》只能作为事故隐患排查(检查)时的参考。
(4种)安全检查表6页word文档安全(综合)检查表厂级综合安全检查(每季度不少于一次);本检查为责任制考核项;时间:内容:重点检查落实岗位安全责任制、各专业共同参与全面安检参加人:要求:查出问题及原因分析整改情况整改验证本次检查后登入安全检查台帐;编制单位:审核人:批准人;安全(综合)检查表厂级综合安全检查(每季度不少于一次);本检查为责任制考核项;时间:内容:重点检查落实岗位安全责任制、各专业共同参与全面安检参加人:要求:查出问题及原因分析第 1 页整改情况整改验证本次检查后登入安全检查台帐;编制单位:审核人:批准人;安全(综合)检查表车间综合检查(每月不少于一次);本检查为责任制考核项;时间:内容:重点检查落实岗位安全责任制的全面检查;查隐患;参加人:要求:查出问题及原因分析整改情况整改验证本次检查后登入安全检查台帐;编制单位:审核人:批准人;安全(综合)检查表车间综合检查(每月不少于一次);本检查为责任制考核项;第 2 页时间:内容:重点检查落实岗位安全责任制的全面检查;查隐患;参加人:要求:查出问题及原因分析整改情况整改验证本次检查后登入安全检查台帐;编制单位:审核人:批准人;安全(专项)检查表专业检查,每半年不少于1次;本检查为责任制考核项;重点:锅炉、压力容器、危险物品、电气装置、安全装置、防火;要求:由各专业部门负责人组织本部门人员进行查出问题及原因分析:整改情况:整改验证本次检查后登入安全检查台帐;编制单位:审核人:批准人:第 3 页。