工字钢洞口封堵施工方案
- 格式:doc
- 大小:25.47 KB
- 文档页数:4
一、方案概述为了确保施工质量和安全,针对施工现场中出现的各种洞口,特制定本洞口封堵专项措施方案。
本方案旨在规范洞口封堵施工流程,提高施工质量,防止渗漏、裂缝等问题的发生,确保施工安全。
二、施工准备1. 施工材料:水泥、砂子、钢筋、模板、防水材料、膨胀剂、钢筋网片等。
2. 施工工具:凿岩机、切割机、搅拌机、振捣器、钢筋绑扎工具、水平尺、垂直尺等。
3. 施工人员:技术负责人、施工员、钢筋工、模板工、混凝土工等。
三、施工流程1. 施工前准备:对洞口进行测量,确定洞口尺寸,绘制施工图。
2. 洞口处理:对洞口周边进行凿毛,清理洞口内杂物,浇水湿润。
3. 支模:根据洞口尺寸和结构要求,搭设模板,确保模板牢固、严密。
4. 钢筋绑扎:根据设计要求,绑扎钢筋,确保钢筋间距、锚固长度等符合规范。
5. 混凝土浇筑:采用混凝土搅拌车运输混凝土,使用振捣器进行振捣,确保混凝土密实。
6. 养护:混凝土浇筑完成后,及时进行养护,防止裂缝、渗漏等问题。
7. 防水处理:在混凝土表面涂刷防水涂料,增强防水性能。
8. 拆模:混凝土强度达到设计要求后,拆除模板,清理施工现场。
四、施工操作要点1. 洞口处理:洞口周边凿毛深度不小于50mm,清理洞口内杂物,浇水湿润。
2. 支模:模板搭设牢固,接缝严密,防止漏浆。
3. 钢筋绑扎:钢筋间距、锚固长度等符合设计要求,确保结构安全。
4. 混凝土浇筑:混凝土坍落度控制在合理范围内,确保混凝土密实。
5. 养护:混凝土浇筑完成后,及时进行养护,防止裂缝、渗漏等问题。
6. 防水处理:防水涂料涂刷均匀,厚度符合规范要求。
五、质量要求1. 洞口尺寸、形状符合设计要求。
2. 模板搭设牢固,接缝严密。
3. 钢筋绑扎符合设计要求,无露筋、断筋等现象。
4. 混凝土密实,无蜂窝、麻面、裂缝等质量问题。
5. 防水涂料涂刷均匀,无漏涂、起皮等现象。
六、安全措施1. 施工人员必须穿戴好个人防护用品,如安全帽、手套、防尘口罩等。
工程名称1-4#、9#楼工字钢拆除后孔洞封堵交底日期
施工单位沈阳腾越建筑工程有限公司分项工程名称孔洞封堵交底提要关于工字钢拆除后空洞封堵事宜
交底内容:
一、施工准备
1、施工条件准备:洞口内侧剔凿清理,松散石子,泡沫,套管等垃圾清理干净,凿毛至
新鲜混凝土面并洒水湿润。
2、材料准备:木模板、自粘海绵条、双股铁线、PVC套管、固定片、斗车、等材料若干
3、工人2人。
二、工艺流程
一、工艺流程:
孔洞凿毛清理→充分湿润→模板安装→洒水湿润→浇筑混凝土→喷水养护→刷防水涂料
二、操作工艺:
1、孔洞凿毛清理,对孔洞进行凿毛并对残留垃圾清理;
2、充分湿润,使用喷壶进行喷水湿润,在下一道工序进行前一天进行喷水,使其周
围保持湿润状态。
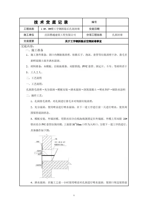
3、模板安装,外墙封模,用铁丝结合自粘海绵条固定在外墙面,外模上用双股20#
铁丝结合PVC套管拉倒内模,上面留30~50mm口作为入料口,方便下一道工序的进行。
具体操作如下图:
4、洒水湿润,在施工之前一小时使用喷壶对孔洞进行喷水湿润,使洞口周边保持湿
1.本表由技术负责人填写,项目经理审核。
2.当做设计变更技术交底时,应在“分项工程名称”栏,填写变更标题。
施工洞封堵方案范文一、引言二、封堵原则1.安全原则:封堵施工洞应严格按照国家相关标准和要求进行,保证施工人员和周围环境的安全。
2.质量原则:封堵施工洞应符合工程质量要求,保证封堵材料和工艺的合理性和稳定性。
3.经济原则:封堵施工洞应选择合适的材料和工艺,以达到经济效益最大化。
三、封堵方法1.机械封堵:适用于大型施工洞。
可以采用混凝土、钢板、钢筋等材料进行机械封堵。
具体步骤如下:(1)清理洞口:清理洞口内外的杂物和灰尘,保持洞口清洁。
(2)制定封堵方案:根据洞口的大小和形状,选择合适的封堵材料和工艺。
(3)固定机械封堵材料:将机械封堵材料(如钢板)固定在洞口上,使用螺栓、焊接等方式固定。
(4)填充封堵材料:使用混凝土或其他填充材料将洞口充实并封堵。
2.化学封堵:适用于小型施工洞。
可以采用密封胶、灌浆料等材料进行化学封堵。
具体步骤如下:(1)清理洞口:清理洞口内外的杂物和灰尘,保持洞口清洁。
(2)打孔:在洞口周围打孔,孔间距和孔深根据封堵材料和工艺要求确定。
(3)注入封堵材料:将密封胶、灌浆料等封堵材料注入洞口内,确保充实且没有空隙。
3.其他封堵方法:根据具体情况,可以采用其他封堵方法,如填土、挡板等封堵方式。
四、封堵步骤1.制定封堵方案:根据洞口的大小、形状和材料选择合适的封堵方法。
2.准备工作:清理洞口内外的杂物和灰尘,保持洞口清洁。
3.施工封堵:根据封堵方法进行施工,按照步骤进行洞口封堵。
4.封堵检查:施工完成后,进行封堵质量检查,确保封堵材料的牢固性和完整性。
5.封堵验收:封堵施工完成后,进行封堵验收,满足验收标准方可进行下一步工序。
五、安全措施1.施工人员应具备相关证书和经验,严格按照施工安全操作手册执行。
2.施工洞口周边应设置警示标志,避免他人误入施工现场,发生事故。
3.施工现场应配备相应的安全防护设备,如安全帽、防护眼镜等。
4.施工现场应配备相关消防器材,及时处理可能发生的火灾等危险情况。
洞口封堵方案范文第一节:引言洞口封堵是指在自然洞口或人工洞口的出口和入口周围进行堆砌、喷涂等封堵操作,以防止洞口进水、坍塌、倒塌或其他不利于工程安全的现象。
在工程施工中,洞口封堵是保障洞口周围环境和工程安全的重要措施之一、本方案旨在通过综合应用机械堆砌、喷涂材料等方法,实施洞口封堵工作,以确保施工安全,改善洞口周围环境。
第二节:洞口封堵的目的和意义1.目的确保洞口周围环境和施工安全;防止洞口进水,避免水土流失,减少环境污染;防止洞口地质松散层坍塌,保护施工人员的生命安全;提高施工效率,减少工期延误。
2.意义洞口封堵是洞口工程的重要环节,对后续施工和工程安全影响较大;科学合理的封堵方案可以提高施工效率,减少投资成本;规范洞口封堵工作,加强洞口防护,有助于促进环境保护。
第三节:封堵原则和方法1.封堵原则按照封堵的需求和封堵材料的特点,制定合理的封堵方案;选择适当的封堵材料,确保材料的粘附性和抗压性;合理安排封堵工序,保证施工的连续性和高效性。
2.封堵方法机械堆砌法:根据洞口的大小和形状,采用机械堆砌块石或砖块的方法进行封堵,堆砌块石时要注意石块之间的紧密度和稳定性。
喷涂法:使用喷涂机器将封堵材料均匀喷涂在洞口表面,形成一层坚固的保护层,喷涂材料要选择粘结力强、抗渗性好的材料。
注浆法:将注浆装置插入洞口,注入浆液将洞口周围松散的土壤凝固固化,增加洞口的稳定性。
第四节:施工方案1.施工准备完成洞口前的清理工作,确保洞口表面整洁;准备封堵材料及施工所需的机械设备和工具;组织施工人员进行施工前的培训,确保施工操作准确无误。
2.施工步骤(1)机械堆砌法封堵:选定骨架梁位,进行固定;进行混凝土浇筑,达到一定强度;将块石或砖块按照一定要求堆砌,确保密实稳固。
(2)喷涂法封堵:清理洞口表面的积水和杂物;使用喷涂机器喷涂封堵材料,保证喷涂均匀;根据需要,可以进行多层喷涂。
(3)注浆法封堵:使用注浆装置将浆液注入洞口周围的松散土层中;根据需要,进行多次注浆,确保土层的凝固固化。
钢梁洞口封堵施工
目的
钢梁洞口封堵施工是为了确保洞口的完整性和安全性。
本文档旨在指导施工人员正确进行钢梁洞口封堵,以防止漏水、溶解和其他潜在的问题。
施工准备
在进行钢梁洞口封堵施工之前,需要做好以下准备工作:
1. 工具准备:准备适合封堵材料的工具,如胶枪、刷子、刮刀等。
2. 材料准备:根据洞口尺寸和要求准备适合的封堵材料,如密封胶、硅胶等。
3. 环境准备:确保施工环境干燥、清洁,并提供足够的通风。
施工步骤
1. 清洁洞口:使用清洁工具和清洁剂清洁洞口表面,确保无灰尘、油污和杂物。
2. 封堵材料准备:根据洞口尺寸和要求,将封堵材料充分搅拌
均匀。
3. 封堵施工:使用胶枪将封堵材料均匀地涂抹在洞口表面,确
保封堵材料充满整个洞口。
4. 平整修饰:使用刷子或刮刀将封堵材料平整修饰,确保与周
围结构相协调。
5. 干燥时间:根据封堵材料的要求,等待足够的干燥时间,避
免封堵材料被损坏。
安全注意事项
在进行钢梁洞口封堵施工时,务必注意以下安全事项:
1. 佩戴个人防护装备,如手套、口罩和护目镜。
2. 确保施工区域通风良好,避免吸入有害气体。
3. 避免封堵材料接触皮肤和眼睛,如有接触应立即用清水冲洗。
4. 遵守封堵材料的使用说明和安全操作规程。
总结
本文档提供了钢梁洞口封堵施工的关键信息和操作指南。
在进行施工时,请严格按照所述步骤进行,并注意施工安全事项。
通过正确的封堵施工,可确保钢梁洞口的完整性和安全性。
洞口封堵施工方案1. 引言洞口封堵是指在建筑或者地下工程中,封堵洞口以阻止水、沙土和其他杂质进入洞内,保证洞内环境的安全和稳定。
本文将介绍一种常见的洞口封堵施工方案,旨在提供一种有效且可行的方法进行洞口封堵工作。
2. 施工前准备在进行洞口封堵施工之前,需要进行如下准备工作:2.1 材料准备•水泥:用于封堵洞口,保证洞内不渗漏;•砂浆:用于填充洞口周围的空隙,增强封堵效果;•钢筋网:用于加固洞口封堵结构,增强其刚度和抗压能力;•防水涂料:用于涂抹在洞口封堵表面,提高其防水性能;•封堵材料:如垃圾、碎石等,用于填充较大洞口,增加封堵效果。
2.2 工具准备•手持电钻:用于在洞口打孔,方便固定钢筋网;•打孔器具:如电锤、凿子等,用于在洞口开孔;•砂纸、刷子等工具:用于清理洞口表面,确保封堵材料的附着性;•手持搅拌器或搅拌桶:用于搅拌水泥砂浆。
3. 施工步骤3.1 清理洞口清理洞口是确保封堵材料能够与洞口表面紧密结合的重要步骤。
首先,使用砂纸或刷子清理洞口表面的杂质和尘土。
然后,用水冲洗洞口表面,确保表面干净、无污垢。
3.2 封堵较大洞口对于较大的洞口,可以先使用封堵材料进行临时填充,以增加封堵效果。
使用垃圾、碎石等填充洞口,确保填充稳固且紧密。
3.3 安装钢筋网将钢筋网剪成合适的尺寸,并用手持电钻打孔或使用电锤、凿子等工具开孔。
然后,将钢筋网固定在洞口上,确保网格与洞口表面保持一定的间隙。
3.4 搅拌水泥砂浆按照水泥和砂浆的配比要求,将水泥和砂浆放入搅拌桶或手持搅拌器中,并搅拌均匀,直至形成均匀的砂浆。
3.5 封堵洞口使用铲子或其他适当工具,将搅拌好的水泥砂浆填充到洞口和钢筋网之间的空隙中,确保填充均匀且紧密。
使用刮板或平整工具将表面调整平整。
3.6 表面处理等待水泥砂浆开始凝固后,使用刷子将防水涂料涂抹在洞口封堵表面,提高其防水性能。
确保涂层均匀覆盖,并注意涂层的厚度。
4. 施工后注意事项4.1 养护期封堵完成后,需要进行一定的养护,以确保封堵材料的稳固性和防水性能。
悬挑脚手架钢梁穿墙洞口预制封堵施工工法悬挑脚手架钢梁穿墙洞口预制封堵施工工法一、前言悬挑脚手架钢梁穿墙洞口预制封堵施工工法是一种用于施工现场的特殊工法。
其通过在施工阶段预制封堵板,然后将其安装到穿墙洞口的脚手架钢梁上,达到封堵作用。
这种工法具有许多特点和优势,适用于各种施工环境。
二、工法特点1. 快速高效:使用该工法,可以快速预制封堵板,并在施工现场进行安装。
相比传统的封堵方法,节省了大量的时间和人力成本。
2. 灵活可调:预制封堵板可以根据钢梁穿墙洞口的尺寸进行定制,适应不同大小的洞口。
同时,也可以根据实际需要进行调整和更改。
3. 确保施工质量:预制封堵板可以提前在工厂进行质量验收,确保其质量达到设计要求。
而且由于预制封堵板的平整度和尺寸精度高,可以有效防止漏水、漏风等问题,保证施工质量。
4. 安全可靠:使用该工法,在施工现场无需搭设高高的脚手架,并且预制封堵板的安装也更加安全可靠,有效保护施工人员的工作安全。
5.可重复使用:预制封堵板可以在多个工程现场使用,可以减少材料的浪费,并节约成本。
三、适应范围该工法适用于各种类型的建筑施工,特别是在高层建筑和大型工程中具有广泛的应用。
可以用于钢结构、混凝土结构和其他结构类型的洞口封堵。
四、工艺原理悬挑脚手架钢梁穿墙洞口预制封堵施工工法的实际工程应用与工法本身相结合,具有以下几个关键技术措施:1. 钢梁测量:在施工前,需要对钢梁的尺寸进行精确测量,以制作符合洞口尺寸要求的预制封堵板。
2. 封堵板制作:根据钢梁尺寸要求,在工厂制作预制封堵板,包括预留钻孔、翻边和加强筋等工艺。
3. 钢梁安装:将预制封堵板安装在钢梁上,通过螺栓等连接方法固定,并确保封堵板与洞口之间无缝连接。
4. 吊装调整:使用吊装设备将钢梁与预制封堵板一起安装到洞口上,并进行调整和对齐。
5. 筑砌密封:在钢梁和洞口之间进行筑砌密封,使用适当的密封材料填充缝隙,确保封堵效果。
五、施工工艺1. 钢梁测量和预制封堵板制作。
洞口封堵施工方案洞口封堵施工方案摘要:本项目旨在对洞口进行封堵施工,保障洞口区域的安全,并有效防止洞口向外溢出对环境造成的污染。
本方案主要内容包括施工前准备、施工方案、施工材料与设备、施工工艺等。
一、施工前准备:1.明确施工目标:准确把握洞口封堵的任务和要求,确保施工质量。
2.制定施工计划:根据施工目标,制定详细的施工计划,包括施工时间、施工流程、施工方法等。
3.采购施工材料与设备:根据施工计划,采购必要的封堵材料和设备,确保施工所需物资的供应。
二、施工方案:1.调度施工人员:根据施工计划,调度足够数量的施工人员,确保施工进度。
2.清理洞口区域:清理洞口周围的垃圾和杂物,确保施工的正常进行。
3.封堵材料的选择:根据洞口的具体情况,选择合适的封堵材料,如水泥、砂浆等。
4.制定封堵方案:根据洞口的尺寸和形状,制定具体的封堵方案,如使用封堵板、填充砂浆等方法。
三、施工材料与设备:1.水泥:质量符合国家标准的普通硅酸盐水泥。
2.砂浆:选用适合封堵材料的硅酸盐砂浆。
3.封堵板:选择具有一定强度和耐久性的封堵板。
4.封堵工具:包括封堵刀、水泥搅拌器等。
四、施工工艺:1.清理洞口:使用封堵刀清理洞口周围的杂物和灰尘,确保封堵材料能够紧密贴合洞口。
2.涂抹底涂:在洞口封堵前,先涂抹一层底涂,增强封堵材料与洞口的粘结力。
3.封堵洞口:根据封堵方案,使用水泥或硅酸盐砂浆填充洞口,保证封堵材料均匀密实。
4.收拾现场:清理施工现场,清除废弃材料和设备,保持洁净。
通过以上施工方案,可以有效地对洞口进行封堵施工,确保洞口区域的安全,并且能够防止洞口向外溢出对环境造成污染。
在施工过程中,要确保施工人员的安全,并保证施工质量,以满足工程的要求。
最后,还要做好施工现场的清理工作,保持环境整洁。
洞口封堵施工方案摘要:洞口封堵施工是一种常见的建筑技术,用于堵住洞口或开口,防止气体、液体或固体物质的泄漏或渗透。
本文介绍了洞口封堵施工的基本原理、施工步骤和常用材料,提供了一种有效且可行的洞口封堵施工方案。
引言:在工程、建筑和制造等领域中,洞口封堵施工是一项重要工作。
无论是要堵住管道、井口、隧道还是其他洞口,封堵施工都是必不可少的。
一个成功的洞口封堵施工能够保证安全、增加生产效率并减少资源浪费。
本文将介绍一种可行且有效的洞口封堵施工方案。
一、洞口封堵施工原理1.气体堵漏原理洞口封堵施工中要堵住气体泄漏,一种常见的方法是使用气体封堵剂。
气体封堵剂可与气体发生反应,形成封堵层,有效堵住气体泄漏。
2.液体渗透原理当需要封堵液体渗透时,可采用液体封堵剂。
液体封堵剂适用于各种液体,能够快速固化,形成封堵层,阻止液体渗透。
3.固体物质封堵原理对于需要封堵固体物质的洞口,常用的方法是使用填充材料。
填充材料可以填满洞口,保持稳定性并阻止固体材料的泄漏。
二、洞口封堵施工步骤1.准备工作在进行洞口封堵施工之前,需要做好充足的准备工作。
首先,需要评估洞口的尺寸、位置和材质。
然后,选择适当的材料和工具,准备好施工所需的设备。
2.洞口清理在进行洞口封堵施工之前,必须确保洞口的清洁。
使用专业工具清除洞口内的杂质和沉积物,确保封堵材料能够充分附着在洞口表面。
3.封堵材料选择根据洞口的特点和需要封堵的物质类型,选择合适的封堵材料。
常用的封堵材料包括硅酮密封胶、聚氨酯泡沫、水泥、填充材料等。
4.施工操作根据选择的封堵材料,按照制造商的说明进行施工操作。
这可能包括涂抹、填充、粘合或喷涂等步骤。
确保封堵材料均匀、牢固地覆盖在洞口上,形成有效的封堵层。
5.封堵层固化封堵材料施工完成后,必须等待足够的时间,让封堵层充分固化和干燥。
在此过程中,防止任何物质进入封堵层。
6.验收与保养封堵施工完成后,进行必要的验收工作,检查封堵层的质量和效果。
预留洞口封堵施工方案目录一.工程概况 (1)二、编制依据 (1)三.预留洞二次浇注措施 (1)四、施工准备 (2)五、施工方法 (2)(一)、放线洞、泵管洞封堵操作工艺 (2)(二)、工字钢预留洞封堵操作工艺 (4)(三)、厨卫等处预留洞封堵操作工艺 (5)六、质量保证措施 (7)七、安全保证措施及文明施工 (8)预留洞口封堵施工方案一.工程概况工程名称:建设单位:设计单位:监理单位:工程地点:。
本工程框架剪力墙结构,其中6#、9#楼地上15层,1#、2#、3#、5#、8#、11#、12#楼地上18层,7#楼地上26层,10#、13#楼地上34层,总建筑面积121826.45m2.其中地上面积101840m2,地下车库及人防面积19986.45m2。
预留洞口主要有:放线洞、泵管洞、工字预留洞、厨卫间预留洞、出屋面管道洞等。
二、编制依据1、《混凝土结构工程施工质量验收规范》GB5024-20152、《混凝土结构设计规范》 GB50010-20153、《建设施工高处作业安全技术规范》JGJ80-20164、《建筑施工安全检查标准》JGJ59-20115、《高层混凝土结构技术规程》JGJ3-20106、施工组织设计7、图纸及相关变更三.预留洞二次浇注措施内控预留洞、水暖电气安装预留洞及挑架预留洞二次浇注方法。
1、内控预留洞在主体封顶测量后,清理残余模板,将洞口部位松散混凝土凿除,用水清洗干净,并保持二次浇筑部位湿润;采用胶木板钢管支撑。
各项工作完成后,报监理工程师验收后采用高一等级的微膨胀豆石砼浇筑。
浇筑后加强养护。
2、水暖电气安装预留洞,在所有安装工程完成后,清理残余垃圾,将洞口部位松散混凝土凿除,用水清洗干净,并保持二次浇筑部位湿润;采用胶木板钢管支撑。
各项工作完成后,报监理工程师验收后采用高一等级微膨胀的豆石砼浇筑。
浇筑后加强养护。
3、挑架预留洞二次浇筑,悬挑槽钢洞口清理,采用钢丝刷刷毛,洒水湿润,安装模板。
郑州金烟置业有限责任公司2#、6#住宅楼
工程
工字钢部位补孔洞、防渗漏专项处理方案
编制:
审批:
河南一建集团郑州金烟置业住宅楼第二标段项目部
二〇一〇年十月
郑州金烟置业有限责任公司2#、6#住宅楼
工字钢部位补孔洞、防渗漏专项处理方案
2#、6#楼的外架进行拆除后,为避免因处理不当造成外墙渗漏,特制定了以下施工工序指导施工,施工工序如下:
1、工字钢拆除后,先对槽钢部位进行剔凿,结合面处毛化处理,接槎上口应剔凿成里高外
低式,然后用水将槽钢部位清洗干净。
2、工字钢修补如图所示:外墙模板支设时应和本层墙柱及下层梁板平行,里侧支设成喇
叭口,角度为15°,以便浇筑混凝土.
3、混凝土的配制按照C30按照水泥:砂:石子:水=1:2.92:3。
55:0.18的配合比,内
掺水泥量5%膨胀剂,坍落度应控制在8-10mm之间,搅拌均匀后进行浇筑,应分层振捣密实.
4、该部位混凝土浇筑12小时后方可拆除模板,多余部分48小时以后轻轻剔凿,以免对周边
墙体造成影响。
5、模板拆除后,随时进行保温、抹灰等工序的施工,外墙抹灰工序完成后,为避免外墙渗
漏,用上海霞光建筑防水工程有限公司生产的“水不漏”封堵密实,适时进行面砖的粘贴和擦缝,擦缝完成后,对此部位再用“水不漏”喷涂一遍。
6、工字钢部位的处理应每楼号配备不少于2-5人一组的专业人员操作,严格按照技术交
底进行施工,按程序、按步骤逐个施工。
7、项目管理人员及时跟踪管理到位,并对相关工序严格把关。
河南省第一建筑集团有限责任公司
2010年10月10日。
2、当做分项工程施工技术交底时,应填写"分项工程名称"栏,其他技术交底可不填写。
2、当做分项工程施工技术交底时,应填写"分项工程名称"栏,其他技术交底可不填写。
审核人
交底人
接受交底人
2、当做分项工程施工技术交底时,应填写"分项工程名称"栏,其他技术交底可不填写。
工程名称
橡树湾 项目工程
交底日期 2020年10月15日
施工单位 中铁项目部
分项工程名称
/
交底提要 外墙悬挑架预留洞封堵技术交底
交底内容:
2.7在外墙外侧预留洞处涂刷长宽大于洞口尺寸50mm 的聚氨酯防水涂料,涂刷厚度为1.5mm ,并且涂刷成方形。
涂料应与基层粘接牢固;表面平整,涂刷均匀,不得有流淌、皱褶、鼓包、露胎体和翘边等缺陷。
四、质量标准
3.1工字钢预留洞封堵前进行隐蔽验收。
3.2浇筑混凝土前将松散石子,杂物清理干净。
应经常观察模板有无移动情况,发现模板移动等问题应立即停止浇灌,并应在已浇筑的混凝土凝结前修正完好。
3.3预留洞内混凝土要振捣密实,防止空鼓、蜂窝、烂根等质量问题。
预留洞两头要平整,封堵的砼颜色要与结构砼颜色基本一致。
3.4待后期外墙门窗邻水试验时观察检查,封堵位置不得出现渗漏水现象。
(b )
2、当做分项工程施工技术交底时,应填写"分项工程名称"栏,其他技术交底可不填写。
悬挑钢梁穿墙洞口封堵施工工法悬挑钢梁穿墙洞口封堵施工工法一、前言悬挑钢梁穿墙洞口封堵施工工法是一种常用于建筑结构改造或新建工程中的技术手段。
该工法通过在洞口上方设置悬挑钢梁,将悬挑钢梁的重量通过墙体传递到地基,从而更好地分散荷载,增强结构的稳定性。
本文将对悬挑钢梁穿墙洞口封堵施工工法进行详细介绍。
二、工法特点悬挑钢梁穿墙洞口封堵施工工法具有以下几个特点:1. 结构简单:采用悬挑钢梁的方式进行穿墙洞口的封堵,无需对墙体整体进行重建或改造,节约了大量的时间和人力资源。
2. 荷载合理分配:通过悬挑钢梁将结构荷载通过墙体平稳传递到地基,从而分散荷载,提高结构的承载能力。
3. 施工便捷:悬挑钢梁的安装和固定相对简单,不需要复杂的工艺流程和设备,降低了施工难度和成本。
4. 适应性广泛:悬挑钢梁穿墙洞口封堵工法适用于各种材质的墙体,如砖墙、混凝土墙和钢筋混凝土墙等,具有较强的适应性。
三、适应范围悬挑钢梁穿墙洞口封堵施工工法适用于以下情况:1. 建筑结构改造:在旧建筑中进行墙体开洞时,可以采用悬挑钢梁穿墙洞口封堵工法,实现结构的稳定和变形的控制。
2. 新建工程:在新建建筑中需要实现墙体开洞时,可以选择悬挑钢梁穿墙洞口封堵工法,以确保结构的安全性和稳定性。
四、工艺原理悬挑钢梁穿墙洞口封堵施工工法的原理是通过悬挑钢梁将上部荷载引导到下部的地基上,从而减小墙体上的受力,保证结构的稳定性。
具体操作如下:1. 根据设计要求,在穿墙洞口上方设置悬挑钢梁,悬挑长度根据荷载大小和墙体强度而定。
2. 在墙体两侧安装支架,通过支架与悬挑钢梁固定连接,确保悬挑钢梁的稳定性。
3. 在墙体洞口的顶部和侧部进行加固,以增加墙体的整体强度,以适应悬挑钢梁的荷载。
4. 考虑到悬挑钢梁与墙体之间的空隙,需要进行密封处理,以确保施工质量和防止水、气的渗透。
五、施工工艺悬挑钢梁穿墙洞口封堵施工工法的施工过程如下:1. 进行洞口开挖:根据设计要求,对墙体进行洞口开挖,保证洞口大小和位置的准确性。
第 1 页 共 4 页
目 录
一、工程概况 ........................................................................................... 2
二、编制依据 ........................................................................................... 2
三、安全防护棚搭设方法选择................................................................... 2
四、质量保证措施 .................................................................................... 2
六、安全生产保证措施 ........................................................................... 3
重庆市厦坤建设(集团)有限公司 江鸿·枫侨郡一期16
#
楼工字钢洞口封顶施工方案
第 2 页 共 4 页
一、工程概况
工程名称:一期16#楼工程
建设单位:重庆房地产开发有限公司
监理单位:重庆建设工程咨询有限公司
施工单位:重庆建设(集团)有限公司
工程地址:永小学旁
一期16#楼工程为33层高层建筑,剪力墙结构建筑高度105米,结构安
全等级为二级,设计使用年限为50年。建筑的抗震设防类别为丙类。本工程
高层住宅采用现剪力墙结构,剪力墙抗震等级为三级。
二、编制依据
1、《混凝土结构工程施工质量验收规范》GB5024-2010
2、《混凝土结构设计规范》 GB50010-2010
3、《建设施工高处作业安全技术规范》JGJ80-91
4、《建筑施工安全检查标准》JGJ59-99
5、《高层混凝土结构技术规程》JGJ3-2002
三、安全防护棚搭设方法选择
根据施工现场实际情况,16#楼在9层、15层、21层、27层、32层位
置悬挑工字钢,搭设安全防护棚,工字钢纵向间距1.8米,悬挑出楼层3
米,工字钢上采用Φ48×3.6钢管(验算时钢管壁厚取2.8mm)作为次楞,
纵向布置在工字钢梁,间距0.8米;为确保次楞钢管稳定,应在次楞上沿次
楞垂直方向锁横向钢管,间距1米,以使次楞钢管形成一片整体骨架。次梁
上先满铺一层密目安全网,然后在搭放40*80的木方,间矩200mm,木方上
再铺设一层模板,模板选用工地上的旧模板,为18m厚的九夹板。
四、质量保证措施
根据悬挑架槽钢预埋位置,穿过剪力墙部位槽钢处设置120×200预留
洞,槽钢搁置位置尽量避免与墙柱主筋冲突,如与主筋冲突应将主筋折弯,
严禁割断墙柱主筋,在槽钢洞上部附加两根同墙柱主筋的洞口附加筋,两侧
加两根同墙柱主筋的附加筋并锚入柱内,待悬挑槽钢拆除后进行封堵。阳角
部位严禁预留槽钢洞,混凝土浇筑时将槽钢浇筑进转角柱内,待后期将槽钢
割断,并保证凹进砖墙10-15mm。待细石混凝土有一定强度后再用掺10%防
重庆市厦坤建设(集团)有限公司 江鸿·枫侨郡一期16
#
楼工字钢洞口封顶施工方案
第 3 页 共 4 页
水剂的1:3水泥砂浆补嵌密实至墙面平。
工艺流程:悬挑槽钢洞口清理→钢丝刷刷毛→洒水湿润→灌混凝土→抹防水
砂浆。
1、清理悬挑槽钢洞口粘存杂物,清理完毕后用吹风机吹干净。
2、悬挑槽钢洞口清理干净后,用钢丝刷绕圆圈刷毛,用吹风机吹净。
3、使用喷壶进行喷水湿润,在施工前一小时进行喷水,使悬挑槽钢洞口周
围保持湿润。施工时再进行小量喷水,以便施工。
4、将外墙一面用模板遮挡严密,用比原结构高一等级标号的微膨细石混凝
土边浇灌边捣密实,细石混凝土外面凹进砖墙10-15mm。待细石混凝土有一
定强度后再用掺10%防水剂的1:3水泥砂浆补嵌密实至墙面平。
5、工字钢预留洞封堵前进行隐蔽验收。
6、封堵完成后,组织专项验收。并提供混凝土材料相关试验报告及现场淋
水试验结果,不得出现渗漏水现象。
六、安全生产保证措施
1、消防安全措施
1)现场严禁抽烟,设定专门吸烟区,烟蒂入缸,不准随意抛扔。
2)易燃易爆物品专库存放,远离火源热源,仓库严禁使用碘钨灯,照明使用
高压水银灯,室内通风良好。
3)严禁在施工现场焚烧施工垃圾。
4)施工现场每个楼面配置灭火器,位置明显,不随意变动。
5)熟悉消防器材用法,专人检查,保持完好。
2、电安全措施
1)所有用电,专人负责,严禁非电工人员接驳电源。
2)接驳电源切断电源,严禁带电作业,特殊情况需带电作业时,必须采取严
格保护措施。
3)所有电线须用双层胶皮护套线,电线须架空,架设顺牢固,不得绑在金属
管道或结构物上。
4)使用空气开关或漏电开关,插头、插座保持完好,电气开关不能一物多用。
5)机械设备、电气设备须有可靠接地,并不得带病运转和超负荷使
用,手用电动工具要保持良好,使用是注意安全。
3、施工安全措施
1)施工现场须带安全帽,不准穿拖鞋进入施工现场。
重庆市厦坤建设(集团)有限公司 江鸿·枫侨郡一期16
#
楼工字钢洞口封顶施工方案
第 4 页 共 4 页
2)高空作业严禁穿皮底鞋,系好安全带,严禁在没有扶手的情况下顺攀沿物
走动。
3)使用电动工具时,要谨慎操作,方法得当,把握牢靠,被切割件要夹牢。