API6A阀门相关计算
- 格式:xls
- 大小:52.00 KB
- 文档页数:15
阀门选型计算公式(实用)引言本文档旨在提供实用的阀门选型计算公式,帮助工程师们在选择合适的阀门时能够进行简便的计算。
请注意,本文中的公式仅适用于常见的阀门选型情况,对于特殊案例可能需要进一步的分析和调整。
主要公式以下是常见阀门选型所使用的主要计算公式:流量公式流量公式用于计算阀门的理论流量。
`Q = C × A × √(2gh)`其中:- Q 为流量(m³/s)- C 为流量系数(无单位)- A 为阀门流通面积(m²)- g 为重力加速度(m/s²)- h 为液位高度(m)压力损失公式压力损失公式用于计算阀门在液流通过时的压力损失。
`ΔP = K × (Q/W)²`其中:- ΔP 为压力损失(Pa)- K 为压力损失系数(无单位)- Q 为流量(m³/s)- W 为液体的单位重量(N/m³)阀门大小计算阀门大小计算公式用于确定阀门的适当尺寸。
首先,根据流量公式计算理论流量 Q。
然后,根据阀门的流量系数和流通面积的关系,计算所需的流通面积。
其他因素在阀门选型时,除了上述公式之外,还需要考虑以下因素:- 工作温度和压力- 阀门材料- 流体性质- 系统需求和限制总结通过使用以上提供的实用的阀门选型计算公式,工程师们可以更轻松地进行阀门选型。
然而,请谨记在实际应用中,需要根据具体情况进行细致的分析和调整,以确保选取的阀门能够满足系统的需求。
以上为阀门选型计算公式的简要介绍,希望对您有所帮助。
1 性能要求—总则所有产品的设计,应使该产品在额定的压力、温度和表1所列材料级别相适应的试验流体条件下,其性能符合本文件及4.8的要求。
其它要求包括载荷能力、周期操作力或操作扭矩。
性能要求分PR1和PR2两级。
后者代表更严格的要求。
2 工作条件2.1压力额定值a、总则按照下列最高额定工作压力进行设备设计:psi MPa2000 13.83000 20.75000 34.510000 69.015000 103.420000 138.0b、螺纹式设备的限制设计带有内螺纹式端部和出口连接的设备应按表2所限定的螺纹尺寸和额定工作压力。
额定值不涉及油管县挂器和套管悬挂器。
c、设计考虑设计应将所承受的压力所引起的其它载荷计算在内,特殊条件也应予考虑。
2.2温度额定值a、总则设备应设计成表3所示的一种或多种温度等级的最低和最高温度额定值。
最低温度是设备可承受的最低环境温度。
最高温度是设备可直接接触到的流体最高温度。
b、设计考虑设计应考虑设备在使用中会经历到的,由于温度变化和温度梯度所引起的差热、膨胀。
2.3材料级别额定值a、总则设备所用的材料,包括金属材料,应满足表1规定的要求。
在满足力学性能的条件下,不锈钢可代替碳钢和低合金钢,抗腐蚀合金可用于代替不锈钢。
b、材料级别选定材料级别是用户的首要责任。
在决定这些选择时,用户应按不同环境因素和生产变量进行研究。
3设计方法3.1法兰API法兰应按API阀门和井口设备标准委员会制定的设计准则和方法设计。
3.2套管悬挂器、油管悬挂器、锁紧螺钉和杆套管悬挂器、油管悬挂器、锁紧螺钉和杆的设计应满足公司按2条款中规定的性能特性和使用条件,公司应规定符合被认可的工程实践的设计方法。
3.3其它端部接头、本体和盖其它端部接头、本体和盖应按下列的一种或多种方法设计。
3.3.1 ASME ASME锅炉和压力容器规范第Ⅷ卷第2册附录4所叙述的设计方法可用于承压设备的设计计算。
设计许用应力受下列准则限制:S T=0.83S Y和Sm=2/3S Y式中:Sm=额定工作压力下的设计应力强度S T=静水压试验压力下的最大许用的主薄膜应力强度S Y=材料规定的最低屈服强度3.3.2变形能理论变形能理论可用于承压设备的设计计算。
阀门、弯头、法兰表面积计算公式阀门、弯头、法兰表面积计算公式【打印】阀门按下面的公式计算:1.V体积(m3)=π(D=1.033δ)*2.5D*1.033δ*1.05*ND:公称直径δ:保温层厚度N:阀门个数弯头和三通就折合到管道里面计算了(1)阀门表面积:S=πD×2.5DKN(1-3)式中D——直径;K一一系数,取1.05;N——阀门个数。
(2)弯头表面积:S=πD×1.5DK×2π/B×N(1-4)式中D——直径;K——系数,取1.05N——弯头个数;B值取定为:90°弯头.B=4;45°弯头B=8(3)法兰表面积:S=πD×1.5DKN(1-5)式中D——直径;K——系数,取1.05;N——法兰个数。
(4)设备和管道法兰翻边防腐蚀工程量计算式。
S=π(D+A)A(1-6)式中D——直径;A——法兰翻边宽。
12.如何计算绝热工程的工程量?(1)设备简体或管道绝热、防潮和保护层计算公式:V=π(D+1.033δ)X1.033δL(1-7)S=π(D+2.18δ+0.0082)L(1-8)式中V——绝热层体积;S——绝热层面积;D——直径;1.033、2.1——调整系数;d——绝热层厚度;L——设备筒体或管道长;0.0082——捆扎线直径或钢带厚。
(2)伴热管道绝热工程量计算式:1)单管伴热或双管伴热(管径相同,夹角小于900时):D`=D1+D2+(10~20mm)式中D`——伴热管道综合值;D1——主管道直径;D2——伴热管道直径;(10~20mm)——主管道与伴热管道之间的间隙。
2)双管伴热(管径相同,夹角大于90°时):D`=D1+1.5D2+(10~20mm)(1-10)3)双管伴热(管径不同,夹角小于90°时):D`=D1+1.5D2+(10~20mm)(1—1)式中D`——伴热管道综合值;D1——主管道直径。
第0次修订标题:API6A阀门试验规范修订日期:实施日期:2014.04.01版号:A/0页码:1/7本标准参照采用标准API6A-2010规范目的:规范公司API6A阀门压力试验。
压力试验定义:对阀门内腔引入压力介质来检测阀门的密封性能,对试验用气体或液体压力的安全性进行评估。
内容:1阀门压力试验要求:1.1每台阀门装配后出厂前均应进行压力试验。
1.2试验过程中不应使阀门受到可能影响试验结果的外力。
2.压力测量仪表要求:2.1类型和精度——压力测量装置至少要精确到满量程的±2%。
如果用压力表代替压力传感器,压力表应选择试验压力标定为满量程的20%和80%的范围内。
2.2校准程序——压力测量装置应定期用标准压力测量装置或砝码试验器。
在满量程的3个等距点刻度上重校准(零点和满量程点除外)。
2.3校准周期——校准周期应根据使用的重复性和使用程度确定。
校准周期可根据记录的校准历史记载延长或缩短。
校准周期最大为3个月。
3.阀门压力试验介质要求:3.1如无特殊规定,试验介质温度应在540之间。
低温阀门的介质温度根据订单要求确定。
3.2试验介质:液体可用含防锈剂的水、煤油或黏度不高于水的非腐蚀性液体;气体介质可用氮气、空气或其他惰性气体;奥氏体不绣钢材料的阀门进行试验时,所使用的水含氯化物量应不超过100mg/L。
3.3可锻材料制作的本体和其他承压件的试验可在涂漆后完成。
4.本体静水压试验方法和步骤4.1试验方法本体静水压试验是最先进行的压力试验。
试验压力不应施加作为阀门关闭机构两端的压力差。
对组装设备的本体静水压试验由三部分组成:——初始保压期;——压力降至零;——第二次保压期;在各保压周期之间,应将压力降为零。
PSL1、PSL2级的试验压力、保压时间、保压次数在表1给出;PSL3、PSL3G、PSL4级的试验压力、保压时间、保压次数在表2给出。
试验应在本体充填油脂之前进行,装配中允许使用润滑剂。
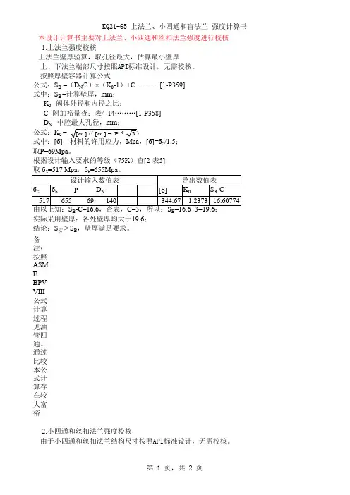
KQ21-65 上法兰、小四通和盲法兰 强度计算书
备注:按照ASME BPV VIII 公式计算过程见油管四通。
通过比较本公式计算存在较大富裕
按照厚壁容器计算公式
公式:S B =(D N /2)×(K 0-1)+C ………[1-P359]
式中:S B –计算壁厚,mm ;
K 0 –阀体外径和内径之比;
本设计计算书主要对上法兰、小四通和丝扣法兰强度进行校核
1.上法兰强度校核
上法兰壁厚验算,取孔径最大,估算最小壁厚
上、下法兰端部尺寸按照API标准设计,无需校核。
根据设计输入要求的等级(75K )查[2-表5]
取 б=517 Mpa ,б=655Mpa 。
C -附加裕量查;表4-14………[1-P358]
D N –中腔最大孔径,mm ;
公式:K 0 =取P=69Mpa 。
式中:[б]—材料的许用应力,Mpa ,[б]=бS /1.5;
1. 机械工业出版社1992版《阀门设计手册》--杨源泉
2. API 6A-19《井口装置和采油树设备规范》
2.小四通和丝扣法兰强度校核
由于小四通和丝扣法兰结构尺寸按照API标准设计,无需校核。
设计计算书参考资料
B B 实际采用壁厚:各处壁厚均大于19.6;
结论:S 实>S B ,壁厚满足要求。
)
(3*P ][/][-σσ第 1 页,共 1 页。
阀门API 6D/6A认证须知作为一个在API认证行业工作了15年的老咨询师,对于申请API阀门类认证有着自己的见解。
API 6D认证基本上是国内申请API认证最大的一个门类了。
目前仅仅中国,手握API 6D认证的已经有376家,如果加上API 6A认证中阀门类的有197家,总计的证书数已经超越了API Q1认证的470张(此数据更新于2015年8月12日)。
粗粗算来,通过本人手里申请的API 6D证书也已经有13张。
除了一家企业因为国外卖家临时改换交易对手,这家企业老板觉得申请的必要性不大而放弃外,其他的全部申请成功。
从入手到申请成功的时间为7个月至17个月不等(其中有部分是我个人当时经验不足,文件提交有误,有部分是企业重视度不够,提交资料不及时)。
最怕的就是,企业经营者仅仅为了申请证书而申请,以中国式的潜规则对待严谨的老外。
诚然,有部分审核员可以靠金钱收买,但API认证是个每年都要年审的严肃认证,API的意义也是为了提升企业的管理能力,通过已经被证明为成功的经验示范,依靠可以合理评估的工作流程,进而建立起企业合理有效的质量手册和更多的规范性文件。
即使企业依靠盘外招获取了一张证书,貌似企业的形象变的高大上了,但你的产品质量没有同步提高,你的核心竞争力就没有树立,你还会给API带来不利的影响,API 怎么会放过对这种企业的监管呢?不说其他的,每年光是开不符合项,就会让此类企业疲于奔命。
所以我的意见是:一个企业如果想通过我申请API认证(不限于API 6A/API 6D),除了企业是具备了相应的条件(硬件),然后还要有认真学习API管理规范的精髓并应用到企业实践中去的决心。
如此,我们才能无愧于API咨询师的身份,真正从企业的成长中获得成就感,而且自己的工作也会事半而功倍。
API 6D认证一般是要求申请认证的管线系统的球阀、止回阀、闸阀、旋塞阀首先要符合ISO13623的规范,其后在产品的设计、制造、实验及文件方面更提出自己的规定和要求。
api6a法兰尺寸API 6A 法兰尺寸在石油、天然气等工业领域中,API 6A 法兰是一种至关重要的连接部件。
它的尺寸规格直接影响着设备的安装、密封性能以及整个系统的运行稳定性。
接下来,让我们深入了解一下 API 6A 法兰的尺寸相关知识。
API 6A 法兰的尺寸涵盖了多个方面,包括外径、内径、螺栓孔中心圆直径、螺栓孔数量和直径、法兰厚度等等。
这些尺寸的精确设定是为了满足高压、高温以及腐蚀性介质等苛刻工况的要求。
首先,外径是法兰外边缘的直径。
其大小取决于法兰的压力等级和公称直径。
不同的压力等级会导致外径的差异,压力越高,外径通常也越大。
比如,在较低压力等级下,外径可能相对较小;而在高压力等级时,外径则会明显增大,以提供足够的强度和稳定性。
内径则是法兰内部通道的直径,它与所连接管道的内径相匹配,以确保介质能够顺畅流动,且不会因为内径过小而产生过大的阻力。
螺栓孔中心圆直径是指法兰上螺栓孔分布的圆周直径。
这个尺寸的确定要考虑到螺栓的布置和受力均匀性,以保证法兰在紧固时能够均匀受力,实现良好的密封效果。
螺栓孔的数量和直径也是非常重要的尺寸参数。
螺栓孔数量的多少与法兰的大小和压力等级有关。
一般来说,较大尺寸和高压力等级的法兰需要更多的螺栓孔来提供足够的紧固力。
螺栓孔的直径则要与所使用的螺栓规格相匹配,确保螺栓能够顺利穿过并发挥紧固作用。
法兰的厚度也是一个关键尺寸。
厚度不足可能导致法兰在承受压力时发生变形甚至破裂;而厚度过大则会增加成本和重量。
因此,法兰厚度的确定需要综合考虑压力、温度、材料强度等多种因素。
在实际应用中,选择合适的 API 6A 法兰尺寸至关重要。
如果尺寸选择不当,可能会引发一系列问题。
比如,尺寸过小可能无法承受工作压力,导致泄漏甚至设备故障;尺寸过大则会造成材料浪费,增加成本,并且可能会影响安装和操作的便利性。
为了确保选择正确的 API 6A 法兰尺寸,需要根据具体的工作条件进行详细的计算和分析。