三级检查表
- 格式:doc
- 大小:136.00 KB
- 文档页数:5
1.国务院关于发布《关于实行专业技术职务聘任制度的规定》的通知(国发[1986]27号)2.关于印发《企事业单位评聘专业技术职务若干问题暂行规定》的通知(人职发[1990]4号3.关于印发《〈企事业单位评聘专业技术职务若干问题暂行规定〉有关具体问题的说明》的通知(人职发[1991]11号)4.《企事业单位评聘专业技术职务若干问题暂行规定》有关具体问题的补充说明(人职发[1991]17号)5.关于贯彻人职发[1990]4号文件有关问题的解答(人职司函[1991]15号)6.关于印发贯彻执行人事部《企事业单位评聘专业技术职务若干问题暂行规定》的实施意见及其它相配套的有关规定意见的通知》(鲁职改字[1991]7号)7.关于转发人事部《企事业单位评聘专业技术职务若干问题暂行规定》有关具体问题的补充说明的通知(鲁职改字[1991]第11号)8.关于专业技术职务评聘工作中一些有关具体问题的说明和意见([1993]鲁人职函649号)9.关于印发《关于处理专业技术职务评聘工作中违反政策纪律问题的暂行规定》的通知(鲁人职[1994]9号)10.关于对专业技术人员职称外语等级统一考试的通知(人发[1998]54号)11.关于全国专业技术人员计算机应用能力考试的通知(人发[2001]124号)12.关于报送专业技术职务高级评审委员会评审结果有关材料的通知(鲁人办发〔2001〕74号)13.关于专业技术人员职称外语等级考试有关问题的通知(鲁人发[2001]97号)14.关于专业技术人员计算机应用能力考试有关问题的通知(鲁人发[2002]9号)15.关于印发《山东省专业技术职务评审委员会组织办法(试行)》和《山东省专业技术职务任职资格评审办法(试行)》的通知(鲁人发[2002]26号)16.关于做好专业技术人员职称外语等级考试工作的通知(鲁人发[2005]6号)17.关于印发《山东省高级专业技术职务任职资格破格申报指导条件(试行)》的通知(鲁人发[2005]15号)18.关于海外留学回国等部分专业技术人员申报专业技术资格免于外语和计算机应用能力考试的通知(鲁人发[2006]7号)19.关于完善职称外语考试有关问题的通知(鲁人发[2007]19号)20.转发人力资源和社会保障部关于全国专业技术人员计算机应用能力考试科目更新有关问题的通知》(鲁人社办发〔2010〕30号)21.专业技术人员资格考试违纪违规行为处理规定(中华人民共和国人社部第12号令)国务院关于发布《关于实行专业技术职务聘任制度的规定》的通知国发[1986]27号各省、自治区、直辖市人民政府,国务院各部委、各直属机构:现将《关于实行专业技术职务聘任制度的规定》发给你们,请遵照执行。
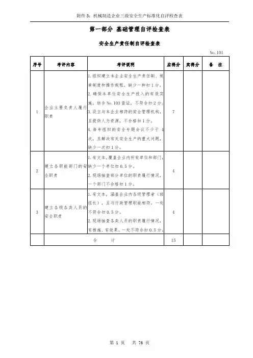
第一部分基础管理自评检查表安全生产责任制自评检查表No.101职业安全健康规章制度自评检查表No.102规划与年度计划自评检查表No.103注:按“考评说明”实行单项条款扣分,扣完为止。
机构与人员自评检查表No.104注:主要考评三级管理网的建立情况。
职业安全健康教育自评检查表No.105事故管理自评检查表No.106No.107No.108注:累计少于80分为不合格班组,发生轻伤以上事故扣全分。
计分方法:实得分=12-不合格班组数/抽查班组数×0.12×100No.109注:共有岗位种,共有安全操作规程种,无遗漏。
特种设备及人员安全管理自评检查表No.110相关方安全管理自评检查表No.111No.112No.113危险源管理自评检查表No.114安全健康档案自评检查表No.115第二部分燃爆热工专业自评检查表工业气瓶自评检查表No.201注:拥有工业气瓶个,其中乙炔气瓶个、氧气瓶个、氮气瓶个、四氟乙烷气瓶个。
共有个放置场所。
危险化学品库自评检查表No.202注:共有危险化学品仓库处,分别是 ,全查。
油库、油罐自评检查表No.203注:共有油库、油罐处。
液化气站自评检查表(空项)No.204煤气站自评检查表(空项)No.205制氧站自评检查表(空项)No.206压力容器自评检查表No.207注:拥有压力容器个,全查。
乙炔发生站自评检查表(空项)No.208锅炉与辅机自评检查表(空项)No.209空压机自评检查表No.210注:拥有空压机台,全查。
工业管道自评检查表No.211注:工业管道米,全查。
木料场所自评检查表(空项)No.212注:拥有木料场所处,全查。
工厂建筑自评检查表No.213注:拥有建筑物数量为座,总建筑面积约m2,全查。
总占地面积m2涂装作业场所自评检查表No.214注:拥有涂装作业场所处。
锻造机械自评检查表(空项)No.215注:拥有锻造机械台,全查。
危险化学品从业单位安全生产标准化三级企业达标检查表检查项目检查内容企业(三级)达标标准 检查方法 检查结果 备注1.建立识别和获取适用的安全生产法律法规的管理制度;2.明确责任部门、获取渠道、方式、时机;3.及时识别和获取适用的安全生产法律法规;4.形成法律法规清单和库;5.定期更新法律法规清单和库。
通过查文件方式确认1.是否有适用的安全生产法律法规管理制度;2.是否建立适用的法律法规清单和资料库;3.是否定期更新记录。
1、未进行或未明确专门部门定期识别和获取的(×)2.其他填写相应检查结果是否采用适当的方式、方法,将适用的安全生产法律法规及时传达给相关方。
1.通过查文件发放记录、培训记录、告知书、宣传材料等。
2.通过向相关方询问是否接收到企业传达的相关信息。
填加相应检查结果1.1法律、法规和标准的识别和获取1.执行和落实法律法规的有关规定和标准的有关要求;2. 将法律法规的有关规定和标准的有关要求转化为企业安全生产规章制度或安全操作规程的具体内容。
1.通过查文件确认是否有适用的法律法规清单、规章制度和安全操作规程清单。
2.通过询问确认有关人员对法律、法规和标准规范的了解、掌握情况。
3.现场检查法律、法规和标准的遵守情况。
填加相应检查结果1 法律、法规和标准1.2法律、法规和标准符合性评价 1.每年至少1次对适用的安全生产法律法规的执行情况进行符合性评价;2.对评价出的不符合项进行原因分析,制定整改计划和措施;通过查文件确认是否有:1.符合性评价报告、记录;2.不符合项整改记录。
1、未进行符合性评价的(×)2.其他填加相应检查结果目3.编制符合性评价报告。
1.主要负责人组织制定符合企业实际的、文件化的年度安全目标;2.安全目标应满足:(1)形成文件,并得到所有从业人员的贯彻和实施;(2)符合或严于相关法律法规的要求;(3)与企业的职业安全健康风险相适应;(4)目标予以量化;(5)公众易于获得。
三级医师查房检查表 科室 查房医师 时间 评估项目 质量要求 存在问题 查房前准备 (1)查房前在交接班会上应明确查房的患者; (2)下级医师应做好查房前的准备工作(如病历资料,影像资料,所需检查器材等)
查房纪律和注意事项 (1)主任医师查房时,应按职称各站其位,队列有序,保持查房秩序。 (2)参加人员衣装整洁,仪表端庄,手机要处于震动状态,非医疗事件不接打电话。 (3)查房过程中要遵守消毒隔离制度和保护性医疗制度(如对特殊病人不宜在病人床边提及的问题要安排在医生办公室进行等)。
查房程序及内容
住院医师汇报: (1)患者基本信息; (2)主诉、现病史及其他相关病史; (3)体格检查; (4)专科情况及病历摘要; (5)入院后病情变化; (6)诊疗经过; (7)提出需要解决的诊疗问题。 主治医师: (1)对住院医师汇报的内容进行补充; (2)针对需要解决的诊疗问题提出自己的见解及问题。
主任医师: (1)询问需要补充的病史、进行必要的查体,并查看辅助检查; (2)检查病历质量; (3)检查诊疗方案及医嘱执行情况; (4)检查医护人员“三基”水平,包括影像资料及心电图等阅读; (5)查询病人对疗效的感受和意见。 查房程序及内容
结合所查病例由主任医师和下级医师进行双向式提问、回答或解答。 (1)科主任对下级医师提出的疑难问题和请示,进行解答。 (2)针对病历质量问题和医疗处置存在的质量问题进行提问、答辩; (3)针对具体病例诊疗的关键技术问题由科主任提问,住院医师回答;
主任医师要结合所查病例进行讲评: (1)结合病例进行分析(即该病例或该病种有关的临床医学资料综述及诊断、鉴别诊断及治疗的科学依据分析); (2)结合所查病例讲解国内外医学进展,包括相关循证资料; (3)结合所查病例的病历书写质量、对病例的疗效观察、服务质量以及可能存在的风险及不安全因素,进行质量讲评。
(1)主任医师要解决下级医师提出的疑难技术问题,做出医疗决策或会诊决定; (2)解决欠妥的诊疗计划问题,纠正不当的医疗措施。
企业“三级三层”安全生产检查用表实施细则
为进一步落实企业安全生产主体责任,严厉打击安全生产
违法违规行为,消除施工现场安全隐患,在“百日亮剑行动”
检查表的基础上,对企业自查用表进行修改完善。现将检查用
表具体实施要求如下:
1.施工企业要成立项目部安全检查小组,每天对施工现场
进行安全检查。安全检查小组要制定日常检查工作方案,明确
人员分工、组织形式、检查计划、检查要点等内容。每日安全
检查可根据当天安全生产要点突出重点进行检查,但每周要对
施工现场存在的所有检查项进行全覆盖检查。
2、施工企业要根据现场实际施工阶段对检查用表的内容进
行筛选,对于当前施工阶段不涉及的检查内容进行标识。
3、企业每次安全检查中发现的安全隐患要注明部位并留有
影像记录。安全隐患整改应留有整改前后对比影像记录。
4、施工企业项目部周检同监理单位周检合并进行。监理单
位每周对项目安全生产管理情况及周检工作质量进行评价。
10
5、我局将不定期对企业落实安全自查情况进行执法检查。
对于开展安全自查流于形式、填写内容弄虚作假的企业,我
局将严厉查处。
1 站(中心)申报国家三级机构评定检查表 评审人: 评审意见: 评审时间: 年 月 日 评定内容 评定依据 条件 具备 备注
是 否 1.工作机制
1.1建立政府分管领导牵头的救助管理工作机制 当地政府文件 1.2民政、公安、城市市容管理等部门建立街面救助管理机制 当地政府文件或有关部门联合发文规定部门职责 1.3民政、铁道、交通等部门建立受助人员乘坐交通工具的沟通协调机制 当地政府文件或有关部门联合发文规定部门职责,或有购票协议 1.4民政、公安、卫生、财政等部门建立危重病人、精神病人救治机制 当地政府文件或有关部门联合发文规定部门职责
2.机构设置与设施
2.1设有求助接待、救助管理、流浪未成年人救助保护等业务部门 查看救助管理机构部门设置及职能介绍 2.2床位在50张以上
申报材料中有说明,照片、视频中有体现 实地检查 房屋综合建筑面积在1500m2以上 宿舍人均居住面积不少于4m2 室外活动场地不低于200m2 2.3选址合理,交通便利,临近城区主要道路,在繁华地段、交通要道设置了引导牌 申报材料中有说明或照片、视频资料中有体现
2.4建立有效覆盖的救助服务网络,公布24小时求助电话,通过114电话查询或互联网能查询到 申报材料中有相关说明,拨打当地114可以查到 2.5设有接待室 申报材料中有说明或照片、视频资料中有体现 实地检查
设有值班室 申报材料中有说明或照片、视频资料中有体现 实地检查
设有居室 申报材料中有说明或照片、视频资料中有体现 实地检查
设有教室 申报材料中有说明或照片、视频资料中有体现 实地检查
设有观察室 申报材料中有说明或照片、视频资料中有体现 实地检查 2
设有活动室 申报材料中有说明或照片、视频资料中有体现 实地检查 设有储藏室 用于存放救助管理机构物资。申报材料中有说明或照片、视频资料中有体现 实地检查
设有物品保管室 用于保管受助人员物品。申报材料中有说明或照片、视频资料中有体现 实地检查 设有餐厅 申报材料中有说明或照片、视频资料中有体现 实地检查 设有卫生间 申报材料中有说明或照片、视频资料中有体现 实地检查 设有洗浴室 申报材料中有说明或照片、视频资料中有体现 实地检查 各功能区有醒目指示牌,廊道、道路通畅,各项设施设备安全运行,整体环境干净、整洁 照片、视频资料中有体现 实地检查
2.6接待室、居室、观察室、活动室、餐厅、卫生间和洗浴室等无障碍设施完善 照片、视频资料中有体现 实地检查 2.7设置的流浪未成年人救助保护中心应符合《流浪未成年人救助保护中心建设标准》(建标111-2008)规定的三类建设标准 ————————————————————— — — 实地检查
3. 机构设
3.1接待室配备足够的座椅等服务设施,配备轮椅、拐杖、老花镜等辅助器具和急救药箱 申报材料中有说明或照片、视频资料中有体现 实地检查 3.2受助人员居室采光良好 照片、视频资料中有体现 实地检查 受助人员居室配备床具及必要的床上用品 照片、视频资料中有体现 实地检查 3.3根据当地气候特点,为受助人员居室配备降温、采暖、通风设备 照片、视频资料中有体现 实地检查 3.4观察室设置透明观察窗口或配备技防设备 照片、视频资料中有体现 实地检查 3.5活动室配备电视、座椅 照片、视频资料中有体现 实地检查 3.6洗浴室配备冷、热水洗浴设备和防滑垫 照片、视频资料中有体现(扶手等其他无障碍设施也可) 实地检查
3.7餐厅有卫生许可证 餐饮服务许可证或相关证明材料 餐厅配备桌椅 照片、视频资料中有体现 实地检查 餐厅配备安全清洁的餐具 申报材料中有说明或照片、视频资料中有体现 实地检查 厨房配备食品加工、贮藏和消毒设备 申报材料中有说明或照片、视频资料中有体现 实地检查 3
备 3.8配备衣物洗涤、消毒设备 申报材料中有说明或照片、视频资料中有体现 实地检查 配备口罩等必要卫生防护、劳动保护用品 申报材料中有说明或照片、视频资料中有体现 实地检查 3.9走道、楼梯、卫生间、洗浴室等区域设有安全扶手 申报材料中有说明或照片、视频资料中有体现 实地检查
3.10配备工作电脑,与全国救助管理信息系统互联互通、通畅运行,数据准确 登录救助管理信息系统查询今年1-6月救助量,救助量在100人次以上属于正常使用。 3.11配备救助专用车不少于2台 申报材料中应注明车牌号码或有其它相关证明车辆数量的材料,照片、视频资料中以能明显识别的车辆数量为准 实地检查
4.安全保障 4.1设置警务室或警务联络员 申报材料中有说明或照片、视频资料中有体现 实地检查 配备有安全保卫人员 申报材料中有说明或照片、视频资料中有体现 实地检查 内部安全保卫制度健全 申报材料中有相关文本 4.2接待室配备金属探测器等安全检查设备 申报材料中有说明或照片、视频资料中有体现 实地检查
4.3公共活动区域设置技防设备,使用正常 申报材料中有说明或照片、视频资料中有体现 实地检查
4.4建立疫情、火灾、极端天气等突发事件应急预案和处置机制 申报材料中有相关文本 4.5符合国家消防安全要求,建筑防火等级不低于二级 申报材料中有相关说明 注:有下列一项资料即可:建设工程消防设计合格意见和消防验收合格意见(备案凭证);消防合格证明或消防检查合格记录;民政局出具公函,证明历次检查合格并承诺继续做好消防工作。
消防设施配置符合有关规定,取得消防机关检验合格证书
5. 机
5.1全额拨款事业单位或参照公务员法管理 编制部门文件 5.2救助数量与工作人员比例关系不低于100:1 审核申报材料。以人事编制部门批复的编制总量内实际在编人员数为准。公益性岗位和临聘人员属于工作人员计算范围。 行政领导和科室负责人应具有国家承认的大专以上学历 申报材料中有相关学历证明 管理岗位、专业技术岗位和工勤岗位设置科学合理 ————————————————————— — — 5.3业务经费有制度化保障,满足工作需求 当地政府或有关部门联合发文 5.4有规范的接待服务程序和监督方式,在显著位置公示 申报材料中有相关制度文本,照片、视频资料中有 实地检查 4
构管理 完整记录救助服务内容 体现 5.5实行24小时值班制度,求助电话24小时有人值守 申报材料中有说明或相关制度文本,拨打值班电话有应答,档案管理或其他文字资料中对保存期限有符合要求的规定 对接听应答情况予以录音,录音材料保存10天以上,有争议的保存
2年以上 5.6制定求助人员甄别查询工作程序,认真进行甄别,记录求助人员信息 申报材料中有工作程序文本,照片、视频资料中有体现 实地检查
5.7有群体性求助人员处置方案 申报材料中处置方案文本 5.8与铁道、交通等部门建立车(船)票管理制度,防止跑站骗票行为 申报材料中有说明或提供制度文本 5.9接护送受助人员信息准确、程序规范、交接手续完备 申报材料中有相关说明,参考各地意见反馈,查阅社会舆情 连续3年未发生丢弃受助人员等重大责任事故
5.10工作人员统一着装,装容整洁、精神饱满、态度和蔼、服务周到,遵守救助管理规定 照片、视频资料中有所体现 实地检查
5.11建立并严格执行考勤、财务、人事、培训、宣传等各项制度和政务公开制度 申报材料中有相关说明(无纪律处分情况应有相关文字说明或证明材料) 实地检查
注重行风建设,3年内领导班子成员未受纪律处分 5.12建立规范的档案管理制度 申报材料中有制度文本 实地检查
5.13建立工作人员福利待遇和劳动保护制度定期组织健康检查 申报材料中有相关说明
6.机构服务
6.1地市级年救助能力在1000人次以上、县市级年救助能力在500人次以上 申报材料中有相关说明 6.2定期开展街面救助服务,有工作记录 申报材料中有相关说明或工作记录 6.3协助受助人员联系家人或亲属 申报材料中有相关说明或工作记录 实地检查
6.4为受助人员进行物品登记,提供物品存放凭据 工作记录、照片或视频中有体现 实地检查
6.5按照性别、身体状况安排受助人员分区居住 申报材料中有说明或照片、视频资料中有体现 实地检查 女性受助人员由女性工作人员管理服务
6.6受助人员床上用品至少每周清洗、消毒一次 申报材料中有说明或照片、视频资料中有体现 实地检查 离站人员床上用品及时更换、清洗、消毒 5
6.7为受助人员配备毛巾、牙刷、杯子等基本、清洁的个人生活用品 申报材料中有说明或照片、视频资料中有体现 实地检查
6.8提供符合卫生要求的饮食,实行分餐制 申报材料中有相关说明 实地检查
照顾特殊人员的饮食需要 申报材料中有相关说明 实地检查
6.9为受助人员提供洗澡、理发服务 申报材料中有相关说明 实地检查
6.10为生活不能自理的受助人员提供照顾服务 申报材料中有说明或照片、视频资料中有体现 实地检查
6.11为受助人员提供基本的医疗卫生服务 申报材料中有说明或照片、视频资料中有体现 实地检查
6.12站内突发急重病、传染病的受助人员及时送定点医院诊断治疗或联系卫生防疫部门处置,并有工作记录 申报材料中有说明或照片、视频资料中有体现 实地检查
6.13为无经济能力自行返乡的受助人员提供乘车(船)凭证,并有凭证使用规范 申报材料中有说明或凭证使用规范文本,或照片、视频资料中有体现 实地检查
为无行为能力自行返乡的受助人员提供接护送服务 申报材料中有说明或照片、视频资料中有体现 6.14妥善安置符合条件的受助人员,有安置手续记录 申报材料中有说明,提供安置工作记录 实地检查
6.15开展流浪未成年人家庭监护情况和需求评估 申报材料中有说明,提供评估工作记录和受助人员档案或照片、视频资料中有体现 实地检查 根据流浪未成年人家庭监护情况和需求评估结果提供基本的文化
法制教育、心理疏导、行为干预、技能培训、法律援助等服务 6.16对受助人员代养机构和寄养家庭进行指导和评估,建立定期随访制度 申报材料中有说明,并有监管制度文本或相关协议(如无此类人员,对此项可不作要求) 实地检查
6.17协调乡(镇)政府或有关部门为家庭困难的流浪乞讨人员提供支持 申报材料中有说明或提供帮扶工作记录 实地检查
注意事项:“评定依据”项或“条件具备”项已标注“—”的,不用检查。