卵形曲线(公路线路计算)
- 格式:doc
- 大小:184.00 KB
- 文档页数:6
卵形曲线计算原理一、概念卵形曲线:是指在两半径不等的同向圆曲线间插入一段缓和曲线。
也就是说:卵形曲线本身是缓和曲线的一段,只是在插入时去掉了靠近半径无穷大方向的一段,而非是一条完整的缓和曲线。
二、卵形曲线坐标计算原理根据已知的设计参数,求出包括卵形曲线的完整缓和曲线的相关参数和曲线要素,再按缓和曲线坐标计算的方法来计算卵形曲线上任意点上的坐标。
三、坐标计算以雅(安)至攀(枝花)高速公路A合同段(西昌西宁)立交区A匝道一卵形曲线为例,见图一:(图一)已知相关设计数据见下表:1、缓和曲线(卵形曲线)参数计算A1==59.161卵形曲线参数:A2=(HY2-YH1)×R1(小半径)×R2(大半径)÷(R2-R1)=(271.881-223.715)×50×75÷(75-50)= 7224.900A2==84.999A3==67.0822.卵形曲线所在缓和曲线要素计算卵形曲线长度LF由已知条件知:LF=HY2-YH1=271.881-223.715=48.166卵形曲线作为缓和曲线的一段,因此先求出整条缓和曲线的长度LS,由此找出HZ'点的桩号及坐标(实际上不存在,只是作为卵形曲线辅助计算用)LM=LS(YH1至HZ'的弧长)=A2÷R1=7224.900÷50=144.498∴HZ'桩号=YH1+LM=223.715+144.498=368.213LE=HY2至HZ'的弧长=A2÷R2=7224.900÷75=96.332或LE= LM-LF=144.498-48.166=96.332卵形曲线长度LF=LM-LE=144.498-96.332=48.166(校核)HY2=HZ'-LE=368.213-96.332=271.881(校核)由上说明计算正确3.HZ'点坐标计算(见图二)(图二)①用缓和曲线切线支距公式计算,缓和曲线切线支距公式通式:Xn=[(-1)n+1×L4n–3]÷[(2n-2)!×22n–2×(4n-3)×(RLs)2n–2]Yn=[(-1)n+1×L4n–1]÷[(2n-1)!×22n–1×(4n-1)×(RLs)2n–1]公式中符号含义:n —项数序号(1、2、3、……n)!—阶乘R —圆曲线半径Ls —缓和曲线长②现取公式前6项计算(有关书籍中一般为2-3项,不能满足小半径的缓和曲线计算精度要求,如本例中AK0+090~AK0+160段缓和曲线,如AK0+160中桩坐标带2项算误差达8cm),公式如下:X=L-L5÷[40(RLS)2]+L9÷[3456(RLS)4]–L13÷[599040(RLS)6]+L17÷[175472640(RLS)8]- L21÷[7.80337152×1010(RLS)10] (公式1)Y=L3÷[6(RLS)] - L7÷[336(RLS)3]+L11÷[42240(RLS)5] - L15÷[9676800(RLS)7]+L19÷[3530096640(RLS)9] - L23÷[1.8802409472×1012(RLS)11] (公式2)公式中L为计算点至ZH'或HZ'的弧长HZ':AK0+368.213的坐标从YH1:AK0+223.715推算,L=LS=HZ'-YH1=368.213-223.715=144.498将L=LS 代入公式(1)、(2)得:X=117.1072 Y=59.8839L对应弦长C=√(X2+Y2)=131.5301偏角a1=arctg(Y÷X)=27°05’00.2”* 偏角计算用反正切公式,不要用其它公式。
高等级公路卵形曲线的计算方法周烨摘要在高等级公路施工过程中,常遇到卵形曲线,而设计单位的出发点不同,中线的解算方法也大相径庭。
本文着重从卵形中线几种计算方法入手,在此基础之上阐述了卵形曲线的测设。
关键词卵形曲线复曲线匝道桥高等级公路卵形曲线是高等级公路、立交桥匝道常见的曲线形式,它由基本的三部分构成:第一圆曲线段、缓和曲线段和第二圆曲线段。
中间段缓和曲线用来连接两个不同半径的圆曲线。
其中线坐标解算方法有如下几种:1 补全缓和曲线我国公路上采用的缓和曲线为辐射螺旋线,夹在两圆曲线中间的缓和曲线为整个缓和曲线的一部分,缓和曲线上任一点半径与该点至该缓和曲线起点的距离乘积为一定值:R×L=A,假设R1>R2,可由两圆半径及两圆间的缓和段长ls,求缓和曲线的总长L。
Δl=L-ls(1)Δl就是夹在两圆曲线间缓和段省去的部分,由YH点补长Δl至o点,以o点为该缓和曲线起点,起点的切线方向为x轴,与之垂直的曲线内侧方向为y轴方向建立坐标系(图1)。
缓和曲线公式(推导过程略)如下:(2)(3)图 1利用x、y值可以求得o—YH弦与x轴的夹角:β=3δ。
α1为YH点的切线方位角,则ox的方位:α=α1±β。
o点的坐标可由几何关系求得为(x0,y)。
缓和段上任一点统一坐标可求得:(4)y=yo+xsinα±ycosα(5)2 曲率推算缓和曲线段曲率半径由第一段圆曲线半径R1变为第二段曲率半径R2(假设R1>R2),则缓和曲线曲率半径变化为:(6)其中ls为中间段缓和曲线长,为求缓和曲线方程,现建立以缓和曲线起点为坐标原点,起点的切线方向为x轴,与之垂直的曲线内侧方向为y 轴的坐标系(图2),设P点为缓和曲线上任一点,距原点的曲线长为l,该点附近的微分弧长为dl,缓和曲线偏角为β,则有dx=dlcosβ(7)dy=dlsinβ(8)图 2由于将其代入上式并进行积分可得缓和曲线方程:(9)(10)中间缓和段统一坐标计算为:(11)xsinα±ycosα(12)Y=yYHα为曲线YH点切线方位。
[转]ROAD-2程序特殊应用04——卵形曲线的处理2012-2-9 23:02阅读(0)转载自王中伟ROAD-2程序特殊应用04——卵形曲线的处理今天讨论的是有关ROAD-2程序特殊应用的最后一个主题了,就是卵形曲线的处理。
一、什么是卵形曲线什么是卵形曲线?这种曲线有何特别之处?在路线线型布置方面有什么优点?计算方面有什么不一样的地方?这一系列问题,有必要先弄清楚。
1.基本型曲线我们对比一下基本型曲线和卵形曲线的图形,先看基本型曲线:在描述基本型曲线的特点之前,我们先把一个概念描述清楚,就是:完整缓和曲线。
我们规定,凡是缓和曲线的一个端点的曲率为0(半径无穷大)的,不论长短,以及另一端曲率大小,都称为完整缓和曲线。
基本型曲线的特点是:它由三个曲线元素组成:第一缓和曲线+圆曲线+第二缓和曲线,用符号表达,就是:Ls1+Ly+Ls2,其中最关键的一点是关于缓和曲线的,不论是Ls1还是Ls2,都必须是完整缓和曲线,它连接直线和圆曲线,其中连接直线的那一端的曲率即为0。
基本型曲线是各种等级公路主线使用最多的线型,因此它的计算是最基本的要求。
凡是满足基本型曲线的定义的,其曲线要素、中桩坐标等均可使用同一套公式进行计算。
基本型曲线可以衍生出以下各种类型的曲线:(1)纯圆曲线:Ls1=Ls2=0(2)对称基本型曲线:Ls1=Ls2(3)凸形曲线:Ly=0(4)一侧带缓和曲线:Ls1=0,或者Ls2=0以上曲线的计算均可按基本型曲线公式计算。
也就是说,要使用基本型曲线公式计算,要么不带缓和曲线,如果要带,必须是完整缓和曲线。
两个基本型曲线直接相连的复曲线,均可按独立的两个基本型曲线进行计算,其中,两个同转向的基本型曲线直接连接的称为C型曲线,而两个相反转向的基本型曲线直接连接的称为S型曲线。
S型曲线在各种公路的平面线型中经常使用,而C型曲线则很少有使用的,究其原因,是因为其线型不好,仔细看一看吧,两曲率不相同的圆曲线之间缓和曲线的连接不合理。
公路路线设计中卵形曲线的运用张泽发布时间:2021-09-30T07:53:59.561Z 来源:《防护工程》2021年14期作者:张泽[导读] 卵形曲线是由一个回旋线连接两个同向圆曲线的组合形式。
其组成形式为直线—缓和曲线(A1)—圆曲线(R1)—缓和曲线—圆曲线(R2)—缓和曲线(A2)—直线的顺序组合构成的路线线形。
本文根据相关规范以及设计经验,经过计算论证对卵形曲线从设置条件、计算方法、交通安全性评价三方面对其运用探析,以期能在相关工作中提供参考。
张泽四川公路工程咨询监理有限公司四川成都 610000摘要:卵形曲线是由一个回旋线连接两个同向圆曲线的组合形式。
其组成形式为直线—缓和曲线(A1)—圆曲线(R1)—缓和曲线—圆曲线(R2)—缓和曲线(A2)—直线的顺序组合构成的路线线形。
本文根据相关规范以及设计经验,经过计算论证对卵形曲线从设置条件、计算方法、交通安全性评价三方面对其运用探析,以期能在相关工作中提供参考。
关键词:卵形曲线;回旋线;回旋线参数;卵形曲线计算;交通安全性评价0引言平面线形的三要素为直线、圆曲线和缓和曲线,在路线平面线形设计中通过灵活运用基本要素可组合成多种平面线形的组合形式。
主要有:基本型、S形、C形、卵形、凸形、回头曲线和复合型等。
设计中对于曲线的选择主要以基本型、S形为主,低等级道路设计中对于回头曲线的采用也较为常见,而C形、卵形、凸形、复合型曲线除了卵形在砸道设计中常见,一般仅在地形条件特殊困难,路线严格受限时采用。
对与各种曲线组合的使用在《公路路线设计规范》(JTG D20-2017)(以下称《规范》)中对其使用条件均作了相关规定。
卵形曲线的应用除匝道设计中使用外在低等级道路设计中因其较C形和凸形曲线安全性、驾驶体验较好。
通常在地形地貌、地质水文、建设规模受限时采用卵形曲线,因卵形曲线具有连续的曲率,能保持较好的线形协调性,受到了设计者的青睐,在道路设计中被越来越多的采用。
50卵形曲线辅助点计算(即完整缓和曲线起点的支距)解算步骤卵形曲线:是指在两半径不等的圆曲线间插入一段缓和曲线。
也就是说:卵形曲线本身是缓和曲线的一段,只是在插入时去掉了靠近半径无穷大方向的一段,而非是一条完整的缓和曲线,计算前只需要把不完整的缓和曲线(也就是卵型曲线)补充完整即可。
在计算小半径的缓和曲线或卵形曲线坐标时,由于切线支距公式取项少而造成计算精度低,现有书中一般介绍也就只有2~4项,为提高计算精度就需要将支距公式多展开几项。
以下计算卵型曲线的完整缓和曲线长支距模型:重在学习掌握解算流程,现在空间里有更好的计算程序。
曲线参数A2=LS×R1×R2÷(R2-R1)=卵形曲线长×小半径×大半径÷(大半径-小半径)在同一段回旋线内,它的参数永远是不变的。
LS=卵型曲线长. (已知)完整缓和曲线长L= A2÷R1=曲线参数÷小半径当L=LS时:代入完整缓和曲线切线支距公式:(式中R均为小半径R1)E=L-L5÷[40(RLS)2]+L9÷[3456(RLS)4]–L13÷[599040(RLS)6]+L17÷[175472640(RLS)8]- L21÷[7.80337152×1010(RLS)10]F=L3÷[6(RLS)] - L7÷[336(RLS)3]+L11÷[42240(RLS)5] -L15÷[9676800(RLS)7]+L19÷[3530096640(RLS)9] -L23÷[1.8802409472×1012(RLS)11]完整缓和曲线切线角(即两切线交角)p2=90L2÷(A2)L所对应玄长C=√(E2+F2)大半径处偏角P1=tan- 1(F2÷E2)小半径处偏角P3=180- P1-(180- p2)O=小半径处切线方位角(已知)小半径处至完整缓和曲线起点方位角Q=O±P3 (右向取+号;左向取-号)完整缓和曲线(起点)坐标:X=A+CcosQY=B=CsihQ完整缓和曲线(起点)处切线方位角:O=Q+180±p2 (右向取+号;左向取-号)以起点为基点用回旋线编程计算卵型曲线上任意桩号的中边桩点位坐标。
一.概述近年来随着我国公路建设的发展,全封闭、全立交的高等级公路已经成为我国公路网中的重要组成部分,组成立交的基本单元是匝道,匝道的平面线形组合相对比较复杂,计算烦琐,特别是卵形曲线的计算更加抽象难懂。
卵形曲线的计算方法主要有曲直法、解析法、拟合法、积木法、综合法、弦切法等。
由于其他方法理论抽象、计算烦琐。
因此一般工程放样中主要以弦切法为主。
本文重点介绍弦切法在立交匝道卵形曲线敷设计算中的应用。
二、弦切法的基本原理及计算思路对于路线平面线形而言,无论是绵延不断的公路,还是局部线形组合复杂的立交匝道,其基本构成单元不外是圆曲线、缓和曲线、直线。
一段圆曲线的终点,可以认为是其弦长(弧长所对应的)在相应方向上的延伸所构成的;一段缓和曲线的终点,也可以认为是由一方向和距离所构成的。
因此,在一段路线的起终点坐标和切线方位角固定的情况下,便能容易的求出坐标增量,方位增量的计算式,进而求得各曲线参数。
对于任何一种线形单元,只要知道起点坐标(X0,Y0)和切线方位角ɑ(可以假设为任意值),即可根据弦长S和相关参数确定其线形。
以下图2-1所示卵形曲线为例,若给定R1、R2和回旋曲线参数A,即、终可求得该缓和曲线长、交点坐标(XM,YM)、切线长T1、T2、偏角ɑJ点坐标(XZ,YZ)和终点切线方位角。
这样求得的终点坐标,曲率半径和切线方位角又可以作为下一线形单元起点的相应资料。
交点J的坐标:Xm=T1×COS(ɑ)+X0Ym=T1×SIN(ɑ)+Y0终点坐标:Xz=Xm+T2×COS(a+aj)Yz=Ym+T2×SIN(a+aj)根据卵形曲线的特点,可以计算出如下参数:L1=A2/R1,L2= A2/R2,L=L2-L1(R1>R2),或L=L1-L2 (R1<R2)根据回旋曲线上任意点的相对坐标计算公式:X=L S-L S5/40/A4+L S9/3456/A8,Y=L S3/6/A2-L S7/336/A6+L S11/42240/A10即可计算出卵形曲线起终点在相对坐标系中的坐标(X1,Y1) 和(X2,Y2)。
一、概念卵形曲线:是指在两半径不等的圆曲线间插入一段缓和曲线。
也就是说:卵形曲线本身是缓和曲线的一段,只是在插入时去掉了靠近半径无穷大方向的一段,而非是一条完整的缓和曲线。
二、卵形曲线坐标计算原理根据已知的设计参数,求出包括卵形曲线的完整缓和曲线的相关参数和曲线要素,再按缓和曲线坐标计算的方法来计算卵形曲线上任意点上的坐标。
三、坐标计算以雅(安)至攀(枝花)高速公路A合同段(西昌西宁)立交区A匝道一卵形曲线为例,见图一:(图一)已知相关设计数据见下表:1、缓和曲线(卵形曲线)参数计算A1==59.161卵形曲线参数:A2=(HY2-YH1)×R1(小半径)×R2(大半径)÷(R2-R1)=(271.881-223.715)×50×75÷(75-50)= 7224.900A2==84.999A3==67.0822.卵形曲线所在缓和曲线要素计算卵形曲线长度L F由已知条件知:L F=HY2-YH1=271.881-223.715=48.166卵形曲线作为缓和曲线的一段,因此先求出整条缓和曲线的长度L S,由此找出HZ'点的桩号及坐标(实际上不存在,只是作为卵形曲线辅助计算用)L M=L S(YH1至HZ'的弧长)=A2÷R1=7224.900÷50=144.498∴HZ'桩号=YH1+L M=223.715+144.498=368.213L E=HY2至HZ'的弧长=A2÷R2=7224.900÷75=96.332或L E= L M-L F=144.498-48.166=96.332卵形曲线长度L F=L M-L E=144.498-96.332=48.166(校核)HY2=HZ'-L E=368.213-96.332=271.881(校核)由上说明计算正确3.HZ'点坐标计算(见图二)(图二)①用缓和曲线切线支距公式计算,缓和曲线切线支距公式通式:Xn=[(-1)n+1×L4n–3]÷[(2n-2)!×22n–2×(4n-3)×(RLs)2n–2]Yn=[(-1)n+1×L4n–1]÷[(2n-1)!×22n–1×(4n-1)×(RLs)2n–1]公式中符号含义:n —项数序号(1、2、3、……n)!—阶乘R —圆曲线半径Ls —缓和曲线长②现取公式前6项计算(有关书籍中一般为2-3项,不能满足小半径的缓和曲线计算精度要求,如本例中AK0+090~AK0+160段缓和曲线,如AK0+160中桩坐标带2项算误差达8cm),公式如下:X=L-L5÷[40(RL S)2]+L9÷[3456(RL S)4]–L13÷[599040(RL S)6]+L17÷[175472640(RL S)8]- L21÷[7.80337152×1010(RL S)10] (公式1)Y=L3÷[6(RL S)] - L7÷[336(RL S)3]+L11÷[42240(RL S)5] - L15÷[9676800(RL S)7]+L19÷[3530096640(RL S)9] - L23÷[1.8802409472×1012(RL S)11] (公式2)公式中L为计算点至ZH'或HZ'的弧长HZ':AK0+368.213的坐标从YH1:AK0+223.715推算,L=L S=HZ'-YH1=368.213-223.715=144.498将L=L S代入公式(1)、(2)得:X=117.1072 Y=59.8839L对应弦长C=√(X2+Y2)=131.5301偏角a1=arctg(Y÷X)=27°05’00.2”* 偏角计算用反正切公式,不要用其它公式。
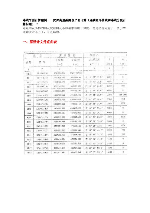
路线平面计算案例——武深高速某路段平面计算(连续卵形曲线和路线分段计算问题) 2这是网友小林的网友发给网友小林请求帮助计算的,说是出现问题了,从JD23开始就对不上了,有点麻烦。
一、原设计文件直曲表我大致验证了一下,可以肯定的是,JD23-JD24-JD25是一个连续的卵形曲线,JD36-JD37-JD38也是如此。
这个例子比较典型,一是连续卵形曲线比较少见,而且一下子出现两个,二是正好可以说一说路线分段计算的问题(针对经常有网友询问怎么处理断链,我回答分段计算,可还有网友不能理解)。
征得同意,发布在本空间供广大网友参考学习。
二、初步计算有问题我的方法,是首先全部用自编的EXCEL程序按交点法进行计算生成直曲表,然后与原设计直曲表对照,主要看推算的交点桩号是否一致,多年的实践经验表明,只要推算的终点桩号与设计文件一致(或者差得很小),该验证即算通过。
本案例用我自编的EXCEL程序生成的直曲表如下:对照验证发现,从JD24的交点桩号就不正确了,再进一步对照附近交点的其它要素,发现从JD23开始,其主点桩号、曲线长度等关键指标就与设计文件不一致了。
三、卵形曲线的确认仔细研究JD23的参数特点,发现这个交点有两个缓和曲线长度,这有可能是卵形曲线,卵形曲线的特点就是不完整缓和曲线,且布置在同向的两个不同半径的圆曲线之间。
我们可以看到,JD24的转向与JD23相同,都是右转。
由于原设计直曲表还有缓曲参数,正好可以进行是否完整缓和曲线的验证。
JD23的第一缓和曲线长180.188米,曲线半径是1200米,按完整缓曲计算缓曲参数为:465.001,与设计文件一致;JD23的第二缓和曲线长179.681米,曲线半径还是1200米,按完整缓曲计算缓曲参数为:464.346,与设计文件不一致;考虑与JD24连接为卵形曲线,半径由1200米变化到4000米,按非完整缓曲计算缓曲参数与设计文件一致:由此确认JD23-JD24为卵形曲线。
道路卵形回旋线任意点坐标及方位角计算方法[摘 要] 本文提出了卵形曲线中缓和曲线段上点位坐标计算方案,推导了其计算过程及公式。
高等级公路,特别是高速公路的平面线形设计形式很多,但归根结底,它们都由直线、圆和缓和曲线(我国《公路路线设计规范》中规定回旋线或称菲涅尔螺旋线为缓和曲线线形)等公路平面线型要素组合而成。
各种平面线形设计形式,如基本形、卵形、S 形、C 形等等,对高速公路更加适应汽车转弯时的行车轨迹,消除曲率突变,增进线形美观及行车舒适感、安全感都有极其重要的意义,但同时,也使曲线计算及野外测设更为复杂。
本文针对高速公路设计实际中出现的卵形曲线,推导了缓和曲线段点位坐标计算方法及公式,为现场测设人员提供了有效的计算方案和测设指导。
一、回旋线的基本特征及坐标计算回旋线上,任意一点的曲线半径ρ与该点至曲线起点的曲结长l 之积为一常数(图1)即2A l =ρ (1)或l A ρ=2式中,2A 为回旋曲线常数,表征回旋曲线曲率变化缓急程度的量,称A 为回旋曲线参数。
1、回旋曲线上的任意一点坐标计算由图1(曲线右旋),取回旋线的起始点ZH 处的切线方向为x 轴,法线方向为y 轴,任意一点的切线方位角为缓和曲线角β。
在缓和曲线上对任意一点P 取微分βββρsin cos dl dy dl dx d dl ===考虑式(1)对β或l 在区间[]β,0或[]l ,0上积分后有下列关系式成立:β222A l = (2)⎝⎛⎪⎪⎭⎫⋅⋅⋅+-+-=93602161012642ββββA x (3) ⎝⎛⎪⎪⎭⎫⋅⋅⋅+-+-=2520044014132642ββββA y (4) 或者⋅⋅⋅-+-=4523345640ρρl l l x (5)⋅⋅⋅-+-=56342422403366ρρρl l l y (6)P 点的回旋曲线长ββρρ222A A l === (10)P 点的缓和曲线角(切线方位角,由(9)式))(90122212222 πρρρβ====A A l (11) 上面导出了当参数分别为β和l 时的右旋缓和曲线上任意一点的坐标和几何要素公式。
公路卵形曲线计算一、概念卵形曲线:是指在两半径不等的同向圆曲线间插入一段缓和曲线。
也就是说:卵形曲线本身是缓和曲线的一段,只是在插入时去掉了靠近半径无穷大方向的一段,而非是一条完整的缓和曲线。
二、卵形曲线坐标计算原理根据已知的设计参数,求出包括卵形曲线的完整缓和曲线的相关参数和曲线要素,再按缓和曲线坐标计算的方法来计算卵形曲线上任意点上的坐标。
三、坐标计算以雅(安)至攀(枝花)高速公路A合同段(西昌西宁)立交区A匝道一卵形曲线为例,见图一:(图一)已知相关设计数据见下表:1、缓和曲线(卵形曲线)参数计算A1==59.161卵形曲线参数:A2=(HY2-YH1)×R1(小半径)×R2(大半径)÷(R2-R1)=(271.881-223.715)×50×75÷(75-50)= 7224.900A2==84.999A3==67.0822.卵形曲线所在缓和曲线要素计算卵形曲线长度LF 由已知条件知:LF=HY2-YH1=271.881-223.715=48.166卵形曲线作为缓和曲线的一段,因此先求出整条缓和曲线的长度LS,由此找出HZ'点的桩号及坐标(实际上不存在,只是作为卵形曲线辅助计算用)L M =LS(YH1至HZ'的弧长)=A2÷R1=7224.900÷50=144.498∴HZ'桩号=YH1+LM=223.715+144.498=368.213LE=HY2至HZ'的弧长=A2÷R2=7224.900÷75=96.332或LE = LM-LF=144.498-48.166=96.332卵形曲线长度LF =LM-LE=144.498-96.332=48.166(校核)HY2=HZ'-LE=368.213-96.332=271.881(校核)由上说明计算正确3.HZ'点坐标计算(见图二)(图二)①用缓和曲线切线支距公式计算,缓和曲线切线支距公式通式:Xn=[(-1)n+1×L4n–3]÷[(2n-2)!×22n–2×(4n-3)×(RLs)2n–2]Yn=[(-1)n+1×L4n–1]÷[(2n-1)!×22n–1×(4n-1)×(RLs)2n–1]公式中符号含义:n —项数序号(1、2、3、……n)!—阶乘R —圆曲线半径Ls —缓和曲线长②现取公式前6项计算(有关书籍中一般为2-3项,不能满足小半径的缓和曲线计算精度要求,如本例中AK0+090~AK0+160段缓和曲线,如AK0+160中桩坐标带2项算误差达8cm),公式如下:X=L-L5÷[40(RLS )2]+L9÷[3456(RLS)4]–L13÷[599040(RLS)6]+L17÷[175472640(RLS)8]- L21÷[7.80337152×1010(RLS)10] (公式1)Y=L3÷[6(RLS )] - L7÷[336(RLS)3]+L11÷[42240(RLS)5] - L15÷[9676800(RLS)7]+L19÷[3530096640(RLS )9] - L23÷[1.8802409472×1012(RLS)11] (公式2)公式中L为计算点至ZH'或HZ'的弧长HZ':AK0+368.213的坐标从YH1:AK0+223.715推算,L=LS=HZ'-YH1=368.213-223.715=144.498将L=LS代入公式(1)、(2)得:X=117.1072 Y=59.8839L对应弦长C=√(X2+Y2)=131.5301偏角a1=arctg(Y÷X)=27°05’00.2”* 偏角计算用反正切公式,不要用其它公式。
基本型曲线及卵形回旋线的中(边)桩坐标、方位角计算基本型曲线一、 基本型曲线的特征在平面线型中有多种多样的曲线形式,由直线—缓和曲线—圆曲线—缓和曲线—直线形式构成的曲线称为基本型曲线。
特征:1、几何特征,基本型曲线中的缓和曲线起始于直线段,终于圆曲线,即 R ρ=∞→。
2、线形特征,缓和曲线段有始有终,具有完整性。
二、 基本参数方程(切支距方程)1、 缓和曲线段:1432222(1)2)!2(43)()n n n s L n RL ----- 1412121(1)1)!2(41)()n n n n s L n RL +----- β=sRL L 22π180(缓和曲线上某点切线方位角)注:笔者给出了按级数展开式的通式,小半径曲线可取至第7项;把β列入参数方程之一,为后续求算边桩用;:L 某点到ZH 或HZ 点的曲线长。
2、 圆曲线段:sin x R q ϕ=+ (1cos )y R p ϕ=-+RL =ϕπ1800β+注:0β:缓和曲线方位角,001802Ls R βπ=;q :切线增长量; p :圆曲线内移值;L : 某点至HY 或YH 点的曲线长;ϕ:其实为圆曲线上某点的切线方位角(读者可自己证明)。
三、 坐标及切线方位角计算1、 第一缓和曲线段上的中(边)桩坐标、切线方位角计算 中桩:第一缓和曲线包括ZH —YH 段,先算出切线支距坐标x 、y ,然后通过坐标转换公式转换为大地测量坐标X 、Y 。
公式为:cos sin sin cos ZH ZH X X A A x Y Y A A y -⎡⎤⎡⎤⎡⎤⎡⎤=+⎢⎥⎢⎥⎢⎥⎢⎥⎣⎦⎣⎦⎣⎦⎣⎦ 注:当曲线为左转角时,以y y =-代入计算。
A 为上一交点(角桩)至曲线交点的导线坐标方位角或ZH 点切线方位角;ZH X 为ZH 点横坐标; ZH Y 为ZH 点纵坐标。
()cos ()sin ZH JD H ZH JD H X X S T A Y Y S T A =+-⎫⎪⎬=+-⎪⎭注:JD X 、JD Y 分别为上一交点的横、纵坐标; S 为上一交点至曲线交点的边长; H T 为曲线的切线长边桩:任意中桩之边桩(法线)坐标为:cos(90)sin(90)X X D Y Y D αα⎧=+-⎪⎨=+-⎪⎩左左cos(90)sin(90)X X D Y Y D αα⎧=++⎪⎨=++⎪⎩右右 注:X 、Y 分别为中桩横、纵坐标;D 为中桩至边桩之距离; α为中桩之切线方位角。
【摘要】在高速公路立交平面线型中,现越来越多采用卵形曲线这一线型形式,而卵形曲线坐标的计算在现有相关书籍中却又很少提到,这就为施工中的坐标计算及放样增加了较大难度,为解决此难道,我在实践中通过对缓和曲线坐标的计算加以分析并结合理论知识,总结出了卵形曲线坐标的计算方法和技巧。
【关键词】卵形曲线坐标计算
一、概念
卵形曲线:是指在两半径不等的同向圆曲线间插入一段缓和曲线。
也就是说:卵形曲线本身是缓和曲线的一段,只是在插入时去掉了靠近半径无穷大方向的一段,而非是一条完整的缓和曲线。
二、卵形曲线坐标计算原理
根据已知的设计参数,求出包括卵形
曲线的完整缓和曲线的相关参数和曲线要素,再按缓和曲线坐标计算的方法来计算卵形曲线上任意点上的坐标。
三、坐标计算
以雅(安)至攀(枝花)高速公路A合同段(西昌西宁)立交区A匝道一卵形曲线为例,见图一已知相关设计数据见下表:
1、缓和曲线(卵形曲线)参数计算
卵形曲线参数:
A2=(HY2-YH1)×R1(小半径)×R2(大半径)÷(R2-R1)
=(271.881-223.715)×50×75÷(75-50)
= 7224.900
2.卵形曲线所在缓和曲线要素计算
卵形曲线长度L F由已知条件知:L F=HY2-YH1=271.881-223.715=48.166
卵形曲线作为缓和曲线的一段,因此先求出整条缓和曲线的长度L S,由此找出HZ'点的桩号及坐标(实际上不存在,只是作为卵形曲线辅助计算用)
L M=L S(YH1至HZ'的弧长)=A2÷R1
=7224.900÷50=144.498
∴H Z'桩号=YH1+L M=223.715+144.498=368.213
L E=HY2至HZ'的弧长
=A2÷R2=7224.900÷75=96.332
或L E= L M-L F=144.498-48.166=96.332
卵形曲线长度L F=L M-L E=144.498-96.332=48.166(校核)
HY2=HZ'-L E=368.213-96.332=271.881(校核)
由上说明计算正确
3.HZ'点坐标计算(见图二)
①用缓和曲线切线支距公式计算,缓和曲线切线支距公式通式:Xn=[(-1)n+1×L4n–3]÷[(2n-2)!×22n–2×(4n-3)×(RLs)2n–2]
Yn=[(-1)n+1×L4n–1]÷[(2n-1)!×22n–1×(4n-1)×(RLs)2n–1]
公式中符号含义:
n —项数序号(1、2、3、……n)
!—阶乘
R —圆曲线半径
Ls —缓和曲线长
②现取公式前6项计算(有关书籍中一般为2-3项,不能满足小半径的缓和曲线计算精度要求,如本例中AK0+090~AK0+160段缓和曲线,如AK0+160中桩坐标带2项算误差达200px),公式如下:
X=L-L5÷[40(RL S)2]+L9÷[3456(RL S)4]–L13÷[599040(RL S)6]+L17÷[175472640(RL S)8]-L21÷[7.80337152×1010(RL S)10] (公式1)
Y=L3÷[6(RL S)] - L7÷[336(RL S)3]+L11÷[42240(RL S)5]- L15÷[9676800(RL S)7]+L19÷[3530096640(RL S)9]- L23÷[1.8802409472×1012(RL S)11] (公式2)
公式中L为计算点至ZH'或HZ'的弧长
HZ':AK0+368.213的坐标从YH1:AK0+223.715推算,
L=L S=HZ'-YH1
=368.213-223.715=144.498
将L=L S代入公式(1)、(2)得:
X=117.1072 Y=59.8839
L对应弦长C=√(X2+Y2)=131.5301
偏角a1=arctg(Y÷X)=27°05’00.2”
* 偏角计算用反正切公式,不要用其它公式。
缓和曲线切线角:
a2=90L2÷(πK)
=90×144.4982÷(π×7224.900)
=82°47’28.5”
* K为卵型曲线参数,本例中
K= A2=7224.900
Q3=180-a1-(180-a2)
=180-27°05’00.2”-(180-82°47’28.5”)
=55°42’28.3”
∴YH1"HZ’切线方位角(M"B)
=205°24’33.6” +Q3
=205°24’33.6”+55°42’28.3”
=261°07’01.9”
∴HZ’:AK0+368.213坐标:
X=X YH1+Ccos261°07’01.9”
=9910.603+131.5301 cos261°07’01.9”=9890.293
Y=Y YH1+Csin261°07’01.9”
=10136.791+131.5301 sin261°07’01.9”=10006.838
4.HZ’:AK0+368.213点的切线方位角(D"B)计算
D"B方位角:
=205°24’33.6”+Q2
=205°24’33.6”+82°47’28.5”
=288°12’02.1”
∴B"D切线方位角:
=288°12’02.1”-180
=108°12’02.1”
5.计算卵型曲线上任意点坐标(以HZ’:AK0+368.213作为推算起点)
①计算HY2:AK0+271.881的坐标
∵L= HZ’- HY2=368.213-271.881=96.332代入公式1、2得:X=92.434 Y=20.022偏角Q= arctg(Y÷X)=12°13’19.61”对应弦长C=√(X2+Y2)=94.578
坐标:
X=9890.293+94.578cos(108°12’02.1”-12°13’19.61”)
=9880.442
Y=10006.838+94.578sin(108°12’02.1”-12°13’
19.61”)
=10100.902
②与设计值比较:
r X=X计算值-X设计值=9880.442-9880.438
=+0.004
r Y=Y计算值-Y设计值=10100.902-10100.904
=-0.002 mm
同理依次可计算出卵型曲线上其它任意点的坐标。
由此可见,采用此方法计算求得的坐标与设计院通过电脑程序计算的结果相差很小,本人多年来在高速公路多条卵型曲线采用此方法计算其坐标,其计算精确,完全可以作为包括高速公路在内的卵型曲线坐标计算。