钢便桥质量检查表
- 格式:doc
- 大小:36.50 KB
- 文档页数:1
桥梁总表达场质量检验表1. 检验工程•[ ] 桥梁主体结构–[ ] 主梁–[ ] 支座–[ ] 墩台–[ ] 墩身–[ ] 根底•[ ] 桥面系–[ ] 桥面铺装–[ ] 排水系统–[ ] 防撞设施•[ ] 护栏系统–[ ] 护栏–[ ] 护栏连接件–[ ] 护栏端部–[ ] 护栏支座–[ ] 护栏根底•[ ] 桥梁附属设施–[ ] 照明设备–[ ] 标志标牌–[ ] 警示设施–[ ] 防火隔离带–[ ] 伸缩缝2. 检验标准桥梁总表达场质量检验表的检验标准应遵循国家相关标准和要求,包括但不限于以下标准: •GB/T 14370-2024 汽车用桥梁技术条件•JTG/T F81-01-2024 公路桥梁水工混泥土和钢筋混泥土结构施工和检验标准•GB/T 51028-2024 桥梁施工质量检验与评定标准3. 检验结果3.1 桥梁主体结构•主梁:检验合格•支座:检验合格•墩台:检验合格•墩身:检验合格•根底:检验合格3.2 桥面系•桥面铺装:检验合格•排水系统:检验合格•防撞设施:检验合格3.3 护栏系统•护栏:检验合格•护栏连接件:检验合格•护栏端部:检验合格•护栏支座:检验合格•护栏根底:检验合格3.4 桥梁附属设施•照明设备:检验合格•标志标牌:检验合格•警示设施:检验合格•防火隔离带:检验合格•伸缩缝:检验合格4. 检验结论按照国家相关标准和标准的要求,对桥梁总表达场的质量进行了全面细致的检验。
经过检验,桥梁的主体结构、桥面系、护栏系统和附属设施等各项检验工程均到达了合格标准。
桥梁总表达场质量检验表中各项检验工程的结果均为“检验合格〞,符合设计要求和功能要求。
桥梁的建设和使用平安可靠,为道路交通提供了良好的通行条件。
5. 检验人员•检验员:XXX•检验日期:XXXX年XX月XX日此文档为桥梁总表达场质量检验表,根据国家相关标准和标准编写。
检验结果显示各项检验工程均符合合格标准,桥梁质量良好,能够满足道路交通的要求。
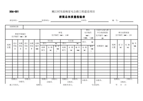
D06-001嫩江村至前杨家屯公路工程建设项目桥梁总体质量检验表承包单位:监理单位:合同号:编号:D06-002嫩江村至前杨家屯公路工程建设项目钢筋加工及安装质量检验表承包单位:山东通达路桥工程有限公司监理单位:吉林市万丰公路工程监理有限责任公司合同号:G04编号:偏差(㎜)施工负责人:检测人:质检负责人:专业监理:年月日D06-002续表嫩江村至前杨家屯公路工程建设项目钢筋加工及安装质量检验表承包单位:监理单位:合同号:编号:偏差(㎜)施工负责人:检测人:质检负责人:专业监理:年月D06-003嫩江村至前杨家屯公路工程建设项目钢筋网质量检验表承包单位:长春市政建设(集团)有限公司监理单位:吉林市万丰公路监理有限责任公司合同号:01编号:NQ01ABD06-003日D06-005嫩江村至前杨家屯公路工程建设项目钢丝、钢绞线先张法镦头钢丝同束长度相对差质量检验表承包单位:合同号:监理单位:编号:施工负责人:检测人:质检负责人:专业监理:年月日D06-006嫩江村至前杨家屯公路工程建设项目粗钢筋先张法轴线、中心偏位质量检验表承包单位:合同号:监理单位:编号:施工负责人:检测人:质检负责人:专业监理:年月日D06-007嫩江村至前杨家屯公路工程建设项目后张法断丝滑丝数质量检验表承包单位:合同号:监理单位:编号:施工负责人:检测人:质检负责人:专业监理:年月日D06-008嫩江村至前杨家屯公路工程建设项目基础砌体质量检验表日D06-009嫩江村至前杨家屯公路工程建设项目墩、台身砌体质量检验表承包单位:合同号:监理单位:编号:检测点:合格点:合格率:检测点:合格点:合格率:检测点:合格点:合格率:施工负责人:检测人:质检负责人:专业监理:年月日侧墙砌体质量检验表承包单位:监理单位:合同号:编号:扩大基础质量检验表承包单位:监理单位:合同号:编号:D06-012嫩江村至前杨家屯公路工程建设项目钻孔灌注桩质量检验表承包单位:山东通达路桥工程有限公司监理单位:吉林市万丰公路工程监理有限责任公司合同号:G04编号:D06-013嫩江村至前杨家屯公路工程建设项目挖孔桩质量检验表承包单位:监理单位:合同号:编号:D06-014嫩江村至前杨家屯公路工程建设项目预制桩质量检验表承包单位:监理单位:合同号:编号:D06-015嫩江村至前杨家屯公路工程建设项目沉桩质量检验表承包单位:监理单位:合同号:编号:D06-016嫩江村至前杨家屯公路工程建设项目地下连续墙质量检验表承包单位:监理单位:合同号:编号:D06-017嫩江村至前杨家屯公路工程建设项目沉井质量检验表承包单位:监理单位:合同号:编号:D06-018嫩江村至前杨家屯公路工程建设项目双壁钢围堰制作拼装质量检验表承包单位:监理单位:合同号:编号:注:焊缝质量检查见专门记录表施工负责人:检测人:质检负责人:专业监理:年月日D06-019嫩江村至前杨家屯公路工程建设项目沉井或钢围堰封底混凝土质量检验表承包单位:合同号:监理单位:编号:施工负责人:检测人:质检负责人:专业监理:年月日承台质量检验表承包单位:山东通达路桥工程有限公司监理单位:吉林市万丰公路工程监理有限责任公司合同号:G04编号:大体积混凝土结构质量检验表承包单位:监理单位:合同号:编号:D06-022嫩江村至前杨家屯公路工程建设项目墩台身质量检验表承包单位:监理单位:合同号:编号:日D06-023嫩江村至前杨家屯公路工程建设项目柱或双壁式墩(台)质量检验表承包单位:合同号:监理单位:编号:D06-024嫩江村至前杨家屯公路工程建设项目墩台身安装质量检验表承包单位:监理单位:合同号:编号:D06-025嫩江村至前杨家屯公路工程建设项目墩、台帽或盖梁质量检验表承包单位:合同号:监理单位:编号:D06-026嫩江村至前杨家屯公路工程建设项目预制梁(板)质量检验表承包单位:监理单位:合同号:编号:D06-027嫩江村至前杨家屯公路工程建设项目梁(板)安装质量检验表承包单位:监理单位:合同号:编号:D06-028嫩江村至前杨家屯公路工程建设项目就地浇筑梁(板)质量检验表承包单位:监理单位:合同号:编号:D06-029嫩江村至前杨家屯公路工程建设项目桥面防水层质量检验表承包单位:监理单位:合同号:编号:D06-030嫩江村至前杨家屯公路工程建设项目桥面铺装质量检验表承包单位:监理单位:合同号:编号:D06-031嫩江村至前杨家屯公路工程建设项目复合桥面铺装质量检验表承包单位:监理单位:合同号:编号:D06-032嫩江村至前杨家屯公路工程建设项目支座垫石质量检验表承包单位:监理单位:合同号:编号:D06-033嫩江村至前杨家屯公路工程建设项目桥梁挡块质量检验表承包单位:监理单位:合同号:编号:合格率:合格率:合格率:施工负责人:检测人:质检负责人:专业监理:年月日D06-034嫩江村至前杨家屯公路工程建设项目支座安装质量检验表承包单位:监理单位:合同号:编号:检测点:合格点:合格率:检测点:合格点:合格率:检测点:合格点:合格率:检测点:合格点:合格率:施工负责人:检测人:质检负责人:专业监理:年月日D06-036嫩江村至前杨家屯公路工程建设项目混凝土小件预制质量检验表承包单位:合同号:D06-037嫩江村至前杨家屯公路工程建设项目人行道铺设质量检验表承包单位:监理单位:合同号:编号:日D06-038嫩江村至前杨家屯公路工程建设项目栏杆安装质量检验表承包单位:监理单位:合同号:编号:D06-039嫩江村至前杨家屯公路工程建设项目混凝土护栏质量检验表承包单位:监理单位:合同号:编号:D06-040嫩江村至前杨家屯公路工程建设项目桥头搭板质量检验表承包单位:监理单位:合同号:编号:。