水文学重点计算题
- 格式:doc
- 大小:153.50 KB
- 文档页数:3
1、某站控制流域面积F=12100km2,多年平均年降水量P =767㎜,多年平均流量Q平=822 m3/s,试根据这些资料计算多年平均年径流总量、多年平均年径流深、多年平均流量模数、多年平均年径流系数。
2、设有一数据系列为1、3、5、7,用无偏估值公式计算系列的均值x 、均方差σ、离势系数Cv?3、4、5、某水库坝址处有1954年至1984年实测最大洪峰流量资料,其中最大的四年洪峰流量依次为:15080m3/s,9670 m3/s ,8320 m3/s和7780 m3/s。
此外,调查到1924年发生过一次洪峰流量为16500 m3/s的大洪水,是1883年以来最大的一次洪水,且1883年到1953年间其余洪水的洪峰流量均在10000m3/s以下,试考虑特大洪水处理,用独立样本法和统一样本法推求上述五项洪峰流量的经验频率。
6、已知某流域及其附近的雨量站如图所示,试:(1)算术平均法计算平均雨量。
(2)绘出该流域的泰森多边形,并在图上标出A、B、C、D站各自代表的面积FAFBFCFD,写出泰森多边形法计算本流域的平均雨量公式。
7、某流域等流时线如下图所示,各等流时面积ω1 、ω2 、ω3、ω4 分别为20 km2、40 km2、35 km2、10km2,时段Δt=Δτ=2h。
若流域上有一次降雨,净雨在流域上分布均匀,其净雨有两个时段,各时段净雨依次为18mm,36mm,试求该降雨形成的洪峰流量和峰现时间及总的地面径流历时。
(洪峰流量以m3/s计,时间以h计)解:地面径流洪水过程计算表时间△t 净雨Rs,i(mm)[Q~t]Rs,1 [Q~t]Rs,2 Q~t0 01 18 0.278*18/2*20 0 50.042 36 0.278*18/2*40 0.278*36/2*20 200.23 0.278*18/2*35 0.278*36/2*40 287.74 0.278*18/2*10 0.278*36/2*35 200.25 0 0.278*36/2*10 506 0 0 0地面径流历时T=Ts+ιm=(2+4)*2=12h。
工程水文学计算题汇总计算题第一章绪论=119000km 3、多年平均蒸发1. 将全球的陆地作为一个独立的单元系统,已知多年平均降水量Pc=72000km3、试根据区域水量平衡原理(质量守恒原理)计算多年平均情况下每年从陆地流量Ec入海洋的径流量R为多少?=458000km 3、多年平2. 将全球的海洋作为一个独立的单元系统,设洋面上的多年平均降水量Po=505000km3、试根据区域水量平衡原理(质量守恒原理)计算多年平均情况下每年从均蒸发量Eo陆地流入海洋的径流量R为多少?3.将全球作为一个独立的单元系统,当已知全球海洋的多年平均蒸发量E=505000km3、陆地的多o=72000km3,试根据全球的水量平衡原理推算全球多年平均降水量为多少?年平均蒸发量Ec第二章水文循环与径流形成1. 已知某河从河源至河口总长L为5500 m,其纵断面如图1-2-1,A、B、C、D、E各点地面高程分别为48,24,17,15,14,各河段长度,,,分别为800、1300、1400、2000试推求该河流的平均纵比降。
图1-2-1 某河流纵断面图2. 某流域如图1-2-2,流域面积F=180,流域内及其附近有A,B两个雨量站,其上有一次降雨,两站的雨量分别为150、100mm,试绘出泰森多边形图,并用算术平均法和泰森多边形法计算该次降雨的平均面雨量,并比较二者的差异。
图1-2-2 某流域及其附近雨量站及一次雨量分布3. 某流域如图1-2-3,流域面积F=350,流域内及其附近有A,B两个雨量站,其上有一次降雨,它们的雨量依次为360㎜和210㎜,试绘出泰森多边形图,并用算术平均法和泰森多边形法计算该次降雨的平均面雨量,比较二者的差异。
(提示:A、B雨量站泰森多边形权重分别为0.78、0.22)图1-2-3 某流域及其附近雨量站及一次雨量分布4. 某流域如图1-2-4,流域面积300,流域内及其附近有A、B、C 三个雨量站,其上有一次降雨,他们的雨量依次为260㎜、120mm和150㎜,试绘出泰森多边形图,并用算术平均法和泰森多边形法计算该次降雨的平均面雨量。
水文水利计算试题一、问题描述某水库的实测水位为281.5m,入库流量为210m³/s,出库流量为180m³/s,水库有效容量为1.5亿m³。
请计算以下问题:1. 计算水库的蓄水量(单位:亿m³)。
2. 计算水库的出库流量占入库流量的百分比。
3. 计算水库的水位距离设计洪水位还差多少米。
二、解题步骤与计算方法1. 计算水库的蓄水量:蓄水量(亿m³)= 实测水位(m) - 底部高程(m) * 水面面积(m²) * 0.0001根据题目所给数据,底部高程为280m,水面面积可以根据实测水位计算,假设水库为矩形,水面宽度为2000m,则水面面积为2000 * (实测水位 - 底部高程)。
代入计算,可得:蓄水量(亿m³)= (实测水位 - 280) * 2000 * 0.00012. 计算出库流量占入库流量的百分比:出库流量占入库流量的百分比 = 出库流量 / 入库流量 * 100%3. 计算水库的水位距离设计洪水位还差多少米:水位距离设计洪水位还差多少米 = 设计洪水位 - 实测水位三、具体计算1. 计算水库的蓄水量:蓄水量(亿m³)= (281.5 - 280) * 2000 * 0.0001 = 0.43 亿m³2. 计算出库流量占入库流量的百分比:出库流量占入库流量的百分比= 180 / 210 * 100% ≈ 85.71%3. 计算水库的水位距离设计洪水位还差多少米:假设设计洪水位为282.5m,则水位距离设计洪水位还差多少米 = 282.5 - 281.5 = 1 米四、答案总结1. 水库的蓄水量为0.43亿m³。
2. 水库的出库流量占入库流量的百分比约为85.71%。
3. 水库的水位距离设计洪水位还差1米。
以上为水文水利计算试题的解答。
项目六 水库兴利调节计算学习的内容和意义:掌握水库兴利调节计算的原理和方法, 能进行兴利调节计算, 推求水库兴利库容,选择水库的正常蓄水位及死水位;习题内容主要涉及:水库特征曲线、特征水位、特征库容、水库水量损失,应注 意概念理解和特征水位、特征库容的计算与确定。
兴利调节计算原理和方法,主 要采用时历列表法。
一、概念题(一)填空题1.径流调节是指 。
为兴利目的进行的径流调节称 为 。
2.描述一次洪水特征的三个要素是: 、 、 。
3.死水位是指 。
4.汛期限制水位是指 。
5.兴利库容是指 。
6.水库的调节周期是指 。
7.水库的特性曲线是指 。
8.水库的水量损失包括 。
9、防洪限制水位 。
10、 防洪库容 。
调洪库容 。
11、防洪高水位 。
12、 动库容曲线 。
13、结合库容 。
14、设计洪水位 。
15、 校核洪水位 。
16、 地下水均衡 。
(二)选择题1、在年调节水库计算中,如果计及水库的蒸发渗漏损失,则影响不计损失时兴利库容发生 变化的原因是:(1)设计枯水年组的损失水量 (2)设计枯水年全年损失水量 (3)设计枯水年供水期的损失水量2、某年调节水库,不考虑损失求得保证率为 P 1=85%时的兴利库容为 2 亿 m 3,如果考虑水量损失使兴利库容不变,则其保证率将P 2 (1)大于P 1 (2)小于P 1 (3)P 2=P 13、计入水库各种水量损失的 1 兴 V ,比不计入损失求得的 2 兴 V (1)大 (2)小 (3)不一定4、对于一个灌溉水库来讲,当兴利库容一定时,灌区灌溉面积越大,其灌溉设计保证率(1)越小 (2)越大 (3)不变5、利用单一选年法选择实际代表年进行兴利调节计算所求得的兴利库容比长系列时历法求 得的兴利库容 (1)一定偏大 (2)一定偏小(3)可能偏大,也可能偏小 6、水库的蒸发损失是指库区的 (1)水面蒸发损失 (2)陆面蒸发损失(3)水面与陆面蒸发损失之差值7、某水库坝址处有三十年的年、月经流量系列,其中有一最严重的连续多年枯水年组共有 12 年。
项目一:年径流的分析与计算一、填空题1.年径流是指。
2.影响年径流量的因素有和。
3.对同一条河流而言,一般年径流流量系列均值从上游到下游是,变差系数值从上游到下游是。
4.流域的大小对年径流的影响主要通过流域的而影响年径流的变化。
5.为了保证设计年径流计算成果的精度和合理性,必须审查年径流资料的、、。
6.代表性是指。
7.参证变量的选择必须考虑应满足的条件是。
8.偏态系数反映的是。
9.某一年的年径流量与多年平均的年径流量之比称为。
二、问答题1.年径流分析计算的任务是什么?2.三个水文统计参数的含义及其对频率曲线的影响(画图表示)。
3.推求设计年径流量的年内分配时,应遵循什么原则选择代表年?4.简述具有长期实测资料情况下,用设计代表年法推求年内分配的方法步骤?5.缺乏实测资料时,怎样推求设计年径流量?6.日历年度、水文年度、水利年度的涵义各是什么?三、计算题1.某水库坝址集水面积为212500kmF=,流域多年平均年降雨量为mmH1100=,坝址处多年平均流量为smQ/1003=。
要求计算多年平均径流量W、径流深R、蒸发量E、径流模数M、径流系数α。
2.已知某河流某断面的多年平均流量为100m3/s C V=0.20,C S=0.40。
(1)计算十年一遇设计枯水年的年径流量。
(2)计算百年一遇设计丰水年的年径流量。
3.某以发电为主的工程,已求得设计断面处年径流量的统计参数为s m Q /0.503 ,Cv=0.35,C s =2C v 。
要求计算:①设计枯水年(P=90%)和设计平水年(P=50%)的设计年径流量;②根据表1中所列资料选用设计枯水代表年,推求设计年径流量的年内分配;③根据设计平水年年内分配百分比(见表2),推求设计平水年年径流量的年内分配。
3年份月平均流量年平均5678910111212341978~1979 29.7 13.2 60.8 62.7 39.6 59.5 44.2 21.8 10.0 7.8 22.6 17.4 1991~1992 62.8 15.8 7.8 54.4 92.5 6.8 14.9 12.7 13.0 2.0 1.5 52.7 设计枯水年月份(月) 5 6 7 8 9 10 11 12 1 2 3 4 全年 平水代表年(%) 4.2 2.3 12.0 18.0 15.7 8.3 10.0 7.6 6.4 4.2 5.3 6.0100 设计平水年(m 3/s)4.已知某站历年(1990~2001)径流资料,见表3。
1、某站控制流域面积F=12100km2,多年平均年降水量P =767㎜,多年平均流量Q平=822 m3/s,试根据这些资料计算多年平均年径流总量、多年平均年径流深、多年平均流量模数、多年平均年径流系数。
2、设有一数据系列为1、3、5、7,用无偏估值公式计算系列的均值x 、均方差σ、离势系数Cv?3、4、5、某水库坝址处有1954年至1984年实测最大洪峰流量资料,其中最大的四年洪峰流量依次为:15080m3/s,9670 m3/s ,8320 m3/s和7780 m3/s。
此外,调查到1924年发生过一次洪峰流量为16500 m3/s的大洪水,是1883年以来最大的一次洪水,且1883年到1953年间其余洪水的洪峰流量均在10000m3/s以下,试考虑特大洪水处理,用独立样本法和统一样本法推求上述五项洪峰流量的经验频率。
6、已知某流域及其附近的雨量站如图所示,试:(1)算术平均法计算平均雨量。
(2)绘出该流域的泰森多边形,并在图上标出A、B、C、D站各自代表的面积FAFBFCFD,写出泰森多边形法计算本流域的平均雨量公式。
7、某流域等流时线如下图所示,各等流时面积ω1 、ω2 、ω3、ω4 分别为20 km2、40 km2、35 km2、10km2,时段Δt=Δτ=2h。
若流域上有一次降雨,净雨在流域上分布均匀,其净雨有两个时段,各时段净雨依次为18mm,36mm,试求该降雨形成的洪峰流量和峰现时间及总的地面径流历时。
(洪峰流量以m3/s计,时间以h计)解:地面径流洪水过程计算表地面径流历时T=Ts+ιm=(2+4)*2=12h。
1、是水资源具有再生性的原因是自然界的___B_____。
A、径流B、水文循环C、降水D、蒸发2、水文循环的主要环节是___B_____。
A、截留、填洼、下渗、蒸发B、蒸发、降水、下渗、径流C、截留、下渗、径流、蒸发D、蒸发、散发、降水、下渗3、人类开发利用活动(例如建库、灌溉、水土保持等)通过改变下垫面的性质间接影响年径流量,一般说来,上述这些开发利用活动的影响会使得___B_______。
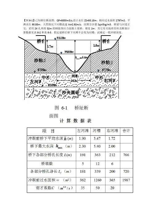
【例6-1】已知桥位断面图。
QP=6000m3/s,设计水位ZS=93.18m ,相应过水面积2797m2。
平滩水位90.88m ,天然情况下河槽流速Vc=2.92m/s ,汛期含沙量Spj=5kg/m3。
桥梁与河道正交,采用24孔单跨32m 的钢筋预应力混凝土梁桥,墩宽2m 。
其它有关地质资料及断面计算数据见表6-2和表6-3。
假定建桥后桥下河滩不会变为河槽,试确定一般冲刷深度。
桥台桥台m 18.93m88.90m 363河槽m 00.83m 7.1m5.1沙粘土沙粘土m 78.87m 50.87左河滩右河滩中沙中沙沙夹圆砾⋅∴⋅∴⋅∴⋅∴⋅∴⋅∴⋅∴⋅∴⋅∴⋅∴⋅∴⋅∴⋅∴⋅∴⋅∴⋅∴⋅∴⋅∴⋅∴⋅∴⋅∴⋅∴⋅∴⋅∴⋅∴⋅∴⋅∴⋅∴⋅∴⋅∴⋅∴⋅∴⋅∴⋅∴⋅∴⋅∴⋅∴⋅∴⋅∴⋅∴⋅∴⋅∴⋅∴⋅∴⋅∴⋅∴⋅∴⋅∴⋅∴⋅∴⋅∴⋅∴⋅∴⋅∴⋅∴⋅∴⋅∴⋅∴⋅∴⋅∴⋅∴⋅∴⋅∴⋅∴⋅∴⋅∴⋅∴⋅∴⋅∴⋅∴⋅∴⋅∴⋅∴⋅∴⋅∴⋅∴⋅∴⋅∴⋅∴⋅∴⋅∴⋅∴⋅∴⋅∴⋅∴⋅∴⋅∴⋅∴⋅∴⋅∴⋅∴图6-1桥址断面图m h 4.5max =解(一)桥下河槽、河滩通过的设计流量例6-2】根据例6-1所给的资料和计算结果,采用圆端形桥墩,宽2.0m,横向宽9.10m,基础为沉井,尺寸4.6m×10.6m,沉井顶高程87.70m。
试确定河床部分的基底最小埋深。
解:1、河槽桥墩局部冲刷深度和桥墩基底埋深计算根据例6-1计算结果,一般冲刷深度至第三层,=6.49mm,hP=11.31m(64-2公式),墩前行近流速(冲止流速):【例4-5】江西赣州区某桥位,1980年经洪水调查,得如下资料:1、四次历史洪水从大到小排列为:1882年(光绪八年),1935年,1967年,1955年;2、可靠洪痕1967年、1955年。
用形态法计算得:Q67=10946m3/s,Q55=10111m3/s;3、地区经验关系CS=4CV。
水文统计分析习题及答案水文统计分析习题及答案水文统计分析是水文学中重要的一部分,通过对水文数据的统计分析,可以揭示水文过程的规律,为水资源管理和水文预测提供依据。
下面将介绍一些常见的水文统计分析习题,并给出相应的答案。
一、频率分析1. 某地区年最大降水量的序列如下:(单位:mm)120, 150, 180, 140, 160, 170, 200, 190, 210, 230, 250, 220, 240, 280, 260, 300, 320, 340, 380, 360请计算该地区的年最大降水量的平均值、标准差和变差系数。
答案:平均值 = (120 + 150 + 180 + 140 + 160 + 170 + 200 + 190 + 210 + 230 + 250 + 220 + 240 + 280 + 260 + 300 + 320 + 340 + 380 + 360) / 20 = 230 mm标准差= √[ (120-230)^2 + (150-230)^2 + (180-230)^2 + ... + (380-230)^2 + (360-230)^2 ] / 20 ≈ 72.18 mm变差系数 = (标准差 / 平均值) × 100% ≈ 31.41%2. 某河流的年最低流量数据如下:(单位:m³/s)20, 25, 30, 35, 40, 45, 50, 55, 60, 65, 70, 75, 80, 85, 90, 95, 100, 105, 110, 115请计算该河流的年最低流量的中位数和极差。
答案:中位数= (50 + 55) / 2 = 52.5 m³/s极差 = 115 - 20 = 95 m³/s二、趋势分析3. 某湖泊近20年的年平均水位数据如下:(单位:m)10.2, 10.5, 10.7, 11.0, 11.3, 11.5, 11.8, 12.0, 12.3, 12.6, 12.8, 13.1, 13.4, 13.7, 14.0, 14.3, 14.6, 14.9, 15.2, 15.5请利用线性回归分析方法,计算湖泊水位的年均变化量和变化趋势。
水利工程师工程水文及水利计算练习题库及参考答案一、单选题(共50题,每题1分,共50分)1、河川径流组成一般可划分为[ ]。
A、地面径流、浅层地下径流潜水、深层地下径流B、地面径流、表层流、地下径流C、地面径流、坡面径流、地下径流D、地面径流、表层流、深层地下径流正确答案:B2、一次流域降雨的净雨深形成的洪水,在数量上应该[ ]该次洪水的径流深。
A、小于B、等于C、大于D、大于、等于正确答案:B3、设计年径流量随设计频率[ ]。
A、增大而不变B、增大而增大C、减小而不变D、增大而减小正确答案:D4、径流是由降水形成的,故年径流与年降水量的关系[ ]。
A、在干旱地区密切B、在湿润地区密切C、一定不密切D、一定密切正确答案:B5、水库在正常运用时,汛期到来之前库水位应降到[ ]。
A、库底B、正常蓄水位C、防洪限制水位D、死水位正确答案:C6、决定土壤稳定入渗率 fc 大小的主要因素是[ ]。
A、土壤特性B、降雨历时C、降雨初期的土壤含水量D、降雨强度正确答案:A7、某河段上、下断面的河底高程分别为 725m 和 425m,河段长 120km,则该河段的河道纵比降为[ ]。
A、2.5B、0.25C、2.5%D、2.5‰正确答案:D8、当兴利库容一定时,设计保证率将随调节流量值的增加而[ ]。
A、不确定B、降低C、提高D、不变正确答案:B9、气温一定时,露点温度的高低与空气中水汽含量的关系是[ ]。
A、露点高低与水汽含量关系不大B、露点高低与水汽含量无关C、水汽含量越大露点越低D、水汽含量越大露点越高正确答案:D10、推求分期设计洪水的原因是[ ]。
A、水库库容的大小不同B、各分期灌溉和发电用水不同C、各分期气候变化无常D、各分期的洪水成因和洪水大小不同正确答案:D11、设计正常用水保证率的选定,实质上是一个确定缩减用水合理程度的[ ]问题。
A、经济权衡B、技术权衡C、社会权衡D、政治权衡正确答案:C12、重现期为一千年的洪水,其含义为[ ]。
项目一:年径流的分析与计算一、填空题1.年径流是指。
2.影响年径流量的因素有和。
3.对同一条河流而言,一般年径流流量系列均值从上游到下游是,变差系数值从上游到下游是。
4.流域的大小对年径流的影响主要通过流域的而影响年径流的变化。
5.为了保证设计年径流计算成果的精度和合理性,必须审查年径流资料的、、。
6.代表性是指。
7.参证变量的选择必须考虑应满足的条件是。
8.偏态系数反映的是。
9.某一年的年径流量与多年平均的年径流量之比称为。
二、问答题1.年径流分析计算的任务是什么?2.三个水文统计参数的含义及其对频率曲线的影响(画图表示)。
3.推求设计年径流量的年内分配时,应遵循什么原则选择代表年?4.简述具有长期实测资料情况下,用设计代表年法推求年内分配的方法步骤?5.缺乏实测资料时,怎样推求设计年径流量?6.日历年度、水文年度、水利年度的涵义各是什么?三、计算题1.某水库坝址集水面积为212500kmF=,流域多年平均年降雨量为mmH1100=,坝址处多年平均流量为smQ/1003=。
要求计算多年平均径流量W、径流深R、蒸发量E、径流模数M、径流系数α。
2.已知某河流某断面的多年平均流量为100m3/s C V=0.20,C S=0.40。
(1)计算十年一遇设计枯水年的年径流量。
(2)计算百年一遇设计丰水年的年径流量。
3.某以发电为主的工程,已求得设计断面处年径流量的统计参数为s m Q /0.503 ,Cv=0.35,C s =2C v 。
要求计算:①设计枯水年(P=90%)和设计平水年(P=50%)的设计年径流量;②根据表1中所列资料选用设计枯水代表年,推求设计年径流量的年内分配;③根据设计平水年年内分配百分比(见表2),推求设计平水年年径流量的年内分配。
3年份月平均流量年平均5678910111212341978~1979 29.7 13.2 60.8 62.7 39.6 59.5 44.2 21.8 10.0 7.8 22.6 17.4 1991~1992 62.8 15.8 7.8 54.4 92.5 6.8 14.9 12.7 13.0 2.0 1.5 52.7 设计枯水年月份(月) 5 6 7 8 9 10 11 12 1 2 3 4 全年 平水代表年(%) 4.2 2.3 12.0 18.0 15.7 8.3 10.0 7.6 6.4 4.2 5.3 6.0100 设计平水年(m 3/s)4.已知某站历年(1990~2001)径流资料,见表3。
工程水文学计算题汇总计算题第一章绪论=119000km3、多年平均蒸发1.将全球的陆地作为一个独立的单元系统,已知多年平均降水量Pc=72000km3、试根据区域水量平衡原理(质量守恒原理)计算多年平均情况下每年从陆地流量Ec入海洋的径流量R为多少?=458000km3、多年平2.将全球的海洋作为一个独立的单元系统,设洋面上的多年平均降水量Po=505000km3、试根据区域水量平衡原理(质量守恒原理)计算多年平均情况下每年从均蒸发量Eo陆地流入海洋的径流量R为多少?3.将全球作为一个独立的单元系统,当已知全球海洋的多年平均蒸发量E=505000km3、陆地的多o=72000km3,试根据全球的水量平衡原理推算全球多年平均降水量为多少?年平均蒸发量Ec第二章水文循环与径流形成1.已知某河从河源至河口总长L为5500m,其纵断面如图1-2-1,A、B、C、D、E各点地面高程分别为48,24,17,15,14,各河段长度,,,分别为800、1300、1400、2000试推求该河流的平均纵比降。
图1-2-1某河流纵断面图2.某流域如图1-2-2,流域面积F=180,流域内及其附近有A,B 两个雨量站,其上有一次降雨,两站的雨量分别为150、100mm,试绘出泰森多边形图,并用算术平均法和泰森多边形法计算该次降雨的平均面雨量,并比较二者的差异。
图1-2-2某流域及其附近雨量站及一次雨量分布3.某流域如图1-2-3,流域面积F=350,流域内及其附近有A,B 两个雨量站,其上有一次降雨,它们的雨量依次为360㎜和210㎜,试绘出泰森多边形图,并用算术平均法和泰森多边形法计算该次降雨的平均面雨量,比较二者的差异。
(提示:A、B雨量站泰森多边形权重分别为0.78、0.22)图1-2-3某流域及其附近雨量站及一次雨量分布4.某流域如图1-2-4,流域面积300,流域内及其附近有A、B、C三个雨量站,其上有一次降雨,他们的雨量依次为260㎜、120mm和150㎜,试绘出泰森多边形图,并用算术平均法和泰森多边形法计算该次降雨的平均面雨量。
水文计算复习题水文计算复习题水文计算是水资源工程中的重要内容,涉及到水文数据的处理、水文过程的分析和水文参数的计算等方面。
在这篇文章中,我们将通过一些典型的水文计算复习题,来回顾一下水文计算的基本知识和方法。
一、降雨量计算题1. 已知某地区一天的降雨量观测数据如下:8:00-9:00 10mm,9:00-10:0015mm,10:00-11:00 12mm,11:00-12:00 8mm,12:00-13:00 5mm。
请计算该地区这一天的总降雨量。
解答:将各个时段的降雨量相加即可得到总降雨量。
总降雨量=10mm+15mm+12mm+8mm+5mm=50mm。
2. 已知某地区一小时的降雨量观测数据如下:0-10分钟 2mm,10-20分钟3mm,20-30分钟 4mm,30-40分钟 5mm,40-50分钟 6mm,50-60分钟7mm。
请计算该地区这一小时的总降雨量。
解答:将各个时间段的降雨量相加即可得到总降雨量。
总降雨量=2mm+3mm+4mm+5mm+6mm+7mm=27mm。
二、径流计算题1. 已知某地区一次降雨事件的降雨量为50mm,流域面积为100km²,蒸发量为10mm,地下水补给量为5mm。
请计算该次降雨事件的净雨量和径流量。
解答:净雨量=降雨量-蒸发量-地下水补给量=50mm-10mm-5mm=35mm。
径流量=净雨量×流域面积=35mm×100km²=3500m³。
2. 已知某地区一次降雨事件的净雨量为40mm,流域面积为200km²,蒸发量为15mm,地下水补给量为10mm。
请计算该次降雨事件的总降雨量和径流系数。
解答:总降雨量=净雨量+蒸发量+地下水补给量=40mm+15mm+10mm=65mm。
径流系数=径流量/总降雨量=净雨量×流域面积/总降雨量=40mm×200km²/65mm=123.08。
1、某平原流域,流域面积F=360km 2,其中水面面积为75.6 km 2,从有关水文手册中查得该流域的多年流域平均降水量P=1115.0mm ,多年平均陆面蒸发量E 陆=750.0mm ,多年平均水面蒸发量E 水=1040.0mm ,试求该流域的多年平均径流深为多少?解:(1)水面面积占全流域面积的比重为:75.60.21360= (2)计算流域的多年平均蒸发量0.2110.210.2110400.79750810.9E E E mm=+-=⨯+⨯=水陆()(2)计算流域的多年平均径流深:由水量平衡原理1115.0810.9304.1R P E mm =-=-=2、某流域设有甲、乙、丙、丁4个雨量站(如下图),测得1996年5月一次降雨的各站降雨量如下表。
试在下图上绘制出泰森多边形,标出各雨量站代表的面积,并在下表中计算该次降雨的流域平均降雨量。
某流域1996年5月一次降雨流域平均雨量计算表解:某流域1996年5月一次降雨流域平均雨量计算表此次降雨的流域平均雨量为27.2mm。
=1400 mm,多年3、某闭合流域面积为A=1000 km2,流域多年平均降雨量x平均流量Q=20m3/s,问该流域多年平均蒸发量为多少?若在流域出口修一水库,=2000 由此增加的水面面积为100 km2,当地蒸发器观测的多年平均水面蒸发值Z0器mm,蒸发器折算系数为0.8,问建库后该流域的径流量是增加还是减少?建库后是多少?出库的多年平均流量Q解:多年平均蒸发量为769.28mm.建库后该流域的径流量是减少的。
建库后出库的多年平均流量Q=17.3658 m3/s。
4、下表是我国四条河流流域的水量平衡情况,通过分析计算并说明我国降水、蒸发、径流在地区上的分布特点。
式中:R——多年平均径流量;P——多年平均降水量;E——多年平均蒸发量。
多年平均径流系数:RPα=(2分)南向西北递减。
(4分)5已知某流域的1h10mm地面单位线如表1所列。
水文水资源分析计算习题1. 已求得某站三天洪量频率曲线为:d W 3=2460(m 3/s.d )、60.0=V C ,V S C C 2=,选得典型洪水过程线如表1,试按量的同倍比法推求千年一遇设计洪水过程线。
表1 某站典型洪水过程线时段(△t=12h ) 0 1 2 3 4 5 6 流量Q (m 3/s ) 680122063203310143011809702.图1为某流域的降雨径流相关图,已知该流域一次降雨如表2所示,5月10日8时流域前期影响雨量mm 60P a =,试求该次降雨的净雨过程。
图1为某流域降雨径流相关图表2 某流域5月一次降雨过程 月.日.时 雨量(mm )5.10.85.~10.14 40 5.10.14~5.10.20 80 5.10.20~5.11.2 20 5.11.2~5.11.810 合计1503.某流域降雨过程如表3,初损mm 35I 0=,后期平均下渗能力h /mm 0.2f =,试以初损后损法计算地面净雨过程。
4. 已知某流域面积为26502km ,由暴雨洪水资料优选出纳希瞬时单位线参数0.3n =,h 0.6k =,试以S 曲线法计算6h10mm 单位线。
5. 已知某流域3d 设计暴雨过程和降雨径流相关图()a P P +~R ,试从表4计算各时段净雨量。
并回答:(1)该次暴雨总净雨深是多少?(2)该次暴雨总损失量是多少?(3)设计暴雨的前期影响雨量p a P ,是多少?6. 已求得某流域百年一遇的一、三、七日设计面暴雨量分别为336mm 、560mm 和690mm ,并选定典型暴雨过程如表6,试用同频率控制放大法推求该流域百年一遇的设计暴雨过程。
表6 某流域典型暴雨资料7. 某流域面积为625km 2,流域中心最大24h 点雨量统计参数为:24x =130mm 、C V =0.50,C S =2.0,线型为P-Ⅲ型曲线,暴雨点面折减系数为0.87,设计历时为24h ,24h 内以3h 为时段的设计雨量时程分配的百分比依次为:5.0、8.0、11.0、13.0、44.0、8.0、6.0、5.0。
《水文水利计算》习题集《水文水利计算》习题第一章年径流量分析与计算211、某水库垻址处共有21年年平均流量Q 的资料,已计算出0, 2898m 3/s ,i 1212K i 10 80i 1(1) 求年径流量均值Q ,离势系数G ,均方差 ?(2) 设C s = 2C v 时,P-III 型曲线与经验点配合良好,试按表 2-1-1求设计保证率为90%寸的设计年径流量?表2-1-1 P — III 型曲线离均系数值表(P=90%_ 12898 解:(1) QQ i138m 3/sn21Q p Q 1 C v 138 1 0 20 1.23 2、某水库多年平均流量 Q =15nVs ,G = 0.25 线为P — III 型。
(1)按表2-2-1求该水库设计频率为90%勺年径流量? (2)按表2-2-2径流年内分配典型,求设计年径流的年内分配?表2-2-1 P — III 型频率曲线模比系数Kp 值表(G = 2.0 C v )C vk i 1 2 n 1 J-0-8- 0 20 21 1QC v 1380 20 27 6m 3/s(2) C s = 2C v = 0.40, 查表1-5-3①值表,得 ①=-1.23,贝U104m 3 / s,C s = 2.0 C v ,年径流理论频率曲表2-2-2 枯水代表年年内分配典型解:(1)C s = 2.0 C v, C v= 0.25, P = 90%时查表1-5-6 Kp 值表,得K90%=0.70,则Q90% QK P 15 0 70 10 5m3/s (2)由Q90%乘以12,得全年累积平均流量刀Q90%,再乘各月的分配百分比(见表1-5-7),即得各月的的月平均流量。
计算结果列于答案表2-5-1中。
表2-5-1设计年径流年内分配表(m3/s)数为:多年平均径流深R= 711.0 mm,C v = 0.30,C s = 2C v,试结合表2-3-1 推求该水库十年一遇丰水年的年径流深?表2-3-1 P —III型曲线离均系数值表解:C s= 2C v= 2X0.30 = 0.60,查表1-5-9得io%=1.329,贝UR P =R (1+ C v P) =711X(1+ 0.30 X.329) =994.5 mm4、某水文站多年平均流量Q =266 m3/s , G = 0.20 , C s = 0.40,试结合表2-4-1在P-III型频率曲线上推求设计频率P = 90%的年平均流量?表2-4-1 P - III型频率曲线模比系数Kp值表(C S = 2.0 C v)解:由已知的C v = 0.20, C s=2C v = 0.40,查表1-5-10 得K P=90% = 0.75,则Q P = K P Q = 0.75 266 =199.5 m3/s5、某水文站多年平均流量Q =328 m3/s ,G = 0.25,C s = 0.60,试结合表2-5-1在P-III型频率曲线上推求设计频率P = 95%的年平均流量?表2-5-1 P -III型频率曲线离均系数①p值表解:由C s= 0.60查表1-5-11 得O P=95% = -1.45,贝U Q P = Q (1+ C v O P)= 328X[1+ 0.25 X-1.45)]= 209.1 m3/s6、设本站只有1998年一年的实测径流资料,其年平均流量Q=128 m3/s。
1、某桥跨越次稳定性河段,设计流量为8500s m /3,河滩流量450s m /3,河床
全宽380m ,河槽宽度为300m ,设计水位下河槽平均水深6.5m ,河滩平均水深3.5m ,试用经验公式计算桥孔净长。
1.解:由题知,s m Q p /85003
=,s m Q t /4503= 则河槽流量 s m Q Q Q t p c /805045085003=-=-=
河槽平均单宽流量 )/(83.2630080503m s m B Q q c c c ⋅===
又知m h c 5.6= 则水流压缩系数26.1)5.6300(92.0)(06.006.01=⨯==c
c h B k β 桥孔净长m q Q L c p
j 27383.2616.18500=⨯==β
2、某小河设计流量50s m /3,天然水深2.0m ,桥下拟单层铺砌20cm 的片石,建一座桥
台为锥坡填土的钢筋混凝土板桥。
忽略桥前行近流速水头时,试拟定桥梁孔径和桥头路堤最低高度。
(注:查表得河床的容许不冲刷流速s m V bc /0.4=,侧收缩系数9.0=μ,流速系数9.0=ψ;标准图选用的单孔10m 的钢筋混凝土板式梁桥,净跨8.98m )
2.解:(1)计算桥孔长度B
由题的桥下临界水深k h 为
m g V h bc k 63.18.90.42
2===
而1.3k h =2.12m , 又知m h t 0.2=,显然k t h h 3.1<,所以桥下为自由流
临界水深对应的水面宽度B 为
m V g
Q B k p 51.80
.49.0508.933=⨯⨯==μ 而标准单孔10m 钢筋混凝土板式梁桥的净跨为8.98m ,与计算的B 相差未超过10%,故采用标准桥跨,且不必复核桥下水流状态
(2)计算桥头路堤最低高度路H
采用标准单孔10m 钢筋混凝土板式梁桥时,对应的临界水流流速和水深为
m B g
Q V p k 93.398
.89.08.95033=⨯⨯==μ
m g V h k k 58.18
.993.32
2=== 桥前水深H 为
m g V h H k k 55.29.08.9293.358.122
2
22=⨯⨯+=+=ψ m H H 05.35.055.2=+=∆+=路,即桥头路堤高于河床的最小高度为3.05m.
3、某三级公路跨越平原区次稳定河段,拟建一座桥,桥位处横断面如图所示,河床土质为粗砂、砾石。
建筑河段为五级航道。
根据桥位附近水文资料,得设计流量为3500s m /3
,设计水位63.65m ,设计水位对应的河槽流量3190s m /3,河滩流量310s m /3,河槽平均流速为3.1s m /,全断面平均流速2.6s m /,总过水面积13402m ,河槽过水面积10302m ,河滩过水面积3102m ,设计水位对应的水面宽为234.27m ,河槽宽为111.67m 。
试分别用冲刷系数法和经验公式估算桥孔长度。
(注:五级航道要求桥下净跨不小于38m ,冲刷系数25.1=P )
3.解:(1)用经验公式法计算桥孔长度 m B 27.234=
m B c 67.111=
河槽平均单宽流量 )/(57.2867
.11131903m s m B Q q c c c ⋅=== 又知21030m c =ω,则得河槽平均水深
m B h c c
c 22.967
.1111030===ω 则水流压缩系数16.1)22.967.111(92.0)(
06.006.01=⨯==c c h B k β 桥孔净长m q Q L c p
j 10657
.2816.13500=⨯==β (2)用冲刷系数法计算桥孔长度
根据要求,初步拟定桥梁上部结构采用预应力钢筋混凝土简支梁桥,桥跨选用标准跨径40m ,并假定墩宽1m 。
侧收缩系数 97.01401.3375.01375.01=-⨯-=-=j s l V μ
过水面积折减系数
025.040
1===l b λ 则通过设计流量时所需要的桥下最小毛过水面积 29551.325.1)025.01(97.03500)1(m PV Q s p g =⨯⨯-⨯=
-=λμω 而河槽毛过水面积为10302m ,显然大于计算所需的过水面积
所以直接可以在河槽全宽范围内布置桥孔。
根据所拟定的桥梁跨径可知,需在全河槽宽度(111.67m )范围内布置3跨桥孔。
所以即得桥孔净长度为
m L j 117)140(3=-⨯=
桥孔长度为
m L 120403=⨯=
与经验公式计算结果相差不大。
4.某流域面积为5002km ,流域多年平均降雨量为1200mm ,多年平均流量为8s m /3
,问该流域多年平均蒸发量为多少?若在流域出口断面建一水库,水库水面面积为102km ,当地蒸发器皿观测的多年平均年水面蒸发值为1000mm ,蒸发器折算系数为0.8,问建库后出库的多年平均流量时多少?
解:由题可得多年平均径流深度为 mm F T Q R 576.504500
100036002436581000=⨯⨯⨯⨯== 根据流域内水量平衡原理,可知:
E R P += 所以mm R P E 424.695576.5041200=-=-=
建库后实际的水面蒸发量为
mm E 8008.01000=⨯=
将水库作为一个小型闭合区域,该区域多年后的水量仍遵循水量平衡原理。
所以建库后水库的多年平均径流深度为
mm E P R 40080012001=-=-=
相应的多年平均出库流量为
s m T R F Q /13.036002436540010100010003111=⨯⨯⨯⨯==。