隐蔽工程验收记录表
- 格式:doc
- 大小:64.50 KB
- 文档页数:5
地面层隐蔽工程验收记录工程名称项目经理分项工程名称隐蔽工程项目施工标准名称及代号隐蔽工程部位:地面砖面层工程地面砖质量要求面层所用的板块的品种、质量必须符合设计要求。
面层与下一层的结合(粘结)应坚固 ,无空鼓.砖面层的表面应洁净、图案清晰,色泽一致,接缝平整,深浅一致,周边顺直.板块无裂纹、掉角和缺楞等缺陷.面层邻接处的镶边用料及尺寸应符合设计要求,边角整齐、光滑.踢脚线表面应洁净、高度一致、结合牢固、出墙厚度一致.专业工长施工单位施工图纸名称及编号施工单位自查记录符合设计要求符合要求符合要求符合设计要求符合要求监理(建设)单位验收记录楼梯踏步和台阶板块的缝隙宽度应一致、齿角整齐;楼层梯段相邻踏步高度差不应大于 10mm;防滑条顺直。
面层表面的坡度应符合设计要求,不倒泛水、无积水;与地漏、管道结合处应严密坚固,无渗漏。
符合要求符合设计要求施工单位自查结论经检查,本分项工程符合设计及国家相关规定要求.施工单位项目技术负责人: 年月日监理工程师(建设单位项目负责人):年月日监理 (建设)单位验收结论饰面板安装 隐蔽工程验收记录工程名称 分项工程名称隐蔽工程项目施工标准名称 及代号隐蔽工程部位:饰面板工程墙面木骨架、基层板制作安装项目经理专业工长施工单位施工图纸名称及编号监理(建设)单位施工单位自查记录验收记录采用的优质烘干木材作木龙 骨(断面规格 40*40,网络 间距 200*200 施防火涂料 3 遍),其燃烧性能等均符合设 计要求.木骨架基层以 18 厚杉木细木 工板基层(防火涂料 3 遍), 连接件的规格、连接方法及 防腐处理等均符合要求.木龙骨骨架安装坚固。
其表 面平整、顺直、无翘曲及损 坏,符合设计及国家行业施 工及工艺规范要求。
经检查,本分项工程符合设计及国家相关规定要求。
施工单位项目技术负责人: 年 月 日施工单位 自查结论监理工程师(建设单位项目负责人): 年 月 日监理 (建设) 单位验收结论饰面板安装工程的预埋件(或者后置埋件)、连接件的数量、规格、位置、连 接方法和防腐处理必须符合设计要求。
隐蔽工程验收记录资料编号01-03-C5-XXX表C5-1工程名称龙里县朵花老街本侧停车库及停车场隐检项目土钉成孔隐检日期年月日隐检部位隐检依据:施工图图号基坑挖槽平面图一结0及土钉墙施工方案,设计变更/洽商(编号 / )及有关国家现行标准等。
主要材料名称及规格/型号:止水钢板σ=3mm隐检内容:—H剖面(○1/○A~○H轴线)开挖深度到,成孔标高;土钉成孔水平间距,孔距偏差均在±100mm 以内;土钉成孔深度为7m,偏差均在±50mm以内;成孔直径为110mm,偏差均在±5mm以内;成孔倾角为8︒,成孔倾角偏差均在±5%以内。
—A剖面(○1~○7/○A轴线)开挖深度到,成孔标高;土钉成孔水平间距,孔距偏差均在±100mm 以内;土钉成孔深度为6m,偏差均在±50mm以内;成孔直径为110mm,偏差均在±5mm以内;成孔倾角为8︒,成孔倾角偏差均在±5%以内。
影像资料的部位、数量:申报人:检查意见:经检查,现场情况与隐检内容相符,符合规定,满足设计要求,检查通过,允许进入下一道工序施工。
检查结论:□√同意隐蔽□不同意,修改后进行复查复查结论:复查人:复查日期:签字栏施工单位中铁二十四局南昌公司专业技术负责人专业质检员专业工长监理(建设)单位贵州广天建设管理咨询有限公司专业工程师隐蔽工程验收记录表C5-1资料编号01-03-C5-XXX工程名称隐检项目喷射混凝土面层隐检日期年月日隐检部位隐检依据:施工图图号基坑挖槽平面图及土钉墙施工方案,设计变更/洽商(编号 / )及有关国家现行标准等。
主要材料名称及规格/型号:普通硅酸盐水泥P·、砂、碎石隐检内容:—H剖面(○1/○A~○H轴线)土钉墙坡面平整度偏差均在±20mm以内,坡面虚土全部清除干净;喷射混凝土控制标志埋设完毕;喷射混凝土强度等级为C20(水泥:砂:石配比1:2:2),喷射厚度为100mm;土钉墙墙面坡度1:0:1。
承包单位:中铁二局股份有限公司合同号:苏轨(2012)合计施字I-02号监理单位:上海申诚隧道轨道交通工程建设监理有限公司编号:地面砖面层隐蔽工程验收记录注:如需绘制图纸的附本记录后.承包单位:中铁二局股份有限公司合同号:苏轨(2012)合计施字I-02号监理单位:上海申诚隧道轨道交通工程建设监理有限公司编号:饰面板安装隐蔽工程验收记录注:如需绘制图纸的附本记录后.承包单位:中铁二局股份有限公司合同号:苏轨(2012)合计施字I—02号监理单位:上海申诚隧道轨道交通工程建设监理有限公司编号:承包单位:中铁二局股份有限公司合同号:苏轨(2012)合计施字I—02号监理单位:上海申诚隧道轨道交通工程建设监理有限公司编号:窗帘盒制作与安装隐蔽工程验收记录注:如需绘制图纸的附本记录后承包单位:中铁二局股份有限公司合同号:苏轨(2012)合计施字I—02号监理单位:上海申诚隧道轨道交通工程建设监理有限公司编号:承包单位:中铁二局股份有限公司合同号:苏轨(2012)合计施字I—02号监理单位:上海申诚隧道轨道交通工程建设监理有限公司编号:护栏与预埋件的连接点,预埋件隐蔽工程验收记录注:如需绘制图纸的附本记录后承包单位:中铁二局股份有限公司合同号:苏轨(2012)合计施字I—02号监理单位:上海申诚隧道轨道交通工程建设监理有限公司编号:门套制作与安装隐蔽工程验收记录注:如需绘制图纸的附本记录后。
承包单位:中铁二局股份有限公司合同号:苏轨(2012)合计施字I—02号监理单位:上海申诚隧道轨道交通工程建设监理有限公司编号:门窗预埋件和锚固件隐蔽工程验收记录注:如需绘制图纸的附本记录后.承包单位:中铁二局股份有限公司合同号:苏轨(2012)合计施字I-02号监理单位:上海申诚隧道轨道交通工程建设监理有限公司编号:轻钢龙骨吊顶隐蔽工程验收记录注:如需绘制图纸的附本记录后。
承包单位:中铁二局股份有限公司合同号:苏轨(2012)合计施字I-02号监理单位:上海申诚隧道轨道交通工程建设监理有限公司编号:轻钢龙骨隔墙隐蔽工程验收记录注:如需绘制图纸的附本记录后。
隐蔽工程验收记录表
Q/CSG表BJ2-1 编号:
隐蔽工程验收记录表
Q/CSG表BJ2-1 编号:
隐蔽工程验收记录表
Q/CSG表BJ2-1 编号:
隐蔽工程验收记录表
Q/CSG表BJ2-1 编号:
隐蔽工程验收记录表
Q/CSG表BJ2-1 编号:
隐蔽工程验收记录表
Q/CSG表BJ2-1 编号:
隐蔽工程验收记录表
Q/CSG表BJ2-1 编号:
隐蔽工程验收记录表
Q/CSG表BJ2-1 编号:
隐蔽工程验收记录表
Q/CSG表BJ2-1 编号:
隐蔽工程验收记录表
Q/CSG表BJ2-1 编号:
隐蔽工程验收记录表
Q/CSG表BJ2-1 编号:
隐蔽工程验收记录表
Q/CSG表BJ2-1 编号:
隐蔽工程验收记录表
Q/CSG表BJ2-1 编号:
隐蔽工程验收记录表
Q/CSG表BJ2-1 编号:TGY-MWS-005
隐蔽工程验收记录表
Q/CSG表BJ2-1 编号:TGY-MWS-006
隐蔽工程验收记录表
Q/CSG表BJ2-1 编号:TGY-MWS-007
隐蔽工程验收记录表
Q/CSG表BJ2-1 编号:TGY-MWS-008
隐蔽工程验收记录表
Q/CSG表BJ2-1 编号:TGY-MWS-009
隐蔽工程验收记录表
Q/CSG表BJ2-1 编号:TGY-MWS-
隐蔽工程验收记录表
Q/CSG表BJ2-1 编号:TGY-MWS-011
隐蔽工程验收记录表
Q/CSG表BJ2-1 编号:TGY-MWS-012。
Q/CSG 表 BJ2-1 隐蔽工程验收记录表编号:工程名称验收项目土方工程验收日期验收部位验收依据:施工图图号设计变更/洽商 (编号/ ) 及有关国家现行标准等。
主要材料名称规格、型号:验收内容:1. 基底土质;2. 基底清理情况;3. 基底标高;4. 基坑轮廓尺寸。
检查意见:经检查:基底土质为强风化砂砾岩层;基底标高、基坑轮廓尺寸符合设计要求;清槽工作到位,未浮现地下水,允许进行下道工序。
检查结论:允许隐蔽□不允许,修改后进行复查复查结论:/复查人:施工单位监理(建设)单位专业技术负责人复查日期:项目专业质量检查员专业工长(施工员)签字栏Q/CSG 表 BJ2-1 隐蔽工程验收记录表编号:工程名称验收项目验收部位验收依据:施工图图号现行标准等。
钢筋工程设计变更/洽商(编号验收日期/ ) 及有关国家主要材料名称规格、型号:钢筋 HRB400 6、 10、 12。
验收内容:1. 原材料产品质量;2. 钢筋的品种、级别、规格;3. 钢筋的配筋数量、位置、间距;4. 钢筋绑扎、安装情况;5. 保护层厚度。
检查意见:经检查:钢筋有质量证明书,复试合格,外观均无锈蚀、无污染,已清理干净;钢筋的品种、级别、规格、配筋数量、位置、间距符合设计要求;钢筋绑扎安装质量坚固,无漏扣现象;保护层厚度符合要求。
检查结论:□√允许隐蔽复查结论:□不允许,修改后进行复查/复查人:施工单位监理(建设)单位专业技术负责人复查日期:项目专业质量检查员专业工长(施工员)签字栏Q/CSG 表 BJ2-1 隐蔽工程验收记录表编号:工程名称验收项目验收部位验收依据:施工图图号砖砌体工程验收日期内外墙设计变更/洽商(编号/ ) 及有关国家现行标准等。
主要材料名称规格、型号:普天烧结砖验收内容:1. 砖的强度等级及规格;2. 砖砌体平整度;3. 砖砌体垂直度;4. 组砌方法。
5. 砖砌体砂浆饱满度6. 水平灰缝厚度及竖缝宽度;检查意见:经检查:砖强度等级、规格符合设计要求,灰缝横平竖直,砂浆密实饱满;砖砌体垂直度、表面平整度、组砌方法、水平灰缝厚度及竖缝宽度偏差符合规范要求。
地面砖面层隐蔽工程验收记录
注:如需绘制图纸的附本记录后。
管线敷设隐蔽工程验收记录
注:如需绘制图纸的附本记录后。
抹灰基层隐蔽工程验收记录
工程编号:表 J—01—03
注:如需绘制图纸的附本记录后。
饰面板安装隐蔽工程验收记录
注:如需绘制图纸的附本记录后。
大理石面层隐蔽工程验收记录
窗帘盒制作与安装隐蔽工程验收记录
注:如需绘制图纸的附本记录后卫生间地面防水隔离层隐蔽工程验收记录
护栏与预埋件的连接点,预埋件隐蔽工程验收记录
注:如需绘制图纸的附本记录后门套制作与安装隐蔽工程验收记录
注:如需绘制图纸的附本记录后。
门窗预埋件和锚固件隐蔽工程验收记录
轻钢龙骨吊顶隐蔽工程验收记录
注:如需绘制图纸的附本记录后。
轻钢龙骨隔墙隐蔽工程验收记录
注:如需绘制图纸的附本记录后。
地面砖面层隐蔽工程验收记录
注:如需绘制图纸的附本记录后.
饰面板安装隐蔽工程验收记录
注:如需绘制图纸的附本记录后。
大理石面层隐蔽工程验收记录
窗帘盒制作与安装隐蔽工程验收记录
注:如需绘制图纸的附本记录后卫生间地面防水隔离层隐蔽工程验收记录
护栏与预埋件的连接点,预埋件隐蔽工程验收记录
注:如需绘制图纸的附本记录后
门套制作与安装隐蔽工程验收记录
注:如需绘制图纸的附本记录后。
门窗预埋件和锚固件隐蔽工程验收记录
注:如需绘制图纸的附本记录后。
轻钢龙骨吊顶隐蔽工程验收记录
注:如需绘制图纸的附本记录后。
轻钢龙骨隔墙隐蔽工程验收记录
注:如需绘制图纸的附本记录后。
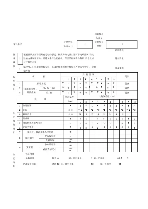
分包单位分包单位负责人目项目技术负责人分包项目经理质量情况保证项目模板及其支架必须具有足够的强度、刚度和稳定性;能可靠地承受新浇筑砼的自重和侧压力,及施工中产生的荷载;保证结构和构件外形尺寸及相互位置的正确符合要求基本项目允许偏差项目项目质量情况等级1 2 3 4 5 6 7 8 9 101 接缝宽度V O V O V V V V O V 优良23接触面清理、隔离措施墙、板(拱)O V O V V O O O V O 合格梁、柱V O V O O V V V O V 优良项目允许偏差(mm)实测偏差值(mm)1 2 3 4 5 6 7 8 9 101 轴线位移 52 4 1 5 4 2 2 5 6 32 标高± 5 + 1 -3 -5 +4 -3 -5 -6 +2 + 1 -23 截面尺寸± 5 +5 -5 +2 +6 +4 +1 -5 -3 -1 +14 垂直度 3 3 2 1 4 3 2 2 2 3 15 相邻两板表面冋低差 2 2 0 1 1 2 1 1 0 3 26 表面平整度 5 2 2 4 1 4 4 5 3 4 27 预埋管、预留孔中心线位移 38 预埋螺栓中心线位移 2外露长度+10-09 预留洞中心线位移10截面内部尺寸+10-0符合要求2保证项目临空墙、门框墙的模板安装,其固定模板的对拉螺栓上严禁采用套管、砼预检查结果基本项目允许偏差项目检查3 项,其中优良实测60 点,其中合格2 项,优良率66.7 %55 项,合格率92分包单位分包单位负责人目项目技术负责人分包项目经理质量情况保证项目模板及其支架必须具有足够的强度、刚度和稳定性;能可靠地承受新浇筑砼的自重和侧压力,及施工中产生的荷载;保证结构和构件外形尺寸及相互位置的正确符合要求基本项目允许偏差项目项目质量情况等级1 2 3 4 5 6 7 8 9 101 接缝宽度V O V O V V V V O V 优良23接触面清理、隔离措施墙、板(拱)O V O V V O O V O O 合格梁、柱V O V O O V V V O V 优良项目允许偏差(mm)实测偏差值(mm)1 2 3 4 5 6 7 8 9 101 轴线位移 523 1 2 24 25 4 32 标高± 5 + 1 -6 -2 +4 -3 -5 -6 +2 + 1 -23 截面尺寸± 5 +5 -5 +2 +6 +4 +1 -5 -3 -1 +14 垂直度 3 0 2 1 2 3 4 2 2 3 15 相邻两板表面冋低差 2 1 0 1 1 2 3 1 3 1 26 表面平整度 5 2 2 6 1 4 4 2 4 4 27 预埋管、预留孔中心线位移 38 预埋螺栓中心线位移 2外露长度+10-09 预留洞中心线位移10截面内部尺寸+10-0符合要求2保证项目临空墙、门框墙的模板安装,其固定模板的对拉螺栓上严禁采用套管、砼预检查结果基本项目允许偏差项目检查3 项,其中优良实测60 点,其中合格2 项,优良率66.7 %53 项,合格率93 %分包单位分包单位负责人目项目技术负责人分包项目经理质量情况保证项目模板及其支架必须具有足够的强度、刚度和稳定性;能可靠地承受新浇筑砼的自重和侧压力,及施工中产生的荷载;保证结构和构件外形尺寸及相互位置的正确符合要求基本项目允许偏差项目项目质量情况等级1 2 3 4 5 6 7 8 9 101 接缝宽度V O V O V V V V O V 优良23接触面清理、隔离措施墙、板(拱)O V O V V O O V V O 合格梁、柱V O V O O V V O O V 优良项目允许偏差(mm)实测偏差值(mm)1 2 3 4 5 6 7 8 9 101 轴线位移 523 1 2 24 25 4 62 标高± 5 + 1 -3 -2 +6 -3 -5 -2 +2 + 1 -23 截面尺寸± 5 +5 -5 +2 +6 +4 +1 -5 -3 -1 +14 垂直度 3 0 2 1 2 3 2 2 4 3 15 相邻两板表面冋低差 2 1 0 1 1 2 3 1 3 1 26 表面平整度 5 2 2 3 1 4 4 4 3 4 27 预埋管、预留孔中心线位移 38 预埋螺栓中心线位移 2外露长度+10-09 预留洞中心线位移10截面内部尺寸+10-0符合要求2保证项目临空墙、门框墙的模板安装,其固定模板的对拉螺栓上严禁采用套管、砼预检查结果基本项目允许偏差项目检查3 项,其中优良实测60 点,其中合格2 项,优良率66.7 %55 项,合格率92 %分包单位分包单位负责人目项目技术负责人分包项目经理质量情况保证项目模板及其支架必须具有足够的强度、刚度和稳定性;能可靠地承受新浇筑砼的自重和侧压力,及施工中产生的荷载;保证结构和构件外形尺寸及相互位置的正确符合要求基本项目允许偏差项目项目质量情况等级1 2 3 4 5 6 7 8 9 101 接缝宽度V O V O V V V V O V 优良23接触面清理、隔离措施墙、板(拱)O V O V V O O V V O 合格梁、柱V O V O O V V O O V 优良项目允许偏差(mm)实测偏差值(mm)1 2 3 4 5 6 7 8 9 101 轴线位移 523 1 2 24 25 4 62 标高± 5 + 1 -3 -2 +6 -3 -5 -2 +2 + 1 -23 截面尺寸± 5 +5 -5 +2 +6 +4 +1 -5 -3 -1 +14 垂直度 3 0 2 1 2 3 2 2 4 3 15 相邻两板表面冋低差 2 1 0 1 1 2 3 1 3 1 26 表面平整度 5 2 2 3 1 4 4 4 3 4 27 预埋管、预留孔中心线位移 38 预埋螺栓中心线位移 2外露长度+10-09 预留洞中心线位移10截面内部尺寸+10-0符合要求2保证项目临空墙、门框墙的模板安装,其固定模板的对拉螺栓上严禁采用套管、砼预检查结果基本项目允许偏差项目检查3 项,其中优良实测60 点,其中合格2 项,优良率66.7 %55 项,合格率92 %分包单位分包单位负责人目项目技术负责人分包项目经理28幢地下室1-1〜1-8轴交1-K〜1-E轴质量情况保证项目模板及其支架必须具有足够的强度、刚度和稳定性;能可靠地承受新浇筑砼的自重和侧压力,及施工中产生的荷载;保证结构和构件外形尺寸及相互位置的正确符合要求基本项目允许偏差项目项目质量情况等级1 2 3 4 5 6 7 8 9 101 接缝宽度V O V O V V V V O V 优良23接触面清理、隔离措施墙、板(拱)O V O V V O O V V O 合格梁、柱V O V O O V V O O V 优良项目允许偏差(mm)实测偏差值(mm)1 2 3 4 5 6 7 8 9 101 轴线位移 523 1 2 34 25 2 62 标高± 5 + 1 -3 -2 +3 -3 -5 -2 +2 + 1 -63 截面尺寸± 5 +5 -5 +2 +6 +4 +1 -5 -3 -1 +14 垂直度 3 0 2 1 2 3 2 2 2 3 15 相邻两板表面冋低差 2 1 0 1 1 2 3 1 3 1 26 表面平整度 5 2 3 3 1 4 5 4 3 4 27 预埋管、预留孔中心线位移 38 预埋螺栓中心线位移 2外露长度+10-09 预留洞中心线位移10截面内部尺寸+10-0符合要求2保证项目临空墙、门框墙的模板安装,其固定模板的对拉螺栓上严禁采用套管、砼预检查结果基本项目允许偏差项目检查3 项,其中优良实测60 点,其中合格2 项,优良率66.7 %55 项,合格率92 %分包单位分包单位负责人目项目技术负责人分包项目经理质量情况保证项目模板及其支架必须具有足够的强度、刚度和稳定性;能可靠地承受新浇筑砼的自重和侧压力,及施工中产生的荷载;保证结构和构件外形尺寸及相互位置的正确符合要求基本项目允许偏差项目项目质量情况等级1 2 3 4 5 6 7 8 9 101 接缝宽度V O V O V V V V O V 优良23接触面清理、隔离措施墙、板(拱)O V O V V O O V V O 合格梁、柱V O V O O V V O O V 优良项目允许偏差(mm)实测偏差值(mm)1 2 3 4 5 6 7 8 9 101 轴线位移 5 32 1 2 6 4 2 5 2 62 标高± 5 + 1 -5 -2 +3 -3 -2 -3 +3 +2 -63 截面尺寸± 5 +5 -5 + 1 +6 +4 +2 -5 -3 -2 +14 垂直度 3 1 2 2 2 3 2 2 1 3 15 相邻两板表面冋低差 2 1 0 1 1 2 3 1 3 1 26 表面平整度 5 2 3 1 2 4 4 4 3 2 27 预埋管、预留孔中心线位移 38 预埋螺栓中心线位移 2外露长度+10-09 预留洞中心线位移10截面内部尺寸+10-0符合要求2保证项目临空墙、门框墙的模板安装,其固定模板的对拉螺栓上严禁采用套管、砼预检查结果基本项目允许偏差项目检查3 项,其中优良实测60 点,其中合格2 项,优良率66.7 %54 项,合格率90 %分包单位分包单位负责人目项目技术负责人分包项目经理质量情况保证项目模板及其支架必须具有足够的强度、刚度和稳定性;能可靠地承受新浇筑砼的自重和侧压力,及施工中产生的荷载;保证结构和构件外形尺寸及相互位置的正确符合要求基本项目允许偏差项目项目质量情况等级1 2 3 4 5 6 7 8 9 101 接缝宽度V O V O V V V V O V 优良23接触面清理、隔离措施墙、板(拱)O V O V V O O V V O 合格梁、柱V O V O O V V O O V 优良项目允许偏差(mm)实测偏差值(mm)1 2 3 4 5 6 7 8 9 101 轴线位移 52 23 2 34 25 4 62 标高± 5 +2 -4 -2 +3 -3 -2 -4 +3 +2 -63 截面尺寸± 5 +5 -5 + 1 +3 +4 +2 -5 -6 -2 +14 垂直度 3 1 2 1 2 3 2 2 1 3 15 相邻两板表面冋低差 2 1 0 1 2 2 3 1 3 1 26 表面平整度 5 2 3 4 2 4 3 4 3 2 27 预埋管、预留孔中心线位移 38 预埋螺栓中心线位移 2外露长度+10-09 预留洞中心线位移10截面内部尺寸+10-0符合要求2保证项目临空墙、门框墙的模板安装,其固定模板的对拉螺栓上严禁采用套管、砼预检查结果基本项目允许偏差项目检查3 项,其中优良实测60 点,其中合格2 项,优良率66.7 %55 项,合格率92 %分包单位分包单位负责人目项目技术负责人分包项目经理质量情况保证项目模板及其支架必须具有足够的强度、刚度和稳定性;能可靠地承受新浇筑砼的自重和侧压力,及施工中产生的荷载;保证结构和构件外形尺寸及相互位置的正确符合要求基本项目允许偏差项目项目质量情况等级1 2 3 4 5 6 7 8 9 101 接缝宽度V O V O V V V V O V 优良23接触面清理、隔离措施墙、板(拱)O V O V V O O V V O 合格梁、柱V O V O O V V O O V 优良项目允许偏差(mm)实测偏差值(mm)1 2 3 4 5 6 7 8 9 101 轴线位移 5 323 2 3 5 2 54 62 标高± 5 +3 -4 -2 +5 -3 -2 -4 +3 +2 -33 截面尺寸± 5 +4 -5 +2 +3 +4 +2 -5 -6 -3 +14 垂直度 3 2 1 2 2 3 2 2 1 2 15 相邻两板表面冋低差 2 1 0 1 2 2 3 1 3 1 26 表面平整度 5 2 3 4 2 4 3 4 3 2 27 预埋管、预留孔中心线位移 38 预埋螺栓中心线位移 2外露长度+10-09 预留洞中心线位移10截面内部尺寸+10-0符合要求2保证项目临空墙、门框墙的模板安装,其固定模板的对拉螺栓上严禁采用套管、砼预检查结果基本项目允许偏差项目检查3 项,其中优良实测60 点,其中合格2 项,优良率66.7 %55 项,合格率92 %分包单位分包单位负责人目项目技术负责人分包项目经理质量情况保证项目模板及其支架必须具有足够的强度、刚度和稳定性;能可靠地承受新浇筑砼的自重和侧压力,及施工中产生的荷载;保证结构和构件外形尺寸及相互位置的正确符合要求基本项目允许偏差项目项目质量情况等级1 2 3 4 5 6 7 8 9 101 接缝宽度V O V O V V V V O V 优良23接触面清理、隔离措施墙、板(拱)O V O V V O O V V O 合格梁、柱V O V O O V V O O V 优良项目允许偏差(mm)实测偏差值(mm)1 2 3 4 5 6 7 8 9 101 轴线位移 5 3 3 3 1 4 52 5 2 62 标高± 5 +3 -6 -2 +5 -2 -2 -4 +3 +3 -33 截面尺寸± 5 +4 -5 +2 +3 +4 +2 -5 -6 -3 +14 垂直度 3 2 1 2 2 3 2 2 1 2 15 相邻两板表面冋低差 2 1 0 1 1 2 2 1 3 1 26 表面平整度 5 2 4 4 2 4 3 2 3 2 27 预埋管、预留孔中心线位移 38 预埋螺栓中心线位移 2外露长度+10-09 预留洞中心线位移10截面内部尺寸+10-0符合要求2保证项目临空墙、门框墙的模板安装,其固定模板的对拉螺栓上严禁采用套管、砼预检查结果基本项目允许偏差项目检查3 项,其中优良实测60 点,其中合格2 项,优良率66.7 %55 项,合格率92 %分包单位分包单位负责人目项目技术负责人分包项目经理质量情况保证项目模板及其支架必须具有足够的强度、刚度和稳定性;能可靠地承受新浇筑砼的自重和侧压力,及施工中产生的荷载;保证结构和构件外形尺寸及相互位置的正确符合要求基本项目允许偏差项目项目质量情况等级1 2 3 4 5 6 7 8 9 101 接缝宽度V O V O V V V V O V 优良23接触面清理、隔离措施墙、板(拱)O V O V V O O V V O 合格梁、柱V O V O O V V O O V 优良项目允许偏差(mm)实测偏差值(mm)1 2 3 4 5 6 7 8 9 101 轴线位移 523 2 1 54 25 3 62 标高± 5 +2 -2 -6 +4 -2 -3 -4 +3 +3 -33 截面尺寸± 5 +4 -5 +4 +3 +4 +3 -5 -6 -3 +34 垂直度 3 2 1 4 2 2 2 3 1 2 15 相邻两板表面冋低差 2 1 0 2 1 2 1 1 3 2 26 表面平整度 5 2 4 4 5 4 3 2 4 2 27 预埋管、预留孔中心线位移 38 预埋螺栓中心线位移 2外露长度+10-09 预留洞中心线位移10截面内部尺寸+10-0符合要求2保证项目临空墙、门框墙的模板安装,其固定模板的对拉螺栓上严禁采用套管、砼预检查结果基本项目允许偏差项目检查3 项,其中优良实测60 点,其中合格2 项,优良率66.7 %55 项,合格率92 %分包单位分包单位负责人目项目技术负责人分包项目经理质量情况保证项目模板及其支架必须具有足够的强度、刚度和稳定性;能可靠地承受新浇筑砼的自重和侧压力,及施工中产生的荷载;保证结构和构件外形尺寸及相互位置的正确符合要求基本项目允许偏差项目项目质量情况等级1 2 3 4 5 6 7 8 9 101 接缝宽度V O V O V V V V O V 优良23接触面清理、隔离措施墙、板(拱)O V O V V O O V V O 合格梁、柱V O V O O V V O O V 优良项目允许偏差(mm)实测偏差值(mm)1 2 3 4 5 6 7 8 9 101 轴线位移 523 1 2 645 5 3 22 标高± 5 +2 -2 -4 +4 -2 -3 -4 +3 +3 -33 截面尺寸± 5 +4 -2 +4 +3 +4 +2 -5 -6 -3 +34 垂直度 3 2 2 4 2 3 2 2 1 3 35 相邻两板表面冋低差 2 2 0 1 1 2 0 3 1 2 26 表面平整度 5 2 3 4 4 2 6 5 5 3 47 预埋管、预留孔中心线位移 38 预埋螺栓中心线位移 2外露长度+10-09 预留洞中心线位移10截面内部尺寸+10-0符合要求2保证项目临空墙、门框墙的模板安装,其固定模板的对拉螺栓上严禁采用套管、砼预检查结果基本项目允许偏差项目检查3 项,其中优良实测60 点,其中合格2 项,优良率66.7 %55 项,合格率92 %分包单位分包单位负责人目项目技术负责人分包项目经理质量情况保证项目模板及其支架必须具有足够的强度、刚度和稳定性;能可靠地承受新浇筑砼的自重和侧压力,及施工中产生的荷载;保证结构和构件外形尺寸及相互位置的正确符合要求基本项目允许偏差项目项目质量情况等级1 2 3 4 5 6 7 8 9 101 接缝宽度V O V O V V V V O V 优良23接触面清理、隔离措施墙、板(拱)O V O V V O O V V O 合格梁、柱V O V O O V V O O V 优良项目允许偏差(mm)实测偏差值(mm)1 2 3 4 5 6 7 8 9 101 轴线位移 52 23 5 2 3 3 1 6 32 标高± 5 +2 -2 -6 +4 -5 -3 -4 +3 +3 -53 截面尺寸± 5 +4 -5 +4 +3 +4 +2 -5 -3 -3 +34 垂直度 3 2 2 3 1 4 3 2 2 3 15 相邻两板表面冋低差 2 0 2 2 4 1 1 2 1 1 16 表面平整度 5 3 2 2 4 5 5 6 3 3 47 预埋管、预留孔中心线位移 38 预埋螺栓中心线位移 2外露长度+10-09 预留洞中心线位移10截面内部尺寸+10-0符合要求2保证项目临空墙、门框墙的模板安装,其固定模板的对拉螺栓上严禁采用套管、砼预检查结果基本项目允许偏差项目检查3 项,其中优良实测60 点,其中合格2 项,优良率66.7 %55 项,合格率92 %分包单位分包单位负责人目项目技术负责人分包项目经理质量情况保证项目模板及其支架必须具有足够的强度、刚度和稳定性;能可靠地承受新浇筑砼的自重和侧压力,及施工中产生的荷载;保证结构和构件外形尺寸及相互位置的正确符合要求基本项目允许偏差项目项目质量情况等级1 2 3 4 5 6 7 8 9 101 接缝宽度V O V O V V V V O V 优良23接触面清理、隔离措施墙、板(拱)O V O V V O O V V O 合格梁、柱V O V O O V V O O V 优良项目允许偏差(mm)实测偏差值(mm)1 2 3 4 5 6 7 8 9 101 轴线位移 523 24 156 3 3 32 标高± 5 +2 -2 -3 +4 -5 -3 -4 +3 +2 -53 截面尺寸± 5 +4 -2 +4 +6 +4 +2 -5 -3 -3 +34 垂直度 3 2 2 3 1 4 3 2 1 1 25 相邻两板表面冋低差 2 1 1 0 2 2 3 1 2 0 26 表面平整度 5 5 5 3 3 4 2 6 2 3 27 预埋管、预留孔中心线位移 38 预埋螺栓中心线位移 2外露长度+10-09 预留洞中心线位移10截面内部尺寸+10-0符合要求2保证项目临空墙、门框墙的模板安装,其固定模板的对拉螺栓上严禁采用套管、砼预检查结果基本项目允许偏差项目检查3 项,其中优良实测60 点,其中合格2 项,优良率66.7 %55 项,合格率92 %分包单位分包单位负责人目项目技术负责人分包项目经理质量情况保证项目模板及其支架必须具有足够的强度、刚度和稳定性;能可靠地承受新浇筑砼的自重和侧压力,及施工中产生的荷载;保证结构和构件外形尺寸及相互位置的正确符合要求基本项目允许偏差项目项目质量情况等级1 2 3 4 5 6 7 8 9 101 接缝宽度V O V O V V V V O V 优良23接触面清理、隔离措施墙、板(拱)O V O V V O O V V O 合格梁、柱V O V O O V V O O V 优良项目允许偏差(mm)实测偏差值(mm)1 2 3 4 5 6 7 8 9 101 轴线位移 5 3 3 42 2 5 6 2 2 52 标高± 5 +2 -6 -3 +4 -5 -3 -4 +5 +2 -53 截面尺寸± 5 +4 -2 +4 +2 +4 +2 -5 -4 -3 +34 垂直度 3 2 1 1 1 35 3 2 2 15 相邻两板表面冋低差 2 1 0 2 2 1 2 3 2 1 16 表面平整度 5 3 3 6 4 5 2 2 3 1 57 预埋管、预留孔中心线位移 38 预埋螺栓中心线位移 2外露长度+10-09 预留洞中心线位移10截面内部尺寸+10-0符合要求2保证项目临空墙、门框墙的模板安装,其固定模板的对拉螺栓上严禁采用套管、砼预检查结果基本项目允许偏差项目检查3 项,其中优良实测60 点,其中合格2 项,优良率66.7 %55 项,合格率92 %分包单位分包单位负责人目项目技术负责人分包项目经理质量情况保证项目模板及其支架必须具有足够的强度、刚度和稳定性;能可靠地承受新浇筑砼的自重和侧压力,及施工中产生的荷载;保证结构和构件外形尺寸及相互位置的正确符合要求基本项目允许偏差项目项目质量情况等级1 2 3 4 5 6 7 8 9 101 接缝宽度V O V O V V V V O V 优良23接触面清理、隔离措施墙、板(拱)O V O V V O O V V O 合格梁、柱V O V O O V V O O V 优良项目允许偏差(mm)实测偏差值(mm)1 2 3 4 5 6 7 8 9 101 轴线位移 5234 2 35 4 2 2 52 标高± 5 +2 -6 -3 +4 -5 -2 -4 +5 +2 -53 截面尺寸± 5 +4 -2 +4 +2 +6 +2 -5 -4 -3 +34 垂直度 3 2 3 2 1 35 3 2 2 15 相邻两板表面冋低差 2 1 0 2 1 1 2 3 2 2 16 表面平整度 5 3 5 6 4 5 2 2 3 1 27 预埋管、预留孔中心线位移 38 预埋螺栓中心线位移 2外露长度+10-09 预留洞中心线位移10截面内部尺寸+10-0符合要求2保证项目临空墙、门框墙的模板安装,其固定模板的对拉螺栓上严禁采用套管、砼预检查结果基本项目允许偏差项目检查3 项,其中优良实测60 点,其中合格2 项,优良率66.7 %55 项,合格率92 %分包单位分包单位负责人目项目技术负责人分包项目经理质量情况保证项目模板及其支架必须具有足够的强度、刚度和稳定性;能可靠地承受新浇筑砼的自重和侧压力,及施工中产生的荷载;保证结构和构件外形尺寸及相互位置的正确符合要求基本项目允许偏差项目项目质量情况等级1 2 3 4 5 6 7 8 9 101 接缝宽度V O V O V V V V O V 优良23接触面清理、隔离措施墙、板(拱)O V O V V O O V V O 合格梁、柱V O V O O V V O O V 优良项目允许偏差(mm)实测偏差值(mm)1 2 3 4 5 6 7 8 9 101 轴线位移 5 3 3 3 4 6 1 42 4 32 标高± 5 +2 -6 -3 +4 -5 -2 -4 +5 +2 -53 截面尺寸± 5 +4 -2 +4 +2 +6 +2 -5 -4 -3 +34 垂直度 3 2 4 2 1 2 3 3 2 1 35 相邻两板表面冋低差 2 3 2 1 2 0 2 0 2 1 26 表面平整度 5 4 5 4 4 3 2 2 3 1 47 预埋管、预留孔中心线位移 38 预埋螺栓中心线位移 2外露长度+10-09 预留洞中心线位移10截面内部尺寸+10-0符合要求2保证项目临空墙、门框墙的模板安装,其固定模板的对拉螺栓上严禁采用套管、砼预检查结果基本项目允许偏差项目检查3 项,其中优良实测60 点,其中合格2 项,优良率66.7 %55 项,合格率92 %。
隐蔽工程验收记录表一、概述隐蔽工程是指在建筑装修中需要进行的隐蔽部位施工,常见的隐蔽工程包括电缆线槽、暗管、隔音棉等。
隐蔽工程的验收是确保隐蔽工程质量的重要环节。
二、验收内容隐蔽工程验收应包括以下内容:1.施工过程记录:记录施工人员、日期、施工过程及材料等信息,作为后续验收的依据。
2.施工方案:应根据设计施工方案或图纸进行施工,确保符合设计要求。
3.材料验收:隐蔽工程所使用的材料应符合相关的国家标准或行业标准,如电缆、线槽、暗管等。
4.施工验收:应根据设计图纸要求进行验收,包括施工材料的选用、安装是否符合设计要求、安装是否达到要求。
5.完成验收:在隐蔽工程完工后进行验收,包括工程的完整性、消防电线是否符合相关标准等。
三、验收流程1.施工过程记录:监理工程师应在施工现场监督并记录施工的过程和材料的使用,如电缆线槽的材料规格、数量,暗管管径等,并保留好相关材料和文档记录。
在完成隐蔽工程之后,应将记录进行备案。
2.施工方案:隐蔽工程施工前,应验收施工方案是否符合设计要求。
3.材料验收:对所使用的材料进行验收,应符合国家标准或行业标准要求,材料的质量与数量是否符合标准。
4.施工验收:同时进行现场施工验收,包括安装是否按照施工图纸进行安装,是否符合标准,如无特殊要求或规定,可按照行业标准验收。
5.完成验收:隐蔽工程完工后,应进行最终验收,并检查工程完整性、消防电线是否符合相关标准等。
验收合格后应进行备案。
四、注意事项1.在验收前应进行必要的准备工作,清扫施工区域,检查在施工区域内是否存在危险品,并及时处理。
2.在验收时,应检查施工质量是否符合国家标准或行业标准。
3.在进行现场验收时,应注意安全,如需要参与验收的人员应穿戴好相应的劳保用品,防止发生安全意外。
4.验收过程中出现的问题应及时处理,并重新进行验收。
五、验收结果隐蔽工程的验收结果以验收记录表作为依据,经过审核后,验收有两种结论:合格或不合格。
若为合格,验收记录表应进行备案;若为不合格,则应及时予以整改、复验,直至达到合格要求。
隐蔽工程验收记录表2014年月日
施工单位:双木建设公司
隐蔽工程验收记录表
2014年月日
施工单位:双木建设公司
隐蔽工程验收记录表2010年月日
6、予埋铁件制作和安装是否符合设计要求
7、其他事项记录:
施工单位检验
意见
2010年月
日
监理建设单位检查意见2010年月日
施工单位:科华建设公司
隐蔽工程验收记录表
年月日
单位工程
名称
新区凤凰城B组团B-8#车库
分部项工程
名称
-
/
-
、
-
/
-
轴现浇顶梁板、
矩形柱、墙板隐蔽工程所属施工图结施-01、03、
内容及部
位
-
/
-
、
-
/
-
轴现浇顶梁板、矩形柱、墙板钢筋
号04、05、14
1、材料:采用榕航产 I级钢及大展产Ⅱ级钢有﹙无﹚合格证,钢筋表面无﹙有﹚浮锈
和油污。
2、钢筋成型:钢筋长度、起弯点、弯钩等尺寸是否符合设计及规范要求均符合设计及规范要求
3、钢筋钢号、规格及数量代用或变更情况均按图或变更施工。
4、接头:钢筋接头采用搭接及电渣压力焊接,搭接长度 55 倍直径,
在同一断面内接头超过规定有/处。
5、钢筋绑扎:钢筋绑扎用 22 号铅丝,保护层用砼垫块垫起,双层钢筋马凳垫起,
钢筋间距实际偏差情况无偏差
6、予埋铁件制作和安装是否符合设计要求符合设计及施工规范要求
7、其他事项记录:/
施工单位经检查以上各项均符合设计及质量验收施监理建设单年月日
施工单位:技术员:工长:
隐蔽工程验收记录表
2009年月日。