二级圆柱齿轮减速器开题报告
- 格式:doc
- 大小:59.50 KB
- 文档页数:7
武汉工业学院毕业设计(论文)开题报告2010届毕业设计题目:基于AutoCAD的圆柱齿轮三维参数化设计院(系):机械工程学院专业名称:过程装备与控制工程学生姓名:学生学号:指导教师:杨红军武汉工业学院学生毕业设计(论文)开题报告表数字仪和鼠标器30多种,绘图仪和打印机数十种,这就为AutoCAD的普及创造了条件。
AutoCAD的发展过程可分为初级阶段、发展阶段、高级发展阶段、完善阶段和进一步完善阶段五个阶段。
在AutoCAD 2004的基础上,Autodesk公司还同时发布了针对建筑业、基础设施和机械制造业的10个行业应用解决方案。
AutoCAD 2004与它的前一版本AutoCAD 2002相比,在速度、数据共享和软件管理方面有显著的改进和提高。
AutoCAD 2004的速度比AutoCAD 2002提高24%,网络性能提升了28%,DWG文件大小平均减小44%,可将服务器磁盘空间要求减少40%——60%。
在数据共享方面,AutoCAD 2004采用改进的DWF文件格式——DWF 6,支持在出版和查看中安全地进行共享;并通过参考变更的自动通知、在线内容获取、CAD标准检查、数字签字检查等技术提供了方便、快捷、安全的数据共享环境。
此外,AutoCAD 2004与业界标准工具SMS、Windows Advertising等兼容,并提供免费的图档查看工具Express Tools,在许可证管理、安装实施等方面都可以节省大量的时间和成本。
AutoCAD 2004拥有轻松的设计环境,它将把用户的注意力从键盘、鼠标和其它输入设备转移到设计上来。
在完成任务的自动化方面,AutoCAD 2004还向用户提供实时的信息和数据访问,帮助用户进行设计。
AutoCAD之所以能取得成功,很大一部分因归功于其采用开放式体系。
它提供接口允许用户、二次开发商在AutoCAD平台上开发各种应用程序,用户可以定制自己的外部命令(PCP)、菜单(Menu) ,型( Shape) 。
武汉工业学院毕业设计(论文)开题报告2010届毕业设计题目:基于AutoCAD的圆柱齿轮三维参数化设计院(系):机械工程学院专业名称:过程装备与控制工程学生姓名:学生学号:指导教师:杨红军武汉工业学院学生毕业设计(论文)开题报告表数字仪和鼠标器30多种,绘图仪和打印机数十种,这就为AutoCAD的普及创造了条件。
AutoCAD的发展过程可分为初级阶段、发展阶段、高级发展阶段、完善阶段和进一步完善阶段五个阶段。
在AutoCAD 2004的基础上,Autodesk公司还同时发布了针对建筑业、基础设施和机械制造业的10个行业应用解决方案。
AutoCAD 2004与它的前一版本AutoCAD 2002相比,在速度、数据共享和软件管理方面有显著的改进和提高。
AutoCAD 2004的速度比AutoCAD 2002提高24%,网络性能提升了28%,DWG文件大小平均减小44%,可将服务器磁盘空间要求减少40%——60%。
在数据共享方面,AutoCAD 2004采用改进的DWF文件格式——DWF 6,支持在出版和查看中安全地进行共享;并通过参考变更的自动通知、在线内容获取、CAD标准检查、数字签字检查等技术提供了方便、快捷、安全的数据共享环境。
此外,AutoCAD 2004与业界标准工具SMS、Windows Advertising等兼容,并提供免费的图档查看工具Express Tools,在许可证管理、安装实施等方面都可以节省大量的时间和成本。
AutoCAD 2004拥有轻松的设计环境,它将把用户的注意力从键盘、鼠标和其它输入设备转移到设计上来。
在完成任务的自动化方面,AutoCAD 2004还向用户提供实时的信息和数据访问,帮助用户进行设计。
AutoCAD之所以能取得成功,很大一部分因归功于其采用开放式体系。
它提供接口允许用户、二次开发商在AutoCAD平台上开发各种应用程序,用户可以定制自己的外部命令(PCP)、菜单(Menu) ,型( Shape) 。
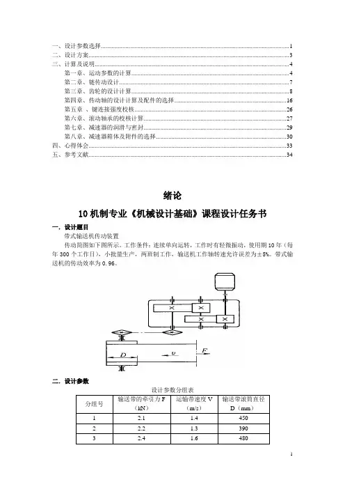
一、设计参数选择 (1)二、设计方案 (3)三、计算及说明 (4)第一章、运动参数的计算 (4)第二章、链传动设计 (7)第三章、齿轮的设计计算 (8)第四章、传动轴的设计计算及配件的选择 (16)第五章、键连接强度校核 (26)第六章、滚动轴承的校核计算 (27)第七章、减速器的润滑与密封 (29)第八章、减速器箱体及附件的选择 (30)四、心得体会 (33)五、参考文献 (34)绪论10机制专业《机械设计基础》课程设计任务书一.设计题目带式输送机传动装置传动简图如下图所示。
工作条件:连续单向运转,工作时有轻微振动,使用期10年(每年300个工作日),小批量生产,两班制工作,输送机工作轴转速允许误差为±5%。
带式输送机的传动效率为0.96。
二.设计参数分组号输送带的牵引力F(kN)运输带速度V(m/s)输送带滚筒直径D(mm)1 2.1 1.44502 2.2 1.33903 2.4 1.6480二、课程设计的任务每个学生应完成的设计任务:1)装配图一张(1号图,可手工绘制草图,再上机绘制)。
2)零件图2张(齿轮、轴,计算机绘图)。
3)编写设计说明书一份,约6000-8000字。
三、课程设计的时间与进度安排课程设计时间:2012-2013学年第二学期第十五周、十六周。
课程设计进度安排见下表。
四、指导教师林云志周妍方新燕章培培一、设计参数选择设计参数如表1:表1:带式传输机的设计参数本次设计选题为4-E设计一减速器使其满足以下条件:1)运输带工作拉力:F=2.7KN;);2)运输带工作速度:v=1.1m/s(允许运输带速度误差为5%3)滚筒轴直径:D=400mm;4)工作机效率:ηw=0.96;5) 工作情况:两班制,连续单向运转,载荷较平稳;6) 使用寿命:10年;7) 动力来源:电力,三相交流,电压380V/220V;8)制造条件及生产批量:一般机械厂制造,小批量生产。
二、设计方案传动系统的作用:介于机械中原动机与工作机之间,主要将原动机的运动和动力传给工作机,在此起减速作用,并协调二者的转速和转矩。
二级减速器的开题报告1. 引言二级减速器是一种常见的机械传动装置,用于实现高速电机或发动机输出的转矩和速度的调节。
它由两个减速级联组成,可以将高速输入转换为低速高转矩输出。
本文将针对二级减速器的设计、工作原理、优缺点以及应用范围进行详细介绍并提出具体的设计方案。
2. 设计目标本文所设计的二级减速器应满足以下目标:•输出转矩可调,能适应不同工况需求;•输出转速稳定,不受外界干扰影响;•结构紧凑,体积小、重量轻;•高效率,能最大限度地转换输入能量为输出能量。
3. 工作原理二级减速器的工作原理可以概括为以下几个步骤:1.输入轴传递高速旋转的动力;2.第一级减速器将输入轴的高速转矩转换为中速转矩;3.中速轴传递中速转矩到第二级减速器;4.第二级减速器将中速转矩进一步降低,得到低速高转矩输出。
4. 设计方案基于上述工作原理,我们提出如下设计方案:4.1 输入轴输入轴应具有较高的强度和刚度,以承受高速旋转时的压力和扭矩。
可以考虑采用高强度合金材料制造输入轴,如钢或铝合金材料。
4.2 第一级减速器第一级减速器的设计应满足转矩转换和速度调节的需求。
可以采用齿轮传动的方式,通过合理选择齿轮的齿数和模数,实现输入转矩的降低和转速的转换。
此外,为了减小传动过程中的能量损失,可以考虑加入动力辅助装置,如润滑系统和冷却系统。
4.3 中速轴中速轴作为连接第一级减速器和第二级减速器的中间传动轴,应具有足够的刚性和强度,以承受中速转矩的传递。
同样可以考虑采用高强度合金材料制造中速轴。
4.4 第二级减速器第二级减速器是二级减速器的核心部分,其设计应根据具体需求进行优化。
可以采用不同的传动方式,如齿轮传动、带传动或链传动等。
根据输出要求,选择合适的齿轮比和齿轮尺寸,以实现输出转矩的调节和转速的降低。
4.5 输出轴输出轴负责将低速高转矩的输出传递给工作设备或负载。
其设计应结合具体应用进行优化,确保输出轴的刚性、强度和稳定性满足工作要求。
设计题目:二级直齿圆柱齿轮减速器1. 要求:拟定传动关系:由电动机、V 带、减速器、联轴器、工作机构成。
2. 工作条件:双班工作,有轻微振动,小批量生产,单向传动,使用5年,运输带允许误差 5%。
3. 知条件:运输带卷筒转速19r/min ,减速箱输出轴功率P=4.25马力,传动装置总体设计:1. 组成:传动装置由电机、减速器、工作机组成。
2. 特点:齿轮相对于轴承不对称分布,故沿轴向载荷分布不均匀,要求轴有较大的刚度。
3. 确定传动方案:考虑到电机转速高,传动功率大,将V 带设置在高速级。
其传动方案如下:1 .计算电机所需功率P d:查手册第3页表1-7 :i—带传动效率:0.962 —每对轴承传动效率:0.993—圆柱齿轮的传动效率:0.96■Pd-选择电机n 1InXXPwX4IV4 —联轴器的传动效率:0.9935 —卷筒的传动效率:0.96说明:—电机至工作机之间的传动装置的总效率:=4 * 3 * 5P w…4 5 Pd——3.6 7KW2确定电机转速:查指导书第7页表1 :取V带传动比i=2」4二级圆柱齿轮减速器传动比i=8L 40所以电动机转速的可选范围是:n电机二n卷筒i总=19 2[4 8[40 =3043040/min符合这一范围的转速有:750、1000、1500、3000根据电动机所需功率和转速查手册第155页表12-1有4种适用的电动机型号,因此有4种传动比方案如下:综合考虑电动机和传动装置的尺寸、重量、和带传动、减速器的传动比,可见第3种方案比较合适,因此选用电动机型号为丫132M1-6 ,其主要参数如下:额定满同步质 A D E F G H L AB功率载转速量kW 转速4 9601000732163880 1033 132 515280四确定传动装置的总传动比和分配传动比:分配传动比:取i带二3.05则i1 j2 二50.53/3.0516.49i广1.31.52取i i = I.®经计算i2 二3.56 i^ 4.56注:i带为带轮传动比,i1为高速级传动比,i2为低速级传动比。
毕业设计(论文)开题报告题目带式运输机的二级圆柱齿轮减速器的设计一、本课题研究的主要内容、目的和意义1.本课题研究的主要内容本次的毕业设计是齿轮减速器的设计,减速器在原动机和工作机或执行机构之间起匹配转速和传递转矩的作用,在现代机械中应用极为广泛。
减速器按用途可分为通用减速器和专用减速器两大类,两者的设计、制造和使用特点各不相同。
20世纪70-80年代,世界上减速器技术有了很大的发展,且与新技术革命的发展紧密结合。
2.本课题研究的目的随着制造业规模的扩大,生产批量的不断增长,生产线已经越来越广泛得应用于车间。
输送机作为生产线的枢纽,其主要作用就是将工件从一个工序输送到下一个工序,它是由马达提供动力,通过变频器或变速器调节到所需速度进行工作。
带式输送机是连续运行的运输设备,在冶金、采矿、动力、建材等重工业部门及交通运输部门中主要用来运送大量散状货物,如矿石、煤、砂等粉、块状物和包装好的成件物品。
带式输送机是煤矿最理想的高效连续运输设备,与其他运输设备相比,不仅具有长距离、大运量、连续输送等优点,而且运行可靠易于实现自动化、集中化控制,特别是对高产高效矿井,带式输送机已成为煤炭高效开采机电一体化技术与装备的关键设备。
特别是近10年,长距离、大运量、高速度的带式输送机的出现,使其在矿山建设的井下巷道、矿井地表运输系统及露天采矿场、选矿厂中的应用又得到进一步推广。
3. 本课题研究的意义选择带式输送机这种通用机械的设计作为毕业设计的选题,能培养我独产解决工程实际问题的能力,能过这次毕业设计是对所学基本理论和专业知识的一次综合运用,也使我们的设计、计算机和绘图能力都行到一个全面的训练二、文献综述(国内外相关研究现况和发展趋向)带式输送机至今至少已有一百五十年的历史,早期的输送带是甩皮革之类的材料制成,后来用皮革加纤维织物制造。
有关输送带的最早文献是甲OliveTEvans 于1795年在美国费城出版的“MillersGuide”上发表的。
齿轮减速器开题报告齿轮减速器开题报告引言:齿轮减速器作为一种常见的机械传动装置,广泛应用于工业生产和机械设备中。
它通过齿轮的啮合,将高速旋转的输入轴转变为低速旋转的输出轴,从而实现传动比的调节。
本文旨在探讨齿轮减速器的工作原理、设计和应用领域,以及未来的发展方向。
一、齿轮减速器的工作原理齿轮减速器的工作原理基于齿轮的啮合原理。
当两个齿轮啮合时,驱动齿轮(输入轴)的旋转会传递给被驱动齿轮(输出轴),从而实现转速的减小。
齿轮减速器的传动比取决于驱动齿轮和被驱动齿轮的齿数比例。
一般而言,驱动齿轮的齿数较大,被驱动齿轮的齿数较小,传动比就越大,输出转速就越低。
二、齿轮减速器的设计齿轮减速器的设计需要考虑多个因素,包括传动比、承载能力、可靠性和效率等。
首先,传动比的选择应根据实际需求来确定,以确保输出轴的转速满足要求。
其次,齿轮的材料和制造工艺也需要仔细选择,以确保其承载能力和可靠性。
同时,减速器的效率也是一个重要指标,设计时应尽量减小能量损失,提高传动效率。
三、齿轮减速器的应用领域齿轮减速器广泛应用于各个领域,如机械制造、汽车工业、航空航天等。
在机械制造中,齿轮减速器常用于各类机床、起重设备和输送设备等,用于调节转速和提供扭矩。
在汽车工业中,齿轮减速器用于汽车变速器,将发动机的高速旋转转变为车轮的低速旋转,以满足不同速度和扭矩要求。
在航空航天领域,齿轮减速器被广泛应用于飞机发动机和飞行控制系统中,用于提供可靠的传动和控制。
四、齿轮减速器的发展方向随着科技的进步和工业的发展,齿轮减速器也在不断演进和改进。
未来,齿轮减速器的发展方向主要包括以下几个方面。
首先,应注重减速器的小型化和轻量化,以适应紧凑空间和高效能的要求。
其次,应提高齿轮的制造精度和材料强度,以提高减速器的可靠性和承载能力。
此外,应加强减速器的智能化设计和监测系统,以实现远程监控和故障诊断。
最后,应注重减速器的节能和环保性能,以适应可持续发展的要求。
百度文库- 让每个人平等地提升自我附表4:2内蒙古农业大学本科生毕业论文(设计)开题报告题目二级减速器的设计及仿真学院机电工程学院专业机械设计制造及其自动化年级2008级学号0姓名郝艳丞指导教师王芳职称副教授内蒙古农业大学教务处二○一二年三月二十八日说明一、开题报告前的准备毕业论文(设计)题目确定后,学生应尽快征求导师意见,讨论题意与整个毕业论文(或设计)的工作计划,然后根据课题要求查阅、收集有关资料并编写研究提纲,主要由以下几个部分构成:1、研究(或设计)的目的与意义。
应说明此项研究(或设计)在生产实践上或对某些技术进行改革带来的经济、生态与社会效益。
有的课题过去曾进行过,但缺乏研究,现在可以在理论上做些探讨,说明其对科学发展的意义。
2、国内外同类研究(或同类设计)的概况综述。
在广泛查阅有关文献后,对该类课题研究(或设计)已取得的成就与尚存在的问题进行简要综述,只对本人所承担的课题或设计部分的已有成果与存在问题有条理地进行阐述,并提出自己对一些问题的看法。
3、课题研究(或设计)的内容。
要具体写出将在哪些方面开展研究,要重点突出。
研究的主要内容应是物所能及、力所能及、能按时完成的,并要考虑与其它同学的互助、合作。
4、研究(或设计)方法。
科学的研究方法或切合实际的具有新意的设计方法,是获得高质量研究成果或高水平设计成就的关键。
因此,在开始实践前,学生必须熟悉研究(或设计)方法,以避免蛮干造成返工,或得不到成果,甚至于写不出毕业论文或完不成设计任务。
5、实施计划。
要在研究提纲中按研究(或设计)内容落实具体时间与地点,有计划地进行工作。
二、开题报告1、开题报告可在导师所在院、教研室范围内举行,须适当请有关专家参加,导师必须参加。
报告最迟在毕业(生产)实习前完成。
2、本表(页面:A4)在开题报告通过论证后填写,一式三份,本人、导师、所在院部(要原件)各一份。
三、注意事项1、开题报告的撰写完成,意味着毕业论文(设计)工作已经开始,学生已对整个毕业论文(设计)工作有了周密的思考,是完成毕业论文(设计)关键的环节。
一、选题依据及意义设计圆柱齿轮减速器,是讲原动机的运动与动力,以一定的速度,转矩或推动力传递给皮带输送机。
减速器是一种相对精密的机械,实用它的目的是降低转速,增加转矩。
减速器的种类繁多,不同种类有不同的用途按照传动类型可分为齿轮减速器,蜗杆减速器,行星齿轮减速器;按照传动级数不同可分为单极和多级减速器;按照齿轮形状可分为圆柱齿轮减速器,圆锥齿轮减速器和圆柱-圆锥齿轮减速器:按照传动的布置形状又可分为展开式,分流式和同轴式减速器二、原始数据及工作条件k)运行阻力(kN)运行速度(m/s) 车轮直径(mm)启动速度(d2.0 0.8 400 1.6工作情况减速装置可以正反转,载荷平稳,环境温度不超过40℃;运动要求运动速度误差不超过5%使用寿命忙闲程度中等,工作类型中等,传动零件工作总时数410小时。
滚动轴承寿命4 000小时;三、设计内容及研究方法1)设计内容①电动机的选型;②减速器的设计;③开式齿轮传动设计;④传动轴设计;⑤联轴器选型设计;⑦车轮及其轴系计算。
四、设计任务2)设计工作量①传动系统安装图1张;②减速器装配图1张;③零件图2张;④设计计算说明书一份。
五、设计进程安排一、设计准备工作(2013年7月~8月)二、传动装置的总体设计(2013年7月~8月)三、传动零件的设计(9月)四、绘制装配图和零件的工作图(10月)五、撰写计算说明书和毕业设计论文(11月)六、修改论文、定稿(12月1日~17日)七、准备答辩(12月18日~30日)六、参考文献1、学校图书馆的中文电子期刊2、相关网站资料查寻[1]《简明机械设计手册》[2]《机械设计课程设计》[3]《机械设计》[4]《机械制图》[5]《工程材料》[6]《机械设计课程设计图册》。
圆柱齿轮减速器下箱体参数化设计开题报告主要内容一、研究背景和意义随着机械工业的不断发展,减速器作为一种重要的传动装置,在各种机械设备中得到了广泛应用。
圆柱齿轮减速器作为减速器的一种,具有结构简单、可靠性高等优点,在工业生产中得到了广泛应用。
然而,目前圆柱齿轮减速器存在设计效率低、生产周期长等问题。
对于圆柱齿轮减速器下箱体参数化设计进行研究具有重要意义。
二、研究内容和目标本文旨在通过参数化设计方法对圆柱齿轮减速器下箱体进行优化设计,以提高其设计效率和生产效率。
具体研究内容包括以下方面:1. 圆柱齿轮减速器下箱体结构分析;2. 圆柱齿轮减速器下箱体参数化建模;3. 圆柱齿轮减速器下箱体的优化设计。
三、研究方法和步骤1. 圆柱齿轮减速器下箱体结构分析通过对圆柱齿轮减速器下箱体的结构进行分析,了解其主要部件和功能,并对其进行优化设计。
2. 圆柱齿轮减速器下箱体参数化建模通过使用CAD软件建立圆柱齿轮减速器下箱体的三维模型,并对其进行参数化建模,以便于后续的优化设计。
3. 圆柱齿轮减速器下箱体的优化设计通过对圆柱齿轮减速器下箱体进行参数化设计,采用遗传算法等优化算法对其进行优化设计,以提高其性能和效率。
四、预期成果和意义本文将通过圆柱齿轮减速器下箱体参数化设计的研究,提高圆柱齿轮减速器的设计效率和生产效率。
同时,本文还将为相关领域的研究提供一定的参考价值。
五、论文结构安排本文共分为六个章节:第一章:绪论。
主要介绍了研究背景、意义、内容、目标、方法和步骤等方面。
第二章:圆柱齿轮减速器下箱体结构分析。
主要介绍了圆柱齿轮减速器下箱体的结构及其功能。
第三章:圆柱齿轮减速器下箱体参数化建模。
主要介绍了CAD软件的使用方法,并对圆柱齿轮减速器下箱体进行三维建模和参数化建模。
第四章:圆柱齿轮减速器下箱体的优化设计。
主要介绍了遗传算法等优化算法的原理和应用,并对圆柱齿轮减速器下箱体进行优化设计。
第五章:实验结果与分析。
主要介绍了本文所设计的圆柱齿轮减速器下箱体的性能指标及其分析。
圆柱齿轮减速器下箱体参数化设计理由及主要内容开题报告一、选题的背景与意义圆柱齿轮减速器是一种广泛应用于机械、矿山、冶金、能源等领域的重要传动设备。
其下箱体作为减速器的重要组成部分,承载着齿轮传动的重要功能,对于保证减速器的正常运转具有重要作用。
随着计算机技术的发展,参数化设计技术已经成为现代产品设计中不可或缺的工具,可以大大提高设计效率和设计质量。
因此,本研究旨在应用参数化设计技术对圆柱齿轮减速器的下箱体进行优化设计,以提高其性能和可靠性。
二、研究的目的与意义本研究旨在应用参数化设计技术对圆柱齿轮减速器的下箱体进行优化设计,提高其性能和可靠性。
具体目标如下:1. 研究圆柱齿轮减速器下箱体的参数化设计方法,建立参数化模型;2. 应用参数化模型进行多方案优化设计,提高下箱体的性能和可靠性;3. 对比分析优化前后下箱体的性能指标,验证优化效果。
三、研究的方法与思路本研究采用理论分析和数值模拟相结合的方法,具体包括:1. 收集相关资料,对圆柱齿轮减速器下箱体的设计要求、结构特点等进行深入研究;2. 运用参数化软件(如AutoCAD、SolidWorks等)建立下箱体的参数化模型;3. 应用数值模拟方法(如有限元分析等)对参数化模型进行多方案优化设计;4. 对比分析优化前后下箱体的性能指标,如应力、变形等,验证优化效果。
四、研究的基本内容本研究主要包括以下内容:1. 圆柱齿轮减速器下箱体的设计要求与结构特点分析;2. 圆柱齿轮减速器下箱体的参数化设计方法研究;3. 基于参数化模型的圆柱齿轮减速器下箱体多方案优化设计;4. 优化前后下箱体性能指标对比分析。
五、研究预期达到的目标本研究预期达到的目标是通过参数化设计方法对圆柱齿轮减速器的下箱体进行多方案优化设计,提高其性能和可靠性,最终达到以下预期目标:1. 提高下箱体的承载能力;2. 降低下箱体的应力水平;3. 减小下箱体的变形量;4. 优化下箱体的结构,提高其可靠性。
课程设计设计题目:带式运输机二级直齿圆柱齿轮减速器系别机械工程系班级学生姓名学号指导教师职称起止日期目录《机械设计》课程设计任务书 (2)一、传动装置的总体设计 (4)1 传动装置的总传动比及分配 (7)2计算传动装置的运动和动力参数 (7)二`带传动设计 (9)三、齿轮的设计 (12)四.轴的设计计算及校核 (24)五轴承的寿命计算 (34)六键连接的校核 (34)七润滑及密封类型选择 (35)八减速器附件设计 (35)九 .主要尺寸及数据 (36)十. 设计完成后的各参数 (38)十一.参考文献 (39)十二.心得体会 (39)《机械设计》课程设计任务书专业:机械设计制造及其自动化班级:机械10-2 姓名:丁昊学号:09 一、设计题目设计用于带式运输机的展开式二级直齿圆柱齿轮减速器二、原始数据(E6)运输机工作轴转矩T = 850 Nm运输带工作速度v = 1.45 m/s卷筒直径D= 410 mm三、工作条件连续单向运转,工作时有轻微振动,使用期限为10年,小批量生产,单班制工作,运输带速度允许误差为 5%。
四、应完成的任务1、减速器装配图一张(A0图或CAD图)2、零件图两张(A2图或CAD图)五、设计时间2012年12月29日至2013年1月18日六、要求1、图纸图面清洁,标注准确,符合国家标准;2、设计计算说明书字体端正,计算层次分明。
七、设计说明书主要内容1、内容(1)目录(标题及页次);(2)设计任务书;(3)前言(题目分析,传动方案的拟定等);(4)电动机的选择及传动装置的运动和动力参数计算;(5)传动零件的设计计算(确定带传动及齿轮传动的主要参数);(6)轴的设计计算及校核;(7)箱体设计及说明(8)键联接的选择和计算;(9)滚动轴承的选择和计算;(10)联轴器的选择;(11)润滑和密封的选择;(12)减速器附件的选择及说明;(13)设计小结;(14)参考资料(资料的编号[ ]及书名、作者、出版单位、出版年月);2、要求和注意事项必须用钢笔工整的书写在规定格式的设计计算说明书上,要求计算正确,论述清楚、文字精炼、插图简明、书写整洁。
机械设计课程设计说明书设计题目:双级圆柱齿轮减速器设计者:学号:指导老师:学院 :机械科学与工程学院班级 :目录一、二、三、四、五、传动方案选择⋯⋯⋯⋯⋯⋯⋯⋯⋯⋯⋯⋯⋯⋯⋯⋯⋯⋯⋯⋯⋯2电动机选择⋯⋯⋯⋯⋯⋯⋯⋯⋯⋯⋯⋯⋯⋯⋯⋯⋯⋯⋯⋯⋯⋯3总传动计算比及各级的传动比分配⋯⋯⋯⋯⋯⋯⋯⋯⋯⋯⋯⋯4传动装置的运动和动力参数⋯⋯⋯⋯⋯⋯⋯⋯⋯⋯⋯⋯⋯⋯⋯5链传动设计 (6)六、斜齿圆柱传动设计及校核 (8)七、轴的机构设计及校核⋯⋯⋯⋯⋯⋯⋯⋯⋯⋯⋯⋯⋯⋯⋯⋯⋯⋯17八、滚动轴承的选择及校核⋯⋯⋯⋯⋯⋯⋯⋯⋯⋯⋯⋯⋯⋯⋯⋯⋯29九、联轴器的选择及校核⋯⋯⋯⋯⋯⋯⋯⋯⋯⋯⋯⋯⋯⋯⋯⋯⋯⋯35十、键的选择及校核⋯⋯⋯⋯⋯⋯⋯⋯⋯⋯⋯⋯⋯⋯⋯⋯⋯⋯⋯⋯36十一、润滑与密封⋯⋯⋯⋯⋯⋯⋯⋯⋯⋯⋯⋯⋯⋯⋯⋯⋯⋯⋯⋯⋯⋯37十二、箱体的结构设计⋯⋯⋯⋯⋯⋯⋯⋯⋯⋯⋯⋯⋯⋯⋯⋯⋯⋯⋯⋯38十三、设计小结⋯⋯⋯⋯⋯⋯⋯⋯⋯⋯⋯⋯⋯⋯⋯⋯⋯⋯⋯⋯⋯⋯⋯40十四、参考文献⋯⋯⋯⋯⋯⋯⋯⋯⋯⋯⋯⋯⋯⋯⋯⋯⋯⋯⋯⋯⋯⋯⋯⋯41设计计算及说明结果一、 传动方案选择机械设计课程设计题目:设计带式运输机装置中的双级圆柱齿轮减速器带的最大拉力 设计数据: 带的最大拉力 F=5200 牛;F=5200 牛;带的工作速度 V=0.45 米/秒;滚筒直径 D=450 毫米;带 的 工 作 速 度传动比允许误差 i= 4%; V=0.45 米/秒 ; 生产规模:中小批量生产; 传动比允许误差工作环境:多尘; i= 4%;载荷特性:轻振;工作期限: 8 年, 2 班制。
为了确定传动方案,根据已知条件计算出工作机滚筒的转速为n w 60 1000v / ( D) 60 1000 0.45 / ( 450)rmin19.10 rmin若选用转速为 1500r/min 或 1000r/min 的电动机,可估算出传动装置的总传动比为 78.53 或 52.36。
一、选题的依据及意义:齿轮减速器是原动机和工作机之间的独立的闭式传动装置,用来降低转速和增大转矩,以满足工作需要,在某些场合也用来增速,称为增速器。
其特点是减速电机和大型减速机的结合。
无须联轴器和适配器,结构紧凑。
负载分布在行星齿轮上,因而承载能力比一般斜齿轮减速机高。
满足小空间高扭矩输出的需要。
广泛应用于大型矿山,钢铁,化工,港口,环保等领域。
与K、R系列组合能得到更大速比。
按照齿形分为圆柱齿轮减速器、圆锥齿轮减速器和圆柱—圆锥齿轮减速器; 二级圆柱齿轮减速器就是按其分类来命名的。
圆柱齿轮减速器的设计是按传统方法进行的。
设计人员按照各种资料、文献提供的数据,结合自己的设计实验,并对已有减速器做一番对比,初步定出一个设计方案,然后对这个方案进行一些验算,如果验算通过了,方案便被肯定了。
显然,这个方案是可采用的。
但这往往使设计的减速器有很大的尺寸富余量,造成财力、物力和人力的极大浪费。
因此,优化圆柱齿轮减速器势在必行。
圆柱齿轮传动与普通定轴齿轮传动相比较,具有质量小、体积小、传动比大、承载能力大以及传动平稳和传动效率高等优点,这些已被我国越来越多的机械工程技术人员所了解和重视。
由于在各种类型的圆柱齿轮传动中均有效的利用了功率分流性和输入、输出的同轴性以及合理地采用了内啮合,才使得其具有了上述的许多独特的优点。
圆柱齿轮传动不仅适用于高速、大功率而且可用于低速、大转矩的机械传动装置上。
它可以用作减速、增速和变速传动,运动的合成和分解,以及其特殊的应用中;这些功用对于现代机械传动发展有着重要意义。
因此,圆柱齿轮传动在起重运输、工程机械、冶金矿山、石油化工、建筑机械、轻工纺织、医疗器械、仪器仪表、汽车、船舶、兵器、和航空航天等工业部门均获得了广泛的应用。
对这种减速器进行优化设计,必将获得可观的经济效益。
选做这个毕业设计,一方面对于减速器的内部结构和工作原理也有一定的了解和基础,其次通过对圆柱齿轮减速器这一毕业课题设计可以巩固我大学4年来所学的专业知识,对于我也是一种检验。
武汉工业学院
毕业设计(论文)开题报告
2010届
毕业设计题目:基于AutoCAD的圆柱齿轮三维参数化设计
院(系):机械工程学院
专业名称:过程装备与控制工程
学生姓名:
学生学号:
指导教师:杨红军
武汉工业学院学生毕业设计(论文)开题报告表
数字仪和鼠标器30多种,绘图仪和打印机数十种,这就为AutoCAD的普及创造了条件。
AutoCAD的发展过程可分为初级阶段、发展阶段、高级发展阶段、完善阶段和进一步完善阶段五个阶段。
在AutoCAD 2004的基础上,Autodesk公司还同时发布了针对建筑业、基础设施和机械制造业的10个行业应用解决方案。
AutoCAD 2004与它的前一版本AutoCAD 2002相比,在速度、数据共享和软件管理方面有显著的改进和提高。
AutoCAD 2004的速度比AutoCAD 2002提高24%,网络性能提升了28%,DWG文件大小平均减小44%,可将服务器磁盘空间要求减少40%——60%。
在数据共享方面,AutoCAD 2004采用改进的DWF文件格式——DWF 6,支持在出版和查看中安全地进行共享;并通过参考变更的自动通知、在线内容获取、CAD标准检查、数字签字检查等技术提供了方便、快捷、安全的数据共享环境。
此外,AutoCAD 2004与业界标准工具SMS、Windows Advertising等兼容,并提供免费的图档查看工具Express Tools,在许可证管理、安装实施等方面都可以节省大量的时间和成本。
AutoCAD 2004拥有轻松的设计环境,它将把用户的注意力从键盘、鼠标和其它输入设备转移到设计上来。
在完成任务的自动化方面,AutoCAD 2004还向用户提供实时的信息和数据访问,帮助用户进行设计。
AutoCAD之所以能取得成功,很大一部分因归功于其采用开放式体系。
它提供接口允许用户、二次开发商在AutoCAD平台上开发各种应用程序,用户可以定制自己的外部命令(PCP)、菜单(Menu) ,型( Shape) 。
线型( Line Type)、多线(Multi Line)、填充(Hatch)等。
目前,以AutoCAD为平台进行二次开发的注册开发商已超过2500家,开发出的应用软件广泛应用于机械、建筑、服装设计等各行各业。
2 .三维参数化的研究现状
Auto CAD提供了众多的二次开发环境:包括R2.18版及以后版本提供的Auto LSIP, R11. 0开始提供的ADS( Advanced Development System)以及R13 .R14新增加的ADSRX .Object-ARX,还有Visual LISP, Visual Basic,这此众多的二次开发环境对于满足不同层次应用的需求,有着气非常积极的意义。
参数化设计一般是指设计对象的结构形状比较定型,通过用一组参数约束该儿何图形的一组结构尺寸序列,同时记住相应部分的几何约束和拓扑约束关系。
参数和设计对象的控制尺寸有显示的对应,设计结果可通过参数驱动,即可通过尺寸驱动原图形达到新的目标几何图形。
AutoCAD平台的参数化设计主要是利用AutoCAD提供的编程环境和开发工具(即AutoCAD应用程序接口,所写API ),通过编写程序来使AutoCAD实现参数化设计的目的。
Auto LISP开发技术,LISP( LIST Processing)是一种计算机的表处理语言。
Auto LISP是一种运行在AutoCAD环境下专用的LISP编程语言,是AutoCAD的一种嵌人式语言。
Auto LISP程序存储于ASCII码文本文件中,每当运行它们,AutoCAD都将读取并解释它们。
通过Auto LISP,用户可以使AutoCAD适应自己的需要、自动执行重复的任务,或生成新的AutoCAD命令。
ARX开发技术,ARX程序与AutoCAD联系更加紧密,用户可以使用C和C++语言,通过ARX ( AutoCAD Runtime Extension)编程接口,来开发AutoCAD 。
ActiveX Automation开发技术,ActiveX Automation Interface(以前称为OLE Automation )提供了一种现代的可替代Auto LISP及DCL的方法和途径。
该技术通过AutoCAD“暴露”出来的对象,使用户可以用其他应用程序(如Visual Basic,或Microsoft Office应用程序)通过编程,引用这些对象的属性和方法,从而从AutoCA D
注:1、课题类型:设计或论文。
2、课题来源:纵向、横向或自拟课题,对于纵向和横向课题并要用括号括起填写确切
基金项目、企事业单位项目。