新版二级直齿圆柱齿轮减速器_(机械设计课程设计).
- 格式:doc
- 大小:631.61 KB
- 文档页数:42
机械设计课程设计说明书设计题目:二级直齿圆柱齿轮减速器院系:粮油食品学院专业:食品科学与工程班级:食工 0904 班学号: 200948060411设计人:孙军指导教师:曹宪周完成日期:2011年9月15日目录一、传动装置总体设计 (1)A、确定传动方案 (5)B、电动机的选择 (6)C、计算传动装置的运动和动力参数 (8)➢Ⅰ、Ⅱ轴的大小齿轮 (9)➢Ⅱ、Ⅲ轴的大小齿轮 (12)D、轴的设计计算及轴承的选择计算 (15)E、轴承的选择计算 (16)F、联接件、润滑密封和联轴器的选择及计算 (17)1、键连接 (17)2、联轴器的选择及计算 (17)3、润滑方式、牌号及密封装置 (18)二、绘制减速器装配图·························附图三、绘制零件图····························附图四、参考文献 (18)五、总结 (18)原始数据:A、已知条件1).运输带工作拉力F=1350N;2).运输带工作速度v=1.2m/s(允许运输带速度误差为±5%);3).滚筒直径D=180mm;4).滚筒效率ηj=0.96 (包括滚筒与轴承的效率损失);5).工作情况:正反转传动;断续工作,有轻微振动;启动载荷为公称载荷的1.4倍;每天工作12小时,寿命为8年,大修期3年,每年按260个工作日计算。
课程设计设计题目:带式运输机二级直齿圆柱齿轮减速器系别机械工程系班级学生姓名学号指导教师职称起止日期目录《机械设计》课程设计任务书 (2)一、传动装置的总体设计 (5)1 传动装置的总传动比及分配 (8)2计算传动装置的运动和动力参数 (8)二`带传动设计 (10)三、齿轮的设计 (13)四.轴的设计计算及校核 (27)五轴承的寿命计算 (37)六键连接的校核 (37)七润滑及密封类型选择 (38)八减速器附件设计 (39)九 .主要尺寸及数据 (40)十. 设计完成后的各参数 (42)十一.参考文献 (43)十二.心得体会 (44)《机械设计》课程设计任务书专业:机械设计制造及其自动化班级:机械10-2 姓名:丁昊学号:09一、设计题目设计用于带式运输机的展开式二级直齿圆柱齿轮减速器二、原始数据(E6)运输机工作轴转矩T = 850 Nm运输带工作速度v = 1.45 m/s卷筒直径D= 410 mm三、工作条件连续单向运转,工作时有轻微振动,使用期限为10年,小批量生产,单班制工作,运输带速度允许误差为 5%。
四、应完成的任务1、减速器装配图一张(A0图或CAD图)2、零件图两张(A2图或CAD图)五、设计时间2012年12月29日至2013年1月18日六、要求1、图纸图面清洁,标注准确,符合国家标准;2、设计计算说明书字体端正,计算层次分明。
七、设计说明书主要内容1、内容(1)目录(标题及页次);(2)设计任务书;(3)前言(题目分析,传动方案的拟定等);(4)电动机的选择及传动装置的运动和动力参数计算;(5)传动零件的设计计算(确定带传动及齿轮传动的主要参数);(6)轴的设计计算及校核;(7)箱体设计及说明(8)键联接的选择和计算;(9)滚动轴承的选择和计算;(10)联轴器的选择;(11)润滑和密封的选择;(12)减速器附件的选择及说明;(13)设计小结;(14)参考资料(资料的编号[ ]及书名、作者、出版单位、出版年月);2、要求和注意事项必须用钢笔工整的书写在规定格式的设计计算说明书上,要求计算正确,论述清楚、文字精炼、插图简明、书写整洁。
一、设计题目:二级直齿圆柱齿轮减速器1. 要求:拟定传动关系:由电动机、V 带、减速器、联轴器、工作机构成。
2. 工作条件:双班工作,有轻微振动,小批量生产,单向传动,使用5年,运输带允许误差5%。
3. 知条件:运输带卷筒转速19/min r , 减速箱输出轴功率 4.25P 马力, 二、 传动装置总体设计:1. 组成:传动装置由电机、减速器、工作机组成。
2. 特点:齿轮相对于轴承不对称分布,故沿轴向载荷分布不均匀,要求轴有较大的刚度。
3. 确定传动方案:考虑到电机转速高,传动功率大,将V 带设置在高速级。
其传动方案如下:η2η3η5η4η1I IIIIIIVPdPw三、 选择电机1. 计算电机所需功率dP : 查手册第3页表1-7:1η-带传动效率:0.962η-每对轴承传动效率:0.99 3η-圆柱齿轮的传动效率:0.964η-联轴器的传动效率:0.993 5η—卷筒的传动效率:0.96说明:η-电机至工作机之间的传动装置的总效率:4212345ηηηηηη=∙∙∙∙45w P P ηη=⨯⨯ 3.67wd P P KW η==2确定电机转速:查指导书第7页表1:取V 带传动比i=2 4二级圆柱齿轮减速器传动比i=840所以电动机转速的可选范围是: ()()19248403043040/min n n i r =⨯=⨯⨯=电机卷筒总符合这一范围的转速有:750、1000、1500、3000根据电动机所需功率和转速查手册第155页表12-1有4种适用的电动机型号,因此有4种传动比方案如下:方案 电动机型号额定功率同步转速r/min 额定转速r/min重量 总传动比1 Y112M-2 4KW 3000 2890 45Kg 152.11 2 Y112M-44KW1500 1440 43Kg 75.79 3 Y132M1-6 4KW 1000 960 73Kg 50.53 4Y160M1-8 4KW750720118K 37.89g综合考虑电动机和传动装置的尺寸、重量、和带传动、减速器的传动比,可见第3种方案比较合适,因此选用电动机型号为Y132M1-6,其主要参数如下:额定功率kW满载转速 同步转速 质量A D E F G HL AB4960 1000 73 216 38 80 10 33 132 515 280四 确定传动装置的总传动比和分配传动比:总传动比:96050.5319n i n ===总卷筒 分配传动比:取 3.05i =带 则1250.53/3.0516.49i i ⨯==()121.31.5i i =取121.3i i =经计算2 3.56i =1 4.56i =注:i 带为带轮传动比,1i 为高速级传动比,2i 为低速级传动比。
一、设计题目:二级直齿圆柱齿轮减速器1. 要求:拟定传动关系:由电动机、V 带、减速器、联轴器、工作机构成。
2. 工作条件:双班工作,有轻微振动,小批量生产,单向传动,使用5年,运输带允许误差5%。
3. 知条件:运输带卷筒转速19/min r , 减速箱输出轴功率 4.25P =马力, 二、 传动装置总体设计:1. 组成:传动装置由电机、减速器、工作机组成。
2. 特点:齿轮相对于轴承不对称分布,故沿轴向载荷分布不均匀,要求轴有较大的刚度。
3. 确定传动方案:考虑到电机转速高,传动功率大,将V 带设置在高速级。
其传动方案如下:η2η3η5η4η1I IIIIIIVPdPw三、 选择电机1. 计算电机所需功率dP : 查手册第3页表1-7:1η-带传动效率:0.962η-每对轴承传动效率:0.993η-圆柱齿轮的传动效率:0.964η-联轴器的传动效率:0.993 5η—卷筒的传动效率:0.96说明:η-电机至工作机之间的传动装置的总效率:4212345ηηηηηη=••••45w P P ηη=⨯⨯ 3.67wd P P KW η==2确定电机转速:查指导书第7页表1:取V 带传动比i=2 4二级圆柱齿轮减速器传动比i=840所以电动机转速的可选范围是: ()()19248403043040/min n n i r =⨯=⨯⨯=电机卷筒总符合这一范围的转速有:750、1000、1500、3000根据电动机所需功率和转速查手册第155页表12-1有4种适用的电动机型号,因此有4种传动比方案如下:方案 电动机型号额定功率同步转速r/min 额定转速r/min重量 总传动比1 Y112M-2 4KW 3000 2890 45Kg 152.11 2 Y112M-44KW1500 1440 43Kg 75.79 3 Y132M1-6 4KW 1000 960 73Kg 50.53 4Y160M1-8 4KW750720118K g37.89 综合考虑电动机和传动装置的尺寸、重量、和带传动、减速器的传动比,可见第3种方案比较合适,因此选用电动机型号为Y132M1-6,其主要参数如下:额定功率kW满载转速 同步转速 质量A D E F G HL AB4960 1000 73 216 38 80 10 33 132 515 280四 确定传动装置的总传动比和分配传动比:总传动比:96050.5319n i n ===总卷筒 分配传动比:取 3.05i =带 则1250.53/3.0516.49i i ⨯==()121.31.5i i =取121.3i i =经计算2 3.56i =1 4.56i =注:i 带为带轮传动比,1i 为高速级传动比,2i 为低速级传动比。
.机械设计课程设计姓名:王纪武学号: 20100460110班级: 10机械本1指导教师:侯顺强完成日期: 2012.12.22第一章题目设计用于带式运输机的传动装置,图示如下,连续单向运转,载荷平稳,空载起动,使用期限十年,小批量生产,两班制工作,运输带允许误差±5%1.1 基本数据数据编号B11运输带工作拉力F/KN 0.6运输带工作速度v/(m/s) 1.5卷筒直径D/mm 250滚筒效率η0.96力F中已考虑。
)1.2 设计工作量:1、减速器装配图1张(A0或sA1);2、零件图1~3张;3、设计说明书一份。
1—电动机,2—弹性联轴器,3—两级圆柱齿轮减速器,4—高速级齿轮,5—低速级齿轮 6—刚性联轴器 7—卷筒第二章电动机选择,传动系统运动和动力参数计算2.1电动机的选择2.1.1确定电动机类型按工作要求和条件,选用Y系列三相交流异步电动机。
2.1.2.确定电动机的容量(1)工作机卷筒上所需功率Pw= Fv/1000η=2000 × 1.4/1000×0.96 =0.9375kwPw(2)电动机所需的输出功率为了计算电动机的所需的输出功率Pd ,先要确定从电动机到工作机之间的总功率η总。
设η1、η2、η3、η4、分别V 带、8级齿轮闭式齿轮传动、滚动轴承、弹性联轴器。
由[2]表2-2 P6查得η1 = 0.95,η2 = 0.97,η3 = 0.98,η 4 = 0.99,则传动装置的总效率为η总=η1η22η33η 4 = 0.95 x 0.972 x 0.983 x 0.99=0.833wd 总P P ==η0.9375/0.833=1.125kw 由表16-1选取电动机的额定功率为1.5kw 。
2.1.3选择电动机转速工作机转速 n w =60VπD=60x1000x1.5/3.14x250=114.6497r/min 总传动比 i= n m / n w ,其中n m 工作机的满载转速根据电动机所需功率和同步转速,查机械设计手册(软件版)R2.0-电器设备-常用电动机规格,符合这一范围的常用同步加速有3000、1500、1000m in r 。
§5联轴器的选择Ⅰ轴的联轴器:由于电机的输出轴轴径为28mm.查343P 表14-1由于转矩变化很小可取KA=1.3==3T K T A ca 1.3×20.964=27.253N.m又由于电机的输出轴轴径为28mm查p128表13-5,选用弹性套柱销联轴器:TL4(钢性),其许用转矩[n]=63N.m,许用最大转速为5700r/min,轴径为20~28之间,由于电机的轴径固定为28mm,而由估算可得1轴的轴径为20mm 。
故联轴器合用: Ⅲ的联轴器:查表14-1转矩变化很小可取KA=1.3==3T K T A ca 1.3×361.174=469.52 N.m查p128表13-5,选用弹性套柱销联轴器:TL7,其许用转矩[n]=500N.m,许用最大转速为3600r/min, 轴径为40~48之间,由估算可选两边的轴径为40mm.联轴器合用.§5轴的设计计算减速器轴的结构草图一、Ⅰ轴的结构设计1.选择轴的材料及热处理方法查表15-1选择轴的材料为40Cr ;根据齿轮直径mm 100≤,热处理方法为正火。
2.确定轴的最小直径 查362P 式15-2的扭转强度估算轴的最小直径的公式:=14.296mm再查表15-3,A0=(112 ~ 97)D ≥=13.546mm考虑键:有一个键槽,D ≥14.296×(1+5%)=15.01mm[]31103362.01055.9n P A n P d =⨯≥τ3.确定各轴段直径并填于下表内 名称依据单位 确定结果1d大于轴的最小直径15.01且 考虑与联轴器内孔标准直径配合mm202d大带轮定位d2= d1+2(0.07~0.1)d1=20+2.8~4=22.8~24考虑密封圈查表15-8 P143得d=25mm253d考虑轴承d3> d2选用6206轴承从机械设计手册软件(R2.0)B=16mm , da=36mm ,d3=30mm,D=62mm304d考虑轴承定位 查表 9-74d =da =40R =36mm365d 考虑到齿轮分度圆与轴径相差不大齿跟<2.5m ,选用齿轮轴,此时d 5=d 1a =46mm 466d6d >7d 查表 9-7mm367d 7d =3d (同一对轴承)mm304.选择轴承润滑方式,确定与轴长有关的参数。
目录一、传动方案分析 (2)二、选择电动机 (3)三、计算总传动比及分配各级的传动比 (4)四、计算传动装置的运动和动力参数 (6)五、V带传动设计计算 (6)六、直齿圆柱齿轮传动设计计算 (8)七、轴的结构设计计算及校核 (13)八、滚动轴承的选择及校核计算 (18)九、联轴器的选择计算 (18)十、键联接的选择及校核计算 (18)十一、润滑方式 (18)十二、参考文献 (18)十三、设计小结 (19)一、 传动方案分析机械设计课程设计题目:设计两级圆柱齿轮减速器减速器工作条件:此减速器用于热处理车间两件清洗传送带的减速,此设备两班制工作,工作期限十年,户内使用。
传送方案如下图所示:已知工作条件:鼓轮直径 : 370mm ,传送带运行速度 : 1.25m/s ,传送带从动轴所需扭矩 : 850N ·m为了估计传动装置的总传动比范围,以便选择合适的传动机构和拟定传动方案,可先由已知条件计算鼓轮的转速,即:m i n/6537025.1100060100060r Dvn w ≈⨯⨯⨯=⨯=ππ二、 选择电动机1、电动机类型选择根据电源及工作机工作条件,选用卧式封闭型Y (IP44)系列三相交流异步电动机。
2、电动机功率的选择 1)、工作机所需功率kw Tn p w w 8.59550658509550≈⨯==2)、电动机输出功率为dpwdp P η=传动装置的总效率5453221ηηηηηη=式中54321\\\\ηηηηη为从动机至工作机之间的个传动机构和轴承的效率。
查《机械设计课程设计》表2-4得:V 带传动效率1η=0.96,圆柱齿轮传动效率为2η=0.97,滚动轴承效率3η=0.99,弹性联轴器传动效率4η=0.99, 平带传动效率96.05=η。
则:82.096.099.099.097.096.0525453221≈⨯⨯⨯⨯==ηηηηηη故 kw p p wd 07.782.08.5≈==η根据电动机输出功率kw p d 07.7=,查表选择电动机的额定功率kw p ed 5.7=3)、电动机转速的选择为了便于选择电动机转速,先推算电动机转速的可选范围。
机械设计基础课程设计名称:二级直齿轮减速器学院:机械工程学院专业班级:机自学生:学号:指导老师:成绩:201月0日目录机械设计课程设计任务书 (1)应完成的工作任务 2一、绪论 (3)二、确定传动方案 (4)三、机械传动装置的总体设计 (4)3.1 选择电动机 (4)3.1.1 选择电动机类型 (4)3.1.2 电动机容量的选择 (4)3.1.3 电动机转速的选择 (5)3.2 传动比的分配 .................................. 错误!未定义书签。
3.3计算传动装置的运动和动力参数 (6)3.3.1各轴的转速: (6)3.3.2各轴的输入功率: (6)3.3.3各轴的输入转矩: (6)3.3.4整理列表 (7)四、齿轮的设计 (7)4.1齿轮传动设计(1、2轮的设计) (7)4.1.1 齿轮的类型 (7)4.1.2尺面接触强度较合 (8)4.1.3按轮齿弯曲强度设计计算 (10)4.2 齿轮传动设计(3、4齿轮的设计) (12)4.2.1 齿轮的类型 (12)4.2.2按尺面接触强度较合 (13)4.2.3按轮齿弯曲强度设计计算 (14)五、轴的设计及联轴器的选择 (17)(一)轴的材料选择和最小直径估算................................................................... (17)(二)轴的结构设计和联轴器的确定 (17)1.Ⅰ轴结构的设计和联轴器2的确定 (17)2.Ⅱ轴结构的设计 (19)3.Ⅲ轴结构的设计和联轴器4的确定 (20)六、轴的校核 (21)轴(中间轴)的力学模型的建立 (21)1、轴上力的作用点位置的和支点跨距的确定 (21)2、计算轴上的作用力 ............................. 错误!未定义书签。
3、计算支反力 .................................... 错误!未定义书签。
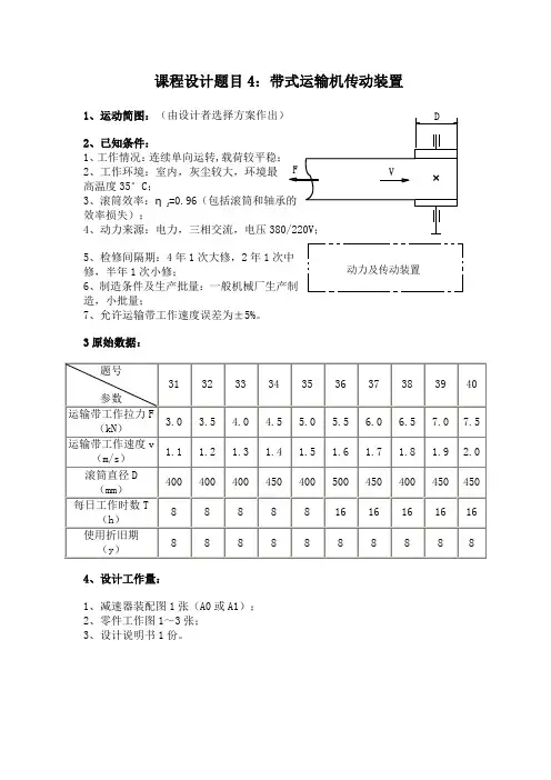
课程设计题目4:带式运输机传动装置1、运动简图:(由设计者选择方案作出)2、已知条件:1、工作情况:连续单向运转,载荷较平稳;2、工作环境:室内,灰尘较大,环境最高温度35°C;3、滚筒效率:ηj=0.96(包括滚筒和轴承的效率损失);4、动力来源:电力,三相交流,电压380/220V;5、检修间隔期:4年1次大修,2年1次中修,半年1次小修;6、制造条件及生产批量:一般机械厂生产制造,小批量;7、允许运输带工作速度误差为±5%。
3原始数据:题号参数31 32 33 34 35 36 37 38 39 40运输带工作拉力F(kN)3.0 3.54.0 4.55.0 5.56.0 6.57.0 7.5 运输带工作速度v(m/s)1.1 1.2 1.3 1.4 1.5 1.6 1.7 1.8 1.92.0滚筒直径D(mm)400 400 400 450 400 500 450 400 450 450 每日工作时数T(h)8 8 8 8 8 16 16 16 16 16使用折旧期(y)8 8 8 8 8 8 8 8 8 84、设计工作量:1、减速器装配图1张(A0或A1);2、零件工作图1~3张;3、设计说明书1份。
动力及传动装置DF V一课程设计任务书运动简图:1—电动机,2—弹性联轴器,3—两级圆柱齿轮减速器,4—高速级齿轮,5—低速级齿轮6—刚性联轴器7—卷筒2、已知条件:1、工作情况:连续单向运转,载荷较平稳;2、工作环境:室内,灰尘较大,环境最高温度35°C;=0.96(包括滚筒和轴承的效率损失);3、滚筒效率:ηj4、动力来源:电力,三相交流,电压380/220V;5、检修间隔期:4年1次大修,2年1次中修,半年1次小修;6、制造条件及生产批量:一般机械厂生产制造,小批量;7、允许运输带工作速度误差为±5%。
3原始数据:题号31 32 33 34 35 36 37 38 39 40参数运输带工作拉力F3.0 3.54.0 4.55.0 5.56.0 6.57.0 7.5(kN)运输带工作速度v(m/s ) 1.11.2 1.3 1.4 1.5 1.6 1.7 1.8 1.92.0 滚筒直径D(mm ) 400400 400 450 400 500 450 400 450 450 每日工作时数T(h ) 88 8 8 8 16 16 16 16 16 使用折旧期(y )88888888881—电动机,2—弹性联轴器,3—两级圆柱齿轮减速器,4—高速级齿轮,5—低速级齿轮 6—刚性联轴器 7—卷筒电动机选择,传动系统运动和动力参数计算一、电动机的选择 1.确定电动机类型按工作要求和条件,选用y 系列三相交流异步电动机。
机械设计课程设计题目: 二级圆柱齿轮减速器姓名: X X专业:机械设计及其自动化学号: 0000000班级: 09机械三班指导教师:X X成绩: X X学院:XXXXXX2012年3月目录1 前言…………………………………………………………………………………2 传动装置的总体设计………………………………………………………………2.1比较和选择传动方案……………………………………………………………2.2选择电动机………………………………………………………………………2.3 计算总传动比和分配各级传动比……………………………………………2.4 计算传动装置运动和动力参数…………………………………………………3 传动零件的设计计算………………………………………………………………3.1 第一级齿轮传动设计计算………………………………………………………3.2 第二级齿轮传动设计计算………………………………………………………4 画装配草图…………………………………………………………………………4.1 初估轴径…………………………………………………………………………4.2 初选联轴器………………………………………………………………………4.3 初选轴承…………………………………………………………………………4.4 箱体尺寸计算……………………………………………………………………5 轴的校核计算………………………………………………………………………5.1 高速轴受力分析…………………………………………………………………5.2 中速轴校核计算…………………………………………………………………5.3 低速轴校核计算…………………………………………………………………6轴承验算…………………………………………………………………………6.1 高速轴轴承验算…………………………………………………………………6.2 中速轴轴承验算…………………………………………………………………6.3 低速轴轴承验算…………………………………………………………………7 键联接的选择和计算………………………………………………………………7.1 高速轴与联轴器键联接的选择和计算…………………………………………7.2 中间轴与大齿轮键联接的选择和计算…………………………………………7.3 低速轴与齿轮键联接的选择和计算……………………………………………7.4 低速轴与联轴器键联接的选择和计算…………………………………………8 齿轮和轴承润滑方法的确定………………………………………………………8.1 齿轮润滑方法的确定……………………………………………………………8.2 轴承润滑方法的确定……………………………………………………………9 密封装置的选择……………………………………………………………………10 结论………………………………………………………………………………参考文献………………………………………………………………………………致谢……………………………………………………………………………………二级圆柱齿轮减速器1 前言机械设计课程设计是学生第一次较全面的在机械设计方面的训练,也是机械设计课程的一个重要教学环节,其目的是:第一、通过机械设计课程设计,综合运用机械设计课程和其它有关先修课程的理论和知识,结合生产实际知识,培养分析和解决一般工程实际问题的能力,并使学生知识得到巩固,深化和扩展。