整体锅炉48h负荷试运行记录(模板)
- 格式:xlsx
- 大小:12.93 KB
- 文档页数:1
整体锅炉煮炉记录整体锅炉是一种常见的热能设备,常用于工业生产和供暖等领域。
下面是一份整体锅炉煮炉记录的示例,供参考。
日期:2024年1月1日地点:工厂锅炉房锅炉信息:-型号:XYZ-1000-投入使用时间:2024年12月1日-最近一次维护时间:2024年11月15日煮炉操作记录:1.7:00AM:检查锅炉房安全状态,确认无明火和泄漏情况。
2.7:10AM:检查水位计,水位正常,水位高于底部的最低限度。
3.7:15AM:检查油泵压力,确保在正常工作范围内。
4.7:20AM:检查烟囱排烟状态,排烟通畅。
5.7:25AM:验证所有安全阀的工作状态,确保安全阀能正常工作。
6.7:30AM:关闭给水阀门,准备开始点火。
7.7:35AM:点火启动。
首先打开点火燃油,确保点火燃油供给充足;然后打开点火电源,点火引燃火苗;最后打开点火燃气阀门,供给燃气。
8.7:40AM:确认燃烧状态良好后,开始缓慢加热。
9.8:00AM:检查燃烧室温度和压力,确认温度和压力均在正常范围内。
10.8:10AM:打开给水阀门,开始加水。
11.8:20AM:监测水位计,确认水位上升正常。
12.8:30AM:检查燃油泵压力,确保在正常工作范围内。
13.9:00AM:锅炉进入正常工作状态,开始提供热能。
14.12:00PM:检查燃气中断阀门,确保正常工作。
15.12:10PM:检查炉水排放阀门,排放炉水,保持水质清洁。
16.12:30PM:检查燃气压力,确保在正常工作范围内。
17.1:00PM:检查燃烧室温度和压力,确认温度和压力依然在正常范围内。
18.2:00PM:检查烟囱排烟情况,排烟正常。
19.3:00PM:检查锅炉设备运行状态,一切正常。
20.7:00PM:结束工作,对锅炉进行停机处理。
维护记录:-上次维护:2024年11月15日,进行了常规的清洁和检查工作,清除了燃烧室内的积碳和灰尘,并更换了燃烧器的喷嘴。
-下次维护计划:2024年2月1日,计划对锅炉进行全面检修,清洁和更换必要的零部件。
锅炉48h负荷试运行记录C 2.3.6.15 编号:建筑施工技术,建筑施工组织,建筑工程计量与计价,建筑工程经济,混凝土结构,建筑构造与识图,钢结构,砌体结构,高层建筑施工,工程测量,工程结构抗震,装配化施工技术,建筑工程资料管理,建筑工程质量与安全管理,建筑CAD,天正建筑,BIM。
建筑工程技术专业主要包括土建、采暖卫生与煤气工程、电梯和消防,给排水工程五个方面,专业应具备建筑工程技术人员从业必须的文化基础与专业理论知识,从事建筑工程施工一线技术与管理等工作的高等技术应用型人才。
技术交底的作用与分类1什么是施工技术交底技术交底是施工企业极为重要的一项技术管理工作,是施工方案的延续和完善,也是工程质量预控的最后一道关口。
其目的是使参与建筑工程施工的技术人员与工人熟悉和了解所承担的工程项目的特点、设计意图、技术要求、施工工艺及应注意的问题。
2技术交底的作用使参与施工活动的每一个技术人员,明确本工程的特定施工条件、施工组织、具体技术要求和有针对性的关键技术措施,系统掌握工程施工过程全貌和施工的关键都位。
使参与工程施工操作每一个工人,通过技术交底,了解自己所要完成的分部分项工程的具体工作内容,操作方法、施工工艺、质量标准和安全注意事项等,做到施工操作人员任务明确,心中有数达到有序地施工,以减少各种质量通病,提高施工质量的目的。
3施工技术交底的分类(1)施工组织设计交底①重点和大型工程施工组织设计交底:由施工企业的技术负责人把主要设计要求、施工措施以及重要事项对项目主要管理人员进行交底。
其他工程施工组织设计交底由项目技术负责人进行交底。
②专项施工方案技术交底:由项目专业技术负责人负责,根据专项施工方案对专业工长进行交底。
(2)分项工程施工技术交底由专业工长对专业施工班组(或专业分包)进行交底。
“四新”技术交底:由项目技术负责人组织有关专业人员编制并交底。
(3)设计变更技术交底设计变更技术交底:由项目技术部门根据变更要求,并结合具体施工步骤、措施及注意事项等对专业工长进行交底。
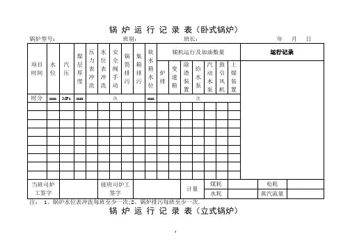
锅炉房运行记录制度模版1、运行记录自点火试运行之日起开始至停火之日止。
每班的司炉工、水处理工等必须认真填写运行记录。
2、当班人员必须按规定按时填写各种记录表,记录应准确、可靠、完整,不得弄虚作假。
各岗位进行交接班时,应在记录表上签字。
记录者应对所填写内容的正确性负责。
如发现记录内容与实际情况不符时,由记录人负责。
3、运行记录由供暖单位主管部门统一保管,并根据其内容的重要程度确定保存期限,保存期限不得少于____年。
4、运行记录应包括以下内容:1)各种温度记录;2)各种压力记录;3)各种能耗记录;4)锅炉及附属设备运行情况和故障处理记录;5)交接班情况记录;6)水质化验及水处理设备运行情况和故障处理记录;7)设备检修、保养情况记录;8)上级主管领导和锅炉房管理人员检查记录;9)事故记录。
锅炉房运行记录制度模版(2)一、目的与依据1. 目的:制定锅炉房运行记录制度的目的是为了规范锅炉房的运行记录工作,确保锅炉房的安全、稳定运行,提高工作效率。
2. 依据:本制度的依据为《锅炉安全技术监察管理规程》、《锅炉和压力容器检验规程》及相关法律、法规和标准。
二、适用范围本制度适用于锅炉房的运行记录工作。
三、职责与义务1. 锅炉房操作人员:负责按照本制度要求填写锅炉房运行记录,并保证记录的真实、准确。
2. 操作人员监督人员:负责监督和审核锅炉房运行记录工作,确保记录的完成和合格。
3. 锅炉房管理人员:负责组织实施本制度,并对运行记录的质量进行监督和评估。
4. 相关部门:负责落实本制度,配合锅炉房管理人员开展运行记录工作。
四、内容与要求1. 内容:锅炉房运行记录的内容包括但不限于锅炉运行参数、设备运行状态、燃料使用情况、水质水量监测、维护保养情况、事故故障情况等。
2. 要求:(1)运行记录应当按照规定时间进行,如交班时、值班时等。
(2)运行记录应当真实、准确、完整地记录锅炉房的运行情况。
(3)运行记录应当及时填写,并在填写后签名确认。