数据库上机实验
- 格式:doc
- 大小:91.50 KB
- 文档页数:12
创建数据表与数据输入Part I. 使用SQL Server Management Studio创建数据表和输入数据1. 在SQL Server Management Studio中创建数据表P69 1.(1)-(6)2. 为数据表输入数据P76 4.(1)-(4)3. 数据浏览P77 1. (1)-(2)2. (1)-(3)Part II. 使用SQL语句创建数据表和输入数据1. 使用SQL语句创建数据表P72. 例3-22.使用SQL语句输入数据P82. 例3.8习题:P.105 (1)(2)insert数据操作Insert、Update、Delete P105 3. 上机练习题(2)(4)Insert(100001, 1000, 2002-12-18 0:00:00) (100002, 2000, 2010-3-20 0:00:00)Update(100001, 1500, 2002-12-18 0:00:00) (100002, 2000, 2012-9-25 0:00:00)Delete1.将teaching数据库中score表的studentno列设置为引用表student的外键。
ALTER TABLE ScoreADD CONSTRAINT FK_score_student FOREIGN KEY (studentno)REFERENCES student(studentno)2.将teaching数据库中class表的classname创建UNIQUE约束。
ALTER TABLE classADD CONSTRAINT UQ_class UNIQUE(classname)执行如下插入语句,查看提示信息INSERT INTO class VALUES(‘090602’, ’计算机0902’, ’计算机学院’, ’马文斐’) 3. 为teaching数据库中student表的birthday列创建CHECK约束,规定学生的年龄在17-25岁之间。
图1-1 通过开始菜单启动Access图1-2 Access启动后出现的对话框、打开已有的数据库文件启动后的初始对话框中,选择“打开已有文件”单选项并在其下的列表框中选择“罗斯文示例数据库”),可以很快地打开列出的数据库文件。
如果需要的数据库文件没有列出,则可选择“更多的文件”项,继而打开标准的“打开”对话框,从中选择数据库文件来图1-3 打开了一个数据库文件后的Access窗口所示的Access窗口中,有标题栏、菜单栏、工具栏按钮、状态栏和数据库设计视图数据库设计视图窗口的构成包括三个部分:命令按钮组(位于窗口上端的八个按钮)按钮组(位于窗口左部),对象成员集合(位于窗口右下部)。
选择不同的对象类别按钮,对应类别的对象成员集合显示在其右边。
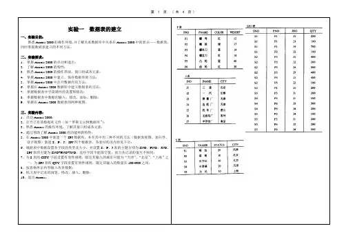
如图1-3中选中了“表”对象类别按钮,其右边即显示出该数据库中的图1-4 帮助窗口中的目录选项卡图1-5 “文件新建数据库”对话框在新建的空白数据库SPJ中,选择表对象后单击“新建”按钮,则出现“新建表”对话框所示),从中可以选择以“数据表视图”、“设计视图”或“表向导”等不同的方式新附:SQL实验题答案零件表:P(PNO,PNAME,COLOR,WEIGHT)工程表:J(JNO,JNAME,CITY)供应商:S(SNO,SNAME,STATUS,CITY)联系表:SPJ(PNO,JNO,SNO,QTY)写出SQL查询:1.取出所在城市为天津的所有工程的全部细节;SELECT *FROM JWHERE (CITY = ‘天津’)σcity=’天津’(J)2.取出重量最轻的零件代号;SELECT PNOFROM PWHERE WEIGHT = (SELECT MIN(WEIGHT)FROM P )3.取出为工程J1提供零件的供应商代号;SELECT DISTINCT SNOFROM SPJWHERE JNO = ‘J1’ПSNO(σjno=’j1’(SPJ))4.取出为工程J1提供零件P1的供应商代号;SELECT SNOFROM SPJWHERE (PNO = ‘P1’ AND JNO = ‘J1’)5.取出由供应商S1提供零件的工程名称;SELECT J.JNAMEFROM SPJ INNER JOIN J ON J.JNO = SPJ.JNO WHERE SNO = ‘S1’Пjname(σsno=’s1’(SPJ)*Пjno,jname(S))6.取出供应商S1提供的零件的颜色;SELECT DISTINCT P.COLORFROM P INNER JOIN SPJ ON P.PNO = SPJ.PNO WHERE SNO = ‘S1’Пcolor(σsno=’s1’(SPJ)*Пpno,color(P))7.取出为工程J1或J2提供零件的供应商代号;SELECT DISTINCT SNOFROM SPJWHERE JNO = ‘J1’ OR JNO = ‘J2’8.取出为工程J1提供红色零件的供应商代号;WHERE JNO = ‘J1’ AND COLOR = ‘红’9.取出为所在城市是天津的工程提供零件的供应商代号;SELECT DISTINCT SPJ.SNOFROM J INNER JION SPJ ON J.JNO = SPJ.JNOWHERE CITY = ‘天津’10.取出为所在城市是天津或北京的工程提供红色零件的供应商代号;SELECT DISTINCT SPJ.SNOFROM (J INNER JION SPJ ON J.JNO = SPJ.JNO)INNER JION P ON SPJ.PNO = P.PNOWHERE (J.CITY = ‘天津’ OR J.CITY = ‘北京’) AND COLOR = ‘红’11.取出与工程所在城市相同的供应商所提供的零件代号;SELECT DISTINCT SPJ.PNOFROM (J INNER JION SPJ ON J.JNO = SPJ.JNO)INNER JION S ON SPJ.SNO = S.SNOWHERE J.CITY = S.CITY12.取出天津的供应商提供给天津的任一工程的零件代号;SELECT DISTINCT SPJ.PNOFROM (S INNER JION SPJ ON S.SNO = SPJ.SNO)INNER JION J ON SPJ.JNO = J.JNOWHERE S.CITY = ‘天津’ AND J.CITY = ‘天津’13.取出与工程不在同一城市的供应商提供零件的工程代号;SELECT DISTINCT J.JNOFROM (S INNER JION SPJ ON S.SNO = SPJ.SNO)INNER JION J ON SPJ.JNO = J.JNOWHERE J.CITY < > S.CITY14.取出天津供应商不提供任何零件的工程的代号;SELECT DISTINCT JNOFROM SPJWHERE JNO NOT IN (SELECT SPJ.JNOFROM S INNER JION SPJ ON S.SNO = SPJ.SNOWHERE S.CITY = ‘天津’)15.取出这样一些供应商代号,它们能够提供至少一种由红色零件的供应商提供的零件;SELECT DISTINCT SNOFROM SPJWHERE PNO IN (SELECT PNOFROM PWHERE COLOR = ‘红’)16.取出所有这样的二元组(CITY,CITY),使得第1个城市的供应商为第2个城市的工程提供零件;SELECT DISTINCT S.CITY, J.CITYFROM (S INNER JION SPJ ON S.SNO = SPJ.SNO)INNER JION J ON SPJ.JNO = J.JNOSELECT DISTINCT S.CITY, SPJ.PNO, J.CITYFROM (S INNER JION SPJ ON S.SNO = SPJ.SNO)INNER JION J ON SPJ.JNO = J.JNO18.重复17题,但不检索两个CITY 值相同的三元组。
在订单数据库OrderDB中,完成如下的查询:(1)查询员工的姓名、职务和薪水。
select employeeName 员工姓名,headShip 职务,salary 薪水from Employee(2)查询姓名中含有“有限”的客户名称和所在地。
select customerName 客户名称,address 所在地from customerwhere customerName like'%有限%'(3)查询出姓“张”并且姓名的最后一个字为“梅”的员工。
select employeeNo 编号,sex 性别,birthday 出生日期,address 地址,telephone 联系电话,employeeName 员工姓名,headShip 职务,salary 薪水from Employeewhere employeeName like'张%梅'(4)查询住址中含有“上海”或“南昌”的女员工,并显示其姓名、所属部门、职务、住址、出生日期和性别。
如果出生日期为空,则显示“不祥”,否则按格式“yyyy—mm—dd”显示,性别用“男”和“女”显示。
select employeeName 员工姓名,department 所属部门,headShip 职务,address 地址,case sexwhen'F'then'女'when'M'then'男'end性别,isnull(convert(char(10),birthday,120),'不详')出生日期from Employeewhere sex like'F'and address like'上海%'or sex like'F'and address like'南昌%'(5)查询出职务为“职员”或职务为“科长”的女员工的信息。
实验(一): 熟练掌握SQL语言实验目的:熟悉上机环境,创建数据库,在数据库上建立关系模式,插入数据,进行相应的查询操作。
实验内容:具体包括如下三部分。
一、熟悉上机环境。
客户/服务器结构,数据库服务器在一台NT服务器上,同学们通过客户机(操作系统为Windows 2000)上安装的SQL Server客户端程序, 使用SQL Server数据库服务器。
具体包括:1.了解SQL Server 环境。
鼠标点击开始,进入“Microsoft SQL Server→企业管理器”,点击SQL Server组下的数据库服务器(服务器名称为NEUC-201S(Windows NT)), 可以看到服务器上的圆形标志变为绿色,说明客户端程序已与服务器连接成功。
点击服务器(NEUC-201S(Windows NT))下的数据库,可以看到服务器上已建立的数据库,你可访问你有权访问的数据库,并进行相应的操作功能。
因为,数据库服务器上建有许多数据库, 每个数据库都有一些合法的用户。
2.鼠标点击开始,进入“Microsoft SQL Server→查询分析器”,输入用户名和口令,进入SQL查询分析器。
如:你登录的客户机为27号,那么请以用户名user27,口令为user27登录,登录后缺省连到数据库user27上,user27/user27是数据库user27的创建者,因此用户user27/ user27具有在数据库user27上创建表等一切权力。
3.在SQL查询分析器环境下,你就可进行SQL命令语句操作了。
二、在数据库useri上创建学生选课有关关系模式,并插入相应的数据,实现有关查询。
1.描述学生、课程情况的E-R图如下,请将其转化为用关系数据模型描述的关系模式CREA TE TABLE Student(Sno CHAR(9) PRIMARY KEY,Sname CHAR(20) UNIQUE,Ssex CHAR(2),Sage SMALLINT,Sdept CHAR(20));CREA TE TABLE Course(Cno CHAR(4) PRIMARY KEY,Cname CHAR(40),Cpno CHAR(4),Ccredit SMALLINT,FOREIGN KEY (Cpno) REFERENCES Course(Cno) );CREA TE TABLE SC(Sno CHAR(9),Cno CHAR(4),Grade SMALLINT,PRIMARY KEY(Sno,Cno),FOREIGN KEY(Sno) REFERENCES Student(Sno), FOREIGN KEY(Cno) REFERENCES Course(Cno) );4在已建立的关系模式之上(已插入一些数据)建立主键约束,参照约束和用户定义的约束(要求学生年龄不小于14岁,不大于35岁),如果约束不能建立,请分析原因,修改后建立上述约束。
附录C 上机实验第4章上机实验下列实验均使用SQL Server 的SSMS工具实现。
1.用图形化方法创建符合如下条件的数据库(创建数据库的方法可参见本书附录A):数据库名为:学生数据库主要数据文件的逻辑文件名为:Students_data,存放在D:\Data文件夹下(若D:盘中无此文件夹,请先建立此文件夹,然后再创建数据库。
),初始大小为:5MB,增长方式为自动增长,每次增加1MB。
日志文件的逻辑文件名字为:Students_log,也存放在D:\Data文件夹下,初始大小为:2MB,增长方式为自动增长,每次增加10%。
2.选用已建立的“学生数据库”,写出创建满足表C-1到4-4条件的表的SQL语句,并执行所写代码。
(注:“说明”部分不作为表定义内容)列名说明数据类型约束Sno学号普通编码定长字符串,长度为7主键Sname姓名普通编码定长字符串,长度为10非空Ssex性别普通编码定长字符串,长度为2取值范围:{男,女}Sage年龄微整型(tinyint)取值范围:15-45Sdept所在系普通编码不定长字符串,长度为20默认值为“计算机系”Sid身份证号普通编码定长字符串,长度为10取值不重Sdate入学日期日期默认为系统当前日期列名说明数据类型约束Cno课程号普通编码定长字符串,长度为10主键Cname课程名普通编码不定长字符串,长度为20非空Credit学时数整型取值大于0Semester学分小整型列名说明数据类型约束Sno学号普通编码定长字符串,长度为7主键,引用Student的外键Cno课程号普通编码定长字符串,长度为10主键,引用Course的外键Grade成绩小整型取值范围为0-100列名说明数据类型约束3. 写出实现如下功能的SQL语句,并执行所写代码,查看执行结果。
(1)在Teacher表中添加一个职称列,列名为:Title,类型为nchar(4)。
(2)为Teacher表中的Title列增加取值范围约束,取值范围为:{教授,副教授,讲师}。
上机实验-1Access2003基本操作一、实验目的1.掌握Access2003数据库的构成;2.熟悉Access2003的用户界面。
二、实验内容在Access2003中打开罗斯文示例数据库,结合该数据库来了解Access 数据库的构成,并熟悉Access2003的用户界面。
1.单击“开始”按钮,指向“程序”,然后单击“Microsoft Access”,启动Access2003。
2.在启动对话框中,单击“打开已有文件”下的“罗斯文示例数据库”。
罗斯文示例数据库通常位于“Program Files\Microsoft Office\Office\Samples”文件夹中,文件名为“Northwind.mdb”。
3.在“数据库”窗口中,单击“对象”栏下的“表”,单击“产品”表对象,然后单击“数据库”窗口的工具栏上的“打开”按钮,在“数据表”视图中查看表中的数据记录。
4.从“视图”菜单中选择“设计视图”命令,以切换到设计视图下,查看表中各个字段的定义,例如字段名、数据类型、字段大小等,然后关闭设计视图窗口。
5.在“数据库”窗口中单击“对象”栏下的“查询”,单击“各类产品”查询对象,然后单击“数据库”窗口工具栏上的“打开”按钮,在“数据表”视图下查看运行查询所返回的记录集合。
6.从“视图”菜单中选择“设计视图”命令,以查看创建和修改查询时的用户界面。
7.从“视图”菜单中选择“SQL视图”命令,以查看创建查询时所生成的SQL语句,然后关闭SQL视图窗口。
8.在“数据库”窗口中单击“对象”栏下的“窗体”,单击“产品”窗体对象,然后单击“数据库”窗口工具栏上的“打开”按钮,在窗体视图下查看窗体的运行结果,并单击窗体下方的箭头按钮,在不同记录之间移动。
9.从“视图”菜单中选择“设计视图”命令,以查看设计窗体时的用户界面。
10.从“视图”菜单中选择“数据表视图”命令,以查看存储在基础表中的数据记录,然后关闭数据表视图窗口。
数据库上机实习心得体会4篇数据库上机实习心得体会4篇数据库上机实习心得体会1SQL是Structured Query Language(结构化查询语言)的缩写。
SQL 是专为数据库而建立的操作命令集,是一种功能齐全的数据库语言。
在使用它时,只需要发出“做什么”的命令,“怎么做”是不用使用者考虑的。
SQL功能强大、简洁易学、使用便利,已经成为了数据库操作的基础,并且现在几乎全部的数据库均支持SQL。
它的强大功能以前就听人说过,所以就选了这门课。
经过一个学期的数据库课程的学习,我们把握了创建数据库以及对数据库的操作的基础学问。
幸老师的教学急躁细致,课堂上我们有不理解的地方老师都反复讲解,使我们的基础学问把握的比较结实。
数据库这门课涉及到以前的学问不多,是一门从头学起的课程,即使基础不是很好,只要认真听讲、复习功课,还是一门比较简洁把握的课。
通过学习,我对数据库没有了奇妙感,简洁的说下我对数据库的理解吧。
我觉得它就是创建一些表格,然后再用一些语句依据他们之间的关系,把它们组合在一起。
最基本的就是子查询了。
我的子查询阅历就是先写出select * 我们要找什么,然后写条件,我们要找的东西有什么条件,然后在写条件,我们的条件涉及那些表,那些字段,再在这些字段中通过我们学过的简洁select语句选出来,有时候还要用到几层子查询,不过无所谓,只要思路是清晰的就没什么问题了。
接下来,关联查询之类的,学起来也是不难的,但有一点必需留意,那就是上课必需跟着老师的进度走,确定要留意听讲,勤做笔记.这样,你学起来就会得心应手,没什么困难。
总之,这是一门很值得学的课程,自己学过获益匪浅,就算自己将来不从事这个行业,但是至少对数据不再生疏,甚至还略知一二。
呵呵…感谢老师~!数据库上机实习心得体会2一个月的数据库实训就转瞬间就上完了,期间讲解了一个同学管理系统,最终还做了一个小的数据库链接作业。
现在就说说关于vb链接的数据库的一些方法。
数据库实验报告实验⼀创建数据库及关系表⼀、实验⽬的1. 掌握SQL Server数据库管理系统的使⽤,能够中该环境中进⾏⽇常数据库操作;2. 掌握在SQL Server中使⽤图形化⼯具创建数据库的⽅法;3.掌握建⽴关系表的语句,掌握定义主码约束及外码约束的语句;4.掌握修改表结构的语句。
⼆、实验要求1.了解SQL Server数据库的组成,会使⽤图形化⼯具创建数据库。
2.编写建⽴表及主、外码约束的T-SQL语句,并执⾏这些语句,在数据库中建⽴符合要求的关系表。
3.编写修改表结构的语句。
三、实验内容和步骤1.创建符合如下条件的数据库:数据库的名字为:Students数据⽂件的逻辑⽂件名为:Students_dat,存放在D:\Test录下(若D:盘中⽆此⼦⽬录,可先建⽴此⽬录,然后再创建数据库。
);⽂件的初始⼤⼩为:5MB;增长⽅式为⾃动增长,每次增加1MB。
⽇志⽂件的逻辑⽂件名字为:Students_log,也存放在D:\Test⽬录下;⽇志⽂件的初始⼤⼩为:2MB;⽇志⽂件的增长⽅式为⾃动增长,每次增加10%。
2.在已建⽴的Students数据库中,写出创建满⾜下述条件的四张表的SQL 语句,并查看执⾏结果。
Teacher表结构Create table student (Sno char(7)primary key,Sname nchar(10)not null,Ssex nchar(2),Sage tinyint,Sdept nvarchar(20),Spec char(10))create table course(Cno char(10),Cname nvarchar(20)not null,Credit int,Semester tinyint,Primary key(Cno))create table sc(Sno char(7)not null,Cno char(10)not null,Grade tinyint,primary key(Sno,Cno),foreign key(Sno )references Student(Sno), foreign key(Cno )references Course(Cno), ) create table teacher(Tno char(8)not null,Tname char(10)not null,Dept nvarchar(20),Salary numeric(6,2),Birthery smalldatetime)执⾏结果:2.写出实现如下操作的SQL语句,并查看执⾏结果:(1)在SC表中添加⼀个新的修课类别列:列名为:XKLB,类型为char(4)。
数据库第四次上机实验报告班级:姓名:学号:实验日期:一、实验目的熟悉掌握数据库设计开发的整个过程。
二、实验内容a.从需求分析入手,按数据库设计的方法和步骤设计并在计算机上实现一个数据库:供应商――零件――工程。
已知语义是:(1)一个供应商可以提供多种零件;而每种零件由多个供应商供应;(2)每种零件为多个工程使用,而每项工程又需要多种零件;(3)每个供应商有姓名、编号和住址;每种零件有零件名、编号、颜色;每项工程有工程(4)名、编号和地址。
b.在从此数据库基础上编写小应用程序实现以下查询功能:(1)给出为某项工程提供零件的全部供应商名;(2)给出使用某供应商所供零件的全部工程名;(3)给出使用红色零件的工程名;(4)给出住在A地而为不在A地、且不使用红色零件的工程提供零件的供应商名;(5)给出使用某供应商供应的全部零件的工程名。
三、实验步骤1、数据库关系设计E-R图根据任务描述,得到E-R图如下图所示。
2、给出数据模型和关系模式根据E-R图,需要建立S、P、J、SPJ共计4个关系模式来描述整个关系,他们包含:S(SNO,SNAME,CITY),分别代表供应商及其编号、名称、地址,主码为SNO。
P(PNO,PNAME,COLOR),分别代表零件及其编号、名称、颜色,主码为PNO。
J(JNO,JNAME,CITY),分别代表工程及其编号、名称、地址,主码为JNO。
SPJ(SNO,PNO,JNO),代表工程所需零件供应商关系。
3、录入数据SPJSPJ4、建立SQL,录入与查询(1)建立表格CREATE TABLE S( SNAME V ARCHAR (50) NOT NULL,SNO V ARCHAR(50) PRIMARY KEY,CITY V ARCHAR (50) NOT NULL);CREATE TABLE P( PNAME V ARCHAR (50)NOT NULL,SNO V ARCHAR (50) PRIMARY KEY,COLOR V ARCHAR (50)NOT NULL);CREATE TABLE J(JNAME V ARCHAR (50)NOT NULL,JNO VARCHAR(50) PRIMARY KEY,CITY V ARCHAR (50)NOT NULL);CREATE TABLE SPJ(SNO CHAR(50) NOT NULL,PNO CHAR(50) NOT NULL,JNO CHAR(50) NOT NULL);(2)录入信息INSERT INTO S V ALUES ('华为','S1','广东'); INSERT INTO S V ALUES ('小米','S2','上海'); INSERT INTO S V ALUES ('苹果','S3','江苏'); INSERT INTO S V ALUES ('三星','S4','北京');INSERT INTO P V ALUES ('芯片','P1','红'); INSERT INTO P V ALUES ('声卡','P2','绿'); INSERT INTO P V ALUES ('显示屏','P3','黑'); INSERT INTO P V ALUES ('显示屏','P4','蓝'); INSERT INTO P V ALUES ('耳机','P5','红'); INSERT INTO P V ALUES ('外壳','P6','白');INSERT INTO J V ALUES ('P30','J1','南京'); INSERT INTO J V ALUES ('PRO','J2','北京'); INSERT INTO J V ALUES ('GALAXY','J3','新疆'); INSERT INTO J V ALUES ('REDMI','J4','吉林'); INSERT INTO J V ALUES ('HONOR','J5','广东');INSERT INTO SPJ V ALUES ('S2','P2','J1'); INSERT INTO SPJ V ALUES ('S4','P3','J1'); INSERT INTO SPJ V ALUES ('S3','P6','J1'); INSERT INTO SPJ V ALUES ('S2','P1','J2'); INSERT INTO SPJ V ALUES ('S1','P3','J2'); INSERT INTO SPJ V ALUES ('S4','P5','J2'); INSERT INTO SPJ V ALUES ('S4','P2','J3'); INSERT INTO SPJ V ALUES ('S3','P4','J3'); INSERT INTO SPJ V ALUES ('S3','P5','J3');INSERT INTO SPJ V ALUES ('S2','P1','J4');INSERT INTO SPJ V ALUES ('S4','P4','J4');INSERT INTO SPJ V ALUES ('S1','P2','J4');(3)SQL查询1、给出为工程J1提供零件的全部供应商名SELECT DISTINCT SNAMEFROM S,SPJWHERE S.SNO=SPJ.SNO AND JNO=‘J1’;2、给出使用供应商S2所供零件的全部工程名SELECT JNAMEFROM JWHERE JNO IN (SELECT JNOFROM SPJWHERE SNO = ‘S2’);3、给出使用红色零件的工程名SELECT JNAMEFROM JWHERE JNO IN (SELECT JNOFROM SPJ, PWHERE COLOR = ‘红’ AND SPJ.PNO = P.PNO);4、给出住在北京而为不在北京、且不使用红色零件的工程提供零件的供应商名SELECT DISTINCT SNAMEFROM S, P, SPJWHERE S.SNO = SPJ.SNO AND P.PNO = SPJ.PNO AND SCITY = ‘北京’ AND S.CITY != J.CITYAND SPJ.PNO NOT IN(SELECT SPJ.PNOFROM P, SPJWHERE P.PNO = SPJ. PNO AND COLOR = ‘红’ );5、给出使用供应商S3供应的全部零件的工程名SELECT JNAMEFROM JWHERE NOT EXISTS(SELECT *FROM SPJWHERE NOT EXISTS(SELECT *FROM SPJWHERE SNO = ‘S3’);5、用户界面设计采用Delphi 7进行用户界面设计。
实验一 SQL Server 2005 的安装和环境介绍一.实验目的与要求:1.掌握SQL Server 2005 服务器的安装方法2.了解SQL Server 2005 的环境3.了解数据库及其对象二.实验准备1.了解SQL Server 2005的版本2.了解SQL Server 2005各版本对硬件和软件的需求三.实验要求1.写出SQL SERVER 2005的功能与特点, 使用方法, 应用状况的报告2.完成SQL SERVER 2005的安装、启动、登录。
四.实验内容1.安装SQL Server 2005实验一 SQL Server 2005 的安装和环境介绍●实验指导——安装SQL Server 20051.根据安装机器软硬件的要求,选择一个合适的版本,以下以开发版为例2.将 SQL Server 2005 DVD 插入 DVD 驱动器。
如果DVD驱动器的自动运行功能无法启动安装程序无法启动安装程序,请导航到 DVD 的根目录然后启动splash.hta。
3.在自动运行的对话框中,单击“运行 SQL Server 安装向导”。
4.在“最终用户许可协议”页上,阅读许可协议,再选中相应的复选框以接受许可条款和条件。
接受许可协议后即可激活“下一步”按钮。
若要继续,请单击“下一步”若要结束安装程序,请单击“取消”。
如下图:5.在“SQL Server 组件更新”页上,安装程序将安装 SQL Server 2005 的必需软件。
有关组件要求的详细信息,请单击该页底部的“帮助”按钮。
若要开始执行组件更新,请单击“安装”。
更新完成之后若要继续,请单击“完成”。
6.在 SQL Server 安装向导的“欢迎”页上,单击“下一步”以继续安装。
7.在“系统配置检查 (SCC)”页上,将扫描安装计算机,以检查是否存在可能妨碍安装程序的条件。
8.在“注册信息”页上的“姓名”和“公司”文本框中,输入相应的信息。
一、实习背景随着计算机技术的不断发展,数据库技术已经成为现代信息技术中不可或缺的一部分。
为了使我对数据库技术有更深入的了解,提高我的实际操作能力,我参加了本次数据库上机实习。
本次实习主要基于SQL Server数据库管理系统,通过实际操作,使我掌握了数据库的基本概念、设计方法以及SQL语言的使用。
二、实习目的1. 熟悉数据库管理系统的基本操作,包括数据库的创建、修改、删除等。
2. 掌握数据库设计的基本方法,包括实体-联系模型、关系模型等。
3. 学会使用SQL语言进行数据库的查询、插入、删除、更新等操作。
4. 提高数据库的实际应用能力,为今后的工作打下基础。
三、实习内容1. 数据库管理系统简介数据库管理系统(Database Management System,简称DBMS)是一种软件系统,用于管理数据库中的数据。
常见的数据库管理系统有SQL Server、MySQL、Oracle 等。
本实习主要使用SQL Server数据库管理系统。
2. 数据库设计数据库设计是数据库应用开发过程中的重要环节,主要包括以下步骤:(1)需求分析:了解用户对数据库的需求,包括数据类型、数据量、数据之间的关系等。
(2)概念设计:根据需求分析结果,设计实体-联系模型,描述实体及其之间的关系。
(3)逻辑设计:将概念设计转换为关系模型,确定表结构、字段类型、约束等。
(4)物理设计:根据逻辑设计结果,确定数据库的存储结构,如索引、分区等。
3. 数据库操作(1)创建数据库:使用CREATE DATABASE语句创建数据库。
(2)修改数据库:使用ALTER DATABASE语句修改数据库。
(3)删除数据库:使用DROP DATABASE语句删除数据库。
(4)创建表:使用CREATE TABLE语句创建表。
(5)修改表:使用ALTER TABLE语句修改表。
(6)删除表:使用DROP TABLE语句删除表。
(7)插入数据:使用INSERT INTO语句插入数据。
一、建立Geodatabase数据文件1、新建一个Geodatabase:如图1.1所示:在ArcCatalog环境下新建一个名为“Personal Geodatabase”的数据文件。
1.1 建好的Geodatabase数据文件2、新建要素集:在Personal Geodatabase下,新建一个shanghai要素集,定义坐标系统为高斯投影(如图1.2所示),单位为米,精度为1。
1.2 创建要素数据集3、新建要素类:在shanghai要素集中,新建一个parcel和pole要素类, parcle的Shape字段类型为polygon,新增字段 parcel_name(文本型)、 owner_name (文本型);pole的Shape 字段类型为点类型,新增三个字段:类型(短整型)、高度(短整型)和管理部门(文本型)。
1.3 创建parcel要素类1.4 创建pole要素类4、新建表:如图1.5所示,在Personal Geodatabase下,新建一个owner表,新增字段name (文本型)、age (短整型)1.5 创建owner表二、创建子类1、新建子类:单击鼠标右键,打开pole要素类的属性表,选择子类选项卡,根据type字段创建pole类型子类,包括Wood、Steel和Cement。
图2.1 pole要素类新建子类2、对子类赋值:如图2.2所示,在ArcMap环境下通过列表框选择对要素子类进行赋值。
图2.2 pole要素类赋值三、按子类定义pole要素类的域:1、打开Geodatabase的属性表,定义三个域:Wood_pole高度域(短整型),20—30ft;Steel_pole的高度域(短整型),30—50ft;pole的管理部门域(文本),市管,区县管。
图3.1 按子类定义pole要素类的域2、打开pole要素类属性表,定义高度和管理部门字段的域,其中,高度按子类定义。
图3.3 定义高度和管理部门字段的域3、检查输入的要素的有效性:在ArcMap环境下,对选中点进行属性编辑,其中管理部门只能在市管和区县管两个值中选择;输入的高度值是否有效,通过Validation(验证要素)命令对选中的要素进行有效性检验。
数据库窗体实验报告(共10篇)数据库上机实验报告--窗体数据库上机实验报告—窗体一、实验内容1、用向导和设计视图配合创建商品窗体,在窗体中实现对基本数据进行添加、删除、修改、浏览功能(通过添加命令按钮完成)(记录源为系统中已有的表)2、创建进货窗体及存货窗体(相应的查询在前面“简单查询”试验中已经建立)(记录源为系统中已有的查询)3、使用向导创建销售员/销售单的主/子窗体,销售员为主窗体,销售单为子窗体。
注意:(在用向导创建主/子窗体或链接窗体时,在选定的字段中必须包括多个(两个或两个以上)表或查询中的字段,即分别选择两个表或查询,再将其包括的字段中需要的字段添加到选定的字段中)4、使用“设计视图创建窗体”创建类别/商品的链接窗体要求:主窗体中通过一“下拉列表框”来选择类别的名称,通过一命令按钮来打开链接窗体,在链接窗体中显示主窗体中所选类别的所有商品。
如下图:5、创建销售管理窗体,包括“销售单的销售额统计”窗体、“销售员月销售额统计”窗体、“商品月销售额统计”窗体(相应的查询在前面“复杂查询”试验中已经建立)。
并另建一销售管理窗体,将建好的各销售窗体在该窗体中汇集。
(如下图所示)6、创建各个销售员1998年各月的销售总额的图表窗体。
(如下图所示为1998年1-3月各销售员的月销售额)二、实验过程1、在“数据库”窗口中选择“窗体”对象,用鼠标双击“使用向导创建窗体”,出现如图所示窗体向导。
先选择窗体所依赖的表或查询,即窗体的数据源。
然后再从“可用字段”中选择将要在窗体中处理的字段。
图1窗体向导点击“下一步”,确定窗体使用的布局,有纵栏表、表格、数据表、两端对齐、数据透视表、数据透视图等六种选择。
再下一步是选择窗体所用的样式,最后设置窗体的标题并决定是打开还是修改窗体。
2、点开设计视图,对窗体进行修改。
使用控件,让窗体功能增加。
使其设计视图如下图所示:3、实验任务3的过程:首先,打开窗体向导,将销售员表和销售单表中需要的字段选上。
数据库上机实验报告
本次数据库上机实验主要涉及到数据库的设计、创建和查询,通过对实验内容的学习和实践,我对数据库的相关知识有了更深入的理解和掌握。
首先,我们学习了数据库的设计原理和方法。
在数据库设计的过程中,需要考虑到数据的完整性、一致性和安全性等因素,通过对实际案例的分析和设计,我了解到了如何根据需求确定实体、属性和关系,并进行逻辑设计和物理设计。
在实验中,我使用了ER图和关系模式图等工具,对数据库的结构和关系进行了清晰的描述和设计。
其次,实验中我们学习了数据库的创建和管理。
通过使用SQL语句,我成功创建了数据库和表,并进行了数据的插入、修改和删除操作。
在实验过程中,我深入了解了SQL语句的语法和用法,掌握了如何利用SQL语句对数据库进行有效的管理和操作。
最后,我们进行了数据库的查询操作。
通过学习和实践,我掌握了SQL语句中的SELECT语句的用法,能够实现对数据库中数据的查询和统计。
在实验中,我通过编写SQL语句,成功实现了对数据库中数据的查询和分析,对于复杂的查询需求也能够进行有效的处理和实现。
通过本次数据库上机实验,我不仅加深了对数据库设计、创建和查询的理解,还提高了对SQL语句的掌握和运用能力。
我相信这些知识和技能对我的未来学习和工作都将有很大的帮助。
总的来说,本次数据库上机实验内容丰富、操作性强,通过实际操作和实践,我对数据库的相关知识有了更深入的理解和掌握。
我相信这些知识和技能对我的未来学习和工作都将有很大的帮助。
希望通过不断的学习和实践,能够进一步提高自己的数据库技能,为将来的工作做好准备。
创新源于实践《数据库原理与应用》课程实验教学手册专业:数字媒体技术班级:2011 级 1 班学号:***********名:**任课教师:***学期:13141综合成绩:信息工程学院《数据库原理与应用》课程组许昌学院信息工程学院《数据库原理与应用》课程实验手册前言一、实验目的:《数据库原理与应用》是一门应用性很强的课程,上机实验是该课程的重要环节。
本实验是结合《数据库原理与应用》的学习而开设的实验。
本实验目的如下:1. 通过上机实验,加深对数据库基本理论知识的理解,增加对SQL Server数据库管理系统的感性认识和实际操作能力;2. 学习使用T-SQL语言,加深对T-SQL语言的认识和理解,提高T-SQL语言的实际应用能力;3. 加强对数据完整性、数据库编程等概念的认识和理解。
二、适应专业:数字媒体技术专业三、实验内容及学时安排:四、教材及参考文献1、《数据库系统概论》王珊、萨师煊主编,高等教育出版社,2006.2、《SQL Server 使用教程(第3版)》郑阿奇主编,电子工业出版社,2009.五、成绩考核上机实验考核采取实验报告和上机抽查检验相结合的方式。
每次实验结束后都必须写出实验报告。
实验一实验名称表与表数据操作、实验性质设计性、实验学时4学时姓名、学号、成绩四、实验过程实验过程、存在的问题及解决办法:1.创建YGGL数据库和相应的表语句:结果:2.将Sex列默认值设为0,语句:3.建立表Slary1如下:删除列ActIncome后:4.向表中插入数据,如下图:5.(1)将编号为000001的职工收入修改为2890原来修改后(2)将所有职工的收入增加100;(原图如上,修改后如下)代码:(3)删除编号为000001的职工的信息;代码为:结果如下:(4)删除所有女性员工的信息。
代码及结果如下:五、实验总结建立数据库时,注意数据库的位置以及Log文件。
保存时,应先关闭运行的管理器。
然后保存,再次打开时。
上机实验部分题目及答案一、实验目的1、基本表的定义、修改和删除2、视图的建立、删除和查询3、约束的命名、删除和重定义二、实验结果存放创建表homework8(result ),将每题的题目序号和SQL语句写到此表。
三、实验内容现有图书管理数据库的一个关系模式:book(总编号,分类号,书名,作者,出版单位,单价)1.利用SQL语句创建book的表结构,其中总编号为主码,书名的类型为char(50),并给主码的约束命名(主码约束命名参照第五章内容)。
2.利用SQL在book这个表中分别插入以下所给元组:34、为“数据库导论”设置“出版日期”的值为2009年6月5日,为“计算机基础”设置“出版日期”的值为2008年3月4日。
5、删除总编号为445503的元组。
6、删除列“出版日期”。
7、将列“书名”的类型改为char(100),其中修改列类型的语句为:alter table <表名>[modify 列名数据类型]8、删除book的主码约束(参照第五章)9、将表book中的总编码设置为主码(参照87页内容)。
11.建立表book1,其表结构与内容参照第2题。
12. 为表book1建立科学出版社所出图书的视图science13、删除表book1,其中删除表的格式为:drop table <表名>[restrict|cascade constraint] 其中restrict与cascade参数的含义参照87页14、为表book建立高等教育出版社所出图书的视图education15、查询视图education中的所有内容16、删除视图educationdrop table homework8drop table bookcreate table homework8(ti smallint,res char(400))create table book(总编码char(8) ,分类号char(7),书名char(50),作者char(30),出版单位char(200),单价char(8),constraint total primary key(总编码) )insertinto homework8(ti,res)values (1,'create table book(总编码char(8) ,分类号char(7),书名char(50),作者char(30),出版单位char(200),单价char(8),constraint total primary key(总编码) )')22222222insertinto book(总编码,分类号,书名,作者,出版单位,单价)values ('445501','TP3/12','数据库导论','王强','科学出版社','17.90')insertinto book(总编码,分类号,书名,作者,出版单位,单价)values ('445502','TP3/12','数据库导论','王强','科学出版社','17.90')insertinto book(总编码,分类号,书名,作者,出版单位,单价)values ('445503','TP3/12','数据库导论','王强','科学出版社','17.90')insertinto book(总编码,分类号,书名,作者,出版单位,单价)values ('332211','TP5/10','计算机基础','李伟','高等教育出版社','18.00')3333333alter table bookadd 出版日期char(20)alter table bookadd 页数char(5)444444444444444444444444444444444444444update bookset 出版日期='2009年6月5日'where 书名='数据库导论'update bookset 出版日期='2008年3月4日'where 书名='计算机基础'55555555555555555555555555555555555555 deletefrom bookwhere 总编号='445503'66666666666666666666666666666666666666 alter table bookdrop column 出版日期777777777777777777777777777777777777777 alter table bookmodify 书名char(100)8888888888888888888888888888888888888 alter table bookdrop constraint total9999999999999999999999999999999999999 alter table bookadd primary key (总编码)11 11 11 11 11 11 11 11 11 11 create table book1(总编码char(8) ,分类号char(7),书名char(50),作者char(30),出版单位char(200),单价char(8),constraint total primary key(总编码))12 12 12 12 12 12 12 12 CREATE VIEW scienceASSELECT 总编码,分类号,书名,作者,出版单位,单价FROM book1WHERE 出版单位='科学出版社'13DROP TABLE book114CREATE VIEW educationASSELECT 总编码,分类号,书名,作者,出版单位,单价FROM bookWHERE 出版单位='高等教育出版社'15SELECT *FROM education16DROP VIEW education。
学号 12051134 姓名张宏源班级物联网1班上机实验四——SELECT语句基本格式的使用一、实习目的:掌握SELECT的基本使用格式,能使用SQL Server对表作简单查询。
二、实习准备:1.复习第三章3.4节中SELECT语句的基本使用格式。
2.复习SQL中五种库函数:AVG、SUM、MAX、MIN、COUNT;3.完成习题三第12题中的各项操作的SQL语句。
三、实习内容:1.验证习题三第12题中的各项操作的SQL语句。
① 找出所有被学生选修了的课程号;Select Distinct CnoFrom GradeOrder by Cno②找出01311班女学生的个人信息;Select*From Studentwhere Ssex='女'and Clno=01311③找出01311班、01312班的学生姓名、性别、出生年份;Select Sname,Ssex,2014-Sage as birthyearFrom Studentwhere Clno='01311'or Clno='01312'④找出所有姓李的学生的个人信息;Select*From Studentwhere Sname like'李%'⑤找出学生李勇所在班级的学生人数;Select numberFROM Classwhere clno=(select Clnofrom Studentwhere Sname='李勇')⑥找出课程名为操作系统的平均成绩、最高分、最低分;Select AVG(Gmark),MAX(Gmark),MIN(Gmark)FROM Gradewhere Cno=(Select Cnofrom Coursewhere Cname='操作系统')⑦找出选修了课程的学生人数;Select COUNT(Sno)as renshuFROM Grade⑧找出选修了课程操作系统的学生人数。
Select COUNT(Sno)as renshuFROM Gradewhere Cno=(Select Cnofrom Coursewhere Cname='操作系统')2.试一下以下语句是否正确:SELECT eno,basepay,serviceFROM salaryWHERE basepay<AVG(basepay)答:不对,聚合函数不应该出现在where语句中,除非该聚合位于HAVING 子句或选择列表所包含的子查询中,并且要对其进行聚合的列是外部引用四、上机实验收获(感想):更加熟悉了SQL基础语言的运用,实际操作后弥补了理论想象的不足五、思考题:什么情况下需要使用关系的别名?别名的作用范围是什么?1.简化书写2.子查询3.为了把先后查询的同一关系区分开来学号姓名班级上机时间上机实验五——SELECT语句高级格式和完整格式的使用一、实习目的:掌握SELECT语句的嵌套使用方法,能使用SQL Server2000对表作复杂查询。
二、实习准备:1.复习第三章3.4节中SELECT语句的高级格式和完整格式的使用。
2.了解库函数在分组查询中的使用规则;3.完成习题三第13、14题中的各项操作的SQL语句。
三、实习内容:完成以下各项操作的SQL语句:①找出与李勇在同一个班级的学生信息;Select*FROM Studentwhere Clno=(Select Clnofrom studentwhere Sname='李勇')②找出选修了课程操作系统的学生学号和姓名;Select Sno,Snamefrom studentwhere sno in(Select distinct Snofrom Gradewhere Cno=(Select Cnofrom Coursewhere Cname='操作系统'))③找出年龄介于学生李勇和25岁之间的学生信息;(已知李勇年龄小于25岁)Select*from studentwhere Sage in(Select Sagefrom Student)and Sage<25④找出所有没有选修1号课程的学生姓名Select distinct s.snamefrom Student s LEFT JOIN Grade gon s.sno=g.snowhere CNO!= 1⑤查询选修了3号课程的学生学号及其成绩,并按成绩的降序排列;Select Sno,Gmarkfrom gradewhere Cno=3Order by Gmark DESC⑥求每个课程号及相应的选课人数;Select Cno,count(cno)as人数from gradegroup by cnoorder by cno⑦查询选修了3门以上课程的学生学号。
Select snofrom Gradegroup by snohaving COUNT(sno)>3四、上机实验收获(感想):五、思考题:1.用UNION或UNION ALL将两个SELECT命令结合为一个时,结果有何不同?。
UNION 命令只会选取不同的值,UNION ALL 命令和UNION 命令几乎是等效的,不过UNION ALL 命令会列出所有的值2.当既能用连接词查询又能用嵌套查询时,应该选择哪种查询较好?为什么?选用连接词查询。
因为连接词查询,效率比嵌套查询高3.库函数能否直接使用在:SELECT选取目标、HAVING子句、WHERE子句、GROUP BY列名中?库函数可以使用在SELECT选取目标、HA VING字句、WHERE子句,不能使用在GROUP BY列名学号姓名班级上机时间上机实验六——SQL的存储操作一、实习目的:掌握用交互式SQL语句对已建基本表进行存储操作:修改、删除、插入,加深对数据的完整性的理解。
二、实习准备:1.复习数据的完整性,在进行数据的修改、删除、插入时,要注意保持数据的一致性。
2.复习第三章3.5节UPDATE、DELETE、INSERT语句与子查询的结合使用;3.完成习题三15题中的各项操作的SQL语句。
三、实习内容:1、完成以下各项操作的SQL语句:①将01311班的全体学生的成绩置零update Grade set Gmark=0where Sno in(select Sno from Studentwhere Clno='01311'))②删除01311班全体学生的选课记录;Delete from Gradewhere sno in(select snofrom Studentwhere clno='01311')③学生李勇已退学,从数据库中删除有关他的记录;delete from Gradewhere Sno in(select Sno from Studentwhere Sname='李勇')update Class set Number=Number-1where Clno in(select Clno from Studentwhere Sname='李勇')update Class set Monitor=casewhere Clno in(select Clno from Studentwhere Sname='李勇')delete from Studentwhere Sname='李勇'④对每个班,求学生的平均年龄,并把结果存入数据库;alter table Class add pingjunnianlin smallint nullupdate Classset pingjunnianlin=(select AVG(Sage)from Student whereClno='00311')where Clno='00311'update Classset pingjunnianlin=(select AVG(Sage)from Student whereClno='00312')where Clno='00312'update Classset pingjunnianlin=(select AVG(Sage)from Student whereClno='01311')where Clno='01311'2、把所有工程师的基本工资(Basepay)增加100,试一试以下的UPDATE语句对不对:UPDATE salarySET basepay=basepay+100WHERE eno in(SELECT enoFROM employeeWHERE title=’工程师’)对的四、上机实验收获(感想):五、思考题:DROP命令和DELETE命令的本质区别是什么?DROP是删除表DELETE是删除表中的记录学号姓名班级上机时间上机实验七——视图的建立及操作一、实习目的:掌握创建、删除和查询视图的方法,验证可更新视图和不可更新视图。
二、实习准备:1.复习第三章3.6节视图;2.完成习题三第16题中的各项操作的SQL语句。
3.了解可更新视图和不可更新视图。
三、实习内容:1.验证习题三第16题中各项操作的SQL语句;①建立01312班选修了1号课程的学生视图Stu_01312_1;create view Stu_01312_1AS select*From student,Gradewhere clno='01312'and sno='1'②建立01312班选修了1号课程并且成绩不及格的学生视图Stu_01312_2;create view Stu_00312_2asselect*from Studentwhere Sno in(select Sno from Grade where o='1'andGrade.Gmark<='60')and Clno='00312'③建立视图Stu_year,由学生学号、姓名、出生年份组成。
create view Stu_yearasselect sno as'学号',sname as'姓名','出生年份'=year(getdate())-sage from Student④查询1990年以后出生的学生姓名Create view v_dayAsselect Snamefrom Studentwhere Sage<=year(getdate())-1990⑤查询01312班选修了1号课程并且成绩不及格的学生的学号、姓名、出生年份。