数据库上机实验题目和答案
- 格式:doc
- 大小:53.00 KB
- 文档页数:5
创建数据表与数据输入Part I. 使用SQL Server Management Studio创建数据表和输入数据1. 在SQL Server Management Studio中创建数据表P69 1.(1)-(6)2. 为数据表输入数据P76 4.(1)-(4)3. 数据浏览P77 1. (1)-(2)2. (1)-(3)Part II. 使用SQL语句创建数据表和输入数据1. 使用SQL语句创建数据表P72. 例3-22.使用SQL语句输入数据P82. 例3.8习题:P.105 (1)(2)insert数据操作Insert、Update、Delete P105 3. 上机练习题(2)(4)Insert(100001, 1000, 2002-12-18 0:00:00) (100002, 2000, 2010-3-20 0:00:00)Update(100001, 1500, 2002-12-18 0:00:00) (100002, 2000, 2012-9-25 0:00:00)Delete1.将teaching数据库中score表的studentno列设置为引用表student的外键。
ALTER TABLE ScoreADD CONSTRAINT FK_score_student FOREIGN KEY (studentno)REFERENCES student(studentno)2.将teaching数据库中class表的classname创建UNIQUE约束。
ALTER TABLE classADD CONSTRAINT UQ_class UNIQUE(classname)执行如下插入语句,查看提示信息INSERT INTO class VALUES(‘090602’, ’计算机0902’, ’计算机学院’, ’马文斐’) 3. 为teaching数据库中student表的birthday列创建CHECK约束,规定学生的年龄在17-25岁之间。
数据库上机实验内容及要求(第二部分)1.建立工厂管理数据库工厂(包括厂名和厂长名)需要建立一个管理数据库存储以下信息:(1)一个厂内有多个车间,每个车间有车间号、车间主任姓名、地址和联系电话;(2)一个车间有多个工人,每个工人有职工号、姓名、年龄、性别和工种;(3)一个车间生产多种产品,产品有产品号和价格;每种产品只能由一个车间生产;(4)一个车间制造多种零件,一种零件也可能为多个车间制造。
零件有零件号、重量和价格;(5)一种产品可由多种零件组成,一种零件也可以装配出多种产品;(6)产品和零件均存入仓库;(7)厂内有多个仓库,仓库有仓库号、仓库主任姓名和电话。
根据以上需求分析结果,按照下述要求,设计并建立工厂管理数据库。
◆分析实体及联系,设计E-R图。
◆将E-R图转换成关系模式,并规范化到3NF。
◆在Microsoft SQL Server2000中基于“企业管理器”建立数据库及相关对象(主码,外码,索引,约束等)。
◆测试数据入库2.基于“查询分析器”,完成并保存下述题目的SQL脚本(1)建立“工种”是“钳工”的所有职工详细信息的视图;create view View_工人_钳工asselect*from职工表where工种='钳工'with check option(2)建立“车间号”是“CJ01”的钳工详细信息的视图;create view View_钳工_CJ01asselect*from View_工人_钳工where车间号='CJ01'(3)建立使用了“零件号”是“LJ0002”的所有产品详细信息的视图;create view View_产品_零件LJ0002asselect产品表.产品号,价格,车间号,仓库号from装配表,产品表where装配表.产品号=产品表.产品号and零件号='LJ0002'(4)对零件表按照“零件号”建立唯一索引;create unique index Index_U_零件号on零件表(零件号)(5)对职工表按照“性别”建立聚簇索引;create clustered index Index_C_性别on职工表(性别)(6)查询使用了“零件号”是“LJ0002”的产品的生产车间号;select车间号from装配表,产品表where装配表.产品号=产品表.产品号and零件号='LJ0002'(7)查询“职工号”是“ZG0001”的职工所在车间的“车间主任姓名”和“联系电话”;select车间主任姓名,联系电话from职工表,车间表where职工表.车间号=车间表.车间号and职工号='ZG0001'(8)查询使用了“零件号”是“LJ0002”的所有产品的生产车间的“车间主任姓名”和“联系电话”;(连接查询、嵌套查询实现)select车间主任姓名,联系电话from产品表,装配表,车间表where产品表.产品号=装配表.产品号and产品表.车间号=车间表.车间号and装配表.零件号='LJ0002'select车间主任姓名,联系电话from车间表where车间号in(select车间号from产品表where产品号in(select产品号from装配表where零件号='LJ0002'))(9)查询使用了“零件号”是“LJ0002”的所有产品的“产品号”和“零件数量”,且查询结果按照“零件数量”降序排列;select产品号,零件数量from装配表where零件号='LJ0002'order by零件数量desc(10)查询使用了“零件号”是“LJ0002”的产品数;select count(*)as产品数from装配表where装配表.零件号='LJ0002'(11)查询“LJ0002”号零件装配产品的使用总量;select sum(零件数量)as使用总数from装配表where零件号='LJ0002'(12)查询使用了3种以上零件的产品号;select产品号from装配表group by产品号having count(*)>=3【注意】:下机时保存数据库文件(.mdf和.ldf)及SQL脚本文件到U盘。
试用SQL的查询语句表达下列查询:1.检索王丽同学所学课程的课程号和课程名。
select Cno ,Cname from c where Cno in(select cno from sc where sno in (select sno from s where sname='王丽' ))2.检索年龄大于23岁的男学生的学号和姓名。
select sno,sname from swhere sex='男' and age>233.检索‘c01’课程中一门课程的女学生姓名select sname from swhere sex='女' and sno in(select sno from sc where cno='c01')4.检索s01同学不学的课程的课程号。
select cno from cwhere cno not in (select cno from sc where sno ='s01')5.检索至少选修两门课程的学生学号。
select sc.sno from s,scwhere s.sno=sc.snogroup by sc.snohaving count(o)>=26.每个学生选修的课程门数。
解法一:select so.sno sno,ount,s.snamefrom(select sc.sno sno,count(sc.sno) ccountfrom sc,swhere s.sno=sc.snogroup by sc.sno ) so,swhere s.sno=so.sno解法二:select sc.sno sno,s.sname,count(sc.sno) ccountfrom sc,swhere s.sno=sc.snogroup by sc.sno,sname7.求选修C4课程的学生的平均分。
1下列说法中正确的是:( D )A 、 SQL 中局部变量可以不声明就使用B 、 SQL 中全局变量必须先声明再使用C 、 SQL 中所有变量都必须先声明后使用D 、 SQL 中只有局部变量先声明后使用;全局变量是由系统提供的用户不能自己建立。
2.哪个关键字用于测试跟随的子查询中的行是否存在( B )。
A.MOV B.EXISTSC.UNION D.HAVING3 .下列哪些语句用于创建存储过程( A )?A、CREATE PROCEDUREB、CREATE TABLEC、DROP PROCEDURED、其他5.在SQL中,SELECT语句的“SELECT DISTINCT”表示查询结果中 ( C )。
A.属性名都不相同B.去掉了重复的列C.行都不相同D.属性值都不相同语言集数据查询、数据操作、数据定义和数据控制功能于一体,语句INSERT、DELETE、UPDATA实现下列哪类功___A_____。
A. 数据查询B. 数据操纵C. 数据定义D. 数据控制Server 2000 采用的身份验证模式有( D )。
(A)仅Windows身份验证模式(B)仅SQL Server身份验证模式(C)仅混合模式(D)Windows身份验证模式和混合模式Server 2000 企业版可以安装在操作系统上。
( C )(A)Microsoft Windows 98(B)Microsoft Windows 2000 Professional(C)Microsoft Windows 2000 Server(D)Microsoft Windows XPServer是一个( C )的数据库系统。
(A)网状型(B)层次型(C)关系型(D)以上都不是语言中,删除一个视图的命令是( B )。
A. DELETEB. DROPC. CLEARD. REMOVE语言中,删除记录的命令是( A )。
A. DELETEB. DROPC. CLEARD. REMOVE14.以下触发器是当对[employee表]进行( D )操作时触发。
数据库系统上机实验题一、学生学习系统的基本表学生:s(sno,sname,sex,age,dept);表中属性分别为:学号,姓名,性别,年龄和系名。
课程:c(cno,cname,tname);表中属性分别为:课号,课名,教师名。
选课:sc(sno,cno,grade);表中属性分别为:学号,课号和成绩。
要求:利用sql语句创建上面三个基本表,包括:主键,外键定义。
有针对性地输入一些实验数据。
二、利用sql语句,在上面三个基本表,顺利完成如下的功能1.查找学号2至10号学生的学号、姓名和系名。
2.查找女同学的人数。
3.搜寻学号2至10号学生中,女同学的人数。
4.查找男、女同学各有多少人(注:输出性别和人数)。
5.搜寻‘cs’系则中,男、女同学各存有多少人(备注:输入性别和人数)6.搜寻年龄在18至20岁之间的所有男同学的学号、姓名和系名。
7.搜寻所有学生报读课程的门数。
8.查找学号2至15号学生中,英语成绩超过80分的学生学号和姓名。
9.查找没有学习‘物理’课程的学生姓名和系名。
10.查找‘王明’同学所学课程的门数。
11.统计数据‘王明’同学所学各门课程的平均值分数。
12.统计数据英语成绩低于该课程平均值成绩的人数。
13.查找查找至少选修了‘王一’和‘王二’老师所授课程的学生学号与姓名。
14.查找‘cs’系比‘ma’系的学生年龄都小的学生姓名和系名。
15.统计每个学生的总分,输出学生的学号和总分,总分按降序排列。
16.查找学号比‘王一’同学大,而年龄比他小的学生学号、姓名和年龄。
17.查找年龄大于女同学的平均年龄的男同学的姓名与年龄。
18.查找只选修了一门课程的同学的学号和姓名。
19.搜寻‘cs’系则学生中,没报读‘王一’老师课程的学号、姓名和系名。
20.搜寻至少报读了3门课程的学生学号和姓名。
21.搜寻每门课程的最高分和最低分。
(备注:输入课号、最高分和最低分)22.使用查阅视图方式顺利完成21题的功能:利用视图方式的步骤:创建视图,例如:gdf(cno,max,min)属性:课号、最高分和最低分。
实验一数据表的建立一、实验目的:熟悉Access 2000的操作环境,并了解关系数据库中关系在Access 2000中的表示——数据表,同时掌握数据表建立的不同方法。
二、实验要求:1.掌握Access 2000的启动和退出;2.了解Access 2000的特性;3.熟悉Access 2000的操作界面、窗口组成各元素;4.掌握Access 2000中建立、保存数据库的方法;5.掌握Access 2000中打开数据库的方法;6.掌握在Access 2000数据库中建立数据表的方法;7.掌握数据表中字段属性的设置和修改;8.掌握数据表中数据的输入、修改、添加、删除;9.掌握在Access 2000数据表的两种视图。
三、实验内容:1、启动Access 2000;2、打开已有的数据库文件(如“罗斯文示例数据库”);3、熟悉Access的操作环境,了解其窗口组成各元素;4、通过帮助了解Access 2000的功能和新特性;5、在Access 2000中新建一个SPJ数据库,并在其中用三种不同的方法(数据表视图、表向导、设计视图)新建S、P、J、SPJ四个数据表,各表结构及内容见下页;6、根据表中数据设置各字段的类型及大小,并设置S、P、J表的主键分别为SNO、PNO、JNO,SPJ表的主键为SNO+PNO+JNO,这些字段不能取空值、而且各记录的值互不相同;7、为S表的CITY字段设置有效性规则,限定其输入的城市只能为“天津”、“北京”、“上海”之一;为SPJ表的QTY字段设置有效性规则,限定其输入的数量在100~900之间;8、按表格所示内容输入各表数据;9、练习表中记录的浏览、修改、插入、删除;10、退出Access。
四、实验步骤:1、启动Access 2000在Windows中单击“开始/程序/Microsoft Access”命令即可启动Access,如图1-1所示。
启动Access后,即可看到一个初始对话框出现,如图1-2所示。
数据库上机实验题目和答案试用SQL的查询语句表达下列查询:1.检索王丽同学所学课程的课程号和课程名。
select Cno ,Cname from c where Cno in(select cno from sc where sno in (select sno from s where sname='王丽' ))2.检索年龄大于23岁的男学生的学号和姓名。
select sno,sname from swhere sex='男' and age>233.检索‘c01’课程中一门课程的女学生姓名select sname from swhere sex='女' and sno in(select sno from sc where cno='c01')4.检索s01同学不学的课程的课程号。
select cno from cwhere cno not in (select cno from sc where sno ='s01')5.检索至少选修两门课程的学生学号。
select sc.sno from s,scwhere s.sno=sc.snogroup by sc.snohaving count(/doc/1411529677.html,o)>=26.每个学生选修的课程门数。
解法一:select so.sno sno,/doc/1411529677.html,ount,s.sname from(select sc.sno sno,count(sc.sno) ccountfrom sc,swhere s.sno=sc.snogroup by sc.sno ) so,swhere s.sno=so.sno解法二:select sc.sno sno,s.sname,count(sc.sno) ccountfrom sc,swhere s.sno=sc.snogroup by sc.sno,sname7.求选修C4课程的学生的平均分。
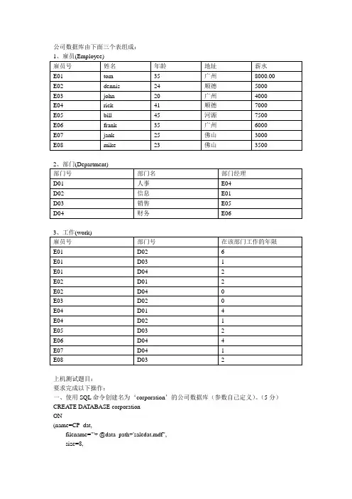
公司数据库由下面三个表组成:上机测试题目:要求完成以下操作:一、使用SQL命令创建名为‘corporation’的公司数据库(参数自己定义)。
(5分)CREATE DATABASE corporationON(name=CP_dat,filename="'+ @data_path+'saledat.mdf",size=8,maxsize=10,filegrowth=1)LOG ON(name=sales_log,filename ="'+@data_path +'salelog.ldf",size=1mb,filegrowth=1mb)二、分别将公司数据库中雇员、部门、工作三个表命名为Employee、Department、work。
按照上述表格内容创建这三个数据表(列名使用汉语拼音),并向三个数据表输入数据。
(5分)USE corporationGO--创建雇员表CREATE TABLE Employee (emp_no char(3) NOT NULL,emp_name char(6) NULL,age INT NULL,address nchar(2) NULL,sal INT NULL)INSERT INTO Employee V ALUES('E01', 'tom', 35, '广州',8000)INSERT INTO Employee V ALUES('E02', 'dennis',24,'顺德',5000)INSERT INTO Employee V ALUES('E03', 'john ',20,'广州',4000)INSERT INTO Employee V ALUES('E04', 'rick',41,'顺德',7000)INSERT INTO Employee V ALUES('E05', 'bill',45,'河源',7500)INSERT INTO Employee V ALUES('E06', 'frank',35,'广州',6000)INSERT INTO Employee V ALUES('E07', 'jank',25,'佛山',3000)INSERT INTO Employee V ALUES('E08', 'mike',23,'佛山',3500)--创建部门表CREATE TABLE Department (dep_no char(3) NOT NULL,dep_name nvarchar(2) NULL,dep_manager char(3) NULL)INSERT INTO Department V ALUES('D01','人事','E04')INSERT INTO Department V ALUES('D02','信息','E01')INSERT INTO Department V ALUES('D03','销售','E05')INSERT INTO Department V ALUES('D04','财务','E06')--创建工作表CREATE TABLE work (emp_no char(3) NULL,dep_no char(3) NULL,dep_year INT NULL)INSERT INTO work V ALUES('E01','D02',6)INSERT INTO work V ALUES('E01','D03',1)INSERT INTO work V ALUES('E01','D04',2)INSERT INTO work V ALUES('E02','D01',2)INSERT INTO work V ALUES('E02','D04',0)INSERT INTO work V ALUES('E03','D02',0)INSERT INTO work V ALUES('E04','D01',4)INSERT INTO work V ALUES('E04','D02',1)INSERT INTO work V ALUES('E05','D03',2)INSERT INTO work V ALUES('E06','D04',4)INSERT INTO work V ALUES('E07','D04',1)INSERT INTO work V ALUES('E08','D03',2)三、用SQL语句完成下列查询,上机验证之后将SQL语句按题号保存。
1下列说法中正确的是:( D )A 、 SQL 中局部变量可以不声明就使用B 、 SQL 中全局变量必须先声明再使用C 、 SQL 中所有变量都必须先声明后使用D 、 SQL 中只有局部变量先声明后使用;全局变量是由系统提供的用户不能自己建立。
2.哪个关键字用于测试跟随的子查询中的行是否存在(B)。
A.MOV B.EXISTSC.UNION D.HAVING3 .下列哪些语句用于创建存储过程(A)?A、CREATE PROCEDUREB、CREATE TABLEC、DROP PROCEDURED、其他5.在SQL中,SELECT语句的“SELECT DISTINCT”表示查询结果中 ( C )。
A.属性名都不相同B.去掉了重复的列C.行都不相同D.属性值都不相同6.SQL 语言集数据查询、数据操作、数据定义和数据控制功能于一体,语句INSERT、DELETE、UPDATA实现下列哪类功___A_____。
A. 数据查询B. 数据操纵C. 数据定义D. 数据控制7.SQL Server 2000 采用的身份验证模式有(D)。
(A)仅Windows身份验证模式(B)仅SQL Server身份验证模式(C)仅混合模式(D)Windows身份验证模式和混合模式10.SQL Server 2000 企业版可以安装在操作系统上。
( C )(A)Microsoft Windows 98(B)Microsoft Windows 2000 Professional(C)Microsoft Windows 2000 Server(D)Microsoft Windows XP11.SQL Server是一个(C)的数据库系统。
(A)网状型(B)层次型(C)关系型(D)以上都不是12.SQL语言中,删除一个视图的命令是( B )。
A. DELETEB. DROPC. CLEARD. REMOVE13.SQL语言中,删除记录的命令是(A)。
数据库上机习题及答案 Revised by Liu Jing on January 12, 2021数据库及应用复习题一、设计题有一个[学生课程]数据库,数据库中包括三个表:学生表Student由学号(Sno)、姓名(Sname)、性别(Ssex)、年龄(Sage)、所在系(Sdept)五个属性组成,记为:Student(Sno,Sname,Ssex,Sage,Sdept) ,Sno 为关键字。
课程表Course由课程号(Cno)、课程名(Cname)、先修课号(Cpno)、学分(Ccredit)四个属性组成,记为:Course(Cno,Cname,Cpno,Ccredit) Cno为关键字。
成绩表SG由学号(Sno)、课程号(Cno)、成绩(Grade)三个属性组成,记为: SG(Sno,Cno,Grade) (SNO, CNO)为关键字。
用SQL语言实现下列功能:1.建立学生表Student,其中学号属性不能为空,并且其值是唯一的。
2.向Student表增加“入学时间(Scome)”列,其数据类型为日期型。
3.查询选修了3号课程的学生的学号及其成绩,查询结果按分数的降序排列。
4.查询学习1号课程的学生最高分数、平均成绩。
5.查询与“李洋”在同一个系学习的学生。
6.将计算机系全体学生的成绩置零。
7.删除学号为05019的学生记录。
8.删除计算机系所有学生的成绩记录。
1.CREATETABLE Student(Sno CHAR(5) NOT NULL UNIQUE,Sname CHAR(20),Ssex CHAR(2),Sage INT,Sdept CHAR(15))2.ALTER TABLE Student ADD Scome DATETIME 3.SELECT Sno, GradeFROM SGWHERE Cno='3'ORDER BY Grade DESC4.SELECT MAX(Grade), AVG(Grade)FROM SCWHERE Cno='1'5.SELECT Sno, Sname, SdeptFROM StudentWHERE Sdept IN(SELECT Sdept FROM StudentWHERE Sname='李洋')6. UPDATE SGSET Grade=0WHERE Sno in( SELECT Sno FROM StudentWHERE Sdept = '计算机系')7.DELETE FROM StudentWHERE Sno='05019'8. DELETE FROM SGWHERE Sno in( SELECT Sno FROM StudentWHERE Sdept = '计算机系')二、设计题现有关系数据库如下:数据库名:教师数据库教师表(编号 char(6),姓名,性别,民族,职称,身份证号)课程表(课号 char(6),名称)任课表(ID,教师编号,课号,课时数)用SQL语言实现下列功能的sql语句代码:1. 创建上述三表的建库、建表代码(14分);要求使用:主键(教师表.编号,课程表.课号)、外键(任课表.教师编号,任课表.课号)、默认(民族)、非空(民族,姓名)、唯一(身份证号)、检查(性别、课时数),自动编号(ID)2. 将下列课程信息添加到课程表的代码(6分)课号课程名称100001 SQL Server数据库100002 数据结构100003 VB程序设计修改课号为100003的课程名称:Visual Basic程序设计删除课号为100003的课程信息3. 写出创建[任课表视图](教师编号,姓名,课号,课程名称,课时数)的代码;(4分)4. 写出创建[某门课任课教师]内嵌表值函数以及检索的代码;(6分)检索:所有代'SQL Server数据库'这门课程的老师姓名;5. 写出创建[统计课时数]:输出最大课时数、最低课时数、平均课时的存储过程以及执行代码;(6分)6.写出创建:计算某教师代课总课时,并将值返回的存储过程以及执行代码。
数据库上机实验内容及要求(第二部分)1.建立工厂管理数据库工厂(包括厂名和厂长名)需要建立一个管理数据库存储以下信息:(1)一个厂内有多个车间,每个车间有车间号、车间主任姓名、地址和联系电话;(2)一个车间有多个工人,每个工人有职工号、姓名、年龄、性别和工种;(3)一个车间生产多种产品,产品有产品号和价格;每种产品只能由一个车间生产;(4)一个车间制造多种零件,一种零件也可能为多个车间制造。
零件有零件号、重量和价格;(5)一种产品可由多种零件组成,一种零件也可以装配出多种产品;(6)产品和零件均存入仓库;(7)厂内有多个仓库,仓库有仓库号、仓库主任姓名和电话。
根据以上需求分析结果,按照下述要求,设计并建立工厂管理数据库。
◆分析实体及联系,设计E-R图。
◆将E-R图转换成关系模式,并规范化到3NF。
◆在Microsoft SQL Server2000中基于“企业管理器”建立数据库及相关对象(主码,外码,索引,约束等)。
◆测试数据入库2.基于“查询分析器”,完成并保存下述题目的SQL脚本(1)建立“工种”是“钳工”的所有职工详细信息的视图;create view View_工人_钳工asselect*from职工表where工种='钳工'with check option(2)建立“车间号”是“CJ01”的钳工详细信息的视图;create view View_钳工_CJ01asselect*from View_工人_钳工where车间号='CJ01'(3)建立使用了“零件号”是“LJ0002”的所有产品详细信息的视图;create view View_产品_零件LJ0002asselect产品表.产品号,价格,车间号,仓库号from装配表,产品表where装配表.产品号=产品表.产品号and零件号='LJ0002'(4)对零件表按照“零件号”建立唯一索引;create unique index Index_U_零件号on零件表(零件号)(5)对职工表按照“性别”建立聚簇索引;create clustered index Index_C_性别on职工表(性别)(6)查询使用了“零件号”是“LJ0002”的产品的生产车间号;select车间号from装配表,产品表where装配表.产品号=产品表.产品号and零件号='LJ0002'(7)查询“职工号”是“ZG0001”的职工所在车间的“车间主任姓名”和“联系电话”;select车间主任姓名,联系电话from职工表,车间表where职工表.车间号=车间表.车间号and职工号='ZG0001'(8)查询使用了“零件号”是“LJ0002”的所有产品的生产车间的“车间主任姓名”和“联系电话”;(连接查询、嵌套查询实现)select车间主任姓名,联系电话from产品表,装配表,车间表where产品表.产品号=装配表.产品号and产品表.车间号=车间表.车间号and装配表.零件号='LJ0002'select车间主任姓名,联系电话from车间表where车间号in(select车间号from产品表where产品号in(select产品号from装配表where零件号='LJ0002'))(9)查询使用了“零件号”是“LJ0002”的所有产品的“产品号”和“零件数量”,且查询结果按照“零件数量”降序排列;select产品号,零件数量from装配表where零件号='LJ0002'order by零件数量desc(10)查询使用了“零件号”是“LJ0002”的产品数;select count(*)as产品数from装配表where装配表.零件号='LJ0002'(11)查询“LJ0002”号零件装配产品的使用总量;select sum(零件数量)as使用总数from装配表where零件号='LJ0002'(12)查询使用了3种以上零件的产品号;select产品号from装配表group by产品号having count(*)>=3【注意】:下机时保存数据库文件(.mdf和.ldf)及SQL脚本文件到U盘。
全国计算机等级考试二级上机题库I第1套题目一、基本操作题请在“答题”菜单下选择相应命令,并按照题目要求完成下面的操作,具体要求如下:注意:下面出现的“考生文件夹”均为考试系统安装盘符下的“\K01\29010001”文件夹。
考生文件夹下存在一个数据库文件“samp1.mdb”,里面已经设计好表对象“tStud”。
请按照以下要求,完成对表的修改:(1)设置数据表显示的字体大小为14、行高为18。
(2)设置“简历”字段的设计说明为“自上大学起的简历信息”。
(3)将“年龄”字段的数据类型改为“整型”字段大小的数字型。
(4)将学号为“20011001”学生的照片信息换成考生文件夹下的“photo.bmp”图像文件。
(5)将隐藏的“党员否”字段重新显示出来。
(6)完成上述操作后,将“备注”字段删除。
二、简单应用题请在“答题”菜单下选择相应命令,并按照题目要求完成下面的操作,具体要求如下:注意:下面出现的“考生文件夹”均为考试系统安装盘符下的“\K01\29010001”文件夹。
考生文件夹下存在一个数据库文件“samp2.mdb”,里面已经设计好三个关联表对象“tStud”、“tCourse”、“tScore”和一个临时表对象“tTemp”。
试按以下要求完成设计:(1)创建一个查询,按所属院系统计学生的平均年龄,字段显示标题为“院系”和“平均年龄”,所建查询命名为“qT1”。
(2)创建一个查询,查找选课学生的“姓名”和“课程名”两个字段内容,所建查询命名为“qT2”。
(3)创建一个查询,查找有先修课程的课程相关信息,输出其“课程名”和“学分”两个字段内容,所建查询命名为“qT3”。
(4)创建删除查询,将表对象“tTemp”中年龄值高于平均年龄(不含平均年龄)的学生记录删除,所建查询命名为“qT4”。
三、综合应用题请在“答题”菜单下选择相应命令,并按照题目要求完成下面的操作,具体要求如下:注意:下面出现的“考生文件夹”均为考试系统安装盘符下的“\K01\29010001”文件夹。
实验一 SQL Server 2005 的安装和环境介绍一.实验目的与要求:1.掌握SQL Server 2005 服务器的安装方法2.了解SQL Server 2005 的环境3.了解数据库及其对象二.实验准备1.了解SQL Server 2005的版本2.了解SQL Server 2005各版本对硬件和软件的需求三.实验要求1.写出SQL SERVER 2005的功能与特点, 使用方法, 应用状况的报告2.完成SQL SERVER 2005的安装、启动、登录。
四.实验内容1.安装SQL Server 2005实验一 SQL Server 2005 的安装和环境介绍●实验指导——安装SQL Server 20051.根据安装机器软硬件的要求,选择一个合适的版本,以下以开发版为例2.将 SQL Server 2005 DVD 插入 DVD 驱动器。
如果DVD驱动器的自动运行功能无法启动安装程序无法启动安装程序,请导航到 DVD 的根目录然后启动splash.hta。
3.在自动运行的对话框中,单击“运行 SQL Server 安装向导”。
4.在“最终用户许可协议”页上,阅读许可协议,再选中相应的复选框以接受许可条款和条件。
接受许可协议后即可激活“下一步”按钮。
若要继续,请单击“下一步”若要结束安装程序,请单击“取消”。
如下图:5.在“SQL Server 组件更新”页上,安装程序将安装 SQL Server 2005 的必需软件。
有关组件要求的详细信息,请单击该页底部的“帮助”按钮。
若要开始执行组件更新,请单击“安装”。
更新完成之后若要继续,请单击“完成”。
6.在 SQL Server 安装向导的“欢迎”页上,单击“下一步”以继续安装。
7.在“系统配置检查 (SCC)”页上,将扫描安装计算机,以检查是否存在可能妨碍安装程序的条件。
8.在“注册信息”页上的“姓名”和“公司”文本框中,输入相应的信息。
数据库上机实验答案2-2学号:姓名:日期:20 年月日实验目的:练习初步的SQL查询语句,包括:字符串比较、字符串函数等。
实验内容:基于提供的诺基亚N73的淘宝数据表,包括:商品列表Goods,完成如下查询,并回答问题。
要求:(1)输出统计答案;(2)输出查询语句。
1 通配符的练习:用通配符%和_,完成下列问题(1)Goods表中,有多少个商品的名称含有“N73”?2004select count(*)from goods where good_name like'%N73%'(2)Goods表中,有多少个商品的名称以“诺基亚”开头?1102select count(*)from goods where good_name like'诺基亚%'(3)根据商品名称,找出以“诺基亚”开头,且“全国联保”的商品列表。
select*from goods where good_name like'诺基亚%'and good_name like'%全国联保%'(4)找出商品名称中有空格的商品列表。
select*from goods where good_name like'% %'(5)找出商品名称中没有空格的商品列表。
方法1:select*from goods where not good_name like'% %'方法2:select*from goods where good_name not like'% %'方法3:select*from goodsexceptselect*from goods where good_name like'% %'(6)找出商品名称长度为7个字符的商品列表。
select*from goods where good_name like'_______'注:下划线_和连字符-不同(7)找出商品名称长度小于7个字符的商品列表。
附录C 上机实验C.1 第4章上机实验下列实验均使用SQL Server 的SSMS工具实现。
1.用图形化方法创建符合如下条件的数据库(创建数据库的方法可参见本书附录A):●数据库名为:学生数据库●主要数据文件的逻辑文件名为:Students_data,存放在D:\Data文件夹下(若D:盘中无此文件夹,请先建立此文件夹,然后再创建数据库。
),初始大小为:5MB,增长方式为自动增长,每次增加1MB。
●日志文件的逻辑文件名字为:Students_log,也存放在D:\Data文件夹下,初始大小为:2MB,增长方式为自动增长,每次增加10%。
2.选用已建立的“学生数据库”,写出创建满足表C-1到4-4条件的表的SQL语句,并执行所写代码。
(注:“说明”部分不作为表定义内容)表C-1 Student表结构列名说明数据类型约束Sno 学号普通编码定长字符串,长度为7 主键Sname 姓名普通编码定长字符串,长度为10 非空Ssex 性别普通编码定长字符串,长度为2 取值范围:{男,女}Sage 年龄微整型(tinyint)取值范围:15-45Sdept 所在系普通编码不定长字符串,长度为20 默认值为“计算机系”Sid 身份证号普通编码定长字符串,长度为10 取值不重Sdate 入学日期日期默认为系统当前日期列名说明数据类型约束Cno 课程号普通编码定长字符串,长度为10 主键Cname 课程名普通编码不定长字符串,长度为20 非空Credit 学时数整型取值大于0Semester 学分小整型列名说明数据类型约束Sno 学号普通编码定长字符串,长度为7 主键,引用Student的外键Cno 课程号普通编码定长字符串,长度为10 主键,引用Course的外键Grade 成绩小整型取值范围为0-100表C-4 Teacher表结构列名说明数据类型约束Tno 教师号普通编码定长字符串,长度为8 非空Tname 教师名普通编码定长字符串,长度为10 非空Salary 工资定点小数,小数点前4位,小数点后2位3. 写出实现如下功能的SQL语句,并执行所写代码,查看执行结果。
数据库与软件工程上机实验答案第一篇:数据库与软件工程上机实验答案《数据库与软件工程》上机实验答案实验三 SQL语言的DDL3.CREATE TABLE aa(Bb1 VARCHAR(30),Bb2 INT,Bb3 DECIMAL(6,2))4. ALTER TABLE aa ADD Bb4 varchar(20)5.DROP TABLE AA6. CREATE VIEWReaderView(借阅者)ASSELECT DISTINCT 读者编号FROM 借阅7. Drop ViewReaderView。
8.CREATE INDEX INDEX1 ON 读者(姓名 ASC,单位 ASC)CREATE INDEX INDEX3 ON 借阅(借阅日期 DESC)9. DROP INDEX 读者.INDEX1CREATE INDEX INDEX1 ON 读者(姓名 ASC)实验四 SQL语言的DML初步1. CREATE DEFAULT ZEROVALUE AS 0sp_bindefault ZEROVALUE, '图书.借出否'CREATE DEFAULT CURTIME AS getdate()sp_bindefault CURTIME, '借阅.借阅日期'2. CREATE RULE gender_ruleAS@value in('男','女')EXEC sp_bindrule 'gender_rule', '读者.性别'CREATE RULE lenddate_ruleAS@value > '2004-1-1'EXEC sp_bindrule 'lenddate_rule', '借阅.归还日期'3.用INSERT语句对“图书”表插入6条记录INSERT INTO 图书(书号,类别,出版社,作者,书名,定价)VALUES('0001','计算机类','清华出版社','严蔚敏','数据结构', 20.11)INSERT INTO 图书(书号,类别,出版社,作者,书名,定价)VALUES('0002','计算机类','清华出版社','苗雪兰','数据库技术及应用',29.00)INSERT INTO 图书(书号,类别,出版社,作者,书名,定价)VALUES('0003','计算机类','清华出版社','李建中','软件工程',48.00)INSERT INTO 图书(书号,类别,出版社,作者,书名,定价) VALUES('0004','计算机类','电子工业出版社','汤惟','WEB技术',32.00)INSERT INTO 图书(书号,类别,出版社,作者,书名,定价)VALUES('0005','自动化类','机械工业出版社','胡寿松','自动控制原理',52.00)INSERT INTO 图书(书号,类别,出版社,作者,书名,定价)VALUES('0006','自动化类','机械工业出版社','郑大钟','线性控制理论',32.00)用INSERT语句对“读者”表插入4条记录INSERT INTO 读者(读者编号,姓名,单位,性别,电话)VALUES('10001','张三','东华大学','男','67792312')INSERT INTO 读者(读者编号,姓名,单位,性别,电话)VALUES('10002','李四','东华大学','女','67792312')INSERT INTO 读者(读者编号,姓名,单位,性别,电话)VALUES('10003','王五','东华大学','男','67792312')INSERT INTO 读者(读者编号,姓名,单位,性别,电话)VALUES('10004','李明','东华大学','女','67792312')用INSERT语句对“借阅”表插入7条记录INSERT INTO 借阅(书号,读者编号,借阅日期,归还日期)VALUES('0001','10001','2006-04-19 09:58:03','2006-05-19 8:38:23')INSERT INTO 借阅(书号,读者编号,借阅日期,归还日期)VALUES('0006','10002','2006-07-01 15:28:12','2006-07-18 9:14:02')INSERT INTO 借阅(书号,读者编号,借阅日期,归还日期)VALUES('0002','10002','2006-07-01 15:28:30','2006-07-17 19:10:32')INSERT INTO 借阅(书号,读者编号,借阅日期,归还日期)VALUES('0002','10003','2006-07-03 15:28:30','2006-08-09 15:28:30')INSERT INTO 借阅(书号,读者编号,借阅日期,归还日期)VALUES('0004','10002','2007-05-01 11:28:24','2007-08-01 8:09:04')INSERT INTO 借阅(书号,读者编号,借阅日期,归还日期)VALUES('0005','10002','2007-11-01 10:43:12','2007-12-01 14:09:56')INSERT INTO 借阅(书号,读者编号,借阅日期,归还日期)VALUES('0003','10004','2007-12-01 16:06:02','2007-12-29 13:17:09')4. UPDATE 借阅SET 借阅日期='2006-08-03 15:28:30'WHERE 读者编号='10003' AND借阅日期 BETWEEN '2006-07-03' AND '2006-07-04' AND 书号='0002'5. DELETE FROM 借阅WHERE 借阅日期<'2006-06-01'1. SELECT 书号,书名 as 名称,定价 as 价格 FROM 图书WHERE 类别='自动化类'2.方法1:SELECT * FROM 图书WHERE 类别='计算机类'UNIONSELECT * FROM 图书WHERE 出版社='电子工业出版社'方法2:SELECT * FROM 图书WHERE 类别='计算机类' OR 出版社='电子工业出版社'3. SELECT * INTO 计算机图书表 FROM 图书WHERE 类别='计算机类'4. SELECT DISTINCT 读者.* FROM 读者,借阅WHERE 读者.读者编号=借阅.读者编号5. SELECT 读者.读者编号,姓名,单位,图书.书号,书名,借阅日期FROM 读者,借阅,图书WHERE 读者.读者编号=借阅.读者编号AND 图书.书号=借阅.书号6. SELECT 图书.书号,书名,类别,借阅日期 FROM 读者,借阅,图书WHERE 读者.读者编号=借阅.读者编号AND 图书.书号=借阅.书号AND 姓名='张三'ORDER BY 借阅日期 DESC7. SELECT 读者.读者编号,姓名,书名,DATEDIFF(day,借阅日期,归还日期)as 借阅时间FROM 读者,借阅,图书WHERE 读者.读者编号=借阅.读者编号AND 图书.书号=借阅.书号AND DATEDIFF(day,借阅日期,归还日期)>20order by 借阅时间8. SELECT * FROM 读者WHERE NOT EXISTS(SELECT * FROM 图书WHERE 类别='自动化类' and NOT EXISTS(SELECT * FROM 借阅WHERE 读者编号=读者.读者编号 and 书号=图书.书号))1.SELECT 类别,COUNT(*)AS 数量, AVG(定价)AS平均价格,SUM(定价)AS 总价FROM 图书GROUP BY 类别ORDER BY 类别2. SELECT YEAR(借阅日期)as 年份,书号,COUNT(*)AS 借阅次数FROM 借阅GROUP BY YEAR(借阅日期),书号ORDER BY 借阅次数 DESC3. SELECT 读者.读者编号,COUNT(书号)AS 借阅次数 FROM 读者LEFT JOIN(SELECT * FROM 借阅 WHERE 借阅日期 BETWEEN '2006-7-1' AND '2007-10-1')AON 读者.读者编号=A.读者编号GROUP BY 读者.读者编号4. SELECT 读者编号,COUNT(*)AS 次数 FROM 借阅,图书WHERE 借阅.书号=图书.书号 AND 书名='数据库技术及应用'GROUP BY 读者编号ORDER BY 次数 DESC5.方法1:SELECT MAX(次数)AS 最多,MIN(次数)AS 最少,AVG(次数*1.0)AS 平均FROM(SELECT 图书.书号,COUNT(*)AS 次数 FROM 图书,借阅WHERE 图书.书号=借阅.书号 AND 类别='计算机类'GROUP BY 图书.书号)A方法2:SELECT 图书.书号,COUNT(*)*1.0 AS 次数 FROM 图书,借阅WHERE 图书.书号=借阅.书号 AND 类别='计算机类'GROUP BY 图书.书号COMPUTEMAX(COUNT(*)*1.0),MIN(COUNT(*)*1.0),AVG(COUNT(*)*1.0)6. SELECT 类别 FROM 图书GROUP BY 类别HAVING MAX(定价)>=ALL(SELECT 2*AVG(定价)FROM 图书GROUP BY 类别)7. SELECT 书号,书名,定价,出版社 FROM 图书WHERE 类别='计算机类'ORDER BY 出版社 DESCCOMPUTE COUNT(书号)BY 出版社COMPUTE COUNT(书号)实验七存储过程、触发器和数据库恢复1.(1)CREATE PROCEDURE 借阅情况@Readerno VARCHAR(8)ASSELECT 读者.读者编号,姓名,图书.书号,书名,借阅日期, 借出否AS 归还否FROM 读者,借阅,图书WHERE 读者.读者编号=借阅.读者编号AND 图书.书号=借阅.书号AND 读者.读者编号=@ReadernoEXEC 借阅情况‘10004’(2)CREATE PROCEDURE 借出情况@Bookno VARCHAR(10)ASSELECT 书名,姓名,借阅日期,归还日期FROM 读者,借阅,图书WHERE 读者.读者编号=借阅.读者编号AND 图书.书号=借阅.书号AND 图书.书号=@BooknoEXEC 借出情况 '0004'2.CREATE TRIGGER lendbookinsert ON 借阅FOR INSERTASIF(SELECT 借出否 FROM 图书 WHERE 书号 IN(SELECT 书号 FROM INSERTED))=1BEGINPRINT '该书已经借出'ROLLBACK TRANSACTIONENDELSEBEGINUPDATE 图书SET 借出否=1WHERE 书号 IN(SELECT 书号 FROM INSERTED)END第二篇:数据库上机实验(二)数据库上机实验内容及要求(第二部分)1.建立工厂管理数据库工厂(包括厂名和厂长名)需要建立一个管理数据库存储以下信息:(1)一个厂内有多个车间,每个车间有车间号、车间主任姓名、地址和联系电话;(2)一个车间有多个工人,每个工人有职工号、姓名、年龄、性别和工种;(3)一个车间生产多种产品,产品有产品号和价格;每种产品只能由一个车间生产;(4)一个车间制造多种零件,一种零件也可能为多个车间制造。
上机实验题7相关知识:第14章。
目的:通过本实验,掌握使用函数和存储过程的设计和使用方法。
实验内容:编写满足如下各功能的程序:(1)在Library数据库中创建一个标量值函数Sum(n),求1+2+…+n之和。
并用相关数据进行测试。
(2)在Library数据库中创建一个内联表值函数nbook,返回指定系的学号、姓名、班号、所借图书名和借书日期。
并用相关数据进行测试。
(3)在Library数据库中创建一个多语句表值函数pbook,返回系名和该系所有学生所借图书的平均价格。
并用相关数据进行测试。
(4)设计一个存储过程,查询每种图书品种的数目。
并用相关数据进行测试。
(5)设计一个存储过程,采用模糊查询方式查找借阅指定书名的学生,输出学号、姓名、班号和书名。
并用相关数据进行测试。
设计过程:(1)对应的参考程序如下:USE LibraryGOIF EXISTS(SELECT * FROM sysobjectsWHERE name='Sum' AND type='FN') --如果存在这样的函数则删除之 DROP FUNCTION SumGOCREATE FUNCTION Sum(@n int) --输入参数RETURNS intASBEGINDECLARE @s int,@i intSET @s=0SET @i=1WHILE @i<=@nBEGINSET @s=@s+@iSET @i=@i+1ENDRETURN(@s)ENDGOPRINT '1+2+...+60='+CAST(dbo.Sum(60) AS char(10))GO(2)对应的参考程序如下:USE LibraryGOIF EXISTS(SELECT * FROM sysobjects --如果存在这样的函数则删除之WHERE name='nbook' AND (type='IF' OR type ='TF'))DROP FUNCTION nbookGOCREATE FUNCTION nbook(@dname char(16))--建立函数nbookRETURNS TABLE --返回表,没有指定表结构,这是内联表值函数的特征ASRETURN(SELECT s.学号,s.姓名,s.班号,b.图书名,bor.借书日期FROM student s,depart sc,borrow bor,book bWHERE s.班号=sc.班号 AND s.学号=bor.学号 AND b.图书编号=bor.图书编号 AND sc.系名=@dname)GOSELECT *FROM nbook('计算机系')ORDER BY 学号GO(3)对应的参考程序如下:USE LibraryGOIF EXISTS(SELECT * FROM sysobjects --如果存在这样的函数则删除之WHERE name='pbook' AND (type='IF' OR type ='TF'))DROP FUNCTION pbookGOCREATE FUNCTION pbook() --建立函数pbookRETURNS @st TABLE(系名 char(16),平均价格 decimal(4,1))ASBEGININSERT @st --向@st中插入满足条件的记录SELECT sc.系名 AS '系名',AVG(b.定价) AS '平均价格'FROM depart sc,student s,book b,borrow borWHERE s.班号=sc.班号 AND s.学号=bor.学号 AND b.图书编号=bor.图书编号GROUP BY sc.系名RETURNENDGOSELECT * FROM pbook()GO(4)对应的参考程序如下:USE LibraryGO--若存在存储过程proc1,则删除之IF EXISTS(SELECT * FROM sysobjects WHERE name='proc1'AND type='P')DROP PROCEDURE proc1GO--创建存储过程proc1CREATE PROCEDURE proc1ASSELECT 图书名 AS '书名',COUNT(*) AS '数目'FROM bookGROUP BY 图书名GOEXEC proc1(5)对应的参考程序如下:USE LibraryGO--若存在存储过程proc2,则删除之IF EXISTS(SELECT * FROM sysobjects WHERE name='proc2' AND type='P')DROP PROCEDURE proc2GO--创建存储过程proc2CREATE PROCEDURE proc2(@bn char(16))ASDECLARE @pt char(16)SET @pt='%'+RTRIM(@bn)+'%'SELECT s.学号,s.姓名,s.班号,b.图书名FROM student s,book b,borrow borWHERE s.学号=bor.学号 AND b.图书编号=bor.图书编号AND b.图书名 LIKE @ptORDER BY s.班号GOEXEC proc2 '数'上机实验题8相关知识:第15章。
试用SQL的查询语句表达下列查询:1.检索王丽同学所学课程的课程号和课程名。
select Cno ,Cname from c where Cno in(select cno from sc where sno in (select sno from s where sname='王丽' ))2.检索年龄大于23岁的男学生的学号和姓名。
select sno,sname from swhere sex='男' and age>233.检索‘c01’课程中一门课程的女学生姓名select sname from swhere sex='女' and sno in(select sno from sc where cno='c01')4.检索s01同学不学的课程的课程号。
select cno from cwhere cno not in (select cno from sc where sno ='s01')5.检索至少选修两门课程的学生学号。
select sc.sno from s,scwhere s.sno=sc.snogroup by sc.snohaving count(o)>=26.每个学生选修的课程门数。
解法一:select so.sno sno,ount,s.snamefrom(select sc.sno sno,count(sc.sno) ccountfrom sc,swhere s.sno=sc.snogroup by sc.sno ) so,swhere s.sno=so.sno解法二:select sc.sno sno,s.sname,count(sc.sno) ccountfrom sc,swhere s.sno=sc.snogroup by sc.sno,sname7.求选修C4课程的学生的平均分。
select avg(grade) 'c04平均成绩'from scwhere cno='c04'8.求每个学生平均成绩。
select s.sno,s.sname,avg(sc.grade) '平均成绩'from sc,swhere s.sno=sc.snogroup by s.sno,s.sname9.统计每门课程的学生选修人数(超过3人的课程才统计)。
询结果按人数降序排列,若人数相同,按课程号升序排列。
select o,ame,count(o) numberfrom c,scwhere o=ogroup by o,o,amehaving count(*)>3order by number desc,o10.检索学号比王丽同学大,而年龄比他小的学生姓名。
select sno,sname from swhere sno>(select sno from s where sname='王丽') andage<(select age from s where sname ='王丽')11.检索姓名以王打头的所有学生的姓名和年龄。
select sname,age from swhere sname like '王%'12.在SC中检索成绩为空值的学生学号和课程号。
select sno,cno from scwhere grade is NULL13.输出c01 课程的成绩单,要求成绩按从高到低排序。
select sname,grade 'c01成绩' from sc,swhere s.sno=sc.sno and cno='c01'order by grade desc14.查询姓名为‘X国X’同学。
select sname from swhere sname like '_国_'15.查询没有选修c02,c03,c04的同学的学号。
select snofrom swhere not exists(select snofrom scwhere s.sno=sc.sno and cno in('c02','c03','c04'))16.查询没有参加考试的同学的学号。
select snofrom swhere exists(select *from scwhere s.sno=sc.sno and grade is null)17.检索计算机系开课程的课程号和课程名。
select cno,cname from cwhere dept in(select dept from d where dname='计算机')18.检索至少选修计算机系所开课程2门以上的女学生姓名select snamefrom s,sc,c,dwhere s.sex='女'and s.sno=sc.sno and o=o and dname='计算机' and d.dept=c.deptgroup by snamehaving count(s.sno)>219.检索王丽同学不学的课程的课程号。
select cno from c where cno not in(select cno from sc where sno in (select sno from s where sname='王丽'))20.检索选修计算机系所开全部课程的学生的学号与姓名。
select s.sno,snamefrom s,sc,c,dwhere s.sno=sc.sno and o=o and d.dname='计算机' and d.dept=c.dept group by sname,s.sno21.检索选修C语言且成绩大于80分的计算机系的学生的姓名与学号。
select sname,s.snofrom sc,s,d,cwhere dname='计算机' and s.dept=d.dept and ame='C语言' and o=o and s.sno=sc.sno and sc.grade>8022.查询选修3门以上课程且平均成绩大于80的学生的学号、姓名、所在系名。
select s.sno,sname,dname from sc,s,d where s.sno=sc.sno and s.dept=d.dept group by s.sno,sname,dnamehaving count(cno)>3 and avg(sc.grade)>8023.求计算机系所开课程的每门课程的学生平均成绩,按平均成绩从高到低排序输出。
select o,avg(sc.grade)from sc, d,cwhere d.dname='计算机' and o=o and c.dept=d.deptgroup by oorder by avg(sc.grade) desc24.检索缺考2门以上的学生姓名。
select s.snamefrom s,scwhere s.sno=sc.sno and sc.grade is nullgroup by snamehaving count (*)>225.检索缺考或不及格们数3门以上的学生学号和姓名。
select distinct s.sno,s.snamefrom s,scwhere s.sno=sc.sno and (sc.grade<60 or sc.grade is null) and s.sname in( select s.snamefrom s,scwhere s.sno=sc.sno and (sc.grade<60 or sc.grade is null) and s.sname in( select s.snamefrom s,scwhere s.sno=sc.sno and (sc.grade<60 or sc.grade is null)group by s.snamehaving count (*)>3))26.检索每个学生的总学分select s.sno,sum(c.credit) '总学分'from s,c,scwhere s.sno=sc.sno and o=ogroup by s.sno27.查询既选修了‘数据库’又选修了‘操作系统’的学生的姓名及学号from s,sc,cwhere ame='数据库'and s.sno=sc.sno and o=o and s.sno in( select s.snofrom s,sc,cwhere ame='操作系统'and s.sno=sc.sno and o=o)28.查询即没有选修‘数据库’又没有选修‘操作系统’的学生的姓名及学号。
select sname,s.snofrom s,sc,cwhere s.sno=sc.sno and o=o and s.sno not in(select s.snofrom s,sc,cwhere ame='操作系统'and s.sno=sc.sno and o=o or s.sno in( select s.snofrom s,sc,cwhere ame='数据库'and s.sno=sc.sno and o=o))。