沉淀池施工技术交底
- 格式:doc
- 大小:26.50 KB
- 文档页数:2
沉淀池施工技术交底.pdf【模板1:正式风格】本文档详细介绍了沉淀池施工技术交底,旨在确保施工过程准确无误。
请所有相关人员仔细阅读并按照此文档的要求进行操作。
1. 施工前准备1.1 确定施工区域并进行必要的标识和隔离措施。
1.2 检查施工现场的地面平整度和其他安全因素。
1.3 准备所需的工具和材料,并进行必要的检查和维护。
2. 沉淀池施工步骤2.1 清理施工区域,包括清除垃圾和杂草。
2.2 进行基础工作,包括地面的平整和混凝土基底的浇筑。
2.3 安装沉淀池的预制结构,确保结构的稳定性和密封性。
2.4 进行管道连接和排水系统的设置。
2.5 进行沉淀池的防水处理,并对其进行必要的测试和检查。
2.6 进行沉淀池的保护层施工,以保证其长期使用的稳定性。
2.7 进行最终测试和调整,确保沉淀池的运行正常。
3. 安全注意事项3.1 在施工过程中,所有人员必须正确使用个人防护装备。
3.2 遵守所有相关的安全规定和标准。
3.3 防止施工现场发生火灾、漏电等安全事故。
3.4 定期检查施工现场的安全状况,并进行必要的整改和改进。
4. 管理和监控4.1 指定专人负责施工过程的管理和监控。
4.2 设立临时施工现场的管理制度,包括进出登记、材料消耗记录等。
4.3 定期组织工作会议,评估施工进展情况,并及时解决问题与困难。
附件:1. 沉淀池施工图纸2. 沉淀池施工工艺流程图法律名词及注释:1. 施工区域: 指待施工的具体位置或区域,一般由相关部门确定。
2. 防水处理: 为了防止水渗漏或渗透,采取的对建筑物或构筑物进行封堵或涂层处理的措施。
3. 个人防护装备: 指为了保护个人安全而佩戴或使用的各种器材或装置,如安全帽、防护眼镜等。
【模板2:活泼风格】这份文档是关于沉淀池施工技术交底的,啦啦啦~为了确保施工过程的顺利进行,我们可要认真读哦!1. 施工前准备1.1 找好位置施工啦,别乱施工哦!还要设好标识,做好隔离措施。
1.2 平整地面咯,可别塌了哦!还要考虑其他安全因素哦。
沉井施工安全技术交底安全技术交底内容:1.一般规定(1)施工前应根据设计文件、工程地质、水文地质和现场环境等状况,编制施工组织设计,确定沉井的施工方法、程序和防人员坠入、落物打击、防溺水等安全技术措施。
(2)施工现场位于河滩时,宜在枯水季节施工。
需在雨期施工时,施工前应对洪汛、河床冲刷、漂流物等情况进行检查,制定防汛和相应的安全技术措施。
(3)井下作业应穿胶靴,带水作业应穿防水衣裤。
寒冷时应穿防寒服、保暖衣裤。
(4)夜班作业井内外应有充足的照明,井内应采用不得与12V的照明。
(5)电气设备接线与拆卸必须由电工操作并应遵守《施工现场临时用电安全技术规范》(JGJ 46)的有关规定。
(6)下井前和作业中,应检测空气质量,确认合格后方可作业。
2。
沉井作业(1)沉井制作场地应符合下列规定:1)在旱地制作沉井时,遇有地基松软应进行处理,且基底应在地下动水位1。
5m以上。
2)在浅水或可能淹没的旱地、浅滩,应筑岛制作沉井。
3)筑岛应符合下列要求:①筑岛标高应较施工期间最高水位高70cm以上;②筑岛的平面尺寸应满足沉井制作和抽垫等施工要求;③沉井周围应设2m以上的护道;④筑岛材料应采用透水性好、易于压实、无大颗粒的砂石或大块的碎砖、石等;⑤筑岛应考虑水流冲刷对岛体稳定性的影响,必要时应采取加固措施.(2)沉井制作场地应坚实、平整。
制作前应检查、验收,确认合格,并形成文件。
(3)分节预制时,沉井预制高度应保证其稳定性和依靠自身重力能克服周边摩阻顺利下沉的需要.底节沉井的最小高度应确保在拆除垫木后,能满足其竖向挠曲强度的要求。
(4)制作沉井时,应同步完成施工设计规定的梯道或直爬梯预埋件的安设。
梯道应符合下列规定:1)梯道宜使用钢材焊接,钢材不得腐蚀、断裂、变形。
2)梯道宽度不宜小于70cm;坡道不宜陡于50°;休息平台面积不宜小于1.5m2;踏板每步不宜大于25cm;严禁使用钢筋做踏板。
3)梯道临边侧必须设防护栏杆.(5)模板、钢筋、混凝土施工应遵守下述4。
污水沉淀池清淤工程技术交底记录1. 背景和目的该文档记录了污水沉淀池清淤工程的技术交底内容。
清淤工程旨在清除沉淀池中积聚的污泥和杂质,保证污水处理系统的正常运行和环境保护。
2. 工程范围本次清淤工程涉及污水处理厂的污水沉淀池。
主要任务包括清除沉积物、修复混凝土结构,使污水沉淀池的污水处理效果得到改善。
3. 清淤方法为了有效清除沉积物,本次工程将采用以下清淤方法:- 机械清淤:使用适当的挖掘机和清淤设备,将沉积在污水沉淀池底部的污泥和杂质进行清除。
- 抽水清淤:通过泵站将污水沉淀池中的水抽出,以便更方便地清除沉积物。
- 水平吸取清淤:使用水平吸口设备,将污水沉淀池底部的沉积物抽取并输送至处理区域。
4. 清淤工期与安全措施清淤工程预计将在15天内完成。
为确保施工期间的安全,以下安全措施将被采取:- 施工现场将设立警示标志,提醒工人和周边人员注意安全。
- 所有工人将配备个人防护装备,包括安全帽、防护服和手套等。
- 施工期间将遵守所有相关安全规定和操作规程。
5. 质量控制为保证清淤工程的质量,以下控制措施将被实施:- 严格按照设计图纸和技术规范进行施工。
- 对清除沉积物的深度和清理效果进行严格检测和评估。
- 定期检查施工设备的运行状态和维护情况。
- 进行施工期间的工程质量记录。
6. 环境保护本工程将注重环境保护,采取以下措施:- 施工期间避免对周围环境和生态造成污染。
- 对清除的污泥和杂质将进行妥善处理,避免二次污染。
7. 责任分工清淤工程的责任分工如下:- 项目经理负责工程的组织和协调。
- 施工队将实施具体的清淤工作。
- 监理工程师将监督施工过程,并进行质量检查和记录。
8. 技术交底清淤工程的技术交底将包括以下内容:- 工程范围与目标- 清淤方法和工期安排- 安全措施和质量控制措施- 环境保护措施- 责任分工和工程组织以上内容为污水沉淀池清淤工程技术交底记录的基本框架。
我们将在施工过程中严格遵守相关要求,确保工程的顺利进行和质量的保证。
一、交底目的为确保沉淀池施工过程中人员安全和工程顺利进行,特进行安全技术交底。
二、施工范围及内容1. 施工范围:本次安全技术交底适用于沉淀池的施工、安装及调试阶段。
2. 施工内容:(1)沉淀池基础施工;(2)池体结构施工;(3)池内设备安装;(4)调试及验收。
三、安全技术要求1. 人员安全(1)所有施工人员必须经过专业培训,取得相关操作证书后方可上岗。
(2)施工人员应严格遵守操作规程,不得违章作业。
(3)施工现场应配备必要的安全防护设施,如安全帽、安全带、防护眼镜等。
2. 施工安全(1)施工现场应设立安全警示标志,明确警示区域。
(2)施工前,应进行现场勘查,了解施工环境,确保施工安全。
(3)施工过程中,应严格执行以下规定:a. 施工用电:严格执行施工现场临时用电规范,确保用电安全。
b. 施工高空作业:必须使用安全带,并采取防护措施。
c. 施工起重吊装:严格按照起重吊装规程操作,确保吊装安全。
d. 施工临时用电、脚手架搭拆、物料提升机、塔吊、外用电梯、起重吊装等工程,必须有专项施工方案,并经公司总工程师、总监签字盖章后方可实施。
3. 质量安全(1)施工过程中,严格按照设计图纸和施工规范进行施工。
(2)施工过程中,加强材料检验,确保工程质量。
(3)施工完成后,进行质量验收,确保工程质量符合要求。
四、应急预案1. 施工现场发生安全事故,应立即启动应急预案,迅速组织救援。
2. 应急预案内容包括:事故报告、救援措施、现场处置、事故调查等。
3. 施工现场应配备必要的安全器材,如灭火器、急救箱等。
五、交底记录1. 施工单位应将安全技术交底内容记录在案,并报相关部门备案。
2. 施工单位应定期对安全技术交底进行复查,确保交底内容的实施。
六、交底时间及地点1. 交底时间:根据施工进度安排,提前一周进行安全技术交底。
2. 交底地点:施工现场会议室。
七、其他事项1. 施工单位应加强对施工人员的安全教育,提高安全意识。
2. 施工单位应严格按照施工规范进行施工,确保工程质量。
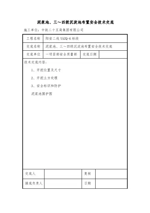
泥浆池、三~四级沉淀池布置安全技术交底施工单位:中铁二十五局集团有限公司工程名称阳安二线YAZQ-6标段交底名称泥浆池、三~四级沉淀池布置安全技术交底交底单位一项目部安全质量部交底日期技术交底内容:1、开挖位置及尺寸2、开挖土方处理3、安全标识和防护泥浆池围护图交底人复核接底负责人日期泥浆池布置安全技术交底1、开挖位置及尺寸泥浆池开挖位置选择在两墩台中间,相对远离便道一侧。
尺寸结合每个钻孔桩的混凝土工程量及现场确定,一般采用400cm(底宽)×600cm(底长)×250cm(深),开挖坡度1:1.2,既满足泥浆的循环和储存使用,又能满足坑壁的稳定之用。
泥浆池600cm长按线路方向布置。
三~四级沉淀池在拌合站隧道口选择合适位置设置。
建议:各隧道、桥涵、拌合站在条件具备的情况下,可根据自身情况增加更多级沉淀池,确保进入河道或排出沉淀池的水是清澈的。
2、开挖土方处理泥浆池、三~四级沉淀池开挖过程中,开挖土方应随挖随运,始终保持现场的干净、整洁、利落。
如因场地限制或弃运土确实困难时,也应将开挖土堆放成梯形,做到有棱有形,整齐划一,并采用绿色网覆盖。
3、安全标识和防护泥浆池、三~四级沉淀池挖好后应立即进行维护并挂明显的标志牌。
泥浆池、三~四级沉淀池采用红白相间的钢管进行围护。
竖管到泥浆池、三~四级沉淀池边的距离为50cm,竖管长150 cm,埋入地面以下50 cm,露出地面100 cm。
距地面40 cm开始安装第一道横管,第二道横管距离第一道横管50 cm。
防护栏杆的顶面应保持高度一致,周边用绿色密目网进行封闭。
泥浆池、三~四级沉淀池标识牌宽40cm 高30cm 。
泥浆池、三~四级沉淀池围护及标识牌见下图:泥浆池、三~四级沉淀池围护图 (单位:cm )护栏效果图地面线红色白色安全标识牌规格:长400mm×宽300mm (注:单位:mm 蓝底白字)请各单位以此为准,在施工之前完成所有泥浆池、三~四级沉淀池的规范管理工作。
一、交底目的为确保三级沉淀池施工过程中的安全,防止安全事故发生,提高施工人员的安全意识和操作技能,特进行安全技术交底。
二、交底对象全体参与三级沉淀池施工的施工人员、管理人员、监理人员。
三、交底内容1. 安全生产责任制1.1 项目部必须认真执行建设部JGJ59-99《建筑施工安全检查标准》以及当地城建部门的有关安全规定、公司安全管理制度。
1.2 项目开工前,项目经理必须按要求落实专职安全员(1万平方米以上的2名,5万平方米以上的要按专业设置专职安全员并组成安全管理领导小组)。
1.3 项目开工前,项目经理必须跟公司签订安全生产目标管理责任制。
项目经理跟班组长、班组长跟职工签订安全生产目标管理责任制。
1.4 要经常组织项目部管理人员认真学习各项安全技术规范、安全检查标准、企业管理办法,特别是施工安全强制性条文。
2. 施工安全措施2.1 施工组织设计、打桩、基坑围护及土方开挖、钢制卸料平台、模板工程、施工临时用电、脚手架搭拆工程、物料提升机、塔吊、外用电梯、起重吊装等工程必须有专项施工方案,并经公司总工程师、总监签字盖章后才可实施。
2.2 凡高度超过8米,或跨度超过18米,或施工总荷载大于10KN/M²或集中线荷载大于15KN/米的承重支撑架,严禁使用扣件式钢管支撑体系,应采用钢柱、钢托架或钢管门型架的组合支撑体系,以保证其有足够的强度、刚度和稳定性。
2.3 所有承重支撑架检查合格后,方可进行施工。
3. 三级沉淀池施工具体要求3.1 施工前,必须对施工人员进行技术交底,明确施工流程、安全措施及注意事项。
3.2 施工过程中,必须严格按照设计图纸、施工方案和操作规程进行施工。
3.3 施工现场应设置安全警示标志,提醒施工人员注意安全。
3.4 施工人员必须佩戴安全帽、安全带等个人防护用品。
3.5 施工过程中,应加强现场安全管理,防止发生安全事故。
4. 应急处理4.1 发生安全事故时,应立即停止施工,启动应急预案,组织人员进行救援。
沉淀池工程施工资料范本一、前言沉淀池是污水处理工程中重要的单元,用于处理污水中的悬浮物和污泥。
在建设沉淀池工程时,需要严格按照设计要求进行施工,确保沉淀池能够正常运行并达到预期的处理效果。
本文将对沉淀池工程施工所需的资料进行详细介绍,以便施工单位做好相关准备工作。
二、施工前准备1. 施工单位应准备齐全相关的施工资料,包括但不限于设计文件、施工图纸、施工方案、施工规范等。
2. 施工单位应根据设计要求制定施工计划,并按照施工计划安排施工人员和施工设备。
3. 施工单位应组织好施工人员进行技术交底,确保施工人员熟悉沉淀池工程的施工要求和安全注意事项。
4. 施工单位应对施工现场进行认真的检查和踏勘,做好施工现场的准备工作。
5. 施工单位应购买好所需的施工材料和设备,并对施工材料和设备进行检查和验收。
6. 施工单位应按照相关法规要求和设计要求办理相关手续,确保施工合法合规。
三、施工所需资料1. 设计文件:包括沉淀池的设计说明、主要设计参数、处理工艺流程、设备布置图纸等。
2. 施工图纸:包括沉淀池的平面图、立面图、剖面图、管道布置图等。
3. 施工方案:包括施工步骤、工艺流程、安全措施、质量要求等。
4. 施工规范:包括沉淀池施工的相关规范和标准,如《建筑施工标准规范》、《污水处理工程施工规范》等。
5. 施工合同:包括施工单位与业主之间签订的工程施工合同,约定双方的权利和义务。
6. 环评文件:包括沉淀池工程的环境影响评价报告、环境保护方案等。
7. 安全生产文件:包括沉淀池工程的安全生产计划、安全生产手册、应急预案等。
8. 质量验收文件:包括施工单位自检报告、第三方质量检测报告、竣工验收报告等。
9. 现场施工记录:包括施工单位的现场勘查记录、施工进度记录、质量检查记录等。
10. 施工人员资格证书:包括施工单位人员的相关职业资格证书、技术等级证书等。
四、施工要点1. 施工单位应按照设计要求进行沉淀池的施工,确保沉淀池的结构、尺寸和材料符合设计要求。
沉淀池施工技术交底【1】单位:交底内容:一、适用范围客专项目部沉淀池。
二、施工技术要求拌和站沉淀池的尺寸应根据施工排水量的大小确定并结合拌和站场地布置情况合理安排。
施工工艺:场地平整、测量放样,沉淀池开挖,沉淀池砌筑。
(1)场地平整:使用挖掘机平整场地,确保场内无杂物。
(2)测量放样:使用全站仪测量放样出沉淀池的准确位置。
(3)沉淀池开挖:使用挖掘机开挖沉淀池,开挖深度为2.0 m,长20m,宽5m。
(4)沉淀池砌体:沉淀池为四级沉淀池,采用24墙砖砌,按水流方向梯级布置,基底夯实后底部砖砌厚37cm,M10砂浆抹面,一级沉淀长度为12m,剩余均为长*宽=3*5m隔墙设置泄水孔,尺寸为φ200PVC管。
池内墙全部用M10砂浆抹面封闭。
(5)栏杆设置:沉淀池四周围设1米高栏杆,并且悬挂警示标志。
沉淀池通过排水沟与集水井连通,将水集中处理后通过集水井之后方可排入指定区域水沟内,具体尺寸见沉淀池布置图。
(6) 主要对清洗搅拌机和生活污水沉淀。
三、附图:四级沉淀池设计图四、质量验收标准(1)浆砌强度达到要求,坡度严格控制,不允许出现反坡现象。
(2)砌体灰缝砂浆应密实饱满,砖墙水平灰缝的砂浆饱满度不得低于80%。
(3)砖砌体的灰缝应横平竖直,厚薄均匀,水平灰缝厚度及竖向灰缝宽度宜为10mm,但不应小于8mm,也不应该大于12mm。
五、安全注意事项(1)所有操作人员均需佩戴施工安全劳保用品。
(2)非施工人员不得进入施工现场。
(3)穿拖鞋,赤脚、赤膊不准进入施工现场。
(4)酒后不准上班。
六、文明施工(1)各项临时设施因地制宜,布局合理,整齐有序,安全卫生(2)做到工完料尽,场地恢复平整。
七、环保要求注意作好废弃材料的清理,及场内排水,做到规划布局合理,不污染环境,达到施工管理标准化要求。
料仓隔墙采用现浇混凝土结构,墙高3m,墙厚0.5m,墙长32m。
附图:交底人:复核人:接底人:日期:。
沉淀池施工技术交底一、工程概述本次沉淀池施工工程位于_____,主要用于_____。
沉淀池的设计规模为_____,结构形式为_____。
为确保沉淀池施工质量和安全,特进行本次技术交底。
二、施工准备1、技术准备熟悉施工图纸和相关规范,明确沉淀池的结构尺寸、施工工艺和质量要求。
进行施工技术交底,将施工要点和注意事项传达给施工人员。
2、材料准备准备好所需的钢筋、水泥、砂、石等原材料,并确保其质量符合要求。
对原材料进行检验和试验,出具相应的报告。
3、施工机具准备配备搅拌机、起重机、电焊机、振捣器等施工机具,并确保其性能良好。
对施工机具进行定期维护和保养。
4、现场准备平整施工场地,设置排水系统,保证场地内不积水。
搭建临时设施,如仓库、休息室等。
三、施工工艺流程1、测量放线根据设计图纸,使用全站仪或经纬仪进行测量放线,确定沉淀池的位置和尺寸。
设置控制桩和水准点,以便在施工过程中进行测量和复核。
2、基坑开挖按照设计要求和施工方案进行基坑开挖,采用机械开挖和人工清底相结合的方式。
控制基坑的开挖深度和坡度,避免超挖和塌方。
在基坑底部设置排水沟和集水井,及时排除积水。
3、基础处理对基坑底部进行平整和夯实,确保基础的承载力符合要求。
如遇软弱地基,需进行地基处理,如换填、打桩等。
4、钢筋工程按照设计图纸进行钢筋的加工和制作,确保钢筋的规格、型号、长度和数量符合要求。
钢筋的连接采用焊接或绑扎,焊接质量应符合规范要求,绑扎牢固。
在钢筋安装过程中,设置好保护层垫块,确保钢筋的保护层厚度符合要求。
5、模板工程选用合适的模板材料,如钢模板、木模板等,并确保模板的强度和刚度符合要求。
按照设计图纸进行模板的安装,保证模板的位置、尺寸和垂直度准确无误。
模板的拼接严密,不漏浆,在模板安装完成后,进行检查和验收。
6、混凝土工程混凝土采用商品混凝土,在浇筑前,检查混凝土的配合比和坍落度。
混凝土的浇筑采用分层浇筑、分层振捣的方式,振捣密实,避免出现蜂窝麻面等质量问题。
三级沉淀池施工技术交底范本1:三级沉淀池施工技术交底一、施工原则1.1 施工目标1.2 施工需求1.3 施工限制1.4 施工步骤二、施工准备工作2.1 现场勘测与定位2.2 施工图纸分析2.3 设备和材料准备2.4 施工人员培训和安全措施三、施工步骤3.1 基础处理3.1.1 地面平整与清理3.1.2 基础坑挖掘3.1.3 墙体加固3.2 涂料施工3.2.1 底漆施工3.2.2 防水涂料施工3.2.3 耐久性涂料施工3.3 设备安装3.3.1 泵浦安装3.3.2 进水管路安装3.3.3 排水管路安装3.4 运行测试与调试3.4.1 机电设备测试3.4.2 液体流动测试3.4.3 过载测试3.5 安全措施与交底3.5.1 施工现场安全3.5.2 设备操作与维护3.5.3 紧急情况处理四、施工注意事项4.1 施工质量控制4.2 施工进度控制4.3 施工安全控制4.4 施工环境保护附件:1. 设备清单2. 施工图纸3. 安全交底记录4. 质量检验报告法律名词及注释:1. 施工合同:双方约定的施工工作的法律约束文件。
2. 施工许可证:取得施工许可的企业才能进行施工的证件。
3. 质量保证书:承包商对施工质量进行保证的文件。
范本2:三级沉淀池施工技术交底一、施工原则1.1 施工目标与要求1.2 施工条件与限制1.3 施工步骤与安排1.4 施工质量与进度控制二、施工准备2.1 现场勘测与设计分析2.2 施工图纸制作与审核2.3 材料设备准备2.4 施工人员培训与安全措施三、施工过程3.1 地面处理与基础施工3.1.1 地面平整与清理3.1.2 基坑挖掘与支护3.1.3 基础施工与加固3.2 结构施工与防水处理3.2.1 结构构件安装3.2.2 防水涂料施工与检测3.2.3 维修与加固处理3.3 设备安装与调试3.3.1 泵浦与管路安装3.3.2 进出水口配置与调试3.3.3 自动控制系统安装与调试3.4 施工测试与运行3.4.1 设备运行测试与检验3.4.2 系统运行测试与调节3.4.3 运行数据采集与报告3.5 安全生产与交底3.5.1 施工现场安全控制3.5.2 设备使用与维护交底3.5.3 突发事故应急处理四、施工注意事项4.1 施工质量控制与验收4.2 施工进度控制与管理4.3 施工安全控制与监测4.4 施工环境保护与修复附件:1. 设计图纸与技术说明书2. 施工设备清单3. 质量检测报告与验收记录4. 安全交底记录与应急预案法律名词及注释:1. 施工合同:施工双方签订的合同文件,明确双方权利义务。