mapgis系列标准图框的校正
- 格式:docx
- 大小:75.23 KB
- 文档页数:3
误差校正的操作在实用服务/误差校正,如下图:单击误差校正,弹出如下图:选择文件/打开文件,此处已系统自带例子为例,如下图;误差校正有三个难点;1 在文件/打开控制点,此处如果第一次进行误差校正,需要打开控制点,此时也支持新建控制点,给控制点起个名字,然后保存。
2 要分清楚理论值和实际值,理论值指图形应该在的位置,实际值是指图形现在在的位置。
如果你想把a图校到b图上,a图较实际值,也就是它现在在的位置;b图叫理论值即a 图应该在的位置。
3 采集搜索范围的设置,是根据实际情况设置的,原则是在理论值的参与校正点的某个点在采集搜索范围内只能有一个点参与校正。
误差校正的原理就是计算机根据采集的实际值的控制点与理论值的相应控制点计算出一个平均的偏移系说,参与校正的点越多校正的就越准确,理论上三个点确定一个平面,但是实际上参与校正的点至少四个。
由于校正的情况不一样,所以方法也不同,如果你手头上有两幅具有共同点的矢量图,只是比例尺或其他因素造成的不能套和在一起,就用下面的方法,前提是两幅图上必须有相同的同名点,比如a上有c 点,b图上也有c点。
下面介绍具体的校正步骤:1文件/打开控制点,如下图:选择打开控制点,如下图:此时如果是第一次校正,给控制点起名,然后打开,如果以前有控制点可以将其打开进行编辑。
单击打开,弹出如下对话框:单击是,将控制点保存。
2 控制点/设置空制点参数,如下图;3控制点/选择采集文件,如下;本例子标准线文件是理论值,方里网是实际值,我就是想通过误差校正将其他的点线面校到标准线文件框里。
4 添加校正控制点在方里网(实际值)上选择四个点,如下图;选择是,系统自动添加控制点编号,依次采集其他点。
5控制点/设置空制点参数此时选择理论值。
6控制点/选择采集文件,如下7控制点/添加校正控制点在标准线文件(理论值)上添加与实际值相应的控制点,此时要人工修该控制点号,如下图:依次添加相应的控制点并该好控制点号。
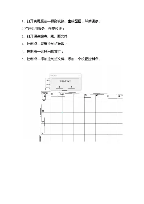
1、打开实用服务—投影变换,生成图框,然后保存;2打开实用服务—误差校正;
3、打开保存的点、线、面文件;
4、控制点—设置控制点参数;
4、控制点—选择采集文件;
5、控制点—添加控制点文件,添加一个校正控制点,
然后修改控制点文件,输入控制点的理论值(一般X为经度对应的大地坐标值,Y为纬度对应的大地坐标值),
以此类推,输入另外的三个(或更多),然后保存。
6、数据校正—图形参数参与校正这个勾选;
7、控制点—编辑校正控制点,浏览值,看是否对
然后点击校正,点击确定,最后刷新页面,即可!然后保存文件!校正完成!。
MAPGIS的图像校正处理㈠采用PhotoShop预处理图像1.将实验数据复制,粘贴至各自文件夹内。
2.双击桌面上的PhotoShop快捷图标,启动PhotoShop。
3.在PhotoShop“文件”下拉菜单中,选择“打开”命令,通过浏览方式将“南河镇地形地质图-1”载入PhotoS hop程序。
注意此图像文件格式是什么?图像质量如何?4.通过“图像”菜单的“画布大小”命令打开“画布大小”对话框,如图2-1所示。
定位选择左上角,将宽度和高度调整为原来的两倍,用来放要拼接的内容。
如图2-2所示。
图2-1“画布大小”对话框图2-2设置“画布大小”为原来两倍5.再打开“南河镇地形地质图-2”,将其通过“移动工具”拖动到同“南河镇地形地质图-1”一个窗口。
这时在“南河镇地形地质图-1”窗口中将多出一个图层“图层1”,如图2-3所示。
再接着用“移动工具”把图层1中的内容调整到和背景中的图形相接,在调整的过程中可以以某一个关键点为依据,通过键盘上的上下左右方向键进行微调让两部分图像很好的接合在一起。
图2-3图层窗口图2-4含多个图层的窗口6.用同样的方法打开“南河镇地形地质图-3”和“南河镇地形地质图-4”,并将其拼接在“南河镇地形地质图-1”上,形成一张完整的地图。
这时将出现“图层2”和“图层3”。
如图2-4所示。
并单击选择如图2-4中向右三角形,进行“拼合图层”。
最终只有一个图层“背景”。
7.在PhotoShop工具条中的“吸管工具”位置处点击鼠标右键,选择“度量工具”,在拼合后的“南河镇地形地质图-1”上水平边框左侧交角处点击鼠标左键并按着不放,沿边框线拖出一条斜线至上边框右上交角处,然后松开鼠标,此时会在标准工具栏中显示此线角度(注意记下此角度)。
操作步骤主要界面参见图2-5所示。
图2-5 PhotoShop角度度量过程主要界面8.在“图像”下拉菜单中选择“旋转画布”中“任意角度”,此时系统会弹出相应对话框(注意此对话框中的角度是多少?与前面记下的角度值对比会有什么发现?),旋转方式选中“度(顺时针)”选项,点击“好”按钮,系统会自动完成图像旋转(为什么不进行旋转角度的设置?)。
MapGIS 10 制图流程操作手册2014年5 月武汉第 1 章栅格几何校正1.1栅格数据标准图幅校正(DRG校正)流程标准图幅校正主要是对国家绘制的标准地形图进行操作。
由于早期标准地形图以纸质档保存,为便于统一管理和分析应用,将其扫描为电子地图后,可利用标准图幅校正操作,将图幅校正为正确的地理坐标的电子图幅,在标准图幅校正的过程中,不仅可以为标准地形图赋上正确的地理坐标,也可对扫描时造成的形变误差进行修正。
步骤1:影像数据入库管理在实际操作中,为便于统一管理数据,需将影像数据导入到数据库中。
可利用GDBCatalog—栅格数据集右键—导入影像数据功能实现数据的入库操作。
步骤2:启动栅格几何校正在栅格编辑菜单选择标准图幅校正功能,视图显示如下:注意:在进行标准图幅校正前,需对图幅的信息进行读取,如图幅号、网格间距、坐标系信息。
校正影像显示窗口:控制点全图浏览窗口;校正文件局部放大显示窗口:控制点确认窗口,放大在校正影像显示窗口中选择的内容;控制点列表显示窗口:显示图中控制点信息。
步骤3:根据图幅信息生成GCP控制点1、选择栅格数据在标准图幅校正设置窗口的校正图层项浏览选择栅格数据(若当前地图已添加待校正的栅格数据则可直接点下拉条选择添加),如图:2、输入图幅信息点击[下一步],设置图幅信息,如图:在“图幅信息”对话框中各参数说明如下:i.图幅号:读图输入图幅号信息。
ii.网格间距:读图输入格网间距。
iii.坐标系:读图选择选择坐标系信息。
iv.图框类型:加密框是根据图幅信息生成梯形图框,而四点框是直接生成矩形内框,加密框的精度相对较高。
此处是对1:1万的图幅进行校正,用四点框即可。
v.最小间隔:添加的控制点的相邻点间距vi.采用大地坐标:指生成的标准图幅是否采用大地坐标,若采用大地坐标,则单位为米,否则采用图幅自身的坐标单位。
3、定位内图廓点,建立理论坐标和图像坐标的对应关系。
点击[下一步],在该对话框定位内图廓点,建立理论坐标和图像坐标的对应关系。
标准分幅地形图校正第一步:添加数据添加待校正标准比例尺地形图数据(可以是栅格数据集数据或本地图像文件,)至当前地图,设为“当前编辑”状态。
第二步:启动栅格校正单击“栅格校正视图”标签,切换至“栅格校正视图”。
在添加的“栅格几何校正工具”单击“开始栅格校正”。
设为“当前编辑”状态的图像会添加到栅格校正视图显示。
第三步:图幅生成控制点单击“图幅生成控制点”按钮,在打开的对话框中单击“输入图幅信息”,输入“图幅号”并设置其他参数,然后单击“确定”并依次单击“左上角”、“右下角”等,同时鼠标单击图幅相应内图廓角点,以定位原始图像。
完成后单击“生成GCP点”,图幅内自动生成校正用地面控制点。
注:图幅号格式输入规范,以1:1万比例尺地形图为例,为H-50-8-(44) 或H50G006060 ;“格网间距”用于确定生成GCP点在内图幅范围内的间距,建议与地形图公里格网间距保持一致,以便定位控制点;是否“采用大地坐标”,表示生成的GCP点的参照点坐标是否带有图幅比例尺(即按照图幅比例尺换算为图上坐标)。
第四步:顺序修改控制点自动生成的GCP点与图幅实际网线交点可能有偏差,可通过“顺序修改控制点”依次调整位置,方法为:单击“顺序修改控制点”,系统默认从第一个控制点开始,在栅格校正视图中开小窗口放大控制点位置,鼠标单击调整控制点(显示为“+”符号)位置,调整好按下键盘空格键,自动跳到下一控制点,依次处理。
注:可在小窗口外单击鼠标右键中止控制点修改。
第五步:逐格网校正经过“顺序修改控制点”,可选择“生成图幅质量文件”,在相应误差范围可以校正情况下单击“逐格网校正”,另存校正后图像。
几何校正对于非标准分幅的图像,可以采用“几何校正”或“影像精校正”进行图像校正处理。
几何校正用于一般图像的校正,采用多项式方法重采样生成校正后图像。
影像精校正用于控制点数量较多,全图范围分布均匀的情况下使用,采用三角网格网方法重采样生成校正后图像。
M a p g i s图像校正
mapgis进行图像校正的步骤如下:
1、首先打开mpgis主界面,选择图象处理项下图象分析,打开图象分析子系统。
2、选择[文件]菜单下的[打开影像],选择需要打开的影象,复位窗口。
3、在[镶嵌融合]菜单下选择[打开参照文件]子菜单[参照线文件]打开图框文件。
4、点击[镶嵌融合]菜单下[添加控制点],然后分别选取图像区域的四个点,和图形区域的四个点,注意图像区域的点和图形区域的点是对应的,顺序也必须对应。
即图像区域的第一个点对应图形区域的第一个点,二个点对应图形区域的第二个点,第三个点对应图形区域的第三个点,第四个点对应图形区域的第四个点。
5点击[镶嵌融合]菜单下[校正预览],再点[镶嵌融合]菜单下[影像校正],保存文件。
MSI影像图像校正DRG操作流程(方法一)(作者:sxxf111)第一步:打开MAPGIS→图像处理→图像分析。
第二步:单击“文件”→打开影像。
装入MSI影像文件。
第三步:单击“镶嵌融合”→DRG生产→图幅生成控制点。
第四步:点击“输入图幅信息”。
第五步:将所打开的影像文件图幅号输入“图幅号”栏中,然后点击“确定”。
第六步:在随后的“图幅生成控制点”对话框中按“左上角、右下角、左下角、右上角”的次序在影像文件中用鼠标左键单击相应位置。
最后点击“生成GCP”。
第七步:在弹出的“是否删除原有控制点”对话框中单击“确定”按钮。
第八步:单击“镶嵌融合”→DRG生产→顺序修改控制点。
第九步:在影像文件区弹出的放大图框中鼠标左键依次校正位置,并按空格确定,进入下一位置。
若本影像文件图像内无公里网的交叉点,对于相应位置则按“ESC”键略过。
第十步:顺序修改控制点结束后,单击“镶嵌融合”→DRG生产→逐格网校正。
第十一步:在弹出的“另存为”对话框中键入文件名,并单出“保存”按钮。
在弹出的对话框中点击“确定”按钮。
本次操作结束,如发现有不清或不对的地方请与我们联系(j_t_z@),我们会及时改正,谢谢!这里只是讲一些快速的入门法,如果想更深入的了解MAPGIS知识,请看MAPGIS相关书籍。
基于MAPGIS系统的DRG生产流程DRG是各种比例尺的地形图经扫描、几何纠正及色彩校正后,形成的在内容、几何精度和色彩上与原图保持一致的栅格数据文件。
MAPGIS系统根据DRG数据生产的特点提供了高精度的几何校正算法,完善的质量检查功能,便捷的操作和有效的数据共享方法,有效地解决了高精度DRG数据生产的问题。
基于MAPGIS系统的DRG生产流程如下:1.图幅生成控制点。
该选项利用用户设置的标准图幅信息,自动计算公里格网交点作为控制点。
选取主界面菜单->镶嵌融合->DRG生产->图幅生成控制点,弹出下图所示对话框:在生成图幅控制点前,需要先设置图幅信息,指定内图廓点,其步骤如下:1)设置图幅信息,点击输入图幅信息,弹出下图所示对话框:参数说明:图幅号:地图的标准图幅号,如I-46-131,I-50-99-(37)等。
Mapgis中光栅文件校正一、原始纸质图扫描光栅文件上图为河北西郝庄铁矿区一张纸质1:2000储量估算图扫描后的jpg格式光栅文件(也可为tif、jpg、bmp格式),要在Mapgis中进行光栅文件坐标配准二、光栅文件坐标配准。
(一)生成图框1、生成标准图框(直角坐标系)“实用服务”模块→投影变换点击,出现以下对话框:2、生成标准图框(大地坐标系)“实用服务”模块→投影变换点击,出现以下对话框:点击“角度单位”注意设置椭球参数,点击确定后再点“投影参数”注意设置椭球参数,点击确定,再修改一下点线参数。
最后保存图框的点线文件。
(二)生成MAPGIS内部msi影像文件1)返回MAPGIS主界面→图像处理→图像分析,2)文件→数据输入,出现如下对话框:3)“转换数据类型”处选择要转换光栅文件的类型(如JPG、tif、bmp等)→点“添加文件[F]”选择要转换的光栅文件→“目标文件目录”处点“…”指定转换后的msi影像文件存放目录→点“转换[V]”即生成msi影像文件。
(三)光栅文件校正1)文件→打开影像→选定以上生成的msi影像文件→打开,则装入msi影像文件2)镶嵌融合→打开参照文件→参照点/线/区文件→选定前面生成的标准图框文件此时页面中显示影像图及前面生成的标准图框。
3)采集控制点为保证配准精度,至少选取10—13个控制点,即4个图幅角点和6—9个分布均匀的方格网交点(最好全部选择方格网交点)。
以下按左下-左上-右下-右上依次添加4个控制点进行配准为例①在上图左边影像图中放大内图框左下角→镶嵌融合→添加控制点→对准选择一个控制点,②在上图右边的标准图框中放大内图框左下角→镶嵌融合→添加控制点→对准选择一个对应的控制点③敲空格键→确定,则第一个控制点对应值在下面显示出来然后依次移动左边影像图及右边标准图框,依次对左上角点→右上角点→右下角点重复①~③操作,完成所有控制点采集。
每确定一个控制点后,影像图下方控制点ID就会依次出现控制点的X、Y坐标。
实验一MapGIS图像校正及栅格地图矢量化一、实验目的(1)了解MapG IS软件的操作界面和基本功能;(2)掌握图像校正-DRG(Digita l Raster Graphi c,数字栅格地图)生产的具体操作步骤;(3)了解MapG IS矢量化的基本原理;(4)掌握MapG IS分层矢量化的基本操作。
二、实验内容(1)进行进行图象校正;(2)进行分层矢量化。
三、实验步骤(一)MapGIS使用前的准备1.了解MapG IS数据处理的基本流程。
2.在计算机E盘上以自己的姓名和学号建立“姓名学号”的文件夹,并将“实验一数据”文件夹中的两幅影像数据H-48-74-(29)、H-48-74-(30)复制到自己所建文件夹中。
同时在该文件夹下建立“单线内图框”的子文件夹。
在该文件夹下也同时建立“\矢量文件”子文件夹。
实验可两个同学合作,每个同学完成一幅面的工作。
3.启动桌面上“软件快捷方式”文件夹中的软件狗解密文件“DogSer ver67”;随后启动Ma pGIS 软件,打开MapG IS软件主界面。
4.进行系统“设置”,按主界面上的“设置”按钮进行“MapGIS环境设置”。
分别设置工作目录、矢量字库目录和系统库目录及系统临时目录。
本次实验使用软件自带的矢量字库和系统库(操作该项内容时需先查看M apGI S软件安装的路径)。
之后所有的工程文件、分层文件、图例文件都放置于所设置的工作目录之下,以方便操作。
设置完成后按“确定”按钮,完成系统设置操作。
(二)DRG生产的操作1.打开MapG IS主菜单,选择“图像处理”中的“图象分析”模块。
2.文件格式转换:打开“文件”菜单中的“数据输入”,将两幅tif图像转换成m si(mapgis图象格式)文件类型。
MapGIS实验:标准分幅图的校正一、系统设置说明进入MAPGIS,首先进行设置,如下图所示,点击设置出现以下界面:工作目录:所作文件的存放位置,一般是建立一个自己的文件夹。
矢量字库目录:mapgis 6.x\clib系统库目录:mapgis 6.x\slib,或建库单位给的系统库,当使用数字测图时,设置为mapgis 6.x\SUVclib系统临时目录:mapgis 6.x\temp,一般是在空间比较大的磁盘下建立新的文件夹二、标准分幅图的校正2.1 DRG(数字栅格矢量化)生产的操作步骤:◎第一步:打开mapgis主菜单,选择图像处理\图象分析模块。
(mapgis主菜单\图象分析)打开文件\数据输入,将tif图像转换成msi(mapgis图象格式)文件类型。
选择“转换数据类型”为“TIF文件”,如果是单幅影像,则点击“添加文件”;如果是多幅,则点击“添加目录”选择影象所在目录,点“转换”,经此数据转换操作后原*.tif文件同级目录下增加了同名msi格式文件(即光栅文件)。
如果想将”MSI”的影像文件转换成其他格式,则点击数据输出,如下图.选择转换类型*tif,如果是单幅影像,则点击“添加文件”;如果是多幅,则点击“添加目录”选择影象所在目录,点“转换”,经此数据转换操作后原*.msi文件同级目录下增加了同名*tif格式文件。
◎第二步:单击文件下拉列表中←打开影象进入如下界面:下一步打开←镶嵌融合下拉列表中DRG(数字栅格矢量化)生产:点击图幅生成控制点并点击输入图幅信息进入如下界面:标→根据需要选中加密框或四点框然后点击确定按钮显示如下:下角、右上角后点击生成GCP按钮显示如下:点击确定按钮显示如下:控制点如下界面点保存控制点数据。
件进入如下界面:(注:此步骤在做土地利用数据库用到,以便查看纠正精度,我们只需要了解)◎第四步:打开←镶嵌融合下拉列表中DRG生产→点击逐格网校正弹出另存为窗口新设置一个文件名点保存进入如下界面:点击确定进入如下界面:在“镶嵌融合”下打开控制点信息和控制点浏览如下图下一步打开←镶嵌融合下拉列表中DRG生产→点击生成质量评估文件进入如下界面:(注;此步骤在做土地利用数据库用到,以便查看纠正精度,我们只需要了解)然后输入图幅信息以后顺序选定四个控制点后点击生成质量报告后弹出如下窗口,如果中误差超过指定标准,则需要重新扫描影象。
MapGIS 10 制图流程操作手册2014年5 月武汉第 1 章栅格几何校正1.1栅格数据标准图幅校正(DRG校正)流程标准图幅校正主要是对国家绘制的标准地形图进行操作。
由于早期标准地形图以纸质档保存,为便于统一管理和分析应用,将其扫描为电子地图后,可利用标准图幅校正操作,将图幅校正为正确的地理坐标的电子图幅,在标准图幅校正的过程中,不仅可以为标准地形图赋上正确的地理坐标,也可对扫描时造成的形变误差进行修正。
步骤1:影像数据入库管理在实际操作中,为便于统一管理数据,需将影像数据导入到数据库中。
可利用GDBCatalog—栅格数据集右键—导入影像数据功能实现数据的入库操作。
步骤2:启动栅格几何校正在栅格编辑菜单选择标准图幅校正功能,视图显示如下:注意:在进行标准图幅校正前,需对图幅的信息进行读取,如图幅号、网格间距、坐标系信息。
校正影像显示窗口:控制点全图浏览窗口;校正文件局部放大显示窗口:控制点确认窗口,放大在校正影像显示窗口中选择的内容;控制点列表显示窗口:显示图中控制点信息。
步骤3:根据图幅信息生成GCP控制点1、选择栅格数据在标准图幅校正设置窗口的校正图层项浏览选择栅格数据(若当前地图已添加待校正的栅格数据则可直接点下拉条选择添加),如图:2、输入图幅信息点击[下一步],设置图幅信息,如图:在“图幅信息”对话框中各参数说明如下:i.图幅号:读图输入图幅号信息。
ii.网格间距:读图输入格网间距。
iii.坐标系:读图选择选择坐标系信息。
iv.图框类型:加密框是根据图幅信息生成梯形图框,而四点框是直接生成矩形内框,加密框的精度相对较高。
此处是对1:1万的图幅进行校正,用四点框即可。
v.最小间隔:添加的控制点的相邻点间距vi.采用大地坐标:指生成的标准图幅是否采用大地坐标,若采用大地坐标,则单位为米,否则采用图幅自身的坐标单位。
3、定位内图廓点,建立理论坐标和图像坐标的对应关系。
点击[下一步],在该对话框定位内图廓点,建立理论坐标和图像坐标的对应关系。
第四章图框生成与栅格校正第二章主要讲述原始地图的输入以及图像处理。
现在我们手里的栅格地图是经过简单图像处理过了的,但是这样的地图由于没有经过配准还不能直接矢量化。
在MapGIS 7.3中有三种方法进行栅格校正,一是寻找地图中的控制点直接输入坐标;二是根据标准图幅号生成控制点然后一一配准;三是先生成标准图幅图框,根据参照图框配准。
最后对配准过的地图进行校正,得到我们矢量化所需要的影像地图。
本章主要讲述两种类型图框(矩形图框和梯形图框)的生成以及地图的三种配准方式。
通过本章的讲解,应当能够理解图框与栅格校正的概念,以及在实际应用中根据不同的比例尺生成相应的图幅图框,掌握栅格校正的过程并且理解不同配准方式在实际应用中的差异。
4.1 基本概念本节主要列出了以后操作可能会涉及到的一些基本概念,至于地图投影、我们主要的大地坐标系以及投影变换类型参见附录一。
4.1.1标准图框在绘制标准比例尺地形图的过程中,图廓是必不可少的,而且必须符合国家标准。
我国于1991年制订了新的《国家基本比例尺地形图分幅和编号》的国家标准,并给出了不同标准比例尺地形图的编绘规范及图式,自1991年起,新测和更新的地图,照此标准进行分幅和编号。
为此,利用机助制图功能,根据制订的标准,可以机助生成标准图廓(标准图框),提供了很好的工具和数学基础。
4.1.2标准图框分幅与编号我国基本比例尺的地形图包括1:5000、1:1万、1:2.5万、1:5万、1:10万、1:25万、1:50万、1:100万共8种不同比例尺的图框。
基本比例尺地图以经纬线分幅制作,它们以1:100万地图为基础,按规定的经差和纬差采用逐次加密划分方法划分图幅。
这样不同比例尺的图幅将1:100万的图幅划分成若干行和列,使相邻比例尺地图的经纬差、行列数和图幅数成简单的倍数,如表1.1所示。
我国的1:100万地形图的分幅按照国际1:100万的地图分幅标准进行。
每幅1:100万地图包括的范围为纬差4°、经差6°。
第28卷第4期吉林地质Vol.28 No.4 2009 年12 月JILIN GEOLOGY Dec. 2009 文章编号:1001—2427(200904 - 126 -MAPGIS 误差校正的方法及应用姜福旭1, 崔丹21.吉林省绿色食品办公室,吉林长春130062;2.吉林省地质调查院,吉林长春130061摘要:本文介绍在矢量图件时需扫描TIF影像,MAPGIS软件对扫描TIF影像进行误差校正的使用方法及期特点。
关键词:中图分类号:TP302.4 文献标识码:B 随着计算机技术的飞速发展和各种软件的开发应用,在地质工作中各种图件由原来的手工清绘变为由计算机MAPGIS 软件绘制图件,因传统的绘图方法是用手工清绘,一图一绘的方法,对不同图件相同的内容重复绘制,这样工作量极大,又不能保证不同图件相同内容的一致性,因此其成果准确性低,图件美观性差。
MAPGIS 软件绘制图件,可将相同的内容重复使用, 而且线条流畅、字体美观, 这样既可节省时间,又能保证绘制图件准确性及美观性,提高工作效益和保证工作质量,为使用部门提供优质高效的成果图件。
但由于在原有纸介质和在扫描过程中产生一定的误差,为了保证图件矢量化的准确性和提高图件的精度,首先需要对TIF 影像进行误差校正。
1 误差校正的目的在计算机机助制图中,主要是通过扫描原有图,形成影像(TIF 格式文件,并且扫描的分辨率>300 dp然后按其影像进行计算机制图,将普通图纸上的图件,转化为计算机可识别处理的图形文件。
但由于扫描的影像或矢量化的图件与实际存在一定的误差,使矢量化数据转换成图形时不能套合,无法精确联结,相邻图幅不能拼接,因此需要对影像或矢量化图形文件进行校正。
1.1 校正误差由于有些影像精度不能满足要求,主要原因是由于原有纸图折叠、变型、扫描过程中操作误差变形及数字化设备精度等因素引起,使影像的大小与理论的大小相差较大; 矢量化的图形与实际图形所在的位置往往有偏差,即存在误差。
用Mapgis对地形图进行校正的方法地形图经扫描后,难免会产生扭曲变形,使得地形图产生误差,通过Mapgis 可纠正扫描产生的错误。
以下以贵阳幅1:1万地形图(.tif)为例,说明纠正的方法及步骤:一、设置Mapgis系统:设置工作目录,矢量字体目录等,以便系统操作和保存,设置参见下图。
二、生成图框:用Photoshop等软件打开贵阳幅1:1万地形图,读出左下角的经纬度及椭球参数,分别为:纬度:35°11′00″;经度:106°41′15″,1954北京坐标系。
打开mapgis67主界面,进入“使用服务→投影变换”,打开投影变换系统。
点击菜单栏上的“系列标准图框→生成1:1万图框”。
图框模式为“高斯坐标实线公里网”,起始纬度为“351100”,起始经度为“1064115”,网间间距为1km,图框文件名为“贵阳幅1万图框”,椭球参数为“北京54/克拉索夫斯基(1490年)椭球”,点击“确定”。
如下图:弹出“图框参数输入“窗口,图幅名称为“贵阳”(根据需要输入并勾选),坡度值等高距为2m(可不勾选),资料来源可不勾选,勾选“用3度带不用6度带”,去掉“将左下角平移为原点”、“旋转图框底边水平”和“标记实际坐标值”前面的勾去掉。
“输入并绘制接图表”一项可根据需要勾选;将“绘制比例尺”和“绘制图框外图廓线”勾上,确定。
弹出“输入接图表内容”窗口,可根据需要填写成汉字形式的接图表,不需要的话可直接点击“确定”(本来直接点击“确定”)。
此时,系统已自动保存图框文件到“D:\MAPGIS67\工作目录\1万贵阳幅”目录下,直接关闭投影变换系统。
三、进行影像分析并校正:依次打开“图象处理→图象分析”,进入影像分析处理系统。
执行“文件→数据输入→添加文件→转换”。
稍等片刻,便能转换为“*.msi”文件,关闭数据输入窗口。
将刚转好的“.msi”格式文件复制到“D:\MAPGIS67\工作目录\1万贵阳幅”目录下,以便操作。
1、打开实用服务—投影变换,生成图框,然后保存;2打开实用服务—误差校正;
3、打开保存的点、线、面文件;
4、控制点—设置控制点参数;
4、控制点—选择采集文件;
5、控制点—添加控制点文件,添加一个校正控制点,
然后修改控制点文件,输入控制点的理论值(一般X为经度对应的大地坐标值,Y为纬度对应的大地坐标值),
以此类推,输入另外的三个(或更多),然后保存。
6、数据校正—图形参数参与校正这个勾选;
7、控制点—编辑校正控制点,浏览值,看是否对
然后点击校正,点击确定,最后刷新页面,即可!然后保存文件!校正完成!。