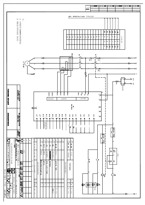
0672WJS1901CK29059RDAAC220VQ13RDCK180480125+HMDC220V期日工 艺断路器室EH12EH11902加热器路电缆室加热器回10RDN交小母线流熔断器控制4RDM35802回路电机储能能熔断器-HM储控制小母线LDHD校 对设 计审 核审标准化批定准3723371333分闸指示合闸指示断路器断路器C4213LHL431N431N4213LJN411A4212LJ1LJ1LHc1LHaC411A411AC422JDJ零序路保护回过流延时JDJ2LJA4224LJ流过流速断电测量4LP1WJ0131ZJ0695XJ0652SJ零序路起动延时过流071JJ回跳闸DC220VKK2SJ1SJ093XJ2XJ051ZJ70181XJ1KK561RD+KM13330Q131KO制零序过流速断分闸断路器2RD2-KMQ194S1Q1KOQ1HQKO14KO控合闸断路器熔断器小母线控制1LJ、2LJ11广州穗达电气有限公司备数量格规号型称号代序号二次控制图进线柜(G1)横鑫御园零序电流互感器1QK51RD-10RDQ11LH、2LH21KK43真空断路器电流互感器名熔断器转换开关CK1、CK2EH11、EH122QK8A76103LH9电流表按钮加热器LW12-9.6912.31VS1-12/630-25 DC220VLW12-16/49.6780.5LZZBJ9-12/150b/2RT14-20/412101LW12-16/5628.2LA39-11CX/K42L6-A LXZ-%%C110AC220V 150W1黑色1212注DX-31A DC220V信号继电器KD1、LK163LJ、4LJ1312JDJ151SJ、2SJ14电流继电器电流继电器电流继电器时间继电器5XJ1XJ-4XJ1R1LP-4LP19JJ18172120连接片中间继电器信号继