硅胶按键设计要点----6
- 格式:doc
- 大小:499.00 KB
- 文档页数:1
硅胶按键设计标准
硅胶按键是一种常见的电子产品配件,其设计的好坏直接影响到产品的使用体验和质量。
为了确保硅胶按键的高质量和可靠性,以下是硅胶按键设计的标准:
1.形状:硅胶按键形状应与产品外观相符合,且便于使用者按压。
按键的边缘应该是平滑圆润的,避免使用者手指受伤。
2.尺寸:硅胶按键的尺寸应该符合人体工学原理,大小合适,手感舒适,按压力度合适,避免使用者疲劳。
3.材质:硅胶按键应该使用高质量的硅胶材料,具有良好的耐磨性、耐腐蚀性和抗老化能力,以确保按键的长期可靠性和使用寿命。
4.触感:硅胶按键的手感应该稳定、柔软、有弹性,按键行程与力度应该合理,使用者按压时应有明显的反馈感。
5.颜色:硅胶按键的颜色应该与产品整体设计相符合,有良好的美观性和视觉效果。
总之,硅胶按键是电子产品中不可缺少的一部分,其设计的好坏直接影响到产品的使用体验和质量。
因此,在硅胶按键的设计中,应该遵循以上标准,以确保产品的高质量和可靠性。
- 1 -。
硅胶按键成型工艺技术硅胶按键成型工艺一﹑产品的简介(一)硅胶按键﹐公司的传统产品﹐如手机按键﹐计算机键盘等(二)导电棒(三)麦拉(薄膜按键﹑薄膜开关)(四)金属按键(五)塑料加橡胶产品二﹑成型课大致制造流程混料加硫自拆二次加硫二次加硫冲床注:成型后的产品也可先转入其它制程再转入冲剥。
三﹑原料的配制<一>原料的性质﹕硅橡胶﹐俗称硅胶﹐英文名称silicon﹑要紧化学成份为硅。
<二>色母的性质﹕含颜色颗粒的硅橡胶﹐大多数色母的颜色颗粒容易聚拢成团﹐需通过色母机将其研磨打散。
<三>素练﹕硅胶的分子结构是长条形,未混练前是杂乱排列,将原料进行充分搅混﹐破坏其原有的分子构成型态,使分子重组,便于结构方向一致。
<四>原料的睡眠﹕<1>作用﹕使各不规则的分子运动趋于一致﹐从而使其物性稳定﹐达到最佳可塑性的状态。
<2>睡眠时刻﹕12~72小时。
<五>硬度﹕使不同原料制造出的产品软硬程度不同。
不同原料素练混合后﹐设定A,B两种硬度的料,其重量分不是a,b,这两种料配出的料度是C,重量是c,其重量是(c=a+b),它们的硬度的计算公式是﹕A*(a/c)+B*(b/c)=C*(c/c)<2>硬度越高﹐收缩率越小﹐流淌性越差,荷重越高,段落越高。
四﹑加硫成型<一>成型原理﹕成型也称硫化反应或交联反应。
硅橡胶原料分子呈长条形﹐处于游离状态﹐通过一种催化剂-------我们俗称的架桥剂的作用,通过高温高压和一定的时刻,产生交联反应﹐使游离的分子之间产生分子键﹐而整体的分子结构形成网状结构﹐从而密不可分,形成我们需要的产品。
注:架桥剂类似于布粘扣(俗称魔术贴)的小钩子,高温高压下产生分子运动,在一定的时刻内,钩住各个硅胶分子,从而密不可分,形成我们需要的产品。
1架桥剂﹕A.C-8乳白色﹐添加比例一般是2%﹐一般用于有色机种。
手机按键结构设计默认分类 2009-07-30 17:03 阅读708 评论9字号:大中小手机按键通常由P+R组成,P即塑胶(PLASIC);R即硅胶(RUBBER)。
有些按键也有P+R+钢片;R+超薄PC按键;TPU+RUBBER+钢片按键等等,具体介绍请看后续之详述。
目前手机按键中常用的塑胶材料有ABS、PC、PMMA、SNA、POM、PA、TPU、PVC、PET 以及ABS+PC等等。
二、RUBBER 硅胶硅胶又称混炼硅胶,品牌一般有TY881,TY661,TY261,TY341。
前两种较贵,而后两种校便宜,TY1972系抗撕裂胶。
硅胶硬度从0度-90度不等,各种硬度的都有,硬度越大或越小,其硅胶的抗撕裂强度都会降低,硬度高的流动性较差,硬度低的流动性较好。
硅胶硬度的多少系通填料多少来决定的,一般以白碳黑为主。
普通胶料价格一般在20-30元不等,特殊要求价格在30-130不等(均系高寿命胶料或氟胶料)。
混炼胶时一般有颜色要求,所以硅胶色粉用量一般在0.30-2.0%。
同塑胶料色粉用量相差不大。
A、TY641和TY845 常用一般40度硅胶;B、TY651和TY856 常用一般50度硅胶;C、TY661和TY866 常用一般60度硅胶;D、TY881 常用一般80度硅胶;E、TY1751和TSE260-5U 常用高撕裂50度硅胶。
三、STEEL 钢片钢片有两种,一种系SUS301,另一种系SUS304。
301弹性好,304性能好,但价格较贵,硬度较好。
#316系进口钢,硬度达到380维氏硬度。
钢片可进行电泳、电镀黑镍、喷涂等工艺。
Ⅱ、结构设计一、纯硅胶手机按键设计要点(如示图一)◆、按键设计与机壳相配的基本尺寸1、尺寸A—按键与壳体间隙:0.20mm2、尺寸B—按键弹性臂长:1.00mm,至少大于0.80mm3、尺寸C—导电基高度:0.30mm,但至少大于0.25mm4、尺寸D—底部边接RUBBER厚度,即硅胶基片厚度:0.30mm,便可取到0.20-0.30mm之间5、尺寸E—按键上表面与机壳下表面间隙:0.05mm6、尺寸F—按键高于壳体表面距离:0.50mm7、尺寸G—按键硅胶导电基与DOM之间的间隙:0.05mm◆、设计注意要点1、按键硅胶背部在适当的地方长出支撑筋或支撑柱,以防止按键下陷,便需考虑图示中显示之弹性臂长度是否足够。
硅胶按键设计标准
硅胶按键是一种常用的按键类型,广泛应用于电子产品中。
为了确保硅胶按键的质量和可靠性,需要遵循一定的设计标准。
以下是硅胶按键设计标准的内容:
1.按键尺寸:按键的大小应根据产品的使用场景和人体工程学原理设计,一般来说,单个按键的长度不应小于6mm,宽度不应小于4mm,高度不应小于1.5mm。
2.按键形状:按键的形状应符合人体工程学原理,以便于使用者操作和触摸。
常见的形状包括圆形、方形、长方形等。
3.按键布局:按键的布局应合理,能够方便使用者操作。
一般采用矩阵式布局,每个按键之间的间距应不小于2mm。
4.按键手感:按键的手感应该轻巧而有力,具有良好的弹性和回弹性。
5.按键耐久性:按键的使用寿命应符合产品的使用寿命要求。
常见的测试标准包括按键寿命测试、耐高温测试、耐低温测试等。
6.按键防水性:硅胶按键常用于户外产品和易受潮的场合,因此需要具备较好的防水性能,一般采用IP67等级的防水设计。
7.按键颜色:按键的颜色应符合产品的外观审美要求,常见颜色包括黑色、白色、灰色、红色、绿色、蓝色等。
总体来说,硅胶按键设计应根据产品的使用场景和要求,遵循以上标准进行,以确保按键的质量和可靠性。
- 1 -。
硅胶按键介绍硅胶按键顾名思义就是有硅胶为原料所制作而成的按键产品俗称“硅胶按键”,硅胶按键属于硅胶制品的一个产品种类,硅胶按键具有优良的耐热性、耐寒性、耐环境性、电气绝缘性、耐疲劳性等特点。
硅胶按键最大的质量要求是不破裂,在日常的应用中会有一定概率的破裂不良现象,当然,硅胶按键在生产时也会存在破裂不良。
此外硅胶按键又称:硅胶按键,矽胶按键,红叶硅胶按键,有机硅按键,硅橡胶按键。
1.按压一、按压力大概在50-80g,一般适用于电脑键盘、计算器按键的硅胶按键,这个范围的按压力不高,比较低,很容易的按下,适合需要经常点击使用的硅胶按键。
二、按压力大概在80-120g,一般适用于电器按键、遥控器按键这些,按压力适宜,手感舒适,回弹力也比较好。
三、按压力在120-180g,一般适用于影响设备、工业仪器、机械遥控上,按压力相对第二种还要大很多,一般适用于比较大的硅胶按。
键,回弹力也更优越,但是不适宜点击次数很频繁的产品中。
四、按压力180g以上,一般这种的按压力的硅胶按键比较少见,适用于特殊的行业,如医疗、航空等行业,短时间频繁使用手指算比较算。
3.常见问题成型时温度过高硅胶按键在成型时温度过高会变脆,成型后脱模,很容易破裂不良,只需适当降低成型温度即可。
硅胶按键硫化不完全当硅胶按键成型模温过低或者硫化时间过短时,就会造成产品紧贴在模具上不容易脱模,故容易造成破裂,适当提高模温或延长硫化时间即可解决;硅胶按键成型模具的表面过于粗糙或积累污垢表面粗糙或积累污垢的模腔是不利于脱模的,而不容易脱模的模具就很容易破裂,需对模具进行清洗或电镀处理;脱模时操作手法不对脱模时很多模具师傅没有经过专业训练或者工作不细心,没有按照严格的作业指导书脱模时,就会导致硅胶按键不良破裂,这个需要对作业员进行专业的操作技能培训或者制定严格的作业制度。
掀模时硅胶按键离型度不好导致产品在掀模过程中破裂,此时需对硅胶按键模具的表面喷适量脱模剂方能继续生产;所采用按键硅胶太差部分工厂盲目降低成本采用劣质的按键硅胶原材料,导致生产出的硅胶按键质量很差,胶料太差,韧性不好,记忆破裂,非常正常。
硅胶按键力学性能要求
1硅胶按键的概述
1.1硅胶按键的结构
图1 硅胶按键结构图
1.2硅胶按键的力学特征
图2 作用力-位移曲线
mm/In
作用力(Actuation Force )是操作者对按键施加的力,这个力将会导致斜壁弯曲。
接触力(Contact Force )是导电黑粒与PCB 接触时按键上施加的力。
恢复力(Return Force )是驱使按键回位的力。
通常恢复力比接触力小10克。
行程(Travel )是导电黑粒与PCB 之间的距离。
硅胶按键工作状态图如下:
图3 硅胶按键工作状态图
1.3触感设计要点
按键触感好坏由三要素决定,它们是:操作力,恢复力和行程。
一般来讲,触感愈好,恢复力愈小,但会出现卡键的问题;相反增加恢复力,触感就会有所下降。
因此,通常用触感比率(Tactile Ratio )来衡量恢复力与触感间的关系。
触感比率可以用以下的公式计算:
触感比率=(操作力-接触力)/ 操作力
其中:接触力-恢复力≈10g 三要素的推荐值如下表所示:
表1 触感设计三要素
接触力
初始状态 按键过程中
行程终止
1.4设计公差尺寸公差:
作用力公差:。
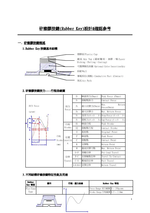
矽橡膠按鍵(Rubber Key)設計&確認參考一. 矽橡膠按鍵概述1. R ubber Key 按鍵基本結構塑膠面Plastic Cap鍵面Key Top (鐳射雕刻、滴膠、噴/LaserEtching 、Potting 、Coating)可選擇顏色按鍵 Optional Color Insertion Key 斜壁Wall導電部份(接触) Conductive Part (Contact) 氣坑Air Path2. 矽橡膠按鍵按力----行程曲線圖3. 不同結構矽橡按鍵特征性能及用途二.矽橡膠按鍵結構設計1.R ubber Key設計的功能要求❶. 按動按鍵時能達到設定的功能;❷. 撤除外力后, 按鍵能自動、完全复位;❸. 按鍵在按動和复位過程中有良好的手感, 無阻、滯、澀的感覺;❹. 保証按下按鍵邊緣位置時亦有作用。
2.R ubber Key結構設計要點❶. 圖示❷. 技術要求 (in drawing sheet供參考,任選)a. Actuation force: 130±35 gramsb.Tactile feedback required.c.Expected life cycle: 1 × 105minimumd.Silicone rubber hardness: 50 ~ 60°.e.Contact resistance less than 200 ohmsf.Stroke = 1.0 (or1.5) mm.g.Thickness of carbon pill = 1.0mm.h.Contact bounce less than 12m seconds.i.Pad color: optional.j.Graphic printing: optional.3.R ubber Key與塑膠殼配合❶. 一般設計規則❷間隙值推荐選擇表按鍵外形、尺寸、行程大小是影響按鍵設計間隙值大小的主要因素, 一般情況下, 外形簡單, 尺寸、行程小, 配合間隙取值就小, 反之則大。
产品结构设计·产品按键结构设计要点浅析做产品结构设计,难免会遇到按键设计的需求,关于按键设计都有哪些要素,需要注意哪些细节呢?下文结合以往的一些项目和案例,做一些归纳性的总结,不足之处还请各位同行批评指正。
首先,根据结构形式,我把按键分为几大大类:独立式、悬臂式、硅胶按键、薄膜类按键和触摸式按键等独立式按键和悬臂式按键是根据产品ID要求,设计特殊造型的外置操作键,其底部通常是电路板上的按键器件。
典型按键结构各种轻触按键也有在电路板上放置锅仔片的做法:下图是一种跷跷板式的按键结构,可以看做是一种特殊的悬臂式的结构。
此种按键结构通常为一对,在按键的中央位置设计一个凸起的小柱子,面盖上设计相对应的卡位,通过塑胶弹性变形,件按键卡入面盖的卡位中,按键工作时绕中间凸起的柱子为中心轴,类似跷跷板旋转实现按键触发。
跷跷板式按键悬臂按键的悬臂设计悬臂梁厚度一般为:1.0mm~1.5mm,如果产品尺寸较小,按键尺寸和行程比较小,厚度也可小于1mm,最薄取值0.6mm。
悬臂梁宽度一般取值为厚度的1.5倍到2.5倍,一般不超过2.5mm,宽厚比设计为1:0.6为宜。
悬臂的长度L取值大于10mm,且悬臂需要是弧形,能提供按键下压时的行程造成的变形空间,如果是直臂,则有可能臂长不能拉伸而不能下压。
按键悬臂结构形式按键设计时需要统筹考虑的几大问题:行程、虚位、防呆、手感力度、装配方式,表面处理。
悬臂按键的装配方式通常是悬臂上预留空位,与装配的基座通过热熔或过盈配合的方式装配。
热熔装配悬臂按键装配牢固,但需要烫胶柱,需要热熔设备,而且装配后不可拆卸。
当空间限制,按键悬臂和行程都很短时使用热熔固定。
为方便组装作业,在悬臂足够长,按键按压行程不足以影响按键固定结构的情况下,按键固定优选过盈配合的方式。
热熔方式固定按键间隙按键设计关键尺寸•按键与面壳配合间隙A需要确保按键能被顺利按下和回弹:当按键和塑料面壳都是注塑后无表面处理时,单边配合间隙A值适当取小值,A=0.10mm~0.15mm;•当塑料按键或面板有一方需要喷油时,单边配合间隙A=0.20mm~0.25mm;当塑料按键和面板均需要喷油时,单边配合间隙A=0.30mm~0.40mm;•跷跷板式按键,摆动方向单边间隙通常需要根据按键行程和悬臂尺寸进行实际模拟,通常需要在极限尺寸的基础上增加0.25mm~0.30mm;非摆动方向配合间隙A取0.2mm~0.25mm(同用需要考虑表面处理膜厚对配合间隙的影响)。
Rubber Key 设计条件Force Range StrokeRange Cycle Life Typical Uses0~350 grams 0.5~3.0 mm 0.5~2 (× 106 )Telephones, Remote Controls, Automotive, Radios, Toys, Calculators, etc.Force Range Stroke Range Cycle Life Typical Uses30~250 grams 0.7~1.5 mm 0.5~2 (× 106 )Telephones, Remote Controls, Toys, Games, Calculators....etc.ForceRange Stroke Range Cycle Life Typical Uses30~150 grams 0.5~3.0 mm 1~3 (× 106 )Telephones, Remote Controls, Toys, Measuring Instruments, Office Machines....etc.Force Range Stroke Range Cycle Life Typical Uses30~80 grams 2.0~4.0 mm 5~20 (× 106 )Computers, Typewriters....etc.ForceRangeStrokeRangeCycle LifeTypicalUses30~200 grams1.0~2.5 mm0.5~3 (× 106 )Telephones, Typewriters, TestInstruments....etc.ForceRangeStrokeRangeCycle LifeTypicalUses20~80 grams0.2~1.0 mm0.5~10 (× 106 )Remote Controls,Calculators,Typewriters, Computers ....etc.按键结构说明图(1) Key 天面弧(2) 母模荷重壁长 / 宽(3) Key 长 / 宽(4) KEY 转角 R(5) 离(拔)模角0.5°~3°(6) 档墙 0.8mm / min(7) 荷重壁 0.2~0.3 mm/min(8) A:斜壁角 40° ~ 55°(9) 行程(10) 0.20min (11) Key 高(12) 档墙高(13) 0.3气沟(14) LED 孔(15) 有效荷重壁高(16) 气沟宽度(17)导电粒大小(18) 公模模芯长 / 宽(19) 直部(20) 肉厚如何设计一个好的触感按键如何设计一个好的触感又不卡键的按键是相当重要的,决定一个按键触感的好坏有三种要素:操作力、反弹力及行程。
几种按键的结构设计要点看到有人转贴按键的各种图片,在这里我把我所设计过的按键结构拿出来,供大家参考,希望会对大家有帮助。
绝大多数的消费性电子上,都会用到按键这种结构;按键一般来说分两种,橡胶类和塑料类。
橡胶类用的最多的是硅胶,塑料类指的是我们常用的塑料料,比如ABS,PC等。
我们在设计按键时,首先要考虑是,当按键设计未理想时,可能发生什么问题(我总结了以下几点):(一)按键按下时,卡在上盖部份,弹不回来,造成TACTSW失效.(二)按键用力按下时,整个按键下陷脱落于机台内部.(三)按键组立完成后,TACTSW就直接顶住按键,致使按键毫无压缩行程,造成TACTSW失效.(四)按键按下时,接触不到TACTSW,致使无法操作.(五)无法在按键面每一处按下,均获得TACTSW动作(尤其是大型按键较易发生).(六)外观设计未考虑周详,致使机构设计出之按键,使用时极易造成误动作.(七)按键上下或者是左右方向装反,亦或是位置装错(未考虑防呆).(八)按键不易于装入上盖.(九)按键脱落出于机台外部.(十)按键未置于按键孔中心,即按键周围间隙不平均,此项对于浮动式按键是无可避免的,对于半或全固定式按键还需相当精度才可达到只有尽可能的考虑周全,设计出来的产品才可能好,这也就是我们常说的设计要做DFMEA。
现在先说橡胶类的按键设计(主要是硅胶按键的设计):按键整个都是用硅胶(siliconRubber)押出,内底部附着一颗导电粒一起成型,其优点为:A.按键顶为软性,操作触摸时,手感较舒服.B.可将数个按键一起同时成型,且每个按键可有不同之颜色,供货商制作时较快,且产量也较多,机台组立时也较快,节省工时.C.表面不会缩水.其缺点为:A.按键操作按下时,无有用TACTSW之清脆响声,较无法用声音判别是否有动作.B.按键用力按下时,较易卡在上盖部份,弹不回来.C.按键周围间隙较不易控制,此种是属于全固定式按键中之软性按键,间隙不易控制到一样.其作用原理为利用按键内底部附着之导电粒压下,使PCB上两条原本不相导通之镀金铜箔,藉由导电粒连结线路导电使其相通(如图所示)图片附件: 3.gif (2007-4-10 16:55, 20.18 K)补充几点﹔1.Tack switch 焊锡浮高,将按键顶死2.小按键力臂过短或塑料料无韧性,导致按键荷重过高。
PCBA方案中硅橡胶按键设计技巧一、背景介绍随着电子技术的迅猛发展,PCBA方案得到了广泛应用。
硅橡胶按键作为一种常见的输入装置,在PCBA方案中发挥着重要的作用。
本文将重点介绍硅橡胶按键的设计技巧,以帮助读者更好地理解和应用该技术。
二、硅橡胶按键的基本原理硅橡胶按键是一种采用硅橡胶材料制成的触摸式开关,其工作原理基于材料的弹性变形。
当按下硅橡胶按键时,硅橡胶材料被压缩变形,从而触发按键信号。
因此,在设计硅橡胶按键时,需要考虑到按键的尺寸、弹性和触感等因素,以确保按键的正常工作。
三、硅橡胶按键的设计要点1. 材料选择在硅橡胶按键的设计中,材料的选择至关重要。
常见的硅橡胶材料具有良好的弹性、耐热性和耐腐蚀性能,适合用于制作按键。
另外,材料的硬度也需要根据具体应用场景来确定,一般来说,硬度越高,按键的触感越硬,反之亦然。
2. 结构设计硅橡胶按键的结构设计应考虑到按键的形状、尺寸和布局,以及按键之间的间距。
合理的结构设计可以提高按键的稳定性和可靠性,减少按键误触发的可能性。
另外,还需注意按键的密封性,以防止灰尘、水气等外界物质进入按键内部。
3. 触感设计硅橡胶按键的触感设计是指按键在按下时给用户的反馈感受。
触感设计需要考虑到按键的弹性、行程和力度等参数,以使用户在使用过程中获得良好的触觉反馈。
通过合理的触感设计,可以提高产品的用户体验,并提升产品的竞争力。
四、应用案例以手机键盘为例,通过合理的硅橡胶按键设计,可以提供用户良好的按键触感和使用体验。
通过对按键的形状和布局进行优化,使用户更容易找到并按下所需的按键。
此外,通过调整按键的弹性和行程,可以提高按键的可靠性和稳定性,不易出现按键失灵或误触发的情况。
五、总结本文重点介绍了PCBA方案中硅橡胶按键的设计技巧。
通过合理的材料选择、结构设计和触感设计,可以实现硅橡胶按键的优化,提高产品的性能和用户体验。
在实际应用中,还需要根据具体需求进行进一步的优化和改进。
硅胶按键
硅胶按键介绍:
硅胶按键又称为矽胶按键,硅橡胶按键制胶按键。
是由硅胶为原材料通过硫化机所制成的硅胶按键产品,俗称“硅胶按键”。
硅胶按键是属于硅胶
产品中的一类,而陆凯硅胶按键具有良好的耐高压,防磨损,可靠性,耐久性。
耐高压:采用优质的硅胶原材料,及特殊表面处理技术,试验检测可
耐110KV击穿。
可靠性:独创双导电碳粒结构,比传统的单碳粒结构的可靠性增加了
一倍。
防磨损:硅胶按脚表面采用了独特的凹形设计,解决了工艺上的独特
空心印刷问题,保证了按键字体永久清晰。
耐久性:采用优质的硅胶原材料,通过了寿命测试,检测出的次数高
达200万次以上,远超同行业中50万次的寿命。
原材料:由广东聚合所提供的食品级硅胶原料
硫化成型:硫化成型使用的平板硫化机,根据硫化机的功能有手动,
自动及真空等型号,模具有上,下两层公母模组成(特殊
按键已有三模甚至多模),生产时往上先开母模,公模上
放入导电胶黑粒及切片称量的硅胶按键原材料。
部分硅胶按键的产品图和应用图:。
按键的结构设计按键一般来说分两种,橡胶类和塑料类。
橡胶类用的最多的是硅胶,塑料类指的是我们常用的塑料料,比如ABS,PC等。
我们在设计按键时,首先要考虑是,当按键设计未理想时,可能发生什么问题(我总结了以下几点):(一)按键按下时,卡在上盖部份,弹不回来,造成TACTSW失效.(二)按键用力按下时,整个按键下陷脱落于机台内部.(三)按键组立完成后,TACTSW就直接顶住按键,致使按键毫无压缩行程,造成TACTSW失效.(四)按键按下时,接触不到TACTSW,致使无法操作.(五)无法在按键面每一处按下,均获得TACTSW动作(尤其是大型按键较易发生).(六)外观设计未考虑周详,致使机构设计出之按键,使用时极易造成误动作.(七)按键上下或者是左右方向装反,亦或是位置装错(未考虑防呆).(八)按键不易于装入上盖.(九)按键脱落出于机台外部.(十)按键未置于按键孔中心,即按键周围间隙不平均,此项对于浮动式按键是无可避免的,对于半或全固定式按键还需相当精度才可达到只有尽可能的考虑周全,设计出来的产品才可能好,这也就是我们常说的设计要做DFMEA。
现在先说橡胶类的按键设计(主要是硅胶按键的设计):按键整个都是用硅胶(siliconRubber)押出,内底部附着一颗导电粒一起成型,其优点为:A.按键顶为软性,操作触摸时,手感较舒服.B.可将数个按键一起同时成型,且每个按键可有不同之颜色,供货商制作时较快,且产量也较多,机台组立时也较快,节省工时.C.表面不会缩水.其缺点为:A.按键操作按下时,无有用TACTSW之清脆响声,较无法用声音判别是否有动作.B.按键用力按下时,较易卡在上盖部份,弹不回来.C.按键周围间隙较不易控制,此种是属于全固定式按键中之软性按键,间隙不易控制到一样.其作用原理为利用按键内底部附着之导电粒压下,使PCB上两条原本不相导通之镀金铜箔,藉由导电粒连结线路导电使其相通(如图所示)补充几点﹔1.Tack switch 焊锡浮高,将按键顶死2.小按键力臂过短或塑料料无韧性,导致按键荷重过高。
硅胶按键成型工艺*注意事项﹕a、.安全启动操作箱上每个开关都必须转至停位置﹐油泵马达才能够启动﹐以幸免人为误动作造成危险。
b.模型厚度假如低于60mm则必须加装垫板﹐以幸免超行程损害机械。
c.在安装模具时﹐必须将油泵停止﹐并令周围人员不能够操作机械以免产生危险。
d.安装模具时﹐上﹑下模具应在同样温度时吻合﹐绝对不可上﹑下模具在上冷下热﹐或下冷上热情形下吻合﹐否则模具插梢会因加热产生间距而吻合不准﹐严峻损坏模具。
e.手动操作时要注意﹐每个动作确认完成停止再操作另外的动作。
安装模具顺序﹕-------真空机台a.开模动作﹕将活动模板下降至最低位置。
b.出模动作﹕将模座退出最别处位置。
c.先将模具合页拆除﹐并上下模合在一起放在模座上﹐并对准螺丝孔用长度适合螺丝将下模固定住﹐但不必死锁﹐因为上模尚未固定﹐要等上模固定后上﹑下模吻合完成才可死锁;d.换模布,模具架上机台后,加到一定的温度时,开始换模布。
模布:是用专门的导电料和成型的余料混合而成的,用来传热和平稳模具,一样厚是3.5mm,硬度在60°度以上。
真空机台换模布时应在已加热的模具上铺上适当的模布料,再用报纸铺上两层,盖上适当大小的铁板,使机台入模,适当排气,再上升加温,估量料成形了后即开模,用铁针挖去螺孔中的料即可。
*注意:换模前一定要在螺孔中滴几滴油,如此螺孔中的料才可专门快挖出来。
e.模布换好已后,真空罩打成水平,不要入模,接通换模开关,打上升开关,慢慢上升,直至将真空罩顶到位为止,将上模锁紧,再锁紧下模,检查各个垫片是否有松动,如有须加装垫片;然后慢慢下降到位,切断换模开关,开模,在下模板的四周凹槽处装上橡皮圈,并擦稍许油即可。
*注意﹕1)上、下模固定螺丝头﹐决对不可露出下模﹐以免下模进撞到活动模板。
2)正常锁模用内六角即可,用加力棒会挫伤螺孔。
3)关于高凸台的模具须专门小心!--------一样机台a、一样机台先检查并锁紧合页,将模具放在模座上,锁紧下模.注:合页不可装反,否则会损害模具凸台,如1759等。
1 / 1
硅胶按键设计要点(六)本文从以下几个方面阐述设计要点
1.硅胶按键结构、参数及作用
2.硅胶按键力学特性
3.硅胶按键导电粒
4.提高硅胶按键可靠性方法
5.定制硅胶按键介绍
6.陆凯橡塑制品厂硅胶按键系列表
7.橡胶原料特性表
第六节陆凯橡塑制品厂硅胶按键系列表
附图是陆凯厂生产的部分通用型按键,欢迎选用。
随着工厂的发展还有一些新的按键没有统计到表中,欢迎选用。
同时公司还可以为客户定制各类按键,帮助客户设计合适的按键。