产品设计-硅胶按键设计教学文案
- 格式:ppt
- 大小:698.00 KB
- 文档页数:29
硅胶按键设计标准
硅胶按键是一种常见的电子产品配件,其设计的好坏直接影响到产品的使用体验和质量。
为了确保硅胶按键的高质量和可靠性,以下是硅胶按键设计的标准:
1.形状:硅胶按键形状应与产品外观相符合,且便于使用者按压。
按键的边缘应该是平滑圆润的,避免使用者手指受伤。
2.尺寸:硅胶按键的尺寸应该符合人体工学原理,大小合适,手感舒适,按压力度合适,避免使用者疲劳。
3.材质:硅胶按键应该使用高质量的硅胶材料,具有良好的耐磨性、耐腐蚀性和抗老化能力,以确保按键的长期可靠性和使用寿命。
4.触感:硅胶按键的手感应该稳定、柔软、有弹性,按键行程与力度应该合理,使用者按压时应有明显的反馈感。
5.颜色:硅胶按键的颜色应该与产品整体设计相符合,有良好的美观性和视觉效果。
总之,硅胶按键是电子产品中不可缺少的一部分,其设计的好坏直接影响到产品的使用体验和质量。
因此,在硅胶按键的设计中,应该遵循以上标准,以确保产品的高质量和可靠性。
- 1 -。
产品设计-按键的结构设计要点绝大多数的消费性电子上,都会用到按键这种结构;按键一般来说分两种,橡胶类和塑料类。
橡胶类用的最多的是硅胶,塑料类指的是我们常用的塑料料,比如ABS,PC等。
我们在设计按键时,首先要考虑是,当按键设计未理想时,可能发生什么问题(我总结了以下几点):(一)按键按下时,卡在上盖部份,弹不回来,造成TACTSW失效.(二)按键用力按下时,整个按键下陷脱落于机台内部.(三)按键组立完成后,TACTSW就直接顶住按键,致使按键毫无压缩行程,造成TACTSW失效.(四)按键按下时,接触不到TACTSW,致使无法操作.(五)无法在按键面每一处按下,均获得TACTSW动作(尤其是大型按键较易发生).(六)外观设计未考虑周详,致使机构设计出之按键,使用时极易造成误动作.(七)按键上下或者是左右方向装反,亦或是位置装错(未考虑防呆).(八)按键不易于装入上盖.(九)按键脱落出于机台外部.(十)按键未置于按键孔中心,即按键周围间隙不平均,此项对于浮动式按键是无可避免的,对于半或全固定式按键还需相当精度才可达到只有尽可能的考虑周全,设计出来的产品才可能好,这也就是我们常说的设计要做DFMEA。
现在先说橡胶类的按键设计(主要是硅胶按键的设计):按键整个都是用硅胶(siliconRubber)押出,内底部附着一颗导电粒一起成型,其优点为:A.按键顶为软性,操作触摸时,手感较舒服.B.可将数个按键一起同时成型,且每个按键可有不同之颜色,供货商制作时较快,且产量也较多,机台组立时也较快,节省工时.C.表面不会缩水.其缺点为:A.按键操作按下时,无有用TACTSW之清脆响声,较无法用声音判别是否有动作.B.按键用力按下时,较易卡在上盖部份,弹不回来.C.按键周围间隙较不易控制,此种是属于全固定式按键中之软性按键,间隙不易控制到一样.其作用原理为利用按键内底部附着之导电粒压下,使PCB上两条原本不相导通之镀金铜箔,藉由导电粒连结线路导电使其相通(如图所示)补充几点:1.T ack switch 焊锡浮高,将按键顶死2.小按键力臂过短或塑料料无韧性,导致按键荷重过高。
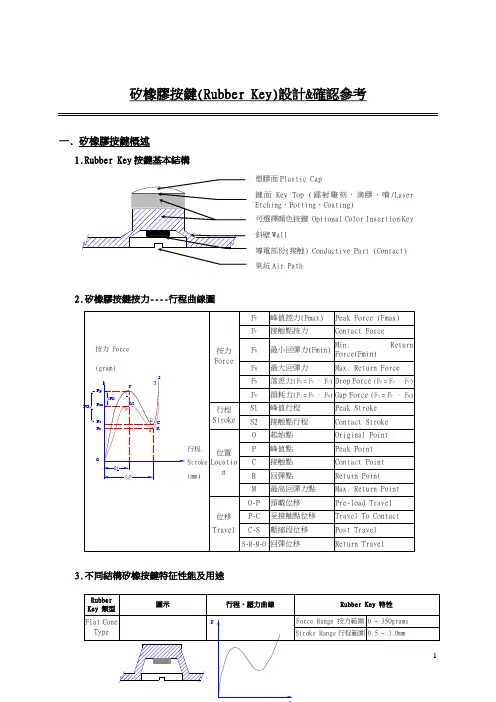
矽橡膠按鍵(Rubber Key)設計&確認參考一. 矽橡膠按鍵概述1. R ubber Key 按鍵基本結構塑膠面Plastic Cap鍵面Key Top (鐳射雕刻、滴膠、噴/LaserEtching 、Potting 、Coating)可選擇顏色按鍵 Optional Color Insertion Key 斜壁Wall導電部份(接触) Conductive Part (Contact) 氣坑Air Path2. 矽橡膠按鍵按力----行程曲線圖3. 不同結構矽橡按鍵特征性能及用途二.矽橡膠按鍵結構設計1.R ubber Key設計的功能要求❶. 按動按鍵時能達到設定的功能;❷. 撤除外力后, 按鍵能自動、完全复位;❸. 按鍵在按動和复位過程中有良好的手感, 無阻、滯、澀的感覺;❹. 保証按下按鍵邊緣位置時亦有作用。
2.R ubber Key結構設計要點❶. 圖示❷. 技術要求 (in drawing sheet供參考,任選)a. Actuation force: 130±35 gramsb.Tactile feedback required.c.Expected life cycle: 1 × 105minimumd.Silicone rubber hardness: 50 ~ 60°.e.Contact resistance less than 200 ohmsf.Stroke = 1.0 (or1.5) mm.g.Thickness of carbon pill = 1.0mm.h.Contact bounce less than 12m seconds.i.Pad color: optional.j.Graphic printing: optional.3.R ubber Key與塑膠殼配合❶. 一般設計規則❷間隙值推荐選擇表按鍵外形、尺寸、行程大小是影響按鍵設計間隙值大小的主要因素, 一般情況下, 外形簡單, 尺寸、行程小, 配合間隙取值就小, 反之則大。
矽橡膠按鍵(Rubber Key)設計&確認參考一.矽橡膠按鍵概述按鍵基本結構ubber Key 1.RPlastic Cap塑膠面/Laser噴膠、Top Key (鐳射雕刻、滴鍵面Coating)、、PottingEtchingKey Insertion Optional Color 可選擇顏色按鍵Wall斜壁) Conductive Part (Contact) 接触導電部份(Air Path氣坑2矽橡膠按鍵結構設計.二1.Rubber Key設計的功能要求. 按動按鍵時能達到設定的功能;. 撤除外力后, 按鍵能自動、完全复位;. 按鍵在按動和复位過程中有良好的手感, 無阻、滯、澀的感覺;証按下按鍵邊緣位置時亦有作用。
. 保 ubber Key結構設計要點2.R 示. 圖. 技術要求 (in drawing sheet供,任選) 參考±35 grams a. Actuation force: 130 b.Tactile feedback required.5 minimum× 10c. Expected life cycle: 1d.Silicone rubber hardness: 50 ~ 60°.e.Contact resistance less than 200 ohmsf.Stroke = 1.0 (or1.5) mm.g.Thickness of carbon pill = 1.0mm.h. Contact bounce less than 12m seconds.i.Pad color:optional.j.Graphic printing: optional. 3ubber Key與塑膠殼配合3.R . 一般設計規則間隙值推荐選擇表外, 按鍵外形、尺寸、行程大小是影響按鍵設計間隙值大小的主要因素, 一般情況下與塑膠殼配合間隙Rubber Key配合間隙取值就小形簡單, 尺寸、行程小, , 反之則大。
产品结构设计·产品按键结构设计要点浅析做产品结构设计,难免会遇到按键设计的需求,关于按键设计都有哪些要素,需要注意哪些细节呢?下文结合以往的一些项目和案例,做一些归纳性的总结,不足之处还请各位同行批评指正。
首先,根据结构形式,我把按键分为几大大类:独立式、悬臂式、硅胶按键、薄膜类按键和触摸式按键等独立式按键和悬臂式按键是根据产品ID要求,设计特殊造型的外置操作键,其底部通常是电路板上的按键器件。
典型按键结构各种轻触按键也有在电路板上放置锅仔片的做法:下图是一种跷跷板式的按键结构,可以看做是一种特殊的悬臂式的结构。
此种按键结构通常为一对,在按键的中央位置设计一个凸起的小柱子,面盖上设计相对应的卡位,通过塑胶弹性变形,件按键卡入面盖的卡位中,按键工作时绕中间凸起的柱子为中心轴,类似跷跷板旋转实现按键触发。
跷跷板式按键悬臂按键的悬臂设计悬臂梁厚度一般为:1.0mm~1.5mm,如果产品尺寸较小,按键尺寸和行程比较小,厚度也可小于1mm,最薄取值0.6mm。
悬臂梁宽度一般取值为厚度的1.5倍到2.5倍,一般不超过2.5mm,宽厚比设计为1:0.6为宜。
悬臂的长度L取值大于10mm,且悬臂需要是弧形,能提供按键下压时的行程造成的变形空间,如果是直臂,则有可能臂长不能拉伸而不能下压。
按键悬臂结构形式按键设计时需要统筹考虑的几大问题:行程、虚位、防呆、手感力度、装配方式,表面处理。
悬臂按键的装配方式通常是悬臂上预留空位,与装配的基座通过热熔或过盈配合的方式装配。
热熔装配悬臂按键装配牢固,但需要烫胶柱,需要热熔设备,而且装配后不可拆卸。
当空间限制,按键悬臂和行程都很短时使用热熔固定。
为方便组装作业,在悬臂足够长,按键按压行程不足以影响按键固定结构的情况下,按键固定优选过盈配合的方式。
热熔方式固定按键间隙按键设计关键尺寸•按键与面壳配合间隙A需要确保按键能被顺利按下和回弹:当按键和塑料面壳都是注塑后无表面处理时,单边配合间隙A值适当取小值,A=0.10mm~0.15mm;•当塑料按键或面板有一方需要喷油时,单边配合间隙A=0.20mm~0.25mm;当塑料按键和面板均需要喷油时,单边配合间隙A=0.30mm~0.40mm;•跷跷板式按键,摆动方向单边间隙通常需要根据按键行程和悬臂尺寸进行实际模拟,通常需要在极限尺寸的基础上增加0.25mm~0.30mm;非摆动方向配合间隙A取0.2mm~0.25mm(同用需要考虑表面处理膜厚对配合间隙的影响)。
硅胶产品设计要点学习硅胶产品设计这么久,今天来说说关键要点。
首先我理解,硅胶的特性得好好把握。
硅胶它软乎乎的,又很有弹性,还耐高温,这就意味着在设计的时候,要考虑到这些特点能带来的好处和限制。
比如说我们设计个硅胶的杯垫,就可以利用它的弹性,设计一些花纹或者造型,按压之后能迅速恢复原状,多酷啊。
但是如果要在硅胶产品里放电池之类的东西,就得考虑高温会不会对电池有影响呢?这是个容易忽略的点,我之前就迷糊过。
结构设计也相当重要。
硅胶产品有些时候需要和别的部件配合,我就想过,要是做个硅胶的手机壳,那各个按键的位置咋处理呢?肯定是要精准地预留按键孔,不能影响使用。
而且硅胶产品的结构最好有一定的合理性,像有个硅胶的小摆件,要是结构不合理,它就立不住或者变形很难看。
色彩方面呢,我总结,硅胶染色的范围很广。
我们可以玩出很多花样来。
比如那种彩色的硅胶手环,就是利用了这个特点。
但是色彩也要考虑实际的用途和使用人群。
要是个给小孩玩的硅胶玩具,色彩得鲜艳点;要是个硅胶的按摩器,可能偏向温和一点的色彩。
对了还有个要点,硅胶产品的安全性一定要重视。
毕竟硅胶可能会和人体接触或者用在生活用品上。
我有次看到个劣质的硅胶勺子,有股怪味道,这肯定不行啊。
这就像吃的东西一样,有毒有害的材料肯定不能用。
在设计的时候就要确保符合安全标准,材料来源得可靠。
在学习硅胶产品设计的时候,我也遇到很多困惑。
比如说怎么精确计算硅胶成型后的尺寸变化这个问题,因为硅胶成型过程中是会有收缩的。
后来我就到处找资料学习,还问了很多有经验的人,才慢慢有点头绪。
学习这东西吧,就得不断地探索。
说到学习资料,我觉得一些行业手册是很有用的情报来源,还有些硅胶产品的案例集,像《[品牌名]硅胶产品设计精选集》之类的,也能给我们很多启发。
我也会去一些产品设计论坛逛逛,看看人家的经验分享。
总之呢,硅胶产品设计要从硅胶特性、结构、色彩、安全这些方面综合考虑,而且要不停地学习,就像闯关一样,不断地解决遇到的问题。
PCBA方案中硅橡胶按键设计技巧一、背景介绍随着电子技术的迅猛发展,PCBA方案得到了广泛应用。
硅橡胶按键作为一种常见的输入装置,在PCBA方案中发挥着重要的作用。
本文将重点介绍硅橡胶按键的设计技巧,以帮助读者更好地理解和应用该技术。
二、硅橡胶按键的基本原理硅橡胶按键是一种采用硅橡胶材料制成的触摸式开关,其工作原理基于材料的弹性变形。
当按下硅橡胶按键时,硅橡胶材料被压缩变形,从而触发按键信号。
因此,在设计硅橡胶按键时,需要考虑到按键的尺寸、弹性和触感等因素,以确保按键的正常工作。
三、硅橡胶按键的设计要点1. 材料选择在硅橡胶按键的设计中,材料的选择至关重要。
常见的硅橡胶材料具有良好的弹性、耐热性和耐腐蚀性能,适合用于制作按键。
另外,材料的硬度也需要根据具体应用场景来确定,一般来说,硬度越高,按键的触感越硬,反之亦然。
2. 结构设计硅橡胶按键的结构设计应考虑到按键的形状、尺寸和布局,以及按键之间的间距。
合理的结构设计可以提高按键的稳定性和可靠性,减少按键误触发的可能性。
另外,还需注意按键的密封性,以防止灰尘、水气等外界物质进入按键内部。
3. 触感设计硅橡胶按键的触感设计是指按键在按下时给用户的反馈感受。
触感设计需要考虑到按键的弹性、行程和力度等参数,以使用户在使用过程中获得良好的触觉反馈。
通过合理的触感设计,可以提高产品的用户体验,并提升产品的竞争力。
四、应用案例以手机键盘为例,通过合理的硅橡胶按键设计,可以提供用户良好的按键触感和使用体验。
通过对按键的形状和布局进行优化,使用户更容易找到并按下所需的按键。
此外,通过调整按键的弹性和行程,可以提高按键的可靠性和稳定性,不易出现按键失灵或误触发的情况。
五、总结本文重点介绍了PCBA方案中硅橡胶按键的设计技巧。
通过合理的材料选择、结构设计和触感设计,可以实现硅橡胶按键的优化,提高产品的性能和用户体验。
在实际应用中,还需要根据具体需求进行进一步的优化和改进。
硅胶(RB)手机按键模具分析与制作[摘要] 作为传统按键制作中的硅胶手机按键的制作,其产品的性能特性取决于产品本身的弹性系数及缩水率。
合理地控制好这两项指标是决定产品质量优劣及使用寿命的关键性因数。
本文针对这两项性能指标,通过对产品图纸的结构分析,从排刀方法、参数选择、工序安排等方面详细地说明了硅胶模具制作的整个流程,从而确定了硅胶手机按键模具的制作工艺。
通过对G53+-RB(Y) 硅胶模模具的实际制作,验证了工艺的合理性、正确性。
[关键词] 硅胶、手机按键、结构认识、制作。
1 概述随着电子、声讯、数码产品的迅猛发展,按键已作为人类生活中时刻必定会接触到的产品。
硅胶按键作为按键行业中的一种产品,以其材料的抗氧化性能好、耐磨性好、弹性系数高、使用寿命长、价格低廉等优点,以被广泛用于日常的电器设备中。
通讯业日益蓬勃发展的今天,手机作为移动通讯设备已成为人们每天形影不离的产品。
手机按键作为手机主体的一部分,其类型分为两种:一种是P+R产品,即塑料按键与硅胶按键的粘合体,另一种是RB产品,即纯硅胶按键。
这两种产品在本质与结构上有着很大的差异。
前者为混合粘贴体,性能与质量的要求更高,工艺处理十分复杂。
P+R按键,从模具结构上,它由塑料模和硅胶模共同打出的产品粘合而成。
其中塑料模又分为PC 模,即数字键模,DB模,即接听、挂断和选择键的双色混合模和方向键(或称导航键)模。
塑料模中设有流道,用通用固定模架固定模具产品镶块。
纯塑料颗粒在注塑机内经高温熔化成液体,由注塑机的注塑头给定压力通过流道注射入模具型腔内,吹气冷却成型便成产品。
P+R按键对其质量要求非常高,这种产品的透明度要求要高于纯硅胶RB产品,且R产品的弹性系数测试要比RB产品高,这些都是由P+R按键的结构形态所决定的。
本篇论文所介绍的是常规硅胶手机按键的第二种形态:RB纯硅胶按键。
对于这类按键,虽说没有P+R按键中的R产品要求那么高,但其产品最终的弹性系数测试与控制好产品的缩水率是决定产品质量的关键性因素。
按键的结构设计按键一般来说分两种,橡胶类和塑料类。
橡胶类用的最多的是硅胶,塑料类指的是我们常用的塑料料,比如ABS,PC等。
我们在设计按键时,首先要考虑是,当按键设计未理想时,可能发生什么问题(我总结了以下几点):(一)按键按下时,卡在上盖部份,弹不回来,造成TACTSW失效.(二)按键用力按下时,整个按键下陷脱落于机台内部.(三)按键组立完成后,TACTSW就直接顶住按键,致使按键毫无压缩行程,造成TACTSW失效.(四)按键按下时,接触不到TACTSW,致使无法操作.(五)无法在按键面每一处按下,均获得TACTSW动作(尤其是大型按键较易发生).(六)外观设计未考虑周详,致使机构设计出之按键,使用时极易造成误动作.(七)按键上下或者是左右方向装反,亦或是位置装错(未考虑防呆).(八)按键不易于装入上盖.(九)按键脱落出于机台外部.(十)按键未置于按键孔中心,即按键周围间隙不平均,此项对于浮动式按键是无可避免的,对于半或全固定式按键还需相当精度才可达到只有尽可能的考虑周全,设计出来的产品才可能好,这也就是我们常说的设计要做DFMEA。
现在先说橡胶类的按键设计(主要是硅胶按键的设计):按键整个都是用硅胶(siliconRubber)押出,内底部附着一颗导电粒一起成型,其优点为:A.按键顶为软性,操作触摸时,手感较舒服.B.可将数个按键一起同时成型,且每个按键可有不同之颜色,供货商制作时较快,且产量也较多,机台组立时也较快,节省工时.C.表面不会缩水.其缺点为:A.按键操作按下时,无有用TACTSW之清脆响声,较无法用声音判别是否有动作.B.按键用力按下时,较易卡在上盖部份,弹不回来.C.按键周围间隙较不易控制,此种是属于全固定式按键中之软性按键,间隙不易控制到一样.其作用原理为利用按键内底部附着之导电粒压下,使PCB上两条原本不相导通之镀金铜箔,藉由导电粒连结线路导电使其相通(如图所示)补充几点﹔1.Tack switch 焊锡浮高,将按键顶死2.小按键力臂过短或塑料料无韧性,导致按键荷重过高。