STR开关电源
- 格式:doc
- 大小:114.00 KB
- 文档页数:9
采用厚膜 STR-5412组成的电视机开关电源摘要掌握电视机开关电源基本原理和技术指标,并利用STR-5412厚膜集成电路组成开关电源电路的设计,有利于深入理解开关电源工作原理,对扩展知识面、提高设计能力及日后从事与此相关的工作具有一定的帮助。
随着电力电子技术的发展和创新,开关电源技术也在不断地创新。
目前开关电源产品广泛应用于工业自动化控制、军工设备、科研设备、LED照明、工控设备、通讯设备、电力设备、仪器仪表、医疗设备、半导体制冷制热等领域。
而在电视机领域,电视机内部各种电路都需要稳定的直流电压作为电源,因此开关电源更是不可缺少的重要部分。
关键词:电力电子技术开关电源STR-5412目录1 课题描述 (1)2 电视机开关电源简介 (1)2.1开关电源的分类 (1)2.2开关电源的优点 (2)2.3开关电源的工作原理 (3)3 采用厚膜STR-5412组成的电视机开关电源 (4)3.1厚膜STR-5412组成的开关电源 (4)3.1.1 厚膜STR-5412组成的开关电源电路 (4)3.1.2 开关电源电路的单元电路简介 (5)3.2STR-5412厚膜集成电路 (7)总结 (9)致谢 (10)参考文献 (11)1 课题描述电视接收机内的各种电路需要稳定的直流电压作为电源,早期采用串联型电压调整型开关电源。
但是,这种电路效率低、功耗大,允许电网波动范围小,还需要体积大且笨重的电源变压器。
彩色电视机中都采用开关稳压电源,它是将市电直接整流成直流,然后通过脉冲振荡电路变换高频脉冲波,再经过高频整流和滤波,获得所需的直流电压。
2 电视机开关电源简介2.1开关电源的分类1.按开关电源稳压控制方式分(1)脉冲宽度控制式保持开关脉冲的频率不变,通过改变开关管导通时间Ton的方法,调节输出电压达到稳定。
(2)频率控制式保持开关管导通时间Ton(或截止时间Toff)不变。
通过控制开关脉冲频率(周期),相应调节脉冲占空比,使输出电压达到稳定。
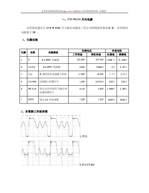
STR-W6856型彩电开关电源精讲作者王勇STR-W6856(6854)是SANKEN公司最新研制的电源控制芯片,此IC是一种高性能电压模式控制器,内藏功率MOSFET和FL YBACK(反馈)型控制器。
使用该IC的开关电源稳定性高;电路简洁,因此在目前的单片机心彩电中得到了广泛的运用。
STP-W6856电源控制芯片具有完善的过流、过压、过热保护功能。
为了实现电源在全负载范围的高效率的工作,IC设置了轻、中、重三种负载工作方式,IC内部控制器根据负载的状态自动进行工作方式的切换。
该IC的框图如图1所示。
为了说明STR-W6856型开关电源的工作过程,下面以TCL-AI29266B彩电开关电源电路为例进行说明,该电源电路如图2所示。
一、电路简述+300V电压经开关变压器T803的①—⑤绕组加到IC801(STR-W6856)①脚(内连接调整管漏极D)。
同时,市电经桥堆中的一只二极管整流后再经启动电阻R803限流,对C813进行充电,当C813两端的电压达到IC801启动电压(18.2V)时,IC801开始工作。
其脉冲振荡电压经过均衡驱动电路,输出到IC801内部调整管的栅极,在开关脉冲的作用下调整管开始工作,并在T803的初级①—⑤绕组上产生高频开关脉冲,T803次级绕组上感应出相应脉冲电压,经过次级绕组各自的整流、滤波、稳压电路,分别输出:+130V、+33V、+18V、+12V、+9V、+5V等各种不同的直流稳压电源,供给整机各部分使用,其中:+130V主电源,主要供给行扫描输出电路工作;+33V调谐电压,主要供TU调谐工作;+18V电压,主要供IC601伴音功放电路工作;+12V 电压经IC803 (L7809) 和IC804(L7805)稳压后输出+9V和+5V直流电压,供芯片小信号处理电路工作。
二、单元电路分析1.电源启动电路通电后,AC220V市电经半波整流、K803限流、C813滤波后给IC801④脚供电,如图3所示。
详解自激开关电源电路图该文章讲述了详解自激开关电源电路图.自激开关电源电路图,STR41090电源属于自激式并联型开关电源,适应电网电压能力为150-280V。
振荡过程 C808上约300V直流电压经R811加到N801的(2)脚内部开关管的B极,同时经T802的(1)、(3)绕组加到N801的(3)脚内部开关管的C极,开关管开始导通,电流流过T802的(1)、(3)绕组,在(1)、(3)绕组产生感应电压,极性为(3)正(1)负,经耦合,在(6)、(7)绕组也产生感应电压,极性为(7)正(6)负,此正反馈电压经C819、R817、R816送回到N801的(2)脚,使开关管电流进一步增大,雪崩的过程使开关管迅速饱和。
开关管饱和期间,T802(1)、(3)绕组的电流线性增大,VD821、VD822截止,T802储存磁场能量。
由于C819不断被充电,使N801的(2)脚电压不断下降,到某一时刻,N802(2)脚上的电压不能维持内部开关管的饱和,开关管退出饱和状态,C极电流减小,T802各绕组的感应电压极性全部翻转,反馈绕组(6)、(7)脚的电压极性为(6)正(7)负,经C819、R817、R816送到N801的(2)脚,使N801(2)脚电压进一步减小,又一雪崩过程使开关管迅速截止。
开关管截止期间,VD821导通,在C822电容上形成112V电压;VD822也导通,在C824电容上形成18V电压,T802储存的磁场能量被释放。
另一方面,C819上的电压经R817、R816、VD812、VD813放电,同时300V电压经R811给C819反向充电,这两个因素使C819左端的电压回升,即N801(2)脚的电压回升,当(2)脚电压上升0.6V以上时,开关管再次导通,开始下一周期的振荡。
稳压电路稳压电路由STR41090内部完成,T802的(5)、(6)脚为取样绕组,经VD814整流、C817滤波,在C817上形成取样电压,在正常情况下,C817上的电压约为84V,若输出电压112V升高,则取样电压也必定升高,该取样电压经R815送到N801的(1)脚,通过内部调节,最终使输出电压稳定在112V。
1 课题描述开关型稳压电源的种类很多,分类方法也有多种。
从推动功率管的方式来分可分为自激式和它激式,在自激式开关电源中由开关管和高频变压器构成正反馈环路来完成自激振荡;它激式开关稳压电源必须附加一个振荡器,振荡器产生的开关脉冲加在开关管上,控制开关管的导通和截至。
按开关管的个数及连接方式可分为单端式、推挽式、半桥式和全桥式等,单端式开关电源仅用一个开关管,推挽式和半桥式采用两个开关管,全桥式则采用四个开关管。
按开关管的连接方式,开关电源分为串联型与并联型开关电源,串联型开关电源的开关管是串联在输入电压与输出负载之间的,属于降压式稳压电路;而并联型开关电源的开关管是并联在开关电源之间的,属于升压式电路。
一般来说,功率很小的电源(1~100W)采用电路简单、成本低的反激型电路较好;当电源功率在100W以上且工作环境干扰很大、输入电压质量恶劣、输出短路频繁时,则应采用正激型电路;对于功率大于500W、工作条件较好的电源,则采用半桥或全桥电路较为合理;如果对成本要求比较严,可以采用半桥电路;如果功率很大,则应采用全桥电路;推挽电路通常用于输入电压很低、功率较大的场合[1-3]。
2 开关电源原理图设计2.1 正激电路正激电路如图1所示。
图1 正激电路电路的工作过程:(1)开关S开通后,变压器绕组N1两端的电压为上正下负。
与其耦合的N2绕组两端的电压也是上正下负,因此VD1处于通态,VD2为断态,电感L 的电流逐渐增长;(2)S关断后。
电感L通过VD2续流,VD1关断。
S关断后变压器的激磁电流经N3绕组和VD3流回电源,所以S关断后承受的电压为。
(3)变压器的磁心复位:开关S开通后,变压器的激磁电流由零开始,随着时间的增加而线性的增长,直到S关断。
为防止变压器的激磁电感饱和,必须设法使激磁电流在S关断后到下一次再开通的一段时间内降回零,这一过程称为变压器的磁心复位。
正激电路的理想化波形如图2所示。
图2 正激电路理想化波形变压器的磁心复位时间为:Tist=N3*Ton/N1输出电压:输出滤波电感电流连续的情况下:Uo/Ui=N2*Ton/N1*T磁芯复位过程:图3 磁芯复位2.2 反激电路反激电路原理图如图4所示。
开关电源厚膜集成电路各引脚的功能大全在这里搜集了一些常用厚膜集成电路各引脚的功能:STR51213、STR50213、STR50103引脚号引脚功能1接地,内接稳压基准电路2开关管基极3开关管集电极4开关管发射极5误差比较电压信号输入,兼待机控制STR3302、STR3202引脚号引脚功能1内部半桥变换电路场效应管工作电源输入300V 2空脚3高端场效应管触发信号输入4高端激励触发信号输出5空脚6接地7控制振荡器频率的定时电容外接端8稳压与直流待机控制信号输入9控制振荡器频率的定时电阻外接端10软启动阻容器件外接端11延迟关断控制端,外接欠压保护监控电路12内部振荡及其信号处理电路供电端13低端激励触发信号输出14过流保护检测输入端,高于0.7V时起控15低端场效应管触发信号输入16接地17空脚18半桥式场效应管变换控制输出端19高端触发激励电路自举升压端STR5741、STR5941引脚号引脚功能1开关管集电极2开关管发射极3开关管基极4内接反馈量自动调整管的集电极5内接反馈量自动调整管的基极6软启动保护控制电压输入7接地8稳压控制电路误差取样电压输入9基准电压比较输入STR-6307、STR6308、STR6309引脚号引脚功能1内接开关管集电极2内接开关管发射极3内接开关管基极4反馈兼恒流驱动端5反馈信号激励控制6软启动保护控制信号输入7接地端8稳压控制/保护控制输入9稳压控制电路电源输入端STR-6707、STR6708、STR6709引脚号引脚功能1内接开关管集电极2内接开关管发射极3内接开关管基极4开关管基极驱动电流输入端,内接驱动5开关管基极驱动电流输出端6内部过电流保护检测电压输入端7稳压控制信号反馈输入端8开关管导通、截止时间的控制端9内等效电路的电源电压输入兼保护输入STR5707、STR5708引脚号引脚功能1内接开关管集电极2内接开关管发射极3内接开关管基极4线性驱动电路反馈信号输入端5过电流保护检测电压输入端6内部运放同相工作电压输入端7稳压控制取样信号输入8开关管工作状态控制脉冲输出9内等效电路的电源电压输入兼保护输入STR54041、STR59041引脚号引脚功能1基准电压比较输入2启动脉冲输入,内接开关管基极3脉冲电源输入,内接开关管集电极4内部电路接地,内接开关管发射极STR66011稳压控制脉冲调整信号输入2启动电压输入,内接开关和基极3内接开关管集电极4内接开关管发射极5内部分流管与激励管供电输入STR40090、STR41090引脚号引脚功能1内部取样放大电路基准工作电源输入端2振荡启动电压输入,内接开关管基极3开关管集电极4开关管过流保护监测,内接开关管发射极5稳压控制信号误差电压输入STR6259引脚号引脚功能1内接开关管漏极300V2开关管过流检测,内接开关管源极3接地4过流保护检测输入5电源、启动、保护检测电压输入6稳压控制信号误差电压输入7双重保护触发脉冲信号输入STR6833引脚号引脚功能1内接开关管漏极300V2开关管过流检测,内接开关管源极3接地4过流保护检测输入5电源、启动、保护检测电压输入6稳压控制信号误差电压输入7过压保护触发脉冲信号输入端STR6821、STR6831、STR65451内接开关管漏极300V2开关管过流检测,内接开关管源极3接地4过流保护检测输入5电源、启动、保护检测电压输入6稳压控制信号误差电压输入7双重保护触发脉冲信号输入STR2152引脚号引脚功能1内部场效应管工作电源输入2变换电路场应管输出信号反馈输入3接地4控制振荡器频率的定时电容外接端5稳压与直流待机控制信号输入6控制振荡器频率的定时电阻外接端7软启动电阻,电容外接端8延迟关断电容外接端9内部振荡及其信号处理电路供电10内部基准电压输出端兼末级场效应管控制部分电源输入11过渡保护检测输入12接地13空脚14开关场效应管变换控制输出15自举升压,外接自举升压元件STR50115引脚号引脚功能1接地2振荡启动电压输入,开关管基极3开关管集电极4+B电压输出,开关管发射极5稳压控制比较电压输入,接误差放大管基极(内) STR4302引脚号引脚功能1场效应管工作电压输入300V2接地3外接控制振荡频率的定时电阻4控制振荡器的定时电容保护端5稳压与直流待机控制信号输入6控制振荡器最大频率判定电阻外接端7外接软启动电阻、电容8延迟关断电容外接端9内部振荡及其信号处理与控制电路供电10内部基准电压输出兼场效应管控制电源输入11过流保护检测输入12接地13空14开关管变换控制输出15高端触发激励电路电源输入、接自举升压元件IX0512引脚号引脚功能1内部取样放大电路基准工作电源输入2振荡启动电压输入,开关管基极3开关管集电极4开关管过流保护检测,开关管发射极5稳压控制信号误差电压输入KA3S0680引脚号引脚功能1开关管漏极2开关管源极,接地3电源启动电压输入4稳压控制信号输入5振荡电路外同步信号输入TDA2581引脚号引脚功能1内部鉴相器误差电压输出2行逆程脉冲信号输入3行同步脉冲信号输入4软启动电路外接偏置电阻兼遥控控制信号输入5软启动控制,主要用来控制开机时开关脉冲的占空比6开关管过流保护检测输入,-0.7V时保护7稳压保护检测电压输入,7V以上时保护8稳压控制电路取样检测信号输入9集成块内部电源电压输入10稳压控制电路基准电压输入11行频激励开关脉冲输出12开关脉冲最大允许占空比控制信号输入13振荡器频率控制,外接RC元件14低通滤波,对1脚的误差电压进行滤波形成基准电压15低通滤波,对1脚的误差电压进行滤波形成AFC电压16地TEA2260/2261引脚号引脚功能1开关变压器磁饱和消除检测信号输入,有些机型接地2外部控制脉冲信号输入,有些机型接地3过流保护检测信号输入4地5地6误差取样电压输入7内部误差信号输出,反馈到6脚8重复过载保护电容外接端9软启动电容外接10振荡定时电容11振荡定时电阻12地13地14开关脉冲驱动信号输出,正向时电流出,反向时电流入15内部正向驱动管集电极工作电源输入16内部电路工作电源输入STR6653、TR6654、TR6656引脚号引脚功能1过流检测输入兼稳压控制输入2内接MOS开关管源极3内接开关管漏极4电源、启动、保护检测电压输入5接地STR6707引脚号引脚功能1过流检测输入2开关管发射极3开关和集电极4电源启动电压输入5热地端STR2152引脚号引脚功能1内部末级半桥变换电路场效应管工作电源输入2变换电路场效应管输出信号反馈输入3接地4外接控制振荡器频率的定时电容5稳压与直流待机控制信号输入6外接控制振荡器频率的定时电阻7外接软启动电阻、电容8延迟关断电容外接端9内部振荡及其信号处理电路供电10内部基准电压输出兼末级场效应控制部分电源11过流保护检测输入12接地13空脚14半桥式开关场效应管变换控制输出15自举升压脚,外接自举升压元件SMR62000引脚号引脚功能1正反馈输入起输出功率限定作用2启动电压输入,内接场效应开关管栅极3开关管漏极300V4过流保护取样,开关管源极5稳压控制电压输入TDA16846引脚号引脚功能1断路时间控制,外接定时RC电路2初级绕组电流检测输入3过零检测信号输入4软启动时间控制,外接定时电容5稳压控制信号输入6误差比较2反向信号输入7RC振荡基准同步信号输入8空脚9基准电压、电流输出10误差1同向信号输入11主电压监测信号输入,高于1V时电源停振12地13开关管开关状态的激励脉冲信号输出14集成块工作电源输入IR2112引脚号引脚功能1低端驱动脉冲信号输出2低端场效应驱动输出基准点3低端驱动器RS触发器与驱动输出电路供电4空5高端场效应管驱动输出基准点外接场效应管源极6高端驱动器RS触发器与驱动输出电路供电7高端驱动脉冲信号输出8空9芯片内部电路供电10高端驱动脉冲信号输入11低端驱动脉冲信号输入12低端驱动脉冲信号输入13地14空TDA8133引脚号引脚功能1电源输入12电源输入23延迟器退耦4失效控制指令输入5地6复位控制7空8受控电源输出29受控电源输出1TDA4601引脚号引脚功能1内部基准电压输出2过零检测触发电压信号输入3稳压控制误差信号输入4集成电路内部模拟电流输入5保护控制信号输入6地7振荡电路反向驱动电压输出8振荡电路正向驱动电压输出9集成块内部电路工作电源输入TEA5170引脚号引脚功能1外接软启动电容构成电源软启动控制2芯片内部电路供电,3脉宽调制器产生的PWM脉冲信号输出4地5误差电压放大器倒相输入,外接+B电压取样电路6误差电压放大器输出7振荡器电路外接定时电容8振荡器电路定时电阻UC3842引脚号引脚功能1误差电压放大器输出2电压反馈信号输入,与内部2.5V基准电压进行比较后产生误差控制信号3主回路电流2检测,具有过流保护功能4定时端子5地6驱动信号输出7电源供电8内部电压输出HIC1015、HIC1016引脚号引脚功能1开关电源输出的+B电压取样电路控制电压输入2过流保护控制检测信号输入3开关电源稳压控制误差信号输入兼待机、开机控制输出4空5开关电源稳压控制误差放大电路基准电压输入6内部过流保护监控电路输出信号滤波7地8内部控制电路偏置电压输入9遥控待机、开机控制信号输入10内部放大电路工作状态控制,一般未用11内部放大电路工作副电源输入,一般均为空12行扫描电路工作电源输入13空14过流、过压保护监测电压信号输入15+5V电源输入16过流、过压保护监控电压输出17地TDA8380引脚号引脚功能1开关管正向驱动电流输出,正向驱动管发射极2正向驱动管供电,管的集电极3防磁饱和检测兼过零检测信号输入4输入到5脚电源的欠压保护基准电平设置端5内部电源输入6主基准电流设定端7稳压控制取样电压反馈信号输入8误差放大信号输出9PWM脉冲调制输入10外接振荡定时电容11振荡电路外部同步脉冲信号输入12脉宽调制占空系数设置兼软启动控制端13过流保护检测信号输入14地15内接反向驱动管发射极16开关管反向驱动信号输出,内接反向驱动管集电极TEA2164引脚号引脚功能1地2开关变压器初级电流检测输入3重复过载电压输入4地5地6稳压控制的误差电压或同步脉冲信号输入7振荡定时电阻外接8振荡定时电容外接9控制振荡TON的直流取样电压输入10软启动控制,外接软启动电容11过流检测,一般接地12开关管驱动脉冲信号输出,一般接地13同上14开关管驱动脉冲信号输出15正向驱动电路直流供电16芯片供电端兼过压、欠压保护检测端MC44603引脚号引脚功能1芯片电源电压兼启动电压、过压、欠压保护检测2芯片内部脉冲缓冲驱动输出级供电3开关管驱动脉冲输出4地5过载保护阀值点调整控制6过压保护触发信号7初级电流检测8开关变压器去磁保护检测控制9振荡器外接同步控制信号输入10正常工作模式振荡频率定时电容11振荡器软启动控制,外接软启动时间常数电容12降频工作模式时开关电源最小负载阀什电平设定脚13翻转触发、正常工作信号输出兼误差放大器输出14反馈取样电压输入15待机工作模式振荡频率定时控制,外接振荡定时电阻16基准模块电阻外接脚MC33025引脚号引脚功能1误差放大器反向输入,外接过流保护检测取样电路2误差放大器同向输入,外接固定基准电压3误差放大器输出,作过流保护输出4同步发生器时钟信号输出,5锯齿波振荡定时电阻外接6锯齿波振荡器定时电容外接端兼锯齿波输出7振荡器放电端即PWN器同相输入8软启动控制,外接软启动电容9驱动脉冲关闭兼过流保护控制输入10地11脉宽信号输出12地13脉宽放大部分电路的供电电源输入14脉宽信号输出15芯片内部电路供电165.1V基准电压输出将会持续搜集新出来的电源厚膜块各引脚的作用资料,欢迎分享到QQ,让我们一起维修!。
利用STR 设计34″彩色电视机开关电源摘要:介绍Sanken公司的混合型开关电源ICSTR F6600系列的原理和应用,作为实例,介绍了使用STR F6656设计一个34″彩电用的开关电源,并给出满意的实验结果。
1引言混合型电源ICSTR F6600系列是日本Sanken电气公司的近年产品。
它内含MOSFET及控制IC部分,是专门为反激型变换器设计的,特适用于彩色电视机开关电源。
该混合IC可工作于准谐振方式以及脉冲占空比控制(PRC——PulseRatioControl)方式。
它具有常规第二代SMPSIC的特点,即采用次级输出采样及光耦反馈稳压、准谐振、高效率、宽输入范围、良好的输入电压调整率和负载输出特性,还有过流、过压及热保护等。
相对于同类型的其它厂家IC,它多了一个热保护以及开关电噪声较小,可简化或甚至取消浪涌吸收电路。
本文介绍该系列IC的工作原理,在此基础上描述怎样利用它设计制造一个34″彩色电视机开关电源。
文中给出样机电源电路,变压器设计以及实验结果。
实验表明,该电源完全符合电视机电气要求,它外围元件少,设计容易,稳定度高。
在高温、低温、EMI、短路和开路等环境和安全实验中均符合国家标准,是一个不可多得的简单和高效能的电视机实用开关电源。
2混合型开关电源控制器STR F6600系列原理和特性简介图1给出了STR F6600系列的原理方框图。
这是一个有一个引出脚的塑料封装IC,其每脚功能简述见表1。
表1STR F6600系列每脚功能2 1起动电路当AC电源在t0加入时,由图2可知,在半个周期内,A点对地峰值电压VA≈Vd(整流电压),VA经过R902向C909充电,使IC脚④上电压Vin 近似线性上升(见图3)。
当Vin上升到阈值电压Vin(ON)=16V图1STR F6600系列方框图图2起动电路图3起动时Vin端口电压的波形时,IC内的控制电路开始起动,Vin端口上的输入电流Iin由100μA突升到30mA,电容C909来不及供电而使Vin下降。
TCL-AT25211 STR-W6856(6854)开关电源电路的工作原理浅析作者:刘一东开关电源电路是采用SANKEN公司最新研制的STR-W6854(6856)电源控制芯片,它是高性能电压模式控制器,内藏功率MOSFET和控制器的FLYBACK(电压反馈)型开关电源用厚膜集成电路。
使用该IC可以大量减少电源元件的数量,简化电路的设计。
在现在的电视机中得到了广泛的运用。
STR-W6854电源控制芯片具有完善的过流、电压检测保护功能、内部热保护功能、过负荷保护功能。
它主要工作模式:为了实现电源在全负载范围的高效率的工作,电源设置了三种工作方式:轻负载、中等负载、重负载。
IC控制器根据负载的状态自动进行工作方式的切换。
一、电路的原理简介1.工作原理简述:当插上电源开关后,AC220V/50HZ的交流市电,经过电源开关S801、F801、以及C801、T801A和C802、T801组成共模滤波器,把供电电路引入的各种电磁干扰抑制掉,消除电网电压中的高频干扰脉冲。
T801A和T801的感量都很大,分布的电容小,对非对称信号来说,T801A和T801及其前后联接的电容C801、C802,可以看成л型滤波器,对非对称信号有很好的滤除作用,而对从市电线路进入的对称性干扰信号来说,流过T801SA和T8021两线圈的干扰电流,其大小相等,方向相反,因而能够相互抵消。
由于共模滤波器具有双向性,即对随交流电供电线路引入的干扰信号,及由开关稳压电源高频振荡注入交流市电的电磁干扰具有同等的抑制作用。
所以共模滤波器是改善电视机电磁兼容性的一种有效措施。
电路如图⑪所示。
( 1)经干扰抑制后的市电,进入桥硅DB801(桥式全波整流)输出约+300V(空载时)不稳压直流脉冲电压,经C806、C807平滑滤波,由开关变压器T802的⑦、⑨脚绕组加到IC801(STR-W6854)第①脚,内部连接了调整管漏极D。
与此同时,电源输入端220V电压由桥硅DB801中的一个二极管半波整流后得到的脉动直流电,经R803(820K)限流,对C813(4.7UF)进行快速充电,以提供IC 801的启动电压,当C813两端的电压达到IC801启动电压(18.2V)时,STR-W6854开始工作。
STR-A60xxHDescriptionThe STR-A60xxH series are power ICs for switching power supplies, incorporating a power MOSFET and a current mode PWM controller IC. Including a startup circuit and a standby function in the controller, the product achieves low power consumption, low standby power, and high cost-effectiveness power supply systems with few external components.The STR-A60xxH internal MOSFET has a V DSS of 650 V(min) or 700 V(min), and an R DS(on) of 2.8 or 6.0 Ω with a frequency of 100 kHz. Power output is rated at 10 or 15 W at 230 V AC input and 8 or 13 W at wide input range (85 to 265 V AC).The device is provided in an industry-standard DIP-8 package, with pin 6 removed for increased isolation.Features and Benefits▪ Small DIP8 package with10 to 15 W power output 230 V AC ▪ Current Mode PWM control with 100 kHz switching frequency▪ Built-in Random Switching function, reducing EMI noise, and simplifying EMI filters, and therefore reducing cost ▪ Built-in Slope Compensation function, avoiding subharmonic oscillation▪ Built-in Auto Standby function (Input Power, P IN < 25 mW at no load)▫ Normal operation: PWM mode▫ Light load operation: Standby mode (burst oscillation)▪ Built-in Audible Noise Suppression function during Standby mode▪ Built-in Startup Circuit, reducing power consumption in standby operation, and eliminating external components.▪ Bias-Assist function, improving startup operation,suppressing V CC voltage drop in operation, and allowing use of smaller V CC capacitorCurrent Mode Control PWM Regulator ICFor Switching Power SuppliesTypical ApplicationNot to scaleContinued on the next page…Applications:For switching power supplies used in:• Battery chargers for cell phones, digital cameras, video cameras, shavers, emergency lights• Stand-by power for LCD TVs, desktop PCs, LB Printers, audio equipment• Small switched-mode power supplies for inkjet printers, DVD/CD players, set-top boxes• Auxiliary power supplies for A/C, refrigerators, washers, dish washers, and other white goodsPackage: 8-pin DIPFeatures and Benefits (continued)▪ Built-in Leading Edge Blanking function▪ Built-in High Speed Latch Release function, releasing the latch shutdown immediately at turning off AC supply▪ Two-chip structure, with a controller and a power MOSFET with guaranteed avalanche energy available to simplify surge absorber circuits▪ Protection functions:▫ Brown-In and Brown-Out Protection function: auto-restart,prevention of excess input current and heat rise at low inputvoltage ▫ Overcurrent Protection function (OCP): pulse-by-pulse built-in compensation circuit to minimize OCP point variation on AC input voltage▫ Overload Protection function (OLP): auto-restart, built-in timer, reduces heat during overload condition, and no external components required▫ Overvoltage Protection function (OVP): latched shutdown▫ Thermal Shutdown Protection function (TSD): shutdown latches device off to prevent continuous oscillationSelection GuidePart Numberf OSC(kHz)MOSFETV DSS(min)(V)R DS(on)(max)(Ω)P OUT*(W)Package Packing230 V WideSTR-A6059H100650 6.0108DIP8 with pin 6 removed50 pieces per tubeSTR-A6062H7002.81513STR-A6069H 6.0108* The listed output power is based on the package thermal ratings, and the peak output power can be 120% to 140% of the value stated here. At low output voltage and short duty cycle, the output power may be less than the value stated here.Absolute Maximum Ratings1 Valid at T A = 25°C, unless otherwise specifiedCharacteristic Symbol Notes Terminals Rating UnitDrain Current2I Dpeak Single pulse STR-A6059H8 – 1 1.8A STR-A6062H8 – 1 3.0A STR-A6069H8 – 1 1.8ASingle Pulse Avalanche Energy3E ASSingle pulse, V DD = 99 V,L = 20 mHSTR-A6059H8 – 124mJSTR-A6062H8 – 156mJSTR-A6069H8 – 124mJ I LpeakSingle pulse, V DD = 99 V,L = 20 mHSTR-A6059H8 – 1 1.8ASTR-A6062H8 – 1 2.2ASTR-A6069H8 – 1 1.8AS/OCP Terminal Voltage V OCP 1 – 3 –2 to 6V Controller IC (MIC) Supply Input Voltage V CC 5 – 332V FB/OLP Terminal Voltage V FB 4 – 3 –0.3 to 14V FB/OLP Terminal Sink Current I FB 4 – 3 1.0mA BR Terminal Voltage V BR 2 – 3 –0.3 to 7V BR Terminal Sink Current I BR 2 – 3 1.0mA MOSFET Power Dissipation4P D1Mounted on a 15 mm × 15 mm PCB8 – 1 1.35W Controller IC (MIC) Power Dissipation P D2 5 – 3 1.2WOperating Ambient Temperature T OP Maximum recommended internal leadframetemperature, T F(max) = 115°C– –20 to 125°CStorage Temperature T stg – –40 to 125°C Channel Temperature T ch – 150°C 1Current characteristics are defined based on IC as sink ( +), or source ( –).2Refer to MOSFET Safe Operating Area Curve.3Refer to MOSFET Avalanche Energy Derating Coefficient Curve.4Refer to MOSFET Temperature versus Power Dissipation Curve.7,8 Functional Block Diagram1 2 3 4875D/STD/STVCCS/OCPBRGNDFB/OLPPin-out DiagramTerminal List TableNumber Name Function1S/OCP MOSFET source, and input for Overcurrent Protection detection signal2BR Input for Brown-In and Brown-Out Protection detection voltage3GND Ground4FB/OLP Input for constant voltage control signal, and input for Overload Protection signal 5VCC Input for power supply for control circuit6–(Pin removed)7, 8D/ST MOSFET drain, and input for startup currentElectrical Characteristics1 Valid at V CC = 18 V, T A = 25°C, unless otherwise specifiedCharacteristic Symbol Terminal Min.Typ.Max.Unit Operation Start Voltage V CC(ON) 5 – 313.815.316.8V Operation Stop Voltage2V CC(OFF) 5 – 37.38.18.9V Circuit Current in Operation I CC(ON) 5 – 3 – – 2.5mA Minimum Startup Voltage V ST(ON) 5 – 3 –38 –V Startup Current I STARTUP 5 – 3 –3.7 –2.5 –1.5mA Startup Current Supply Threshold Voltage2V CC(BIAS) 5 – 38.59.510.5V Average Switching Frequency f OSC(av)8 – 390100110kHz Switching Frequency Variance Range∆f8 – 3 –8 –kHz Maximum Duty Cycle D MAX8 – 3778389% Minimum On-Time t ON(MIN) – –470–ns Leading Edge Blanking Time t BW––280 –ns OCP Compensation Coefficient D PC––33–mV/μs Maximum Duty Cycle for OCP Compensation D DPC––36–% OCP Threshold Voltage at Zero Duty Cycle V OCP(L) 1 – 30.700.780.86V OCP Threshold Voltage at 36% Duty Cycle V OCP(H) 1 – 30.810.90.99V Maximum Feedback Current I FB(MAX) 4 – 3 –340 –230 –150μA Minimum Feedback Current I FB(MIN) 4 – 3 –30 –15 –7μA Oscillation Stop FB/OLP Voltage V FB(OFF) 4 – 30.850.95 1.05V OLP Threshold Voltage V FB(OLP) 4 – 37.38.18.9V OLP Delay Time t OLP 4 – 3546882ms Operation Current After OLP I CC(OLP) 5 – 3 –300600μA FB/OLP Terminal Clamp Voltage V FB(CLAMP) 4 – 31112.814V Brown-In Threshold Voltage V BR(IN) 2 – 3 5.2 5.66V Brown-Out Threshold Voltage V BR(OUT) 2 – 3 4.45 4.8 5.15V BR Terminal Clamp Voltage V BR(CLAMP) 2 – 36 6.47V BR Function Disabling Threshold V BR(DIS) 2 – 30.30.480.7V OVP Threshold Voltage V CC(OVP) 5 – 3262932V Latch Circuits Sustaining Current3I CC(LATCH) 5 – 3 –700 –μA Thermal Shutdown Operating Temperature T J(TSD) 5 – 3135 – –°C 1Current characteristics are defined based on IC as sink ( +), or source ( –).2V CC(BIAS) > V CC(OFF).3A latch circuit is a circuit operated with Overvoltage Protection (OVP) and/or Thermal Shutdown Protection (TSD) in operation.MOSFET Electrical Characteristics Valid at T A = 25°C, unless otherwise specifiedCharacteristic Symbol Device Terminal Min.Typ.Max.UnitDrain-to-Source Breakdown Voltage V DSS STR-A6059H8 – 1650 – – V STR-A6062H8 – 1700 – – V STR-A6069H8 – 1700 – – VDrain Leakage Current I DSS All8 – 1 – – 300μAOn-Resistance R DS(on)STR-A6059H8 – 1 – – 6ΩSTR-A6062H8 – 1 – – 2.8ΩSTR-A6069H8 – 1 – – 6ΩSwitching Time t f All8 – 1 – – 250ns Thermal Resistance*RθchC All – – – 22°C/W *Case temperature, T C, is defined at the center of surface on the branded side of the package.Typical application circuit example. Brown-in/Brown-out function enabled byconnecting the BR terminal to a resistive dividerTime (s)1010.10.0110-610-510-410-310-210-1T r a n s i e n t T h e r m a l R e s i s t a n c e , R θc h -c (°C /W )Transient Thermal Resistance CurveAmbient Temperature, T A (°C)1.61.41.21.00.80.60.40.20A l l o w a b l e P o w e r D i s s i p a t i o n , P D 1 (W )MOSFET Temperature versus Power Dissipation CurveChannel Temperature, T ch (°C)100806040200255075125100150E A S T e m p e r a t u r e D e r a t i n g C o e f f i c i e n t (%)MOSFET Avalanche Energy Derating Coefficient CurveDrain-to-Source Voltage, V DS (V)1001010.10.01D r a i n C u r r e n t , I D (A )Channel Temperature, T ch (°C)100806040200020406010080120S a f e O p e r a t i n g A r e a T e m p e r a t u r e D e r a t i n g C o e f f i c i e n t (%)S. O. A. Temperature Derating Coefficient CurveCharacteristic PerformanceSTR-A6059HTime (s)1010.10.0110-610-510-410-310-210-1T r a n s i e n t T h e r m a l R e s i s t a n c e , R θc h -c (°C /W )Transient Thermal Resistance CurveAmbient Temperature, T A (°C)1.61.41.21.00.80.60.40.20A l l o w a b l e P o w e r D i s s i p a t i o n , P D 1 (W )MOSFET Temperature versus Power Dissipation CurveChannel Temperature, T ch (°C)100806040200255075125100150E A S T e m p e r a t u r e D e r a t i n g C o e f f i c i e n t (%)MOSFET Avalanche Energy Derating Coefficient CurveDrain-to-Source Voltage, V DS (V)1001010.10.01D r a i n C u r r e n t , I D (A )Channel Temperature, T ch (°C)100806040200020406010080120S a f e O p e r a t i n g A r e a T e m p e r a t u r e D e r a t i n g C o e f f i c i e n t (%)S. O. A. Temperature Derating Coefficient CurveCharacteristic PerformanceSTR-A6062HTime (s)1010.10.0110-610-510-410-310-210-1T r a n s i e n t T h e r m a l R e s i s t a n c e , R θc h -c (°C /W )Transient Thermal Resistance CurveAmbient Temperature, T A (°C)1.61.41.21.00.80.60.40.20A l l o w a b l e P o w e r D i s s i p a t i o n , P D 1 (W )MOSFET Temperature versus Power Dissipation CurveChannel Temperature, T ch (°C)100806040200255075125100150E A S T e m p e r a t u r e D e r a t i n g C o e f f i c i e n t (%)MOSFET Avalanche Energy Derating Coefficient CurveDrain-to-Source Voltage, V DS (V)1001010.10.01D r a i n C u r r e n t , I D (A )Channel Temperature, T ch (°C)100806040200020406010080120S a f e O p e r a t i n g A r e a T e m p e r a t u r e D e r a t i n g C o e f f i c i e n t (%)S. O. A. Temperature Derating Coefficient CurveCharacteristic PerformanceSTR-A6069HMaterial of terminal: CuTreatment of terminal: Solder plating (Pb-free)Weight: Approximately 0.51 g Unit: mmAppearance: The body shall be clean and shall not bear any stain, rust, or flaw.Marking: The type number and lot number shall be clearly marked.a. Type Number: A60**b. Lot Number:1st letter: Last digit of year 2nd letter: Month1 to 9 for Jan. to Sept. O for Oct. N for Nov. D for Dec. 3rd letter: Weekc. Sanken Registration NumberPackage Outline Drawing, DIP-8Leadframe plating Pb-free. Device composition compliant with the RoHS directive.Packing Specifications50 tubes per inner carton (maximum)2500 pieces maximum per inner carton 4 inner cartons per outer carton (maximum)10,000 pieces maximum per outer cartonBecause reliability can be affected adversely by improper storage environments and handling methods, please observe the following cautions.Cautions for Storage• Ensure that storage conditions comply with the standard temperature (5°C to 35°C) and the standard relative humidity(around 40% to 75%); avoid storage locations that experienceextreme changes in temperature or humidity.• Avoid locations where dust or harmful gases are present and avoid direct sunlight.• Reinspect for rust on leads and solderability of products that have been stored for a long time.Cautions for Testing and HandlingWhen tests are carried out during inspection testing and otherstandard test periods, protect the products from power surgesfrom the testing device, shorts between the product pins, andwrong connections.Remarks About Using Silicone Grease with a Heatsink• When silicone grease is used in mounting this product on a heatsink, it shall be applied evenly and thinly. If more siliconegrease than required is applied, it may produce excess stress. • Volatile-type silicone greases may crack after long periods of time, resulting in reduced heat radiation effect. Silicone greasewith low consistency (hard grease) may cause cracks in the mold resin when screwing the product to a heatsink.• Our recommended silicone greases for heat radiation purposes, which will not cause any adverse effect on the product life, areindicated below:Type SuppliersG746Shin-Etsu Chemical Co., Ltd.YG6260Momentive Performance Materials Holding, Inc.SC102Dow Corning Toray Co., Ltd.Soldering• Leadframetemperature,T F, should not exceed 115°(max)• When soldering the products, please be sure to minimize the working time, within the following limits:260±5°C 10 s350±5°C 3 s (solder iron)• To avoid internal chip damage, soldering on each of the lead-pins should be at a distance of at least 1.5 mm away from the body of the products.Electrostatic Discharge• When handling the products, the operator must be grounded.Grounded wrist straps worn should have at least 1 MΩ ofresistance from the operator to ground to prevent shock hazard, and it should be placed near the operator.• Workbenches where the products are handled should be grounded and be provided with conductive table and floor mats.• When using measuring equipment such as a curve tracer, the equipment should be grounded.• When soldering the products, the head of soldering irons or the solder bath must be grounded in other to prevent leak voltages generated by them from being applied to the products.• The products should always be stored and transported in Sanken shipping containers or conductive containers, or be wrapped in aluminum foil.The products described herein are manufactured in Ja p an by Sanken Electric Co., Ltd. for sale by Allegro MicroSystems, Inc.Sanken and Allegro reserve the right to make, from time to time, such de p ar t ures from the detail spec i f i c a t ions as may be re q uired to per m it im-p rove m ents in the per f or m ance, reliability, or manufacturability of its prod u cts. Therefore, the user is cau t ioned to verify that the in f or m a t ion in this publication is current before placing any order.When using the products described herein, the ap p li c a b il i t y and suit a bil i t y of such products for the intended purpose shall be reviewed at the users responsibility.Application and operation examples described in this document are quoted for the sole purpose of reference for the use of the products herein and Sanken can assume no responsibility for any infringement of industrial property rights, intellectual property rights or any other rights of Sanken, Allegro, or any third party which may result from its use.When using the products specified herein by either (i) combining other products or materials therewith or (ii) physically, chemically or otherwise processing or treating the products, please duly consider all possible risks that may result from all such uses in advance and proceed therewith at your own responsibility.Although Sanken undertakes to enhance the quality and reliability of its products, the occurrence of failure and defect of semiconductor productsat a certain rate is inevitable. Users of Sanken products are requested to take, at their own risk, preventative measures including safety design of the equipment or systems against any possible injury, death, fires or damages to the society due to device failure or malfunction.Sanken products listed in this document are designed and intended for the use as components in general purpose electronic equipment or appa-ratus (home appliances, office equipment, telecommunication equipment, measuring equipment, etc.). Please return to us this document with your signature(s) or seal(s) prior to the use of the products herein.When considering the use of Sanken products in the applications where higher reliability is required (traffic signal control systems o equipment, fire/ crime alarm systems, various safety devices, etc.), please contact your nearest Sanken sales representative to discuss, and then return to us this docu-ment with your signature(s) or seal(s) prior to the use of the products herein.The use of Sanken products without the written consent of Sanken in the applications where extremely high reliability is required (aerospace equip-ment, nuclear power control systems, life support systems, etc.) is strictly prohibited.Anti radioactive ray design is not considered for the products listed herein.The information in c lud e d herein is believed to be accurate and reliable. Ap p li c a t ion and operation examples described in this pub l i c a t ion are given for reference only and Sanken and Allegro assume no re s pon s i b il i t y for any in f ringe m ent of in d us t ri a l property rights, intellectual property rights, or any other rights of Sanken or Allegro or any third party that may result from its use. The contents in this document must not be transcribed or copied without Sanken’s written consent.Sanken assumes no responsibility for any troubles, such as dropping products caused during transportation out of Sanken's distribution network. Copyright © 2011 Allegro MicroSystems, Inc.。
由STR-W6756构成的开关电源电路原理分析STR-W6756是三肯半导体公司生产的一款高效大功率厚膜电路。
该模块内置反馈型控制器和高耐压金属氧化物场效应管,在准共振工作方式的基础上增加了Bottom-Skip(底部跳过)功能,即当电源带较轻负载时(如待机状态),厚膜块内部MOS管以间隙振荡方式工作,降低电源的功耗,从而提高电源效率。
另外,该模块还内置过压、过流、过载保护电路,并设有最大导通时间限制电路。
右图所示为STR-W6756内部电路框图,其引脚功能如下表所示。
下面以长虹LP06机芯液晶彩电的开关电源电路为例对其工作过程作一介绍,有关电路如下图所示。
1.整流滤波电路220V左右的交流电压先经延迟保险管Fl,然后进入由C20、L3、C22、C23、C5、Ll组成的交流抗干扰电路,滤除市电中的高频干扰信号,同时保证开关电源产生的高频信号不窜入电网。
电路中,RV1为压敏电阻,即在电源电压高于250V时,压敏电阻RV1击穿短路,保险管Fl熔断,这样可避免电网电压波动造成开关电源损坏,从而保护后级电路。
经交流抗干扰电路滤波后的交流电压送到由BR1、L2、C21组成的整流滤波电路,产生约300V的直流电压。
TL431 图中给出了一个典型的电路。
R1 和R2 设置分压器,这样在所需的输出电压上,R1 与R2 的结电压等于TL431 的内部参考电压。
电阻R3 以及电容C1、C2 在TL431周围提供了所需的反馈回路补偿,可稳定控制回路。
其中C1是偏差电压积分电容,它将TL431(R)极偏差电压积分并保持,以使在偏差电压极小的情况下,TL431(K)极的稳态输出也很大,提高稳态电压调整率(提高10 倍以上)。
C1 越小积分时间越短,电压调整越快,但太小会使灵敏度过高而不稳定;R3 是动态反馈电阻,它确定TL431 的动态电压调整率。
R3 越大电压调整越快,同样R3 过大会使反馈过强而不稳定;R3、C1 共同决定整个电路的电压调节性能和稳定性。
CH-16机芯采用STR-F6656集成开关电源的原理分析及检修【摘要】本文通过对长虹CH-16机芯系列中使用STR-F6656集成块为核心的开关电源工作原理的分析,剖析该集成内部的启动电路、驱动电路、振荡电路、开关调整管、过压保护等电路的工作原理、工作过程及其之间的内在联系.并根据电路原理,应用常规分析方法对几个常见故障进行分析检修。
【关键词】CH-16机芯开关电源原理检修STR-F6656长虹CH-16机芯的开关稳压电源电路原理图如图所示,它是变压器耦合并联型开关稳压电源,该系列集成电路组成的开关电源电压适应范围宽,能在150V~260V交流电压范围内正常工作,输出功率大。
该开关电源设计有过流、过压、过热保护电路,一旦开关电源稳压中的取样放大电路出现故障或者负载过重,设计在该集成内部的过流、过压电路便会立即启动进入保护状态,有效的避免故障范围扩大。
另外CH-16系列电源具有两种工作状态:待机和正常工作状态。
1CH-16机芯系列彩色电视机开关电源的原理图一以及组成框图二所示,可以把其大体分成8个功能模块来分析其工作原理与具体应用:1.1进线滤波器(T801),其作用有两个:1.对电网进入的干扰信号进行抑制;2.防止开关电源振荡电路高频脉冲信号通过电网对其他电器设备造成干扰。
按原理分析,只有出现干扰或保险丝熔断才检查该电路。
1.2交流220V整流滤波电路(VD801A~VD804A,C810),把交流220V电压转化成约300伏的直流电压,经变压器绕组加到STR-F6656的3脚;其中R801的作用是为了避免电容C801的容量过大,导致开关电源接通时候电流过大,可能会造成整流管损坏、熔丝断的故障。
1.3开关电源振荡电路,通过对原理图二的分析可知,该部分电路主要由N801的4脚外接元件和该集成电路内部相关电路组成。
该电路中4脚为振荡电路供电电压端。
振荡电路供电部分由VD802A、VD803A、C812、C813、R802、V801、VD808、C814、VD804、R808和T830的7~5脚的绕组组成。
采 用KA5Q、STR-G、STR-W系列电源膜块 的开关电源工作特点与维修 曹泓俊 现在,各品牌彩电大量使用三肯公司推出的超级STR-G 系列(STR-G5653、G8656)和STR-W系列(STR-W6756、STR-W6754)及日本仙童公司推出的KA5Q1265、KA5Q0765、FSCQ1265RT、KACQ1265RF系列厚膜块组成的开关电源。
本文着重对新型厚膜块组成的开关电源工作特点及维修要点作全面介绍,提供快速、准确判定故障部位,处理这些IC开关电源出故障时的维修方法。
表1列出了部分电源厚膜块的引脚功能。
1采用KA5Q系列膜块的开关电源I作特 1点及维修图1是仙童(FAIRCHILD)公司推出的FSCQ1265在长虹CH-16机芯产品上应用的开关电路工作原理图。
该Ic还在长虹CH-18机芯、CH-13机芯上使用,当然元件位号会有不同,但相应脚外接元件大小不会改变多少,故可相互参考。
与FSCQ1265同系列的还有FSCQ0765RT、FSCQ1565Q。
这三块IC内部电路结构相同,不同之处在于输出功率不同,它们同的功率大小的关系为:1565>1265>0765。
其中,功率大的可替换功率小的。
1565通常在大屏幕29英寸以上彩电开关电源中应用;1265用在25英寸及以下彩电产品中。
与FSCQ系列工作方式相同的还有KA5Q1265和KACQ1265。
FSCQ与KA5Q外封装大小不同,同为1565,但KA5Q系列较FSCQ系列体积大,工作电流大、功率高。
FSCQ 和KACQ体积小,且KA5Q 供电脚正常工作要求高于20V,而FSCQ和KACQ供电需18V才能正常工作,故FSCQ和KACQ 供电脚上接有18V稳压二极管。
如图l所示,N801③脚外接VD810,为避免瞬间供电对③脚内电路冲击,FSCQ及KACQ 系列次级供电支路还接有限流用的680Ω电阻(图中为R803),而KA5Q系列③脚没有接这两个元件。
小知识什么是STR?STR(Suspend To RAM)的意思是“挂起到内存”,它是一种瞬间开机技术(On Now)。
当系统进入“挂起”状态时,系统的当前状态信息会保存到内存中。
再次开机时,立即从内存读取数据恢复到系统挂起前的状态,因此使开机速度只有几秒钟。
STR功能是高级配置电源接口ACPI(Advanced Config Power Interface)的一部分,它的实现要求外围芯片组和BIOS都支持ACPI,各个扩展卡都支持STR,还要求采用ATX电源。
STR要求采用支持ACPI的操作系统,如Windows 98/Me/2000/XP等,还要求各个硬件的驱动程序和各个应用软件都支持ACPI。
关于STR的实现现在的新型主板大多都支持STR-挂起到内存技术。
它的实现原理是把结束时电脑的工作状态保存到内存,然后再关闭电源。
在这个时候,主板只供给内存少量的电,这样,我们只要轻轻晃动手中的鼠标,在开机时就可以不经过其自检过程,从而实现快速开机!一般其开机时间不超过10秒。
这样还有一个好处,就是可以节省电能。
怎么样,很酷吧?那么怎样实现STR呢?看下面:一、硬件设置1.首先你的电源要支持STR。
大家可以看看你机箱内的电源是否支持ATX2 v2.01规则,能够提供720毫安的5v STAND-BY电流,这些指标在电源上会有标识,大家注意一下就可以找到。
一般的A TX机箱应该都支持。
2.内存的规格,现在的pc-100以上的内存一般都支持STR,如果不能实现STR,很大可能就是你的内存规格太老了。
3.还有显卡的支持,大多的TNT2以上的新型显卡都支持STR。
4.上面的都满足后,就要做最重要的一步了:调整主板的跳线设置(就算您的主板为免跳线,也要进行手工设置)。
以华硕CULS2-C为例,需要在主板上将CUSL2-C USB Device Wake Up跳线由[1-2](disable)手工调整为[2-3](enable)。
strl472开关电源原理一、引言strl472开关电源是一种常见的电源供应器件,广泛应用于各种电子设备中。
本文将详细介绍strl472开关电源的工作原理及其相关知识。
二、strl472开关电源的基本结构strl472开关电源主要由输入滤波器、整流器、功率因数校正电路、直流滤波器、开关变换器和输出调整电路等部分组成。
其中,输入滤波器用于滤除输入电源中的高频噪声和干扰信号,整流器将交流电转换为直流电,功率因数校正电路用于提高电源的功率因数,直流滤波器用于平滑输出电压,开关变换器则是核心部件,通过高频开关操作实现电能的转换和调整,输出调整电路用于稳定输出电压。
三、strl472开关电源的工作原理strl472开关电源的工作原理主要分为两个阶段:开关变换器的工作和反馈控制。
1. 开关变换器的工作开关变换器通过高频开关操作将输入电源的直流电转换为高频脉冲信号,经过变压器的变换和整流滤波后得到所需的输出电压。
具体过程如下:(1)初始状态下,开关管S1和S2均关闭,电感L和电容C储存一定的能量;(2)当开关管S1打开时,电感L产生磁场储能,同时电容C开始放电;(3)当开关管S1关闭,开关管S2打开时,电感L释放储存的能量,将能量传递给电容C;(4)重复上述过程,通过不断开关和关闭,使电能在电感L和电容C之间进行转换,最终得到稳定的输出电压。
2. 反馈控制为了保证输出电压的稳定性,strl472开关电源还需要进行反馈控制。
具体过程如下:(1)将输出电压与参考电压进行比较,得到误差信号;(2)通过误差放大器放大误差信号,得到控制信号;(3)控制信号经过PWM控制电路,控制开关管的开关频率和占空比,从而调整输出电压。
四、strl472开关电源的优势和应用strl472开关电源相比传统的线性电源具有以下优势:1. 高效率:开关电源能够通过开关操作实现能量的高效转换,效率可达90%以上,远高于线性电源;2. 体积小:开关电源采用高频开关操作,使得整个电源的体积大幅减小;3. 稳定性好:通过反馈控制机制,开关电源能够实现对输出电压的精确控制,具有较好的稳定性;4. 适应性强:开关电源能够适应较宽的输入电压范围,同时输出电压也可以根据需要进行调整。
strl472开关电源原理strl472开关电源原理第一部分:什么是开关电源•开关电源是一种将交流电转换为直流电的装置,能够提供稳定的电压和电流输出。
•开关电源的主要工作原理是通过将输入电压开关快速地打开和关闭来控制输出电压。
第二部分:strl472开关电源的基本原理输入和输出电路•strl472开关电源包含输入和输出两个电路,输入电路用于接收交流电,输出电路用于输出直流电。
•输入电路包含整流器和滤波器,用于将交流电转换为初级直流电以供进一步处理。
•输出电路包含变压器、整流器和滤波电容,用于将初级直流电转换为稳定的输出直流电,并通过输出端口供电给负载。
控制电路•strl472开关电源还包含一个控制电路,用于监测和控制输出电压和电流的稳定性。
•控制电路通过对开关管的开关频率和占空比进行调节,来实现对输出电压的稳定控制。
•控制电路通常使用反馈机制,将输出信号与参考电压进行比较,并通过反馈路径对开关管进行调节,以使输出稳定。
第三部分:strl472开关电源工作过程详解开关管的工作•strl472开关电源中常使用的开关管是MOSFET管(金属氧化物半导体场效应管)。
开关管的开和关通过控制电路的调节实现。
•当开关管导通时,输入电压通过变压器变换为较高的交流电压,并存储在输入滤波电容中,控制电路会感知到这一信号。
•当开关管断开时,输入电压将无法通过变压器,而通过电感、二极管等部件形成一个闭环,电流开始从输出滤波电容向负载流动。
脉宽调制(PWM)•strl472开关电源使用脉宽调制(PWM)技术来控制开关管的开关时间和频率。
•控制电路根据输出信号和参考电压的比较结果,控制PWM调节器产生一个周期性的方波信号,称为PWM信号。
•这个PWM信号的占空比决定了开关管的导通时间和断开时间,进而影响输出电压的稳定性。
反馈机制•strl472开关电源通过反馈机制来实现对输出电压和电流的稳定控制。
•反馈机制通常包括检测电路、误差放大器和反馈路径三部分。
STR-S6708A电源工作原理开关电路振荡过程STR-S6708的(9)脚是电源供应脚,只有(9)脚供电正常,厚膜电路才会正常工作。
VD908从220V交流电上直接整流,经R903、R917限流、C909滤波后得到8V左右的直流电压,加到IC901的(9)脚,IC901开始工作,开关电源开始振荡,由VD908整流得到的电压能量较小,不能维持IC901的正常工作,但是当开关电源开始振荡后,开关变压器T901的(V2)脚将输出电压,经VD903整流、C909滤波后可得到稳定的8V电压,向IC901供电。
光有VD903整流后的电压仍然是不行的,因为当电视机进入待机状态时,整机的主电压将从127V下降到30V左右,此时,开关变压器的(V2)脚输出电压也将大幅度下降,经VD903整流后的电压根本达不到8V,这时就要靠V901这一回路来继续维持供电了。
在正常开机状态,开关变压器的(V3)脚输出电压,经VD902整流、C908滤波后得到约45V左右的直流电压,加到V901的C极,但是,由于这时的V901的发射极电压为8V,而基极接有稳压管VD920,VD920的稳压值是7.2V,所以V901的基极电压比发射极电压低,V901不会导通,IC901的(9)脚供电由VD903提供。
当整机进入待机状态时,开关变压器的(V3)脚输出电压经VD902整流后的到11V左右的电压,此时,由于VD903输出的电压很低,V901得到正偏开始导通,其发射极输出电压为6.7V左右,继续为IC901的(9)脚提供电源。
V901回路的另一个作用是,当电网电压降低时,VD903整流后的电压也将降低,当降低到6.6V以下时,V901会导通,继续向STR-S6708的(9)脚供电,所以,这种开关电源适应电网电压的范围很宽。
IC901的(9)脚得到电压后开始振荡,其振荡的脉冲频率和脉冲宽度由IC901内部的RC 时间常数决定。
振荡脉冲从IC901的(5)脚输出,然后分为二路:一路作为负反馈信号经R906、R910送回IC901的(4)脚,以控制IC901内部比例驱动电路的工作状态;另一路经C911送回到IC901的(3)脚,STR-S6708的(3)脚是内部开关管的基极,(1)脚是集电极,(2)脚是发射极。
1 课题描述开关型稳压电源的种类很多,分类方法也有多种。
从推动功率管的方式来分可分为自激式和它激式,在自激式开关电源中由开关管和高频变压器构成正反馈环路来完成自激振荡;它激式开关稳压电源必须附加一个振荡器,振荡器产生的开关脉冲加在开关管上,控制开关管的导通和截至。
按开关管的个数及连接方式可分为单端式、推挽式、半桥式和全桥式等,单端式开关电源仅用一个开关管,推挽式和半桥式采用两个开关管,全桥式则采用四个开关管。
按开关管的连接方式,开关电源分为串联型与并联型开关电源,串联型开关电源的开关管是串联在输入电压与输出负载之间的,属于降压式稳压电路;而并联型开关电源的开关管是并联在开关电源之间的,属于升压式电路。
一般来说,功率很小的电源(1~100W)采用电路简单、成本低的反激型电路较好;当电源功率在100W以上且工作环境干扰很大、输入电压质量恶劣、输出短路频繁时,则应采用正激型电路;对于功率大于500W、工作条件较好的电源,则采用半桥或全桥电路较为合理;如果对成本要求比较严,可以采用半桥电路;如果功率很大,则应采用全桥电路;推挽电路通常用于输入电压很低、功率较大的场合[1-3]。
2 开关电源原理图设计2.1 正激电路正激电路如图1所示。
图1 正激电路电路的工作过程:(1)开关S开通后,变压器绕组N1两端的电压为上正下负。
与其耦合的N2绕组两端的电压也是上正下负,因此VD1处于通态,VD2为断态,电感L 的电流逐渐增长;(2)S关断后。
电感L通过VD2续流,VD1关断。
S关断后变压器的激磁电流经N3绕组和VD3流回电源,所以S关断后承受的电压为。
(3)变压器的磁心复位:开关S开通后,变压器的激磁电流由零开始,随着时间的增加而线性的增长,直到S关断。
为防止变压器的激磁电感饱和,必须设法使激磁电流在S关断后到下一次再开通的一段时间内降回零,这一过程称为变压器的磁心复位。
正激电路的理想化波形如图2所示。
图2 正激电路理想化波形变压器的磁心复位时间为:Tist=N3*Ton/N1输出电压:输出滤波电感电流连续的情况下:Uo/Ui=N2*Ton/N1*T磁芯复位过程:图3 磁芯复位2.2 反激电路反激电路原理图如图4所示。
图4 反激电路反激电路中的变压器起着储能元件的作用,可以看作是一对相互耦合的电感。
2.3 工作过程S开通后,VD处于断态,N1绕组的电流线性增长,电感储能增加;S关断后,N1绕组的电流被切断,变压器中的磁场能量通过N2绕组和VD向输出端释放,S关断后的电压为:Us=Ui+N1*Uo/N2反激电路的工作模式:电流连续模式,当S开通时,N2绕组中的电流尚未下降到零。
输出电压关系:Uo/Ui=N2*ton/N1*toff电流断续模式,S开通前,N2绕阻中的电流已经下降到零,输出电压高于上式的计算值,并随附再见小而升高,在负载为零的极限情况下,所以反激电路不应工作于负载开路状态[4]。
本身开关电源原理图内部结构原理图,STR-5412内部电路图5所示。
12图5 STR-5412内部电路图其为5脚单列直插式陶瓷封装,其中R1,R2为分压取样电阻;R3为DZ提供合适的电流;R4,R5为基极电阻;V1为震荡调整管;V2为放大管(由于分流);V3为误差放大比较器;DZ为稳压管;STR-53041为五端器件:3端接电源输入端,4端为公用地端,2端为反馈端,1端为取样信号输入端。
在电视机运用中5端闲置不用。
图6为开关稳压电源总原理图。
图6 开关稳压电源总原理图如图6所示50HZ~220V的交流电经过双刀双掷开关S801,经保险管F801延迟后经过EMI电路进行干扰滤除。
EMI即是电磁干扰有传导干扰和辐射干扰。
而在此电路中所说的是传导干扰,即是通过导电介质把一个网络上的信号耦合(干扰)到另一个点网络。
通过去干扰可以避免外界的电磁场等其它电信号对电视机内部产生干扰,同时又能避免电视机内部产生的干扰信号对外部的其它电路,信号等产生干扰。
例如通讯电缆的终端电阻,电脑的机箱,变压器的屏蔽罩,用顺磁材料或抗磁材料来疏导或阻止电磁场的穿行等等。
而且又能满足电视机基本稳压要求,EMI的噪声特别小。
因此而解决了传导干扰。
电源是发生EMI的重要来源,电源电路中EMI电路的作用是滤除由电网进来的各种干扰信号,防止电源开关电路形成的高频扰窜电网,或对设备和应用环境造成干扰。
图6所示C801右边有有一个两个绕组的电感,这个电感就是共模抑制电感,它起到了减少EMI的作用[5]。
3 消磁电路原理及其作用3.1 消磁作用及电路元件构成及参数和特性电磁效应可分为两大类:第一类指电子设备因电磁感应电压和电流为发生故障或损坏,或对此类故障或影响的免疫能力,第二类与不必要的电磁噪声的放射问题有关。
由于在输入回路中产生电流高次谐波,难免要干扰供电系统的稳定。
消磁电路由消磁电阻和消磁线圈构成,消磁电阻为PTC热敏电阻在大电流的影响下进入高阻态,回路电流自动衰减,使流过消磁线圈中的交变电流在数秒之内可,近似于开路状态。
消磁电阻冷态阻值减小接近零,残余电流很小约为十几A10欧至40欧,比较小。
3.2 电视机的消磁电路工作原理方法一:每次开机时交流220伏电压加至消磁电路,产生一个由强至弱的交变电流流过消磁线圈,对显象管进行消磁。
而消磁过程中其主要作用的还是消磁电阻。
由于其为正温度系数的电阻,随流过电流的大小,产热阻值就会增大,是电路处于开路,从而达到消磁的目的。
方法二:永磁消磁器,它是采用饱和磁场强度很大的永磁体来产生消磁需要的外加磁场,具有不需要外接电源、操作维护简单、使用寿命长等特点,但由于永磁材料的磁饱和强度不可能很高,所以这种消磁器无法消除现在的大容量硬盘;同时,由于永磁材料的磁场强度容易受外界工作温度的影响,当工作环境温度升高后,其磁饱和强度会降低从而影响其消磁的有效性[6]。
结论:所以我们不采用第二个方法进行消磁。
3.3 整流电路经过消磁电路后,电流经过R801(6.2/8W)进入整流电路,整流电路有D801-D804四个整流二极管型号TVR-J,和C803-C806四个电容容量值为4700,而且二极管是耐高压的耐压值为400V,电容的主要作用是保护二极管不被击穿。
第一利用电容器隔直通交的特性将整流后的残留交流成份旁路回流,起到滤波的作用;第二电容器起到了整形作用, 全波整流后的输出不是平直的直流电压,而是每秒100个从零到最大值,又从最大值到零的脉动直流电压,这样的不平稳电压是无法供后级电路直流要求的。
(充电和加热等直功耗设备除外)利用电容器的充放电特性(高充低放)可使输出电压稳定于一平滑平均值;第三提升平均值, 因整流输出是脉动而平均有效值就低于原交流电压值很多,减去整流管的正向压降,其整体效率就很低,而电容器的峰值充电特性(两端电压可达峰值)可使输出电压接近于原脉动电压的峰值.(原交流的 1.414倍)这就大大提高了输出的效率。
从整流电路出来的300V的电压就加在C810上。
4 振荡变压电路4.1 启动电路V1是NPN型振荡三极管,它与变压器T802的P绕组及反馈绕组B构成反馈振荡电路。
V3是NPN型三极管与稳压管ZD构成取样比较电路,由变压器T802的D绕组提供比较电压。
V2是PNP三极管构成取样信号直流放大电路用于驱动振荡管,实现脈冲调宽电路输出电压的幅度稳度。
4.2 振荡电路震荡过程C810上的300V直流电压经R811加到STR-5412的2脚内部开关管的B极,同时经T802的1,4绕阻加到STR-5412的1脚内部开关管的C极,开关管开始导通,在T802的1,4脚产生感应电压,经T802耦合,在7,8绕阻也产生感应电压,极性为7正8负,此正反馈电压经C811,R812加到STR-5412的2脚使内部开关管电流进一步增大,强烈的正反馈式开关管饱和。
开关管饱和后,T802的1、4脚中的电流线性增大,电流从STR-5412的4脚,即开关管的E极流出,在C812上建立112V的直流电压,同时T802储存磁场能量。
此时正反馈绕阻对C811不断充电,使STR-5412 2脚的电压不断下降,最后迫使STR-5412内部开关管退出和状态。
开关管推出饱和状态后,T802的1、4脚的电流减小,使T802各绕阻的感应电压极性全部翻转,此时T802的7、8绕阻感应电压的极性为8正7负,T802的7脚的电压又经C811,812加到STR-5412的2脚,内部开关管的电流进一步减小,如此循环使开关管迅速截止。
开关管截止期间,T802的6、8绕阻上的感应电压极性为8正6负,续流二极管D807导通,T802中磁场能量经D807释放给C812,使C812上112V电压更加平滑,同时C811上的电压经R812,T802的7、8绕阻放电,300V电压经R811给C811反向充电,使C811正端的电压越来越高,另一方面,行逆程脉冲经D808,R813送到STR-5412的2脚,使开关管的截止期提前结束,又进入下一个振荡循环。
稳压电路:STR-5412的稳压电路由内部自动完成。
STR-5412设计时输出电压为112V,如想改变输出电压,可在4、5脚或3、5脚并联电阻来实现,在4、5脚并联电阻时,输出电压下降(并联电阻的阻值在150K以上,视需要而定);在3、5脚并联电阻时,输出电压电压上升(应从47K开始逐步减小阻值,不可将电阻取得太小而使输出电压大幅度上升)。
保护电路D806为输出过压保护稳压管,若输出电压过高(大于130V),D806击穿,开关电源停振[7-9]。