水泥混凝土垫层和陶粒混凝土垫层检验批质量验收记录知识讲解
- 格式:docx
- 大小:8.59 KB
- 文档页数:4
7138水泥混凝土垫层和陶粒混凝土垫层检验批质量验收记录水泥混凝土垫层和陶粒混凝土垫层是建筑工程中常见的地面垫层材料。
为确保工程质量,一般需要进行质量验收。
下面是对水泥混凝土垫层和陶粒混凝土垫层检验批质量验收记录的详细描述。
二、施工单位:xxx建筑工程有限公司三、验收日期:xxxx年xx月xx日四、施工地点:xxxx项目地点五、项目名称:xxxxxx工程六、垫层类型:水泥混凝土垫层和陶粒混凝土垫层水泥混凝土垫层质量验收记录:1.施工工艺:1.1水泥混凝土垫层施工前,确保基层平整、无明显孔洞、坑槽等。
1.2按照设计要求进行配合比,确保水泥、砂、骨料的比例准确。
1.3施工过程中,混凝土浇筑均匀、顺序进行,保证垫层整体性。
1.4控制施工阶段的水泥含水率,确保垫层的强度和抗渗性能。
2.施工质量检验:2.1对水泥混凝土垫层进行抗压强度检测,在浇筑后28天进行试块取样测试,均值应符合设计要求。
2.2检验垫层的厚度是否满足设计要求,测量多个点的厚度,取平均值作为合格标准。
2.3使用金属探测器检测垫层内是否有金属杂质,如有则判定为不合格。
3.检验结果:3.1 水泥混凝土垫层抗压强度达到设计要求,平均值为xx MPa。
3.2 垫层厚度符合设计要求,平均值为xx mm。
3.3无金属杂质。
陶粒混凝土垫层质量验收记录:1.施工工艺:1.1陶粒混凝土垫层施工前,确保基层平整、无明显孔洞、坑槽等。
1.2按照设计要求进行配合比,确保陶粒、水泥、砂、骨料的比例准确。
1.3施工过程中,混凝土浇筑均匀,保证垫层内陶粒分布均匀。
1.4控制施工阶段的水泥含水率,确保垫层的强度和抗渗性能。
2.施工质量检验:2.1对陶粒混凝土垫层进行抗压强度检测,在浇筑后28天进行试块取样测试,均值应符合设计要求。
2.2检验垫层的厚度是否满足设计要求,测量多个点的厚度,取平均值作为合格标准。
2.3检验陶粒混凝土垫层中陶粒的颗粒大小是否符合设计要求,使用筛网进行检测。
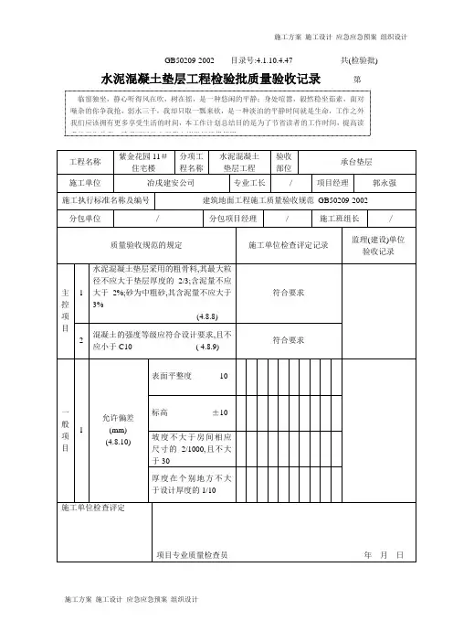
水泥混凝土垫层检验批质量验收记录
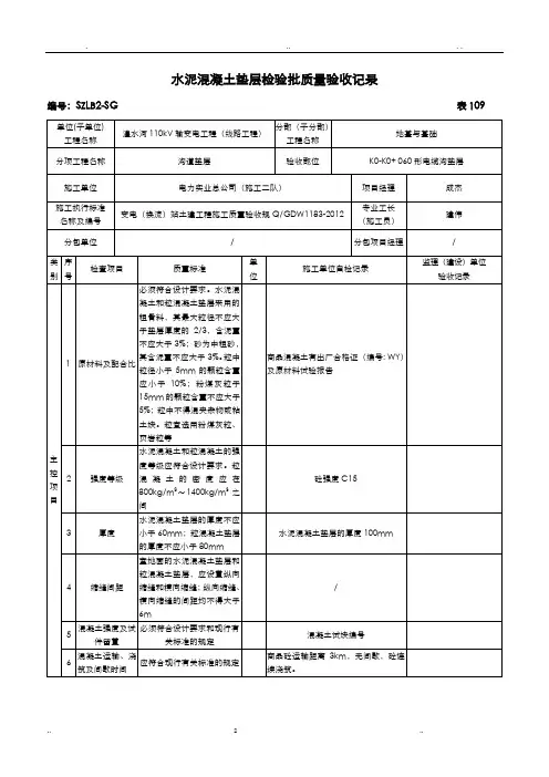
编号:SZLB2-SG 表109
水泥混凝土垫层检验批质量验收记录
编号:SZLB2-SG 表109(续表)
水泥混凝土垫层检验批质量验收记录
编号:SZLB2-SG 表109
水泥混凝土垫层检验批质量验收记录
编号:SZLB2-SG 表109(续表)
水泥混凝土垫层检验批质量验收记录
编号:SZLB2-SG 表109
水泥混凝土垫层检验批质量验收记录
编号:SZLB2-SG 表109(续表)
水泥混凝土垫层检验批质量验收记录
编号:SZLB2-SG 表109
水泥混凝土垫层检验批质量验收记录
编号:SZLB2-SG 表109(续表)
水泥混凝土垫层检验批质量验收记录
编号:SZLB2-SG 表109
水泥混凝土垫层检验批质量验收记录
编号:SZLB2-SG 表109(续表)
水泥混凝土垫层检验批质量验收记录
编号:SZLB2-SG 表109
水泥混凝土垫层检验批质量验收记录
编号:SZLB2-SG 表109(续表)
水泥混凝土垫层检验批质量验收记录
编号:SZLB2-SG 表109
水泥混凝土垫层检验批质量验收记录
编号:SZLB2-SG 表109(续表)
水泥混凝土垫层检验批质量验收记录
编号:SZLB2-SG 表109
水泥混凝土垫层检验批质量验收记录
编号:SZLB2-SG 表109(续表)。
填写说明
一、填写依据
1 《建筑地面工程施工质量验收规范》GB50209-2010。
2 《建筑工程施工质量验收统一标准》GB50300-2013。
二、检验批划分
基层(各构造层)和各类面层的分项工程的施工质量验收应按每一层次或每层施工段(或变形缝)划分检验批,高层建筑的标准层可按每三层(不足三层按三层计)划分检验批。
三、GB50209-2010规范摘要
主控项目
4.8.8 水泥混凝土垫层和陶粒混凝土垫层采用的粗骨料,其最大粒径不应大于垫层厚度的2/3,含泥量不应大于3%;砂为中粗砂,其含泥量不应大于3%。
陶粒中粒径小于5mm的颗粒含量应小于10%;粉煤灰陶粒中大于15mm 的颗粒含量不应大于5%;陶粒中不得混夹杂物或粘土块。
陶粒宜选用粉煤灰陶粒、页岩陶粒等。
检验方法:观察检查和检查质量合格证明文件。
检查数量:同一工程、同一强度等级、同一配合比检查一次。
4.8.9 水泥混凝土和陶粒混凝土的强度等级应符合设计要求。
陶粒混凝土的密度应在800kg/ ~1400kg/ 之间。
检验方法:检查配合比试验报告和强度等级检测报告。
检查数量:配合比试验报告按同一工程、同一强度等级、同一配合比检查一次;强度等级检测报告按本规范第3.0.19条的规定检查。
一般项目
4.8.10 水泥混凝土垫层和陶粒混凝土垫层表面的允许偏差应符合本规范表4.1.7的规定。
检验方法:按本规范4.1.7中的检验方法检验。
检查数量:按本规范第3.0.21条规定的检验批和第3.0.22条的规定检查。
水泥混凝土垫层检验批质量验收记录表1. 前言本质量验收记录表适用于水泥混凝土垫层的检验批次。
本表根据相关规范和标准制定,目的是为了保证施工质量,维护工程安全,保证工程可靠。
本文档主要包括垫层混凝土的检验批次、施工质量检查、测试方法、测试结果等内容。
2. 检验批次基本信息检验编号施工单位监理单位工程名称工程位置建设单位001 xxx公司xxx公司xxx工程xx位置xxx公司3. 检查建议本次检查建议对水泥混凝土垫层进行以下方面的检查:1.检查现场混合料比例和质量是否符合要求;2.检查混凝土搅拌是否均匀、浇筑表面是否光滑平坦;3.检查混凝土硬化后的强度是否符合要求;4.检查混凝土抗渗性能;5.检查混凝土密实程度。
4. 施工质量检查4.1 混合料比例检查检验人员在现场使用比例尺对混合料的比例进行测量,同时对混合料进行目测检查,是否混合均匀、无明显分层现象。
4.2 浇筑质量检查检验人员在现场检查混凝土的浇筑表面是否光滑平坦,是否有松动、孔洞、裂纹、颜色不一的现象,同时对混凝土的密实程度进行检查。
4.3 强度检查检验人员现场取样检测混凝土的强度,检测方法可以采用非破坏性检测或者破坏性检测方法。
非破坏性检测方法可以使用超声波检测仪或者钢珠撞击仪等。
4.4 抗渗性能检查检验人员在实验室里根据标准进行混凝土的抗渗性能检测,检测混凝土的抗渗性能是否符合要求。
4.5 密实程度检查检验人员使用密度计或者外形尺对混凝土的密实程度进行检查,检查混凝土的密实程度是否符合要求。
5. 检验结果记录5.1 检验批次信息检验编号施工单位监理单位工程名称工程位置建设单位001 xxx公司xxx公司xxx工程xx位置xxx公司5.2 检验结果汇总检查项目检查标准检查结果备注混合料比例检查要求比例合格无浇筑质量检查表面平整合格无强度检查强度标准不合格等待强度恢复抗渗性能检查抗渗标准合格无密实程度检查密实标准合格无6.本次混凝土垫层检验批次,混合料比例合格,浇筑质量合格,抗渗性能合格,密实程度合格,但强度不合格,需等待混凝土的强度恢复后进行重新检测,需要重新纠正,还需现场施工人员认真负责,完善现场管理,提高质量意识,最终保证工程质量地完成。
垫层混凝土施工检验批质量验收记录工程名称:XXX项目工程地点:XXX地区施工单位:XXX施工公司监理单位:XXX监理公司验收时间:YYYY年MM月DD日一、项目概述二、施工内容本次施工范围包括XXX,XXX等部位的垫层混凝土工程。
具体材料和步骤如下:1.混凝土配合比:按照设计要求进行混凝土配合比确定,并确保其符合相关规范要求。
2.板层厚度控制:按照设计要求使用板层进行厚度控制,确保垫层混凝土的厚度符合规范要求。
3.施工工艺:采用XXX工艺进行垫层混凝土的施工,包括材料的配送、浇筑和养护等环节。
三、检测方法本次施工验收采用以下方法进行质量检测:1.配合比试验:从现场取样进行试验,通过测定混凝土的强度、密度、坍落度等参数,确保其符合设计要求。
2.厚度测量:使用无损检测设备进行垫层混凝土的厚度测量,以确保其符合规范要求。
3.强度检测:采样取样,并在实验室进行强度试验,确定垫层混凝土的抗压强度是否符合规范要求。
四、质量验收结果经过检测,本次垫层混凝土施工的部位均符合相关规范要求,具体验收结果如下:1.配合比试验:所有取样试验的混凝土配合比符合设计要求,强度、密度、坍落度等参数均在规范范围内。
2.厚度测量:所有测量的垫层混凝土厚度均符合设计要求,控制在规范要求的误差范围内。
3.强度检测:所有样品的抗压强度均符合规范要求,满足设计要求。
五、质量问题及整改措施本次验收过程中未发现任何质量问题,施工单位已按照要求进行了相应的质量控制措施。
六、结论根据本次验收结果,施工单位对垫层混凝土的配合比、厚度控制和强度等方面进行了严格的质量控制,经检测结果表明,垫层混凝土的质量符合规范要求,可以达到相关设计要求,可以进行下一步工程施工。
七、备注本次施工验收过程中,监理单位对施工单位的配合配比、工艺流程等进行了全程监督,施工单位积极配合,未发现任何违规行为。
以上是本次垫层混凝土施工检验批质量验收记录的具体内容,各项工作的执行情况均符合要求,进一步促进了工程的顺利进行。
水泥砼垫层检验批质量验收记录Ⅶ一、项目概述水泥砼垫层是建设工程中常见的一种地基处理方法,它具有承重、耐久、稳定等优点,能够有效提高地基的承载能力和稳定性。
本文档是水泥砼垫层检验批质量验收记录的第七篇,旨在记录本次验收的结果和问题。
二、监理单位监理单位:XXX工程监理有限公司三、施工单位施工单位:XXX建设公司四、验收日期本次验收日期为XXXX年X月X日。
五、施工情况1. 垫层厚度:按设计要求,水泥砼垫层厚度为X厘米,经测量,厚度符合设计要求。
2. 砼配合比:施工单位按设计要求进行了配合比的调整,水泥砼中的水灰比和配料比例等满足设计要求。
3. 施工工艺:施工单位按照相关要求进行了混凝土砼的浇筑、平整和养护等工艺操作,且操作规范,无明显的质量问题。
4. 强度检测:经现场采集样品送至实验室进行强度检测,结果显示水泥砼垫层的强度达到设计要求,并满足相关标准要求。
六、验收结果根据对水泥砼垫层的检测和施工情况的评估,本次验收结果如下:1. 垫层厚度符合设计要求。
2. 砼配合比满足设计要求。
3. 施工工艺规范,无明显质量问题。
4. 水泥砼垫层强度符合设计要求,满足相关标准要求。
七、存在的问题及整改意见经验收发现存在以下问题:1. 部分砼浇筑留有接缝,需进行修补处理。
2. 部分砼表面出现鼓泡现象,需进行修补处理。
针对上述问题,提出以下整改意见:1. 施工单位应对存在接缝的部分进行修补,确保砼表面平整。
2. 施工单位应对鼓泡现象进行修补,保证砼表面质量。
八、结论根据本次水泥砼垫层检验批质量验收记录的结果,结论如下:1. 本次水泥砼垫层的厚度、砼配合比、施工工艺等满足设计要求和相关标准。
2. 存在的问题已提出整改意见,施工单位应对问题进行修补,确保砼表面质量。
3. 经验收的水泥砼垫层强度达到设计要求,可以满足工程使用要求。
九、监理单位意见根据本次验收结果,监理单位对水泥砼垫层的质量问题进行了检查,认为存在的问题需要及时整改,施工单位应按照整改意见进行修补,并履行相应的责任。
建筑地面工程施工质量验收规范水泥混凝土垫层和陶粒混凝土垫层4.8.1 水泥混凝土垫层和陶粒混凝土垫层应铺设在基土上。
当气温长期处于0℃以下,设计无要求时,垫层应设置缩缝,缝的位置、嵌缝做法等应与面层伸、缩缝相一致,并应符合本规范第3.0.16条的规定。
4.8.2 水泥混凝土垫层的厚度不应小于60mm;陶粒混凝土垫层的厚度不应小于80mm。
4.8.3 垫层铺设前,当为水泥类基层时,其下一层表面应湿润。
4.8.4 室内地面的水泥混凝土垫层和陶粒混凝土垫层,应设置纵向缩缝和横向缩缝;纵向缩缝、横向缩缝的间距均不得大于6m。
4.8.5 垫层的纵向缩缝应做平头缝或加肋板平头缝。
当垫层厚度大于150mm时,可做企口缝。
横向缩缝应做假缝。
平头缝和企口缝的缝间不得放置隔离材料,浇筑时应互相紧贴。
企口缝尺寸应符合设计要求,假缝宽度宜为5mm~20mm,深度宜为垫层厚度的1/3,填缝材料应与地面变形缝的填缝材料相一致。
4.8.6 工业厂房、礼堂、门厅等大面积水泥混凝土、陶粒混凝土垫层应分区段浇筑。
分区段应结合变形缝位置、不同类型的建筑地面连接处和设备基础的位置进行划分,并应与设置的纵向、横向缩缝的间距相一致。
4.8.7 水泥混凝土、陶粒混凝土施工质量检验尚应符合国家现行标准《混凝土结构工程施工质量验收规范》GB 50204和《轻骨料混凝土技术规程》JGJ 51的有关规定。
Ⅰ主控项目4.8.8 水泥混凝土垫层和陶粒混凝土垫层采用的粗骨料,其最大粒径不应大于垫层厚度的2/3,含泥量不应大于3%;砂为中粗砂,其含泥量不应大于3%。
陶粒中粒径小于5mm的颗粒含量应小于10%;粉煤灰陶粒中大于15mm的颗粒含量不应大于5%;陶粒中不得混夹杂物或粘土块。
陶粒宜选用粉煤灰陶粒、页岩陶粒等。
检验方法:观察检查和检查质量合格证明文件。
检查数量:同一工程、同一强度等级、同一配合比检查一次。
4.8.9 水泥混凝土和陶粒混凝土的强度等级应符合设计要求。