水泥混凝土垫层检验批质量验收记录表
- 格式:doc
- 大小:31.50 KB
- 文档页数:1
精品文档现浇结构外观及尺寸偏差检验批质量验收记录表精品文档.精品文档8现浇结构分项工程说明:8 现浇结构分项工程现浇结构分项工程以模板、钢筋、预应力、混凝土四个分项工程为依托,是拆除模板后的混凝土结构实物外观质量、几何尺寸检验等一系列技术工作的总称。
现浇结构分项工程可按楼层、结构缝或施工段划分检验批。
8.1 一般规定8.1.1 现浇结构的外观质量缺陷,应由监理(建设)单位、施工单位等各方根据其对结构性能和使用功能影响的严重程度,按表8.1.1的规定。
表8.1.1 现浇结构外观质量缺陷说明:8.1.1 对现浇结构外观质量的验收,采用检查缺陷,并对缺陷的性质和数量加以限制的方法进行。
本条给出了确定现浇结构外观质量严重缺陷、一般缺陷的一般原则。
各种缺陷的数量限制可由各地根据实际情况作出具体规定。
当外观质量缺陷的严重程度超过本条规定的一般缺陷时,可按严重缺陷处理。
在具体实施中,外观质量缺陷对结构性能和使用功能等的影响程度,应由监理(建设)单位、施工单位等各方共同确定。
对于具有重要装饰效果的清水混凝土,考虑到其装饰效果属于主要使用功能,故将其表面外形缺陷、外表缺陷确定为严重缺陷。
8.1.2现浇结构拆模后,应由监理(建设)单位、施工单位对外观质量和尺寸偏差进行检查,作出记录,并应及时按施工技术方案对缺陷进行处理。
说明:8.1.2 现浇结构拆模后,施工单位应及时全同监理(建设)单位对混凝土外观质量和尺寸偏差进行检查,并作出记录。
不论何种缺陷都应及时进行处理,并重新检查验收。
8.2 外观质量主控项目精品文档.精品文档8.2.1 现浇结构的外观质量不应有严重缺陷。
对已经出现的严重缺陷,应由施工单位提出技术处理方案,并经监理(建设)单位认可后进行处理。
对经处理的部位,应重新检查验收。
检查数量:全数检查。
检验方法:观察,检查技术处理方案。
说明:8.2.1 外观质量的严重缺陷通常会影响到结构性能、使用功能或耐久性。
对已经出现的严重缺陷,应由施工单位根据缺陷的具体情况提出技术处理方案,经监理(建设)单位认可后进行处理,并重新检查验收。
基土垫层检验批质量(zhìliàng)验收记录表GB50209-2002(Ⅰ)GB50209-2002(Ⅱ)030101□□GB50209-2002(Ⅲ)GB50209-2002(Ⅳ)GB50209-2002(Ⅴ)GB50209-2002(Ⅵ)030101GB50209-2002(Ⅶ)GB50209-2002(Ⅷ)平整度、标高板、复合板、竹地板面层标高±4mm 有沥青玛脂做结合层,铺拼花木板,板块面层及毛地板铺木地板表面平整度3mm标高±5mm用水泥砂浆做结合层,铺板块面层,其他种类面层表面平整度5mm标高±8mm4 坡度2/1000且不大于30mm5 厚度<1/10施工单位检查评定结果专业工长(施工员)施工班组长`项目专业质量检查员:年月日监理(建设)单位验收结论专业监理工程师:(建设单位项目专业技术负责人):年月日隔离层检验(jiǎnyàn)批质量验收记录表GB50209-2002(Ⅸ)030101单位(子单位)工程名称分部(子分部)工程名称验收部位施工单位项目经理分包单位分包项目经理施工执行标准名称及编号GB50209-2002(Ⅹ)GB50209-2002GB50209-2002GB50209-2002GB50209-2002不发火(防爆)面层(miàn cénɡ)工程检验批质量验收记录表GB50209-2002GB50209-2002GB50209-2002GB50209-2002GB50209-2002塑料板面层(miàn cénɡ)检验批质量验收记录表GB50209-2002GB50209-2002地毯面层(miàn cénɡ)检验批质量验收记录表GB50209-2002GB50209-2002实木复合地板面层检验批质量(zhìliàng)验收记录表GB50209-2002GB50209-2002GB50209-2002内容总结。
基土垫层检验批质量验收记录表GB50209—2016(Ⅰ)基土垫层检验批质量验收记录表GB50209—2016(Ⅰ)5.13.2灰土垫层检验批质量验收记录表GB50209—2016(Ⅱ)5.13.2灰土垫层检验批质量验收记录表GB50209—2016(Ⅱ)5.13.3砂垫层和砂石垫层检验批质量验收记录表GB50209—2016(Ⅲ)5.13.3砂垫层和砂石垫层检验批质量验收记录表GB50209—2016(Ⅲ)5.13.4水泥混凝土垫层检验批质量验收记录表GB50209—2016(Ⅶ)5.13.4水泥混凝土垫层检验批质量验收记录表GB50209—2016(Ⅶ)5.13.5找平层检验批质量验收记录表GB50209—2016(Ⅷ)找平层检验批质量验收记录表GB50209—2016(Ⅷ)5.13.6水泥混凝土面层检验批质量验收记录表GB50209—20165.13.6水泥混凝土面层检验批质量验收记录表GB50209—20165.13.6水泥混凝土面层检验批质量验收记录表GB50209—2016水泥混凝土面层检验批质量验收记录表GB50209—20165.13.6水泥混凝土面层检验批质量验收记录表GB50209—20165.13.6水泥混凝土面层检验批质量验收记录表GB50209—20165.13.6水泥混凝土面层检验批质量验收记录表GB50209—20165.13.6水泥混凝土面层检验批质量验收记录表GB50209—20165.13.6水泥混凝土面层检验批质量验收记录表GB50209—20165.13.6水泥混凝土面层检验批质量验收记录表GB50209—2016水泥混凝土面层检验批质量验收记录表GB50209—20165.13.6水泥混凝土面层检验批质量验收记录表GB50209—20165.13.7水磨石面层检验批质量验收记录表GB50209—20165.13.7水磨石面层检验批质量验收记录表GB50209—20165.13.7水磨石面层检验批质量验收记录表GB50209—20165.13.7水磨石面层检验批质量验收记录表GB50209—20165.13.7水磨石面层检验批质量验收记录表GB50209—2016水磨石面层检验批质量验收记录表GB50209—2016水磨石面层检验批质量验收记录表GB50209—2016水磨石面层检验批质量验收记录表GB50209—2016水磨石面层检验批质量验收记录表GB50209—2016水磨石面层检验批质量验收记录表GB50209—2016水磨石面层检验批质量验收记录表GB50209—2016水磨石面层检验批质量验收记录表GB50209—20165.13.8砖面层检验批质量验收记录表GB50209—20165.13.8砖面层检验批质量验收记录表GB50209—20165.13.8砖面层检验批质量验收记录表GB50209—20165.13.8砖面层检验批质量验收记录表GB50209—20165.13.8砖面层检验批质量验收记录表GB50209—20165.13.8砖面层检验批质量验收记录表GB50209—20165.13.8砖面层检验批质量验收记录表GB50209—20165.13.8砖面层检验批质量验收记录表GB50209—20165.13.8砖面层检验批质量验收记录表GB50209—20165.13.8砖面层检验批质量验收记录表GB50209—20165.13.8砖面层检验批质量验收记录表GB50209—20165.13.8砖面层检验批质量验收记录表GB50209—20165.13.9大理石和花岗石面层检验批质量验收记录表GB50209—20165.13.9大理石和花岗石面层检验批质量验收记录表GB50209—20165.13.9大理石和花岗石面层检验批质量验收记录表GB50209—20165.13.9大理石和花岗石面层检验批质量验收记录表GB50209—20165.13.9大理石和花岗石面层检验批质量验收记录表GB50209—2016。
检验批质量验收记录表索引目录土方开挖工程检验批质量验收记录表GB50202-2002土方回填工程检验批质量验收记录表GB50202-2002排桩墙支护工程检验批质量验收记录表(重复使用钢板桩)GB50202-2002(Ⅰ)排桩墙支护工程检验批质量验收记录表(混凝土板桩)GB50202-2002(Ⅱ)降水与排水工程检验批质量验收记录表GB50202-2002混凝土灌注桩(钢筋笼)工程检验批质量验收记录表GB50202-2002地下连续墙工程检验批质量验收记录表GB50202-2002锚杆及土钉墙支护工程检验批质量验收记录表GB50202-2002加筋水泥土桩墙支护工程检验批质量验收记录表GB50202-2002沉井与沉箱工程检验批质量验收记录表GB50202-2002钢或混凝土支撑工程检验批质量验收记录表GB50202-2002灰土地基工程检验批质量验收记录表GB50202-2002砂和砂石地基检验批质量验收记录表GB50202-2002土工合成材料地基工程检验批质量验收记录表GB50202-2002粉煤灰地基工程检验批质量验收记录表GB50202-2002强夯地基工程检验批质量验收记录表GB50202-2002振冲地基工程检验批质量验收记录表GB50202-2002砂桩地基工程检验批质量验收记录表GB50202-2002预压地基工程检验批质量验收记录表GB50202-2002高压喷射注浆地基工程检验批质量验收记录表GB50202-2002土和灰土挤密桩复合地基检验批质量验收记录表GB50202-2002注浆地基检验批质量验收记录表GB50202-2002水泥粉煤灰碎石桩复合地基工程检验批质量验收记录表GB50202-2002夯实水泥土桩复合地基工程检验批质量验收记录表GB50202-2002水泥土搅拌桩地基工程检验批质量验收记录表GB50202-2002GB50202-2002GB50202-2002混凝土预制桩(钢筋骨架)工程检验批质量验收记录表GB50202-2002混凝土预制桩工程检验批质量验收记录表GB50202-2002钢桩(成品)工程检验批质量验收记录表GB50202-2002(Ⅰ)010404单位(子单位)工程名称分部(子分部)工程名称验收部位施工单位项目经理分包单位分包项目经理施工执行标准名称及编号施工质量验收规范的规定施工单位检查评定记录监理(建设)单位验收记录主控项目1 钢桩外径或断面尺寸:桩端桩身±0.5%D±1D 2 矢高<1/1000L一般项目1 长度(mm)+102 端部平整度(mm)≤23 H钢桩的方正度h>300h<300T+T´≤8T+T´≤6 4 端部平面与桩中心线的倾斜值(mm)≤2施工单位检查评定结果专业工长(施工员)施工班组长项目专业质量检查员:年月日监理(建设)单位验收结论专业监理工程师:(建设单位项目专业技术负责人):年月日GB50202-2002GB50208-2002水泥砂浆防水层检验批质量验收记录表GB50208-2002GB50208-2002GB50208-2002GB50208-2002GB50208-2002GB50208-2002GB50208-2002GB50208-2002。
一、建筑地面子分部工程1、设计变更文件;2、原材料出厂合格证和进场检(试)验报告;3、砂浆、混凝土配合比试验报告;4、各层强度等级及密实度试验报告;5、各类建筑地面施工质量控制文件;6、楼梯、踏步项目检查记录;7、各构造层隐蔽验收记录;8、各检验批验收记录;10、其他必要的文件和记录。
二、装饰装修工程1、2、3、4、5、6、7、8、9、1011、12131415主控项目:1、基土严禁用淤泥、腐植土、冻土、耕植土、膨胀土和含有有机物质大于8%的土作为填土。
观察检查和检查土质记录。
2、基土均匀密实,压实系数符合设计要求,设计无要求时,不应小于0.90。
观察检查和检查试验记录。
一般项目:灰土垫层检验批质量验收记录表GB50209—2002(Ⅱ)1、熟化石灰颗粒粒径不大于5mm;粘土(或粉质粘土、粉土)内不含有有机物质,颗粒粒径不大于15mm。
观察检查和检查试验记录。
砂垫层和砂石垫层检验批质量验收记录表GB50209—2002(Ⅲ)030101□□GB50209—2002(Ⅳ)030101□□。
观说明3%。
GB50209—2002(Ⅹ)030101□□2、面层表面的坡度,符合设计要求,不得有倒泛水和积水现象。
观察和采用泼水或用坡度尺检查。
3、水泥砂浆踢脚线与墙面应紧密结合,高度一致,出墙厚度均匀。
用小锤轻击、尺量检查和观察检查。
注:局部空鼓长度不应大于300mm,且每自然间(标准间)不多于2处可不计。
4、楼梯踏步的宽度、高度应符合设计要求。
楼层梯段相邻踏步高度不应大于10mm,每踏步两端宽度差不应大于10mm;旋转楼梯梯段的每踏步两端宽度的允许偏差为5mm。
楼梯踏步的齿角应整齐,防滑条应顺直。
观察和尺量检查。
水磨石面层检验批质量验收记录表GB50209—2002030103□□说明030103主控项目:1、水磨石面层的石粒,应采用坚硬可磨白云石、大理石等岩石加工而成,石粒应洁净无杂物,其粒径除特殊要求外应为6—15mm;2、水磨石面层拌和料的体积比,符合设计要求,宜为1:1.5—3、面层与下一层结合应牢固,无空鼓、裂纹。
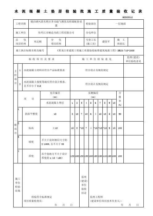
说明:⒈主控项目:①水泥混凝土垫层采用的粗骨料。
其最大粒径不大于垫层厚度的2/3;含泥量不大于2﹪;砂为中粗砂,其含泥量不大于3﹪。
观察检查和检查检测报告。
②混凝土的强度等级,符合设计要求,且不应小于C10,厚度不小于60㎜。
说明:⒈主控项目:①水泥混凝土垫层采用的粗骨料。
其最大粒径不大于垫层厚度的2/3;含泥量不大于2﹪;砂为中粗砂,其含泥量不大于3﹪。
观察检查和检查检测报告。
②混凝土的强度等级,符合设计要求,且不应小于C10,厚度不小于60㎜。
说明:⒈主控项目:①水泥混凝土垫层采用的粗骨料。
其最大粒径不大于垫层厚度的2/3;含泥量不大于2﹪;砂为中粗砂,其含泥量不大于3﹪。
观察检查和检查检测报告。
②混凝土的强度等级,符合设计要求,且不应小于C10,厚度不小于60㎜。
说明:⒈主控项目:①水泥混凝土垫层采用的粗骨料。
其最大粒径不大于垫层厚度的2/3;含泥量不大于2﹪;砂为中粗砂,其含泥量不大于3﹪。
观察检查和检查检测报告。
②混凝土的强度等级,符合设计要求,且不应小于C10,厚度不小于60㎜。
说明:⒈主控项目:①水泥混凝土垫层采用的粗骨料。
其最大粒径不大于垫层厚度的2/3;含泥量不大于2﹪;砂为中粗砂,其含泥量不大于3﹪。
观察检查和检查检测报告。
②混凝土的强度等级,符合设计要求,且不应小于C10,厚度不小于60㎜。
说明:⒈主控项目:①水泥混凝土垫层采用的粗骨料。
其最大粒径不大于垫层厚度的2/3;含泥量不大于2﹪;砂为中粗砂,其含泥量不大于3﹪。
观察检查和检查检测报告。
②混凝土的强度等级,符合设计要求,且不应小于C10,厚度不小于60㎜。
说明:⒈主控项目:①水泥混凝土垫层采用的粗骨料。
其最大粒径不大于垫层厚度的2/3;含泥量不大于2﹪;砂为中粗砂,其含泥量不大于3﹪。
观察检查和检查检测报告。
②混凝土的强度等级,符合设计要求,且不应小于C10,厚度不小于60㎜。
说明:⒈主控项目:①水泥混凝土垫层采用的粗骨料。
建筑工程施工质量验收资料(TJ:土建部分)档 号 档案馆代号 案 卷 题 名编 制 单 位编 制 日 期密 级 保管期限共 卷 第 卷江苏省建设工程质量监督站编印目 录工 程 概 况 ❆☺复核人填表人工程项目施工管理人员名单 ❆☺施工现场质量管理检查记录 ❆☺开工日期:施工组织设计、施工方案审批表 ❆☺注:附施工组织设计、施工方案。
技 术 交 底 记 录 ❆☺注:本记录一式两份,一份交接受交底人,一份存档。
开 工 报 告❆☺ 建设单位工 程 竣 工 报 告 ❆☺图纸会审、设计变更、洽商记录汇总表 ❆☺ 注:图纸会审、设计变更、洽谈商记录附后。
图纸会审、设计变更、洽商记录 ❆☺ 设 计 交 底 记 录 ❆☺工程定位测量、放线验收记录 ❆☺ 钢材合格证和复试报告汇总表 ❆☺ 技术负责人: 质量检查员:水泥出厂合格证、复试报告汇总表 ❆☺ 技术负责人: 质量检查员:砖(砌块)检验报告汇总表 ❆☺ 技术负责人: 质量检查员:混凝土外加剂(及其它材料)产品合格证、出厂检验报告和进场复验报告汇总表❆☺ 技术负责人: 质量检查员:防水和保温材料合格证、复试报告汇总表 ❆☺ 技术负责人: 质量检查员:(其它)建筑材料合格证、复试报告汇总表 ❆☺ 技术负责人: 质量检查员:混凝土试块试压报告汇总表 ❆☺ 工程名称:技术负责人: 质量检查员:注: 、☞♏◆ ✋——第✋组混凝土抗压强度代表值。
、不同验收批的混凝土、标准养护和与结构实体同条件养护的混凝土应分别汇总评定。
试验报告分别附本汇总表后。
混 凝 土 强 度 评 定❆☺ 单位工程:。
水泥混凝土垫层检验批质量验收记录表1. 前言本质量验收记录表适用于水泥混凝土垫层的检验批次。
本表根据相关规范和标准制定,目的是为了保证施工质量,维护工程安全,保证工程可靠。
本文档主要包括垫层混凝土的检验批次、施工质量检查、测试方法、测试结果等内容。
2. 检验批次基本信息检验编号施工单位监理单位工程名称工程位置建设单位001 xxx公司xxx公司xxx工程xx位置xxx公司3. 检查建议本次检查建议对水泥混凝土垫层进行以下方面的检查:1.检查现场混合料比例和质量是否符合要求;2.检查混凝土搅拌是否均匀、浇筑表面是否光滑平坦;3.检查混凝土硬化后的强度是否符合要求;4.检查混凝土抗渗性能;5.检查混凝土密实程度。
4. 施工质量检查4.1 混合料比例检查检验人员在现场使用比例尺对混合料的比例进行测量,同时对混合料进行目测检查,是否混合均匀、无明显分层现象。
4.2 浇筑质量检查检验人员在现场检查混凝土的浇筑表面是否光滑平坦,是否有松动、孔洞、裂纹、颜色不一的现象,同时对混凝土的密实程度进行检查。
4.3 强度检查检验人员现场取样检测混凝土的强度,检测方法可以采用非破坏性检测或者破坏性检测方法。
非破坏性检测方法可以使用超声波检测仪或者钢珠撞击仪等。
4.4 抗渗性能检查检验人员在实验室里根据标准进行混凝土的抗渗性能检测,检测混凝土的抗渗性能是否符合要求。
4.5 密实程度检查检验人员使用密度计或者外形尺对混凝土的密实程度进行检查,检查混凝土的密实程度是否符合要求。
5. 检验结果记录5.1 检验批次信息检验编号施工单位监理单位工程名称工程位置建设单位001 xxx公司xxx公司xxx工程xx位置xxx公司5.2 检验结果汇总检查项目检查标准检查结果备注混合料比例检查要求比例合格无浇筑质量检查表面平整合格无强度检查强度标准不合格等待强度恢复抗渗性能检查抗渗标准合格无密实程度检查密实标准合格无6.本次混凝土垫层检验批次,混合料比例合格,浇筑质量合格,抗渗性能合格,密实程度合格,但强度不合格,需等待混凝土的强度恢复后进行重新检测,需要重新纠正,还需现场施工人员认真负责,完善现场管理,提高质量意识,最终保证工程质量地完成。
土方开挖报验申请表土方开挖工程检验批质量验收记录表隐蔽工程验收单模板安装报验申请表工程名称:延津县2011年农村环境连片综合整治项目(石婆固乡段庄村)编号:009模板安装工程检验批质量验收记录表GB50204-2002底板混凝土报验申请表工程名称:延津县2011年农村环境连片综合整治项目(石婆固乡段庄村)编号:010混凝土原材料及配合比设计检验批质量验收记录表混凝土施工检验批质量验收记录表GB50204-2002现浇结构外观及尺寸偏差检验批质量验收记录表GB50204-2002隐蔽工程验收单模板拆除报验申请表工程名称:延津县2011年农村环境连片综合整治项目(石婆固乡段庄村)编号:011模板拆除工程检验批质量验收记录表GB50204-2002底板模板安装报验申请表工程名称:延津县2011年农村环境连片综合整治项目(石婆固乡段庄村)编号:012模板安装工程检验批质量验收记录表GB50204-2002底板钢筋报验申请表工程名称:延津县2011年农村环境连片综合整治项目(石婆固乡段庄村)编号:013钢筋加工检验批质量验收记录表GB50204-2002钢筋安装工程检验批质量验收记录表隐蔽工程验收单底板混凝土报验申请表工程名称:延津县2011年农村环境连片综合整治项目(石婆固乡段庄村)编号:014混凝土原材料及配合比设计检验批质量验收记录表GB50204-2002混凝土施工检验批质量验收记录表GB50204-2002现浇结构外观及尺寸偏差检验批质量验收记录表GB50204-2002隐蔽工程验收单模板拆除报验申请表工程名称:延津县2011年农村环境连片综合整治项目(石婆固乡段庄村)编号:015南昌翠林山庄(恒大绿洲)项目二期A地块1#~6#楼地下室工程模板拆除工程检验批质量验收记录表GB50204-2002页脚内容37。
混凝土基层检验批质量验收记录一、工程概况项目名称:施工单位:监理单位:检验单位:施工日期:检验日期:二、基层材料检验1.掺合料检验(1)基层掺合料材料名称、型号、批号,是否符合设计要求。
(2)每批材料的供货时间和供货方的信誉情况。
(3)掺合料的取样和试验方法是否符合要求。
(4)掺合料化学成分、物理性质、粒度分布和细度模数等试验结果。
2.水泥检验(1)基层水泥品牌、型号、生产厂家和批号。
(2)水泥的质量符合GB/T176-2024的规定。
(3)水泥的取样和试验方法是否符合要求。
(4)水泥的物理试验结果。
3.砂检验(1)基层砂的供货时间和供货方的信誉情况。
(2)基层砂的取样和试验方法是否符合要求。
(3)基层砂的含泥量、含水率和粒度分布等试验结果。
(4)基层砂的筛分分析曲线图。
4.石灰石料检验(1)基层石灰石料的供货时间和供货方的信誉情况。
(2)基层石灰石料的取样和试验方法是否符合要求。
(3)基层石灰石料的含泥量、含水率和粒度分布等试验结果。
(4)基层石灰石料的筛分分析曲线图。
三、基层施工检验1.基层拌合比、流动性和坍落度检验(1)基层拌合比是否符合设计要求。
(2)基层混凝土的流动性和坍落度满足要求。
2.基层施工过程控制(1)基层施工的温度、湿度和风速等环境条件是否符合施工要求。
(2)基层施工过程的工艺控制是否符合设计要求。
(3)基层施工过程的施工质量是否满足要求。
(4)基层施工过程的记录和验收情况。
3.基层成型质量检验(1)基层成型的线形、标高和标志是否符合规范要求。
(2)基层的厚度、平整度和水平度是否符合规范要求。
(3)基层的强度和密实度满足规范要求。
(4)基层的含水率是否符合要求。
4.基层养护质量检验(1)基层养护的时间、方法和养护层次是否符合规范要求。
(2)基层养护的进度和质量记录。
四、质量验收结果经过检验和验收,基层混凝土的质量符合设计和规范要求,满足施工要求。
五、存在的问题及处理意见1.问题描述:处理意见:2.问题描述:处理意见:六、总结和建议根据本次验收的情况,总结存在的问题和不足,并提出改进和完善的建议。
表5.4.5-1型钢水泥土搅拌墙(三轴水泥土搅拌桩)检验批质量验收记录表5.4.5-1 工程编号:
表5.4 5-2型钢水泥土搅拌墙(渠式切割水泥土连续墙)检验批质量验收记录表5.4.5-2 工程编号:
表5.4.6 土钉墙检验批质量验收记录表5.4.6 工程编号:
表5.4.7 工程编号:
表5.4.7 (续)工程编号:
表5.4.7地下连续墙工程检验批质量验收记录
表5.4.8水泥土重力式挡墙检验批质量验收记录表5.4.8 工程编号:
表5.4.9内支撑质量检验批质量验收记录
表5.4.9 工程编号:
表5.4.10锚杆质量检验批质量验收记录表5.4.10 工程编号:
表5.4.11与主体结构相结合的基坑支护(竖向支撑桩柱)检验批质量验收记录表5.4.11 工程编号:
表5.4.12截水帷幕检验批质量验收记录表5.4.12 工程编号:
表5.4.12截水帷幕检验批质量验收记录
表5.4.12(续)工程编号:
表5.4.1灌注桩排桩检验批质量验收记录表5.4.1 工程编号:
表5.4.2钢板桩围护墙检验批质量验收记录表5.4.2 工程编号:
表5.4.3预制混凝土板桩围护墙检验批质量验收记录表5.4.3 工程编号:
表5.4.4咬合桩围护墙(导墙、钢套管)检验批质量验收记录表5.4.4 工程编号:。