卡尔费休水分测定仪自校规程
- 格式:docx
- 大小:24.96 KB
- 文档页数:2
湖南华纳大药厂科技开发有限公司1. 目的明确ZKF-1型自动卡尔费休水分测定仪的标准操作、维护及清洁规程。
2. 范围本规程适用于ZKF-1型自动卡尔费休水分测定仪的使用、维护及清洁。
3. 职责实验人员负责执行本规程,部门主管负责对本规程的执行情况进行监督。
4. 内容4.1 操作方法4.1.1实验条件与要求4.1.1.1由于费休氏试剂吸水性强,因此在配制、标定及滴定中所用仪器均应洁净干燥。
试液的配制过程中应防止空气中水分的侵入,进入滴定装置的空气亦应经干燥剂除湿。
4.1.1.2试液的标定、贮存及水分滴定操作均应在避光、干燥环境处进行。
4.1.1.3凡与试剂或费休氏试剂直接接触的物品,玻璃仪器须在120℃至少干燥2小时,取出置干燥器内备用。
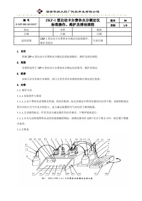
4.1.2准备按上图确认各线路连接是否正确,确保滴定管路接头处密封性好,将溶剂、试剂等接入系统中。
4.1.3按键操作4.1.3.1插上电源插座及泵电源插座,并将电极插入仪器后部插座,按“电源”开关,仪器便处于通电或断电状态。
4.1.3.2按“溶剂”键,溶剂便自动吸入反应杯。
4.1.3.3按“排液”键,反应杯中废液便自动排出,进入废液瓶。
4.1.3.4按“搅拌”键,反应杯中的搅拌子处于“搅拌”状态,调节旋钮使搅拌速度适当。
4.1.3.5按“准备”键,平面阀自动切换至“准备”位置。
卡氏试剂便会自动吸入计量管,为下一步测定作准备。
4.1.3.6按“回液”键,计量管中的试剂便会自动回入试剂瓶,使试剂得以均匀和平衡,以保证测定的精度。
若初始阶段,按“回液”键,能起到排除空气的作用,确保测试精度。
4.1.3.7按“测定”键,平面阀自动切换至“测定”位置,仪器便自动滴定,并由一般量滴定→中微量滴定→小微量滴定在滴定过程中自动切换,直至反应终点,自动停止滴定,并自动报警,红灯显示,数显显示试剂的溶量值。
4.1.3.8按“复位”键,可中止上述“准备”、“回液”、“测定”中的动作,为功能改变起转换作用。
建立卡尔费休水分测定仪标准操作程序。
2范围梅特勒ET08型水分测定仪。
3使用原理卡尔费休水分测定法是利用碘氧化二氧化硫时需要定量的水参加反应的原理来测定样品中的水分含量。
4 操作步骤4.1 滴定前准备4.1.1检查分子筛更换日期,超过3天需要更换分子筛。
4.1.2检查滴定系统密封性,检查滴定杯内各组件是否在正确位置。
4.1.3接通电源,按仪器开关键打开主机。
4.1.4按泵排空键排空滴定杯内液体。
4.1.5按泵加液键加入滴定杯约20ml无水甲醇。
4.2 滴定度标定4.2.1进入操作屏主菜单,点击“滴定剂”图标进入标定模式。
4.2.2在“属性”项下确认滴定液信息,在“浓度测定”项下确认测定参数是否正确。
4.2.3在“浓度测定”项下点击图标,仪器进行预滴定平衡。
4.2.4用10ul微量注射器吸取10ul纯化水(约10mg)放在天平归零。
4.2.5待仪器达到平衡图标变绿,点击图标,再点击填加样品,快速将样品由液体进样口加入滴定杯。
4.2.6将注射器放回天平读取数据,数据输入仪器点√图标,仪器进行滴定。
4.2.7 滴定结束,读取滴定结果并记录结果在《卡尔费休试液滴定度标定记录》上。
4.2.8重复“4.2.4”、“4.2.5”与“4.2.6”测试三个结果取平均值并计算RSD。
4.2.9 RSD小于2.0%标定通过,滴定度为三次标定结果平均值。
4.2.10在《卡尔费休试液滴定度标定记录》上登记滴定度并标明有效期,有效期7天。
4.2.11进入仪器主菜单,点击“滴定剂”图标,在“属性”项下修改滴定液浓度为标定浓度。
4.3 样品测试4.3.1确认卡氏试液滴定度是否过期,如过期按照“4.2”进行重新标定。
4.3.2确认仪器上滴定度信息是否正确。
4.3.3点击主菜单“滴定分析”图标进入测试模式。
4.3.4查看测试参数是否符合要求。
4.3.5点击图标,仪器进行预滴定平衡。
4.3.6待仪器达到平衡图标变绿,选择注射器或是称量船移取一定量液体或固体样品,放在天平上归零。
卡尔费休⽒微量⽔份测定仪的标准操作规程卡尔费休⽒微量⽔份测定仪的标准操作规程⽬的:建⽴卡尔费休⽒微量⽔分测定仪的标准操作规程,指导正确使⽤该仪器。
范围:适⽤于卡尔费休⽒微量⽔分测定仪的操作。
职责:检验⼈员对本规程的实施负责。
1.程序:1.1仪器的连接1.1.1给排液系统的连接:按照说明书的⽰意图进⾏连接。
1.1.2主机、打印机、搅拌系统的连接:按说明书连接好各部件的连线及电源。
1.1.3滴定管的安装与拆卸1.1.3.1安装:将滴定管沿着主机轨道向左推进,待各部件都吻合后锁紧螺母。
1.1.3.2如需拆卸,按“回零”键待滴定管处于归位状态后,拧开螺母,将滴定管向右推出即可。
1.1.4安装好滴定管与卡尔费休试液的连接,打开电源开关。
1.2实验前准备1.2.1滴定杯溶剂的加⼊:按⾃动给液系统操作进液,给滴定杯加⼊滴定剂(⼀般为⽆⽔甲醇)约40ml左右,以将电极浸泡为准。
1.2.2清洗:每次试验前或新滴定管要清洗管路,按“清洗”键设置参数,清洗次数设为1次,清洗体积为10ml;若更换滴定液后,清洗次数设为2~3次即可。
为节约卡⽒液可将出液管放⼊原滴定剂瓶中,清洗完成后将出液管插⼊滴定杯中。
准备开始试验。
1.2.3搅拌:打开搅拌台电源,按“”搅拌,“”为增⼤搅拌速度,“”为减⼩搅拌速度,调到溶液呈漩涡状即可。
注意速度不要调太快,以免溶剂飞溅影响结果,同时在实验过程中不要调整转速。
1.3实验员登录在实验中如要求将实验员名称及实验室信息显⽰在实验报告上,此时就需要在系统中设置。
1.3.1建⽴新的实验员使⽤该仪器,需要设置⼀⽤户名。
按“选择”键进⼊出现实验员登录项下,1.3.2系统设置:确认后输⼊密码:97299确认后,界⾯出现01[实验室信息]按“↓”进⼊02[操作员信息],按“启动”键设置。
1.3.3⽤户名称设置:在出现“⽤户名称01”,按“滴参”键输⼊区位码,在区位码⼿册查找⾃⼰姓名编码输⼊,完毕后确认输⼊密码,最多为4位;多个⽤户名设置按照同样⽅法设置,记住每⽤户名的序号和密码。
卡尔费休水分仪操作规程一、仪器准备1.确认卡尔费休水分仪本体和附件完好无损;2.将卡尔费休水分仪放置在干燥、通风的实验室环境中;3.确保电源和电源线连接良好;4.清洁并保养好各部件,确保仪器各部件没有灰尘、杂质。
二、操作步骤1.打开电源将电源线插入电源插座,并将电源开关打开,确认仪器通电;2.打开气源将气源连接管插入仪器气源接口,并打开气源开关;3.选择测量方式根据测量需求选择相应的测量方式(如直接测量模式或称量瓶测量模式);4.校准仪器通过校准程序校准仪器,确保测量结果的准确性;5.准备样品将样品称量到合适的容器中,并尽量保持样品的干燥和均匀;6.测量样品将样品容器插入仪器样品槽中,并按下开始测量按钮进行测量;7.查看测量结果等待测量完成后,查看仪器显示屏上的测量结果;8.记录数据将测量结果记录在实验记录本或电脑中,包括样品编号、测量时间、测量数值等;9.清洁仪器测量完毕后,将样品容器取出并清洁仪器的样品槽和相关配件,确保仪器处于洁净状态;10.关闭气源和电源关闭气源开关,断开气源连接管;将电源开关关闭,并将电源线拔出电源插座。
三、常见问题与解决方法1.仪器显示异常可能原因:电源接触不良、电源线有问题、仪器故障等;2.测量结果波动大可能原因:样品不均匀、气源问题等;解决方法:将样品均匀搅拌,确认气源稳定;3.测量结果不准确可能原因:仪器未校准、样品容器不合适等;解决方法:根据校准程序进行校准,选择合适的样品容器。
四、注意事项1.操作人员应具备相关仪器使用和安全知识,按照操作规程进行操作;2.操作时需戴好防护手套,避免溶液直接接触皮肤;4.样品应该干燥且均匀,避免过多水分对测量结果的影响;5.操作完成后应及时清洁仪器,保持仪器的清洁和正常工作状态。
五、维护保养1.每次使用结束后要及时清洁仪器外观和内部结构,除去灰尘和杂质;2.定期检查仪器的电源和电源线,确保连接良好;3.定期校准仪器,以保证测量结果的准确性;4.在仪器长时间不使用时,应将其断电并进行适当的保护。
卡尔费休水分仪操作规程一、仪器准备1.检查仪器是否完好,确保零部件完好无损,并进行必要的清洁工作。
2.检查仪器的电源是否正常,确保有足够的电量供应。
3.准备好标准样品和待测样品。
二、仪器的调试与校准1.打开仪器电源,待仪器进入正常工作状态后,根据仪器的操作界面进行相关参数的设置。
2.进行仪器的零点校准,将测量电路与环境中的水分断开,仪器显示应为零。
如有偏移,可调整仪器的校准参数进行校准。
3.进行斜率校准,使用标准样品进行测量,再进行仪器参数的校准。
三、样品的处理与测量1.将待测样品称重,记录其质量。
2.打开仪器的样品装置,将待测样品放入样品杯中,注意不要超过样品杯的容量范围。
3.关闭样品装置,确保样品杯与仪器密封,避免外界空气的干扰。
4.在仪器的操作界面上选择相应的测量参数,如温度、时间等。
5.开始测量,待测量完成后,仪器显示待测样品中的水分含量。
四、测量结果的记录与整理1.将测量结果记录在测量表格中,包括样品编号、质量、测量结果等。
2.对于大批量测量,可将测量结果进行统计和图形化展示。
3.根据实际情况对测量结果进行分析,并进行相应的处理和报告。
五、仪器的维护与保养1.每次使用后,及时清洁仪器的各个部件,确保仪器的干净与正常运行。
2.定期对仪器进行维护和保养,如更换易损件、清洁传感器等。
3.严禁使用不合格的待测样品进行测量,以免污染仪器。
六、常见故障与处理方法1.仪器显示异常:检查仪器的电源和电缆是否正常连接。
2.测量结果异常:检查样品的保存条件和采样方法是否正确。
3.仪器漂移较大:进行校准操作,调整仪器的相关参数。
使用卡尔费休水分测定仪安全操作规程卡尔费休水分测定仪是一种用于测量物质中水分含量的仪器。
在使用卡尔费休水分测定仪时,需要特别注意操作规程以确保安全。
本文将介绍使用卡尔费休水分测定仪的安全操作规程。
1. 仪器概述卡尔费休水分测定仪由称量瓶、测量器、附加测量器及称量台组成。
测量器主要由内部电子秤和加热器组成,可以通过电控板进行温控。
2. 安全操作规程使用卡尔费休水分测定仪,需要遵守以下安全操作规程:2.1 防火安全卡尔费休水分测定仪的使用过程中,需要加热样品,因此需要特别注意防火安全。
在操作前应该先检查生化安全柜、排风设施的状况,并保持操作区域干燥。
避免在操作过程中使用可燃物质,如纸张、织物、溶剂等。
操作结束后,应及时清理工作区域。
2.2 电器安全卡尔费休水分测定仪的使用需要连接电源,因此需要特别注意电器安全。
在操作前应检查接地线是否连接良好,机器是否处于完好状态。
避免在电气接线处滴入水分或其他液体,并远离高电压设备。
2.3 化学品安全在使用卡尔费休水分测定仪时,会用到一定量的化学品,如硝酸、钠氢碳酸等,因此需要特别注意化学品安全。
在操作前应了解每种化学品的危险性,并按照相关规定储存。
避免直接接触到化学品,并戴好安全防护设施。
2.4 个人防护在使用卡尔费休水分测定仪时,需要特别注意个人防护。
包括戴上防护手套、护目镜、口罩、安全鞋等防护设施。
并遵守使用期限,避免破损或过期使用。
2.5 操作步骤卡尔费休水分测定仪的操作步骤如下:1.准备样品:按照规定样品大小及组分比例,称取一定容量的样品放置在干燥的皿中,记录样品的质量。
2.加入试剂:按照规定加入一定量的试剂。
3.加热:将皿放置在中央,启动加热器开始加热。
4.稳定:当到达设置温度后,加热器停止加热并维持该温度。
5.砝码校正:调整卡尔费休水分测定仪的砝码,确保准确读取结果。
6.开始测量:启动卡尔费休水分测定仪,开始测量。
7.补充试剂:当活塞下降至显示器警示线以下时,需及时补充试剂。
卡尔费休水分测定仪库伦法操作规程卡尔费休水分测定仪库伦法操作规程1. 简介卡尔费休水分测定仪是一种用于测定物质中水分含量的仪器。
库伦法是卡尔费休水分测定仪常用的一种方法,它基于电解的原理,通过测量电解过程中的电流变化来计算物质中的水分含量。
本文将介绍卡尔费休水分测定仪库伦法的操作规程,并探讨其应用和使用注意事项。
2. 操作步骤2.1 样品准备在进行实验前,首先需要准备样品。
样品应当具有代表性,并且需要根据具体的研究目的进行选择。
根据实验要求,样品的数量和大小应当符合相关的要求。
2.2 仪器准备将卡尔费休水分测定仪进行预热,通常需要将仪器加热至恒定温度,以确保实验的准确性。
在预热过程中,需要根据仪器的要求进行设置和调整,以确保温度的稳定性。
2.3 试剂配置根据实验要求,配置好所需的试剂。
常用的试剂包括蒸馏水和电解质溶液。
在配置过程中,需要严格按照要求进行操作,确保试剂的纯度和浓度符合实验要求。
2.4 样品处理将准备好的样品称重,并放入量烧杯中。
根据实验要求,加入适量的溶剂,确保样品完全浸泡在其内。
将量烧杯放入卡尔费休水分测定仪中,并按照仪器的要求进行操作。
这其中包括设置溶剂的电导率和温度等参数,并确保仪器的电极与样品充分接触。
2.5 电解测量启动卡尔费休水分测定仪,并进行电解测量。
在测量过程中,仪器会根据样品中的水分含量发生电解反应,并测量电流的变化。
根据库伦法的原理,电流变化与样品中的水分含量成正比。
通过记录电解过程中的电流变化,可以计算出样品中的水分含量。
3. 应用和使用注意事项3.1 应用卡尔费休水分测定仪库伦法广泛应用于各个领域,例如食品、药品、化妆品等行业。
它能够准确测定样品的水分含量,对于产品的质量控制和研究分析具有重要意义。
3.2 注意事项在使用卡尔费休水分测定仪时,需要注意以下事项:3.2.1 校准和验证:定期进行仪器的校准和验证,以确保测量结果的准确性和可靠性。
3.2.2 清洁和维护:使用后及时清洁仪器,并对其进行必要的维护和保养,以延长使用寿命和保持仪器的性能稳定。
( 操作规程 )单位:_________________________姓名:_________________________日期:_________________________精品文档 / Word文档 / 文字可改使用卡尔费休水分测定仪安全操作规程(新版)Safety operating procedures refer to documents describing all aspects of work steps and operating procedures that comply with production safety laws and regulations.使用卡尔费休水分测定仪安全操作规程(新版)1.本仪器适用于瑞士万通870型卡尔费休水分测定仪,使用前请仔细阅读使用说明书并按仪器的规定操作。
2.仪器使用的室温在15~30℃,相对湿度低于65%;使用前应检查仪器的电源是否符合要求,方可打开主机电源。
3.通过快速排液,使费氏试剂充满管路。
4.令仪器自动平衡,当漂移值小于20ug/min时,才能进行测定。
5.进样用的注射器一般为1mL,分析天平的分度值为0.1mg(经标定合格)。
6.费休试剂的标定,每次量取标准水样1mL,精密称定,标定次数应不小于3次,标定结果的相对平均偏差小于±1.0%,取其平均值为其费休试剂的滴定度,滴定度应在3~6mg/mL的范围内,如果低于2.5mg/mL,则必须更换费休试剂。
7.试样应精密称量,测定的次数应连续3次以上,测定结果的相对平均偏差要小于±2%方位合格。
8.本仪器检定为两年,如果对测定结果有疑问时可随时进行检定。
云博创意设计MzYunBo Creative Design Co., Ltd.。
卡尔·费休库仑法微量水分分析仪校准方法【目的】指示WXG-4081卡尔·费休库仑法微量水分分析仪的安装、检定、检定结果的处理和检定周期;确认按本文件进行验证结果、仪器是否适用于相应检验。
【范围】适用于本文件所指设备的安装、检定与定期再验证。
【责任】质量部对本仪器的检定,工程部门对本仪器的安装,设备验证领导机构对仪器的验证均应按本文件进行。
【程序】1 范围本校准方法规定了卡尔·费休(Karl Fischer)库仑法微量水分分析仪的计量特性、校准条件和校准方法。
2 规范性引用文件下列文件中的条款通过本标准的引用而成为本标准的条款。
这些文件如出现最新版本,本标准要引用最新版本而加以修改。
GB/T 606-2003 化学试剂中水分测定的通用方法卡尔·费休法GB/T 6283-1986 化工产品中水分含量的测定卡尔·费休法3 术语和计量单位3.1卡尔·费休库仑法卡尔·费休法是利用卡尔·费休试剂中水与碘发生化学反应来测定水分含量的。
3.2卡尔·费休试剂碘、吡啶、二氧化硫、无水甲醇的混合液3.3 计量单位水分单位为μg/g或%4 概述4.1 用途卡尔·费休库仑法微量水分分析仪(以下简称仪器)主要用于测定化工、医药等行业产品中的水分含量。
4.2 原理卡尔·费休试剂同水反应的化学方程式为:H2O+I2+SO2+3C5H5N→2C5H5N·HI+C5H5N·SO3C5H5N·SO3+CH3OH→C5H5N·HSO4CH3在电解过程中,电极反应如下:阳极:2I--2e→I2阴极:I2+2e→2I-2H++2e→H2↑从以上反应中可以看出,即1摩尔的碘氧化1摩尔的二氧化硫,需要1摩尔的水。
所以是1摩尔碘与1摩尔水的当量反应,即电解碘的电量相当于电解水的电量,电解1摩尔碘需要2×96493库仑电量,电解1毫摩尔水需要电量为96493毫库仑电量。
使用卡尔费休水分测定仪安全操作规程范本1. 引言卡尔费休水分测定仪是一种常用的实验仪器,用于测定物质中的水分含量。
正确操作卡尔费休水分测定仪可以保障实验人员的安全,并获得准确的实验结果。
本规程旨在指导实验人员正确、安全地操作卡尔费休水分测定仪。
2. 仪器及材料准备2.1. 卡尔费休水分测定仪:确保仪器处于正常工作状态,检查仪器表面是否有损坏,仪器插头是否良好接地。
2.2. 试剂:根据实验需要准备好所需的试剂,确保试剂保存完好,没有过期。
2.3. 器材:准备好干燥的容器、试管、瓶塞等实验器材。
3. 实验操作流程3.1. 环境准备3.1.1. 实验室环境应保持整洁,确保实验台面没有杂物。
3.1.2. 确保实验室内通风良好,避免有害气体积聚。
3.2. 样品准备3.2.1. 根据实验要求,准备好待测样品,确保样品清洁、干燥。
3.2.2. 若需要对样品进行预处理,应按照实验要求进行处理,并记录处理的步骤和条件。
3.3. 仪器设置3.3.1. 打开卡尔费休水分测定仪的电源开关,确保仪器的供电正常。
3.3.2. 根据实验要求设置仪器的参数,如温度、计时等。
3.4. 样品称量3.4.1. 使用天平将待测样品称量至所需数量,准确记录样品的质量。
3.4.2. 避免将待测样品直接放置在仪器中,以免污损仪器。
3.5. 试剂添加3.5.1. 按照实验要求,将所需试剂添加到待测样品中,并记录试剂的种类、数量和添加的顺序。
3.5.2. 注意试剂的使用量,避免添加过量,以免对实验结果产生影响。
3.6. 实验操作3.6.1. 将样品和试剂混合均匀,确保反应充分。
3.6.2. 注意观察实验过程中的变化,如有异常情况发生,应立即停止实验,并及时处理。
3.6.3. 在实验过程中,避免接触仪器的加热部件,以免发生烫伤。
3.7. 实验结果记录与分析3.7.1. 在实验过程中,按照实验要求记录实验数据,如温度、时间等。
3.7.2. 实验结束后,将所得实验结果进行分析,计算出样品中的水分含量,并准确记录结果。
卡尔—费休库仑法水分测定仪原理水分测定仪操作规程1.1935年卡尔-费休(KarlFischer)首先提出了利用容量分析测定水分的方法,这种方法即是GB6283《化工产品中水分含量的测定》中的目测法。
目测法只能测定无色液体物质的水分。
后来,又进展1.1935年卡尔-费休(KarlFischer)首先提出了利用容量分析测定水分的方法,这种方法即是GB6283《化工产品中水分含量的测定》中的目测法。
目测法只能测定无色液体物质的水分。
后来,又进展为电量法。
随着科技的进展,继而又将库仑计与容量法结合起来推出库仑法。
这种方法即是GB7600《运行中变压器油水分含量测定法(库仑法)》中的测试方法。
现在的分类目测法和电量法统称为容量法。
卡氏方法分为卡氏容量法和卡氏库仑法两大方法。
两种方法都被很多国家定为标准分析方法,用来校正其他分析方法和测量仪器。
2—专业分析仪器服务平台,试验室仪器设备交易网,仪器行业专业网络宣扬媒体。
相关热词:等离子清洗机,反应釜,旋转蒸发仪,高精度温湿度计,露点仪,高效液相色谱仪价格,霉菌试验箱,跌落试验台,离子色谱仪价格,噪声计,高压灭菌器,集菌仪,接地电阻测试仪型号,柱温箱,旋涡混合仪,电热套,场强仪万能材料试验机价格,洗瓶机,匀浆机,耐候试验箱,熔融指数仪,透射电子显微镜。
种子水分测定仪,用于测试种子的纯度、净度、发芽率、水分四项质量指标。
工作原理:种子水分测定仪,接受热解重量原理设计的,是一种新型快速粮食行业水分检测仪器。
种子水分测定仪在测量样品重量的同时,红外加热单元和水分蒸发通道快速干燥样品,在干燥过程中,水分仪持续测量并即时显示样品丢失的水分含量%,干燥程序完成后,*终测定的水分含量值被锁定显示。
与国际烘箱加热法相比,红外加热可以*短时间内达到**加热功率,在高温下样品快速**燥,其检测结果与国标烘箱法具有良好的一致性,具有可替代性,且检测效率远远高于烘箱法。
一般样品只需几分钟即可完成测定。
卡尔费休水分测定仪的校准方法
卡尔费休水分测定仪是利用卡尔·费休法进行水分测量的仪器,因为目前国家还没有颁布该种仪器的计量检定规程,所以我们可以用水的标准物质进行校准。
接下来我们就来了解下卡尔费休水分测定仪的校准方法:
方法是:取一支5mL(或10mL)一次性的注射器,将水标准物质(标准样品)全部吸进注射器,然后用一支橡胶垫封住针头以免注射器内的液体漏出,然后称重(天平分辨率为0.001mg),去皮,待仪器稳定后加入1mL左右的标样,然后再称重获得进样量,输入被检仪器内(若天平和仪器相连,仪器可以自动读数)或根据消耗的试剂量,计算仪器测得的标准物质(标准样品)浓度,获得一个测量值,重复以上步骤,获得第2个、第3个或更多个测量值。
一般情况下取重复性好的3~4个测量值求平均值作为该仪器的测量值,与标准物质(标准样品)的标称值进行比较即获得该被检仪器的校准结果。
以上就是卡尔费休水分测定仪的校准方法,希望上面的介绍可以对大家起到一定的帮助,想了解更多卡尔费休水分仪的相关知识可以继续关注我们。
卡尔-费休水分测定操作规程(最终版)20151209-上传目的:建立915 KF Ti-Touch 卡尔-费休水分仪的使用、维护、保养标准操作规程,规范水分测定法操作,保证检验的质量。
范围:本规程规定了万通915 KF Ti-Touch 卡氏水分测定仪的使用方法及操作要求,适用于费休氏法(第一法)测定样品的水分。
职责:质量研究部负责本文件的起草和实施。
检验依据:《中国药典》2015年版四部通则0832。
内容: 1、技术参数1.1 测量分辨率:0.1 mV / 0.1μA ; 1.2 测量精确度:±0.2 mV;1.3 滴定管加液误差(10mL ):± 20μL (0.2 %,优于ISO/ EN/ DIN 的标准要求0.3%); 1.4水分测量范围:10ppm 到100%;1.5滴定管加液分辨率:1/10000或1/20000(可选); 1.6对话语言: 中文,英语,德语,西班牙语,法语;1.7 温度探头:Pt1000或NTC ; 2、操作方法2.1滴定前准备2.1.1确认卡尔.费休氏试液和无水甲醇充足,仪器连接完好后,打开电源开关。
2.1.2必要时排空滴定杯,在滴定杯中加入溶剂,直至甲醇基本浸没电极铂金柱。
2.2滴定液标定2.2.1待仪器自检结束后,点击界面上BD ,仪器会自动平衡。
文件名称:卡尔-费休水分测定法操作规程文件编码 SOP-QR-001-00起草人日期颁发部门质量研究部审核人日期生效日期批准人日期颁发数量2份分发部门质量部经理(1份)、分析室(1份)2.2.2待界面显示平衡正常后(即漂移值≤5μL/min),将标准水样抽入注射器中(约1ml),确保注射器中没有气泡。
用天平精密称量已装满标准水的注射器,点击开始,仪器将停止平衡,会显示要求10秒钟内加入标准水样。
2.2.3迅速将标准水样通过隔垫注入滴定杯中。
注意在注入标准水样的过程中,将注射器的针头浸入溶液中(或用差量法),输入称量值,滴定结束后会显示滴定液浓度。
枣庄益众化学有限公司管理标准----文件管理文件名称 卡尔费休水分测定仪操作规程编 码SMP-WJ-0054-01页 数 2目的:为规范卡尔费休氏水分测定仪操作程序和方法,特制订本操作规程。
范围:适用于化验室卡尔费休氏水分测定仪的使用。
责任:化验员有责任按本操作规程正确操作,以提供准确的实验数据。
内容:1操作程序1.1仪器安装后,接通电源,指示灯亮。
1.2滴定溶剂甲醇中的水分1.3加无水甲醇(分析纯)于反应瓶中,无水甲醇用量约10ml ,然后打开电磁搅拌器,调节好转子转速,使均匀平稳。
1.4将仪器面板上的校正开关拨到校正档,调节校正电位器,使电表指针指示为40μA ,然后将校正开关拨到测定档。
1.5用卡尔•费休液滴定,滴定至电流计产生较大的偏转(38μA )并保持1min 不变为终点(不需记录卡尔•费休液体积)。
此时呈无水状态,再按下法标定卡尔.费休试剂。
1.6标定卡尔.费休试剂1.7加压使卡尔•费休液达到滴定管满刻度。
1.8用微型注射器取10μl (约10mg )蒸馏水通过加料口注入反应瓶中(切忌将水溅到反应瓶壁上)。
1.9用卡尔•费休液滴定,当滴定至指针偏转较大时,此时应小心滴定,并注意观察指针,当指针产生最大的偏转(38μA )并保持1min 不变,即可认为达到滴定终点。
1.10此时应记下所消耗卡尔•费休液体积(ml );按照上述方法测定两次,计算两次消耗卡尔•费休液体积(ml )的平均值A,计算每ml 卡尔•费休液相当于水的毫克数: A WF =2样品的测定用双链球加压使卡尔.费休达到滴定管满刻度。
用注射器取5ml 样品后进行称量G1,然后注射于反应瓶中(切忌不要滴到瓶壁上),开始进行滴定。
记下样品所消耗卡尔•费休液体积(ml )A ;称注射器的重量G2;则样品重量为G(mg)=(G1-G2)。
并按下式计算:%100⨯⨯=G F A 水份%式中:A -样品所消耗的卡尔•费休液体积(ml )F -每ml 卡尔•费休液相当于水的毫克数(mg );G -样品重量(mg )。
使用卡尔费休水分测定仪安全操作规程范本一、目的为确保操作人员在使用卡尔费休水分测定仪时的安全,保护其人身安全和仪器设备的完好,制定本安全操作规程。
二、适用范围本操作规程适用于所有使用卡尔费休水分测定仪的操作人员。
三、安全操作规程1. 动作准备1.1 操作人员需穿着合适的工作服,以保护自身免受物理和化学的伤害,并确保办公区域的整洁与安全。
1.2 使用卡尔费休水分测定仪前,必须检查仪器的工作状态和安全性能,确保无明显故障。
1.3 配备足够的试剂和备用仪器,以应对可能出现的突发情况。
2. 仪器操作2.1 开机前,操作人员需先检查电源线和插座,确保连接牢固,避免电源线被拉扯导致断裂或插座松动。
2.2 操作人员在使用卡尔费休水分测定仪前必须对仪器进行适当的清洁,移除可能影响测量准确性的杂质。
2.3 使用过程中,操作人员应严格按照仪器的使用说明进行操作,避免不必要的操作失误。
2.4 如实时检测到仪器出现异常情况,应立即停止操作并向上级报告,不得擅自修理或继续使用。
3. 试剂使用3.1 操作人员在使用试剂前必须戴上实验手套和护目镜,以免试剂直接接触皮肤和眼睛引发化学反应。
3.2 使用试剂时,应注意试剂的保存条件,确保试剂不受潮、受热或受到其他不良影响。
3.3 操作人员在使用试剂时,应遵循操作规程,按照正确的比例和顺序加入试剂,避免试剂的误用或混淆。
4. 清洁与维护4.1 每次使用卡尔费休水分测定仪后,操作人员需将仪器进行清洁,以保持仪器的干净和正常工作状态。
4.2 清洁仪器时,操作人员应使用适当的清洁剂或消毒液,注意清洁剂或消毒液的浓度和使用方法,避免对仪器造成损害。
4.3 定期对卡尔费休水分测定仪进行维护保养,包括更换损坏的部件和调整仪器的性能参数。
五、紧急情况处理5.1 当卡尔费休水分测定仪发生突发故障或操作人员受伤时,应立即停止操作,切断电源,并立即寻求专业人员的帮助。
5.2 在突发火灾等紧急情况下,操作人员应迅速撤离现场,确保人身安全,并及时报警,配合相关人员进行应急处置。
使用卡尔费休水分测定仪安全操作规程1. 引言卡尔费休水分测定仪是一种常用于测量食品、药品、化妆品等样品中水分含量的仪器。
在使用过程中,为了保证实验的准确性和操作的安全性,我们需要遵守一定的操作规程。
本文档旨在提供使用卡尔费休水分测定仪的安全操作指南,以保证实验顺利进行。
2. 设备准备在操作卡尔费休水分测定仪之前,需要确保以下设备和材料的准备:•卡尔费休水分测定仪本体•电子天平•校准样品•取样容器•纸巾•蒸馏水•操作手册3. 操作步骤步骤1:仪器预热•打开卡尔费休水分测定仪的电源开关,待仪器预热至设定温度(一般为105℃)。
步骤2:校准仪器•将校准样品称量并放置于取样容器中。
•将取样容器放入已经预热的卡尔费休水分测定仪中,并按照操作手册的要求进行校准。
步骤3:样品称量•准备待测样品,并使用电子天平称量所需重量。
•将取样容器放入已经预热的卡尔费休水分测定仪中。
步骤4:进行测量•关闭卡尔费休水分测定仪的仪器门,并按照操作手册的要求启动测量程序。
•等待测量结束,记录水分含量数据。
•将取样容器中的样品取出,清洁容器以备下一次使用。
4. 安全注意事项注意事项1:操作平稳在使用卡尔费休水分测定仪过程中,要保持操作平稳,避免剧烈摇晃或碰撞仪器,以防止发生意外。
注意事项2:防止烫伤•卡尔费休水分测定仪在工作过程中会升温,使用时需要小心避免触摸仪器表面,以免烫伤。
•使用纸巾等工具处理热样品或容器时,应先确保温度降低到安全程度。
注意事项3:电源安全•使用卡尔费休水分测定仪时,应确保仪器和电源连接牢固,并避免电源线被绊倒或潮湿。
•当长时间不使用仪器时,应拔掉电源,关闭仪器开关。
注意事项4:化学品安全•在实验过程中,可能会使用蒸馏水等化学品,需要妥善保存,并遵循相关安全操作规程。
•避免化学品溅到皮肤或眼睛中,如有不慎发生,应立即用大量清水冲洗,必要时寻求医疗帮助。
注意事项5:操作手册使用卡尔费休水分测定仪前应仔细阅读并熟悉操作手册,遵循手册中的操作步骤和安全要求。
卡尔费休水分测定仪测试需要注意问题卡尔费休水分测定仪操作规程卡尔费休水分测定仪测试需要注意问题卡尔费休水分测定仪产品简介:卡尔费休方法自1935年由卡尔费休提出,接受I2、SO2、吡啶、无水CH3OH(含水量在0.05%以下)配制成试剂,测定出试剂的水当量,在试剂与样品中的水进行反应后,通过计算试剂消耗量而计算出样品中水含量,国际标准化组织把这个方法定为测微量水分国际标准,我们国家也把这个方法定为国家标准测微量水分。
除了测定样品的性质,测定的方法,标定物质的选用,取样方法和进样量的大小影响测定精度外,还必需注意以下几个问题才能保证测定精度。
1.由于卡尔费休滴定试剂很简单吸取水分,因此要求滴定剂发送系统的滴定管和滴定池(测量池)等实行较好的密封系统。
否则由于吸湿现象造成尽头长时间的不稳定和严重的误差。
2.卡尔费休试剂的滴定度的大小,依据试液含水量的多少来决议。
3.卡尔费休滴定法测定水的尽头判别方有:(1)依靠人的视觉察看溶液颜色突变的目视法;(2)依靠察看电流表偏转突变至确定值并稳定一段时间如60秒作为滴定尽头的永停尽头法(硬件滴定);(3)以永停尽头法又称为死停尽头法(dead stop end—point method)为基础,微机自动掌控的软件滴定三种法。
4.滴定试剂的发送头的结构与位置也是滴定误差的一个特别紧要的因素。
5.在滴定时搅拌要均充分且均匀。
6.在进样时,要防止注射器头受外界的污染而影响测定结果,同时要防止进样时样品的损失。
7.卡尔费休试剂瓶进气口要安装干燥器,以防止试剂吸取空气中的水分而使试剂的滴定度下降造成严重的测定误差。
8.在进行卡尔费休滴定过程中,有时会显现借尽头现象,也就是提前到达尽头,造成测定结果偏低。
特别在测定低浓度含水量的样品时影响更大,甚至无法进行测定。
这紧要是空气中的氧将滴定池中的离子氧化为,从而削减了试剂的耗用量。
太阳光也会明显地促进氧与离子的氧化反应,对试剂要实行避光措施。
卡尔费休水分测定仪校准规程
一编制目的
在仪器设备两次检定之间,进行期间核查,验证设备是否保持校准时的状态,确保检验结果的准确性和有效性。
二检查项目
外观、仪器示值重复性、仪器示值误差等3 项。
三检定条件
1环境条件
环境温度:10℃~30℃
相对湿度:≤80%
无尘,无腐蚀性气体,无影像测量的强烈震动、电磁干扰
2 标准物质
2.1 水-甲醇标准物质(水含量1mg/g)
2.2 蒸馏水
四检定依据
卡尔费休库仑法水分测定仪说明书及国家计量检定规程JJG1044-2008
五检定方法
1仪器外观
1.1名牌完整,标明仪器名称、型号、生产厂家、序列号、出产日期等。
1.2一起不应有影响正常工作的机械外伤。
1.3各紧固件均应紧固、工作正常。
1.4一起的电解池系统应密封良好,电极、干燥管、磨塞拆装顺利。
2 仪器示值误差检定
选取10、100、1000、5000四个点的左右进行测定,为了减小测量误差,不同的点采用不同的标准物质和微量进样器。
测量时首先采用所需微量进样器抽取标准物质(或蒸馏水)至所需刻度,在分析天平上称量进样针的质量W1然后进样,进样器针头必须进入到电解液
面一下,全部注入试样后拔出,擦干进样器粘的电解液称量进样针质量W2,分别对不同含水量的标准物质测量三次,检定点的测量值与标准值之差的平均值即为仪器的示值误差。
不同的检定点采用不同的微量进样器:
示值误差计算公式:
式中:Δx-----示值误差,μg;
xi------检定点的测量值,μg;
xs------检定点的标准值,μg。
3 仪器示值重复性检定
当仪器稳定后,用10μl微量进样器注入10μl水-甲醇标准物质。
连续进样6次,记录测量值,定量重复性以含水量测量结果的相对标准偏差RSD表示:
六评定标准
所测得仪器的示值误差不超过±(5%检定点)μg;100μg点的测量值的相对偏差不大于3%;外观正常。
七核查周期
在仪器设备两次检定之间,一般每隔六个月核查一次。