机电一体化技术实验报告材料(手写)
- 格式:doc
- 大小:295.89 KB
- 文档页数:10
机电一体化实习报告范本一、实习单位介绍实习单位:XXX公司公司简介:XXX公司成立于20XX年,是一家专注于机电一体化领域的高新技术企业。
公司致力于为各行业提供全面的机电一体化解决方案,主要涉及汽车制造、能源领域、智能家居等领域。
公司拥有一支高素质的研发团队和一流的生产基地,并取得了多项专利技术和软件著作权。
在市场竞争中,XXX公司凭借着稳定可靠的产品质量和优质的服务赢得了广大客户的赞誉。
二、实习岗位介绍实习岗位:机电一体化研发助理实习内容:协助研发团队进行机电一体化产品的设计与开发,对已有产品进行改进和优化,参与项目的需求分析和方案制定,进行实验和测试,并撰写相关技术文档。
三、实习过程和成果1. 项目一:机电一体化智能家居系统设计与开发在这个项目中,我主要负责了智能家居控制设备的设计与开发工作。
通过对市场需求和竞品分析,我与团队成员一起制定了设计方案,并使用CAD软件进行设备外观设计。
在硬件开发阶段,我熟练掌握了C语言和嵌入式系统开发技术,成功实现了设备的控制和数据传输功能。
在软件开发阶段,我使用Python语言开发了一套智能家居控制软件,并实现了手机APP与设备的数据交互。
最终,我成功完成了该项目,并顺利交付给客户使用。
2. 项目二:汽车制造机器人系统改进与优化在这个项目中,我主要负责了汽车制造机器人系统的改进和优化工作。
通过对现有系统的分析和测试,我发现了一些问题,并提出了相关改进措施。
经过与团队成员的讨论和讨论,我们共同改进了机器人的动作控制算法,并提高了机器人的精准度和工作效率。
同时,我还负责了系统的功能测试和性能评估,并撰写了相关的技术文档,为后续项目的开发和维护提供了参考。
四、实习心得与收获在这次机电一体化的实习中,我深刻体会到了机电一体化技术对各个行业的重要性和应用前景。
通过实际的项目经验,我不仅对机电一体化的概念和原理有了更深入的理解,也掌握了一些相关的设计和开发技能。
同时,团队合作也让我更好地了解了团队协作和沟通的重要性,学会了如何与不同背景和职责的人合作,从而达到项目目标。
机电一体化实习报告范本一、实习目的这次实习是毕业前的一次综合性实习。
本次实习是为了拓展知识面,扩大与社会的接触面,锻炼和提高能力,将理论知识与实践相结合,在以后走入社会能够更快的进入工作,更快的融入社会。
在生活和工作中能够很好的处理各方面的问题,进一步运用所学知识分析和解决实际问题,提高实际工作能力,为以后走向社会,更好的工作打下扎实的基础。
通过实习使我们对机电一体化专业知识有了更进一步的掌握,使我们的理论知识和生产实践相结合,把知识应用与实践,在实践中巩固知识,为马上要走上工作岗位的我们能更快地适应自己的工作做好的铺垫。
我们要切实了解现实工作与在学校理论学习的不同思路,不同方法,我们要以新的面貌、新的姿态、新的思维方式,最快地融入工作,适应工作的要求。
毕业实习的过程中,我们不仅要看到理论与现实的差距,更要看到它们的联系,看到两者的重要性,我们不能放弃任何一个,在实际工作中,我们仍然不能放弃理论,反而要在现场工作中加强理论学习。
认识到严格服从领导指挥,按时上下班,坚守岗位和敬业精神的重要性,为毕业后的工作打下良好基础。
通过这次的实习,可以使我们在实践中接触与本专业相关的一些实际工作,培养和锻炼我们综合运用所学的基础理论、基本技能和专业知识,去独立分析和解决实际问题的能力,把理论和实践结合起来,提高我们的实际动手能力,为将来我们毕业后走上工作岗位打下一定的基础。
二、实习内容1、无极绳绞车的类型及工作原理1.1 无极绳绞车的类型无极绳绞车按滚筒的形式可分为螺旋缠绕式和夹钳式两种。
螺旋缠绕式滚筒是在滚筒上缠绕两圈或多圈钢丝绳,以增加其围抱角.它的优点是结构简单,缺点是钢丝绳磨损较大。
夹钳式滚筒由铰接的一对夹块组成,当钢丝绳按辐射方向拖力于绳夹时,夹块把钢丝绳夹个住,在分离点上,钢丝绳离开后由于下部弹簧的作用使夹块张开。
它的优点是拉力大,钢丝绳弯曲小,缺点是维护较繁琐,夹绳弹簧质量差时易折断。
1.2 无极绳绞车的工作原理及组成钢丝绳绕过无极绳绞车的主动轮,再经过张紧轮和尾轮连接在一起,形成无极封闭形,电机带动主动轮转动,通过摩擦力传递使钢丝绳绕主动轮和尾轮不停地转动。
机电一体化实习报告范本不知不觉实习阶段已经接近尾声,回想在学校的日子还历历在目。
在实习的期间我换了两份工作,在电子厂当过巡检。
在金属制品厂技术部学制图和企业管理。
其间我学到了很多在学校里学不到的东西。
学到的东西也比较广,从纯水的检测到发热片的加工,以及电子元件的质量标准和各种量具的用法。
虽然工作并不复杂,可在操作过程中起了很大的作用,避免了很多不必要的损失,在工人们操作的时候加以纠正,传授正确方法,从而使产品质量提高。
同时在工作中培养了自身交流潜力。
促进了工作的效力。
这些都是我在灵芝电子里学到的。
离开灵芝主要原因是因为交通不便,之后我来到了离家不远的鑫美金属制品厂。
那里工作的环境很好。
我和几个同事安排在一间办公室。
我主要的工作是整理文件,图纸管理。
最近又帮忙做起里加工进程跟踪。
这个厂的历史虽然但是几年时间,但是实力却是不错的。
有专业的模具设计人才,先进的生产设备。
我平时也会帮忙画画图纸。
在学校学到的AUTOCAD此刻派上了用场。
碰到不会的问题我还能够问我的几位师傅,他们都是专业的制图人员,画图纸又快又好。
在他们的用心指导下我能够画很多以前不会画的图纸了。
此外,我还明白了不少用于生产的机器。
一、线切割机车间里有几台线切割机。
它主要用于加工各种形状复杂和精密细小的工件,例如冲裁模的凸模、凹模、凸凹模、固定板、卸料板等,成形刀具、样板、电火花成型加工用的金属电极,各种微细孔槽、窄缝、任意曲线等,具有加工余量小、加工精度高、生产周期短、制造成本低等突出优点,已在生产中获得广泛的应用,目前国内外的电火花线切割机床已占电加工机床总数的60%以上。
根据电极丝的运行速度不一样,电火花线切割机床通常分为两类:一类是高速走丝电火花线切割机床(wedm-hs),其电极丝作高速往复运动,一般走丝速度为8~10m/s,电极丝可重复使用,加工速度较高,但快速走丝容易造成电极丝抖动和反向时停顿,使加工质量下降,是我国生产和使用的主要机种,也是我国独创的电火花线切割加工模式;另一类是低速走丝电火花线切割机床(wedm-ls),其电极丝作低速单向运动,一般走丝速度低于0。
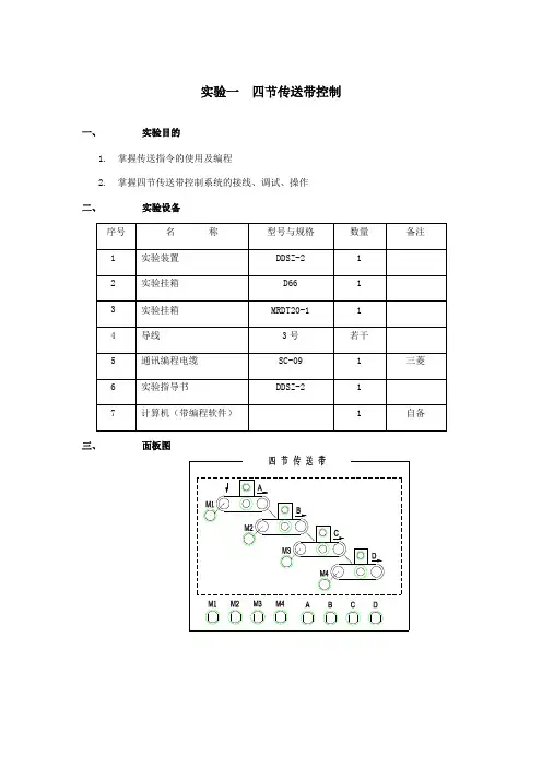
实验一四节传送带控制一、实验目的1.掌握传送指令的使用及编程2.掌握四节传送带控制系统的接线、调试、操作二、实验设备三、面板图四、控制要求1.总体控制要求:如面板图所示,系统由传动电机M1、M2、M3、M4,故障设置开关A、B、C、D组成,完成物料的运送、故障停止等功能。
2.闭合“启动”开关,首先启动最末一条传送带(电机M4),每经过1秒延时,依次启动一条传送带(电机M3、M2、M1)。
3.当某条传送带发生故障时,该传送带及其前面的传送带立即停止,而该传送带以后的待运完货物后方可停止。
例如M2存在故障,则M1、M2立即停,经过1秒延时后,M3停,再过1秒,M4停。
4.排出故障,打开“启动”开关,系统重新启动。
5.关闭“启动”开关,先停止最前一条传送带(电机M1),待料运送完毕后再依次停止M2、M3及M4电机。
五、功能指令使用及程序流程图1.传送指令使用X0000为ON时,将源容向目标容传送,X0000为OFF时,数据不变化。
2.程序流程图六、端口分配及接线图1.端口分配及功能表2.PLC外部接线图七、操作步骤1.检查实验设备中器材及调试程序。
2.按照I/O端口分配表或接线图完成PLC与实验模块之间的接线,认真检查,确保正确无误。
3.打开示例程序或用户自己编写的控制程序,进行编译,有错误时根据提示信息修改,直至无误,用SC-09通讯编程电缆连接计算机串口与PLC通讯口,打开PLC主机电源开关,下载程序至PLC中,下载完毕后将PLC的“RUN/STOP”开关拨至“RUN”状态。
4.打开“启动”开关后,系统进入自动运行状态,调试四节传送带控制程序并观察四节传送带的工作状态。
5.将A、B、C、D开关中的任意一个打开,模拟传送带发生故障,观察电动机M1、M2、M3、M4的工作状态。
6.关闭“启动”按钮,系统停止工作八、实验总结1.总结移位寄传器指令的使用方法。
2.总结记录PLC与外部设备的接线过程及注意事项。
机电一体化实习报告样本机电一体化实习报告三一、实习背景和目的机电一体化是将机械和电气控制相结合,实现自动化和智能化的一种技术。
作为机电一体化专业学生,我在实习过程中的主要任务是学习和掌握机电一体化的原理和应用,并通过实际操作和项目实践提升自己的实际能力。
本次实习报告为实习的第三部分,主要介绍我在实习期间的实际工作和经验。
二、实习内容和任务在实习的第三部分中,我的主要任务是参与一个机械手项目的研发和测试。
这个机械手主要用于工业生产线上的物料搬运和装配任务。
我参与了整个项目的设计、调试和测试工作。
1. 项目设计在项目设计阶段,我与项目组一起参与了机械手的整体设计工作。
我们根据项目需求,确定了机械手的结构和功能,并选择了合适的传感器和执行器。
我负责了机械部分的设计和选型工作,并与电气部分进行了密切的协作。
2. 项目调试在项目调试阶段,我与团队一起搭建了机械手的实际物理系统,并进行了连通性和稳定性的调试。
我们通过编写控制程序,测试了机械手的运动功能和自动化控制。
我负责了机械部分的调试工作,并与电气部分一起进行了系统参数的调整和优化。
3. 项目测试在项目测试阶段,我参与了机械手在实际工作环境中的测试工作。
我们通过在工业生产线上的物料搬运和装配任务中使用机械手,验证了机械手的性能和稳定性。
我负责了测试过程中的数据记录和分析工作,并提出了改进意见和建议。
三、实习收获和体会通过参与这个机械手项目的研发和测试工作,我得到了许多宝贵的实践经验和专业知识。
1. 机械设计能力的提升在项目设计阶段,我学习了机械设计的基础知识和技术,通过实际操作和实践,提升了自己的机械设计能力。
我学会了使用CAD软件进行机械部件的设计和装配,理解了机械部件的结构和工作原理。
2. 电气控制能力的提升在项目调试和测试阶段,我学习了电气控制的基础知识和技术,通过实际操作和实践,提升了自己的电气控制能力。
我学会了使用PLC和传感器进行自动化控制和数据采集,理解了电气控制系统的实际应用。
机电一体化实习报告范例机电一体化是一个宽口径专业,适应范围很广,在校期间除学习各种机械制造和原理、电工电子、计算机技术、控制技术等理论知识外,还将参加各种技能培训和国家职业资格证书考试,充分体现重视技能培养的特点。
随着计算机技术的迅猛发展和广泛应用,机电一体化技术获得前所未有的发展,成为一门综合计算机与信息技术、自动控制技术、传动技术和机械技术等交叉的系统技术,目前正向光机电一体化技术方向发展,应用范围愈来愈广。
一、实习目的1.通过工作实习加深了对机电一体化专业认识,巩固了专业思想,激发了学习热情。
2.熟悉公司工作流程、专业涉及的工作要领。
为以后走上更好的工作岗位积累一定的知识和经验。
3.开拓我们的视野,增强了专业知识,锻炼了独立工作的能力,拓展了更广的知识和业务。
通过现场的工作实习和企业员工的交流指导,理论联系实际,把所学的理论知识加以印证、深化、巩固和充实,培养分析、解决工程实际问题的能力,为后继的学习以及其他方面的深入了解打下了坚实的基矗二、实习情况介绍1.公司简介:岗位介绍:专案是一个特殊的将被完成的有限任务,它是在一定的时间内、满足一系列特定目标的多项相关工作的总称。
专案是台湾惯用名词,在国内专案相当于项目。
专案包括三层含义:(1)专案是一项有待完成的任务,有特定的环境与要求;(2)在一定组织结构内,利用有限的资源(包括人力、物力和财力等)在规定的时间内完成任务;(3)任务是满足一定性能、质量、数量和技术指标等要求。
对照IT企业的工作内容,基本都可以称之爲专案,因此对这些工作的管理,均可以采用专案管理的方法。
专案就是要完成的一个具体任务,一旦这个任务完成,这个专案的使命就完成了。
专案受到周围环境的影响,而且环境对专案的执行有一定的约束,例如考虑到和其他专案的相容,必须采用的技术和开发理念等等。
为了完成专案的任务,必须要组建一支团队,团队成员分工合作以完成各个分目标,进而实现总体目标。
专案对资源有一定的要求,这些要求包括人力资源的技术能力和数量要求,配备什麽样的设备和数量,完成专案目标需要多少费用,以及这些资金的分配情况等。
机电一体化实习报告一、前言机电一体化是指将机械和电气的技术相结合,形成一种具有双重功能的技术体系。
机电一体化将传统的机械和电气技术有机地结合在一起,使机械系统具备了感知、控制和执行的能力,实现了智能化和自动化。
本实习报告旨在总结和分析我在某某公司进行的机电一体化实习项目的经验和收获。
二、实习内容在某某公司的机电一体化实习项目中,我主要参与了某某产品的设计、开发和测试工作。
项目的目标是开发一种新型的智能家居系统,实现对家庭电器的远程操控和智能化管理。
在实习期间,我主要参与了以下几个方面的工作:1. 系统设计:根据项目需求,参与了智能家居系统的整体设计工作。
通过分析家庭电器的工作原理和功能需求,设计出了一套合理的机电一体化控制方案。
在设计过程中,我学习了电气控制和传感器原理的相关知识,并运用这些知识进行了系统设计。
2. 硬件开发:在实习期间,我还参与了智能家居系统的硬件开发工作。
我使用了各种工具和设备进行电路板设计和制作。
通过实际操作,我学会了使用一些常用的电路板设计软件和工具,并掌握了电路板制作的流程和技巧。
3. 软件开发:智能家居系统的软件开发也是我参与的重要部分。
通过学习和实践,我掌握了一些常用的软件开发工具和技能。
我编写了一些控制家电的软件代码,并进行了功能测试和调试工作。
通过软件开发实践,我深入理解了软件和硬件之间的交互原理和方式。
4. 系统测试:在智能家居系统的实习中,我还负责了测试和验收工作。
我使用了一些专业的仪器设备对系统进行了性能和功能的测试。
通过测试,我发现并修复了一些系统存在的问题,并对系统进行了调试和优化。
三、实习收获在机电一体化的实习过程中,我获得了许多宝贵的经验和收获。
首先,我深入理解了机电一体化技术的原理和应用,了解了机械和电气技术的相互关系和影响。
通过实践项目,我学习到了许多实用的硬件和软件开发技能,提高了自己的实践能力和解决问题的能力。
其次,在实习过程中,我锻炼了自己的团队合作能力和沟通能力。
机电一体化实习报告机电一体化实习报告(通用8篇)难忘的实习生活已经告一段落了,你梳理过这段时间的实习生活吗?为此就要认真思考实习报告如何写了。
那么什么样的实习报告才是好的实习报告呢?以下是小编收集整理的机电一体化实习报告,仅供参考,大家一起来看看吧。
机电一体化实习报告篇1一、实习意义我们大家都知道,一个高校毕业生在三年或四年大学生涯结束之前都要参加一次踏入社会前的实习活动。
对于这个活动的意义,不同人、不同的学校有不同的看法。
我个人认为,毕业前的实习活动对于一个刚刚毕业的大学生来说是非常有必要的,大学生活是美好而快乐的,可是我们学生同样也在象牙塔中封闭了太久,我们不了解企业、不了解社会更不了解自己的能力和水平。
通过实习可以让我们尝试着接触社会和企业,了解企业也了解自己。
如今的大学生就业从过去的分配时代到了自主寻找时代,而现在的就业形势很不乐观,很多单位在招聘的时候列出需要有工作经验的条件,这对于刚走出校门的毕业生来说是很难达到的。
这时,社会实习就显得尤为重要,它不单是对自己工作经验的一种积累,还能够让自己明确以后的发展方向,对提高自身能力有着极为重大的意义。
因此,有了这次我的社会实习。
二、操作流程及感想金工实习是一门实践性的技术基础课,是高等院校工科学生学习机械制造的基本工艺方法和技术,完成工程基本训练的重要必修课。
它不仅可以让我们获得了机械制造的基础知识,了解了机械制造的一般操作,提高了自己的操作技能和动手能力,而且加强了理论联系实际的锻炼,提高了工程实践能力,培养了工程素质。
这是一次我们学习,锻炼的好机会!通过这次虽短而充实的实习我懂得了很多。
在实习期间,我先后参加了车工,数控机床,钳工,焊工,刨工的实习,从中我学到了很多宝贵的东西,它让我学到了书本上学不到的东西,增强自己的动手能力。
1.车工我所在的第一组首先接触的车工。
车工是在车床上利用工件的旋转和刀具的移动来加工各种回转体的表面,包括:内外圆锥面、内外螺纹、端面、沟槽等,车工所用的刀具有:车刀、镗刀、钻头等,车销加工时,工件的旋转运动为主的运动,刀具相对工件的横向或纵向移动为进给运动。
机电一体化实习报告4篇机电一体化实习报告篇1机电一体化工作实习报告实践单位:实践课题:实践内容一、实习目的终于等到了实习的时候了,很早以前就从师兄那里打听到了有实习,那时候可以说是急切地期盼着这一天的到来,因为大家再也无法满足于课堂教学,尽管从同学朋友那里了解到实习并非像想象中的那样是一件快乐的事情。
蓦然回首,转眼为期一周的铣工实习结束了。
在实习期间虽然很累、很苦,但我却感到很快乐!因为我们在学到了作为一名铣工所必备的知识的同时还锻炼了自己的动手能力。
而且也让我更深刻地体会到伟大的诗人李白那一名言:只要功夫深,铁杵磨成针的真正内涵!我们实习的第一天看了关于铣工实习的有关的知识与我铣工实习过程中的注意事项的碟片。
看到那飞转的机器、飞溅的铁花,令我既担心又激动。
担心的是,如果那飞转的机器隆隆声让人心惊肉跳和那鲜红的铁花四处飞溅的发出耀眼的的光芒令人眼花缭乱;激动的是,等待了将近一年的铣工实习就要开始了。
这是作为学生的我们第一次进入工厂当令人尊敬的工人,也是第一次到每一个工科学子一试身手的实习基地。
其实,对我们这些工科的学生来说这是一次理论与实践相结合的绝好机会,又将全面地检验我们知识水平。
铣工实习是机械类各专业学生必修的实践性很强的技术基础课。
学生在铣工实习过程中通过独立地实践操作,将有关机械制造的基本工艺知识、基本工艺方法和基本工艺实践等有机结合起来的,进行工程实践综合能力的训练及进行思想品德和素质的培养与锻练。
铣工实习是培养学生实践能力的有效途径。
又是我们大学生、工科类的大学生,院的学生的必修课,非常重要的也特别有铣工实习又是我们的一次实际掌握知识的机会,离开了课堂严谨的环境,我们会感受到车间的气氛。
同时也更加感受到了当一名工人的心情,使我们更加清醒地认识到肩负的责任。
通过老师的讲解。
我终于明白了什么是铣工。
同时也懂得了为什么有人说“当铣工是最累的!”铣工是以手工操作为主,使用各种工具来完成零件的加工、装配和修理等工作。
机电一体化实习报告范文机电一体化实习报告范文精选6篇(一)机电一体化实习报告实习时间:2020年7月1日-2020年8月31日实习单位:某机电制造公司一、实习背景及目的机电一体化是指机械工程和电子工程的相互融合与交叉,通过利用电子技术和信息技术来增强机械设备的自动化、智能化和精细化水平。
本次实习旨在通过在机电制造公司的实际工作中学习和实践,深入了解机电一体化的应用和发展趋势,并提升自己的专业素养和实践能力。
二、实习过程及成果在实习期间,我按照实习单位的安排和要求,参与了多个机电一体化项目的开发和实施。
具体包括以下几个方面的工作:1. 了解机电一体化技术的基本原理和应用领域,深入学习相关专业知识,包括机械设计、电子电路、传感器、控制系统等方面内容。
2. 参与机电一体化项目的需求分析和设计,包括制定项目计划、编制技术方案和可行性分析报告等。
3. 参与机电一体化设备的装配和调试工作,熟悉设备的结构和工作原理,掌握相关操作技能。
4. 参与机电一体化设备的现场测试和运营,收集并分析设备运行数据,根据实际情况进行调整和优化。
5. 学习并掌握机电一体化项目的管理和协调能力,与团队成员密切合作,完成各项任务和项目。
通过实习,我取得了以下几方面的成果:1. 加深了对机电一体化技术的理解和应用,掌握了相关专业知识和技能。
2. 增强了团队合作和沟通能力,学会与他人协作解决问题。
3. 提高了自我管理和组织能力,学会合理规划和安排工作。
4. 掌握了一定的项目管理和协调能力,为将来的工作打下良好的基础。
三、实习总结通过本次实习,我对机电一体化技术有了更深入的了解,也增强了自己的实践能力和专业素养。
机电一体化作为工程技术领域的重要发展方向,具有广阔的应用前景和市场潜力。
今后,我将继续深耕机电一体化领域,不断提升自己的能力和水平,为我国的机电制造业发展做出贡献。
同时,我还要感谢实习单位对我的培养和帮助,感谢各位老师和同事的指导和支持。
机电一体化实习报告(范文)5篇机电一体化实习报告(一)机电一体化是一个宽口径专业,适应范围很广,在校期间除学习各种机械制造和原理、电工电子、计算机技术、控制技术等理论知识外,还将参加各种技能培训和国家职业资格证书考试,充分体现重视技能培养的特点。
一、实习目的:1、通过工作实习加深了对机电一体化专业认识,巩固了专业思想,激发了学习热情。
2、熟悉公司工作流程、专业涉及的工作要领。
为以后走上更好的工作岗位积累一定的知识和经验。
3、开拓我们的视野,增强了专业知识,锻炼了独立工作的能力,拓展了更广的知识和业务。
二、实习情况介绍:主要工作是协助公司完成后勤规划管理的项目,主要分为:(1)机械手配件统计管理;(2)机台定位环统计管理;(3)技术员用备品管理请购;(4)备品室进出管理。
其中还兼职架立模具。
三、实习时间及地点:20__年__月——20__年__月在__电子股份有限公司进行顶岗实习。
四、实习内容:终于到了正式工作的时候了,我到了成型生计部门,在这里我知道了成型生计部门的作用,主要是控制注塑机,制作出想要的产品。
注塑成型是利用塑胶原料受热后成为熔融状态流体利用注射成型机的压力、速度,将熔融塑胶注射入预先设计好的紧闭模腔内,经过冷却后而得到所需的制品的过程。
作为一个专案除了要了解自己所做的工作流程外,还要加强自己的责任心只有这样才能更好的做出客户想要达到的产品要求。
我一般做的是把设置好的注塑机的参数做成图片,将每一台模具需要什么样的成型条件,记录下来,装订成册,以便于后来人能够更快的上手操作。
我会每天看看都有哪些新的产品需要做出工艺参数文档来,如果有要做的,那么我会去车间找到那台正在生产产品的注塑机,拍摄下它的参数来,再回到办公室里把他做成Excel表格的格式保存下来。
做出工艺参数文档以后,还要看看这个产品用的是哪个模具,把这台模具需要怎么布置水路图,以Excel表格的格式画出来,再然后还需要看看这个产品需不需要热流道图,需要热流道图的话,会去车间找到正在生产产品的注塑机上的温控箱、时序控制器拍摄成图片格式,再做成Excel表格。
机电一体化实习报告机电一体化实习报告(精选9篇)机电一体化实习报告篇1一、实习目的多年的专业课教学和实习指导的经验告诉我们,生产实习在教学中具有十分重要的作用。
生产实习是组织学生到现场从事必须的实际工作,以获得相关的实际知识和技能,巩固和加深理论知识,培养实际操作潜力和独立工作潜力。
学生学习专业知识,虽然在校内可透过课堂形式获得,但单纯依靠课堂讲授达不到教学要求,更达不到理论与实际相结合的目的。
个性是对《钳工工艺》、《电工学》等实践性很强的专业课,务必透过课堂讲授和生产实习这两个密切相关的教学环节,才能完成这门课程的教学任务,提高教学质量,培养学生的综合素质。
在实习中,学生运用课堂教学学习的指示,进一步学习实际知识和技能,以便在毕业后能顺利地适应工作岗位的实际工作。
生产实习不但具有学习知识和技能的作用,也是对学生进行思想政治和道德品质教育的重要教学形式,同时能够更好地对学生进行劳动观点、劳动态度、爱护公共财物、组织纪律教育,理解安全、劳动纪律教育等;学生和工人一齐工作,学习工人的优秀品质;在生产现场看到自我所学的专业在经济建设中所起的作用而感到自豪。
概括来说,透过生产实习,能够到达三方面的要求:一是学习机械构造方面的基础知识;二是培养学生初步掌握操作某种机械设备和某些工种的动手潜力;三是对学生进行思想作风的严格训练。
二、实习流程按计划安排的日程,实习生各就各位,到各自的实习车间,在实习老师的讲解、嘱咐与示范后,我们留意翼翼地操作了起来。
毕竟是第一次进工厂车间,同学们一个比一个认真,一个比一个卖劲。
在实习中,累吗?自然是避免不了的,但我们学到的也不少啊!比如说:在钳工实习中,我们明白了钳工的主要资料为刮研、钻孔、攻套丝、锯割、锉削、装配、划线;了解了锉刀的构造、分类、选用、锉削姿势、锉削方法和质量的检测。
我们还得到了劳动成果――自我亲手做的小锤,相信同学们必须都收藏起来了作为以后的完美回忆吧。
在车工实习中,我们了解了车刀的种类,常用的刀具材料,刀具材料的基本性能;明白了车刀的组成和主要几何角度。
机电一体化技术实习报告通用4篇在当下这个社会中,报告十分的重要,其在写作上具有一定的窍门。
一听到写报告马上头昏脑涨?为了让大家更好的写作机电一体化实习报告相关内容,作者精心整理了4篇机电一体化技术实习报告,欢迎查阅与参考。
机电一体化实习报告篇一实践课题:机电一体化技术的社会实践实习单位:全椒兴盛机械有限公司实习地点:安徽·全椒实践内容:古人有云:“纸上得来终觉浅,绝知此事要躬行”。
读了几年的大学,然而大多数人对本专业的认识还是不够,在学习机电一体化专业理论知识后,学校为了开拓学生自身的知识面,增加社会竞争中的优势,进一步锻炼和培养我们的社会实践能力,以便毕业后能更好的融入社会,适应国内外严重的经济形势变化。
社会实践是教学与生产实际相结合的重要实践性教学环节。
它不仅让我学到了很多在课堂上根本就学不到的知识,还开阔了视野,增长了见识,了解一个企业生产流程。
为我以后更好把所学的知识运用到实际工作中打下坚实的基础。
作为一名新世纪的大学生,拥有一身抱负是远远不够的,还需要有一技之长。
但是在如今复杂的社会背景下,社会竞争日趋激烈,社会在不断地发展,如果你适应时代的潮流,终究处在城市的边缘角落。
经过短暂的实习让我来回想一下我的实习经历与成果:首先来说说我的专业吧,机电一体化技术是将机械技术、电工电子技术、微电子技术、信息技术、传感器技术、接口技术、信号变换技术等多种技术进行有机地结合,并综合应用到实际中去的综合技术。
现代化的自动生产设备几乎都是机电一体化的设备。
据报道称,中国机电设计迈入PLM全新阶段,正挑战着前所未有的、不可预测的难题。
此次实习,带着什么是测控技术与仪器、本专业适合干那些方面的工作、本专业前途如何等问题,在我参加实习中我深刻对电工技术、电子技术、机械设计基础、机械加工机床、机械加工工艺、数控技术等进行初步的实践,认清就业形势及当今社会对机电一体化专业技术的需求。
1、来到一线的车间进行生产,真正的自己动手操作,熟悉车间各个操作流程。
机电一体化实习报告(3篇)机电一体化实习报告篇一1、实习的目的多年的专业课教学和实习指导经验告诉我们,生产实习在教学中起着非常重要的作用。
生产实习是组织学生到现场进行必要的实践工作,从而获得相关的实践知识和技能,巩固和深化理论知识,培养实际操作潜力和独立工作潜力。
学生的专业知识虽然可以在课堂上获得,但仅靠课堂讲授是无法满足教学要求的,也无法达到理论与实践相结合的目的。
人格是钳工工艺、电工学等实践性很强的专业课。
只有通过紧密联系的课堂教学和生产实践,才能完成该课程的教学任务,提高教学质量,培养学生的综合素质。
在实习期间,学生利用课堂教学的指导,进一步学习实践知识和技能,以便毕业后能够顺利适应岗位的实际工作。
生产实习不仅具有学习知识和技能的功能,而且是对学生进行思想、政治和道德素质教育的重要教学形式。
同时可以更好地对学生进行劳动观点、劳动态度、爱护公物、组织纪律教育、了解安全和劳动纪律教育等方面的教育。
与学生和工人一起学习他们的优秀品质;在生产现场看到经济建设专业的作用,我很自豪。
综上所述,通过生产实践,可以满足三个要求:一、学习机械结构基础知识;二是培养学生掌握操作某些机械设备和某些工种的实践潜力;第三,严格训练学生的思想作风。
二、实习流程根据计划的时间表,实习生们各就各位,去自己的实习车间。
经过实习老师的讲解、指导和示范,我们小心翼翼地操作起来。
毕竟是第一次进工厂车间,同学们比彼此认真,比彼此渴望。
实习期间累吗?这是不可避免的,但我们学到了很多!比如在钳工实习过程中,我们了解到钳工的主要材料是刮、钻、攻、锯、锉、装、划。
了解文件结构、分类、选择、文件姿态、文件方法和质量检查。
我们也得到了自己的劳动成果——自己做的小锤子。
我相信同学们一定会收藏起来,作为以后的完美回忆。
在车刀实习中,我们了解了车刀的种类、常用的刀具材料以及刀具材料的基本性质。
了解车刀的构成和主要几何角度。
手术过程中,同学们配合默契。
机电一体化实习报告范本一、前言随着社会的快速发展,当代社会对即将毕业的大学生的要求越来越高,对于即将毕业的我们而言,为了能更好的适应严峻的就业形势,毕业后能够尽快的融入社会,同时能够为自己步入社会打下坚实的基础,我系同学各自开展了顶岗实习活动。
在公司中我找到了自己的岗位,在电器组当一名小小的电工。
从找工作到找到工作到工作的过程中发生的点滴给我留下了深刻的印象,也让我学到了许多知识,体会到很多,相信此次经历多我而言是一笔宝贵的财富。
二、实习目的毕业实习是我们大学期间的最后一门课程,不知不觉我们的大学时光就要结束了,在这个时候,我们非常希望通过实践来检验自己掌握的知识的正确性。
在这个时候,我来到xx省xx工程公司机电安装公司,在这里进行我的毕业实习。
三、实习单位及岗位介绍xx省xx工程公司是xx省建筑工程集团有限公司的下属企业,是于xx年由原xx省水电建筑安装公司与原xx省水利水电机械施工公司两家“水电世家”联姻而诞生的国家水利水电工程施工总承包壹级企业。
多年来,“源天人”一直奉行“以人为本、科学管理、质量第一、信誉第一、业主至上、恪守合同”的经营宗旨,积极实施做强水利水电施工、地基与基础施工、机电设备安装“三大板块”业务的经营战略,承接了大批国家、盛市重点工程和标志性工程,施工足迹从xx辐射到xx、xx、xx等十七个省市及国外的越南、巴基斯坦、缅甸、老挝等国家。
打造了无数“机电精品”,承建了xxx宾馆基础工程、花园酒店基础工程、xx广场基础工程等一批精品基础工程;灯泡贯流式水轮发电机组安装技术水平和装机总容量、总台数以及单机容量一直以来雄居全国顶尖水平,创造了灯泡贯流机组单机容量世界之最的记录,被誉为“xx水电安装劲旅”。
是全国首家进入地铁盾构行业和xx省率先将薄壁地下连续墙施工技术成功应用于水利工程建设的水利施工企业。
xx省xx工程公司勇于承担社会责任,被xx省三防办授予“xx省三防机动抢险四队”。
机电一体化实习报告模版实践单位:xx市路桥xx机电厂实践课题:机电一体化的实践实践内容:一、实习的认识与意义高校学生实习的重要性目前在人才市场上,许多高校的毕业生频频被用人单位以没有工作经验为由拒之门外。
究其原因关键在于实践动手能力较差。
多数学生只会纸上谈兵,上岗还需培训。
但如果在校学习期间或毕业前期能妥善的进行实习的锻炼和培养将会极大地迅速提高学生的专业素质与能力,为进一步了解、掌握和提高知识水平,调动学生学习、钻研的积极性和为未来毕业求职打下良好实践基矗因此,开展高校学生的实习工作是高校教学过程的一个重要环节,是实现高校人才培养目标的有效途径和重要保证。
实习可以增强自己在人际沟通、团队合作、语言表达、领导组织等方面的操作能力,这些能力具有很高的可迁移性,毕业后直接到社工机构(公益组织)固然可以直接应用,然即使不到专业服务机构而选择到企业做业务、人力资源、基础管理等相关岗位,这些通过专业实习和社会实践得来的能力一样可以适用,而且因为我们在进行专业实习过程中从事的多是些非盈利、价值性强、运行难度和挑战性比较大的工作,反而可以从中磨练自己的抗压能力、协调统筹和人际沟通能力及意志力等;这些对个人较快适应复杂需吃苦耐劳的工作也是非常有帮助的。
二、实习内容在实习的期间我换了两份工作,在电子厂当过巡检,在金属制品厂技术部学制图和企业管理。
其间我学到了很多在学校里学不到的东西。
这次我知道了不少用于生产的机器,一下列举一二。
1、线切割机车间里有几台线切割机。
它主要用于加工各种形状复杂和精密细小的工件,例如冲裁模的凸模、凹模、凸凹模、固定板、卸料板等,成形刀具、样板、电火花成型加工用的金属电极,各种微细孔槽、窄缝、任意曲线等,具有加工余量孝加工精度高、生产周期短、制造成本低等突出优点,已在生产中获得广泛的应用,目前国内外的电火花线切割机床已占电加工机床总数的60%以上。
根据电极丝的运行速度不同,电火花线切割机床通常分为两类:一类是高速走丝电火花线切割机床,其电极丝作高速往复运动,一般走丝速度为8~10m/s,电极丝可重复使用,加工速度较高,但快速走丝容易造成电极丝抖动和反向时停顿,使加工质量下降,是我国生产和使用的主要机种,也是我国独创的电火花线切割加工模式;另一类是低速走丝电火花线切割机床,其电极丝作低速单向运动,一般走丝速度低于xx,电极丝放电后不再使用,工作平稳、均匀、抖动孝加工质量较好,但加工速度较低,是国外生产和使用的主要机种。
机电一体化实习报告范例时间过得很快,转眼大学四年就要过去了,然而大多数人对本专业的认识还是不够, 学校为了使我们更多了解机电产品、设备,提高对机电工程制造技术的认识,加深机电在工业各领域应用的感性认识,开阔视野,了解相关设备及技术资料,熟悉典型零件的加工工艺,特意安排了我们到几个拥有较多类型的机电一体化设备,生产技术较先进的工厂进行参观实习。
为期五,六天的生产实习,我们先后去过了邯郸汉阳包装机械有限公司和保定长城汽车股份有限公司有限公司。
了解这些工厂的生产情况,与本专业有关的各种知识,各厂工人的工作情况等等。
亲身感受了所学知识与实际的应用,电子技术在机械制造工业的应用了,精密机械制造在机器制造的应用了,等等理论与实际的相结合。
一实习地点xx股份有限公司二实习时间201x年3月三实习目的通过完成毕业实习过程,结合毕业设计或论文选题深入工厂企业实地参观与调查,达到以下的实习目的在这个基础上把所学的专业理论知识与实践紧密结合起来,提高实际工作能力与分析能力,以达到学以致用的目的。
1. 了解机器人的具体结构及其工作原理2. 掌握工业机器人的运动形式及其类型3. 汽车产品的生产工艺过程及企业基本生产状况4. 汽车的类型、结构,工作原理及各零件的作用5. 了解与熟悉汽车生产的各工艺过程。
包括整车装配部件生产等。
6. 了解与熟悉汽车生产企业的生产组织过程。
7. 了解国内外汽车工业的发展现状及趋势。
8. 收集毕业设计内容的相关资料。
9. 了解与熟悉汽车生产的各工艺过程。
包括整车装配部件生产等。
四毕业实习单位状况概述xx机械有限公司是韩国汉阳包装机械株式会社公司总部在韩国仁川,已有30余年的发展历史在华投资的跨国企业。
公司全套引进国外技术与管理,汇集优秀人才,全心致力于热收缩设备的研制开发与生产制造,产品有L式、袖筒式、枕式三大系列,160多个品种.产品科技含量高,生产工艺先进,有多种机型为国内首创,国际领先。
1 机器人应用和发展前景综述研制机器人的最初目的是为了帮助人们摆脱繁重劳动或简单的重复劳动,以及替代人到有辐射等危险环境中进行作业,因此机器人最早在汽车制造业和核工业领域得以应用。
实验一四节传送带控制一、实验目的1.掌握传送指令的使用及编程2.掌握四节传送带控制系统的接线、调试、操作三、面板图四、控制要求1.总体控制要求:如面板图所示,系统由传动电机M1、M2、M3、M4,故障设置开关A、B、C、D组成,完成物料的运送、故障停止等功能。
2.闭合“启动”开关,首先启动最末一条传送带(电机M4),每经过1秒延时,依次启动一条传送带(电机M3、M2、M1)。
3.当某条传送带发生故障时,该传送带及其前面的传送带立即停止,而该传送带以后的待运完货物后方可停止。
例如M2存在故障,则M1、M2立即停,经过1秒延时后,M3停,再过1秒,M4停。
4.排出故障,打开“启动”开关,系统重新启动。
5.关闭“启动”开关,先停止最前一条传送带(电机M1),待料运送完毕后再依次停止M2、M3及M4电机。
五、功能指令使用及程序流程图1.传送指令使用X0000为ON时,将源容向目标容传送,X0000为OFF时,数据不变化。
2.程序流程图六、端口分配及接线图序号PLC地址(PLC端子)电气符号(面板端子)功能说明1X00 SD 启动(SD)2X01 A 传送带A故障模拟3X02 B 传送带B故障模拟4X03 C 传送带C故障模拟5X04 D 传送带D故障模拟6Y00 M1 电机M17Y01 M2 电机M28Y02 M3 电机M39Y03 M4 电机M410主机COM、面板COM接电源GND 电源地端11主机COM0、COM1、COM2、COM3、COM4、COM5、接电源GND电源地端12面板V+接电源+24V 电源正端2.PLC外部接线图七、操作步骤1.检查实验设备中器材及调试程序。
2.按照I/O端口分配表或接线图完成PLC与实验模块之间的接线,认真检查,确保正确无误。
3.打开示例程序或用户自己编写的控制程序,进行编译,有错误时根据提示信息修改,直至无误,用SC-09通讯编程电缆连接计算机串口与PLC通讯口,打开PLC主机电源开关,下载程序至PLC中,下载完毕后将PLC的“RUN/STOP”开关拨至“RUN”状态。
4.打开“启动”开关后,系统进入自动运行状态,调试四节传送带控制程序并观察四节传送带的工作状态。
5.将A、B、C、D开关中的任意一个打开,模拟传送带发生故障,观察电动机M1、M2、M3、M4的工作状态。
6.关闭“启动”按钮,系统停止工作八、实验总结1.总结移位寄传器指令的使用方法。
2.总结记录PLC与外部设备的接线过程及注意事项。
实验二数码显示控制一、实验目的1.掌握译码指令的使用及编程方法2.掌握LED数码显示控制系统的接线、调试、操作方法序号名称型号与规格数量备注1.可编程控制器实验装置DDSZ-2 12.实验挂箱D67 13.实验挂箱MRDT20-1 14.实验导线3号若干5.SC-09通讯电缆 1 三菱6.计算机 1 自备三、功能指令使用及程序流程图1.触点比较指令使用指令描述:对源数据容进行BIN比较,对其结果执行后段的运算;如上所示,当D0中的数据“等于”常数K1时,则Y0输出状态“1”。
2.程序流程图四、端口分配及接线图序号PLC地址(PLC端子)电气符号(面板端子)功能说明1.X00 SD 启动/停止2.Y00 A3.Y01 B4.Y02 C5.Y03 D6.Y04 E7.Y05 F8.Y06 G9.Y07 H主机COM0、COM1、COM2等接电源GND 电源端五、操作步骤1.按控制接线图连接控制回路;2.将编译无误的控制程序下载至PLC中,并将模式选择开关拨至RUN状态;3.分别拨动启动开关K0,观察并记录LED数码管显示状态;4.尝试编译新的控制程序,实现不同于示例程序的控制效果。
六、实验总结1.尝试分析整套系统的工作过程;2.尝试用其他不同于示例程序所用的指令编译新程序,实现新的控制过程。
实验三机械手控制一、实验目的1.掌握机械手控制系统的接线、调试、操作三、面板图四、控制要求1.总体控制要求:如面板图所示,工件在A处被机械手抓取并放到B处。
2.机械手回到初始状态,SQ4=SQ2=1,SQ3=SQ1=0,原位指示灯HL点亮,按下“SB1”启动开关,下降指示灯YV1点亮,机械手下降,(SQ2=0)下降到A处后(SQ1=1)夹紧工件,夹紧指示灯YV2点亮。
3.夹紧工件后,机械手上升(SQ1=0),上升指示灯YV3点亮,上升到位后(SQ2=1),机械手右移(SQ4=0),右移指示灯YV4点亮。
4.机械手右移到位后(SQ3=1)下降指示灯YV1点亮,机械手下降。
5.机械手下降到位后(SQ1=1)夹紧指示灯YV2熄灭,机械手放松。
6.机械手放松后上升,上升指示灯YV3点亮。
7.机械手上升到位(SQ2=1)后左移,左移指示灯YV5点亮。
8.机械手回到原点后再次运行。
五、程序流程图六、端口分配及接线图序号PLC地址(PLC端子)电气符号(面板端子)功能说明1X00 SB1 启动开关2X01 SQ1 下限位开关3X02 SQ2 上限位开关4X03 SQ3 右限位开关5X04 SQ4 左限位开关6Y00 YV1 下降指示灯7Y01 YV2 夹紧指示灯8Y02 YV3 上升指示灯9Y03 YV4 右移指示灯10Y04 YV5 左移指示灯11Y05 HL 原位指示灯12主机COM0、COM1、COM2接电源GND 电源地端2.PLC外部接线图七、操作步骤1.检查实验设备中器材及调试程序。
1.按照I/O端口分配表或接线图完成PLC与实验模块之间的接线,认真检查,确保正确无误。
2.打开示例程序或用户自己编写的控制程序,进行编译,有错误时根据提示信息修改,直至无误,用SC-09通讯编程电缆连接计算机串口与PLC通讯口,打开PLC主机电源开关,下载程序至PLC中,下载完毕后将PLC的“RUN/STOP”开关拨至“RUN”状态。
3.将左限位开关SQ4、右限位开关SQ3打向左、上限位开关SQ2、下限位开关SQ1打向上,机械手回到初始状态,原位指示灯HL点亮。
4.打上“SB1”启动开关,下降指示灯YV1点亮,模拟机械手下降,上限位开关SQ2打下,下降到A处后将下限位开关SQ1打下,开始夹紧工件,夹紧指示灯YV2点亮。
5.夹紧工件后,机械手上升,上升指示灯YV3点亮,将下限位开关SQ1打上,机械手上升到位后,上限位开关SQ2打上。
6.右移指示灯YV4点亮,机械手开始右移,左限位开关SQ4打向右。
7.机械手右移到位后,右限位开关SQ3打向右,下降指示灯YV1点亮,机械手下降,上限位开关SQ2打下。
8.机械手下降到位后,下限位开关SQ1打下,夹紧指示灯YV2熄灭,机械手放松。
9.机械手放松后上升,上升指示灯YV3点亮,下限位开关SQ1打上,机械手上升到位后,上限位开关SQ2打上。
10.机械手上升到位后左移指示灯YV5点亮,右限位开关SQ3打向左。
11.机械手左移到位后,左限位开关SQ4打向左,机械手完成一个动作周期。
八、实验总结1.总结记录PLC与外部设备的接线过程及注意事项。
实验四液体混合装置控制的模拟一、实验目的1.掌握上升沿/下降沿检出指令的使用及编程2.掌握多种液体混合装置控制系统的接线、调试、操作三、面板图四、控制要求1.总体控制要求:如面板图所示,本装置为三种液体混合模拟装置,由液面传感器SL1、SL2、SL3,液体A、B、C阀门与混合液阀门由电磁阀YV1、YV2、YV3、YV4,搅匀电机M,加热器H,温度传感器T组成。
实现三种液体的混合,搅匀,加热等功能。
2.打开“启动”开关,装置投入运行时。
首先液体A、B、C阀门关闭,混合液阀门打开10秒将容器放空后关闭。
然后液体A阀门打开,液体A流入容器。
当液面到达SL3时,SL3接通,关闭液体A阀门,打开液体B阀门。
液面到达SL2时,关闭液体B阀门,打开液体C 阀门。
液面到达SL1时,关闭液体C阀门。
3.搅匀电机开始搅匀、加热器开始加热。
当混合液体在6秒达到设定温度,加热器停止加热,搅匀电机工作6秒后停止搅动;当混合液体加热6秒后还没有达到设定温度,加热器继续加热,当混合液达到设定的温度时,加热器停止加热,搅匀电机停止工作。
4.搅匀结束以后,混合液体阀门打开,开始放出混合液体。
当液面下降到SL3时,SL3由接通变为断开,再过2秒后,容器放空,混合液阀门关闭,开始下一周期。
5.关闭“启动”开关,在当前的混合液处理完毕后,停止操作。
五、功能指令使用及程序流程图1.上升沿/下降沿检出指令使用上升沿/下降沿检出指令,仅在指定位软元件的上升沿或下降沿接通一个扫描周期。
2.程序流程图六、端口分配及接线图序号PLC地址(PLC端子)电气符号(面板端子)功能说明1X00 SD 启动(SD)2X01 SL1 液位传感器SL13X02 SL2 液位传感器SL24X03 SL3 液位传感器SL35X04 T 温度传感器T6Y00 YV1 进液阀门A 7Y01 YV2 进液阀门B 8Y02 YV3 进液阀门C 9Y03 YV4 排液阀门10Y04 YKM 搅拌电机11Y05 H 加热器12主机COM、面板COM接电源GND 电源地端13主机COM0、COM1、COM2、COM3、COM4、COM5、接电源GND电源地端14面板V+接电源+24V 电源正端2.PLC外部接线图七、操作步骤1.检查实验设备中器材及调试程序。
2.按照I/O端口分配表或接线图完成PLC与实验模块之间的接线,认真检查,确保正确无误。
3.打开示例程序或用户自己编写的控制程序,进行编译,有错误时根据提示信息修改,直至无误,用SC-09通讯编程电缆连接计算机串口与PLC通讯口,打开PLC主机电源开关,下载程序至PLC中,下载完毕后将PLC的“RUN/STOP”开关拨至“RUN”状态。
4.打开“启动”开关,SL1、SL2、SL3拨至OFF,观察液体混合阀门YV1、YV2、YV3、YV4的工作状态。
5.等待20S后,观察液体混合阀门YV1、YV2、YV3、YV4的工作状态有何变化,依次将SL1、SL2、SL3液面传感器扳至ON,观察系统各阀门、搅动电机YKM及加热器H的工作状态。
6.将测温传感器的开关打到ON,观察系统各阀门、搅动电机YKM及加热器H的工作状态。
7.关闭“启动”开关,系统停止工作。
八、实验总结1.总结正/负跳变指令的使用方法。
2.总结记录PLC与外部设备的接线过程及注意事项。