板材隔墙检验批
- 格式:xls
- 大小:30.00 KB
- 文档页数:1
(☝)表No.:00000000000006413编号: □□□说明 强 制 性 条 文 建筑装饰装修工程所使用的材料应按设计要求进行防火、防腐和防虫处理。
主 控 项 目 隔墙板材的品种、规格、性能、颜色应符合设计要求。
有隔声、隔热、阻燃、防潮等特殊要求的工程,板材应有相应性能等级的检测报告。
检验方法:观察;检查产品合格证书、进场验收记录和性能检测报告。
安装隔墙板材所需预埋件、连接件的位置、数量及连接方法应符合设计要求。
检验方法:观察;尺量检查;检查隐蔽工程验收记录。
隔墙板材安装必须牢固。
现制钢丝网水泥隔墙与周边墙体的连接方法应符合设计要求,并应连接牢固。
检验方法:观察;手扳检查。
隔墙板材所用接缝材料的品种及接缝方法应符合设计要求。
检验方法:观察;检查产品合格证书和施工记录。
一 般 项 目 隔墙板材安装应垂直、平整、位置正确,板材不应有裂缝或缺损。
检验方法:观察;尺量检查。
板材隔墙表面应平整光滑、色泽一致、洁净,接缝应均匀、顺直。
检验方法:观察;手摸检查。
隔墙上的孔洞、槽、盒应位置正确、套割方正、边缘整齐。
检验方法:观察。
板材隔墙安装的允许偏差和检验方法应符合表 的规定。
板材隔墙安装的允许偏差和检验方法 表 注:本表由施工项目专业质量检查员填写,专业监理工程师(建设单位项目专业技术负责人)组织项目专业质量(技术)负责人等进行验收。
12345678910
1
23412345678910123123
4板材隔墙工程检验批质量验收记录
工程名称
施工单位
施工执行标准名称
及编号
分包单位
主控项目
项目专业质量检查员:
年 月 日
年 月 日
监理工程师(建设单位项目技术负责人):一般项目
4
表面
孔洞、槽、盒位置、套割
板材
隔墙 允许
偏差 (mm)立面垂直度施工单位检查
评定结果
监理(建设)单位
验收结论
表面平整度阴阳角方正接缝高低差第7.2.6条
规范规定
第7.3.7条第7.3.8条规范规定第7.2.3条第7.2.4条第7.2.5条第7.3.9条分包项目 经 理施工单位检查评定记录施工单位检查评定记录验收部位项目经理专业工长施工班组长监理(建设)单位验收记录员等进行验收。
板材品种、规格、性能、
颜色
预埋件、连接件的位置、数量及连接方式隔墙板材安装连接方法
接缝材料的品种及接缝方
法隔墙板材安装。
7185板材隔墙检验批质量验收记录板材隔墙是一种常见的室内隔断墙体构造,主要由木材、石膏板等板材组成,以达到隔音、隔热、防火等功能。
隔墙的质量验收记录是对隔墙施工过程中的质量进行评估,确保隔墙达到设计要求并符合相关标准。
下面是一份板材隔墙检验批质量验收记录的范例,供参考。
项目名称:板材隔墙工程质量检验批验收记录工程地点:工程单位:验收日期:一、基本情况1.工程划分:根据设计图纸及工程要求,将隔墙工程划分为若干个工程段,并依次编号。
2.施工材料及设备:记录隔墙施工所使用的板材品种、规格及设备情况,包括刨板、石膏板等。
3.施工人员:记录参与隔墙施工的主要人员及其资质。
二、质量验收内容1.材料验收:记录板材的交付情况,包括规格、数量及质量要求等,并进行抽样检测,如板材厚度、强度等。
2.施工工艺验收:记录隔墙施工的关键工艺步骤,如木龙骨的安装、石膏板的贴合等,检查施工工艺是否符合规范要求。
3.接口配合验收:记录隔墙与其他建筑构件的接口配合情况,如门、窗洞口的处理、与楼板、柱子接触的处理等。
4.防水防潮验收:记录隔墙的防水防潮措施是否到位,如墙面防水涂料的涂刷情况、底部防潮处理等。
5.表面平整度验收:记录隔墙表面的平整度,包括石膏板的平整度、木龙骨的水平度等。
6.隔音效果验收:记录隔墙的隔音效果,通过声音传递试验等方式进行检测,评估隔墙的隔音性能是否满足要求。
三、质量验收结果1.材料质量:记录板材的检测结果,评估板材的质量是否合格,并对不合格情况进行处理。
2.施工工艺:记录隔墙施工中发现的问题和隐患,并进行整改和修复。
3.接口配合:记录隔墙与其他构件接口配合的情况,评估接口是否紧密、牢固,并进行修整处理。
4.防水防潮:记录隔墙防水防潮措施的情况,评估措施是否到位,并进行整改。
5.表面平整度:记录隔墙表面平整度的检测结果,评估是否满足规范要求,并进行修整。
6.隔音效果:记录隔墙的隔音效果检测结果,评估隔音性能是否满足设计要求。
板材隔墙检验批质量验收记录一、项目背景随着建筑行业的不断发展,板材隔墙被广泛应用于各类建筑项目中,其具有安装快捷、成本低廉、施工方便等优点。
然而,为了确保板材隔墙的质量,保证建筑结构的稳固性和安全性,在施工竣工后需要对板材隔墙进行质量验收。
本文旨在记录板材隔墙检验批的质量验收过程和结果。
二、质量验收内容1. 板材隔墙的堆放情况对已安装完成的板材隔墙进行堆放情况的检查,确认是否符合规范要求,包括板材的叠放方式、垫木的使用情况等。
2. 板材隔墙的尺寸检查测量板材隔墙的尺寸,确认是否符合设计图纸要求,包括板材的长度、宽度和厚度等。
同时,还需要检查板材的平整度与垂直度,确保符合要求。
3. 板材隔墙的连接件检查对板材隔墙的连接件进行检查,包括连接螺丝、角铁等,确认其安装是否牢固,无松动现象,以确保板材隔墙的稳固性。
4. 板材隔墙的表面质量检查观察板材隔墙表面是否光滑平整,无明显裂缝、凹凸和划痕等缺陷,确保板材隔墙的美观性和装饰效果。
5. 板材隔墙的吸音、隔音性能检查进行板材隔墙的声学性能测试,包括隔音性和吸音性能,确保板材隔墙能够满足相应的声学要求。
6. 板材隔墙的防火性能检查对板材隔墙进行防火性能测试,确认其耐火等级是否符合要求,以确保建筑结构的安全性。
三、质量验收结果根据对板材隔墙的检查和测试,得出以下质量验收结果:1. 板材隔墙的堆放情况按照规范要求进行,符合相关标准。
2. 板材隔墙的尺寸满足设计图纸要求,并且平整度与垂直度符合要求。
3. 板材隔墙的连接件安装牢固,无松动现象。
4. 板材隔墙的表面质量良好,无明显缺陷。
5. 板材隔墙的吸音和隔音性能达到相应标准。
6. 板材隔墙的防火性能符合要求。
四、质量验收结论根据板材隔墙的质量验收结果,可以得出结论:本次检验批的板材隔墙质量达到设计要求和相关标准,符合施工图纸和施工规范的要求,可以通过质量验收,并正式投入使用。
五、后续措施为了保证板材隔墙的质量和使用寿命,建议在日常维护和使用过程中,定期检查板材隔墙的连接件是否松动,留意表面是否有明显的损坏、裂缝等情况,及时进行维修和处理。
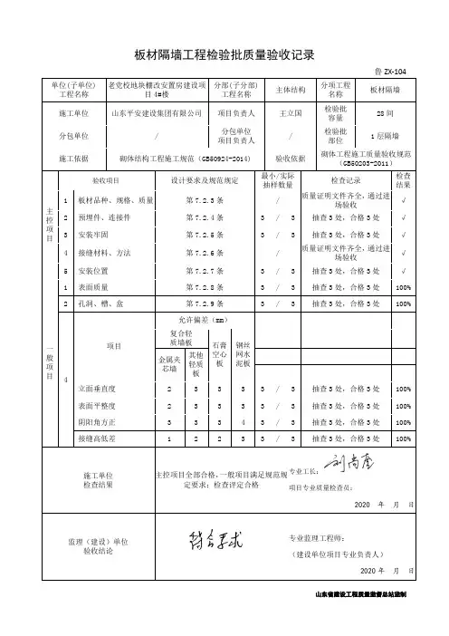
鲁ZX-104单位(子单位) 工程名称老党校地块棚改安置房建设项目4#楼分部(子分部)工程名称主体结构分项工程名称板材隔墙施工单位山东平安建设集团有限公司项目负责人王立国检验批容量28间分包单位/分包单位项目负责人/检验批部位1层隔墙施工依据砌体结构工程施工规范(GB50924-2014)验收依据砌体工程施工质量验收规范(GB50203-2011)主控项目验收项目设计要求及规范规定最小/实际抽样数量检查记录检查结果1 板材品种、规格、质量第7.2.3条/质量证明文件齐全,通过进场验收√2 预埋件、连接件第7.2.4条3 / 3 抽查3处,合格3处√3 安装牢固第7.2.5条 3 / 3 抽查3处,合格3处√4 接缝材料、方法第7.2.6条/质量证明文件齐全,通过进场验收√5 安装位置第7.2.7条 3 / 3 抽查3处,合格3处√一般项目1 表面质量第7.2.8条 3 / 3 抽查3处,合格3处100%2 孔洞、槽、盒第7.2.9条3 / 3 抽查3处,合格3处100% 4项目允许偏差(mm)复合轻质墙板石膏空心板钢丝网水泥板金属夹芯墙其他轻质板立面垂直度 2 3 3 3 3 / 3 抽查3处,合格3处100% 表面平整度 2 3 3 3 3 / 3 抽查3处,合格3处100% 阴阳角方正 3 3 3 4 3 / 3 抽查3处,合格3处100% 接缝高低差 1 2 2 3 3 / 3 抽查3处,合格3处100%施工单位检查结果主控项目全部合格,一般项目满足规范规定要求;检查评定合格专业工长:项目专业质量检查员:2020 年月日监理(建设)单位验收结论专业监理工程师:(建设单位项目专业负责人)2020年月日鲁ZX-104单位(子单位) 工程名称老党校地块棚改安置房建设项目4#楼分部(子分部)工程名称主体结构分项工程名称板材隔墙施工单位山东平安建设集团有限公司项目负责人王立国检验批容量28间分包单位/分包单位项目负责人/检验批部位2层隔墙施工依据砌体结构工程施工规范(GB50924-2014)验收依据砌体工程施工质量验收规范(GB50203-2011)主控项目验收项目设计要求及规范规定最小/实际抽样数量检查记录检查结果1 板材品种、规格、质量第7.2.3条/质量证明文件齐全,通过进场验收√2 预埋件、连接件第7.2.4条3 / 3 抽查3处,合格3处√3 安装牢固第7.2.5条 3 / 3 抽查3处,合格3处√4 接缝材料、方法第7.2.6条/质量证明文件齐全,通过进场验收√5 安装位置第7.2.7条 3 / 3 抽查3处,合格3处√一般项目1 表面质量第7.2.8条 3 / 3 抽查3处,合格3处100%2 孔洞、槽、盒第7.2.9条3 / 3 抽查3处,合格3处100% 4项目允许偏差(mm)复合轻质墙板石膏空心板钢丝网水泥板金属夹芯墙其他轻质板立面垂直度 2 3 3 3 3 / 3 抽查3处,合格3处100% 表面平整度 2 3 3 3 3 / 3 抽查3处,合格3处100% 阴阳角方正 3 3 3 4 3 / 3 抽查3处,合格3处100% 接缝高低差 1 2 2 3 3 / 3 抽查3处,合格3处100%施工单位检查结果主控项目全部合格,一般项目满足规范规定要求;检查评定合格专业工长:项目专业质量检查员:2020 年月日监理(建设)单位验收结论专业监理工程师:(建设单位项目专业负责人)2020年月日鲁ZX-104单位(子单位) 工程名称老党校地块棚改安置房建设项目4#楼分部(子分部)工程名称主体结构分项工程名称板材隔墙施工单位山东平安建设集团有限公司项目负责人王立国检验批容量28间分包单位/分包单位项目负责人/检验批部位3层隔墙施工依据砌体结构工程施工规范(GB50924-2014)验收依据砌体工程施工质量验收规范(GB50203-2011)主控项目验收项目设计要求及规范规定最小/实际抽样数量检查记录检查结果1 板材品种、规格、质量第7.2.3条/质量证明文件齐全,通过进场验收√2 预埋件、连接件第7.2.4条3 / 3 抽查3处,合格3处√3 安装牢固第7.2.5条 3 / 3 抽查3处,合格3处√4 接缝材料、方法第7.2.6条/质量证明文件齐全,通过进场验收√5 安装位置第7.2.7条 3 / 3 抽查3处,合格3处√一般项目1 表面质量第7.2.8条 3 / 3 抽查3处,合格3处100%2 孔洞、槽、盒第7.2.9条3 / 3 抽查3处,合格3处100% 4项目允许偏差(mm)复合轻质墙板石膏空心板钢丝网水泥板金属夹芯墙其他轻质板立面垂直度 2 3 3 3 3 / 3 抽查3处,合格3处100% 表面平整度 2 3 3 3 3 / 3 抽查3处,合格3处100% 阴阳角方正 3 3 3 4 3 / 3 抽查3处,合格3处100% 接缝高低差 1 2 2 3 3 / 3 抽查3处,合格3处100%施工单位检查结果主控项目全部合格,一般项目满足规范规定要求;检查评定合格专业工长:项目专业质量检查员:2020 年月日监理(建设)单位验收结论专业监理工程师:(建设单位项目专业负责人)2020年月日鲁ZX-104单位(子单位) 工程名称老党校地块棚改安置房建设项目4#楼分部(子分部)工程名称主体结构分项工程名称板材隔墙施工单位山东平安建设集团有限公司项目负责人王立国检验批容量28间分包单位/分包单位项目负责人/检验批部位4层隔墙施工依据砌体结构工程施工规范(GB50924-2014)验收依据砌体工程施工质量验收规范(GB50203-2011)主控项目验收项目设计要求及规范规定最小/实际抽样数量检查记录检查结果1 板材品种、规格、质量第7.2.3条/质量证明文件齐全,通过进场验收√2 预埋件、连接件第7.2.4条3 / 3 抽查3处,合格3处√3 安装牢固第7.2.5条 3 / 3 抽查3处,合格3处√4 接缝材料、方法第7.2.6条/质量证明文件齐全,通过进场验收√5 安装位置第7.2.7条 3 / 3 抽查3处,合格3处√一般项目1 表面质量第7.2.8条 3 / 3 抽查3处,合格3处100%2 孔洞、槽、盒第7.2.9条3 / 3 抽查3处,合格3处100% 4项目允许偏差(mm)复合轻质墙板石膏空心板钢丝网水泥板金属夹芯墙其他轻质板立面垂直度 2 3 3 3 3 / 3 抽查3处,合格3处100% 表面平整度 2 3 3 3 3 / 3 抽查3处,合格3处100% 阴阳角方正 3 3 3 4 3 / 3 抽查3处,合格3处100% 接缝高低差 1 2 2 3 3 / 3 抽查3处,合格3处100%施工单位检查结果主控项目全部合格,一般项目满足规范规定要求;检查评定合格专业工长:项目专业质量检查员:2020 年月日监理(建设)单位验收结论专业监理工程师:(建设单位项目专业负责人)2020年月日鲁ZX-104单位(子单位) 工程名称老党校地块棚改安置房建设项目4#楼分部(子分部)工程名称主体结构分项工程名称板材隔墙施工单位山东平安建设集团有限公司项目负责人王立国检验批容量28间分包单位/分包单位项目负责人/检验批部位5层隔墙施工依据砌体结构工程施工规范(GB50924-2014)验收依据砌体工程施工质量验收规范(GB50203-2011)主控项目验收项目设计要求及规范规定最小/实际抽样数量检查记录检查结果1 板材品种、规格、质量第7.2.3条/质量证明文件齐全,通过进场验收√2 预埋件、连接件第7.2.4条3 / 3 抽查3处,合格3处√3 安装牢固第7.2.5条 3 / 3 抽查3处,合格3处√4 接缝材料、方法第7.2.6条/质量证明文件齐全,通过进场验收√5 安装位置第7.2.7条 3 / 3 抽查3处,合格3处√一般项目1 表面质量第7.2.8条 3 / 3 抽查3处,合格3处100%2 孔洞、槽、盒第7.2.9条3 / 3 抽查3处,合格3处100% 4项目允许偏差(mm)复合轻质墙板石膏空心板钢丝网水泥板金属夹芯墙其他轻质板立面垂直度 2 3 3 3 3 / 3 抽查3处,合格3处100% 表面平整度 2 3 3 3 3 / 3 抽查3处,合格3处100% 阴阳角方正 3 3 3 4 3 / 3 抽查3处,合格3处100% 接缝高低差 1 2 2 3 3 / 3 抽查3处,合格3处100%施工单位检查结果主控项目全部合格,一般项目满足规范规定要求;检查评定合格专业工长:项目专业质量检查员:2020 年月日监理(建设)单位验收结论专业监理工程师:(建设单位项目专业负责人)2020年月日鲁ZX-104单位(子单位) 工程名称老党校地块棚改安置房建设项目4#楼分部(子分部)工程名称主体结构分项工程名称板材隔墙施工单位山东平安建设集团有限公司项目负责人王立国检验批容量28间分包单位/分包单位项目负责人/检验批部位6层隔墙施工依据砌体结构工程施工规范(GB50924-2014)验收依据砌体工程施工质量验收规范(GB50203-2011)主控项目验收项目设计要求及规范规定最小/实际抽样数量检查记录检查结果1 板材品种、规格、质量第7.2.3条/质量证明文件齐全,通过进场验收√2 预埋件、连接件第7.2.4条3 / 3 抽查3处,合格3处√3 安装牢固第7.2.5条 3 / 3 抽查3处,合格3处√4 接缝材料、方法第7.2.6条/质量证明文件齐全,通过进场验收√5 安装位置第7.2.7条 3 / 3 抽查3处,合格3处√一般项目1 表面质量第7.2.8条 3 / 3 抽查3处,合格3处100%2 孔洞、槽、盒第7.2.9条3 / 3 抽查3处,合格3处100% 4项目允许偏差(mm)复合轻质墙板石膏空心板钢丝网水泥板金属夹芯墙其他轻质板立面垂直度 2 3 3 3 3 / 3 抽查3处,合格3处100% 表面平整度 2 3 3 3 3 / 3 抽查3处,合格3处100% 阴阳角方正 3 3 3 4 3 / 3 抽查3处,合格3处100% 接缝高低差 1 2 2 3 3 / 3 抽查3处,合格3处100%施工单位检查结果主控项目全部合格,一般项目满足规范规定要求;检查评定合格专业工长:项目专业质量检查员:2020 年月日监理(建设)单位验收结论专业监理工程师:(建设单位项目专业负责人)2020年月日鲁ZX-104单位(子单位) 工程名称老党校地块棚改安置房建设项目4#楼分部(子分部)工程名称主体结构分项工程名称板材隔墙施工单位山东平安建设集团有限公司项目负责人王立国检验批容量28间分包单位/分包单位项目负责人/检验批部位7层隔墙施工依据砌体结构工程施工规范(GB50924-2014)验收依据砌体工程施工质量验收规范(GB50203-2011)主控项目验收项目设计要求及规范规定最小/实际抽样数量检查记录检查结果1 板材品种、规格、质量第7.2.3条/质量证明文件齐全,通过进场验收√2 预埋件、连接件第7.2.4条3 / 3 抽查3处,合格3处√3 安装牢固第7.2.5条 3 / 3 抽查3处,合格3处√4 接缝材料、方法第7.2.6条/质量证明文件齐全,通过进场验收√5 安装位置第7.2.7条 3 / 3 抽查3处,合格3处√一般项目1 表面质量第7.2.8条 3 / 3 抽查3处,合格3处100%2 孔洞、槽、盒第7.2.9条3 / 3 抽查3处,合格3处100% 4项目允许偏差(mm)复合轻质墙板石膏空心板钢丝网水泥板金属夹芯墙其他轻质板立面垂直度 2 3 3 3 3 / 3 抽查3处,合格3处100% 表面平整度 2 3 3 3 3 / 3 抽查3处,合格3处100% 阴阳角方正 3 3 3 4 3 / 3 抽查3处,合格3处100% 接缝高低差 1 2 2 3 3 / 3 抽查3处,合格3处100%施工单位检查结果主控项目全部合格,一般项目满足规范规定要求;检查评定合格专业工长:项目专业质量检查员:2020 年月日监理(建设)单位验收结论专业监理工程师:(建设单位项目专业负责人)2020年月日鲁ZX-104单位(子单位) 工程名称老党校地块棚改安置房建设项目4#楼分部(子分部)工程名称主体结构分项工程名称板材隔墙施工单位山东平安建设集团有限公司项目负责人王立国检验批容量28间分包单位/分包单位项目负责人/检验批部位8层隔墙施工依据砌体结构工程施工规范(GB50924-2014)验收依据砌体工程施工质量验收规范(GB50203-2011)主控项目验收项目设计要求及规范规定最小/实际抽样数量检查记录检查结果1 板材品种、规格、质量第7.2.3条/质量证明文件齐全,通过进场验收√2 预埋件、连接件第7.2.4条3 / 3 抽查3处,合格3处√3 安装牢固第7.2.5条 3 / 3 抽查3处,合格3处√4 接缝材料、方法第7.2.6条/质量证明文件齐全,通过进场验收√5 安装位置第7.2.7条 3 / 3 抽查3处,合格3处√一般项目1 表面质量第7.2.8条 3 / 3 抽查3处,合格3处100%2 孔洞、槽、盒第7.2.9条3 / 3 抽查3处,合格3处100% 4项目允许偏差(mm)复合轻质墙板石膏空心板钢丝网水泥板金属夹芯墙其他轻质板立面垂直度 2 3 3 3 3 / 3 抽查3处,合格3处100% 表面平整度 2 3 3 3 3 / 3 抽查3处,合格3处100% 阴阳角方正 3 3 3 4 3 / 3 抽查3处,合格3处100% 接缝高低差 1 2 2 3 3 / 3 抽查3处,合格3处100%施工单位检查结果主控项目全部合格,一般项目满足规范规定要求;检查评定合格专业工长:项目专业质量检查员:2020 年月日监理(建设)单位验收结论专业监理工程师:(建设单位项目专业负责人)2020年月日鲁ZX-104单位(子单位) 工程名称老党校地块棚改安置房建设项目4#楼分部(子分部)工程名称主体结构分项工程名称板材隔墙施工单位山东平安建设集团有限公司项目负责人王立国检验批容量28间分包单位/分包单位项目负责人/检验批部位9层隔墙施工依据砌体结构工程施工规范(GB50924-2014)验收依据砌体工程施工质量验收规范(GB50203-2011)主控项目验收项目设计要求及规范规定最小/实际抽样数量检查记录检查结果1 板材品种、规格、质量第7.2.3条/质量证明文件齐全,通过进场验收√2 预埋件、连接件第7.2.4条3 / 3 抽查3处,合格3处√3 安装牢固第7.2.5条 3 / 3 抽查3处,合格3处√4 接缝材料、方法第7.2.6条/质量证明文件齐全,通过进场验收√5 安装位置第7.2.7条 3 / 3 抽查3处,合格3处√一般项目1 表面质量第7.2.8条 3 / 3 抽查3处,合格3处100%2 孔洞、槽、盒第7.2.9条3 / 3 抽查3处,合格3处100% 4项目允许偏差(mm)复合轻质墙板石膏空心板钢丝网水泥板金属夹芯墙其他轻质板立面垂直度 2 3 3 3 3 / 3 抽查3处,合格3处100% 表面平整度 2 3 3 3 3 / 3 抽查3处,合格3处100% 阴阳角方正 3 3 3 4 3 / 3 抽查3处,合格3处100% 接缝高低差 1 2 2 3 3 / 3 抽查3处,合格3处100%施工单位检查结果主控项目全部合格,一般项目满足规范规定要求;检查评定合格专业工长:项目专业质量检查员:2020 年月日监理(建设)单位验收结论专业监理工程师:(建设单位项目专业负责人)2020年月日。
板材隔墙检验批质量验收记录一、项目概述本次板材隔墙的质量验收记录,是根据相关建筑规范和标准要求,对板材隔墙施工质量进行检验和验收。
本次施工工程所使用的板材为XXX材质,规格为XXX,计划施工面积为XXX平方米。
二、质量验收内容及方法1.规格检查:检查板材是否符合设计图纸和规格要求,包括板材的尺寸、厚度和表面处理等。
采用目测和测量方法进行检查。
2.板材强度检测:对板材进行强度测试,包括弯曲强度和抗拉强度。
弯曲强度检测采用悬臂梁试验,抗拉强度检测采用拉伸试验,测试结果应符合相关标准和规范要求。
3.板材表面平整度检测:采用触摸法或尺规法对板材表面进行检测,检查板材表面是否平整、没有明显凸起或凹陷。
4.板材防火性能检测:检测板材的阻燃性能,包括燃烧性能和烟气生成量。
采用燃烧试验和烟密度试验进行检测,测试结果应符合相关标准和规范要求。
5.施工方案评估:评估施工方案是否合理,包括墙体结构设计、板材的固定方式和连接方式等,确保施工方案符合相关标准和规范要求。
6.现场检验:对施工现场进行检验,包括板材的安装质量、固定方式和连接方式等。
采用目测和测量等方法进行检查。
1.规格检查:检查结果:板材尺寸、厚度和表面处理均符合设计图纸和规格要求。
2.板材强度检测:弯曲强度测试结果:XXX(MPa),符合相关标准要求。
抗拉强度测试结果:XXX(MPa),符合相关标准要求。
3.板材表面平整度检测:检查结果:板材表面平整度符合要求,没有明显凸起或凹陷。
4.板材防火性能检测:燃烧性能测试结果:板材燃烧速度为XXX(mm/min),符合相关标准要求。
烟密度测试结果:XXX(%),符合相关标准要求。
5.施工方案评估:评估结果:施工方案符合相关标准和规范要求。
6.现场检验:检查结果:板材安装质量良好,固定方式和连接方式符合相关要求。
四、问题和处理在质量验收过程中,未发现任何问题,无需处理。
五、质量评定本次板材隔墙施工质量符合相关要求,通过质量验收。
板材隔墙分项工程检验批质量验收记录一、项目概述本次检验批检验对象为板材隔墙分项工程的质量验收。
在本次质量验收中,我们将对该工程进行全面细致的检查,以确保其符合相关的技术标准和规范要求,从而满足建设单位的质量要求。
二、工程检查内容1. 板材墙龙骨安装板材墙龙骨安装检查主要包括以下几个方面:•顶边悬挂件是否牢固;•与顶部墙体是否密贴;•横向龙骨是否平直;•竖向龙骨是否垂直;2. 隔墙板材安装隔墙板材安装检查主要包括以下方面:•板材是否安装平整;•板材缝隙是否匀称;•板缝密封是否牢固、平整;•板面与龙骨之间否是否卡牢、牢固。
3. 板材墙面饰面衔接板材墙面饰面衔接检查主要包括以下方面:•板材表面饰面是否有变形、褶皱,缺陷;•各种饰面之间是否平整、粘合牢固。
三、检查结果记录1. 检查记录表检验批次部位检查情况不合格情况处理措施1 顶边悬挂件合格/ /1 板材安装合格/ /1 板面饰面衔接不合格饰面翘起更换饰面2. 不合格情况分析本次检查中,共发现1个不合格情况,即板面饰面衔接处有饰面翘起的情况。
经查明,是由于饰面材料本身的质量不过关导致的,因此需要有关单位更换饰面材料,以确保隔墙工程质量。
3. 处理措施针对上述不合格情况,我们已经通知有关单位进行更换饰面材料,并加强对饰面材料质量的把控。
进一步优化现场管理,做好施工监督,确保未来的检验批全部达到合格要求。
四、通过检查,本次板材隔墙分项工程检验批进一步明确了质量验收标准,同时发现并处理了一个不合格情况,有力保障了隔墙工程的后续顺利进行。
板材隔墙工程检验批质量验收记录汇总根据《板材隔墙工程检验批质量验收记录》,以下是对板材隔墙工程进行质量验收记录的汇总:1.工程概况:该板材隔墙工程是位于高层住宅楼的内部装修工程,总面积为5000平方米,采用GRC板材作为隔墙材料。
2.项目质量验收:2.1GRC板材的验收:相关工作人员对GRC板材的品质进行了验收,包括外观、尺寸等方面的检查。
经过检验,所有的板材符合要求,不存在明显的破损或变形。
2.2拼接质量验收:对GRC板材的连接部分进行了质量验收,要求板材之间的拼接缝隙应平整、无明显的开裂或脱落现象。
经过验收,所有拼接部位符合要求,不存在明显缺陷。
2.3表面处理质量验收:对GRC板材的表面处理情况进行了质量验收,要求板材表面光滑、色彩均匀,无明显的气泡、砂眼等缺陷。
经过验收,所有板材表面处理符合要求,不存在明显瑕疵。
2.4安装质量验收:对GRC板材的安装质量进行了验收,包括固定方式、安装精度等方面的检查。
经过验收,所有板材安装质量符合要求,没有脱落或倾斜现象。
3.质量问题和改进措施:在板材隔墙工程的质量验收过程中,发现了以下问题:3.1部分板材的拼接缝隙不够平整,存在一定程度的开裂现象;3.2部分板材的表面处理不均匀,存在气泡、砂眼等瑕疵;针对这些问题3.3加强对拼接工艺的培训,提高工人的技术水平,减少拼接缝隙的开裂现象;3.4对表面处理工艺进行优化,确保表面处理均匀,减少气泡、砂眼等瑕疵的出现。
4.质量验收结论:经过对板材隔墙工程的质量验收,整体质量较好,符合设计要求和相关标准。
但是存在部分板材的拼接缝隙不够平整、表面处理不均匀的问题。
这些问题已经被发现并采取了相应的改进措施。
轻质隔墙工程质量验收的一般规定(1)同一品种的轻质隔墙工程每50间(大面积房间和走廊按轻质隔墙的墙面30m为一间)划分为一个检验批,不足50间也应划分为一个检验批。
(2)板材隔墙与骨架隔墙每个检验批应至少抽查10%,并不得少于3间;不足3间时应全数检查;(3)活动隔墙与玻璃隔墙每批应至少抽查20%,并不得少于6间。
不足6间时,应全数检查。
(4)隔墙板材的品种、规格、性能、外观应符合设计要求。
有隔声、保温、防水、防潮等特殊要求的工程,板材应满足相应性能等级。
(5)隔墙板材安装应牢固。
现制钢丝网水泥隔墙与周边墙体的连接方法应符合设计要求,并应连接牢固。
(6)隔墙板材所用接缝材料的品种及接缝方法应符合设计要求。
(7)隔墙板材安装应垂直、平整、位置正确,板材不应有裂缝、缺边、掉角、开裂等缺陷。
(8)板材隔墙表面应平整,接缝应均匀、顺直。
(9)隔墙上的孔洞、槽、盒应位置正确、套制方正、边缘整齐。
(10)骨架隔墙所用龙骨、配件、墙面板、填充材料及嵌缝材料的品种、规格、性能和木材的含水率应符合设计要求。
有隔声、隔热、阻燃、防潮等特殊要求的工程,材料应有相应性能等级的检测报告。
(11)骨架隔墙工程边框龙骨必须与基体结构连接牢固,并应平整、垂直、位置正确;(12)骨架隔墙中龙骨间距和构造连接方法应符合设计要求。
骨架内设备管线的安装门窗洞口等部位加强龙骨应安装牢固、位置正确,填充材料的设置应符合设计要求。
(13)木龙骨及木墙面板的防火和防腐处理必须符合设计要求。
(14)骨架隔墙的墙面板应安装牢固,无脱层、翘曲、折裂及缺损。
(15)墙面板所用接缝材料的接缝方法应符合设计要求。
(16)骨架隔墙表面应平整光滑、色泽一致、洁净、无裂缝,接缝应均匀、顺直;(17)骨架隔墙上的孔洞、槽、盒应位置正确、套吻合、边缘整齐。
(18)骨架隔墙内的填充材料应干燥,填充应密实、均、无下。
(19)活动隔墙所用墙板、轨道配件等材料的品种、规格、性能和人造木板甲醛释放量、燃烧性能应符合设计要求。