10-02-骨架隔墙工程检验批-填写范本
- 格式:doc
- 大小:49.50 KB
- 文档页数:3
填写说明一、填写依据1 《建筑装饰装修工程质量验收规范》GB50210-2001。
2 《建筑工程施工质量验收统一标准》GB50300-2013。
二、检验批划分各分项工程的检验批应按下列规定划分:同一品种的轻质隔墙工程每50间(大面积房间和走廊按轻质隔墙的面积30 为一间)应划分为一个检验批,不足50间也应划分为一个检验批。
三、GB50210-2001规范摘要主控项目7.3.3 骨架隔墙所用龙骨、配件、墙面板、填充材料及嵌缝材种、规格、性能和木材的含水率应符合设计要求。
有隔声、隔热、阻燃、防潮等特殊要求的工程,材料应有相应性能等级的检测报告。
检验方法:观察;检查产品合格证书、进场验收记录、性能检测报告和复验报告。
7.3.4 骨架隔墙工程边框龙骨必须与基体结构连接牢固,并应平整、垂直、位置正确。
检验方法:手扳检查;尺量检查;检查隐蔽工程验收记录。
7.3.5 骨架隔墙中龙骨间距和构造连接方法应符合设计要求。
骨架内设备管线的安装、门窗洞口等部位加强龙骨应安装牢固、位置正确,填充材料的设置应符合设计要求。
检验方法:检查隐蔽工程验收记录。
7.3.6 木龙骨及木墙面板的防火和防腐处理必须符合设计要求。
检验方法:检查隐蔽工程验收记录。
7.3.7 骨架隔墙的墙面板应安装牢固,无脱层、翘曲、折裂及缺损。
检验方法:观察;手扳检查。
7.3.8 墙面板所用接缝材料的接缝方法应符合设计要求。
检验方法:观察。
一般项目7.3.9 骨架隔墙表面应平整光滑、色泽一致、洁净、无裂缝,接缝应均匀、顺直。
检验方法:观察;手摸检查。
7.3.10 骨架隔墙上的孔洞、槽、盒应位置正确、套割吻合、边缘整齐。
检验方法:观察。
7.3.11 骨架隔墙内的填充材料应干燥,填充应密实、均匀、无下坠。
检验方法:轻敲检查;检查隐蔽工程验收记录。
7.3.12 骨架隔墙安装的允许偏差和检验方法应符合表7.3.12。
表7.3.12 骨架隔墙安装的允许偏差和检验方法。
说 明GD24030502主控项目:1. 骨架隔墙所用龙骨、配件、墙面板、填充材料及嵌缝材料的品种、规格、性能和木材的含水率应符合设计 要求。
有隔声、隔热、阻燃、防潮等特殊要求的工程,材料应有相应性能等级的检测报告。
观察和检查产品合格证书、进场验收记录、性能检测报告和复验报告。
2. 骨架隔墙工程边框龙骨必须与基体结构连接牢固,并应平整、垂直、位置正确。
手扳和尺量检查。
3. 骨架隔墙中龙骨间距和构造连接方法应符合设计要求。
骨架内设备管线的安装、门窗洞口等部位加强龙骨应 安装牢固、位置正确,填充材料的设置应符合设计要求。
观察检查。
4. 木龙骨及木墙面板的防火和防腐处理必须符合设计要求。
检查隐蔽工程验收记录。
5. 骨架隔墙的墙面板应安装牢固,无脱层、翘曲、折裂及缺损。
观察和手扳检查。
6. 墙面板所用接缝材料的接缝方法应符合设计要求。
观察检查。
一般项目:1. 骨架隔墙表面应平整光滑、色泽一致、洁净、无裂缝,按缝应均匀、顺直。
观察和手摸检查。
2. 骨架隔墙上的孔洞、槽、盒应位置正确、套割吻合、边缘整齐。
观察检查。
3. 骨架隔墙内的填充材料应干燥,填充应密实、均匀、无下坠。
轻敲检查。
4. 骨架隔墙安装的允许偏差和检验方法应符合下表的规定。
项次项目允许偏差(mm)检验方法纸面石膏板人造木板、水泥纤维板1立面垂直度34用2m垂直检测尺检查2表面平整度33用2m靠尺和塞尺检查3阴阳角方正33用直角检测尺检查4接缝直线度—3拉5m线,不足5m拉通线,用钢直尺检查5压条直线度—3拉5m线,不足5m拉通线,用钢直尺检查6接缝高低度11用钢直尺和塞尺检查。
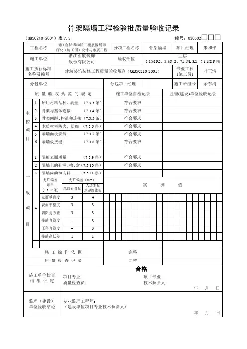
1234561234骨架隔墙工程检验批质量验收记录表
GB50210-2001
单位(子单位)工程名称
分部(子分部)工程名称
施工单位
分包单位
施工执行标准名称及编号
施工单位检查评定结果
孔洞、槽、盒填充材料允许偏差防火、防腐墙面板安装墙面板接缝材料及方法表面质量施工质量验收规范的规定
主
控
项
目一
般
项
目
第7.3.3条材料质量龙骨连接龙骨间距及构造连接第7.3.8条第7.3.9条第7.3.10条第7.3.11条第7.3.4条第7.3.5条第7.3.6条第7.3.7条
专业工长(施工员)
项目专业质量检查员:第7.3.11条施工单位检查评定记录
验收项目分包项目经
监理(建设)单位验收结论
专业监理工程师
(建设单位项目专业技术负责人):
定记录验收部位项目经理施工班组长
项目经理030502
年 月 日监理(建设)单位验收
记录
年 月 日。
10-02-骨架隔墙工程检验批-填写范本骨架隔墙报验申请表工程名称:××××酒店室内装饰装修工程饰装修工程编号:致:××××工程监理咨询有限公司 (监理单位)我单位已完成轻钢龙骨石膏板隔墙工作,现报上该工程报验申请表,请予以审查和验收。
附件:1、隐蔽工程验收记录2、骨架隔墙工程检验批质量验收记录表承包单位(章):××××装饰设计工程有限公司项目经理:日期:审查意见:项目监理机构(章):××××工程监理咨询有限公司总/专业监理工程师:日期:隐蔽工程验收记录表第页共页单位工程名称××××酒店室内装饰装修工程饰装修工程项目经理分项工程名称骨架隔墙专业工长隐蔽工程项目轻钢龙骨隔墙施工单位××××装饰设计工程有限公司施工标准名称及代号建筑装饰装修工程质量验收规范(GB 50210-2001)隐蔽工程部位质量要求施工单位自检记录监理(建设)单位验收记录二楼轻钢龙骨隔墙隔墙所用龙骨配件材料的品种、规格、性能应符合设计要求。
Q75系列热镀锌隔墙轻钢龙骨,38系列穿心龙骨,符合设计要求隔墙边框龙骨与基体结构连接牢固,并应平整、垂直、位置正确。
符合设计要求隔墙中龙骨间距和构迁连接方法应符合设计要求。
门窗洞口等部位加强龙骨应安装牢固、位置正确。
竖龙骨@400,横龙骨@1100 间距,符合设计要求骨架内填充材料的设置应符合设计要求。
填充材料为优质隔音棉,符合设计要求饰面材料材质、品种、规格、等应符合设计要求。
饰面材料接缝应按其施工工艺标准进行板缝防裂处理。
以12mm厚纸面板覆面(龙牌),其材质等均符合设计要求。
纸面石膏板的接缝以的确良白布粘贴密封处理施工单位自查结论经检查,本分项工程符合设计及国家相关规定要求。
骨架隔墙报验申请表
工程名称:××××酒店室内装饰装修工程饰装修工程编号:致:××××工程监理咨询有限公司 (监理单位)
我单位已完成轻钢龙骨石膏板隔墙工作,现报上该工程报验申请表,请予以审查和验收。
附件:1、隐蔽工程验收记录
2、骨架隔墙工程检验批质量验收记录表
承包单位(章):××××装饰设计工程有限公司
项目经理:
日期:
审查意见:
项目监理机构(章):××××工程监理咨询有限公司
总/专业监理工程师:
日期:
隐蔽工程验收记录表
第页共页单位工程名称××××酒店室内装饰装修工程饰装修工程项目经理
分项工程名称骨架隔墙专业工长
隐蔽工程项目轻钢龙骨隔墙
施工单位××××装饰设计工程有限公司
施工标准名称
及代号
建筑装饰装修工程质量验收规范(GB 50210-2001)
隐蔽工程部位质量要求施工单位自检记录监理(建设)单位验收记
录
二楼轻钢龙骨隔
墙隔墙所用龙骨配件材料的品
种、规格、性能应符合设计
要求。
Q75系列热镀锌隔墙轻钢
龙骨,38系列穿心龙骨,
符合设计要求
隔墙边框龙骨与基体结构连
接牢固,并应平整、垂直、
位置正确。
符合设计要求
隔墙中龙骨间距和构迁连接
方法应符合设计要求。
门窗
洞口等部位加强龙骨应安装
牢固、位置正确。
竖龙骨@400,横龙骨@1100
间距,符合设计要求
骨架内填充材料的设置应符
合设计要求。
填充材料为优质隔音棉,
符合设计要求
饰面材料材质、品种、规格、
等应符合设计要求。
饰面材
料接缝应按其施工工艺标准
进行板缝防裂处理。
以12mm厚纸面板覆面(龙
牌),其材质等均符合设计
要求。
纸面石膏板的接缝
以的确良白布粘贴密封处
理
施工单位自查
结论
经检查,本分项工程符合设计及国家相关规定要求。
施工单位项目技术负责人:年月日
监理(建设)单位
验收结论
监理工程师
(建设单位项目负责人):年月日
骨架隔墙工程检验批质量验收记录表
GB50210-2001
030502
单位(子单位)工程名称××××酒店室内装饰装修工程饰装修工程
分部(子分部)工程名称骨架隔墙工程验收部位二层隔墙施工单位××××装饰设计工程有限公司项目经理
分包单位/ 分包项目经理/
施工执行标准名称及编号建筑装饰装修工程质量验收规范(GB 50210-2001)
施工质量验收规范的规定施工单位检查评定记录监理(建设)单位验收记录
主控项目1 材料质量第7.3.3条符合设计要求,材料有合格的检测报告
经检查,主控
项目符合设
计及规范要
求
2 龙骨连接第7.3.4条连接牢固,平整、垂直、位置正确
3 龙骨间距及构造连接第7.3.5条隐蔽工程验收记录,符合设计要求
4 防火、防腐第7.3.6条防火和防腐处理符合设计要求
5 墙面板安装第7.3.7条安装牢固,无脱层、翘曲、折裂及缺损
6 墙面板接缝材料及方法第7.3.8条符合设计要求
一般项目1 表面质量第7.3.9条表面平整光滑、色泽一致、洁净,接缝
均匀、顺直所报项目按
规定数量积
要求进行检
查,均符合各
相关条文质
量要求
2 孔洞、槽、盒第7.3.10条位置正确、套割吻合、边缝整齐
3 填充材料第7.3.11条填充材料干燥,填充密实、均匀、无下
坠
4 允许偏差
第7.3.12条
符合规范要求
施工单位检查评定结果专业工长(施工员)施工班组长
经检查,主控项目、一般项目均符合设计和《建筑装饰装修工程质量验收规范》(GB 50210—2001)的规定,评定合格。
项目专业质量检查员:年月日
监理(建设)单位验收结论同意施工单位评定结果,验收合格,同意进行下道工序施工。
专业监理工程师:
(建设单位项目专业技术负责人):年月日。