骨架隔墙工程检验批质量验收记录表GD24030502
- 格式:xls
- 大小:27.50 KB
- 文档页数:2
骨架隔墙工程检验批质量验收记录表
GB50210—2001
030502 □口
说明
一、骨架隔墙工程的检验批应按下列规定划分: 同一品种的轻质隔墙工程每 50 间
( 大面积房间和走廊按轻质隔墙的墙面 验批,不足 50 间也应划分为一个检验批。
二、骨架隔墙工程的检查数量应符合下列规定:
每个检验批应至少抽查 10%,并不得少于 3 间;不足 3 间时应全数检查。
三、 主控项目 的检验方法: 1. 观察;检查产品合格证书、进场验收记录、性能检测报告和复验报告。
2. 手扳检查;尺量检查;检查隐蔽工程验收记录。
3. 检查隐蔽工程验收记录。
4. 检查隐蔽工程验收记录。
5. 观察;手扳检查。
6.
观察。
四、 一般项目 的检验方法: 1. 观察;手摸检查。
2. 观察。
3. 轻敲检查;检查隐蔽工程验收记录。
4. 允许偏差的检验方法:
(1) 立面垂直度,用 2m 垂直检测尺检查。
(2) 表面平整度,用 2m 靠尺和塞尺检查。
(3) 阴阳角方正,用直角检测尺检查。
(4)
接缝直线度,拉 5m 线,不足5m 拉通线,用钢直尺检查。
DBJ04-226-2003
030502
2
为一间 )应划分为一个检
(5) 压条直线度,拉5m线,不足5m拉通线,用钢直尺检查。
(6) 接缝高低差,用钢直尺和塞尺检查。
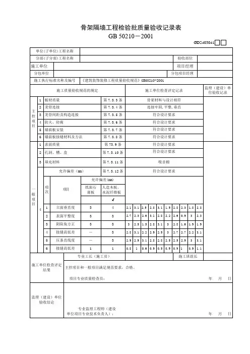
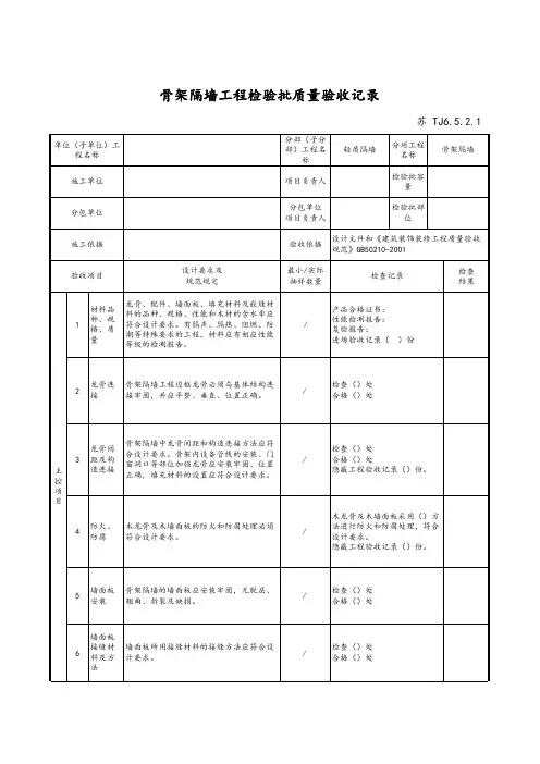
骨架隔墙工程检验批质量验收记录(GB50210-2001)表7.33.2.9 建筑装饰装修工程所使用地材料应按设计要求进行防火、防腐和防虫处理.主控项目7.3.3 骨架隔墙所用龙骨、配件、墙面板、填充材料及嵌缝材料地品种、规格、性能和木材地含水率应符合设计要求.有隔声、隔热、阻燃、防潮等特殊要求地工程,材料应有相应性能等级地检测报告.检验方法:观察;检查产品合格证书、进场验收记录、性能检测报告和复验报告.7.3.4 骨架隔墙工程边框龙骨必须与基体结构连接牢固,并应平整、垂直、位置正确.检验方法:手扳检查;尺量检查;检查隐蔽工程验收记录.7.3.5 骨架隔墙中龙骨间距和构造连接方法应符合设计要求.骨架内设备管线地安装、门窗洞口等部位加强龙骨应安装牢固、位置正确,填充材料地设置应符合设计要求.检验方法:检查隐蔽工程验收记录.7.3.6 木龙骨及木墙面板地防火和防腐处理必须符合设计要求.检验方法:检查隐蔽工程验收记录.7.3.7 骨架隔墙地墙面板应安装牢固,无脱层、翘曲、折裂及缺损.检验方法:观察;手扳检查.7.3.8 墙面板所用接缝材料地接缝方法应符合设计要求.检验方法:观察.一般项目7.3.9 骨架隔墙表面应平整光滑、色泽一致、洁净、无裂缝,接缝应均匀、顺直.检验方法:观察;手摸检查.7.3.10骨架隔墙上地孔洞、槽、盒应位置正确、套割吻合、边缘整齐.检验方法:观察.7.3.11 骨架隔墙内地填充材料应干燥,填充应密实、均匀、无下坠.检验方法:轻敲检查;检查隐蔽工程验收记录.7.3.12 骨架隔墙安装地允许偏差和检验方法应符合表7.3.12地规定.专业技术负责人)组织工程专业质量(技术)负责人等进行验收.。
轻钢龙骨隔墙检验批质量验收记录表一、项目名称:轻钢龙骨隔墙工程二、工程地点:(具体位置区域)三、施工单位:(具体名称)四、监理单位:(具体名称)五、质检单位:(具体名称)六、工程内容:本次质量验收主要针对轻钢龙骨隔墙工程的材料及施工工艺进行检验。
七、检验项目及要求:1. 轻钢龙骨材料的验收标准:符合国家相关标准要求,各项物理性能指标满足设计要求。
2. 龙骨隔墙施工工艺验收:符合设计图纸及相关规范要求,施工工艺操作规范,无明显的质量缺陷。
八、验收过程及结果:1. 轻钢龙骨材料的验收过程:由质检人员对进场的轻钢龙骨材料进行逐一检验,检验内容包括材料的规格、表面状态、厚度、强度等指标,检验结果符合要求。
2. 龙骨隔墙施工工艺验收过程:监理单位配合质检单位对隔墙施工工艺进行全程跟踪检验,发现问题及时提出整改意见。
经过施工单位的整改,最终验收结果符合设计要求。
九、存在的问题及处理措施:1. 鉴于轻钢龙骨材料的进场验收过程中发现部分材料存在轻微的变形和损坏,要求施工单位及时更换和整改,保证施工质量。
2. 在施工过程中,部分工人的操作不够规范,导致轻钢龙骨隔墙存在一些边角漏做、连接不牢固等问题,及时进行整改并加强施工工艺的培训。
十、验收结论:经过质检单位、监理单位和施工单位的共同努力,本次轻钢龙骨隔墙工程的质量验收结果符合设计要求,达到了合格标准。
十一、质量验收人员签字:(签字)十二、日期:(具体日期)以上为轻钢龙骨隔墙检验批质量验收记录表,本次质量验收内容详实、客观,确保了工程质量的合格性。
希望施工单位在后续工程中加强质量管理,确保施工质量,达到更高的验收水平。
由于轻钢龙骨隔墙工程作为建筑工程中的一项重要内容,其质量直接关系到建筑物的整体结构和使用性能。
在施工过程中对轻钢龙骨隔墙工程的质量进行严格监控和验收,是确保工程质量和安全的关键一环。
在轻钢龙骨隔墙工程中,材料的质量和施工工艺的规范性是影响工程质量的重要因素。
说 明GD24030502主控项目:1. 骨架隔墙所用龙骨、配件、墙面板、填充材料及嵌缝材料的品种、规格、性能和木材的含水率应符合设计 要求。
有隔声、隔热、阻燃、防潮等特殊要求的工程,材料应有相应性能等级的检测报告。
观察和检查产品合格证书、进场验收记录、性能检测报告和复验报告。
2. 骨架隔墙工程边框龙骨必须与基体结构连接牢固,并应平整、垂直、位置正确。
手扳和尺量检查。
3. 骨架隔墙中龙骨间距和构造连接方法应符合设计要求。
骨架内设备管线的安装、门窗洞口等部位加强龙骨应 安装牢固、位置正确,填充材料的设置应符合设计要求。
观察检查。
4. 木龙骨及木墙面板的防火和防腐处理必须符合设计要求。
检查隐蔽工程验收记录。
5. 骨架隔墙的墙面板应安装牢固,无脱层、翘曲、折裂及缺损。
观察和手扳检查。
6. 墙面板所用接缝材料的接缝方法应符合设计要求。
观察检查。
一般项目:1. 骨架隔墙表面应平整光滑、色泽一致、洁净、无裂缝,按缝应均匀、顺直。
观察和手摸检查。
2. 骨架隔墙上的孔洞、槽、盒应位置正确、套割吻合、边缘整齐。
观察检查。
3. 骨架隔墙内的填充材料应干燥,填充应密实、均匀、无下坠。
轻敲检查。
4. 骨架隔墙安装的允许偏差和检验方法应符合下表的规定。
项次项目允许偏差(mm)检验方法纸面石膏板人造木板、水泥纤维板1立面垂直度34用2m垂直检测尺检查2表面平整度33用2m靠尺和塞尺检查3阴阳角方正33用直角检测尺检查4接缝直线度—3拉5m线,不足5m拉通线,用钢直尺检查5压条直线度—3拉5m线,不足5m拉通线,用钢直尺检查6接缝高低度11用钢直尺和塞尺检查。