骨架隔墙工程施工检验批质量验收记录表
- 格式:doc
- 大小:676.00 KB
- 文档页数:21
骨架隔墙工程检验记录34注:建筑装饰装修工程所使用的材料应按设计要求进行防火、防腐和防虫处理。
饰面板安装工程检验记录工程名称分项工程名称施工单位验收部位检验明细要求检验方法合格主1 材料要求•饰面板的品种、规格、颜色和性能应符合设计要求,木龙骨、木饰面板和•观察;•检查产品合格证书、进场验收记录和性控项2 孔、槽设置饰面板孔、槽的数量、位置和尺寸应符合设计要求。
•手扳检查;•尺量检查;检查隐蔽目3预埋件、连接件(或后置埋件)•骨架隔墙中龙骨间距和构造连接方法应符合设计要求。
•检查隐蔽工程验收记录。
—一1 表面质量•骨架隔设备表线的安整光滑、色泽一致、洁净、无裂缝,接缝应均匀、顺直。
•观察;•手摸检查。
般2 嵌缝•骨架隔墙上的孔洞、槽、盒应位置正确、套割吻合、•观察。
3湿作业石材施工防碱背涂处理••项 4 孔洞套割•骨架隔墙内的填充材料应干燥,填充应密实、均匀、•轻敲检查;•检查隐蔽工程验收目饰面板安装(2.2.8条)无下坠。
允许偏差mm)记录。
检验方法实测值5 立石材2项目经理主控项目2.2.1饰面板的品种、规格、颜色和性能应符合设计要求,木龙骨、木饰面板和塑料面板的燃烧性能等级应符合设计要求。
检验方法:观察;检查产品合格证书、进场验收记录和性能检测报告。
2.2.2饰面板孔、槽的数量、位置和尺寸应符合设计要求。
检验方法:检查进场验收记录和施工记录。
不锈钢紧固件、连接件应按同一种类构件的5%进行抽样检查,且每种构件不少于5件。
现场可使用吸铁石进行检查。
2.2.3饰面板安装工程预埋件(或后置埋件)、连接件的数量、规格、位置、连接方法和防腐处理必须符合设计要求。
后置埋件的现场拉拔强度必须符合设计要求。
饰面板安装必须牢固。
碳钢配件需做防锈、防腐处理。
焊接点应作防腐处理。
检验方法:手板检查;检查进场验收记录、现场拉拔检测报告、隐蔽工程验收记录和施工记录。
一般项目2.2.4饰面板表面应平整、洁净、拼花正确、纹理清晰能耐色泽一致,无裂痕和缺损。
骨架隔墙工程检验批质量验收记录030502□□□说明强制性条文3.2.9 建筑装饰装修工程所使用的材料应按设计要求进行防火、防腐和防虫处理。
主控项目7.3.3骨架隔墙所用龙骨、配件、墙面板、填充材料及嵌缝材料的品种、规格、性能和木材的含水率应符合设计要求。
有隔声、隔热、阻燃、防潮等特殊要求的工程,材料应有相应性能等级的检测报告。
检验方法:观察;检查产品合格证书、进场验收记录、性能检测报告和复验报告。
7.3.4骨架隔墙工程边框龙骨必须与基体结构连接牢固,并应平整、垂直、位置正确。
检验方法:手扳检查;尺量检查;检查隐蔽工程验收记录。
7.3.5骨架隔墙中龙骨间距和构造连接方法应符合设计要求。
骨架内设备管线的安装、门窗洞口等部位加强龙骨应安装牢固、位置正确,填充材料的设置应符合设计要求。
检验方法:检查隐蔽工程验收记录。
7.3.6木龙骨及木墙面板的防火和防腐处理必须符合设计要求。
检验方法:检查隐蔽工程验收记录。
7.3.7骨架隔墙的墙面板应安装牢固,无脱层、翘曲、折裂及缺损。
检验方法:观察;手扳检查。
7.3.8墙面板所用接缝材料的接缝方法应符合设计要求。
检验方法:观察。
一般项目7.3.9骨架隔墙表面应平整光滑、色泽一致、洁净、无裂缝,接缝应均匀、顺直。
检验方法:观察;手摸检查。
7.3.10骨架隔墙上的孔洞、槽、盒应位置正确、套割吻合、边缘整齐。
检验方法:观察。
7.3.11骨架隔墙内的填充材料应干燥,填充应密实、均匀、无下坠。
检验方法:轻敲检查;检查隐蔽工程验收记录。
7.3.12骨架隔墙安装的允许偏差和检验方法应符合表7.3.12的规定。
骨架隔墙安装的允许偏差和检验方法表7.3.12注:本表由施工项目专业质量检查员填写,专业监理工程师(建设单位项目专业技术负责人)组织项目专业质量(技术)负责人等进行验收。
填写说明一、填写依据1 《建筑装饰装修工程质量验收规范》GB50210-2001。
2 《建筑工程施工质量验收统一标准》GB50300-2013。
二、检验批划分各分项工程的检验批应按下列规定划分:同一品种的轻质隔墙工程每50间(大面积房间和走廊按轻质隔墙的面积30 为一间)应划分为一个检验批,不足50间也应划分为一个检验批。
三、GB50210-2001规范摘要主控项目7.3.3 骨架隔墙所用龙骨、配件、墙面板、填充材料及嵌缝材种、规格、性能和木材的含水率应符合设计要求。
有隔声、隔热、阻燃、防潮等特殊要求的工程,材料应有相应性能等级的检测报告。
检验方法:观察;检查产品合格证书、进场验收记录、性能检测报告和复验报告。
7.3.4 骨架隔墙工程边框龙骨必须与基体结构连接牢固,并应平整、垂直、位置正确。
检验方法:手扳检查;尺量检查;检查隐蔽工程验收记录。
7.3.5 骨架隔墙中龙骨间距和构造连接方法应符合设计要求。
骨架内设备管线的安装、门窗洞口等部位加强龙骨应安装牢固、位置正确,填充材料的设置应符合设计要求。
检验方法:检查隐蔽工程验收记录。
7.3.6 木龙骨及木墙面板的防火和防腐处理必须符合设计要求。
检验方法:检查隐蔽工程验收记录。
7.3.7 骨架隔墙的墙面板应安装牢固,无脱层、翘曲、折裂及缺损。
检验方法:观察;手扳检查。
7.3.8 墙面板所用接缝材料的接缝方法应符合设计要求。
检验方法:观察。
一般项目7.3.9 骨架隔墙表面应平整光滑、色泽一致、洁净、无裂缝,接缝应均匀、顺直。
检验方法:观察;手摸检查。
7.3.10 骨架隔墙上的孔洞、槽、盒应位置正确、套割吻合、边缘整齐。
检验方法:观察。
7.3.11 骨架隔墙内的填充材料应干燥,填充应密实、均匀、无下坠。
检验方法:轻敲检查;检查隐蔽工程验收记录。
7.3.12 骨架隔墙安装的允许偏差和检验方法应符合表7.3.12。
表7.3.12 骨架隔墙安装的允许偏差和检验方法。
活动隔墙检验批质量验收记录项目名称:XXX活动隔墙检验批质量验收项目地点:XXX验收日期:YYYY年MM月DD日一、项目概述活动隔墙是为了满足特定场合需要临时划分空间而设置的分隔设备,本次验收的项目是XXX活动隔墙。
活动隔墙的质量验收标准是根据相关行业标准和设计要求制定的。
二、验收依据1.《建筑活动隔墙及其安装技术规程》2.隔墙设计图纸和相关技术文件3.施工合同和技术协议书三、验收内容1.隔墙材料验收对活动隔墙所使用的材料进行验收,包括隔墙板材、龙骨、连接件、密封胶等。
2.隔墙立柱安装验收对隔墙立柱的规格、数量和位置进行检查,并验收其立柱的安装质量。
3.隔墙板材安装验收对活动隔墙板材的规格、数量和位置进行检查,并验收其安装质量。
4.隔墙连接件安装验收对隔墙连接件的规格、数量和位置进行检查,并验收其安装质量。
5.隔墙密封胶使用验收对隔墙密封胶的规格和使用情况进行检查,并验收其使用质量。
四、验收结果经过对以上内容的全面检查和评估,本次活动隔墙质量验收结果如下:1.隔墙材料验收:所有隔墙材料符合设计要求,质量合格。
2.隔墙立柱安装验收:隔墙立柱数量、规格和位置符合设计要求,安装质量良好,质量合格。
3.隔墙板材安装验收:隔墙板材的数量、规格和位置符合设计要求,安装质量良好,质量合格。
4.隔墙连接件安装验收:隔墙连接件的数量、规格和位置符合设计要求,安装质量良好,质量合格。
5.隔墙密封胶使用验收:隔墙密封胶的规格和使用情况符合要求,使用质量良好,质量合格。
五、质量问题和处理在本次活动隔墙质量验收过程中,未发现重大质量问题和缺陷。
六、评价和建议针对本次活动隔墙质量验收的过程和结果,对工程质量整体评价如下:本次活动隔墙质量验收工作按照相关行业标准和设计要求进行,整体质量较高,各验收项符合要求。
未发现重大质量问题和缺陷。
建议在今后的活动隔墙项目中,严格按照设计要求和相关标准进行施工,加强对材料和施工工艺的控制,确保隔墙的质量稳定和可靠。
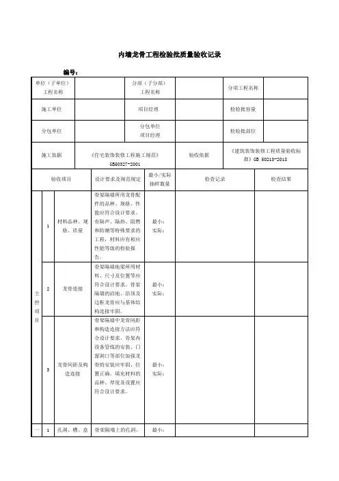
内墙龙骨工程检验批质量验收记录编号:
填表说明:
1、检验批容量填写:写出该检验批的间数。
同一品种的轻质隔墙工程每50 间应划分为一个检验批,不足50 间也应划分为一个检验批,大面积房间和走廊可按轻质隔墙面积每30m2
计为1 间。
2、最小/实际检查数量栏中,实际检查数量:按实填写,最小数量填写:每个检验批应至少抽查10% ,并不得少于3 间,不足3 间时应全数检查;
3、表头中“施工依据”栏目应依照实际的操作依据填写,如施工企业的操作规程、工法、施工工艺标准等。
骨架隔墙检验批质量验收记录一、工程概述骨架隔墙作为建筑工程中常见的一种隔墙形式,起到了隔音、隔热、划分空间等作用。
为确保骨架隔墙质量符合相关标准和规范要求,进行质量验收是必不可少的环节。
本文档记录了对骨架隔墙进行质量验收的过程、细节及结果,以供后续工程进行参考。
二、验收时间与人员本次骨架隔墙质量验收工作于*年*月*日进行,参与验收的人员包括项目负责人、施工单位代表、监理工程师等。
三、验收内容1. 材料验收在骨架隔墙工程进行前,项目负责人与施工单位代表对所采购的材料进行了核对与验收。
确保材料的品质符合设计要求,并具备相应的合格证明文件。
2. 基础处理验收通过现场检查,对骨架隔墙的基础进行了验收。
验收内容包括基础的平整度、强度等项目。
通过测量和检查,确认基础处理符合施工要求。
3. 骨架安装验收验收施工单位对骨架的安装工作进行了检查。
重点关注骨架与基础的连接方式、固定牢固情况、安装垂直度等项目,确保骨架的安装合理、稳固。
4. 隔墙板安装验收进行隔墙板安装验收前,首先对隔墙板进行了数量核对与外观质量检验。
随后,监理工程师对施工过程进行了监督与记录。
验收内容包括板材的垂直度、平整度、水平度等项目,确保板材的安装质量。
5. 表面处理验收对骨架隔墙的表面进行了验收,重点关注墙面的平整度、清洁度、涂料涂层质量等项目。
确保骨架隔墙表面处理符合设计要求和相关标准。
四、验收结果经过对骨架隔墙的全面检查与评估,结论如下:骨架隔墙整体质量良好,各项指标符合设计要求和相关规范。
材料选用合理,基础处理到位,安装牢固,隔墙板的垂直度、平整度达到了要求,表面处理均符合标准。
骨架隔墙具备了良好的隔音、隔热、划分空间等功能。
五、存在问题与整改措施在骨架隔墙质量验收过程中未发现明显的质量问题,但仍需关注以下方面并进行进一步整改和完善:1. 加强施工人员的技术培训与管理,确保施工质量的一致性和稳定性。
2. 增加骨架隔墙的运输、搬运和安装过程中的防护措施,避免板材、骨架等零部件的损坏或变形。
QESM/F518022261骨架隔墙工程检验批质量验收记录表
GB50210—2001
说明
030502 主控项目:
1、骨架隔墙所用龙骨、配件、墙面板、填充材料及嵌缝材料的品种、规格、性能和木材的含水率应符合设计要求。
有隔声、隔热、阻燃、防潮等特殊要求的工程,材料应有相应性能等级的检测报告。
观察和检查产品合格证书、进场验收记录、性能检测报告和复验报告。
2、骨架隔墙工程边框龙骨必须与基体结构;连接牢固,并应平整、垂直、位置正确。
手板和尺量检查。
3、骨架隔墙中龙骨间距和构造连接方法应符合设计要求。
骨架内设备管线的安装、门窗洞口等部们位加强龙骨应安装牢固、位置正确,填充材料的设置应符合设计要求。
观察检查。
4、木龙骨及木墙面板的防火和防腐处理必须符合设计要求。
检查隐蔽工程验收记录。
5、骨架隔墙的墙面板应安装牢固,无脱层、翘曲、折裂及缺损。
观察和手板检查。
6、墙面板所用接缝材料的接缝方法应符合设计要求。
观察检查。
一般项目
1、骨架隔墙表面应平整光滑、色泽一致、洁净、无裂缝,接缝应均匀、顺直。
观察和手摸检查。
2、骨架隔墙上的孔洞、槽、盒应位置正确、套割吻合、边缘整齐。
观察检查。
3、骨架隔墙内的填充材料应干燥,填充应密实、均匀、无下坠。
轻敲检查。
4。
骨架隔墙工程报验申请表
工程名称:冠鲁商务中心综合楼编号:
骨架隔墙工程检验批质量验收记录表
省建设工程质量监督总站监制
骨架隔墙工程报验申请表
工程名称:冠鲁商务中心综合楼编号:
骨架隔墙工程检验批质量验收记录表
省建设工程质量监督总站监制
骨架隔墙工程报验申请表
工程名称:冠鲁商务中心综合楼编号:
骨架隔墙工程检验批质量验收记录表
省建设工程质量监督总站监制
骨架隔墙工程报验申请表
工程名称:冠鲁商务中心综合楼编号:
骨架隔墙工程检验批质量验收记录表
省建设工程质量监督总站监制
骨架隔墙工程报验申请表
工程名称:冠鲁商务中心综合楼编号:
骨架隔墙工程检验批质量验收记录表
省建设工程质量监督总站监制
骨架隔墙工程报验申请表
工程名称:冠鲁商务中心综合楼编号:
骨架隔墙工程检验批质量验收记录表
省建设工程质量监督总站监制
骨架隔墙工程报验申请表
工程名称:冠鲁商务中心综合楼编号:
骨架隔墙工程检验批质量验收记录表
骨架隔墙工程报验申请表
工程名称:冠鲁商务中心综合楼编号:
骨架隔墙工程检验批质量验收记录表
骨架隔墙工程报验申请表
工程名称:冠鲁商务中心综合楼编号:
骨架隔墙工程检验批质量验收记录表
骨架隔墙工程报验申请表
工程名称:冠鲁商务中心综合楼编号:
骨架隔墙工程检验批质量验收记录表
. word ..。