水泥搅拌桩施工试桩方案
- 格式:doc
- 大小:44.00 KB
- 文档页数:13
水泥搅拌桩试验方案1. 引言水泥搅拌桩是一种常用的地基处理技术,广泛应用于建筑工程、桥梁工程以及沿海、沿江、沿湖等地区的防护工程中。
本试验方案旨在详细介绍水泥搅拌桩试验的目的、试验方法、试验过程和数据分析等内容,以确保试验质量和工程效果。
2. 试验目的本试验旨在通过对水泥搅拌桩试验的详细记录和数据分析,评估其在工程中的可行性和效果,从而为实际工程提供参考依据。
试验目标包括但不限于以下几个方面: - 评估水泥搅拌桩在地基处理中的强度增加效果; - 评估水泥搅拌桩的稳定性和变形特性; - 评估水泥搅拌桩与周围土体的界面特性; - 提供水泥搅拌桩施工参数的优化建议。
3. 试验方法本试验采用以下方法进行: ### 3.1 试验准备首先,确定试验桩的尺寸和布置方案,并进行试验场地的准备工作。
选取适当位置进行水泥搅拌桩的试验施工,保证试验桩布设的均匀性和代表性。
3.2 试验设备与仪器本试验需要准备以下设备与仪器: - 搅拌桩机:用于搅拌水泥浆和土壤,形成水泥搅拌桩; - 钻孔设备:用于钻孔并确定桩的位置; - 馈浆设备:用于提供混合材料(水泥、水和骨料等); - 静力触探设备:用于评估桩的承载力和变形特性等;- 环境监测仪器:用于监测试验现场的温湿度、沉降等环境指标。
3.3 试验过程本试验需要按照以下步骤进行: 1. 钻孔:按照设计要求进行钻孔,确定桩的位置和布设方案; 2. 搅拌桩施工:搅拌桩机进行水泥浆和土壤的搅拌,在钻孔处形成水泥桩体; 3. 复合地基处理:将水泥搅拌桩与周围地基进行复合处理,提高整体地基的承载力和稳定性; 4. 牵引静力触探试验:在试验桩周围进行静力触探试验,评估桩的力学特性和承载力; 5. 环境监测:对试验现场的温湿度、沉降等环境因素进行监测; 6. 数据记录与分析:将试验过程中的数据进行记录,并进行数据分析和评估。
3.4 数据分析通过试验数据的分析和评估,可以得出水泥搅拌桩的力学性能和工程效果,为实际工程提供参考依据。
S316巢湖至庐江公路改建工程桩号K0+000—K4+013.1路基水泥搅拌桩试桩方案一、工程概况本工程起点接现状长江东路,桩号为K0+000,终点接裕溪河特大桥,桩号为K4+013.1,全长4013.1米。
水泥搅拌桩布置形式:等边三角形;间距1—1.4m;桩长度17m;桩土应力比3.6;搅拌桩直径0.5m;搅拌桩抗剪强度:150KPa。
二、试桩目的1、本次试验桩基施工范围:K3+700—K3+800。
通过试验确定本段钻孔桩基础的施工工艺所需的技术参数。
如:浆量计算,配合比,搅拌时间等。
2、通过试验复核设计单位给的地质资料。
3、通过试验确定无侧限桩体抗压强度及复合地基承载力。
三、试桩方法根据设计文件,施工前进行成桩工艺性试验(一般不少于5根)确定各项工艺参数并报监理单位确认后,方可施工。
应在工程桩位外布置桩位,施工完28天后,在监理工程师指定桩体的不同部位(桩头、桩身及桩底)钻孔取芯,进行无侧限抗压强度试验,取样数量每组3件,无侧限抗压强度试验方法按JTJ051-93执行,芯样无侧限抗压强度可参照下列标准评定:桩长范围(m)0~5 5~10 10~17qu (MPa)>1.0 >0.7 >0.5其平均无侧限抗压强度应不小于0.8 Mpa。
取芯应有良好设备和技术,保证芯样完整性和原状强度,进行无侧限抗压强度试验时,可视取样对桩芯的损坏程度将上述设计指标乘以0.7~0.9的折减系数。
取不同深度的3个试样作无侧限桩体抗压强度试验,施工的工程桩应作复合地基承载力试验确认设计参数。
四、试桩工艺流程附图如下:图1.水泥搅拌桩施工工艺流程图桩基定位预拌下沉提升搅拌喷浆重复下沉搅拌喷浆反钻提升成桩结束两喷四搅施工工艺五、施工工艺5.1、施工前准备(1)、测量放样,平整地表,清除障碍物。
(2)、组建施工队伍,进行技术交底和安全技术培训。
(3)、机械设备进场并进行检查。
(4)、铺设钻机走行轨道。
(5)、接通电源和水路,进行机械试运转,备足灌浆所需材料。
水泥搅拌桩试桩施工方案一、工程概况本工程护岸采用水泥搅拌桩,桩径为500mm,纵横向间距均为90cm,置换率24%,桩长12m。
搅拌桩采用Ф500单轴搅拌桩机械,32.5级普通硅酸盐水泥,水泥掺入量为20%,并要求桩身水泥土28天期龄无侧限抗压强度需达到1.2Mpa以上。
桩总量约为3395根,总长度约40740米。
二、场地布置和施工准备2.1场地布置考虑到水泥搅拌桩分布均匀,根据实际情况,实地放样,平整场地,现场布置。
2.2施工准备(1)组织施工人员学习和掌握有关设计图纸和施工技术规范的有关规定。
结合本合同段的工程地质和水文气象条件,制定符合实际的施工组织设计,落实岗位责任制,确保工程质量安全和进度。
(2)机械进场前,组织测量人员利用全站仪根据沿线已闭合的导线点进行桩位放样,并报监理工程师审批。
(3)施工场地准备在水泥搅拌桩施工区内进行清障,整平处理,合理布置机械设备、水泥储料罐。
(4)配置的机械设备主要机具包括:搅拌桩机、配套水泥罐及喷浆系统、空气压缩机等。
搅拌桩机由滚轴式底架、井架和导向加减压机构、钻机传动系统、钻具、液压系统、喷浆系统、电气系统等部分组成,其技术性能见下表。
搅拌桩施工主要机具规格与技术要求2.3原材料搅拌桩采用的粉体加固剂为32.5复合硅酸盐水泥和42.5R普通硅酸盐水泥,要求新鲜无结块,入罐时经筛网过筛,最大粒度不超过5mm,不含有纸屑、塑料布石子等杂质。
三、施工组织机构项目经理:杨意忠项目总工:连瑞靖项目副经理:李阳峰施工员:上官伟、王清福质检员:吴国栋安全员:陈光辉施工班组:高军四、施工工艺及方法4.1施工准备及测量放样搅拌桩施工前,备齐施工机械机具和材料,接通电力,施工劳力进场,进行需施作喷浆作业地点的地面表皮清除,查明地下线路管道情况后进行场地平整,桩位放线,一切准备就绪后,进行搅拌桩作业。
4.1.1 场地清理:施工前,应按技术规范要求进行场地清理。
清理后的场地应整平,填写报验单,经监理工程师验收合格签字确认后,方可进行下道工序施工。
搅拌桩试桩方案早上刚坐下,泡了杯咖啡,打开电脑,就开始构思这个搅拌桩试桩方案。
这个方案对我来说已经是轻车熟路了,不过我还是喜欢从细节入手,保证方案的质量。
一、项目背景这次的项目位于我国某大城市的一处新开发区域,地理环境复杂,地基处理尤为重要。
搅拌桩作为一种常用的地基处理方法,既能提高地基承载力,又能减少地基沉降,是我们这次项目的首选。
二、试桩目的1.验证搅拌桩的设计参数,包括桩长、桩径、桩距等,确保满足设计要求。
2.检验搅拌桩施工工艺的可行性,确保施工质量。
3.为后续大规模施工提供依据。
三、试桩方案1.试桩数量根据项目规模,我们计划进行10根搅拌桩的试桩工作。
这10根桩分别位于不同区域,以充分反映项目范围内的地质条件。
2.试桩材料(1)水泥:选用符合国家标准的普通硅酸盐水泥,强度等级为42.5。
(2)砂:选用河砂,含泥量不大于3%。
(3)石子:选用粒径为5-25mm的碎石。
3.试桩设备(1)搅拌桩机:选用性能稳定的搅拌桩机,确保施工顺利进行。
(2)水泥浆搅拌机:用于拌制水泥浆。
(3)桩基检测仪器:用于检测桩身质量。
4.施工工艺(1)桩位定位:根据设计图纸,准确放出桩位,并用白灰做好标记。
(2)钻机就位:将搅拌桩机移至桩位,调整垂直度,确保桩身垂直度偏差不大于1%。
(3)钻进成孔:启动搅拌桩机,按照设计桩长进行钻进,同时喷浆。
(4)提升喷浆:当钻头达到设计桩长后,缓慢提升搅拌桩机,同时喷浆,确保桩身质量。
(5)桩顶处理:桩顶露出地面后,进行桩顶处理,确保桩顶质量。
(6)养生:桩身完成后,及时进行养生,确保桩身强度。
5.质量检测(1)桩身质量检测:采用桩基检测仪器,对桩身质量进行检测,确保桩身强度满足设计要求。
(2)桩顶质量检测:对桩顶进行处理后,进行桩顶质量检测,确保桩顶质量满足设计要求。
四、施工安排1.施工周期根据项目规模和试桩数量,预计试桩工作需要15天完成。
2.施工人员(1)项目技术人员:负责施工方案的制定、现场指导和技术支持。
、工程概况
二、试桩要求三、试桩目的四、设备选型及施工前期准备五、施工工艺及质量保证措施
六、安全保证措施及安全保证体系七、环境保护及消防安全措施
10
水泥搅拌桩施工试桩方案
一、工程概况
本工程设计深层软基处理采用水泥搅拌桩处理,具体参数、
处理位置见下图。
为确保施工方案的经济可行,在地基处理施工前,先进行工艺试
桩,以确定施工参数,用以指导地基处理施工。
二、试桩要求
根据软基处理工程施工参数要求的不同,搅拌桩施工区域分为五个区域:
K1+889.51 〜K2+264(西侧)区,K3+006 〜K3+131(西侧)区,K2+362
K2+642(西侧)区,K0+000〜K0+439.8(西侧),K3+173 (西侧)。
由此试桩也按
这五个区域分别布置,试桩位置将根据现场的实际情况布置,并上报监理审批。
试桩分两个部分进行:单桩承载力试验和复合地基承载力试验, 试验数据以单桩承载力试验为准,复合地基承载力试验作为校核。
单
桩承载力试桩桩位布设采用一字形布置,桩间距 4.2m,每个处理区
域6根。
复合地基承载力试桩桩位采用正三角形布置,共7根,其中。
CFG桩水泥搅拌桩试桩方案概述CFG桩(Cement Fly Ash Grouting Pile)是指采用水泥灰砂浆注浆法进行浆液搅拌灌注的桩基。
CFG桩具有较好的承载力和抗剪强度,适用于各类土质条件下的地基加固和桩基建设。
本文将对CFG桩试桩方案进行详细介绍。
材料准备1.水泥:选择强度达到工程要求的水泥,按照设计比例调配。
2.粉煤灰:选用合格的粉煤灰,按照设计比例与水泥混合。
3.骨料:选用适当粒径的砂子和碎石,与水泥和粉煤灰按照设计比例进行搅拌。
设备准备1.配置混凝土搅拌机:搅拌机应具有良好的搅拌效果和稳定的性能。
2.配置注浆泵:选用高压注浆泵,能够满足施工需要。
3.配置输送输浆管道:配置足够长度的输送输浆管道,以保证泵送材料的顺利完成。
施工步骤1.桩位标定:根据设计要求,在施工现场进行桩位标定,并检查桩位是否符合规定。
2.打桩孔:采用合适的打桩机械在桩位上进行打孔作业,打桩孔直径和深度根据设计要求确定。
3.孔底清理:将打好的桩孔底部清理干净,以确保桩底部无杂物。
4.搅拌注浆:按照设计比例将水泥、粉煤灰和骨料投入混凝土搅拌机中进行搅拌。
在搅拌过程中保持适宜的水灰比和掺量,确保浆液质量符合要求。
5.泵送注浆:将搅拌好的浆液通过注浆泵输送到桩孔中,同时配合泵送管道适时移动以保证注浆均匀分布。
6.浆液回填:注浆完成后,将剩余的浆液回填到桩孔中,使桩基整体更加坚固。
7.桩头处理:根据设计要求进行桩头处理,一般采用钢筋混凝土浇筑,加固桩头部分。
质量控制1.搅拌比例控制:要严格按照设计比例将水泥、粉煤灰和骨料投入搅拌机中,确保浆液质量。
2.泵送均匀控制:在注浆过程中,要保证注浆泵持续稳定运行,配合泵送管道适时移动以保证注浆均匀分布。
3.桩孔清洁控制:在施工过程中,要及时清理打好的桩孔底部,确保桩底部无杂物。
安全措施1.在施工现场设置明显的警示标志,提醒周围人员注意安全。
2.操作人员必须经过专业培训,并严格遵守操作规程。
多向水泥砂浆搅拌桩工艺性试桩方案编制:________________复核:________________审核: ________________目录一、工程概况 (1)二、编制依据 (1)三、试桩目的 (2)四、试桩位置及数量 (2)五、试桩方案 (2)5.1 准备 (2)5.2 主要施工机具配置 (3)5.3 劳动力配置 (3)5.4 施工工艺及施工方法 (3)5.5 质量检验标准 (7)六、试验参数 (7)七、质量保证措施 (8)八、安全保证措施 (8)九、环水保措施 (9)9.1 临时工程环保措施 (10)9.2 废水、废渣处理措施 (10)9.3 防止空气污染和扬尘措施 (10)9.4 施工噪音控制措施 (10)9.5 水土保持措施 (10)十、试桩总结 (11)多向水泥砂浆搅拌桩工艺性试桩方案一、工程概况XX标主要位于XXX起点里程IDKXX+XXX终点里程IDKXX+XXX正线长XXXkm 其中路基XXXkm。
本段沿线软土、松软土路基共计XX段,累计里程长度XXXkm软土及松软土多分布在丘间槽谷、堰塘、水田浅层和表层,为全新统冲洪积、坡洪积流塑软塑状淤泥、淤泥质黏土、软粘性土等。
呈透镜状或软硬互层状(夹层状)分布,一般单层厚0.5 3m总厚可达6 12m具有土质不均、含水量及孔隙比较大、有机质含量小、下卧硬层横坡较大、厚度变化大等特点。
软土及松软土主要对路基工程影响较大。
对于软土、松软土厚度》3m的地段,地面横坡较缓,稳定或沉降不能满足要求时一般采用多向水泥砂浆搅拌桩、CFG 桩、变截面挤密螺纹桩、多向加芯水泥搅拌桩、钻孔灌注桩桩网结构等复合地基加固。
二、编制依据《高速铁路路基工程施工技术规程》Q/CR 9602-2015《高速铁路路基工程施工质量验收标准》TB10751-2010《混凝土结构试验方法标准》GB/T50152-2012《XX铁路区间路基设计图》《路基工程设计专用图》《铁路路基地基处理》(贰路【2014】2028)实施性施工组织设计我公司以往施工经验相关规范标)隹三、试桩目的通过试桩确定加固材料掺入量、钻进速度、提升速度、喷气压力、单位桩长喷入量及喷搅次数等施工参数,检验能否达到设计要求的成桩效果。
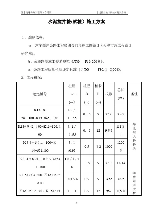
水泥搅拌桩(试桩)施工方案1、编制依据:a、津宁高速公路工程第四合同段施工图设计(天津市政工程设计研究院)。
b、公路路基施工技术规范《JTG F10-2006》。
c、公路工程质量检验评定标准《JTG F80/1-2004》。
2、工程概况:3、试桩地点:根据设计图纸要求,每个工点施工前必须先打不少于3根的工艺试验桩,本标段试桩选在K14+641.100处,设计地质情况与现场相符。
4、工艺性试桩目的:为了更科学的指导施工,严格控制水泥土搅拌桩施工质量,在正式施工前,进行必要的现场工艺性试桩,其目的是:a、检验室内试验所确定的配合比、水灰比是否合适;同时合理选择喷浆口的位置及大小(供参考的喷嘴口的位置在叶片的2/3处,喷浆口大小按现场测定)。
b、掌握下钻、提升的困难程度。
c、确定钻头进入硬土层电流变化情况。
d、确定水泥浆液密度。
e、确定合适的输浆泵的输浆量并设流量计。
f、掌握水泥浆到达喷浆口的时间、搅拌机提升、下沉、复搅提升速度等参数。
g、验证成桩的均匀度及试桩桩径大小。
h、验证钻头叶片的角度设置。
5、试桩桩位布置:按梅花形布置,桩径d=0.5m,9m长的桩桩距a=1.8m、试桩时,9m桩做3根试验桩,水泥用量为58Kg/m。
水泥采用P.S.B32.5水泥,水灰比按1:0.5。
9m桩每根桩水泥用量为:522kg;12m桩每根桩水泥用量为:696kg试桩简图如下。
a=1.1m,水泥用量:58kg/m18001560桥头水泥搅拌桩布置图注:单位:mm。
试桩时,应由监理参加,并由施工技术人员做好施工记录。
试桩尽量做到同一天打完,同一天做试验,以便取得参数,指导施工。
6、施工方法:1)、双向水泥土搅拌桩采用“二搅一喷”施工工艺,具体施工流程如下图所示:a、桩机定位:放样、定位;桩机移至指定桩位对中。
第一排桩距桥台背墙后2.5m开打。
(标高为原地面下0.5m标高)。
b、切土下沉:启动搅拌机,使钻杆沿导向架向下切土,两组叶片同时正、反向旋转切割、搅拌土体,直至设计深度,在桩底持续喷浆搅拌时间不少于10秒。
湖州申苏浙皖至申嘉湖高速公路连接线及配套工程第三合同段水泥搅拌桩试桩方案湖州交通工程处2010年9月目录1.…………………………..工程概况1.1…………………………….编制依据1.2…………………………….工程概况1.3…………………………….设计要求2.……………………………搅拌桩试桩施工2.1.…………………………..试桩准备工作2.2.……………………..…….施工工艺(施工流程图)2.3……………………………..施工安排2.4……………………….…….试桩过程3.……………………………质量保证措施4.……………………………安全、环保保证措施4.1…………………………….施工安全4.2…………………………….现场文明施工管理措施4.2.1…………………………..文明施工管理4.2.2…………………………..现场环境保护措施技术、安全环保技术交底试桩平面布置图1 工程概况1.1 编制依据本方案的编制依据有(1)本工程设计提供的图纸及相关水泥搅拌桩施工技术要求;(2)国家现行的其他施工规范及标准。
1.2 工程概况湖州申苏浙皖至申嘉湖高速公路连接线及配套工程第三合同段,起点桩号K5+350至终点桩号K9+370。
水泥搅拌桩处理地段为:紫金桥桥头两侧;湖盐线k7+500起至双福桥桥头拼宽段;双福桥南侧桥头。
1.3 设计要求水泥搅拌桩地基处理是采用专用机械将软土地基的局部范围内的软土柱体用水泥进行改良而成,与桩间软土形成复合地基。
水泥搅拌桩直径为50cm,采用梅花桩形式布置,桩间距为1.1~1.6米。
桩体设计掺灰量为60kg/m,材料采用42.5普通硅酸盐水泥,水灰比为1:0.45~0.50。
桩体90天无侧限抗压设计强度为0.9MPa,并且要求28天无侧限抗压强度为0.6MPa。
2 搅拌桩试桩施工2.1试桩施工准备⑴材料:水泥普通硅酸盐po42.5水泥;水,河水。
⑵机械:HJZ-50水泥搅拌桩机。
水泥搅拌桩湿法试桩试验方案试验目的:通过水泥搅拌桩湿法试桩试验,评估混凝土搅拌桩在不同工程条件下的承载力和抗剪性能,为工程设计和施工提供参考依据。
试验内容:1.试验试桩的布置要求:根据设计要求,在试验场地上布置试桩,试桩的间距、排列方式等应符合设计要求。
2.试验设备和工具准备:准备好搅拌机、搅拌车、工字钢、模板、测斜仪等试验设备和工具。
3.试验材料:准备好水泥、砂、石子等混凝土材料,并按照一定比例进行配制。
4.试验过程:a.开挖试验孔:根据设计要求,在试验场地上开挖试验孔,孔径和孔深应符合设计要求。
b.搅拌桩试验:将配制好的混凝土材料通过搅拌机搅拌均匀,并利用搅拌车将混凝土倒入试验孔中,填满整个试验孔。
c.养护:在混凝土凝固后,进行一定时间的养护,保证混凝土的强度和稳定性。
d.测量和记录:在试验过程中,及时进行测斜、计算围护结构的承载力等数据,并进行记录和整理。
试验结果分析:根据试验所得的数据,可以评估混凝土搅拌桩在不同工程条件下的承载力和抗剪性能。
同时,还可以通过对比试验结果和设计要求,对工程设计进行修正和改进,以确保工程的质量和稳定性。
试验注意事项:1.试验过程中应遵守相关安全规定,并做好安全防护措施。
2.试验设备和工具应符合相关标准和要求,并进行检验和测试。
3.试验材料的配制应按照设计要求进行,并严格控制质量。
4.试验过程中应注意环境保护,防止对周围环境造成污染。
5.试验结果应经过科学分析,并与设计要求进行对比,判断其可行性和合理性。
通过水泥搅拌桩湿法试桩试验,可以全面评估混凝土搅拌桩在不同场地条件下的承载力和抗剪性能,为工程设计和施工提供科学依据。
同时,试验的准备工作和注意事项也是保证试验质量和可靠性的重要环节。
最终,通过试验结果的分析和评价,可以对工程设计进行修正和改进,确保工程的安全和可靠性。
水泥搅拌桩试桩方案(终)嘿,大家好!今天我来给大家分享一份超级实用的“水泥搅拌桩试桩方案(终)”,这可是我积累了10年经验的心血之作。
准备好了吗?咱们这就开始!一、工程概况先来聊聊这个工程的基本情况。
项目位于美丽的江南某地,地理位置优越,环境优美。
工程主要包括一座大型商业综合体,占地面积约10万平方米,地下2层,地上5层。
这次试桩主要是为了检验水泥搅拌桩的地基处理效果,确保工程安全、顺利进行。
二、试桩目的1.确定水泥搅拌桩的设计参数,为后续施工提供依据。
2.检验水泥搅拌桩的施工工艺,提高施工质量。
3.验证水泥搅拌桩的承载能力,确保工程安全。
三、试桩方案1.试桩方法:采用静载试验法,通过加载、卸载、再加载的方式,检验水泥搅拌桩的承载能力。
2.试桩数量:本次试桩共设置10根水泥搅拌桩,分别位于工程的不同区域。
3.试桩步骤:(1)桩基施工:按照设计要求,采用旋挖钻机进行桩基施工,确保桩基质量。
(2)桩基养护:桩基施工完成后,进行为期28天的养护,确保桩基强度。
(3)加载试验:养护期满后,采用静载试验法进行加载试验,检验桩基承载能力。
(4)卸载试验:加载试验完成后,进行卸载试验,观察桩基回弹情况。
(5)再加载试验:卸载试验完成后,进行再加载试验,检验桩基的稳定性。
4.试桩设备:主要包括静载试验装置、加载装置、测量装置等。
5.试桩人员:配备专业的试验人员,确保试验的准确性和安全性。
四、试验结果分析1.承载能力分析:根据试验结果,分析水泥搅拌桩的承载能力,确定设计参数。
2.施工工艺分析:根据试验过程,分析施工工艺的合理性,为后续施工提供参考。
3.安全性分析:根据试验结果,评估工程的安全性,确保工程顺利进行。
五、注意事项1.试桩过程中,要严格遵守操作规程,确保试验的准确性和安全性。
2.试桩人员要具备相关专业知识和技能,确保试验质量。
3.试验过程中,要做好数据记录,为试验结果分析提供依据。
1.水泥搅拌桩的设计参数合理,承载能力满足工程要求。
目录一、工程概况 (1)二、试桩目的 (1)三、试桩时间 (1)四、水泥搅拌桩施工方法 (1)五、施工进度计划及保证措施 (5)六、质量保证措施 (6)七、人力及机械设备投入情况 (7)八、安全施工保证措施 (7)九、文明施工和环保措施 (8)附件一、水泥搅拌桩施工工艺框图 (10)水泥搅拌桩试桩施工方案一、工程概况本项目位于,K0+235.07处有一现状过水涵洞,涵洞宽2m,高1.1m。
经与有关部门沟通,需对现状过水涵洞拆除,新建过水涵洞,新建涵洞宽3m,高2.5m,长59.4m,涵洞下地质较差,需进行软基处理,按照设计要求采用搅拌桩施工,处理总长65.4m。
水泥搅拌桩的桩体直径为:Φ500mm,搅拌桩间距为1.5米呈等边三角行布置,桩顶从碎石垫层底进入10米,桩长10米,实施搅拌桩里程桩号为K0+235.07段,桩间距按照1.5m等边三角形布置。
二、试桩目的确定水泥水灰比、水泥用量、水泥掺量。
三、试桩时间2016年03月01日。
四、水泥搅拌桩试桩施工方法试桩采用“四搅四喷”施工工艺,水泥浆采用42.5号普通盐硅酸盐水泥,水灰比为0.45-0.55,搅拌桩施工前应平整场地(按标高控制)并压实,再进行搅拌桩施工。
试桩共计9根,水泥掺量选用15%,试桩3根,水泥用量59kg/m;水泥掺量选用18%,试桩3根,水泥用量71kg/m;水泥掺量选用21%,试桩3根,水泥用量82kg/m。
1、施工机械水泥搅拌桩的施工机械主要为深层搅拌机、灰浆拌制机、集料斗、灰浆泵控制柜和计量装置。
本工程配备搅拌桩机1台。
2、施工工艺流程(见附件1)3、成桩试验搅拌桩正式施工前进行工艺性试验,试桩深度不小于设计值要求,以掌握适用该区段的成桩经验及获取各种操作技术参数:○1满足设计要求的各种技术参数,包括钻机钻进与提升速度、搅拌速度、喷气压力、单位时间的喷入量等。
○2确定搅拌的均匀性。
○3钻进、提升阻力情况及对特殊情况施工采取的处理措施等。
三轴水泥搅拌桩试桩方案一、试桩目的和要求本次试桩的目的是为了验证三轴水泥搅拌桩在该工程中的适用性和稳定性。
试桩要求达到设计要求的承载力和排水能力,并且达到规定的沉降要求。
二、试桩设计参数1. 桩径:根据设计要求确定,本次试桩采用300mm的三轴水泥搅拌桩。
2.桩长:根据设计要求确定,本次试桩采用12m的三轴水泥搅拌桩。
3.桩间距:根据设计要求确定,本次试桩采用3m的桩间距。
4.搅拌桩间距:根据设计要求确定,本次试桩采用1.5m的搅拌桩间距。
5.搅拌桩直径:根据设计要求确定,本次试桩采用0.3m的搅拌桩直径。
6.搅拌桩间距:根据设计要求确定,本次试桩采用0.3m的搅拌桩间距。
三、试桩方案步骤1.桩位布置根据设计要求在合适的位置布置试桩位置。
2.钻孔使用专用的三轴水泥搅拌桩钻机进行钻孔,钻孔深度为12m,钻孔直径为300mm,并根据设计要求进行垂直度和偏差控制。
3.搅拌桩在达到设计要求的钻孔深度后,通过注入水泥浆和高速旋转的搅拌头进行搅拌桩的制作。
搅拌桩制作过程中要确保均匀注入水泥浆,并保证搅拌头充分搅拌均匀。
4.提升钻桩在搅拌桩完成后,使用起重机将钻具和钻杆提升出地面,并确保桩顶部充满水泥浆。
5.桩顶处理在桩顶部分,使用模板进行桩顶整平,并加盖钢板进行保护。
6.分层灌浆在桩工完工后,进行分层灌浆。
通过设置注浆孔,按照设计要求进行分层灌浆。
7.桩身处理在桩工完工后,使用专用设备对桩身进行加固处理。
8.桩基沉降观测对试桩进行沉降观测,记录桩基沉降情况,并与设计要求进行对比。
四、试桩质量控制1.桩基定位与垂直度控制在试桩前,通过测量和定位确保桩位的准确性。
在钻孔过程中,通过测量仪器进行垂直度和偏差控制。
2.搅拌桩均匀性控制在搅拌桩制作过程中,要确保均匀注入水泥浆,并保证搅拌头充分搅拌均匀。
3.混合比例控制根据设计要求,控制水泥、砂和水的混合比例,保证混合比例的准确性。
4.分层灌浆控制按照设计要求,控制分层灌浆的注浆量和注浆压力,保证分层灌浆的质量。
目录一、工程概况 (2)二、试桩要求 (2)三、试桩目的 (3)四、设备选型及施工前期准备 (4)五、施工工艺及质量保证措施 (4)六、安全保证措施及安全保证体系 (8)七、环境保护及消防安全措施 (10)水泥搅拌桩施工试桩方案一、工程概况本工程设计深层软基处理采用水泥搅拌桩处理,具体参数、处理位置见下图。
桩号水泥搅拌桩处理深度处理面积(m2)搅拌桩间距桩径搅拌桩总长度K1+889.51~K2+264(西侧) 10.73m1527 1.2m 0.5m 13155mK3+006~K3+131(西侧) 10.73m542 1.2m 0.5m 4668mK2+362~K2+642(西侧) 10.73m1783 1.2m 0.5m 15306mK0+000~K0+439.8(西侧) 11.46m 1346 1.2m 0.5m 12388mK3+173 (西侧) 10.73m217 1.2m 0.5m 1878m为确保施工方案的经济可行,在地基处理施工前,先进行工艺试桩,以确定施工参数,用以指导地基处理施工。
二、试桩要求根据软基处理工程施工参数要求的不同,搅拌桩施工区域分为五个区域:K1+889.51~K2+264(西侧)区,K3+006~K3+131(西侧)区,K2+362~K2+642(西侧)区,K0+000~K0+439.8(西侧),K3+173 (西侧)。
由此试桩也按这五个区域分别布置,试桩位置将根据现场的实际情况布置,并上报监理审批。
试桩分两个部分进行:单桩承载力试验和复合地基承载力试验,试验数据以单桩承载力试验为准,复合地基承载力试验作为校核。
单桩承载力试桩桩位布设采用一字形布置,桩间距 4.2m,每个处理区域6根。
复合地基承载力试桩桩位采用正三角形布置,共7根,其中一根利用单桩桩位。
本次试验共打试验桩60根。
三个软基处理区域各12根。
固化剂材料采用PO42.5普通硅酸盐水泥。
试验桩布置图见附图。
水泥搅拌桩试桩方案HENsystemofficeroom[HEN16H-HENS2AHENS8Q8-HENH1688]龙岗区协平路市政工程箱涵基础水泥搅拌桩试桩方案一、工程概况根据本项目施工图设计,位于现状河道内的路基(K0+290~K0+320)段,河道两侧均有新近回填土,回填土成份为强风化砂岩块及粘性土,新近填土厚度约0-4m不等。
此段分布有较厚(厚的流塑状淤泥质粉质粘土层,为高压缩性土,具有流变性,有开挖易变形、成孔易缩径等现象,力学性质差。
由于该段面积较小,设计采用水泥搅拌桩进行路基加固处理;为验证方案可行性及施工技术参数,先进行工程试桩。
二、设计要求(1)水泥采用强度等级为级及以上的硅酸盐水泥或普通硅酸水泥,水宜采用饮用水,使用非饮用水时须经化验并符合下列规定:硫酸盐(以三氧化硫计)含量不超过2700mg/L;含盐量不得超过5000mg/L;PH值不得小于4。
(2)水泥搅拌桩采用双管喷浆搅拌,采用四搅两喷,桩径?600mm,应进入持力层至少50cm。
(3)水泥搅拌桩中心间距为d=~,呈梅花形布置。
(4)水泥搅拌桩单桩承载力不小于120KN,桩体水泥土28d龄期的无侧限搞压强度不小于。
三、施工人员安排和机械配置情况1、施工队伍安排软基处理施工专业性较强,安排专业的施工队进场进行水泥搅拌桩的施工,人员配置情况如下表。
施工人员配置表2、机械配置主要施工机械设备表四、试桩目的水泥搅拌施工前先进行工艺性试验,通过试验确定以下施工参数:制浆工艺、水灰比、注浆压力、搅拌钻具下沉速度、提升速度、搅拌遍数、单位时间注浆量、每延米注浆量(水泥掺量)等数据,试桩检测完成后写出试桩总结报告,报总监办审批通过后,作为水泥搅拌桩施工控制依据和操作规程,并按此严格认真执行,最终保证水泥搅拌桩的施工质量。
五、试桩方案在K0+290~K0+320箱涵范围内选取代表性位置,进行工程试桩。
水泥搅拌桩采用水泥等级,每米用量暂定为60kg,水灰比,水泥用量具体值根据室内配合比试验及现场试桩确定。
水泥搅拌桩试桩方案1、试桩目的通过试桩确定以下技术参数:①、满足设计喷入量的各种参数,如:钻进速度、提升速度、搅拌速度、喷浆压力、单位时间喷入量、两次喷浆量的分配; ②、确定搅拌的均匀性,验证预定的工艺流程; ③、掌握下钻和提升的阻力,采取相应的技术措施;④、确定软土含水量和喷浆量的关系,求得最佳喷浆量和浆液的水灰比。
2、准备工作试桩桩机采用PH-5A 型桩机进行施工,配置LDYB-3000电磁流量计进行水泥浆的计量。
采用NJ-800型搅拌机进行水泥浆的制备,施工现场设置0.7m3的储浆罐。
水泥和水的称量采用磅称进行,外掺剂的称量采用天平进行。
3.试桩方案1、桩位布置结合上次试桩结果,本次共试桩9根,试桩位置选在AK0+400附近,桩径0.5m ,桩长12m ;单排布置桩距1.8m. 其桩位布置如下:A K 0+40路线中线试桩1试桩2试桩3试桩4试桩5试桩6试桩7试桩8试桩92、各试桩参数如下:4、施工方法1、施工技术指标2、施工工艺流程图3、试桩过程(1)定桩位:用全站仪放线,配合钢尺丈量、竹签定位,并经监理人员验收后施工。
(2)钻杆长度标定:开工前或因故长度发生变化时,必须用钢尺对钻杆进行标定。
(3)桩垂直度控制:按合理的操作技术要求将钻架调直,确保桩垂直度误差小于1.0%。
(4)桩深度控制:制桩深度除考虑设计及试桩确定深度外,还应视实际地层变化、工作电流高低和下沉速度快慢等具体情况进行施工。
(5)配浆:按施工配合比计算出每桶加水量(在桶内做出标记)、水泥量及外掺剂量,加料准确、搅拌均匀,时间不小于3分钟,并经过筛后使用,制备好的浆液不得离析,泵送必须连续。
每根桩施工前储浆罐中浆量不得小于该根桩的喷浆量加50kg。
(6)单桩每米喷浆量:根据标定的泵浆量和搅拌次数及桩长长度,计算每喷搅一次的耗浆量,如与设计不符时,则在下次喷搅过程中及时进行调整,直至每米耗浆量符合设计要求的水泥用量。
(7)预搅下沉前,先启动压浆泵,检查各管路是否畅通,有无泄漏,如有异常,应及时排除。
. 精选 目 录 一、工程概况....................................................................................2 二、试桩要求....................................................................................2 三、试桩目的....................................................................................3 四、设备选型及施工前期准备..........................................................4 五、施工工艺及质量保证措施..........................................................4 六、安全保证措施及安全保证体系...................................................8 七、环境保护及消防安全措施.........................................................10 .
精选 水泥搅拌桩施工试桩方案
一、工程概况 本工程设计深层软基处理采用水泥搅拌桩处理,具体参数、
处理位置见下图。 桩号 水泥搅拌桩 处理深度 处理面积(m2) 搅拌桩间距 桩径 搅拌桩总长度
K1+889.51~K2+264(西侧) 10.73 m 1527 1.2m 0.5m 13155m
K3+006~K3+131(西侧) 10.73 m 542 1.2m 0.5m 4668m K2+362~K2+642(西侧) 10.73 m 1783 1.2m 0.5m 15306m K0+000~K0+439.8(西侧) 11.46m 1346 1.2m 0.5m 12388m K3+173 (西侧) 10.73 m 217 1.2m 0.5m 1878m 为确保施工方案的经济可行,在地基处理施工前,先进行工艺试桩,以确定施工参数,用以指导地基处理施工。
二、试桩要求 根据软基处理工程施工参数要求的不同,搅拌桩施工区域分为五个区域:K1+889.51~K2+264(西侧)区,K3+006~K3+131(西侧)区,K2+362~. 精选 K2+642(西侧)区,K0+000~K0+439.8(西侧),K3+173 (西侧)。由此试桩也按这五个区域分别布置,试桩位置将根据现场的实际情况布置,并上报监理审批。 试桩分两个部分进行:单桩承载力试验和复合地基承载力试验,试验数据以单桩承载力试验为准,复合地基承载力试验作为校核。单桩承载力试桩桩位布设采用一字形布置,桩间距4.2m,每个处理区域6根。复合地基承载力试桩桩位采用正三角形布置,共7根,其中一根利用单桩桩位。本次试验共打试验桩60根。三个软基处理区域各12根。固化剂材料采用PO42.5普通硅酸盐水泥。试验桩布置图见附图。 水泥搅拌桩试桩数量为60根,桩径Φ500mm,有效桩长各为10.73m、10.73m、10.73m、11.46m、10.73m,施工桩长根据施工现场标高具体确定。单桩竖向承载力特征值不低于90KN,复合地基承载力不小于100KPa。 水泥掺入比一般应控制在17%左右,单桩承载力试验采用三种水泥掺量,分别为65kg/m, 68kg/m, 70kg/m,每种掺量各施工2根搅拌桩,水灰比控制在0.45~0.55之间。复合地基承载力试验采用65kg/m一种水泥掺量。
三、试桩目的 1、确定灰浆经输浆管到达搅拌机喷浆口的时间。 2、确定搅拌下沉、提升速度和重复搅拌下沉、提升速度。 3、确定灰浆稠度(水灰比)。 4、根据不同掺入比(65kg/m, 68kg/m, 70kg/m)确定技术参数。 . 精选 5、确定工作压力。 6、确定针对本工程的施工质量检验标准评价依据。 7、检验施工设备及选定的施工工艺。 8、根据单桩承载力试验确定施工掺入比。 9、校核复合地基承载力。
四、设备选型及施工前期准备 (一)、主要施工设备及其技术参数 根据设计要求,本工程选用SJB型深层搅拌桩机及其配套设备进行施工,该机具有移动灵活、成桩质量高、施工速度快、噪音低等优点,适宜本工程施工。 1、桩机型号:SJB深层搅拌机 2、搅拌头转速:60 r/min 3、最大施工深度:18 m 4、额定扭矩:8500 N.m (二)、施工前期准备 1、清除地表下各种障碍物(包括人防工程、建筑垃圾、地下管线、电缆等),将施工场地填垫平整。 2、保证进场临时道路畅通,施工用电采用发电机,开工前在现场打一定数量的大口井提供施工用水。 3、组织材料进场,进场水泥必须具备出厂合格证,并经现场取样送试验室复检合格,存放场地要充分满足施工需要,现场布局合理。 4、根据桩位平面图及主要轴线,用经纬仪定向,钢尺量距,确定桩位。 . 精选 5、测量现场地面标高,确定桩顶标高。
五、施工工艺及质量保证措施 (一)、施工工艺流程 1、桩机就位:检查钻杆长度,钻头直径,连接好输浆管路,将
桩机移到指定位置对好桩位,由现场质检人员检查确认无误后开始开机作业。 2、预搅下沉:待深层搅拌机的冷却水循环正常后,启动搅拌机电机,放松搅拌机吊索,使搅拌机沿导向架搅拌切土下沉,下沉速度可由电机的电流监测表控制。工作电流不应大于70A。如果下层速度太慢,可从输浆系统补给清水以利钻进。 3、喷搅下沉:开启深层搅拌机主电机,桩机钻杆垂直下沉,下沉速度1.0-1.2m/分,下沉过程中,工作电流不大于额定值,遇较硬地层不能下沉时,可泵送少量的水或水灰比较大的水泥浆,凡经输浆管冲水下沉的水泥搅拌桩,喷浆提升前必须将喷浆管内的水排清。随时观察设备运行及地层变化情况,钻头下沉至设计深度。 4、搅拌提升:深层搅拌机下沉到达设计深度,在桩端搅拌喷浆30s后匀速搅拌提升。提升过程中始终保持送浆连续,中间不得间断。如有间断应进行处理。同时在输浆管冲水下沉的部位应略停加强搅拌喷浆。 5、重复搅拌下沉:重复前次作业。每根桩均要进行复搅复喷。 6、移位:桩机移至下一桩位,重复进行上述步骤的施工。 . 精选 (二)、质量保证措施 1、施工现场事先予以平整,不得回填杂填土或生活垃圾。施工
前检验机具性能和施工工艺各项技术参数,并进行实际标定,有关技术参数及时提供现场监理工程师,以作为控制搅拌桩质量的依据。 2、根据设计要求进行工艺性试验,确定出各项施工参数,施工过程中严格按设计及工艺要求进行。当桩周为成层土时,应对相对软弱土层增加搅拌次数或增加水泥掺量。 3、搅拌头翼片的枚数、宽度、与搅拌轴的垂直夹角、搅拌头的回转数、提升速度相互匹配,确保加固深度范围内土体的搅拌次数满足规范要求。 4、施工中始终保持搅拌桩机底盘的水平和导向架的垂直,搅拌桩的垂直偏差不得超过1%,桩位的偏差不大于50mm,成桩直径及桩长满足设计要求。 6、制备好的浆液不得离析,不得停放时间过长,泵送必须连续。灰浆泵输浆量,灰浆经输浆管到达喷浆口时间以及钻头起吊提升速度按试验标定参数进行。 7、前台操作与后台供浆应密切配合,前台搅拌机喷浆提升的次数和速度与试验桩已标定的施工工艺参数相吻合。 8、后台供浆停机时,及时通知前台以防止断桩和缺浆。使搅拌桩机下沉至停浆点以下0.5m,待恢复供浆时再喷浆提升。停机后3小时,将输浆管拆下,妥为清洗。喷浆搅拌提升的速度和搅拌次数符合设计及施工工艺要求,喷浆量及提升速度等由流量计控制并有专人记录。 . 精选 9、当搅拌桩桩顶接近设计标高时,应特别注意桩头的施工质量,桩顶1-1.5米范围内增加喷浆搅拌一次。同时搅拌自地面以下1m喷浆搅拌提升出地面时,宜应慢速,当喷浆口至桩顶标高时,宜停止提升,搅拌10秒-20秒,以保证桩头密实均匀。 10、当输浆管有弯折、外压或漏浆情况时要及时检查、理顺管道,清除外压,发现漏浆点应进行补漏,严重时停机换管
当输浆管道过长,沿程压力损失增大时可使制浆池布置靠近桩位,以缩短送浆管道。当场地条件不具备时,可适当调增泵送压。 (三)、管理保证措施 1、加强质量教育,提高全员质量意识,严格按照国家及地方建
委有关文件要求组织施工。开工前由项目经理向全体参加施工人员进行详细的技术交底,使施工人员熟悉本工程设计、质量标准和施工工艺要求。 2、各班设专职技术人员,检查施工质量,严把每道工序质量关。 3、施工中严格遵循本方案的成桩工艺及施工程序。 4、强化工序管理、严格工序控制。 (四)、质量保证体系
项目经理 .
精选 施 工 员 质 检 员 安 全 员 材 料 员 抽 样 员
(五)、雨季施工保证措施 注意收听天气预报,经常性的与气象部门联系,掌握天气变化
情况,安排施工。防止天气突变,以便提前做好准备。 1、人行道及生活区、办公区地面铺垫级配砂石,保证工地整洁、文明。 2、怕潮湿的原材料用苫布盖好,垫高码放,并要通风良好。 3、施工用配电箱均加双坡盖板、雨披,防止雨水流入配电箱。临电的变压器做好避雷措施。接水管做好防雨措施。 考虑到雨季施工的特点,合理安排工程进度,确保工程流水作业的步序总体推进,避免对工程质量及工程进度的影响。
六、安全保证措施及安全保证体系 (一)、安全生产保证体系及管理制度 1、安全生产保证体系
贯彻“安全第一、预防为主”的方针,针对本工程的施工特点,建立以项目经理为主的安全保证体系。经理部配备专职安全员,负责对整个工程实施过程进行监督检查。项目第一管理者首先是安全第一责任者,各机长是安全第一责任者,赋予安全员四项权力。 (1)、对施工生产有安全监督检查权