建筑电气常用数据速查表
- 格式:doc
- 大小:1.55 MB
- 文档页数:59
建筑施工电气安全检查表
项目基本信息
- 项目名称:[填写项目名称]
- 施工单位:[填写施工单位]
- 检查日期:[填写检查日期]
检查人员
- 主检人员:[填写主检人员姓名]
- 协助人员:[填写协助人员姓名]
检查区域及设备
安全状况检查情况说明
- 检查人员应依次检查每个区域/设备的电气安全状况,并填写相应的检查情况和备注。
- 检查情况应注明是否符合相关法规、规范和标准要求,是否存在安全隐患。
- 检查人员可使用合适的工具和设备进行必要的测量和测试。
措施建议
- 根据检查情况,检查人员应提供针对性的安全措施建议,以消除或降低电气安全隐患。
检查人员签名
- 主检人员:_________________
- 协助人员:_________________
备注
[填写其他相关备注信息]
以上是本次建筑施工电气安全检查表的内容,检查人员应认真填写检查结果,并及时采取相应的安全措施,确保工程施工过程中的电气安全。
请妥善保存此检查表,并随工程资料一并归档。
精心整理2---3片组合涂漆母线的载流量(θn=70℃θa=25℃)BLV绝缘电线明敷及穿管时持续载流量(注:明敷载流量值系根据?S>2De(De-电线外径)计算)注:1.本电线的聚氯乙烯绝缘中加了耐热增塑剂,线芯允许工作温度可达105℃,适用于高温场所,但要求电线接头用焊接或绞接后表面锡la处理。
电线实际允许工作温度还取决于电线与电线及电器接头的允许温度,当接头允许温度为95℃时,表中数据应乘以0.92,85℃时应乘以0.84。
2.BLV-105型铝芯耐热线的载流量可按表中的数据乘以0.78。
3.本表中载流量数据系编者经计算得出,仅供参考。
BV、BLV型绝缘线穿半硬塑料管、波纹管管径选择单位:mm注硬塑料管(重型)的公称管径指外径。
电话电线电缆穿管最小管径不同环境温度下载流量修正系数电线电缆穿管敷设于空气中载流量修正系数(参考值)注:1、穿管电缆根数系指有负荷且发热的导线根数。
中性线或保护线可不计。
2、一般情况下,穿管根数体积占管内体积的40%左右。
3、当管子并列敷设时乘以0.95的修正系数。
1KV电缆户外明敷无遮阳时管道组内同步负荷载流量修正系数(参考值)根据线路敷设方式选配的导线型号表注:括号内数值仅为北京地区使用①K为第4芯,截面可从10—120mm2任选,表中载流量数据系与相线等截面。
*:适用于VV22,32,43,VLV22,32,43*:适用于YJV22,32,YJLV22,32注:1、表内无括号数字为电气管线在管道上面时的数据,有括号数字为电气管线在管道下面时的数据。
2、在不能满足表中所列距离情况下,应采取下列措施:a.电气管线与蒸汽管线不能保持表中距离时,应在蒸汽管或电气管外包以绝热层,此时平行净距可减至200mm,交叉处仅需满足施工操作和便于维护的距离。
b.电气管线与热水管不能保持表中距离时,可在热水管外包绝热层。
c.裸母线与其它管道交叉不能保持表中距离时,应在交叉处的裸母线外装保护网或罩。
不采用140A断路器,且尽量少用280A断路器(可根据情况压到250A或者提升到315)
矿物绝缘电缆,仅25mm2及以下才有多芯电缆,其他均为单芯电缆。
且,矿物绝缘电缆采用四芯线,其铜护套可作地线使用。
当矿物绝缘电缆与其他塑料电缆合用桥架、电缆沟、电缆隧道或人可能触及的场所时,应采用带绝缘护套的矿物绝缘电缆。
当用电负荷为三相不平衡负荷时,所选电缆的中性线应与相线保持同样线径。
例:照明负荷。
单芯电缆写法:WDZC(N)-YJY- /换行/ 3x1(1x240)+1(1x120)+1(1x120)
单芯矿物绝缘电缆写法:BTTZ-3x2(1x240)+1(1x240)
多根单芯电缆合用作为相线时,应尽可能选用双数,例:BTTZ-3x2(1x240)+1(1x240)
相线截面:400<S≤800,PE:200。
相线截面:>800,PE:S/4。
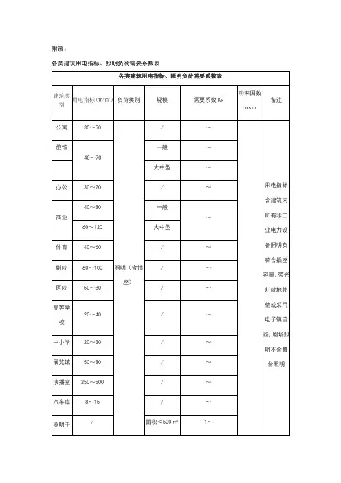
附录:
各类建筑用电指标、照明负荷需要系数表
线/500~3000㎡~/
3000~15000
㎡
~/>15000㎡~
舞台照明//<200KW1~~1设置就地
补偿装置//>200KW~~1
注:1、表中所列用电指标的上限值是按空调采用电动压缩机制冷时的数值。
当空调冷水机组采用直燃机时,用电指标一般比采用电动压缩机制冷时的用电指标降低25~35VA/㎡。
2、照明负荷需要系数的大小与灯的控制方式和开启率有关,大面积集中控制的灯比相同建筑面积的多个小房间分散控制的灯的需要系数大。
插座容量的比例大时,需要系数的选择可以偏小些。
系统图样式:。
n aBLV绝缘电线明敷及穿管时持续载流量(注:明敷载流量值系根据 S>2De(De-电线外径)计算)BLx绝缘电线明敷及穿管时持续载流量(注:明敷载流量值系根据 S>2De(De-电线外径)计算)BV-105耐热绝缘电线明敷及穿管时持续载流量注:1、本电线得聚氯乙烯绝缘中加了耐热增塑剂,线芯允许工作温度可达105℃,适用于高温场所,但要求电线接头用焊接或绞接后表面锡la处理。
电线实际允许工作温度还取决于电线与电线及电器接头得允许温度,当接头允许温度为95℃时,表中数据应乘以0、92,85℃时应乘以0、84。
2、BLV-105型铝芯耐热线得载流量可按表中得数据乘以0、78。
3、本表中载流量数据系编者经计算得出,仅供参考。
注半硬塑料管、波纹管得公称管径指外径。
注:半硬塑料管、波纹管得公称管径指外径。
注硬塑料管(轻型)得公称管径指外径。
注硬塑料管(重型)得管径指外径。
BVV,BVVB绝缘电线穿管暗敷时持续载流量BV绝缘电线明敷及穿管时持续载流量注:明敷载流量值系根据S>2De(De-电线外径)计算注硬塑料管(重型)得公称管径指外径。
BX绝缘电线明敷及穿管时持续载流量注:明敷载流量值系根据S>2De(De-电线外径)计算线槽内电话电缆与电话支线换算注:架空电缆导体工作温度90°C,环境温度40°C、LJ、HLJ、LGJ型裸铝绞线得载流量(θn=70℃)注本表系母线立放得数据。
当母线平放且宽度≤63mm时,表中数据应乘以0、95,>63mm 时应乘以0、92。
电力电缆穿金属管最小管径注:适用于三芯、三芯+N及四芯等截面电力电缆。
电力电缆穿金属管最小管径电话电线电缆穿管最小管径不同环境温度下载流量修正系数不同环境温度下载流量修正系数电缆在空气中并列敷设时载流量修正系数S=1d1、000、900、850、800、820、80---S=2d1、000、980、900、950、900、850、800、80 S=3d1、001、000、980、980、980、900、850、85不同土壤热阻系数得载流量修正系数电压(KV)截面范围(mm2)土壤热阻系数ρT=( ºC- M/W )0、81、01、21、51、82、0、53、0135及以下50~120150~300400及以上1、061、000、950、890、840、810、750、711、081、000、940、870、800、770、700、651、081、000、930、860、790、760、690、641、091、000、930、850、790、760、680、631035及以下50~120150~300400及以上1、051、000、950、900、840、820、760、701、061、000、940、880、820、800、730、681、071、000、940、870、810、780、710、661、071、000、930、870、810、770、710、65电线电缆穿管敷设于空气中载流量修正系数(参考值)穿管根数修正系数注:1、穿管电缆根数系指有负荷且发热得导线根数。
建筑电气工程检查用表大全(含表格填写说明)建筑之家建筑电气子分部工程与分项工程相关表架空线路及杆上电气设备安装检验批质量验收记录060101□□□说明主控项目1、变压器中性点应与接地装置引出干线直接连接、接地装置的接地电阻值必须符合设计要求(4.1.3条)。
2、杆下变压器和高压绝缘子、高压隔离开关、跌落式熔断器、避雷器等必须按规范第3.1.8条的规定交接试验合格。
3、杆上低压配电箱的电气装置和馈电线路交接试验应符合下列规定:1)每路配电开关及保护装置的规格型号,应符合设计要求;2)相间和相对地间的绝缘电阻值应大于0.5MΩ时,3)电气装置的交流工频耐压试验电压为1KV,当绝缘电阻值大于10MΩ时,可采用2500V兆欧表摇测替代,试验持续时间1min无击穿闪络现象。
一般项目1、拉线的绝缘子及金具应齐全,位置正确,承力拉线应与线路中心线方向一致,转角拉线应与线路分角线方向一致。
拉线应收紧,收紧程度与杆上导线数量规格及弧垂值相适配。
2、电杆组立应正直,直线杆横向位移不应大于50mm,杆梢偏移不应大于梢径的1/2,转角杆紧线后不向内角倾斜,向外角倾斜,向外倾斜不应大于一个梢径。
3、直线杆单横担应装于受电侧,终端杆、转角杆的单横担装于拉线侧。
横担的上下歪斜和左右扭斜,从横担端部测量不应大于20mm。
横担等镀锌制品应热浸镀锌。
4、导线无断股、扭绞和死弯,与绝缘子固定可靠,金具规格应与导线规格适配。
5、线路的跳线、过引线、接户线的线间和线对地间的安全距离,电压等级为6~10KV的,应大于300mm,电压等级为1KV及以下的,应大于150mm。
用绝缘导线架设的线路,绝缘破口处应修补完整。
6、杆上电气设备安装应符合下列规定:1)固定电气设备的支架、紧固件为热浸镀锌制品,紧固件及防松零件齐全;2)变压器油位正常、附件齐全、无渗油现象,外壳涂层完整;3)跌落式熔断器安装的相间距离不小于500mm;熔管试操动能自然打开旋下;4)杆上隔离开关分、合操动灵活,操动机构机械锁定可靠,分合时三相同期性好,分闸后,刀片与静触头间空气间隙距离不小于200mm;地面操作杆的接地(PE)可靠,且有标识;5)杆上避雷器排列整齐,相间距离不小于350mm,电源侧引线铜线截面积不小于25mm2,铝线截面积不小于35 mm2.。
建筑电气工程资料表格作者: 日期:建筑电气工程施工技术资料核查表工程名称:某花园XXX办公楼山东省建设工程质量监督总站监制鲁 DQ — 1工程名称 某花园XX )办公楼 会审日期 201年03月15日山东省建设工程质量监督总站监制答复意见 项目专业技术负责人:XXX设计项目负责人: XXX 项目负责人: XXX 总监理工程师: XXX 参加人:参加人: 参加人: 参加人: 图号图纸会审记录 会审记录D-XXD — XXD-XXD — XX电缆井内的管线是否改为暗 装? 室内及井道内接地能否改为 暗装? 避雷引下线是否由五处改 = 处引下线? 照明管线采用钢管还是 PVC 管 不改 不能 按设计 见变更鲁DQ —2鲁DQ —3工程名称某花园XX>公楼变更(洽商)日期201年10月27日记录内容:1、室内及井道内接地改为暗装2、火灾报警改为声光报警器。
电缆井内的管配线改为线槽。
施工组织设计(施工方案)内部审批表鲁DQ—4”I工程名称某花园XX)办公楼日期201 年04月07 日现报上下表中的文件,请予以审核批示建筑电气工程施工方案已编制完毕,先报上请审批。
审核意见:经审核该施工方案内容具体,施工方法得当,质量、安全保证措施得力,工期安排合理,同意按该方案施工。
分部工程名称编制人册数页数建筑电气工程XXX 35申报简述:申报部门(分包单位) XXXXX (公章)项目专业技术负责人: XXX总承包单位名称: XXXXX ( 公章)审核人:XXX201 年04月07曰鲁 DQ — 3.2山东省建设工程质量监督总站监制施工组织设计(施工方案)报审卡送审报告工程施工组织设计(施工方案)编制完毕并按单位内部要求审批完毕,今上报,请批经审核该施工组织设计编制内容基本齐全,组织结构合理,措施得力,工期安排合理。
同意按该施工方案施工。
示。
申报单位XXX 建筑公司 ( 公章) 201 年05月1 7日审批单位:监理(建设)单位: XXX监理公司 公章) 监理专业工程师(建设单位项目专业负责人 XXX 总监理工程师(建设单位项目负责人): XXX201 年05月17日XXX 监理公司建筑电气技术(安全)交底记录鲁DQ —4工程名称某花园XX劝、公楼施工单位XXX建筑公司分项工程名称普通灯具安装交底日期201 年07月06 日交底内容:1、主要材料。
建筑电气专业建龙专用表格在建筑电气设计中,为了保证质量和效率,工程师们通常需要使用各种工具和表格。
其中最常见的就是建筑电气专业的建龙专用表格。
本文将为大家介绍这个表格的作用、功能以及如何使用。
作用建龙专用表格是一种针对建筑电气工程的专用工具,通过该表格,工程师们可以更加方便快捷地进行电气设计计算,从而提高工作效率、降低出错率。
功能建龙专用表格包含了建筑电气工程中的各种重要参数和计算公式,能够帮助工程师快速地完成电气设计和计算工作。
主要功能如下:1.电缆截面积计算。
该功能可以根据电流、电压、负载功率等参数,自动计算出所需的电缆截面积,为电缆敷设提供更加准确的依据。
2.电流负载计算。
通过输入电器设备名称、功率、台数等数据,可以自动计算出负载电流,为配电系统的设计提供准确的电流负载信息。
3.母线电阻计算。
母线是配电系统中重要的电流传输线路,其电阻大小对系统的电气参数有重要影响。
建龙专用表格可以帮助工程师快速、方便地计算出母线电阻。
4.短路电流计算。
电气系统的短路电流是评估系统安全性的重要指标。
通过建龙专用表格,工程师可以快速地计算出系统的短路电流,进而优化和改进系统设计,增强系统的安全性。
如何使用建龙专用表格是一款基于 Excel 软件开发的电气设计工具,因此使用前需要确保电脑上已经安装了 Excel 软件。
具体使用流程如下:1.下载建龙专用表格。
可以在网上搜索建龙专用表格,并从官方网站下载最新版本。
建议下载后备份数据和表格。
2.打开 Excel 软件。
双击下载的建龙专用表格文件,即可进入 Excel 软件界面。
3.输入数据。
根据实际情况,在建龙专用表格中输入相关的电气参数和数据,比如电流、电压、负载功率等。
4.调用计算公式。
根据具体的设计要求,可以从建龙专用表格中调取相关的计算公式,输入相关的公式参数,即可快速计算出所需的电气设计参数。
5.输出结果。
建龙专用表格可以自动生成计算结果,不仅提高了电气设计的效率和准确性,也方便了设计人员对计算结果的查看和管理。
2---3片组合涂漆母线的载流量(θn=70℃θa=25℃)
BV-105耐热绝缘电线明敷及穿管时持续载流量
注:1.本电线的聚氯乙烯绝缘中加了耐热增塑剂,线芯允许工作温度可达105℃,适用于高温场所,但要求电线接头用焊接或绞接后表面锡la处理。
电线实际允许工作温度还取决于电线与电线及电器接头的允许温度,当接头允许温度为95℃时,表中数据应乘以0.92,85℃时应乘以0.84。
2.BLV-105型铝芯耐热线的载流量可按表中的数据乘以0.78。
3.本表中载流量数据系编者经计算得出,仅供参考。
注半硬塑料管、波纹管的公称管径指外径。
BV、BLV型绝缘线穿半硬塑料管、波纹管管径选择单位:mm
注:半硬塑料管、波纹管的公称管径指外径。
注硬塑料管(重型)的管径指外径。
BV绝缘电线明敷及穿管时持续载流量注:明敷载流量值系根据S>2De(De-电线外径)计算
注硬塑料管(轻型)的管径指外径。
注硬塑料管(重型)的公称管径指外径。
BX绝缘电线明敷及穿管时持续载流量注:明敷载流量值系根据S>2De(De-电线外径)计算
HYV-0.5电话电缆在线槽内允许容纳根数
线槽内电话电缆与电话支线换算
注:架空电缆导体工作温度90°C,环境温度40°C.
LJ、HLJ、LGJ型裸铝绞线的载流量(θn=70℃)
注本表系母线立放的数据。
当母线平放且宽度≤63mm时,表中数据应乘以0.95,>63mm 时应乘以0.92。
电力电缆穿金属管最小管径
注:适用于三芯、三芯+N及四芯等截面电力电缆。
电力电缆穿金属管最小管径
注:适用于三芯、三芯+N及四芯等截面电力电缆。
电话电线电缆穿管最小管径
不同环境温度下载流量修正系数
不同环境温度下载流量修正系数
电缆在空气中并列敷设时载流量修正系数
不同土壤热阻系数的载流量修正系数
电线电缆穿管敷设于空气中载流量修正系数(参考值)
注:1、穿管电缆根数系指有负荷且发热的导线根数。
中性线或保护线可不计。
2、一般情况下,穿管根数体积占管内体积的40%左右。
3、当管子并列敷设时乘以0.95的修正系数。
三芯或三个单芯电缆平行成组直埋于土壤中载流量修正系数(参考值)
电缆在桥架上无间距配置多层并列时持续载流量的校正系数
不同埋地深度时载流量修正系数
1KV电缆户外明敷无遮阳时
管道组内同步负荷载流量修正系数(参考值)
根据线路敷设方式选配的导线型号表注:括号内数值仅为北京地区使用
架空绝缘电缆的载流量(θa=30℃θn=65℃)
注 JKLY型电缆载流量系计算数据供参考,其余数据摘自四川电缆厂资料。
① K为第4芯,截面可从10—120mm2任选,表中载流量数据系与相线等截面。
铠装电力电缆穿金属管最小管径
*:适用于VV22,32,43 , VLV22,32,43
*:适用于YJV22,32 , YJLV22,32
*:适用于ZQD02,03,22,23,32,33,41 , VLV02,03,22,23,32,33,41
注:适用于三芯、三芯+N及四芯等截面电缆穿墙保护管。
注:适用于KVV KXV KYV型控制电缆。
控制、信号、弱电线路在线槽内允许容纳根数
n
一般按电流密度1.5A/ mm2选择截面。
室内电气管线桥架与其它管道之间的最小距离
电缆桥架与各种管道的最小净距
注:
1、表内无括号数字为电气管线在管道上面时的数据,有括号数字为电气管线在管道下面时的数据。
2、在不能满足表中所列距离情况下,应采取下列措施:
a.电气管线与蒸汽管线不能保持表中距离时,应在蒸汽管或电气管外包以绝热层,此时平行净距可减至200mm,交叉处仅需满足施工操作和便于维护的距离。
b.电气管线与热水管不能保持表中距离时,可在热水管外包绝热层。
c.裸母线与其它管道交叉不能保持表中距离时,应在交叉处的裸母线外装保护网或罩。
3、当上水管与电气管线平行敷设且在同一垂直面时,应将电气管线敷设于水管之上。
注3芯电缆中一根线芯不载流时,其载流量按2芯电缆数据。
通用橡套软电缆明敷时持续载流量
注:(4+1)芯电缆载流量按四芯载流量选取。