镀锌钢管卡箍连接施工工艺标准(镀锌、衬塑、涂塑钢管等)
- 格式:doc
- 大小:997.50 KB
- 文档页数:2
热收缩带连接将管材连接外表清理干净,然后用燃气喷枪以60℃温度预热。
把PE密封带放在管子接头黏合起来,再用热收缩带叠加缠起。
把钢片夹固定热收缩带后用燃气喷枪从中心向左右均匀加热。
使热收缩带完全固定在管材上,施工完成。
电热熔带连接尽管建筑工程新材料不断出现,但镀锌钢管在建筑安装工程中仍占主导地位,丝接、法兰连接都会破坏钢管的镀锌层,减少钢管的使用寿命,法兰连接又需要二次镀锌,不容易实现。
为克服这一缺点,一种有效保护钢管镀锌层的管道连接方式正在被人们逐渐认识、利用和推广,这种连接方式就是卡箍式连接又称沟槽式连接。
《建筑给水排水及采暖工程施工质量验收规范》(GB50242-2002)也对卡箍连接提出了相关的验收要求。
1、镀锌钢管卡箍式连接的特点和使用范围镀锌钢管连接前须用专用滚槽机或车槽机在钢管周圈上开出标准深度的凹槽。
镀锌钢管可用滚槽方式在钢管上滚压出凹槽,厚壁钢管可用车槽方式开槽。
1.1特点1.1.1使用卡箍式连接可以有效地节省劳动时间,提高工作效率,特别是在大口径管道上体现得尤为明显;安装速度比传统连接方式快2-3倍。
1.1.2节省电源,降低环境污染。
1.1.3操作简单,维修方便。
沟槽式管接头重量轻,只有两条紧固螺栓,不用加装密封垫,安装时无特殊要求。
1.1.4可以最大限度的保护镀锌层,延长管道的使用寿命。
沟槽式管接头安装时不需要焊接,不会因焊渣使管路中的设备及阀门损坏,不会因焊渣四溅引起火灾。
1.1.5隔振:沟槽式管接头中间橡胶圈可阻断噪音;并可防止振动的传播。
1.1.6常用柔性管卡和刚性管卡:柔性管卡连接方式使系统具有柔性,允许钢管有一定的角度偏差、相对错位。
钢管连接后,两管端之间留有间隙可适应管道的膨胀、收缩。
管卡在最大允许偏转错位情况下,管道能保持正常工作压力。
柔性管卡具有承受一定末端载荷的能力。
刚性管卡连接方式使系统不具柔性,管卡卡紧后可与钢管形成刚性一体,在吊具跨度较大时,使管道依靠自身刚性连接支撑。
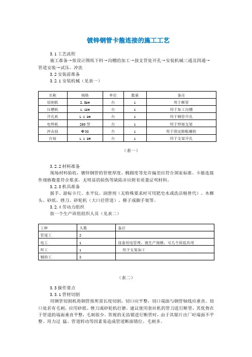
镀锌钢管卡箍连接的施工工艺3.1工艺流程施工准备→依设计图纸下料→沟槽的加工→接支管处开孔→安装机械三通及四通→管道安装→试压、冲洗3.2安装前准备3.2.1安装机械(见表一)(表一)3.2.2材料准备现场材料验收,镀锌钢管的管壁厚度、椭圆度等允许偏差应符合国家标准。
卡箍连接件规格数量符合要求,无明显的损伤等缺陷并应附有质量证明材料。
3.2.3机具准备扳手、游标卡尺、水平仪、润滑剂(无特殊要求时可用肥皂水或洗洁精替代)、木榔头、砂纸、锉刀、砂轮机(大口径管道)、梯子或脚手架等。
3.2.4劳动力组织按一个生产班组组织人员(见表二)(表二)3.3操作要点3.3.1管材切割用钢管切割机将钢管按所需长度切割,切口应平整,切口端面与钢管轴线应垂直。
切口处若有毛刺,应用砂纸、锉刀或砂轮机打磨。
建议使用套丝机的管刀进行断管,其优势在于管道的端面垂直平整,毛刺很少。
常规的无齿锯进行断管时,由于其锯片出厂时端面不平整、用力过猛、管道转动等因素易造成管道断面错位、毛刺多。
3.3.2沟槽加工1)选取符合设计要求的管材,管材的端口无毛刺光滑,壁厚均匀,镀锌层无剥落,管材无明显缺陷。
2)应保证三人为一组进行。
一人控制滚槽机的开关及千斤顶的升降,一人观察调整滚槽机处管道的转动,一人在滚槽机尾架上观察调整管道的位置。
3)将需要加工沟槽的钢管架设在滚槽机和滚槽机尾架上。
4)用水平仪测量钢管水平度,保证钢管处于水平位置。
5)将钢管端面与滚槽机胎模定位面贴紧,使钢槽轴线与滚槽机胎模定位面垂直。
6)启动滚槽机电机。
徐徐压下千斤顶,使滚槽机压模均匀滚压钢管。
用游标卡尺检查沟槽深度和宽度,使之符合厂家沟槽规定尺寸(参照表三),然后停机。
7)将千斤顶卸去荷载,取出钢管。
沟槽的深度、宽度可参照表三:(表三)3.3.3钢管开孔及机械三通、四通安装安装机械三通,机械四通的钢管应在接头支管部位用开孔机开孔。
1)用链条将开孔机固定于钢管预定开孔位置处(开孔位置不得位于管道焊缝)。
镀锌钢管卡箍式连接施工工法一、前言尽管建筑工程新材料不断出现,但镀锌钢管在建筑安装工程中仍占主导地位,丝接、法兰连接都会破坏钢管的镀锌层,减少钢管的使用寿命,法兰连接又需要二次镀锌,不容易实现。
为克服这一缺点,一种有效保护钢管镀锌层的管道连接方式正在被人们逐渐认识、利用和推广,这种连接方式就是卡箍式连接又称沟槽式连接。
《建筑给水排水及采暖工程施工质量验收规范》(GB50242-2002)也对卡箍连接提出了相关的验收要求。
二、镀锌钢管卡箍式连接的特点和使用范围镀锌钢管连接前须用专用滚槽机或车槽机在钢管周圈上开出标准深度的凹槽。
镀锌钢管可用滚槽方式在钢管上滚压出凹槽,厚壁钢管可用车槽方式开槽。
2.1特点2.1.1使用卡箍式连接可以有效地节省劳动时间,提高工作效率,特别是在大口径管道上体现得尤为明显;安装速度比传统连接方式快2-3倍。
2.1.2节省电源,降低环境污染。
2.1.3操作简单,维修方便。
沟槽式管接头重量轻,只有两支紧固螺栓,不用加装密封垫,安装时无特殊要求。
2.1.4可以最大限度的保护镀锌层,延长管道的使用寿命。
沟槽式管接头安装时不需要焊接,不会因焊渣使管路中的设备及阀门损坏,不会因焊渣四溅引起火灾。
2.1.5隔振:沟槽式管接头中间橡胶圈可阻断噪音;并可防止振动传播。
2.1.6常用柔性管卡和刚性管卡:柔性管卡连接方式使系统具有柔性,允许钢管有一定的角度偏差、相对错位。
钢管连接后,两管端之间留有间隙可适应管道的膨胀、收缩。
管卡在最大允许偏转错位情况下,管道能保持正常工作压力。
柔性管卡具有承受一定末端载荷的能力。
刚性管卡连接方式使系统不具柔性,管卡卡紧后可与钢管形成刚性一体,在吊具跨度较大时,使管道依靠自身刚性连接支撑。
2.1.7使用广泛:沟槽式管接头可与(除非金属管道外)任何管道连接,特别对防腐管道能起到保护作用。
2.1.8投资小:专用设备价格低廉,目前大部分厂家免费提供安装设备供用户使用,不需设备投资,并可到现场指导用户安装。
消防安装工程,镀锌钢管沟槽卡箍连接加工工艺1工艺流程施工准备→依设计图纸下料→沟槽的加工→接支管处开孔→安装机械三通及四通→管道安装→试压、冲洗2安装前准备2.1材料准备现场材料验收,镀锌钢管的管壁厚度、椭圆度等允许偏差应符合国家标准。
卡箍连接件规格数量符合要求,无明显的损伤等缺陷并应附有质量证明材料。
2.2机具准备扳手、游标卡尺、水平仪、润滑剂(无特别要求时可用肥皂水或洗洁精替代)、木榔头、砂纸、锉刀、砂轮机(大口径管道)、梯子或脚手架等。
2.3劳动力组织3.1管材切割用钢管切割机将钢管按所需长度切割,切口应平整,切口端面与钢管轴线应垂直。
切口处若有毛刺,应用砂纸、锉刀或砂轮机打磨。
建议使用套丝机的管刀进行断管,其优势在于管道的端面垂直平整,毛刺很少。
常规的无齿锯进行断管时,由于其锯片出厂时端面不平整、用力过猛、管道转动等因素易造成管道断面错位、毛刺多。
3.2沟槽加工1)选取符合设计要求的管材,管材的端口无毛刺光滑,壁厚均匀,镀锌层无剥落,管材无明显缺陷。
2)应保证三人为一组进行。
一人掌控滚槽机的开关及千斤顶的升降,一人察看调整滚槽机处管道的转动,一人在滚槽机尾架上察看调整管道的位置。
3)将需要加工沟槽的钢管架设在滚槽机和滚槽机尾架上。
4)用水平仪测量钢管水平度,保证钢管处于水平位置。
5)将钢管端面与滚槽机胎模定位面贴紧,使钢槽轴线与滚槽机胎模定位面垂直。
6)启动滚槽机电机。
缓缓压下千斤顶,使滚槽机压模均匀滚压钢管。
用游标卡尺检查沟槽深度和宽度,使之符合厂家沟槽规定尺寸(参照表三),然后停机。
7)将千斤顶卸去荷载,取出钢管。
沟槽的深度、宽度可参照下表:3.3钢管开孔及机械三通、四通安装安装机械三通,机械四通的钢管应在接头支管部位用开孔机开孔。
1)用链条将开孔机固定于钢管预定开孔位置处(开孔位置不得位于管道焊缝)。
2)选取合适的钻孔钻头安装在开孔机卡头上。
3)启动电机转动钻头。
4)操作设置在立柱顶部的手轮,转动手轮缓慢向下,在钻头与钢管接触处添加适量润滑剂(以保护钻头),完成钻头在钢管上开孔。
镀锌铁管卡箍连接的施工工艺简介本文档旨在介绍镀锌铁管卡箍连接的施工工艺。
镀锌铁管卡箍连接是一种常用的管道连接方法,适用于各种类型的管道系统。
本文将详细介绍材料准备、施工步骤和注意事项,以确保施工过程顺利进行并达到高质量的连接效果。
施工工艺步骤1. 材料准备材料准备在进行镀锌铁管卡箍连接之前,需要准备以下材料和工具:- 镀锌铁管- 卡箍- 螺栓和螺母- 扳手- 螺丝刀- 磁力量角钳2. 管道准备管道准备在开始连接之前,确保管道端部清洁,并去除锈蚀和污垢。
使用砂纸或刷子清洁管道表面,并擦拭干净。
3. 安装卡箍安装卡箍将卡箍安装在管道连接处。
确保卡箍牢固地固定在管道上,并且位置正确。
4. 紧固螺栓和螺母紧固螺栓和螺母使用扳手紧固卡箍上的螺栓和螺母。
确保螺栓和螺母紧固均匀,以达到稳固的连接效果。
5. 检查连接质量检查连接质量检查连接部位的紧固状态,确保卡箍连接紧密无松动。
使用磁力量角钳检查连接处是否存在漏电现象。
6. 防腐保护防腐保护镀锌铁管卡箍连接完成后,可以进行防腐保护措施,如涂抹防锈涂料或使用防腐胶带进行包裹,以保护连接部位免受腐蚀和损坏。
注意事项- 在进行镀锌铁管卡箍连接之前,确保仔细阅读和理解相关的安全操作规程和施工要求。
- 使用符合标准规定的合格材料,并确保其质量可靠。
- 施工过程中应注意操作规范,避免损坏管道和连接部位。
- 检查卡箍连接是否紧固牢固,并及时修复松动的连接。
- 尽量避免使用不符合规范的连接材料和工具。
- 在施工过程中,如遇到问题应及时停工,并咨询相关专业人员的指导。
以上是镀锌铁管卡箍连接的施工工艺文档,希望对您有帮助。
如有任何疑问,请随时与我们联系。
镀锌钢管卡箍式连接施工工法(WJGF-006-2003)威海某项目部2003年12月15日镀锌钢管卡箍式连接施工工法(WJGF-006-2003)一、前言尽管建筑工程新材料不断出现,但镀锌钢管在建筑安装工程中仍占主导地位,丝接、法兰连接都会破坏钢管的镀锌层,减少钢管的使用寿命,法兰连接又需要二次镀锌,不容易实现。
为克服这一缺点,一种有效保护钢管镀锌层的管道连接方式正在被人们逐渐认识、利用和推广,这种连接方式就是卡箍式连接又称沟槽式连接。
《建筑给水排水及采暖工程施工质量验收规范》(GB50242-2002)也对卡箍连接提出了相关的验收要求。
二、镀锌钢管卡箍式连接的特点和使用范围镀锌钢管连接前须用专用滚槽机或车槽机在钢管周圈上开出标准深度的凹槽。
镀锌钢管可用滚槽方式在钢管上滚压出凹槽,厚壁钢管可用车槽方式开槽。
2.1特点2.1.1使用卡箍式连接可以有效地节省劳动时间,提高工作效率,特别是在大口径管道上体现得尤为明显;安装速度比传统连接方式快2-3倍。
2.1.2节省电源,降低环境污染。
2.1.3操作简单,维修方便。
沟槽式管接头重量轻,只有两支紧固螺栓,不用加装密封垫,安装时无特殊要求。
2.1.4可以最大限度的保护镀锌层,延长管道的使用寿命。
沟槽式管接头安装时不需要焊接,不会因焊渣使管路中的设备及阀门损坏,不会因焊渣四溅引起火灾。
2.1.5隔振:沟槽式管接头中间橡胶圈可阻断噪音;并可防止振动传播。
2.1.6常用柔性管卡和刚性管卡: 柔性管卡连接方式使系统具有柔性,允许钢管有一定的角度偏差、相对错位。
钢管连接后,两管端之间留有间隙可适应管道的膨胀、收缩。
管卡在最大允许偏转错位情况下,管道能保持正常工作压力。
柔性管卡具有承受一定末端载荷的能力。
刚性管卡连接方式使系统不具柔性,管卡卡紧后可与钢管形成刚性一体,在吊具跨度较大时,使管道依靠自身刚性连接支撑。
2.1.7使用广泛:沟槽式管接头可与(除非金属管道外)任何管道连接,特别对防腐管道能起到保护作用。
工艺标准图名称 钢管丝扣连接施工工艺标准(焊
接、镀锌、衬塑、涂塑钢管)
编号 JWA-JPS-005 工艺流程:断管—清理—套丝—连接—清理—防腐
标准参考图
标准要求 ①钢管切割时应保持切割片与管道垂直。
衬塑钢管等复合钢管切割不能采用砂轮切割机或套丝机切割,应采用手锯、电动带锯或厂家配套的专用切割机,切断口应进行必要的胶粘补塑与防腐处理。
②使用专用锉刀将毛刺完全除净,并在管口端面形成一定坡面。
③加工管螺纹的套丝机必须带有自动度量设备,螺纹的加工做到端正、清晰、完整光滑,不得有毛刺、断丝,缺丝总长度不得超过螺纹长度的10%。
加工次数为1~4次不等。
管径15~32mm 套2次;管径40~50mm 套3次;管径70mm 以上套3~4次;
② ①
③
④螺纹连接时,填料采用白厚漆麻丝或四氟乙烯生料带,顺时针顺缠绕方向一次拧紧,不得回拧,紧后留有螺纹2-3圈;生活给水不采用白厚漆;不建议采用液态生料带。
⑤管道连接后,把挤到螺纹外面的填料清理干净,填料不得挤入管腔,以免阻塞管路,同时对裸露的螺纹进行防腐处理;防腐油漆应延伸至丝扣外1cm,成整齐环状;对明装管道还应该刷与管道颜色一致的面漆。
其它要求:
④ ⑤。
镀锌钢管卡箍连接的施工工艺3.1工艺流程施工准备→依设计图纸下料→沟槽的加工→接支管处开孔→安装机械三通及四通→管道安装→试压、冲洗3.2安装前准备3.2.1安装机械(见表一)(表一)3.2.2材料准备现场材料验收,镀锌钢管的管壁厚度、椭圆度等允许偏差应符合国家标准。
卡箍连接件规格数量符合要求,无明显的损伤等缺陷并应附有质量证明材料。
3.2.3机具准备扳手、游标卡尺、水平仪、润滑剂(无特殊要求时可用肥皂水或洗洁精替代)、木榔头、砂纸、锉刀、砂轮机(大口径管道)、梯子或脚手架等。
3.2.4劳动力组织按一个生产班组组织人员(见表二)(表二)3.3操作要点3.3.1管材切割用钢管切割机将钢管按所需长度切割,切口应平整,切口端面与钢管轴线应垂直。
切口处若有毛刺,应用砂纸、锉刀或砂轮机打磨。
建议使用套丝机的管刀进行断管,其优势在于管道的端面垂直平整,毛刺很少。
常规的无齿锯进行断管时,由于其锯片出厂时端面不平整、用力过猛、管道转动等因素易造成管道断面错位、毛刺多。
3.3.2沟槽加工1)选取符合设计要求的管材,管材的端口无毛刺光滑,壁厚均匀,镀锌层无剥落,管材无明显缺陷。
2)应保证三人为一组进行。
一人控制滚槽机的开关及千斤顶的升降,一人观察调整滚槽机处管道的转动,一人在滚槽机尾架上观察调整管道的位置。
3)将需要加工沟槽的钢管架设在滚槽机和滚槽机尾架上。
4)用水平仪测量钢管水平度,保证钢管处于水平位置。
5)将钢管端面与滚槽机胎模定位面贴紧,使钢槽轴线与滚槽机胎模定位面垂直。
6)启动滚槽机电机。
徐徐压下千斤顶,使滚槽机压模均匀滚压钢管。
用游标卡尺检查沟槽深度和宽度,使之符合厂家沟槽规定尺寸(参照表三),然后停机。
7)将千斤顶卸去荷载,取出钢管。
沟槽的深度、宽度可参照表三:(表三)3.3.3钢管开孔及机械三通、四通安装安装机械三通,机械四通的钢管应在接头支管部位用开孔机开孔。
1)用链条将开孔机固定于钢管预定开孔位置处(开孔位置不得位于管道焊缝)。
衬塑钢管卡箍连接施工工艺衬塑钢管卡箍连接施工工艺一、衬塑管的分类1、按材料类型分类:依据基管材料的不同可分为:衬塑碳钢管、衬塑不锈钢管、衬塑球墨铸铁管、衬塑铜管、衬塑铝合金管等。
非金属材料大多为塑料。
一般是金属管在外侧,塑料为内衬;也有的金属管在中间,塑料在内外两侧。
2、按工程使用功能分类:生活给水用、消防系统用。
我公司在武汉琴台大剧院消防、喷淋、空调水、雨水系统衬塑镀锌钢管卡箍连接的安装中,对衬塑镀锌钢管安装工艺作了很多有益的探索,并形成了我公司具有自己特色的安装工艺标准,较好地完成了任务。
下面专题探讨最常用的衬塑镀锌钢管管安装工艺规程中的相关问题。
二、衬塑镀锌钢管断管工艺传统的管道切割方式一般采用火焰切割、砂轮切割1、火焰切割的不可能性一般采用的火焰切割(氧-乙炔切割)是利用氧-乙炔预热火焰是金属在纯氧气流中能够剧烈燃烧,生成大量的熔渣和放出大量热量的原理而进行的。
因此氧-乙炔切割必然会损坏衬塑镀锌钢管的衬塑层。
2、砂轮切割的弊端砂轮切割时,高速运转的砂轮在切割外层的钢管是产生大量的热量,导致内层的衬塑层熔化,与钢管粘脱落或开裂。
3、普通断管器的不适应普通的断管器通常是手动操作,由于频率低,衬塑层一般不会熔化,但断管器在割断钢管后,由于断管器的压力作用,容易使衬塑层与钢管开裂,而开裂后重新粘接的强度不够,现场的条件也不具备,因此普通断管器也不适用。
4、带式锯床的应用优点分析根据厂家技术资料的要求,镀锌衬塑钢管的断管通常用手锯或电动带锯垂直切割,在琴台大剧院工程中,我方多次尝试,手锯由于效率低,且切割断面易倾斜,只适用局部少量使用,不能满足大批量的管道切割,大批量的管道切割必须采用电动锯床。
根据现场使用的经验,电动锯床在管道切割过程中具有以下优点:(1)衬塑层不熔化、不开裂:带式锯床有专用的冷却系统,由冷却箱、冷却泵、管道、阀等组成,所以管道切割过程中有充足的冷却液,确保衬塑层切割过程中不会发热导致熔化、断裂。
尽管建筑工程新材料不断出现,但镀锌钢管在建筑安装工程中仍占主导地位,丝接、法兰连接都会破坏钢管的镀锌层,减少钢管的使用寿命,法兰连接又需要二次镀锌,不容易实现。
为克服这一缺点,一种有效保护钢管镀锌层的管道连接方式正在被人们逐渐认识、利用和推广,这种连接方式就是卡箍式连接又称沟槽式连接。
《建筑给水排水及采暖工程施工质量验收规范》(GB50242-2002)1、镀锌钢管卡箍式连接的特点和使用范围镀锌钢管连接前须用专用滚槽机或车槽机在钢管周圈上开出标准深度的凹槽。
镀锌钢管可用滚槽方式在钢管上滚压出凹槽,厚壁钢管可用车槽方式开槽。
1.1特点1.1.1使用卡箍式连接可以有效地节省劳动时间,提高工作效率,特别是在大口径管道上体现得尤为明显;安装速度比传统连接方式快2-3倍。
1.1.2节省电源,降低环境污染。
1.1.3操作简单,维修方便。
沟槽式管接头重量轻,只有两条紧固螺栓,不用加装密封垫,安装时无特殊要求。
1.1.4可以最大限度的保护镀锌层,延长管道的使用寿命。
沟槽式管接头安装时不需要焊接,不会因焊渣使管路中的设备及阀门损坏,不会因焊渣四溅引起火灾。
1.1.5隔振:沟槽式管接头中间橡胶圈可阻断噪音;并可防止振动的传播。
1.1.6常用柔性管卡和刚性管卡:柔性管卡连接方式使系统具有柔性,允许钢管有一定的角度偏差、相对错位。
钢管连接后,两管端之间留有间隙可适应管道的膨胀、收缩。
管卡在最大允许偏转错位情况下,管道能保持正常工作压力。
柔性管卡具有承受一定末端载荷的能力。
刚性管卡连接方式使系统不具柔性,管卡卡紧后可与钢管形成刚性一体,在吊具跨度较大时,使管道依靠自身刚性连接支撑。
1.1.7使用广泛:沟槽式管接头可与(除非金属管道外)任何管道连接,特别对防腐管道能起到保护作用。
1.1.8投资小:专用设备价格低廉,目前大部分厂家免费提供安装设备供用户使用,不需设备投资,并可到现场指导用户安装。
不需要特殊工种,一般工种即可安装操作。
钢管卡箍连接施工工艺(一) 工艺流程(二) 施工准备施工设计图纸和其它技术文件准备齐全,并已进行技术交底;对安装所需的管材、管件和阀门等附件以及管道支承件、紧固件等核对其产品合格证、质量保证书、规格型号、品种和数量,并进行外观检查;施工前应了解建筑物的结构,并根据设计图纸和施工方案制订与土建工程及其它工程的配合措施;施工机具:金属锯、自动套丝机、标准螺纹规、专用绞刀、细锉、管钳、压槽机、手动液压泵、开孔机等。
(三) 沟槽加工(1)压槽原理(2)沟槽加工工作程序12(3)压槽工艺程序、去掉断口上的毛刺、钢管放入滚槽机和滚轮支架之、锁紧手动液压泵回油阀;、将对应管径塞尺塞入标尺确定滚槽深度;踏动滚槽机开关同时下压手动液压泵;、启动滚槽机转动滚槽到达标尺、检查密封面是否有损伤;(四) 管道安装(1)卡箍件安装、在管子端部和橡胶圈上涂上润、确认管卡已经卡住管子。
、拧紧螺栓,安装完成。
(2)法兰安装2、在管道上套上密封橡胶圈。
3、装上沟槽式法兰片。
4、紧固法兰片上的螺栓,固定法兰片。
(3)管件安装沟槽式连接管件备有成品同径三通、异径三通、90°弯头、45°弯头、大小头等以适应管路系统连接的不同要求,成品管件必须与管箍配套使用。
符号说明:1-机械三通;2-管箍;3-镀锌钢管符号说明:1-镀锌钢管;2-90°弯头;3-管箍(4)机械三通安装镀锌钢管(或衬塑钢管)安装机械三通,需要在管道上开孔,开孔必须使用专用的开孔机,不允许使用气割开孔,开孔后必须做好开孔断面的防锈处理。
管道开孔及安装机械三通节点详图如下:管道开孔及安装机械三通步骤如下:、开孔定位,锁紧钢管。
根据施、钻头定位,开孔机钻孔。
用链条将开孔机固定于管道预定开孔位置用水平尺调整管道至水平;、将机械三通卡入孔内(5)机械四通安装为了提高开孔精度保证安装质量,开孔时必须保证上下两孔对称,在管道上划平行线确定一点,在这点上划圆周线,旋转180°后再确定一点,以这两点为定位点,分别加工所需要的孔,两孔中心轴间距错位小于2mm,圆周方向弧长误差S1-S2小于6mm。
衬塑钢管卡箍连接施工工艺一、衬塑管的分类1、按材料类型分类:依据基管材料的不同可分为:衬塑碳钢管、衬塑不锈钢管、衬塑球墨铸铁管、衬塑铜管、衬塑铝合金管等。
非金属材料大多为塑料。
一般是金属管在外侧,塑料为内衬;也有的金属管在中间,塑料在内外两侧。
2、按工程使用功能分类:生活给水用、消防系统用。
我公司在武汉琴台大剧院消防、喷淋、空调水、雨水系统衬塑镀锌钢管卡箍连接的安装中,对衬塑镀锌钢管安装工艺作了很多有益的探索,并形成了我公司具有自己特色的安装工艺标准,较好地完成了任务。
下面专题探讨最常用的衬塑镀锌钢管管安装工艺规程中的相关问题。
二、衬塑镀锌钢管断管工艺传统的管道切割方式一般采用火焰切割、砂轮切割1、火焰切割的不可能性一般采用的火焰切割(氧-乙炔切割)是利用氧-乙炔预热火焰是金属在纯氧气流中能够剧烈燃烧,生成大量的熔渣和放出大量热量的原理而进行的。
因此氧-乙炔切割必然会损坏衬塑镀锌钢管的衬塑层。
2、砂轮切割的弊端砂轮切割时,高速运转的砂轮在切割外层的钢管是产生大量的热量,导致内层的衬塑层熔化,与钢管粘脱落或开裂。
3、普通断管器的不适应普通的断管器通常是手动操作,由于频率低,衬塑层一般不会熔化,但断管器在割断钢管后,由于断管器的压力作用,容易使衬塑层与钢管开裂,而开裂后重新粘接的强度不够,现场的条件也不具备,因此普通断管器也不适用。
4、带式锯床的应用优点分析根据厂家技术资料的要求,镀锌衬塑钢管的断管通常用手锯或电动带锯垂直切割,在琴台大剧院工程中,我方多次尝试,手锯由于效率低,且切割断面易倾斜,只适用局部少量使用,不能满足大批量的管道切割,大批量的管道切割必须采用电动锯床。
根据现场使用的经验,电动锯床在管道切割过程中具有以下优点:(1)衬塑层不熔化、不开裂:带式锯床有专用的冷却系统,由冷却箱、冷却泵、管道、阀等组成,所以管道切割过程中有充足的冷却液,确保衬塑层切割过程中不会发热导致熔化、断裂。
(2)切口窄、断面整齐:电动锯床采用专用的环形锯片,有附属的专用支撑架,切割管道固定牢固、平直,所以管道断面整齐。
镀锌钢管施工工艺1.断管:根据图纸,在选好的管材上画线,按线断管。
a.用砂轮锯断管,应将管材放在砂轮锯卡钳上,对准画线卡牢,进行断管。
断管时压手柄用力要均匀,不要用力过猛,断管后要将管口断面的铁膜、毛刺清除干净。
b.用锯断管,应将管材固定在压力案的压力钳内,将锯条对准画线,双手推锯,锯条要保持与管的轴线垂直,推拉锯用力要均匀,锯口要锯到底,不许扭断或折断,以防管口断面变形。
2.套丝:将断好的管材,按管径尺寸分次套制丝扣,一般以管径15-32mm者套丝2次,40-50mm者套丝3次,70mm以上者套丝3-4次为宜。
a.用套丝机套丝,将管材夹在套丝机卡盘上,留出适当长度将卡盘夹紧,对准板套号码,上好板牙,按管径对好刻度的适当位置,紧住固定扳机,将润滑剂管对准丝头,开机推板,待丝扣套到适当长度,轻轻松开扳机。
b.用手工套丝板套丝,先松开固定扳机,将套丝板板盘退到零度,按顺序号上好板牙,把板盘对准所需刻度,拧紧固定扳机,将管材放在压力案压力钳内,留出适当长度卡紧,将套丝板轻轻套入管材,使其松紧适度,而后两手推套丝板,带上2-3扣,再站到侧面扳套丝板,用力要均匀,待丝扣即将套成时,轻轻松开扳机,开机退板,保持丝扣应有锥度。
3.配装管件:根据图纸将已套好丝扣的管材,配装管件。
a.配装管件时应将所需管件带入管丝扣,试试松紧度(一般用手带入3扣为宜),在丝扣处涂铅油、缠麻后带入管件,然后用管钳将管件拧紧,使丝扣外露2-3扣,去掉麻头,擦净铅油,编号放到适当位置等待调直。
b.根据配装管件的管径的大小选用适当的管钳4.管段调直:将已装好管件的管段,在安装前进行调直。
a.在装好管件的管段丝扣处涂铅油,联接两段或数段,联接时不能只顾预留口方向而要照顾到管材的弯曲度,相互找正后再将预留口方向转到合适部位并保持正直。
b.管段联接后,调直前必须按设计图纸核对其管径、预留口方向、变径部位是否正确。
c.管段调直要放在调管架上或调管平台上,一般两人操作为宜,一人在管段端头目测,一人在弯曲处用手锤敲打,边敲打,边观测,直至调直管段无弯曲为止,并在两管段联接点处标明印记,卸下一段或数段,再接上另一段或数段直至调完为止。
镀锌钢管、卡箍、胶圈、螺栓技术要求如下:
1、镀锌钢管
1)热镀锌钢管壁厚
2)镀锌层要求
2、卡箍接头
1)卡箍接头(产品名称为沟槽式连接管件,简称卡箍接头)制造厂必须有下列资格能力:具备UL、FM等权威机构认证和通过ISO9001认证,具有完备的试验室及测试能力。
2)选用的卡箍接头为柔性卡箍,为满足给排水及消防管道的热胀冷缩,柔性卡箍必须具有轴向和径向的补偿能力,其中轴向最大补偿能力不小于3.2mm,最大允许偏转角度不小于1°6′。
3)DN150×DN65和DN150×DN50三通应采用卡箍机械三通,其中DN65和DN50接口端形式为内螺纹接口。
4)供货商选用的卡箍接头应具有中国卫生部检测报告和中国国家消防局检验机构检测报告。
其整体寿命大于30年。
5)卡箍接头必须保证在不大于2Mpa的压力下不渗不漏,并具有检验报告。
6)卡箍接头的连接必须保证为机械连接,在现场不允许焊接。
其箍槽的制作必须在现场附近制作,供货商应提供制槽设备供安装承包商使用,以保证压槽的质量,供货商提供的压槽设备应有准确的定位装置。
3、胶圈、螺栓
1)胶圈采用化合物材料,结构设计原理应保证多层防漏和有效正常的使用寿命。
胶圈在压缩变形时瞬间应可恢复原状,并自带润滑剂,便于安装。
2)螺栓材料选用应是经热处理的优质碳素钢并经防腐处理,抗拉、抗剪强度大,保证长期不生锈。
隧道消防管道支架固定采用后扩底锚栓螺栓,保证在隧道行车振动的环境下不滑脱。
不得损坏橡胶圈;
⑦将另一根钢管与该管对齐,两根钢管之间留有一定间隙, 移动胶圈,调整胶圈位置,使胶圈与两侧钢管的沟槽距离相等,在管道端部和橡胶圈上涂上润滑剂;
⑧将卡箍上、下紧扣在密封橡胶圈上,并确保卡箍凸边卡进沟槽内;
⑨用手压紧上下卡箍的耳部,使上下卡箍靠紧并穿入螺栓,螺栓的根部椭圆颈进入卡箍的椭圆孔,用扳手均匀轮换同步进行拧紧螺母,确认卡箍凸边全部在沟槽内。
⑩卡箍式连接应在卡箍两端300mm 内对称均匀设置吊架。
⑪管道拐弯,分支以及超过20米长度需设置角钢或者槽钢门字固定式吊架。
其它要求:
切口和滚压部位有防腐与补塑处理。
沟槽深度与宽度要求 公称直径(mm )
沟槽至管端尺寸(mm ) 沟槽深度(mm ) 沟槽宽度(mm )
DN100 15.9 2.11 8.74 DN125 15.9 2.11 8.74 DN150 15.9 2.16 11.91 DN200 19.1 2.34 11.91 DN250 19.1 2.39 11.91 DN300
19.1 2.77 11.91
⑥
⑦
⑧
⑨
⑩
⑪。