建筑物垂直度标高全高测量记录(已填内容)
- 格式:doc
- 大小:153.50 KB
- 文档页数:6
建筑物垂直度、标高、全高测量记录【1】注:垂直度测量平面示意图及偏差方向见背页说明1. 超过允许偏差的偏差值在表中用~~标出;2. 在备注栏中应注明建筑物标高、全高的设计值;每层所测的具体位置或轴线未描述清楚的也可在备注栏中标出或另外做出详细记录;3. 主体结构验收前, 应对建筑物每层楼面标高、各大角或转角垂直度进行测量;房屋竣工验收前,也应对各大角或转角垂直度进行测量,故本表每个工程均应有两张。
测量由监理单位会同施工单位进行, 测量数据作为验收的依据之一。
4. 砌体结构外墙垂直度全高查阳角,不应少于4处, 每层每20m查一处;内墙按有代表性的自然间抽10%, 但不应少于3间,每间不应少于2处,柱不少于 5 根。
混凝土结构按楼层、结构缝或施工段划分检验批。
在同一检验批中, 对梁、柱, 应抽查构件数量的109 毛, 且不少于 3 件; 对墙和板,应按有代表性的自然间抽查10%, 且不少于3间;对大空间结构,墙可按相邻轴线间高度5m 左右划分检查面,板可按纵横轴线划分检查面,抽查10%, 且均不少于3面。
注:垂直度测量平面示意图及偏差方向见背页说明1. 超过允许偏差的偏差值在表中用~~标出;2. 在备注栏中应注明建筑物标高、全高的设计值;每层所测的具体位置或轴线未描述清楚的也可在备注栏中标出或另外做出详细记录;3. 主体结构验收前, 应对建筑物每层楼面标高、各大角或转角垂直度进行测量;房屋竣工验收前,也应对各大角或转角垂直度进行测量,故本表每个工程均应有两张。
测量由监理单位会同施工单位进行, 测量数据作为验收的依据之一。
4. 砌体结构外墙垂直度全高查阳角,不应少于4处, 每层每20m查一处;内墙按有代表性的自然间抽10%, 但不应少于3间,每间不应少于2处,柱不少于 5 根。
混凝土结构按楼层、结构缝或施工段划分检验批。
在同一检验批中, 对梁、柱, 应抽查构件数量的109 毛, 且不少于 3 件; 对墙和板,应按有代表性的自然间抽查10%, 且不少于3间;对大空间结构,墙可按相邻轴线间高度5m 左右划分检查面,板可按纵横轴线划分检查面,抽查10%, 且均不少于3面。
建筑物垂直度标高全高测量记录建筑物的垂直度、标高和全高是建筑工程中非常重要的测量参数,测量记录的准确性直接影响到建筑物建设的质量和安全。
下面将分别介绍这三个测量参数的定义和记录内容。
一、垂直度的测量记录垂直度是指建筑物或结构垂直平面与水平平面之间的夹角,是建筑物竖直部分的质量保证。
测量垂直度的常用仪器有水准仪、全站仪等。
在进行垂直度测量时,首先需要选择好测点,测点的选择要尽可能分布均匀,覆盖整个建筑物。
测点的标志要清晰可见,以确保测量的准确性。
测量时需要记录每个测点的坐标,由于建筑物是三维的,所以需要记录测点的X、Y、Z坐标分别表示水平方向、竖直方向和高程方向的位置。
此外,还需记录每个测点的垂直度角度值。
在记录时,应将测点编号与其对应的坐标和角度值一一对应,以便后续的数据分析和处理。
二、标高的测量记录标高是建筑物地面或地下水平面与基准面之间的高度差,是建筑物的绝对高度和位置确定的重要依据。
测量标高的常用仪器有水准仪、测高仪等。
在进行标高测量时,首先需要确定一个参考基准面,常用的基准面包括高程基准、大地水准面等。
测量时需要将基准面的高程确定为零点,然后通过测量建筑物各个标高点与基准面之间的高度差,可以计算出建筑物各个标高点的绝对高度。
测量时需要记录每个标高点的编号和对应的高度差值。
在记录时,应将标高点的编号与其对应的高度差值一一对应,以便后续的数据分析和处理。
此外,还可记录标高点的具体位置和描述,以便后续使用和调整。
三、全高的测量记录全高是指建筑物从基础到顶部的高度,包括地上部分和地下部分的高度。
全高的测量可以提供建筑物的整体尺寸信息,是建筑物规划和设计的重要依据。
在进行全高测量时,首先需要选择测量的起始点和终止点,起始点通常选择建筑物的基础或地下水平面,终止点选择建筑物的顶部。
测量时需要使用测高仪或其他测量工具,将起始点和终止点之间的高度差值测出。
测量时需要记录起始点和终止点的编号和高度差值。
在记录时,应将起始点和终止点的编号与其对应的高度差值一一对应,以便后续的数据分析和处理。
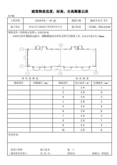
建筑物垂直度、标高、全高测量记录垂直度测量标高测量测量部位实测偏差(mm)测量部位设计标高(m)实测偏差(1 2.9 42 2.983 2.9 2建筑物垂直度、标高、全高测量记录直度测量标高测量实测偏差(mm)测量部位设计标高(m)实测偏差(mm)1 8.9 82 8.9 23 8.9 9直度测量标高测量实测偏差(mm)测量部位设计标高(m)实测偏差(1 14.92 14.93 14.9直度测量标高测量实测偏差(mm)测量部位设计标高(m)实测偏差(1 20.92 20.93 20.9度测量标高测量实测偏差(mm)测量部位设计标高(m)实测偏差(mm)1 26.9 82 26.9 53 26.9 2度测量标高测量实测偏差(mm)测量部位设计标高(m)实测偏差(mm)1 32.9 52 32.9 43 32.9 5度测量标高测量实测偏差(mm)测量部位设计标高(m)实测偏差(mm)1 38.9 52 38.9 13 38.9 44 38.9 2度测量标高测量实测偏差(mm)测量部位设计标高(m)实测偏差(mm)1 44.9 52 44.9 33 44.9 44 44.9 2度测量标高测量实测偏差(mm)测量部位设计标高(m)实测偏差(mm)1 50.9 62 50.9 33 50.9 44 50.9 2度测量标高测量实测偏差(mm)测量部位设计标高(m)实测偏差(mm)1 56.9 72 56.9 53 56.9 44 56.9 5度测量标高测量实测偏差(mm)测量部位设计标高(m)实测偏差(mm)1 62.9 102 62.9 53 62.9 44 62.97度测量标高测量实测偏差(mm)测量部位设计标高(m)实测偏差(mm)1 68.9 102 68.9 53 68.9 44 68.98度测量标高测量实测偏差(mm)测量部位设计标高(m)实测偏差(mm)1 74.9 82 74.9 53 74.9 44 74.98度测量标高测量实测偏差(mm)测量部位设计标高(m)实测偏差(mm)1 80.9 92 80.9 53 80.9 44 80.97度测量标高测量实测偏差(mm)测量部位设计标高(m)实测偏差(mm)1 86.9 102 86.9 53 86.9 44 86.97度测量标高测量实测偏差(mm)测量部位设计标高(m)实测偏差(mm)1 92.9 92 92.9 53 92.9 44 92.910建筑物垂直度、全高、标高测量记录垂直度测量标高测量测量部位实测偏差(mm)测量部位设计标高(m)实测偏差(1 96.02 96.03 96.04 96.0建筑物垂直度、标高、全高测量记录垂直度测量标高测量测量部位实测偏差(mm)测量部位设计标高(m)实测偏差(2 1、A轴78.0001 35、A轴78.0001 35、U轴78.000。
建筑物垂直度、标高、全高测量记录该文章没有明显的格式错误和有问题的段落,但可以进行小幅度的改写,如下:记录建筑物垂直度、标高和全高的测量结果:单位工程名称:___-18#楼施工单位:___测量部位:东立面、南立面、西立面、北立面、一层、二层、三层、四层、五层、六层和2跃层的外墙垂直度和全高施工单位检查评定结果:垂直度为±30mm,全高为20mm设计和规定值:垂直度为H/1000且≤30mm,全高为H/1000且≤30mm项目经理:___测量记录:东立面:18mm 南立面:20mm 西立面:17mm 北立面:16mm 一层:16mm 二层:7mm三层:5mm四层:6mm五层:8mm六层:9mm2跃层:5mm监理单位验收意见:垂直度为±10mm,全高为±30mm结论:该项目的测量结果符合要求。
单位工程名称:芜湖县清水镇二路一桥拆迁安置房E标30#楼施工单位:___测量部位:东立面、南立面、西立面、北立面、一层、二层的外墙垂直度和全高施工单位检查评定结果:垂直度为≤30mm,全高为30mm设计和规定值:垂直度≤10m时为10mm,≥10m时为20mm,全高为≤10m时为10mm,≥10m时为20mm项目经理:___测量记录:东立面:4mm南立面:5mm西立面:8mm北立面:7mm一层:6mm二层:8mm监理单位验收意见:垂直度为≤10m时为10mm,≥10m时为20mm,全高为≤10m时为10mm,≥10m时为20mm结论:该项目的测量结果合格。
单位工程名称:芜湖县清水镇二路一桥拆迁安置房E标31#楼施工单位:___测量部位:东立面、南立面、西立面、北立面、一层、二层的外墙垂直度和全高施工单位检查评定结果:垂直度为≤30mm,全高为20mm设计和规定值:垂直度为H/1000且≤30mm,全高为H/1000且≤30mm结论:该项目的测量结果符合要求。
建筑物垂直度、标高、全高测量记录单位工程名称:芜湖县清水镇二路一桥拆迁安置房E标32#楼、33#楼施工单位:___测量项目:建筑物垂直度、标高、全高测量部位:东立面外墙、南立面、西立面、北立面层数:一层、二层层高:2m设计、规定值:≤10m时10mm,≥10m时20m施工单位检查评定结果:32#楼:东立面垂直度:8mm;南立面垂直度:8mm;西立面垂直度:5mm;北立面垂直度:6mm;全高:4mm、7mm、24mm、18mm、18mm。
建筑物垂直度、标高、全高测量记录TJ3.4监理工程师(建设单位项目负责人):技术负责人:建筑物垂直度、标高、全高测量记录 TJ3.4监理工程师(建设单位项目负责人):技术负责人:建筑物垂直度、标高、全高测量记录 TJ3.4监理工程师(建设单位项目负责人):技术负责人:财务管理工作总结[财务管理工作总结]2009年上半年,我们驻厂财会组在公司计财部的正确领导下,在厂各部门的大力配合下,全组人员尽“参与、监督、服务”职能,以实现企业生产经营目标为核心,以成本管理为重点,全面落实预算管理,加强会计基础工作,充分发挥财务管理在企业管理中的核心作用,较好地完成了各项工作任务,财务管理水平有了大幅度的提高,财务管理工作总结。
现将二00九年上半年财务工作开展情况汇报如下:一、主要指标完成情况:1、产量90万吨,实现利润1000万元(按外销口径)2、工序成本降低任务:上半年工序成本累计超支1120万元,(受产量影响)。
二、开展以下几方面工作:1、加强思想政治学习,用学习指导工作2009年是转变之年,财务的工作重心由核算向管理转变,全面参与生产经营决策。
对财会组来说,工作重心从确认、核算、报表向预测、控制、分析等管理职能转变,我们就要不断的加强政治学习,用学习指导工作,因此我们组织全组认真学习“十七大”、学习2009年马总的《财务报告》,在学习实践科学发展观活动中,反思过去,制定了2009年工作目标,使我们工作明确了方向,心里也就有了底,干起活来也就随心应手。
2、· 加强成本管理,努力降本增效随着金融危机对实体经济影响的日益加深,轧钢行业受到严重冲击。
对此,我们树立以人为本、参与科学管理的企业管理理念,推进企业的全面、协调、可持续发展,围绕工作目标,着重解决成本控制的“瓶颈”的问题。
厂通过实行躲峰生产、休眠生产、集中生产等新的方式实现集约化生产组织管理,确保两线生产全面平稳、协调运行,降低运行成本。
努力提高成材率,优化生产工艺和物流周期管理,大力降低库存,减少资金占用。
TJ34建筑物垂直度标高全高测量记录填写范例测量项目名称:TJ34建筑物垂直度、标高、全高测量测量日期:20XX年XX月XX日测量者:姓名一、测量原理和仪器设备本次测量采用全站仪进行测量,通过测量建筑物不同标高点的高差,以及参考基准点的标高来计算建筑物的垂直度、标高、全高。
全站仪具有高度测量和角度测量功能,通过测量不同标高点和目标点之间的水平角和垂直角,以及目标点的水平距离来计算高差和标高。
二、测量对象和测量点设置测量对象为TJ34建筑物,共设置了XX个测量点,包括参考基准点和建筑物不同楼层的标高点。
测量点设置如下:1.参考基准点:点名A,坐标(XX,XX,XX),标高XXm2.一楼标高点:点名B,坐标(XX,XX,XX)3.二楼标高点:点名C,坐标(XX,XX,XX)...XX.顶层标高点:点名Y,坐标(XX,XX,XX)三、测量过程和结果记录1.首先,将全站仪架设于参考基准点A,并进行初始设置和校准。
2.根据测量需求,选择目标点进行测量。
从一楼标高点B开始,依次测量到顶层标高点Y。
每次测量需注意水平仪的调准和水平平稳。
3.记录每个标高点的仪器读数和坐标数据。
测量数据记录表如下:测量点,仪器读数,垂直角(°),水平角(°),水平距离(m),高差(m),标高(m)------,--------,----------,---------,-----------,-------,-------B , xxxxxx , xxx.xxx , xxx.xxx , xxx.x ,xxx.x , xxx.xC , xxxxxx , xxx.xxx , xxx.xxx , xxx.x ,xxx.x , xxx.x...,...,...,...,...,...,...Y , xxxxxx , xxx.xxx , xxx.xxx , xxx.x ,xxx.x , xxx.x4.根据测量数据计算建筑物的垂直度、标高、全高。
建筑物垂直度、标高、全高测量记录表财务管理工作总结[财务管理工作总结]2009年上半年,我们驻厂财会组在公司计财部的正确领导下,在厂各部门的大力配合下,全组人员尽“参与、监督、服务”职能,以实现企业生产经营目标为核心,以成本管理为重点,全面落实预算管理,加强会计基础工作,充分发挥财务管理在企业管理中的核心作用,较好地完成了各项工作任务,财务管理水平有了大幅度的提高,财务管理工作总结。
现将二00九年上半年财务工作开展情况汇报如下:一、主要指标完成情况:1、产量90万吨,实现利润1000万元(按外销口径)2、工序成本降低任务:上半年工序成本累计超支1120万元,(受产量影响)。
二、开展以下几方面工作:1、加强思想政治学习,用学习指导工作2009年是转变之年,财务的工作重心由核算向管理转变,全面参与生产经营决策。
对财会组来说,工作重心从确认、核算、报表向预测、控制、分析等管理职能转变,我们就要不断的加强政治学习,用学习指导工作,因此我们组织全组认真学习“十七大”、学习2009年马总的《财务报告》,在学习实践科学发展观活动中,反思过去,制定了2009年工作目标,使我们工作明确了方向,心里也就有了底,干起活来也就随心应手。
2、· 加强成本管理,努力降本增效随着金融危机对实体经济影响的日益加深,轧钢行业受到严重冲击。
对此,我们树立以人为本、参与科学管理的企业管理理念,推进企业的全面、协调、可持续发展,围绕工作目标,着重解决成本控制的“瓶颈”的问题。
厂通过实行躲峰生产、休眠生产、集中生产等新的方式实现集约化生产组织管理,确保两线生产全面平稳、协调运行,降低运行成本。
努力提高成材率,优化生产工艺和物流周期管理,大力降低库存,减少资金占用。
厚板线针对油品消耗比较大问题,通过换滤芯、增加油箱中的油的体外循环过滤次数等方式,降低了油品消耗,2月份厂成本比1月减低923万元,3、4、5月也都完成了目标成本。
3、· 加强预算、预测、控制管理预算管理是财务组工作的一个重要点,根据2009年公司财务预算指标,财务组逐项落实,横向分解到部门,纵向分解到产线、工序。
14建筑物垂直度标高全高测量记录文本建筑物垂直度、标高、全高是建筑物测量中非常重要的参数,用于评估建筑物的竖直度和高度。
正确测量和记录建筑物的垂直度、标高、全高可以有效地保证建筑物的结构安全和施工质量。
下面是一份建筑物垂直度、标高、全高测量记录文本,详细介绍了测量过程和结果。
测量目的:测量建筑物的垂直度、标高和全高,以评估建筑物的结构安全和施工质量。
测量时间:2024年9月1日测量对象:建筑物A测量工具:水平仪、测量尺、测量刷、激光测距仪等测量步骤:1.准备工作a.确定测量起点和终点,起点为建筑物A的地面,终点为建筑物顶部。
b.携带所需的测量工具,确保工具准确和完好。
2.垂直度测量a.在起点处使用水平仪测量建筑物A的垂直度。
记录垂直度测量结果为0°。
b.沿着建筑物A的高度方向,每隔10米进行一次垂直度测量,直至到达终点。
记录每次测量的垂直度。
3.标高测量a.在起点处使用激光测距仪测量建筑物A的地面标高。
记录地面标高为0米。
b.沿着建筑物A的高度方向,每隔10米进行一次地面标高测量,直至到达终点。
记录每次测量的地面标高。
4.全高测量a.在起点处使用激光测距仪测量建筑物A的全高。
记录全高测量结果为X米。
b.沿着建筑物A的高度方向,每隔10米进行一次全高测量,直至到达终点。
记录每次测量的全高。
测量记录:测量结果表格如下:测量点,垂直度(°),标高(米),全高(米)-------------,--------------,------------,------------起点,0,0,X10米处,0.01,9.89,X-0.1120米处,0.02,19.78,X-0.2230米处,0.03,29.67,X-0.3340米处,0.04,39.56,X-0.4450米处,0.05,49.45,X-0.5560米处,0.06,59.34,X-0.6670米处,0.07,69.23,X-0.7780米处,0.08,79.12,X-0.8890米处,0.09,89.01,X-0.99终点,0.1,98.9,X-1.1备注:测量数据仅为示例数据,实际测量结果需要根据具体测量情况填写。
建筑物垂直度、标高、全高测量记录
注:垂直度测量平面示意图及偏差方向见背页
说明
1. 超过允许偏差的偏差值在表中用~~标出;
2. 在备注栏中应注明建筑物标高、全高的设计值;每层所测的具体位置或轴线未描述清楚的也可在备注栏中标出或另外做出详细记录;
3. 主体结构验收前 , 应对建筑物每层楼面标高、各大角或转角垂直度进行测量;房屋竣工验收前,也应对各大角或转角垂直度进行测量,故本表每个工程均应有两张。
测量由监理单位会同施工单位进行, 测量数据作为验收的依据之一。
4. 砌体结构外墙垂直度全高查阳角,不应少于4处 , 每层每 20m 查一处;内墙按有代表性的
自然间抽 10%, 但不应少于3间,每间不应少于2处,柱不少于 5 根。
混凝土结构按楼层、结构缝或施工段划分检验批。
在同一检验批中 , 对梁、柱 , 应抽查构件数量的 109 毛 , 且不少于 3 件 ; 对墙和板,应按有代表性的自然间抽查 10%, 且不少于3间;对大空间结构,墙可按相邻轴线间高度 5m 左右划分检查面,板可按纵横轴线划分检查面,抽查 10%, 且均不少于3面。
5.允许偏差及检验方法
建筑物垂直度、标高、全高测量记录
注:垂直度测量平面示意图及偏差方向见背页
说明
1. 超过允许偏差的偏差值在表中用~~标出;
2. 在备注栏中应注明建筑物标高、全高的设计值;每层所测的具体位置或轴线未描述清楚的也可在备注栏中标出或另外做出详细记录;
3. 主体结构验收前 , 应对建筑物每层楼面标高、各大角或转角垂直度进行测量;房屋竣工验收前,也应对各大角或转角垂直度进行测量,故本表每个工程均应有两张。
测量由监理单位会同施工单位进行, 测量数据作为验收的依据之一。
4. 砌体结构外墙垂直度全高查阳角,不应少于4处 , 每层每 20m 查一处;内墙按有代表性的
自然间抽 10%, 但不应少于3间,每间不应少于2处,柱不少于 5 根。
混凝土结构按楼层、结构缝或施工段划分检验批。
在同一检验批中 , 对梁、柱 , 应抽查构件数量的 109 毛 , 且不少于 3 件 ; 对墙和板,应按有代表性的自然间抽查 10%, 且不少于3间;对大空间结构,墙可按相邻轴线间高度 5m 左右划分检查面,板可按纵横轴线划分检查面,抽查 10%, 且均不少于3面。