SG-014建筑物垂直度、标高、全高测量记录(1)
- 格式:doc
- 大小:72.50 KB
- 文档页数:1
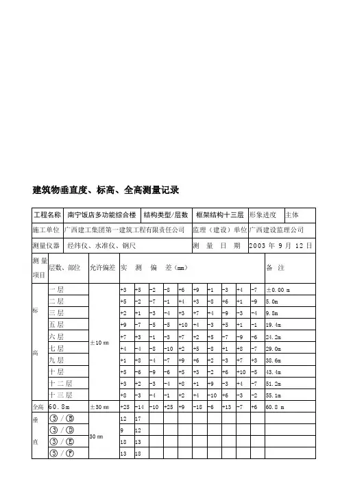
建筑物垂直度、标高、全高测量记录注:垂直度测量平面示意图及偏差方向见背页说明1. 超过允许偏差的偏差值在表中用~~标出;2. 在备注栏中应注明建筑物标高、全高的设计值;每层所测的具体位置或轴线未描述清楚的也可在备注栏中标出或另外做出详细记录;3. 主体结构验收前 , 应对建筑物每层楼面标高、各大角或转角垂直度进行测量;房屋竣工验收前,也应对各大角或转角垂直度进行测量,故本表每个工程均应有两张。
测量由监理单位会同施工单位进行, 测量数据作为验收的依据之一。
4. 砌体结构外墙垂直度全高查阳角,不应少于4处 , 每层每 20m 查一处;内墙按有代表性的自然间抽 10%, 但不应少于3间,每间不应少于2处,柱不少于 5 根。
混凝土结构按楼层、结构缝或施工段划分检验批。
在同一检验批中 , 对梁、柱 , 应抽查构件数量的 109 毛 , 且不少于 3 件 ; 对墙和板,应按有代表性的自然间抽查 10%, 且不少于3间;对大空间结构,墙可按相邻轴线间高度 5m 左右划分检查面,板可按纵横轴线划分检查面,抽查 10%, 且均不少于3面。
建筑物垂直度、标高、全高测量记录注:垂直度测量平面示意图及偏差方向见背页说明1. 超过允许偏差的偏差值在表中用~~标出;2. 在备注栏中应注明建筑物标高、全高的设计值;每层所测的具体位置或轴线未描述清楚的也可在备注栏中标出或另外做出详细记录;3. 主体结构验收前 , 应对建筑物每层楼面标高、各大角或转角垂直度进行测量;房屋竣工验收前,也应对各大角或转角垂直度进行测量,故本表每个工程均应有两张。
测量由监理单位会同施工单位进行, 测量数据作为验收的依据之一。
4. 砌体结构外墙垂直度全高查阳角,不应少于4处 , 每层每 20m 查一处;内墙按有代表性的自然间抽 10%, 但不应少于3间,每间不应少于2处,柱不少于 5 根。
混凝土结构按楼层、结构缝或施工段划分检验批。
在同一检验批中 , 对梁、柱 , 应抽查构件数量的 109 毛 , 且不少于 3 件 ; 对墙和板,应按有代表性的自然间抽查 10%, 且不少于3间;对大空间结构,墙可按相邻轴线间高度 5m 左右划分检查面,板可按纵横轴线划分检查面,抽查 10%, 且均不少于3面。
建筑物垂直度、标高、全高测量记录C 2.5.2.3 编号:建筑施工技术,建筑施工组织,建筑工程计量与计价,建筑工程经济,混凝土结构,建筑构造与识图,钢结构,砌体结构,高层建筑施工,工程测量,工程结构抗震,装配化施工技术,建筑工程资料管理,建筑工程质量与安全管理,建筑CAD,天正建筑,BIM。
建筑工程技术专业主要包括土建、采暖卫生与煤气工程、电梯和消防,给排水工程五个方面,专业应具备建筑工程技术人员从业必须的文化基础与专业理论知识,从事建筑工程施工一线技术与管理等工作的高等技术应用型人才。
技术交底的作用与分类1什么是施工技术交底技术交底是施工企业极为重要的一项技术管理工作,是施工方案的延续和完善,也是工程质量预控的最后一道关口。
其目的是使参与建筑工程施工的技术人员与工人熟悉和了解所承担的工程项目的特点、设计意图、技术要求、施工工艺及应注意的问题。
2技术交底的作用使参与施工活动的每一个技术人员,明确本工程的特定施工条件、施工组织、具体技术要求和有针对性的关键技术措施,系统掌握工程施工过程全貌和施工的关键都位。
使参与工程施工操作每一个工人,通过技术交底,了解自己所要完成的分部分项工程的具体工作内容,操作方法、施工工艺、质量标准和安全注意事项等,做到施工操作人员任务明确,心中有数达到有序地施工,以减少各种质量通病,提高施工质量的目的。
3施工技术交底的分类(1)施工组织设计交底①重点和大型工程施工组织设计交底:由施工企业的技术负责人把主要设计要求、施工措施以及重要事项对项目主要管理人员进行交底。
其他工程施工组织设计交底由项目技术负责人进行交底。
②专项施工方案技术交底:由项目专业技术负责人负责,根据专项施工方案对专业工长进行交底。
(2)分项工程施工技术交底由专业工长对专业施工班组(或专业分包)进行交底。
“四新”技术交底:由项目技术负责人组织有关专业人员编制并交底。
(3)设计变更技术交底设计变更技术交底:由项目技术部门根据变更要求,并结合具体施工步骤、措施及注意事项等对专业工长进行交底。
垂直度标高全高测量记录范例1. 引言嘿,朋友们,今天我们来聊聊一个听起来有点儿“高大上”的话题——垂直度标高全高测量!这东西听起来很复杂,但其实呢,咱们就把它当成一种特别的“量高”游戏来玩就行了。
就像在学校里,我们总喜欢比谁长得高,现在我们就来看看如何把这个“量高”变得更专业、更准确!哈哈,准备好了吗?走起!2. 垂直度测量的意义2.1 为什么要测量垂直度?首先,咱们得明白,为什么要搞这个垂直度的测量呢?其实,垂直度就像是一棵树的根基,根基稳了,树才会长得又高又壮。
想象一下,要是你的建筑物不垂直,那可就跟那歪脖子树似的,不好看不说,还容易倒!所以,测量垂直度可是一件大事,万不可马虎哦。
2.2 测量工具的选择接下来,我们得谈谈测量工具。
市场上有各种各样的测量仪器,就像超市里的调料一样,琳琅满目,挑花了眼。
不过,最常见的可得是水平仪和激光测距仪。
这两个小家伙,各有各的妙用。
水平仪呢,就像一个善解人意的朋友,帮你找平;而激光测距仪则是那个高科技的“狠角色”,让你一秒钟就能知道高度。
这些工具就像是测量的小助手,给你提供准确的数据,真是帮了大忙!3. 测量步骤详解3.1 测量前的准备在开始测量之前,准备工作可不能马虎!你得先确保测量场地的干净整洁,就像你准备去参加一个重要的聚会,衣服得整齐,场地得干净。
然后,确认一下测量工具的电量和状态,别到了关键时刻,发现电池没电,那可就尴尬了!3.2 实际测量过程现在,我们就进入实际的测量环节啦!首先,把水平仪放在你想要测量的地方,确保它平稳。
接着,打开仪器,等一等,看它的读数。
这时候,记得要保持镇定,心里想着“我就是测量小能手!”读数出来后,快速记录下来,千万别耽误时间。
接下来,拿出激光测距仪,对准目标,轻轻一按,数据就出来了!就像是“咔嚓”一声,照片拍好了!这一过程,就像给你的建筑物“量身定制”,让它在未来的日子里,站得更加稳妥。
4. 数据记录与分析4.1 如何记录数据?测量完成后,接下来就是记录数据啦!要是你手上有本子,赶紧拿出来;没有的话,手机也行。
建筑物垂直度、标高、全高测量记录注:垂直度测量平面示意图及偏差方向见背页说明1. 超过允许偏差的偏差值在表中用~~标出;2. 在备注栏中应注明建筑物标高、全高的设计值;每层所测的具体位置或轴线未描述清楚的也可在备注栏中标出或另外做出详细记录;3. 主体结构验收前 , 应对建筑物每层楼面标高、各大角或转角垂直度进行测量;房屋竣工验收前,也应对各大角或转角垂直度进行测量,故本表每个工程均应有两张。
测量由监理单位会同施工单位进行, 测量数据作为验收的依据之一。
4. 砌体结构外墙垂直度全高查阳角,不应少于4处 , 每层每 20m 查一处;内墙按有代表性的自然间抽 10%, 但不应少于3间,每间不应少于2处,柱不少于 5 根。
混凝土结构按楼层、结构缝或施工段划分检验批。
在同一检验批中 , 对梁、柱 , 应抽查构件数量的 109 毛 , 且不少于 3 件 ; 对墙和板,应按有代表性的自然间抽查 10%, 且不少于3间;对大空间结构,墙可按相邻轴线间高度 5m 左右划分检查面,板可按纵横轴线划分检查面,抽查 10%, 且均不少于3面。
建筑物垂直度、标高、全高测量记录注:垂直度测量平面示意图及偏差方向见背页说明1. 超过允许偏差的偏差值在表中用~~标出;2. 在备注栏中应注明建筑物标高、全高的设计值;每层所测的具体位置或轴线未描述清楚的也可在备注栏中标出或另外做出详细记录;3. 主体结构验收前 , 应对建筑物每层楼面标高、各大角或转角垂直度进行测量;房屋竣工验收前,也应对各大角或转角垂直度进行测量,故本表每个工程均应有两张。
测量由监理单位会同施工单位进行,测量数据作为验收的依据之一。
4. 砌体结构外墙垂直度全高查阳角,不应少于4处 , 每层每 20m 查一处;内墙按有代表性的自然间抽 10%, 但不应少于3间,每间不应少于2处,柱不少于 5 根。
混凝土结构按楼层、结构缝或施工段划分检验批。
在同一检验批中 , 对梁、柱 , 应抽查构件数量的 109 毛 , 且不少于 3 件 ; 对墙和板,应按有代表性的自然间抽查 10%, 且不少于3间;对大空间结构,墙可按相邻轴线间高度 5m 左右划分检查面,板可按纵横轴线划分检查面,抽查 10%, 且均不少于3面。
注:垂直度测量平面示意图及偏差方向见背页1. 超过允许偏差的偏差值在表中用~~标出;2. 在备注栏中应注明建筑物标高、全高的设计值;每层所测的具体位置或轴线未描述清楚的也可在备注栏中标出或另外做出详细记录;3. 主体结构验收前 , 应对建筑物每层楼面标高、各大角或转角垂直度进行测量;房屋竣工验收前,也应对各大角或转角垂直度进行测量,故本表每个工程均应有两张。
测量由监理单位会同施工单位进行, 测量数据作为验收的依据之一。
4. 砌体结构外墙垂直度全高查阳角,不应少于4处 , 每层每 20m 查一处;内墙按有代表性的自然间抽 10%, 但不应少于3间,每间不应少于2处,柱不少于 5 根。
混凝土结构按楼层、结构缝或施工段划分检验批。
在同一检验批中 , 对梁、柱 , 应抽查构件数量的 109 毛 , 且不少于 3 件 ; 对墙和板,应按有代表性的自然间抽查 10%, 且不少于3间;对大空间结构,墙可按相邻轴线间高度 5m 左右划分检查面,板可按纵横轴线划分检查面,抽查 10%, 且均不少于3面。
注:垂直度测量平面示意图及偏差方向见背页1. 超过允许偏差的偏差值在表中用~~标出;2. 在备注栏中应注明建筑物标高、全高的设计值;每层所测的具体位置或轴线未描述清楚的也可在备注栏中标出或另外做出详细记录;3. 主体结构验收前 , 应对建筑物每层楼面标高、各大角或转角垂直度进行测量;房屋竣工验收前,也应对各大角或转角垂直度进行测量,故本表每个工程均应有两张。
测量由监理单位会同施工单位进行, 测量数据作为验收的依据之一。
4. 砌体结构外墙垂直度全高查阳角,不应少于4处 , 每层每 20m 查一处;内墙按有代表性的自然间抽 10%, 但不应少于3间,每间不应少于2处,柱不少于 5 根。
混凝土结构按楼层、结构缝或施工段划分检验批。
在同一检验批中 , 对梁、柱 , 应抽查构件数量的 109 毛 , 且不少于 3 件 ; 对墙和板,应按有代表性的自然间抽查 10%, 且不少于3间;对大空间结构,墙可按相邻轴线间高度 5m 左右划分检查面,板可按纵横轴线划分检查面,抽查 10%, 且均不少于3面。
建筑物垂直度、标高、全高测量记录该文章没有明显的格式错误和有问题的段落,但可以进行小幅度的改写,如下:记录建筑物垂直度、标高和全高的测量结果:单位工程名称:___-18#楼施工单位:___测量部位:东立面、南立面、西立面、北立面、一层、二层、三层、四层、五层、六层和2跃层的外墙垂直度和全高施工单位检查评定结果:垂直度为±30mm,全高为20mm设计和规定值:垂直度为H/1000且≤30mm,全高为H/1000且≤30mm项目经理:___测量记录:东立面:18mm 南立面:20mm 西立面:17mm 北立面:16mm 一层:16mm 二层:7mm三层:5mm四层:6mm五层:8mm六层:9mm2跃层:5mm监理单位验收意见:垂直度为±10mm,全高为±30mm结论:该项目的测量结果符合要求。
单位工程名称:芜湖县清水镇二路一桥拆迁安置房E标30#楼施工单位:___测量部位:东立面、南立面、西立面、北立面、一层、二层的外墙垂直度和全高施工单位检查评定结果:垂直度为≤30mm,全高为30mm设计和规定值:垂直度≤10m时为10mm,≥10m时为20mm,全高为≤10m时为10mm,≥10m时为20mm项目经理:___测量记录:东立面:4mm南立面:5mm西立面:8mm北立面:7mm一层:6mm二层:8mm监理单位验收意见:垂直度为≤10m时为10mm,≥10m时为20mm,全高为≤10m时为10mm,≥10m时为20mm结论:该项目的测量结果合格。
单位工程名称:芜湖县清水镇二路一桥拆迁安置房E标31#楼施工单位:___测量部位:东立面、南立面、西立面、北立面、一层、二层的外墙垂直度和全高施工单位检查评定结果:垂直度为≤30mm,全高为20mm设计和规定值:垂直度为H/1000且≤30mm,全高为H/1000且≤30mm结论:该项目的测量结果符合要求。
建筑物垂直度、标高、全高测量记录单位工程名称:芜湖县清水镇二路一桥拆迁安置房E标32#楼、33#楼施工单位:___测量项目:建筑物垂直度、标高、全高测量部位:东立面外墙、南立面、西立面、北立面层数:一层、二层层高:2m设计、规定值:≤10m时10mm,≥10m时20m施工单位检查评定结果:32#楼:东立面垂直度:8mm;南立面垂直度:8mm;西立面垂直度:5mm;北立面垂直度:6mm;全高:4mm、7mm、24mm、18mm、18mm。
建筑物垂直度、标高、全高测量记录TJ3.4监理工程师(建设单位项目负责人):技术负责人:建筑物垂直度、标高、全高测量记录 TJ3.4监理工程师(建设单位项目负责人):技术负责人:建筑物垂直度、标高、全高测量记录 TJ3.4监理工程师(建设单位项目负责人):技术负责人:财务管理工作总结[财务管理工作总结]2009年上半年,我们驻厂财会组在公司计财部的正确领导下,在厂各部门的大力配合下,全组人员尽“参与、监督、服务”职能,以实现企业生产经营目标为核心,以成本管理为重点,全面落实预算管理,加强会计基础工作,充分发挥财务管理在企业管理中的核心作用,较好地完成了各项工作任务,财务管理水平有了大幅度的提高,财务管理工作总结。
现将二00九年上半年财务工作开展情况汇报如下:一、主要指标完成情况:1、产量90万吨,实现利润1000万元(按外销口径)2、工序成本降低任务:上半年工序成本累计超支1120万元,(受产量影响)。
二、开展以下几方面工作:1、加强思想政治学习,用学习指导工作2009年是转变之年,财务的工作重心由核算向管理转变,全面参与生产经营决策。
对财会组来说,工作重心从确认、核算、报表向预测、控制、分析等管理职能转变,我们就要不断的加强政治学习,用学习指导工作,因此我们组织全组认真学习“十七大”、学习2009年马总的《财务报告》,在学习实践科学发展观活动中,反思过去,制定了2009年工作目标,使我们工作明确了方向,心里也就有了底,干起活来也就随心应手。
2、· 加强成本管理,努力降本增效随着金融危机对实体经济影响的日益加深,轧钢行业受到严重冲击。
对此,我们树立以人为本、参与科学管理的企业管理理念,推进企业的全面、协调、可持续发展,围绕工作目标,着重解决成本控制的“瓶颈”的问题。
厂通过实行躲峰生产、休眠生产、集中生产等新的方式实现集约化生产组织管理,确保两线生产全面平稳、协调运行,降低运行成本。
努力提高成材率,优化生产工艺和物流周期管理,大力降低库存,减少资金占用。
报验申请表工程名称:化水车间编号:鲁JJ-071□□□下面红色字体为赠送的个人总结模板,不需要的朋友下载后可以编辑删除!!!!xx年电气工程师个人年终总结模板根据防止人身事故和电气误操作事故专项整治工作要求,我班针对现阶段安全生产工作的特点和重点,为进一步加强落实安全工作,特制定了防止人身事故和防电气误操作事故的(两防)实施细则。
把预防人身、电网、设备事故作为重点安全工作来抓,检查贯彻落实南方电网安全生产“三大规定”情况,检查(两防)执行情况,及时发现和解决存在的问题,提高防人身事故和防电气误操作事故的处理能力,从源头上预防和阻止事故的发生,使安全管理工作关口前移,从而实现“保人身、保电网、保设备”安全生产目标收到一定的效果。
通过前段的检查和整改工作,现将我班到现时为止在此方面的情况总结如下一、在防止人身事故方面(重点防范高处坠落事故)在运行维护、施工作业过程中的防触电、防高空坠落事故。
我班通过对每周的安全会议和工作负责人对现场高处作业管理的检查,使得安全防范思想、工作、监督到位;使安全工作责任、措施及整改落实,从而安全工作得到保证。
1、作业前的准备工作和控制措施工作。
包括高空作业现场查勘,使工作人员对该任务的危险点(安全措施卡)有清晰、准确、全面的认识,采取相应的控制和安全措施,并正确派选合适胜任的工作负责人和工作班成员。
2、在开工前,工作负责人向作业人员交待工作内容、安全注意事项及该作业的危险点。
作业过程中明确监护人员,监护人实时监控高处作业人员动向,及时提醒和纠正作业中的不安全行为,使安全措施不折不扣地落实和执行到位。
3、认真落实高处作业人员的安全保护措施。
配备可靠的(按规定期限内检验合格的)安全工器具,如安全带(绳)、升降板、脚扣、竹(木)梯等,并能够正确使用此类工器具。
4、在高空作业的工作全过程中,强调工作人员自始至终确保自身安全行为:△定期对登高工具和安全工器具(安全带、安全绳、脚扣、升降板、竹木梯子等)进行试验,试验或外观检查不及格的立即报废,严禁留作备用。