涵洞报验资料模板
- 格式:doc
- 大小:985.50 KB
- 文档页数:46
十涵洞施工用表目录〔一〕、明挖根底〔二〕、粉喷桩〔三〕、旋喷桩〔四〕、就地制作涵洞洞身〔五〕、涵洞附属工程〔一〕、明挖根底附表:1、TA7施工测量放样报验单〔见“原地面处理〞中此表〕2、施工测量高程放样表; 施工测量平面放样表〔见“原地面处理〞中此表〕3、TA8工程报验申请表〔见“原地面处理〞中此表〕4、基检验批质量验收记录表5、基坑检查证——铁程检-096、TA8工程报验申请表〔见“原地面处理〞中此表〕7、模板及支架检验批质量验收记录表8、模板检查证——质统-7〔见“重力式挡墙根底〞中此表〕9、TA8工程报验申请表〔见“原地面处理〞中此表〕10、钢筋〔原材料及加工〕检验批质量验收记录表〔Ⅰ〕11、钢筋〔连接及安装〕检验批质量验收记录表〔Ⅱ〕10、钢筋检查证——铁程检-14修〔见“地表排水〞中此表〕12、TA8工程报验申请表〔见“原地面处理〞中此表〕13、混凝土〔原材料〕检验批质量验收记录表〔Ⅰ〕14、混凝土〔配合比〕检验批质量验收记录表〔Ⅱ〕15、混凝土〔施工及养护〕检验批质量验收记录表〔Ⅲ〕16、混凝土〔构造外观与尺寸偏差〕检验批质量验收记录表〔Ⅳ〕17、混凝土施工过程检查——质统-8修1〔见“过渡段〞中的“基坑回填〞中此表〕18、混凝土施工记录〔见“过渡段〞中的“基坑回填〞中此表〕19、混凝土拆模检查——质统-9修1〔见“重力式挡墙根底〞中此表〕20、混凝土养护检查——质统-10修1〔见“过渡段〞中的“基坑回填〞中此表〕换填地基检验批质量验收记录表03020211□□□03020219□□□工程检查证编号:铁程检-09TA8 工程报验申请表工程工程名称:DK34+173 1-4m框架涵施工合同段:LSZQZH-Ⅰ标编号:注:本表一式3份,承包单位2份,监理单位1份。
模板及支架检验批质量验收记录表模板检查表TA8 工程报验申请表工程工程名称:DK34+173 1-4m 框架涵施工合同段:LSZQZH-Ⅰ标编号:注:本表一式3份,承包单位2份,监理单位1份。
模板及支架检验批质量验收记录表
钢筋(原材料及加工)检验批质量验收记录表(Ⅰ)
钢筋(连结与安装)检验批质量验收记录表(Ⅱ)
混凝土(原材料)检验批质量验收记录表(Ⅰ)
混凝土(施工)检验批质量验收记录表(Ⅱ)
混凝土(养护及检测)检验批质量验收记录表(Ⅲ)
混凝土(结构外观和尺寸偏差)检验批质量验收记(Ⅳ)
防水层检验批质量验收记录表
新建贵广铁路
沉降缝检验批质量验收记录分部工程名称
沉降缝位置、尺寸、构造型式
第16.2.16条共设置
工,符合设计要求。
新建贵广铁路TA8 工程报验申请表
注:本表一式3份,承包单位2份,监理单位1份。
十涵洞施工用表目录(一)、明挖基础(二)、粉喷桩(三)、旋喷桩(四)、就地制作涵洞洞身(五)、涵洞附属工程(一)、明挖基础附表:1、TA7施工测量放样报验单(见“原地面处理”中此表)2、施工测量高程放样表; 施工测量平面放样表(见“原地面处理”中此表)3、TA8工程报验申请表(见“原地面处理”中此表)4、基检验批质量验收记录表5、基坑检查证——铁程检-096、TA8工程报验申请表(见“原地面处理”中此表)7、模板及支架检验批质量验收记录表8、模板检查证——质统-7(见“重力式挡墙基础”中此表)9、TA8工程报验申请表(见“原地面处理”中此表)10、钢筋(原材料及加工)检验批质量验收记录表(Ⅰ)11、钢筋(连接及安装)检验批质量验收记录表(Ⅱ)10、钢筋检查证——铁程检-14修(见“地表排水”中此表)12、TA8工程报验申请表(见“原地面处理”中此表)13、混凝土(原材料)检验批质量验收记录表(Ⅰ)14、混凝土(配合比)检验批质量验收记录表(Ⅱ)15、混凝土(施工及养护)检验批质量验收记录表(Ⅲ)16、混凝土(结构外观和尺寸偏差)检验批质量验收记录表(Ⅳ)17、混凝土施工过程检查——质统-8修1(见“过渡段”中的“基坑回填”中此表)18、混凝土施工记录(见“过渡段”中的“基坑回填”中此表)19、混凝土拆模检查——质统-9修1(见“重力式挡墙基础”中此表)20、混凝土养护检查——质统-10修1(见“过渡段”中的“基坑回填”中此表)换填地基检验批质量验收记录表基坑检验批质量验收记录表 03020109□□□工程检查证编号:铁程检-09TA8 工程报验申请表工程项目名称:DK34+173 1-4m框架涵施工合同段:LSZQZH-Ⅰ标编号:注:本表一式3份,承包单位2份,监理单位1份。
模板及支架检验批质量验收记录表模板检查表TA8 工程报验申请表工程项目名称:DK34+173 1-4m 框架涵施工合同段:LSZQZH-Ⅰ标编号:注:本表一式3份,承包单位2份,监理单位1份。
监表5 检验申请批复单承包单位:龙岩市恒达工程有限公司合同号:构造物基坑现场质量检验报告单检验表4承包单位:龙岩市恒达工程有限公司合同号:省道203线德化环城路东段道路工程水准测量原始记录表施工单位:龙岩市恒达工程有限公司合同号: 天气:监理单位:厦门港湾咨询监理有限公司编号:日期:年月日测量:监理:日期:监表5 检验申请批复单承包单位:龙岩市恒达工程有限公司合同号:钢筋加工及安装现场质量检验报告单检验表31承包单位:龙岩市恒达工程有限公司合同号:监表5 检验申请批复单承包单位:龙岩市恒达工程有限公司合同号:模板安装现场质量检验报告单检验表33承包单位:龙岩市恒达工程有限公司合同号:承包技术负责人: 日期:省道203线德化环城路东段道路工程水准测量原始记录表施工单位:龙岩市恒达工程有限公司合同号:天气:监理单位:厦门港湾咨询监理有限公司编号:日期:年月日测量: 监理:日期:监表5 检验申请批复单承包单位:龙岩市恒达工程有限公司合同号:混凝土基础现场质量检验报告单检验表34承包单位:龙岩市恒达工程有限公司合同号:省道203线德化环城路东段道路工程水准测量原始记录表施工单位:龙岩市恒达工程有限公司合同号:天气:监理单位:厦门港湾咨询监理有限公司编号:日期:年月日测量:监理:日期:省道203线德化环城路东段道路工程混凝土施工原始记录承包单位:龙岩市恒达工程有限公司工程名称:合同号:监理单位:厦门港湾咨询监理有限公司起止桩号:编号:第共页现场施工负责人:质检员:现场监理:省道203线德化环城路东段道路工程监表5 检验申请批复单承包单位:龙岩市恒达工程有限公司合同号:模板安装现场质量检验报告单检验表33承包单位:龙岩市恒达工程有限公司合同号:承包技术负责人:日期:水准测量原始记录表施工单位:龙岩市恒达工程有限公司合同号:天气:监理单位:厦门港湾咨询监理有限公司编号:日期:年月日测量:监理:日期监表5 检验申请批复单承包单位:龙岩市恒达工程有限公司合同号:省道203线德化环城路东段道路工程涵台现场质量检验报告单检验表7承包单位:龙岩市恒达工程有限公司合同号:水准测量原始记录表施工单位:龙岩市恒达工程有限公司合同号:天气:监理单位:厦门港湾咨询监理有限公司编号:日期: 年月日测量: 监理:日期:混凝土施工原始记录承包单位:龙岩市恒达工程有限公司工程名称: 合同号:监理单位:厦门港湾咨询监理有限公司起止桩号:编号:第共页现场施工负责人:质检员:现场监理:监表5 检验申请批复单承包单位:龙岩市恒达工程有限公司合同号:模板安装现场质量检验报告单检验表33承包单位:龙岩市恒达工程有限公司合同号:承包技术负责人: 日期:水准测量原始记录表施工单位:龙岩市恒达工程有限公司合同号: 天气:监理单位:厦门港湾咨询监理有限公司编号:日期: 年月日测量:监理:日期:省道203线德化环城路东段道路工程监表5 检验申请批复单承包单位:龙岩市恒达工程有限公司合同号:省道203线德化环城路东段道路工程钢筋加工及安装现场质量检验报告单检验表31承包单位:龙岩市恒达工程有限公司合同号:监表5 检验申请批复单承包单位:龙岩市恒达工程有限公司合同号:盖板制作现场质量检验报告单检验表8承包单位:龙岩市恒达工程有限公司合同号:混凝土施工原始记录承包单位:龙岩市恒达工程有限公司工程名称:合同号:监理单位:厦门港湾咨询监理有限公司起止桩号:编号:第共页现场施工负责人: 质检员: 现场监理:监表5 检验申请批复单承包单位:龙岩市恒达工程有限公司合同号:一字墙和八字墙现场质量检验报告单检验表10承包单位:龙岩市恒达工程有限公司合同号:水准测量原始记录表施工单位:龙岩市恒达工程有限公司合同号:天气:监理单位:厦门港湾咨询监理有限公司编号:日期:年月日测量:监理:日期省道203线德化环城路东段道路工程施原表007 砌体工程施工原始记录表承包单位:龙岩市恒达工程有限公司合同号:监理单位:厦门港湾咨询监理有限公司编号:第页现场负责人:质检员:试验员:监理:年月日省道203线德化环城路东段道路工程监表5 检验申请批复单承包单位:龙岩市恒达工程有限公司合同号:省道203线德化环城路东段道路工程台背填土现场质量检验报告单检验表51 承包单位:龙岩市恒达工程有限公司合同号:省道203线德化环城路东段道路工程桥、涵台背回填施工原始记录施表—03承包单位:龙岩市恒达工程有限公司工程名称:涵洞工程合同号:施工日期: 起止桩号:K0+000~K2+148 编号: 第页共现场施工负责人:质检员:现场技术人员:监理: 日期:省道203线德化环城路东段道路工程监表5 检验申请批复单承包单位:龙岩市恒达工程有限公司合同号:省道203线德化环城路东段道路工程涵洞总体现场质量检验报告单检验表6承包单位:龙岩市恒达工程有限公司合同号:承包技术负责人:日期:省道203线德化环城路东段道路工程水准测量原始记录表施工单位:龙岩市恒达工程有限公司合同号:天气:监理单位:厦门港湾咨询监理有限公司编号:日期:年月日测量: 监理:日期:填石路堤压实度检测报告。
箱涵整套工序报验资料公司标准化编码 [QQX96QT-XQQB89Q8-NQQJ6Q8-MQM9N]B.1.4工程质量报验表□□□预检工程检查记录年月日质检表隐蔽工程检查验收记录年 月 日 质检表4B.1.4工程质量报验表□□□表A-1 检验批质量验收记录编号B.1.4工程质量报验表□□□预检工程检查记录年月日质检表3隐蔽工程检查验收记录年月日质检表4B.1.4工程质量报验表工程名称:和莫路南延工程编号:B.1.4 -□□□表A-1 检验批质量验收记录编号B.1.4工程质量报验表□□□第五版表江苏省住房和城乡建设厅监制隐蔽工程检查验收记录年月日质检表3隐蔽工程检查验收记录年月日质检表4B.1.4工程质量报验表□□□表A-1 检验批质量验收记录编号表A-1 检验批质量验收记录编号B.1.4工程质量报验表工程名称:和莫路南延工程编号:B.1.4 -□□□预检工程检查记录年月日质检表3隐蔽工程检查验收记录年月日质检表4B.1.4工程质量报验表□□□表A-1 检验批质量验收记录编号B.1.4工程质量报验表□□□预检工程检查记录年月日质检表3隐蔽工程检查验收记录年月日质检表4B.1.4工程质量报验表工程名称:和莫路南延工程编号:B.1.4 -□□□表A-1 检验批质量验收记录编号B.1.4工程质量报验表□□□第五版表江苏省住房和城乡建设厅监制隐蔽工程检查验收记录年月日质检表3隐蔽工程检查验收记录年月日质检表4B.1.4工程质量报验表□□□表A-1 检验批质量验收记录编号表A-1 检验批质量验收记录编号B.1.4工程质量报验表工程名称:和莫路南延工程编号:B.1.4 -□□□预检工程检查记录年月日质检表3隐蔽工程检查验收记录年月日质检表4B.1.4工程质量报验表□□□表A-1 检验批质量验收记录编号B.1.4工程质量报验表□□□预检工程检查记录年月日质检表3隐蔽工程检查验收记录年月日质检表4B.1.4工程质量报验表工程名称:和莫路南延工程编号:B.1.4 -□□□表A-1 检验批质量验收记录编号B.1.4工程质量报验表□□□预检工程检查记录年月日质检表3隐蔽工程检查验收记录年月日质检表4B.1.4工程质量报验表□□□。
监表5 检验申请批复单施工单位:山西晋中交通建设有限公司合同号: 监理单位:山西路华通工程咨询有限公司编号:检验表33 桥涵基坑现场质量检验报告单承包单位:山西晋中交通建设有限公司合同号:监理单位:山西路华通工程咨询有限公司编号:承包人:日期:年月日施原10 基坑检验记录表施工单位:山西晋中交通建设有限公司合同号:施原27 高程现场检查记录表施工单位:山西晋中交通建设有限公司合同号:技术(质检)负责人:司仪:记录:执尺:日期:年月日施原41 桥涵基坑平整度检验表承包单位:山西晋中交通建设有限公司合同号:监理单位:山西路华通工程咨询有限公司编号:桥涵基坑现场质量检验表施工单位:山西晋中交通建设有限公司合同号:监表5 检验申请批复单施工单位:山西晋中交通建设有限公司合同号:监理单位:山西路华通工程咨询有限公司编号:检验表72 管涵现场质量检验报告单承包单位:山西晋中交通建设有限公司合同号:监理单位:山西路华通工程咨询有限公司编号:管涵总体现场质量检验表施工单位:山西晋中交通建设有限公司合同号:监理单位:山西路华通工程咨询有限公司编号:监表5 检验申请批复单施工单位:山西晋中交通建设有限公司合同号:监理单位:山西路华通工程咨询有限公司编号:检验表36 砼基础现场质量检验报告单承包单位:山西晋中交通建设有限公司合同号:监理单位:山西路华通工程咨询有限公司编号:混凝土基础现场质量检验表施工单位:山西晋中交通建设有限公司合同号:监表5 检验申请批复单施工单位:山西晋中交通建设有限公司合同号:监理单位:山西路华通工程咨询有限公司编号:检验表34 结构物回填现场质量检验报告单承包单位:山西晋中交通建设有限公司合同号:监理单位:山西路华通工程咨询有限公司编号:涵洞回填现场质量检验表施工单位:山西晋中交通建设有限公司合同号:灌砂法压实度试验记录表(试表08)合同段(单位):编号:第页共页监表5 检验申请批复单施工单位:山西晋中交通建设有限公司合同号:监理单位:山西路华通工程咨询有限公司编号:检验表37 浆砌片石基础现场质量检验报告单承包单位:山西晋中交通建设有限公司合同号:监理单位:山西路华通工程咨询有限公司编号:浆砌片石基础现场质量检验表施工单位:山西晋中交通建设有限公司合同号:监表5 检验申请批复单施工单位:山西晋中交通建设有限公司合同号:监理单位:山西路华通工程咨询有限公司编号:检验表15 浆砌砌体现场质量检验报告单承包单位:山西晋中交通建设有限公司合同号:监理单位:山西路华通工程咨询有限公司编号:涵洞浆砌墙现场质量检验表施工单位:山西晋中交通建设有限公司合同号:。
涵洞总体质量检验表
施工单位:合同号:
监理单位:编号:ZJ-142-□□□-□□□□□□□□□-□□□□
478
涵台质量检验表
施工单位:合同号:
监理单位:编号:ZJ-143-□□□-□□□□□□□□□-□□□□
479
管座及涵管安装质量检验表
施工单位:合同号:
监理单位:编号:ZJ-144-□□□-□□□□□□□□□-□□□□
480
盖板制作质量检验表
施工单位:合同号:
监理单位:编号:ZJ-145-□□□-□□□□□□□□□-□□□□
481
盖板安装质量检验表
施工单位:合同号:
监理单位:编号:ZJ-146-□□□-□□□□□□□□□-□□□□
482
箱涵浇筑质量检验表
施工单位:合同号:
监理单位:编号:ZJ-147-□□□-□□□□□□□□□-□□□□
483
拱涵浇(砌)筑质量检验表
施工单位:合同号:
监理单位:编号:ZJ-148-□□□-□□□□□□□□□-□□□□
484
倒虹吸竖井、集水井砌筑质量检验表
施工单位:合同号:
监理单位:编号:ZJ-149-□□□-□□□□□□□□□-□□□□
485
一字墙和八字墙质量检验表
施工单位:合同号:
监理单位:编号:ZJ-150-□□□-□□□□□□□□□-□□□□
486。
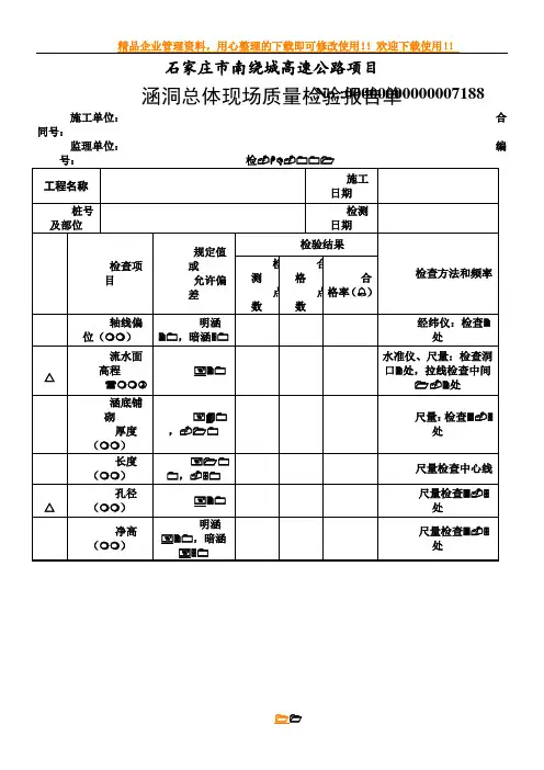
石家庄市南绕城高速公路项目No.:00000000000007188涵洞总体现场质量检验报告单施工单位: 合同号:监理单位: 编石家庄市南绕城高速公路项目涵 洞 总 体 检 测 记 录 表施工单位: 工程名称:合同号:监理单位: 桩号及部位:检测人: 技术负责人: 日期:石家庄市南绕城高速公路项目涵 台 现 场 质 量 检 验 报 告单施工单位: 合同号:监理单位: 编 号:石家庄市南绕城高速公路项目涵 台 检 测 记 录 表施工单位: 工程名称:合同号:监理单位: 桩号及部位:人: 日期:石家庄市南绕城高速公路项目管座及涵管安装现场质量检验报告单施工单位: 合同号:监理单位: 编 号:石家庄市南绕城高速公路项目管 座 及 涵 管 安 装 检 测 记 录 表施工单位: 工程名称:合同号:监理单位: 桩号及部位:人: 日期:石家庄市南绕城高速公路项目盖板制作现场质量检验报告单施工单位: 合同号:监理单位: 编 号:石家庄市南绕城高速公路项目盖 板 制 作 检 测 记 录 表施工单位: 工程名称:合同号:监理单位: 桩号及部位:人: 日期:石家庄市南绕城高速公路项目盖板安装现场质量检验报告单施工单位: 合同号:监理单位: 编 号:石家庄市南绕城高速公路项目盖 板 安 装 检 测 记 录 表施工单位: 工程名称:合同号:监理单位: 桩号及部位:人: 日期:石家庄市南绕城高速公路项目箱涵浇筑现场质量检验报告单施工单位: 合同号:监理单位: 编 号:石家庄市南绕城高速公路项目箱 涵 浇 筑 检 测 记 录 表施工单位: 工程名称:合同号:监理单位: 桩号及部位:人: 日期:石家庄市南绕城高速公路项目拱涵浇筑(砌)现场质量检验报告单施工单位: 合同号:监理单位: 编 号:石家庄市南绕城高速公路项目拱 涵 浇 筑 (砌) 检 测 记 录 表施工单位: 工程名称:合同号:监理单位: 桩号及部位:人: 日期:石家庄市南绕城高速公路项目倒虹吸竖井砌筑现场质量检验报告单施工单位: 合同号:监理单位: 编 号:石家庄市南绕城高速公路项目倒 虹 吸 竖 井 砌 筑 检 测 记 录 表施工单位: 工程名称:合同号:监理单位: 桩号及部位:人: 日期:石家庄市南绕城高速公路项目一字墙和八字墙现场质量检验报告单施工单位: 合同号:监理单位: 编 号:一 字 墙 和 八 字 墙 检 测 记 录 表施工单位: 工程名称: 合同号:监理单位: 桩号及部位:检测人 技术负责人 日期:。
涵洞总体质量检验表
施工单位:湖北省路桥集团有限公司合同号:YSTJ-9监理单位:西安方舟监理咨询责任有限公司编号:ZJ-217-
涵台质量检验表
施工单位:湖北省路桥集团有限公司合同号:YSTJ-9 监理单位:西安方舟监理咨询责任有限公司编号:ZJ-218-
施工单位:湖北省路桥集团有限公司合同号:YSTJ-9
施工单位:湖北省路桥集团有限公司合同号:YSTJ-9
施工单位:湖北省路桥集团有限公司合同号:YSTJ-9
施工单位:湖北省路桥集团有限公司合同号:YSTJ-9 监理单位:西安方舟监理咨询责任有限公司编号:ZJ-086-
5△基底高程
(mm)
土质±50
水准仪:测5~8点石质+50,-200
外观情况:自检结论:
质检工程师:日期:。
涵洞工程施工报验记录一、工程概况工程名称:XXXX涵洞工程工程地点:XXXX地区施工单位:XXXX建筑工程有限公司监理单位:XXXX建设监理有限公司设计单位:XXXX建筑设计研究院二、施工内容本次施工主要内容包括:涵洞中心线的确定、涵洞放样、涵身基础的放样、涵洞主体结构施工、涵洞进出口施工等。
三、施工过程1. 涵洞中心线的确定:根据设计图纸,利用经纬仪和钢尺在实地上确定涵洞中心线。
首先,在涵洞中桩位置,将仪器水平度盘旋转至涵洞中心线方向,然后在该方向上定出涵洞的上下游长度,并定桩。
在远离涵长的方向上确定四个方向桩(A、B、C、D),上下游各两个,保证桩的相对固定。
2. 涵洞放样:依据涵洞中心线和涵洞设计图中的基础尺寸,利用经纬仪和钢尺在实地上确定涵洞的轮廓线。
首先,在涵洞中心线位置,定出涵洞的上下游长度,然后分别在上下游方向上定出涵洞的宽度和高度,最后在涵洞进出口位置定出进出口的尺寸。
3. 涵身基础的放样:根据涵洞设计图中的基础尺寸,利用经纬仪和钢尺在实地上确定涵身基础的轮廓线。
首先,在涵洞中心线位置,定出涵身基础的上下游长度,然后分别在上下游方向上定出涵身基础的宽度和高度。
4. 涵洞主体结构施工:根据设计图纸,进行涵洞主体结构的施工。
主要包括涵洞拱圈的施工、涵洞侧墙的施工、涵洞底板的施工等。
施工过程中,严格按照设计要求和施工规范进行,确保施工质量。
5. 涵洞进出口施工:根据设计图纸,进行涵洞进出口的施工。
主要包括进出口的翼墙施工、进出口的排水设施施工等。
施工过程中,严格按照设计要求和施工规范进行,确保施工质量。
四、质量控制与验收1. 质量控制:在施工过程中,严格按照设计图纸和施工规范进行,确保施工质量。
同时,施工单位应定期对施工质量进行自检,发现问题及时整改。
2. 验收:施工完成后,由监理单位组织施工单位、设计单位和建设单位进行验收。
验收内容包括:涵洞中心线的准确性、涵洞放样的准确性、涵身基础的放样的准确性、涵洞主体结构的施工质量、涵洞进出口的施工质量等。
十涵洞施工用表目录(一)、明挖基础(二)、粉喷桩(三)、旋喷桩(四)、就地制作涵洞洞身(五)、涵洞附属工程(一)、明挖基础附表:1、TA7施工测量放样报验单(见“原地面处理”中此表)2、施工测量高程放样表; 施工测量平面放样表(见“原地面处理”中此表)3、TA8工程报验申请表(见“原地面处理”中此表)4、基检验批质量验收记录表5、基坑检查证——铁程检-096、TA8工程报验申请表(见“原地面处理”中此表)7、模板及支架检验批质量验收记录表8、模板检查证——质统-7(见“重力式挡墙基础”中此表)9、TA8工程报验申请表(见“原地面处理”中此表)10、钢筋(原材料及加工)检验批质量验收记录表(Ⅰ)11、钢筋(连接及安装)检验批质量验收记录表(Ⅱ)10、钢筋检查证——铁程检-14修(见“地表排水”中此表)12、TA8工程报验申请表(见“原地面处理”中此表)13、混凝土(原材料)检验批质量验收记录表(Ⅰ)14、混凝土(配合比)检验批质量验收记录表(Ⅱ)15、混凝土(施工及养护)检验批质量验收记录表(Ⅲ)16、混凝土(结构外观和尺寸偏差)检验批质量验收记录表(Ⅳ)17、混凝土施工过程检查——质统-8修1(见“过渡段”中的“基坑回填”中此表)18、混凝土施工记录(见“过渡段”中的“基坑回填”中此表)19、混凝土拆模检查——质统-9修1(见“重力式挡墙基础”中此表)20、混凝土养护检查——质统-10修1(见“过渡段”中的“基坑回填”中此表)换填地基检验批质量验收记录表基坑检验批质量验收记录表工程检查证TA8 工程报验申请表工程项目名称:DK34+173 1-4m框架涵施工合同段:LSZQZH-Ⅰ标编号:注:本表一式3份,承包单位2份,监理单位1份。
模板及支架检验批质量验收记录表模板检查表编号:质统-7TA8 工程报验申请表注:本表一式3份,承包单位2份,监理单位1份。
钢筋(原材料及加工)检验批质量验收记录表(Ⅰ)钢筋(连接及安装)工程检验批质量验收记录表(Ⅱ)工程检查证编号:铁程检—14(修)TA8 工程报验申请表工程项目名称:DK34+173 1-4m 框架涵施工合同段:LSZQZH-Ⅰ标编号:注:本表一式3份,承包单位2份,监理单位1份。
检验申请批复单
承包单位:中铁十五局集团第二工程有限公司合同号:监理单位: 甘肃省交通科学研究院有限公司编号:
涵洞基坑现场质量检验报告单
承包单位:中铁十五局集团第二工程有限公司合同号:监理单位:甘肃省交通科学研究院有限公司编号:
平面位置检查记录表
承包单位:中铁十五局集团第二工程有限公司合同号:
监理单位:甘肃省交通科学研究院有限公司编号:
测量:监理工程师:日期:
基坑检验记录表
承包单位:中铁十五局集团第二工程有限公司合同号:
监理单位:甘肃省交通科学研究院有限公司编号:
C-2-12
检验人:年月日
基坑开挖原始记录
承包单位:中铁十五局集团第二工程有限公司合同号:
监理单位:甘肃省交通科学研究院有限公司编号:
高程检查记录表
承包单位:中铁十五局集团第二工程有限公司合同号:监理单位:甘肃省交通科学研究院有限公司编号:
测量:日期:。
中间交工证书
(编号:)
A-JL-08 合同号:监理单位:承包商:
本证书一式两份,驻地监理工程师办公室留档一份,承包商一份。
工程检验认可书
(编号:)
A-JL-07 合同号:监理单位:承包商:
本认可书一式两份,驻地监理工程师办公室留档一份,承包商一份。
工程报验单
(编号:)
A-JL-06 合同号:监理单位:承包商:
由承包商呈报两份,经查验后驻地监理工程师办公室留档一份,退承包商一份。
现浇混凝土整体式模板安装质量检验表
(编号:)B-6-20 合同号:工程部位(桩号、墩台号、孔号):分项工程名称:
建设项目:施工单位:监理单位:
检验:记录:复核:日期:
混凝土工程施工记录
(编号:)
C-V-41 合同号施工单位
工程名称构造物构件)名称
施工负责人:监理工程师:日期:
混凝土拌合物坍落度试验记录
(编号:) D—42.1 建设项目:合同号:施工单位:
试验:计算:复核:试验日期:
标高测量记录
(编号:) D—80 建设项目:合同号:
(编号:) D—45 建设项目:合同号:
试验:计算:复核:试验日期:
(编号:) D—47 建设项目:合同号:
试验:计算:复核:试验日期:
水泥混凝土试验报告
(编号:) D—41 建设项目:合同号:
试验:计算:复核:试验日期:。
十之青柳念文创作涵洞施工用表目次(一)、明挖基础(二)、粉喷桩(三)、旋喷桩(四)、当场制作涵洞洞身(五)、涵洞附属工程(一)、明挖基础附表:1、TA7施工丈量放样报验单(见“原地面处理”中此表)2、施工丈量高程放样表; 施工丈量平面放样表(见“原地面处理”中此表)3、TA8工程报验申请表(见“原地面处理”中此表)4、基检验批质量验收记录表5、基坑检查证——铁程检-096、TA8工程报验申请表(见“原地面处理”中此表)7、模板及支架检验批质量验收记录表8、模板检查证——质统-7(见“重力式挡墙基础”中此表)9、TA8工程报验申请表(见“原地面处理”中此表)10、钢筋(原资料及加工)检验批质量验收记录表(Ⅰ)11、钢筋(毗连及装置)检验批质量验收记录表(Ⅱ)10、钢筋检查证——铁程检-14修(见“地表排水”中此表)12、TA8工程报验申请表(见“原地面处理”中此表)13、混凝土(原资料)检验批质量验收记录表(Ⅰ)14、混凝土(配合比)检验批质量验收记录表(Ⅱ)15、混凝土(施工及养护)检验批质量验收记录表(Ⅲ)16、混凝土(布局外观和尺寸偏差)检验批质量验收记录表(Ⅳ)17、混凝土施工过程检查——质统-8修1(见“过渡段”中的“基坑回填”中此表)18、混凝土施工记录(见“过渡段”中的“基坑回填”中此表)19、混凝土拆模检查——质统-9修1(见“重力式挡墙基础”中此表)20、混凝土养护检查——质统-10修1(见“过渡段”中的“基坑回填”中此表)换填地基检验批质量验收记录表基坑检验批质量验收记录表 03020109□□□工程检查证编号:铁程检-09TA8 工程报验申请表工程项目称号:DK34+173 1-4m框架涵施工合同段:LSZQZH-Ⅰ标编号:注:本表一式3份,承包单位2份,监理单位1份.模板及支架检验批质量验收记录表03020110□□□模板检查表TA8 工程报验申请表工程项目称号:DK34+173 1-4m 框架涵施工合同段:LSZQZH-Ⅰ标编号:注:本表一式3份,承包单位2份,监理单位1份.钢筋(原资料及加工)检验批质量验收记录表(Ⅰ)03020111□□□钢筋(毗连及装置)工程检验批质量验收记录表(Ⅱ)工程检查证编号:铁程检—14(修)TA8 工程报验申请表工程项目称号:DK34+173 1-4m 框架涵施工合同段:LSZQZH-Ⅰ标编号:注:本表一式3份,承包单位2份,监理单位1份.[明挖基础]混凝土(原资料)检验批质量验收记录表(Ⅰ)03020112□□□[明挖基础]混凝土(配合比)检验批质量验收记录表(Ⅱ)03020112□□□目[明挖基础]混凝土(施工及养护)检验批质量验收记录表(Ⅲ)03020112□□□[明挖基础]混凝土(布局外观和尺寸偏差)检验批工程检查证编号:质统-8修1填表人:主管工程师:记录人:年月日施工负责人:年月日工程检查证编号:质统-9修1填表人:主管工程师:工程检查证编号:质统-10修1填表人:主管工程师:(四)、当场制作涵洞洞身附表:1、TA7施工丈量放样报验单(见“原地面处理”中此表)2、施工丈量高程放样表; 施工丈量平面放样表(见“原地面处理”中此表)3、TA8工程报验申请表(见“原地面处理”中此表)4、模板及支架检验批质量验收记录表5、模板检查——质统-7(见“重力式挡墙基础”中此表)6、TA8工程报验申请表(见“原地面处理”中此表)7、钢筋(原资料及加工)检验批质量验收记录表(Ⅰ)8、钢筋(毗连及装置)检验批质量验收记录表(Ⅱ)9、钢筋检查证——铁程检-14修(见“地表排水”中此表)10、TA8工程报验申请表(见“原地面处理”中此表)11、混凝土(原资料)检验批质量验收记录表(Ⅰ)12、混凝土(配合比)检验批质量验收记录表(Ⅱ)13、混凝土(施工及养护)检验批质量验收记录表(Ⅲ)14、混凝土(布局外观和尺寸偏差)检验批质量验收记录表(Ⅳ)15、混凝土施工过程检查——质统-8修1(见“过渡段”中的“基坑回填”中此表)16、混凝土施工记录(见“过渡段”中的“基坑回填”中此表)17、混凝土拆模检查——质统-9修1(见“重力式挡墙基础”中此表)18、混凝土养护检查——质统-10修1(见“过渡段”中的“基坑回填”中此表)19、防水层检验批质量验收记录表20、检查防水层——铁程检-1621、沉降缝检验批质量验收记录表22、检查沉降缝——铁程检-50TA8 工程报验申请表工程项目称号:DK34+173 1-4m 框架涵施工合同段:LSZQZH-Ⅰ标编号:注:本表一式3份,承包单位2份,监理单位1份.模板及支(拱)架工程检验批质量验收记录表03020301□□□模板检查表TA8 工程报验申请表工程项目称号:DK34+173 1-4m 框架涵施工合同段:LSZQZH-Ⅰ标编号:注:本表一式3份,承包单位2份,监理单位1份.[当场制作涵洞涵身]钢筋(原资料及加工)检验批质量验收记录表(Ⅰ)03020302□□□[当场制作涵洞涵身]钢筋(毗连及装置)工程检验批质量验收记录表(Ⅱ) 03020302□□□工程检查证编号:铁程检—14(修)[当场制作涵洞洞身]混凝土(原资料)检验批质量验收记录表(Ⅰ)[当场制作涵洞洞身]混凝土(配合比)检验批质量验收记录表(Ⅱ)[当场制作涵洞洞身]混凝土(施工及养护)检验批质量验收记录表(Ⅲ)[当场制作涵洞洞身]混凝土(布局外观和尺寸偏差)检验批质量验收记录表(Ⅳ)03020303口口口[当场制作涵洞洞身]防水层检验批质量验收记录表03020305口口口口工程检查证编号:铁程检—16[当场制作涵洞洞身]沉降缝检验批质量验收记录03020306口口口口工程检查证编号:铁程检—50(五)、涵洞附属工程附表:(一)、模板及支加(二)、钢筋工程(三)、混凝土工程(四)、砌体工程(五)、雕栏(一)、模板及支架附表:1、TA7施工丈量放样报验单(见“原地面处理”中此表)2、施工丈量高程放样表; 施工丈量平面放样表(见“原地面处理”中此表)3、TA8工程报验申请表(见“原地面处理”中此表)4、模板及支架检验批质量验收记录表5、模板检查——质统-7(见“重力式挡墙基础”中此表)[涵洞附属工程]模板及支架检验批质量验收记录表(二)、钢筋工程附表:1、TA8工程报验申请表(见“原地面处理”中此表)2、钢筋(原资料及加工)检验批质量验收记录表(Ⅰ)3、钢筋(毗连及装置)检验批质量验收记录表(Ⅱ)4、检查钢筋——铁程检-14修(见“路堤横向排水沟”中此表)[涵洞附属工程]钢筋(原资料及加工)检验批质量验收记录表(Ⅰ)3020602口口口[涵洞附属工程]钢筋(毗连及装置)检验批质量验收记录表(Ⅱ)3020602口口口(三)、混凝土工程附表:1、TA8工程报验申请表(见“原地面处理”中此表)2、混凝土(原资料)检验批质量验收记录表(Ⅰ)3、混凝土(配合比)检验批质量验收记录表(Ⅱ)4、混凝土(施工及养护)检验批质量验收记录表(Ⅲ)5、混凝土(布局外观和尺寸偏差)检验批质量验收记录表(Ⅳ)6、混凝土施工过程检查——质统-8修1(见“过渡段”中的“基坑回填”中此表)7、混凝土施工记录(见“过渡段”中的“基坑回填”中此表)8、混凝土拆模检查——质统-9修1(见“重力式挡墙基础”中此表)9、混凝土养护检查——质统-10修1(见“过渡段”中的“基坑回填”中此表)[涵洞附属工程]混凝土(原资料)检验批质量验收记录表(Ⅰ)03020603□□□[涵洞附属工程]混凝土(配合比)检验批质量验收记录表(Ⅱ)03020603□□□[涵洞附属工程]混凝土(施工及养护)检验批质量验收记录表(Ⅲ)03020603□□□[端翼墙及附属工程]混凝土(布局外观和尺寸偏差)检验批质量验收记录表(Ⅳ)(四)、砌体工程附表:1、TA7施工丈量放样报验单(见“原地面处理”中此表)2、施工丈量高程放样表; 施工丈量平面放样表(见“原地面处理”中此表)3、TA8工程报验申请表(见“原地面处理”中此表)4、砌体工程检验批质量验收记录表5、地基检查——铁程检-17[涵洞附属工程]砌体工程检验批质量验收记录表03020604口口口工程检查证号:铁程检—17。
XXXXXXXXXXXXXXX
分部(项)工程开工申请批复单
承包单位:XXXXXXXXX 合同号:
A-06
XXXXXXXXXXXXXXX
建筑材料报验表
承包单位:XXXXXXXXX 合同号:
XXXXXXXXXXXXXXX
施工放样报验单
承包单位:XXXXXXXXX 合同号:
XXXXXXXXXXXXXXXXXXXXXX
XXXXXXXXXXXXXXX
施工放样测量记录表
承包单位:XXXXXXXXX 合同号:编号:
w
测量工程师:记录:监理工程师:日期:w
XXXXXXXXXXXXXXX
检验申请批复令
承包单位:XXXXXXXXX 合同号:
XXXXXXXXXXXXXXX 中间交工证书
XXXXXXXXXXXXXXXXXXXXXX
XXXXXXXXXXXXXXX
基坑(槽)现场质量检验报告单承包单位:XXXXXXXXX 合同号:
w
XXXXXXXXXXXXXXXXXXXXXX
XXXXXXXXXXXXXXX
模板安装现场质量检验报告单承包单位:合同号:
w
XXXXXXXXXXXXXXXXXXXXXX
XXXXXXXXXXXXXXX
涵台现场质量检验报告单承包单位:合同号:
w
XXXXXXXXXXXXXXX
混凝土施工原始记录承包单位:合同号:
XXXXXXXXXXXXXXX
桥涵墩(台)原始记录承包单位:合同号:
..
w XXXXXXXXXXXXXXXXXXXXXX 工程量计算表
工程名称:XXXXXXXXXXXXXXX 分部工程名称:
XXXXXXXXXXXXXXX
分部(项)工程开工申请批复单
承包单位:XXXXXXXXX 合同号:
A-06
XXXXXXXXXXXXXXX
建筑材料报验表
承包单位:XXXXXXXXX 合同号:
XXXXXXXXXXXXXXXXXXXXXX
XXXXXXXXXXXXXXX
钢筋工程中间原始记录承包单位:合同号:
w
XXXXXXXXXXXXXXXXXXXXXX
XXXXXXXXXXXXXXX
钢筋安装现场质量检验报告单承包单位:合同号:
w
XXXXXXXXXXXXXXXXXXXXXX
XXXXXXXXXXXXXXX
模板安装现场质量检验报告单承包单位:合同号:
w
XXXXXXXXXXXXXXXXXXXXXX
XXXXXXXXXXXXXXX
梁(板)预制现场质量检验报告单承包单位:合同号:
w
XXXXXXXXXXXXXXXXXXXXXX
马鬃岭至S208新运煤通村公路
盖板安装现场质量检验报告单承包单位:合同号:
w
.. w
..
XXXXXXXXXXXXXXXXXXXXXX
XXXXXXXXXXXXXXX
混凝土施工原始记录
承包单位:合同号:
XXXXXXXXXXXXXXXXXXXXXX
XXXXXXXXXXXXXXX
盖板安装现场质量检验报告单承包单位:XXXXXXXXX 合同号:
w
XXXXXXXXXXXXXXXXXXXXXX
工程量计算表
工程名称:XXXXXXXXXXXXXXX 分部工程名称:涵洞
w
XXXXXXXXXXXXXXXXXXXXXX
XXXXXXXXXXXXXXX
检验申请批复令
承包单位:XXXXXXXXX 合同号:
XXXXXXXXXXXXXXXXXXXXXX
XXXXXXXXXXXXXXX
中间交工证书
编号:
XXXXXXXXXXXXXXXXXXXXXX
XXXXXXXXXXXXXXX
分部(项)工程开工申请批复单承包单位:XXXXXXXXX 合同号:
XXXXXXXXXXXXXXXXXXXXXX
XXXXXXXXXXXXXXX
台背回填现场质量检验报告单承包单位:XXXXXXXXX 合同号:
w
XXXXXXXXXXXXXXXXXXXXXX
工程量计算表
工程名称:XXXXXXXXXXXXXXX 分部工程名称:涵洞
w
XXXXXXXXXXXXXXXXXXXXXX
XXXXXXXXXXXXXXX
检验申请批复令
承包单位:XXXXXXXXX 合同号:
XXXXXXXXXXXXXXXXXXXXXX
XXXXXXXXXXXXXXX
中间交工证书
编号:
..
w
XXXXXXXXXXXXXXXXXXXXXX
马鬃岭至S208新运煤通村公路
涵洞总体现场质量检验报告单
承包单位:合同号:
XXXXXXXXXXXXXXX
分部(项)工程开工申请批复单
承包单位:XXXXXXXXX 合同号:
A-06
XXXXXXXXXXXXXXX
建筑材料报验表
承包单位:XXXXXXXXX 合同号:
XXXXXXXXXXXXXXX
检验申请批复令
承包单位:XXXXXXXXX 合同号:
XXXXXXXXXXXXXXXXXXXXXX
XXXXXXXXXXXXXXX
中间交工证书
编号:
..
w
XXXXXXXXXXXXXXXXXXXXXX
马鬃岭至S208新运煤通村公路
八字墙和一字墙现场质量检验报告单
承包单位:合同号:
台背填土分项工程质量检验评定表分项工程名称:所属分部工程名称:所属建设项目:
工程部位:
(桩号、墩台号、号)施工单位:监理单位:监理有限公司表8.6.5
w
钢筋安装分项工程质量检验评定表分项工程名称:所属分部工程名称:涵洞工程所属建设项目:
工程部位:(桩号、墩台号、号)施工单位:监理单位:表8.3.1-1
w
盖板制作分项工程质量检验评定表分项工程名称:所属分部工程名称:涵洞工程所属建设项目:
w
盖板安装分项工程质量检验评定表分项工程名称:所属分部工程名称:涵洞工程所属建设项目:
w
一字墙和八字墙分项工程质量检验评定表分项工程名称:所属分部工程名称:涵洞工程所属建设项目:
w
涵洞总体分项工程质量检验评定表分项工程名称:所属分部工程名称:所属建设项目:
w。